c喷射混凝土配合比设计说明修订版
- 格式:docx
- 大小:29.20 KB
- 文档页数:6
C30F200喷射混凝土配合比设计C30F200喷射混凝土配合比设计摘要:由于喷射混凝土配合比难以确定,受骨料、水泥及外加剂等因素影响很大,实际施工中几乎凭喷枪手的经验操作,质量难以保证。
本文在总结近几年来喷射混凝土和混凝土抗冻理论的基础上,阐述了混凝土的冻融破坏机理和影响因素。
并结合新疆下坂底工程的C30F200喷射混凝土配合比设计,掺加高效速凝剂,采用试验室成型和湿喷机成型两种方法,进行喷射混凝土配合比试验研究,优化混凝土配合比参数,充分利用各种掺合料复合加入混凝土后所产生的叠加效应,实现了喷射混凝土与其抗冻性的结合,最终确定适合工程要求的喷射混凝土配合比。
关键词:喷射混凝土;配合比;速凝剂;抗冻性前言喷射混凝土是借助喷射机械,利用压缩空气或其他动力,将水泥、砂、石、掺合料、外加剂及水等原材料按一定比例配合好的拌合料,通过管道输送,并以高速喷射到受喷面凝结硬化而成的一种混凝土。
与传统的现浇混凝土相比,喷射混凝土不需要立模和振捣,而是将混合料高速、连续地喷至受喷面上,冲击、挤压形成密实的混凝土。
一、试验原理1、试验原理1.1速凝剂的工作原理在水泥中掺入速凝剂,遇水混合后立即水化,速凝剂的反应物NaOH 与水泥中的CaSO4生成Na2SO4,使石膏失去缓凝作用。
由于溶液中石膏浓度的降低,使C3A迅速进入溶液,析出水化物,导致水泥浆迅速凝固,水泥石形成疏松的铝酸盐结构。
同时沉淀下来的铝酸盐水化物,如C3A·Ca (OH)2·H2O、C3A·CaSO4·12H2O的固溶体决定了水泥结构。
Na2SO4和NaOH也起着加速硅酸盐矿物(特别是C3S)水化的作用。
随着龄期的延长,C3S水化物不断析出,填充并加固疏松的铝酸盐结构,随着溶液中Ca(OH)2浓度的逐渐增高,使Na2SO4与Ca(OH)2发生可逆反应重新生成CaSO4,从而在液相中形成晶体,这对疏松的铝酸盐结构的加固,以及致密作用是有利的。
C 2 5喷射混凝土配合比设计说明一.设计因素1.设计依照(1)《一般混凝土配合比设计规程》 JGJ55-2011;(2)《公路地道施工技术规范》(JTG F60-2009);(3)《岩土锚杆与发射混凝土支护技术规范》 (GB50086-2015);(4)《设计施工图》;2.设计技术指标要求(1)设计强度等级 C25;(2)设计坍落度 120-160mm;3.配合比使用资料(1)水泥:甘肃祁连山川泥企业股份有限企业, P·;(2)砂:宕昌县兴昌石料厂,细度模数宜大于;(3)碎石:宕昌县兴昌石料厂,5-10mm,粒径不宜大于15mm;(4)速凝剂:广东红墙新资料股份有限企业,速凝剂;(5)水:拌和水。
4.拟用工程部位地道工程用发射混凝土二.配合比设计过程1.确立基准配合比依照现行《岩土锚杆与发射混凝土支护技术规范》等技术标准及设计文件的要求,湿法发射水灰比宜不大于,砂率宜为50%-60%,塌落度不宜小于 10cm。
(1)计算试配强度f cu,o = f cu,k+δ=25+×5=f cu,o -混凝土配置强度(MPa);f- 混凝土立方体抗压强度标准值,取设计强度等级(MPa);δ- 混凝土强度标准差( MPa);表一:标准差δ值( MPa)混凝土强度标准值≤ C20C25~C45C50~C55δ(2)计算水灰比W/B= a a×f b/ (f cu,o + a a a b f b)=××/+×××=W/B-混凝土水胶比;a a,a b- 回归系数;f b- 胶凝资料 28d 抗压强度( MPa)。
表二:回归系数( a a、a b)取值表粗骨料种类碎石卵石a aa b(3)确立水灰比(水胶比)依照现行《岩土锚杆与发射混凝土支护技术规范》等技术标准及设计文件的要求,水灰比宜不大于, 经试验水胶比选用 , 知足要求。
(4)确立单位用水量考虑混凝土性能要求选用混凝土单位用水量M wo=230kg (5)计算单位胶凝资料用量○1水泥用量M C=230÷=480kg/m33○2速凝剂掺量为胶凝资料的%,即 M速=m;(6)采纳重量法计算各样资料用量○1混凝土拌和物的假设表观密度为2250kg/m3○2依据水灰比、规范及施工工艺要求选砂率为βs=50%○3计算砂、石用量M so+M go=M cp-M c-M wo =2250-480-230=1540kgMso=770kg,Mgo=770kg。
喷射混凝土配合比说明和设计一、喷射混凝土的概念喷射混凝土是借助喷射机械,将速凝混凝土喷向岩石或结构物表面,使岩石或结构物得到加强和保护。
喷射混凝土有干混合料喷射与湿混合料喷射两种施工方法,我国井下巷道目前广泛采用的是干混合料喷射施工法。
二、喷射混凝土配合比设计的基本要求喷射混凝土配合比具有自身的工艺特点,要根据多种因素来综合选定。
在保证原材料合格的前提下,配合比设计既要兼顾对强度等主要指标的要求,又要兼顾到施工工艺的要求。
一般应满足如下几方面:(1)应满足设计强度等级要求,如有抗渗要求,还应达到抗渗等级。
(2)回弹量少。
(3)粉尘少。
(4)粘附性好,能获得密实的喷射混凝土。
(5)能满足施工要求,输料顺畅,不发生堵管等。
三、原材料选择与质量要求1、水泥⑴应优先选用硅酸盐水泥或普通硅酸盐水泥,也可选用矿渣硅酸盐水泥或火山灰质硅酸盐水泥,必要时采用特种水泥,水泥强度等级不应低于32.5MPa。
⑵当有抗冻、抗渗要求时,水泥强度等级不宜低于42.5MPa。
2、粗骨料⑴应采用坚硬耐久的碎石或卵石或两者混合物,粒径不宜大于16mm.⑵严禁选用具有潜在碱活性骨料。
当使用碱性速凝剂时,不得使用含有二氧化硅的石料。
3、细骨料应采用坚硬耐久的中砂或粗砂,细度模数应大于 2.5。
4、减水剂对混凝土和钢材无锈蚀作用,对凝结时间影响不大,干法喷射混凝土不适合添加减水剂。
5、速凝剂掺量为水泥用量的3%~5%。
在使用速凝剂前,应做与水泥的适应性试验,初凝不大于5min,终凝不应大于10min 。
在采用其他类型外加剂时或几种外加剂复合使用时也应做相应的性能试验和使用效果试验。
6、水喷射混凝土用水不应含有影响水泥正常凝结硬化的有害物质,不应使用污水、海水、PH值小于4的酸性水和含硫酸盐量按SO4计算超过水重1%的水。
四、混合料配合比技术要求1、水胶比干法宜为0.40~0.45、湿法宜为0.42~0.50;2、胶骨比干法宜为1.0∶4.0~1.0∶4.5;湿法宜为1.0∶3.5~1.0∶4.0;3、砂率干法宜为45%~55%,湿法宜为50%~60%;4、速凝剂掺量为水泥用量的3%~5%;5、湿法喷射混凝土拌合物的坍落度宜为80~120mm;6、胶凝材料用量不宜小于400kg/m3;7、喷射混凝土回弹率,边墙不应大于15%,拱部不应大于25%。
C20喷射混凝土配合比设计说明一、试验环境及所用仪器设备1、试验室、标养室温度、湿度均满足试验规程要求。
2、试验所用的仪器设备规格、量程、准确度等均符合试验规程要求,且通过陕西力源仪器设备检测中心,检定合格。
二、设计依据1、普通砼配合比设计规程JGJ55—20002、锚杆喷射混凝土支护技术规范GB 50086—2001三、材料的选用1、水泥:选用陕西(秦岭牌)普通42.5R 硅酸盐水泥,依据JTG E30—2005 试验规程检验,所用项目符合GB 175—1999标准要求,详见下表:2、细骨料:选用渭河砂场中砂,依据JTG E42—2005试验规程检验,其所检项目符合JTJ041—2000 规范要求,详见下表:3、粗骨料:选用颜林石料场碎石,依据JTG E42—2005试验规程检验,所检项目符合JTJ041—2000 规范要求,详见下表:4、水:饮用水,符合JTJ041—2000 规范要求,其各项性能指标详见外委试验报告。
5、速凝剂:西安聚能 JN1229—S, 掺量:3%,其各项性能指标详见外委试验报告。
四、配合比的设计与计算1、设计内容:喷射砼设计强度等级C20, 坍落度要求80—120mm。
2、配合比的计算步骤:依据JGT 55—2000及GB 50086—2001, 计算如下:①试配强度:20+1.645×5=28.2MPa②基准水灰比:0.50③选用每立方米砼用水量:212kg④选用每立方米砼水泥用量:424 kg⑤选取砂率:54%⑥确定每立方米砼粗、细骨料用量(假定容重:2300kg/m³):粗骨料用量:765 kg/m³细骨料用量:899kg/m³灰骨比:1:3.9⑦确定基准配合比:水泥:砂:石子:水:速凝剂=424:899:765:212:12.72⑧计算相关配合比:水泥:砂:石子:水:速凝剂=408:909:775:208:12.24水泥:砂:石子:水:速凝剂=435:892:760:213:13.05五、按三个不同水灰比进行试配,对其混凝土拌和物的坍落度、粘聚性、保水性检验,现场试喷砼试件,进行标准养护,测定7天、28天立方体抗压强度,详见下表:六、根据经济合理,保证质量,便于施工的原则,水泥:砂:石子:水:速凝剂=424:899:765:212:12.72配合比可作为C20 喷射砼的配合比,拟用于隧道临时支护工程。
C25喷射混凝土配合比设计说明一. 设计要素1.设计依据(1) 《普通混凝土配合比设计规程》JGJ55-2011;(2) 《公路隧道施工技术规范》(JTG F60-2009);(3) 《岩土锚杆与喷射混凝土支护技术规范》(GB50086-2015);(4) 《设计施工图》;2.设计技术指标要求(1)设计强度等级C25;(2)设计坍落度120-160mm;3.配合比使用材料(1)水泥:甘肃祁连山水泥集团股份有限公司,P·O42.5;(2)砂:宕昌县兴昌石料厂,细度模数宜大于2.5;(3)碎石:宕昌县兴昌石料厂,5-10mm,粒径不宜大于15mm;(4)速凝剂:广东红墙新材料股份有限公司,速凝剂;(5)水:拌和水。
4.拟用工程部位隧道工程用喷射混凝土二.配合比设计过程1.确定基准配合比依据现行《岩土锚杆与喷射混凝土支护技术规范》等技术标准及设计文件的要求,湿法喷射水灰比宜不大于0.55,砂率宜为50%-60%,塌落度不宜小于10cm。
(1)计算试配强度f cu,o= f cu,k+1.645δ=25+1.645×5=33.2MPaf cu,o-混凝土配置强度(MPa);f cu,k-混凝土立方体抗压强度标准值,取设计强度等级(MPa);δ-混凝土强度标准差(MPa);表一:标准差δ值(MPa)混凝土强度标准值≤C20 C25~C45 C50~C55 δ 4.0 5.0 6.0 (2)计算水灰比W/B= a a×f b/(f cu,o+ a a a b f b)=(0.53×42.5×1.16)/(33.2+0.53×0.20×42.5×1.16)=0.68W/B-混凝土水胶比;a a,a b-回归系数;f b-胶凝材料28d抗压强度(MPa)。
表二:回归系数(a a、a b)取值表粗骨料种类碎石卵石a a0.53 0.49a b0.20 0.13(3)确定水灰比(水胶比)依据现行《岩土锚杆与喷射混凝土支护技术规范》等技术标准及设计文件的要求,水灰比宜不大于0.55 ,经试验水胶比选取0.48,满足要求。
关于C20喷射砼配合比选定的说明
一、试验用仪器设备
试验中所进行各试验项目的试验设备的精度及规格等均符合技术规范要求且均通过三明市计量所和省公路仪器检定站检定合格。
二、使用材料:
1、水泥:选用福建三明三三水泥厂生产的“万年青”牌P·O42.5R水泥,依据GB1345-91、GB/T1346-2001及GB/T 17671-1999试验,其各项指标见下表:
2、细骨料:选用沙县上院产河砂,依据JTJ058-2000试验,其各项指标见下表:
3、粗骨料:选用沙县际口产碎石,依据JTJ058-2000试验,其各项指标见下表:
4、水:饮用水
5、砼配合比:依据GB5086-2001、JTJ042-94及业主的招标文件技术规范及喷射砼的技术要求。
我们对C20喷射砼进行了设计和选定,其具体设计和选
定情况如下:
(1)、C20喷射砼配合比设计
附件:
1、砼配合比设计报告:28#、29#
2、水泥物理力学性能试验报告:水泥—02
3、砂试验报告:砂—03
4、卵石试验报告:石—03
5、钢纤维力性能试验报告:RQ3055
6、速凝剂检验报告:CJS3051
邵三高速公路MA11合同段
中铁二局项目经理部中心试验室
二00三年七月八日。
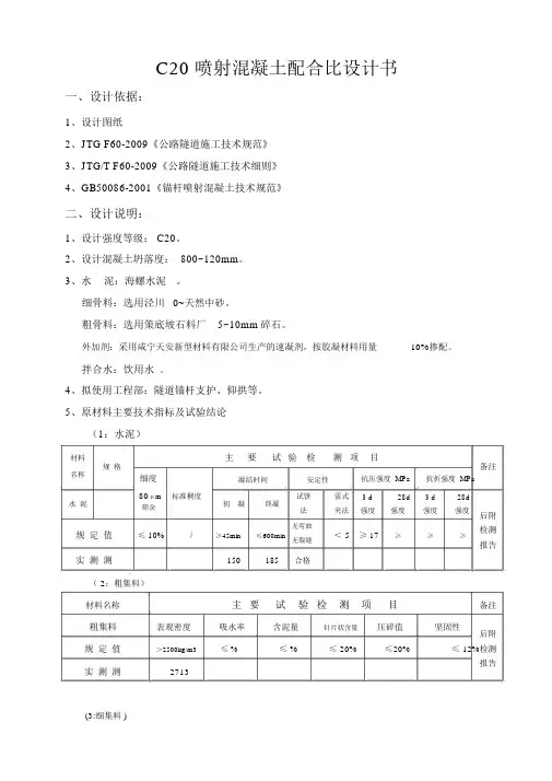
C20 喷射混凝土配合比设计书一、设计依据:1、设计图纸2、JTG F60-2009《公路隧道施工技术规范》3、JTG/T F60-2009《公路隧道施工技术细则》4、GB50086-2001《锚杆喷射混凝土技术规范》二、设计说明:1、设计强度等级: C20。
2、设计混凝土坍落度: 800~120mm。
3、水泥:海螺水泥。
细骨料:选用泾川0~天然中砂。
粗骨料:选用策底坡石料厂5~10mm碎石。
外加剂:采用咸宁天安新型材料有限公司生产的速凝剂,按胶凝材料用量10%掺配。
拌合水:饮用水。
4、拟使用工程部:隧道锚杆支护、仰拱等。
5、原材料主要技术指标及试验结论(1:水泥)材料主要试验检测项目规格备注名称细度凝结时间安定性抗压强度 MPa抗折强度 MPa水泥80μm标准稠度初凝终凝试饼雷式 3 d28d 3 d28d筛余法夹法强度强度强度强度后附规定值≤ 10%/≥45min≤600min 无弯曲< 5≥ 17≥≥≥检测无裂缝报告实测测150185合格( 2:粗集料)材料名称主要试验检测项目备注粗集料表观密度吸水率含泥量针片状含量压碎值坚固性后附规定值>2500kg/m3≤ %≤ %≤ 20%≤20%≤ 12%检测实测测2713报告(3:细集料 )材料名称规格主要试验检测项目备注细集料细度模数表观密度堆积密度空隙率含泥量坚固性规定值< 47%< %后附检< 8%测报告实测测25211492/三、混凝土基准配合比设计1、计算配制强度20MPa----混凝土强度标准差,取。
混凝土设计强度:f cu , k=20MPa混凝土配制强度:f cu, 0 = f cu ,k 1.645=20+ ×4=2、水胶比:根据设计规范及试拌效果取水胶比。
3、单位用水量根据设计规范及施工条件需要,混凝土坍落度为800~120mm。
根据实际试拌效果,取用水量为238kg/m3。
计算单位胶凝材料用量为:458kg/m34、选定砂率:根据根据设计规范及实际试拌效果初步选用 55%。
C20喷射混凝土配合比设计说明一、工程名称忻阜高速公路S合同段二、结构环境潮湿寒冷环境,无侵蚀物质影响三、设计目的和用途1、目的保证混凝土强度满足结构设计要求,工作性满足施工工艺要求,确保工程质量且经济合理2、用途用于隧道初期支护C20喷射混凝土施工四、设计要求1、设计强度:C202、坍落度要求:干硬性混凝土五、设计依据JTJ041—2000规范要求JTJ042—94规范要求:C:(S+G)=1:4~1:5 S: (S+G)=0.45~0.6 W:C=0.4~0.5GB50086-2001规范要求:C:(S+G)=1:4~1:4.5 S: (S+G)=0.45~0.5 W:C=0.4~0.45六、所用原材料C20喷射混凝土配合比设计计算书一、设计依据根据《公路工程国内招标文件范本》、《公路隧道施工技术规范》JTJ042-94、《锚杆喷射混凝土支护技术规范》GB 50086-2001、《普通混凝土配合比设计规程》JGJ55-2000二、确定试配强度(f cu,0)混凝土试配强度采用下式确定:f cu,0≥f cu,k+1.645σ=20+1.645×5= 28.2 (MPa)式中:f cu,0——混凝土配制强度(MPa);f cu,k——混凝土立方体抗压强度标准值(MPa);σ——混凝土强度标准差(MPa)。
取5.0 MPa三、确定水灰比(W/C)根据《公路工程国内招标文件范本》、《公路隧道施工技术规范》JTJ042-94、《锚杆喷射混凝土支护技术规范》GB 50086-2001、《普通混凝土配合比设计规程》JGJ55-2000对喷射混凝土的要求并综合考虑,选取水灰比为0.40四、计算1m3混凝土各项材料用量根据《公路工程国内招标文件范本》、《公路隧道施工技术规范》JTJ042-94、《锚杆喷射混凝土支护技术规范》GB 50086-2001、《普通混凝土配合比设计规程》JGJ55-2000对喷射混凝土的要求并综合考虑,取砂率βs=0.48,速凝剂掺量为水泥用量的4%,设定混凝土容重m cp=2300 kg/m3确定以下参数:C/(S+G)=1:4W/C=0.4A/C=4%S/(S+G)=48%C+S+G+W+A=2300综合计算出每方混凝土各材料用量:水泥 C=426 kg/m3砂子 S=810 kg/m3 石子 G =877 kg/m3水 W=170 kg/m3 外加剂 A=17 kg/m3五、试配用基准配合比:C:S:G:W:A=426:810:877:170:17= 1:1.90:2.06:0.40:0.04六、试配调整按基准配合比进行试拌,混凝土工作性能良好,实测容重2287 kg/m3,不需调整。
C20喷射混凝土配合比设计书一、设计依据:1、设计图纸2、JTG F60-2009《公路隧道施工技术规范》3、JTG/T F60-2009《公路隧道施工技术细则》4、GB50086-2001《锚杆喷射混凝土技术规范》二、设计说明:1、设计强度等级:C20。
2、设计混凝土坍落度:800~120mm。
3、水泥:海螺水泥P.O 42.5。
细骨料:选用泾川0~4.75mm天然中砂。
粗骨料:选用策底坡石料厂5~10mm碎石。
外加剂:采用咸宁天安新型材料有限公司生产的速凝剂,按胶凝材料用量10%掺配。
拌合水:饮用水。
4、拟使用工程部:隧道锚杆支护、仰拱等。
5、原材料主要技术指标及试验结论(1:水泥)页脚内容- 1 -(2:粗集料)页脚内容- 2 -(3:细集料)三、混凝土基准配合比设计1、计算配制强度20MPa页脚内容- 3 -页脚内容- 4 -σ----混凝土强度标准差,取4.0MPa 。
混凝土设计强度: k cu f ,=20MPa 混凝土配制强度:0,cu f =σ645.1,+k cu f =20+1.645×4=26.6MPa 2、水胶比:根据设计规范及试拌效果取水胶比0.52。
3、单位用水量根据设计规范及施工条件需要,混凝土坍落度为800~120mm 。
根据实际试拌效果,取用水量为238kg/m ³。
计算单位胶凝材料用量为:458kg/m ³ 4、选定砂率:根据根据设计规范及实际试拌效果初步选用55%。
5、计算配合比:质量法:假定每立方米混凝土的重量为2300kg 则cp w s g c m m m m m =+++0000页脚内容- 5 -%100000⨯+=g s s s m m m β即:458+00s g m m ++238=230055%=%100000⨯+s g s m m m解得:=0s m 882kg =0g m 722kg 6、确定混凝土基准配合比配合比:水泥:砂:碎石:水 =458:882:722:238 比例为1:1.93:1.58:0.52 四、混凝土配合比试配、调整根据混凝土配合比选定要求,以基准配合比为基础,选配两个调整配合比,其用水量与基准 配合比相同,水胶比较基准配合比分别增加或减少0.02,即水胶比分别为0.50与0.54。
C25喷射混凝土配合比设计与使用(完整资料).doc【最新整理,下载后即可编辑】喷射混凝土配合比设计技术摘要喷射混凝土是一种从巷道支护技术中演变到地上构筑物加固的一种快捷有效的加固手段,具有自己的独特优势:喷射混凝土是借助喷射机械,利用压缩空气做动力,将一定比例的拌合料,通过高压管道输送并以高速喷射到受喷面上凝结硬化而成。
关键词:喷射混凝土配合比设计设计技术0 引言随着铁路和公路的不断发展,喷射混凝土其用途也越来越广泛;在铁路、公路工程隧道,边仰坡支护、混凝土结构补强加固等工程施工中都需要用到喷射混凝土。
本文介绍了喷射混凝土的特性,配合比设计目的。
以C25喷射混凝土配合比设计实例介绍配合比设计过程中原材料,试验计算,试验过程等方面内容,同时,为了更好的让喷射混凝土配合比生产出来的混凝土质量得到保证,对喷射混凝土的使用和施工过程中应该注意事项进行了简单介绍。
1.喷射混凝土的特性喷射混凝土是利用压缩空气按照设计的配合比的混凝土有喷射机的喷射口以高速高压喷出,从而在被喷面形成混凝土层;在较短的实际内凝结成为均匀的混凝土。
与传统的浇筑混凝土不同,喷射混凝土不需要立模、振捣,而是依据高速喷射的动能将混合料连续喷敷到受喷面上,冲击、挤压达到密实。
喷射混凝土的施工方法有干湿两种工艺:1.干喷工艺①工艺流程各种材料(不含水)按照设计配比要求进行干拌和——拌和好的松散混凝土直接喂入(通过机械或人工上料)喷射机料斗——由空压机提供的压缩空气裹携物料通过输料管送到喷头处——在此处加入水与物料混合——在风压作用下喷射到受喷面上。
2.湿喷工艺① 工艺流程各种材料(含水)按照设计配比要求进行充分搅拌——拌和好的混凝土直接喂入(通过机械或人工上料)湿喷机的强力振动料斗——由空压机提供的压缩空气裹携物料通过输料管输送到喷头处——在此处加入速凝剂与物料混合——在风力作用下喷射到受喷面上。
湿式混凝土喷射机主要优点有四个:(1).湿法:作业大大降低了机旁和喷嘴外的粉尘浓度,消除了对工人健康的危害。
C20喷射混凝土配合比计算书一、编制依据1、《邵阳至怀化高速公路土建工程施工招标文件》2、《公路工程集料试验规程》(JTJ058-2000)3、《公路隧道施工技术规范》(JTJ042-94)4、《混凝土外加剂应用技术规范》(GB50119-2003)二、设计条件1、用于隧道洞口防护、洞身衬砌、中侧导坑防护。
喷射混凝土强度等级C20;用HPX喷射机。
2、组成材料:水泥:长城宝庆P.O32.5 。
细集料:中粗砂细度模数为2.6,表观密度ρc=2642kg/m3。
粗集料:碎石,粒径5-16mm表观密度ρc=2715kg/m3。
外加剂:重庆乐德新材料有限公司生产LW-S速凝剂参量为:3.5%-4%.三、计算配合比1、选择粗集料最大粒径最大粒径不超过最小断面直径大的1/3~2/5;HPX型喷射机输料管内径为76mm。
Dm=76mm ×1/3=25.33mm因此,可以使用5-16mm的碎石。
2、确定砂率S P=140.63D-0.3447=140.63×16-0.3447=54.08%取54%3、选择水泥用量水泥标号检验:由S P=54.08%,A=0.53根据公式:R S=A(1.44R b-20.4)=0.53(1.44×32.5-2.04)=23.72>Ryc(20MPa)故满足要求。
计算水泥用量:根据Dmax=16mm,取B=1,根据公式:C0=782.4×D-0.2377×B=782.4×16-0.2377×1=404.76(kg)取405(kg)4、计算速凝剂用量取△g=0.03,按公式:Q0=△g×C0=0.035×405≈14.2(kg)取14.2(kg)5、计算水灰比和用水量根据S P =54.08%,按式计算W/C=0.45S P+0.2475=0.45×0.5408+0.2475≈0.49W0=W/C×C0=0.49×405≈198.5(kg) 取199(kg)6、计算砂石用量m co+m go+m so+m jo+m wo=m cpρs=m so/(m go+m so)*100%假定混凝土混合料湿表观密度ρcp=2400m3,405+ m go+m so+12+199=24000.54=m so/(m go+m so)*100%解得:砂用量m so=963.3kg/m39取963kg/m3碎石用量m go=820.7kg/m3 取821kg/m3四、确定初步配合比m c:m g:m s:m j:m w=405:821:963:14.2:199=1:2.027:2.378:0.035:0.49五、试配和调整采用水灰比分别为w/c=0.44、w/c=0.49、w/c=0.54;砂率相应增加1%和减少1%,分别为S P=0.55、S P=0.54、S P=0.53拌制三组混凝土拌和物,其配合比为:A组m c:m g:m s:m j:m w =452:780:954:15.8:199B组m c:m g:m s:m j:m w =405:821:963:14.2:199C组m c:m g:m s:m j:m w =369:856:965:12.9:199三组配合比经拌制成形,在标准条件养护28d后,按规定方法测定其立方体抗压强度值如下:根据28d强度取B组为试验结果计算:审核:。
【最新整理,下载后即可编辑】C20喷射混凝土配合比设计书一、设计依据:1、设计图纸2、JTG F60-2009《公路隧道施工技术规范》3、JTG/T F60-2009《公路隧道施工技术细则》4、GB50086-2001《锚杆喷射混凝土技术规范》二、设计说明:1、设计强度等级:C20。
2、设计混凝土坍落度:800~120mm。
3、水泥:海螺水泥P.O 42.5。
细骨料:选用泾川0~4.75mm天然中砂。
粗骨料:选用策底坡石料厂5~10mm碎石。
外加剂:采用咸宁天安新型材料有限公司生产的速凝剂,按胶凝材料用量10%掺配。
拌合水:饮用水。
4、拟使用工程部:隧道锚杆支护、仰拱等。
5、原材料主要技术指标及试验结论(1:水泥)(3:细集料)三、混凝土基准配合比设计1、计算配制强度20MPaσ----混凝土强度标准差,取4.0MPa 。
混凝土设计强度:k cu f ,=20MPa 混凝土配制强度:0,cu f =σ645.1,+k cu f =20+1.645×4=26.6MPa 2、水胶比:根据设计规范及试拌效果取水胶比0.52。
3、单位用水量根据设计规范及施工条件需要,混凝土坍落度为800~120mm 。
根据实际试拌效果,取用水量为238kg/m ³。
计算单位胶凝材料用量为:458kg/m ³ 4、选定砂率:根据根据设计规范及实际试拌效果初步选用55%。
5、计算配合比:质量法:假定每立方米混凝土的重量为2300kg 则 cp w s g c m m m m m =+++0000%100000⨯+=g s s s m m m β即:458+00s g m m ++238=2300 55%=%100000⨯+s g s m m m解得:=m882kg =0g m722kg0s6、确定混凝土基准配合比配合比:水泥:砂:碎石:水=458:882:722:238比例为1:1.93:1.58:0.52四、混凝土配合比试配、调整根据混凝土配合比选定要求,以基准配合比为基础,选配两个调整配合比,其用水量与基准配合比相同,水胶比较基准配合比分别增加或减少0.02,即水胶比分别为0.50与0.54。
C20喷射混凝土配合比设计说明一、工程名称二、结构环境潮湿寒冷环境,无侵蚀物质影响三、设计目的和用途1、目的保证混凝土强度满足结构设计要求,工作性满足施工工艺要求,确保工程质量且经济合理2、用途用支护C20喷射混凝土施工四、设计要求1、设计强度:C202、坍落度要求:干硬性混凝土五、设计依据GB50086-2001规范要求:C:(S+G)=1:3.5~1:4.0 S: (S+G)=0.5~0.6 W:C=0.42~0.50六、所用原材料C20喷射混凝土配合比设计计算书一、设计依据根据《锚杆喷射混凝土支护技术规范》GB 50086-2001、《普通混凝土配合比设计规程》JGJ55-2011二、确定试配强度(f cu,0)混凝土试配强度采用下式确定:f cu,0≥f cu,k+1.645σ=20+1.645×5= 28.2 (MPa)式中:f cu,0——混凝土配制强度(MPa);f cu,k——混凝土立方体抗压强度标准值(MPa);σ——混凝土强度标准差(MPa)。
取5.0 MPa三、确定水灰比(W/C)根据《锚杆喷射混凝土支护技术规范》GB 50086-2001、《普通混凝土配合比设计规程》JGJ55-2011对喷射混凝土的要求并综合考虑,选取水灰比为0.45四、计算1m3混凝土各项材料用量根据规范对喷射混凝土的要求并综合考虑,取砂率βs=0.55,设定混凝土容重m cp =2300 kg/m3确定以下参数:C/(S+G)=1:4W/C=0.5S/(S+G)=50C+S+G+W=230综合计算出每方混凝土各材料用量:水泥 C=418/m3砂子 S=836/m3 石子 G =836/m3水 W=209/m3五、试配用基准配合比:C:S:G:W:A=418:836:836:209= 1:2:2:0.5六、试配调整按基准配合比进行试拌,混凝土工作性能良好,实测容重2246 kg/m3,不需调整。
c20喷射混凝土配合比设计说明书C20喷射混凝土配合比设计说明书一、设计依据1、《普通混凝土配合比设计规程》(JGJ55-2011)3、《公路工程水泥及水泥混凝土试验规程》(JTG E30-2005)4、《公路工程集料试验规程》(JTG E42-2005)5、《公路隧道施工技术细则》(JTG/T F60-2009)6、设计图纸及施工招标文件二、设计要求:混凝土设计强度20Mpa, 采用坍落度80-120mm。
三、设计条件:工程名称:防护工程使用部位:边坡防护混凝土设计强度:C20使用原材料:1、水泥:P.O 42.5(府谷天桥)其凝结时间、28天强度、细度、安定性均能满足规范要求。
2、砂:河砂,(黄河中砂)其级配满足2区中砂要求,各项物理指标均能满足规范要求。
3、石子:碎石(山西保德石料厂)其级配能满足5-10mm 碎石连续级配范围要求,各项物理指标均能满足规范要求。
4、水:可饮用水。
5、外加剂(山西桑穆斯RC型高效减水剂减水率28% )参量1%6、速凝剂:(山西桑穆斯RC-4速凝剂)掺量:5%四、配合比设计计算步骤:Ⅰ.基准配合比1.确定试配强度为了在现场条件下使配制的混凝土的强度保证率达到95%,查表得混凝土保证率系数t=1.645;因为无统计资料,根据JGJ55-2011《普通混凝土配合比设计规程》混凝土强度标准差取,б=5.0Mpa;C20混凝土配制强度为:f c u ,o =f c u , k+ 1.645 б=20+1.645×5.0=28.2Mpa2.计算水灰比:混凝土配制的粗集料为碎石,根据JGJ55-2011标准规定,取αa=0.53, α=0.20,水泥的实际强度为42.5Mpa。
bα a ×f c e0.53×42.5W/C= ------------------------------------= -----------------------------------=0.69f c u , o +αa×αb×f c e28.2+0.53×0.2×42.5根据现场施工条件及保证砼强度和耐久性要求,经试验,选定水灰比为0.36。
C20喷射混凝土配合比设计书一、设计依据:1、设计图纸2、JTG F60-2009《公路隧道施工技术规范》3、JTG/T F60-2009《公路隧道施工技术细则》4、GB50086-2001《锚杆喷射混凝土技术规范》二、设计说明:1、设计强度等级:C20。
2、设计混凝土坍落度:800~120mm。
3、水泥:海螺水泥P.O 42.5。
细骨料:选用泾川0~4.75mm天然中砂。
粗骨料:选用策底坡石料厂5~10mm碎石。
外加剂:采用咸宁天安新型材料有限公司生产的速凝剂,按胶凝材料用量10%掺配。
拌合水:饮用水。
4、拟使用工程部:隧道锚杆支护、仰拱等。
5、原材料主要技术指标及试验结论(1:水泥)(2:粗集料)(3:细集料)三、混凝土基准配合比设计1、计算配制强度20MPaσ----混凝土强度标准差,取4.0MPa 。
混凝土设计强度:k cu f ,=20MPa 混凝土配制强度:0,cu f =σ645.1,+k cu f =20+1.645×4=26.6MPa 2、水胶比:根据设计规范及试拌效果取水胶比0.52。
3、单位用水量根据设计规范及施工条件需要,混凝土坍落度为800~120mm 。
根据实际试拌效果,取用水量为238kg/m ³。
计算单位胶凝材料用量为:458kg/m ³ 4、选定砂率:根据根据设计规范及实际试拌效果初步选用55%。
5、计算配合比:质量法:假定每立方米混凝土的重量为2300kg 则cp w s g c m m m m m =+++0000%100000⨯+=g s s s m m m β即:458+00s g m m ++238=2300 55%=%100000⨯+s g s m m m解得:=0s m 882kg =0g m 722kg6、确定混凝土基准配合比配合比:水泥:砂:碎石:水 =458:882:722:238 比例为1:1.93:1.58:0.52四、混凝土配合比试配、调整根据混凝土配合比选定要求,以基准配合比为基础,选配两个调整配合比,其用水量与基准配合比相同,水胶比较基准配合比分别增加或减少0.02,即水胶比分别为0.50与0.54。
C20普通喷射混凝土配合比设计说明C20普通喷射混凝土是一种广泛应用于建筑工程中的混凝土材料,其强度等级为C20,适用于一些不要求特别高强度的场合,如墙体、地板等。
配合比的设计是确保混凝土材料具有所需性能和强度的关键一步。
以下是C20普通喷射混凝土配合比设计说明。
1.强度要求:C20普通喷射混凝土的设计强度等级为C20,即28天抗压强度为20MPa。
2.原材料选择:根据混凝土配合比设计的目标,选择适宜的水泥、骨料、细骨料和掺合料。
水泥可以选择普通硅酸盐水泥或矿物掺合料水泥,骨料和细骨料的选择应考虑强度和稳定性等因素,掺合料可以选择矿渣粉、粉煤灰等。
3.水灰比选择:水灰比是影响混凝土强度的一个关键因素。
在C20普通喷射混凝土配合比中,一般选择0.55-0.65的水灰比,以保证混凝土的可塑性和强度。
4. 骨料配合比:根据实际需要,选择合适的骨料配合比。
一般情况下,C20混凝土的骨料粒径范围为5-20mm,其中粗骨料和细骨料的配合比可以根据施工要求和材料性能进行设计。
5.掺合料掺量:掺合料的添加可以有效改善混凝土的工作性能和耐久性。
在C20喷射混凝土中,适量的掺合料可以提高混凝土的抗渗性和抗裂性。
一般情况下,掺合料的掺量在10-20%之间。
6.混凝土配合比的设计:根据以上原材料和配合比要求,进行综合设计。
配合比设计包括计算水泥、水、骨料和细骨料的用量,并根据所需强度进行调整。
同时要考虑混凝土的可塑性、坍落度和流动性等。
7.施工注意事项:在施工过程中,需要严格按照配合比进行搅拌、浇筑和养护。
注意水泥的水化反应和混凝土的早期干燥等问题。
总结起来,C20普通喷射混凝土配合比的设计应根据所需强度和使用要求,选择适宜的原材料,确定合理的水灰比和骨料配合比,适度掺入掺合料,并进行专业的配合比设计。
只有科学合理的配合比设计,才能确保混凝土的力学性能和施工质量。
C20喷射混凝土配合比设计书一、设计依据:1、设计图纸2、JTGF60-2009《公路隧道施工技术规范》3、JTG/TF60-2009《公路隧道施工技术细则》4、GB50086-2001《锚杆喷射混凝土技术规范》二、设计说明:1、设计强度等级:C20。
2、设计混凝土坍落度:800~120mm 。
3、水泥:海螺水泥P.O42.5。
细骨料:选用泾川0~4.75mm 天然中砂。
粗骨料:选用策底坡石料厂5~10mm 碎石。
外加剂:采用咸宁天安新型材料有限公司生产的速凝剂,按胶凝材料用量10%掺配。
拌合水:饮用水。
4、拟使用工程部:隧道锚杆支护、仰拱等。
5、原材料主要技术指标及试验结论 (1:水泥)材料名称规格主要试验检测项目备注细度80μm筛余标准稠度凝结时间安定性 抗压强度MPa 抗折强度MPa 水泥 P.O42.5初凝终凝试饼法雷式夹法3d 强度28d 强度3d 强度28d 强度后附检测报告规定值 ≤10% /≥45min ≤600min无弯曲无裂缝<5 ≥17≥42.5 ≥3.5 ≥6.5实测测0.9131.5g150 185 合格 1.0 30.4 47.6 5.5 7.6(2:粗集料)材料名称主要试验检测项目备注粗集料 表观密度吸水率 含泥量 针片状含量压碎值 坚固性 后附检测报告规定值 >2500kg/m3≤1.0% ≤1.5% ≤20% ≤20% ≤12% 实测测27130.490.98.016.87.0(3:细集料)材料名称 规格 主要试验检测项目备注细集料0-4.75mm 细度模数 表观密度 堆积密度 空隙率含泥量坚固性后附检测报告规定值 2.3-3.0>2500kg/m3 >1350kg/m3<47%<3.0%<8%实测测2.76 2521 1492 40.8 2.7 /三、混凝土基准配合比设计1、计算配制强度20MPaσ----混凝土强度标准差,取4.0MPa 。
混凝土设计强度:k cu f ,=20MPa混凝土配制强度:0,cu f =σ645.1,+k cu f =20+1.645×4=26.6MPa2、水胶比:根据设计规范及试拌效果取水胶比0.52。
c喷射混凝土配合比设
计说明修订版
IBMT standardization office【IBMT5AB-IBMT08-IBMT2C-ZZT18】
C25喷射混凝土配合比设计说明
一. 设计要素
1.设计依据
(1) 《普通混凝土配合比设计规程》 JGJ55-2011;
(2) 《公路隧道施工技术规范》(JTG F60-2009);
(3) 《岩土锚杆与喷射混凝土支护技术规范》(GB50086-2015);
(4) 《设计施工图》;
2.设计技术指标要求
(1)设计强度等级C25;
(2)设计坍落度120-160mm;
3.配合比使用材料
(1)水泥:甘肃祁连山水泥集团股份有限公司,P·O42.5;
(2)砂:宕昌县兴昌石料厂,细度模数宜大于2.5;
(3)碎石:宕昌县兴昌石料厂, 5-10mm,粒径不宜大于15mm;(4)速凝剂:广东红墙新材料股份有限公司,速凝剂;
(5)水:拌和水。
4.拟用工程部位
隧道工程用喷射混凝土
二.配合比设计过程
1.确定基准配合比
依据现行《岩土锚杆与喷射混凝土支护技术规范》等技术标准及设计文件的要求,湿法喷射水灰比宜不大于0.55,砂率宜为50%-60%,塌落度不宜小于10cm。
(1)计算试配强度
f cu,o= f cu,k+1.645δ=25+1.645×5=33.2MPa
f cu,o-混凝土配置强度(MPa);
f cu,k-混凝土立方体抗压强度标准值,取设计强度等级(MPa);
δ-混凝土强度标准差(MPa);
表一:标准差δ值(MPa)
(2)计算水灰比
W/B= a a×f b/(f cu,o+ a a a b f b)=(0.53×42.5×1.16)/(33.2+0.53×0.20×42.5×1.16)
=0.68
W/B-混凝土水胶比;
a a,a b-回归系数;
f b-胶凝材料28d抗压强度(MPa)。
表二:回归系数(a a、a b)取值表
(3)确定水灰比(水胶比)
依据现行《岩土锚杆与喷射混凝土支护技术规范》等技术标准及设计文件的要求,水灰比宜不大于0.55 ,经试验水胶比选取0.48,满足要求。
(4)确定单位用水量
考虑混凝土性能要求选取混凝土单位用水量M wo=230kg
(5)计算单位胶凝材料用量
○1水泥用量M C=230÷0.48=480kg/m3
○2速凝剂掺量为胶凝材料的6.0%,即M速=28.8kg/m3;
(6)采用重量法计算各种材料用量
○1混凝土拌和物的假定表观密度为2250kg/m3
○2根据水灰比、规范及施工工艺要求选砂率为βs=50%
○3计算砂、石用量
M so+M go=M cp-M c-M wo =2250-480-230=1540kg
Mso=770kg,Mgo=770kg。
(7)基准配合比
水泥:砂:碎石:拌合水:速凝剂=
480 :770 : 770 : 230 : 28.8
2.混凝土配合比的试配、调整与确定
(1)试拌调整
水泥:砂:碎石:拌合水:速凝剂=
480 :770 : 770 : 230 : 28.8
按基准配合比进行试拌,混凝土工作性能良好,初始塌落度为145mm,实测容重2275kg/m3。
混凝土的实测表观密度为2275 kg/m3与计算值2250 kg/m3之差的绝对值不超过计算值的2%符合要求.即理论配合比为:
水泥:砂:碎石:拌合水:速凝剂=
480 :770 : 770 : 230 : 28.8
(2)在试拌配合比的基础上进行混凝土强度试验,采用三个不同的配合比,其中一个为试拌配合比,另外两配合比的水胶比较试拌配合比分别增加和减少0.05,用水量应与试拌配合比相同(配合比见下表)。