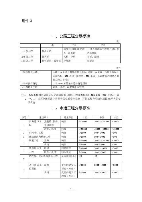
公路水运工程分级标准
- 格式:doc
- 大小:45.50 KB
- 文档页数:2
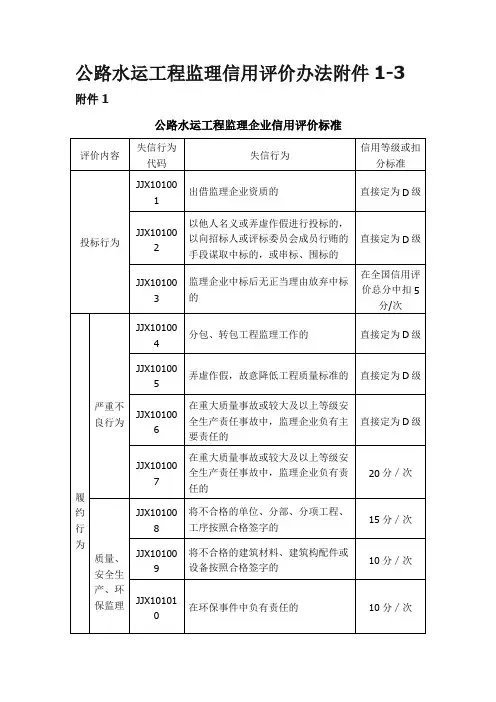
公路水运工程监理信用评价办法附件1-3 附件1公路水运工程监理企业信用评价标准注:1.JJX101006、JJX101007、JJX101010、JJX101011、JJX101013,应根据事故调查组《事故认定或结案报告》,对监理责任认定情况及事故等级或程度进行相应扣分。
质量事故、安全事故、质量问题等级划分标准见《公路工程质量事故等级划分及事故报告》(交公路发〔1 999〕90号)、《水运工程质量事故等级划分及事故报告》(交通部水运质监字〔1999〕404号)、《生产安全事故报告和调查处理条例》(国务院第493号令)、《安全生产事故隐患排查治理暂行规定》(安监总局2007年第16号令)等文件。
质量问题还包括被交通运输主管部门或质量监督机构责令返工、报废处理,或结构物加固补强造成永久性质量缺陷等情况。
JJX101012,安全事故隐患的分级情况见《2008年交通基础设施建设安全生产隐患排查治理工作实施意见》(厅质监字〔2008〕48号)的有关规定。
本标准中的重大安全生产事故隐患(简称重大隐患)指列入各级交通运输主管门挂牌督办范围的重大隐患。
2.JJX101015,“未按规定对施工组织设计、专项施工方案等进行审批的,或监理计划(规划)、监理实施细则未按规定审批的”,是指监理未对施工单位提交的施工组织设计进行审批,包括安全技术措施、环保技术措施、施工现场临时用电方案、专项施工方案等,或者监理计划(规划)、监理实施细则未按规定审批的,扣5分/次。
3.JJX101017,“存在假数据、假资料问题的”,主要扣分情况分以下几类:(1)监理企业抽检数据不真实或出现严重偏差的;(2)巡视、旁站、监理日志等记录不真实,与实际施工情况或监理事项不符;(3)质量安全问题处理复查记录存在编造或不属实;(4)标准试验、配合比设计验证审批资料虚假;(5)其他监理文件和资料存在编造或不属实的;(6)监理资料中存在违规代签现象的。
公路水运建设工程质量事故等级划分和报告制度第一条为加强公路水运建设工程质量管理,规范工程质量事故报告工作,根据《中华人民共和国公路法》《中华人民共和国港口法》《中华人民共和国航道法》和国务院《建设工程质量管理条例》,制定本制度。
第二条交通运输部指导全国公路水运建设工程质量事故报告工作,地方各级交通运输主管部门负责管理本行政区域内公路水运建设工程质量事故报告工作,交通运输部长江航务管理局负责长江干线航运基础设施工程质量事故报告工作。
各级交通运输主管部门可委托所属的工程质量监督机构负责具体实施。
第三条本制度所称公路水运建设工程质量事故,是指公路水运建设工程项目在缺陷责任期结束前,由于施工或勘察设计等原因使工程不满足技术标准及设计要求,并造成结构损毁或一定直接经济损失的事故。
第四条根据直接经济损失或工程结构损毁情况(自然灾害所致除外),公路水运建设工程质量事故分为特别重大质量事故、重大质量事故、较大质量事故和一般质量事故四个等级;直接经济损失在一般质量事故以下的为质量问题。
(一)特别重大质量事故,是指造成直接经济损失亿元以上的事故。
(二)重大质量事故,是指造成直接经济损失万元以上亿元以下,或者特大桥主体结构垮塌、特长隧道结构坍塌,或者大型水运工程主体结构垮塌、报废的事故。
(三)较大质量事故,是指造成直接经济损失万元以上万元以下,或者高速公路项目中桥或大桥主体结构垮塌、中隧道或长隧道结构坍塌、路基(行车道宽度)整体滑移,或者中型水运工程主体结构垮塌、报废的事故。
(四)一般质量事故,是指造成直接经济损失万元以上万元以下,或者除高速公路以外的公路项目中桥或大桥主体结构垮塌、中隧道或长隧道结构坍塌,或者小型水运工程主体结构垮塌、报废的事故。
本条所称的“以上”包括本数,“以下”不包括本数。
水运工程的大、中、小型分类参照《公路水运工程监理企业资质管理规定》(交通运输部令年第号)执行。
第五条工程项目交工验收前,施工单位为工程质量事故报告的责任单位;自通过交工验收至缺陷责任期结束,由负责项目交工验收管理的交通运输主管部门明确项目建设单位或管养单位作为工程质量事故报告的责任单位。
《工程建设标准强制性条文》 (水运工程设计部分)截止2016年12月目录综合类 (1)《海港总体设计规范》(JTS165-2013) (1)《河港工程总体设计规范》(JTJ212-2006) (6)《内河通航标准》(GB50139-2014) (15)《港口工程荷载规范》(JTS144-1-2010) (33)《港口与航道水文规范》(JTS145-2015) (35)《疏浚与吹填工程设计规范》(JTS181-5-2012) (39)《防波堤设计与施工规范》(JTS154-1-2011) (40)《水运工程抗震设计规范》(JTS146-2012) (41)港口类 (43)《港口工程结构可靠性设计统一标准》(GB50158-2010) (43)《高桩码头设计与施工规范》(JTS167-1-2010) (45)《重力式码头设计与施工规范》(JTS167-2-2009) (48)地基与基础类 (52)《港口工程桩基规范》(JTS167-4-2012) (52)混凝土类 (55)《水运工程混凝土结构设计规范》(JTS151-2011) (55)《水运工程混凝土质量控制标准》(JTS202-2-2011) (58)综合类《海港总体设计规范》(JTS165-2013)本《规范》第3.2.15条、第5.4.11条、第5.6.1条、第5.6.3条、第5.6.4条、第5.6.6条、第5.6.8条、第5.6.9条、第5.6.10条、第5.6.11条、第5.6.12条、第6.5.3条、第7.1.6条、第7.4.2条、第7.4.5条、第11.5.1条、第11.5.4条、第11.5.5条、第14.3.4条、第14.3.5条和第15.10.5条中的黑体字部分为强制性条文,必须严格执行。
第3.2.15条3.2.15.2液化天然气等危险品码头应远离海滨休闲娱乐区和人口密集区域,安全距离应经安全评估确定。
未经专门论证,液化天然气码头严禁选在地质构造复杂和存在近期活动性断裂等抗震不利地段。
交通运输部关于印发《公路水运工程平安工地建设管理办法》的通知【法规类别】交通运输综合规定【发文字号】交安监发[2018]43号【发布部门】交通运输部【发布日期】2018.04.16【实施日期】2018.05.01【时效性】现行有效【效力级别】部门规范性文件交通运输部关于印发《公路水运工程平安工地建设管理办法》的通知(交安监发〔2018〕43号)各省、自治区、直辖市、新疆生产建设兵团交通运输厅(局、委),部属各单位:现将《公路水运工程平安工地建设管理办法》印发给你们,请遵照执行。
交通运输部2018年4月16日公路水运工程平安工地建设管理办法第一章总则第一条为加强公路水运工程平安工地建设,引导和激励从业单位加强安全生产工作,落实安全生产责任,提升安全管理水平,根据《中华人民共和国安全生产法》《建设工程安全生产管理条例》《公路水运工程安全生产监督管理办法》等法律法规和规章,制定本办法。
第二条经依法审批、核准或者备案的公路水运基础设施的新建、改建、扩建工程在施工期间开展平安工地建设活动,适用本办法。
第三条本办法所称平安工地是指项目从业单位以落实安全生产主体责任为核心,施工过程以风险防控无死角、事故隐患零容忍、安全防护全方位为目标,推进施工现场安全文明与施工作业规范有序的有机统一,是不断深化平安交通发展的重要载体。
本办法所称从业单位,是指从事公路水运工程建设、施工、监理等工作的单位。
第四条平安工地建设管理主要包括工程开工前的安全生产条件审核,施工过程中的平安工地建设、考核评价等。
第五条交通运输部指导全国公路水运工程平安工地建设监督管理工作,负责组织制定《公路水运工程平安工地建设考核评价指导性标准》(以下简称《标准》,见附件)。
交通运输部长江航务管理局具体负责长江干线航道工程平安工地建设监督管理工作。
省级交通运输主管部门指导本地区公路水运工程平安工地建设监督管理工作,组织制定本行政区域内的公路水运工程平安工地建设监督管理制度和考核评价标准。
广西公路水路风险隐患分级标准和排查技术规范及应急资源种类第一部分公路行业一、风险隐患分级标准根据突发事件的性质、可控性及对公路的影响范围和危害程度等因素,可将风险隐患分为四级:Ⅰ级(特别重大)、Ⅱ级(重大)、Ⅲ级(较大)、Ⅳ级(一般)。
分级标准如下:(一)Ⅰ级(特别重大)当遇下列情况之一,导致或者可能导致高速公路、国道、省道主干线中断,处置、抢修时间预计需要48小时以上,通行能力影响到全区行政区划甚至邻近省份、周边国家;或急需自治区人民政府或交通部等上级机关出面协调有关地方、部门或者军队、武警部队共同组织援救;或需要自治区人民政府或交通部等上级机关负责组织实施国家紧急物资运输或者交通防疫措施时,拟定为Ⅰ级风险隐患。
1.国家防汛抗旱应急预案、国家处置破坏性地震应急预案等国家专项应急预案发布Ⅰ级预警或者响应时;2.大江大河干流水位超过警戒水位,堤防出现重大险情或者决口,水库出现重大险情或者垮坝,暴雨引起重大山体滑坡,突降暴雪或者长时间浓雾等恶劣天气,造成或者可能造成高速公路、国道、省道干线公路严重毁坏、中断;3.大中城市或者人口密集地区发生6.5级以上地震,造成公路、桥梁、隧道中断,需国家提供紧急物资运输救援;4.公路建设工程、道路运输、客货运站发生严重威胁群众生命财产安全事故,且造成30人以上死亡或者危及50人以上生命安全。
5.剧毒品运输泄漏可能造成道路环境污染和生态破坏使区域生态功能丧失,对相关地区正常生产、生活可能造成重大影响、重大人员伤亡和巨大经济损失,或者濒危物种生存环境遭到严重破坏;6.需要发出Ⅰ级预警的其他特殊情况。
(二)Ⅱ级(重大)当遇下列情况之一,导致或者可能导致高速公路、国道、省道主干线交通中断,处置、抢修时间预计在48小时以内、24小时以上,通行能力影响在广西境内;或者需要自治区交通厅组织实施紧急物资运输或者交通防疫措施时,拟定为Ⅱ级风险隐患。
1.大江大河干流水位超过警戒线,堤防出现重大险情或者决口,水库出现重大险情或者垮坝,洪水泛滥致使城市及人口聚集的村镇受淹,发生暴雪或者浓雾等恶劣天气,造成或者可能造成高速公路、国道或省道主干线公路毁坏、中断;2.公路建设工程、道路运输、客货运站发生一次死亡30人以下、10人以上,或者一次造成直接经济损失1亿元以下、5000万元以上的特大事故;3.危险化学品运输中发生的,一次造成30人以下、10人以上死亡,或者100人以下、50人以上中毒(重伤)的环境污染与生态破坏;可能造成直接经济损失1亿元以下、5000万元以上或者严重影响人民群众生产生活的重大泄漏事故;4.需要发出公路交通Ⅱ级预警的其他特殊情况。
公路水运工程监理信用评价办法附件1 -3附件1公路水运工程监理企业信用评价标准注:1.JJX101006、JJX101007、JJX101010、JJX101011、J JX101013,应根据事故调查组《事故认定或结案报告》,对监理责任认定情况及事故等级或程度进行相应扣分。
质量事故、安全事故、质量问题等级划分标准见《公路工程质量事故等级划分及事故报告》(交公路发〔1999〕90号)、《水运工程质量事故等级划分及事故报告》(交通部水运质监字〔1999〕404号)、《生产安全事故报告和调查处理条例》(国务院第493号令)、《安全生产事故隐患排查治理暂行规定》(安监总局2007年第16号令)等文件。
质量问题还包括被交通运输主管部门或质量监督机构责令返工、报废处理,或结构物加固补强造成永久性质量缺陷等情况。
JJX101012,安全事故隐患的分级情况见《2008年交通基础设施建设安全生产隐患排查治理工作实施意见》(厅质监字〔2008〕4 8号)的有关规定。
本标准中的重大安全生产事故隐患(简称重大隐患)指列入各级交通运输主管门挂牌督办范围的重大隐患。
2.JJX101015,“未按规定对施工组织设计、专项施工方案等进行审批的,或监理计划(规划)、监理实施细则未按规定审批的”,是指监理未对施工单位提交的施工组织设计进行审批,包括安全技术措施、环保技术措施、施工现场临时用电方案、专项施工方案等,或者监理计划(规划)、监理实施细则未按规定审批的,扣5分/次。
3.JJX101017,“存在假数据、假资料问题的”,主要扣分情况分以下几类:(1)监理企业抽检数据不真实或出现严重偏差的;(2)巡视、旁站、监理日志等记录不真实,与实际施工情况或监理事项不符;(3)质量安全问题处理复查记录存在编造或不属实;(4)标准试验、配合比设计验证审批资料虚假;(5)其他监理文件和资料存在编造或不属实的;(6)监理资料中存在违规代签现象的。
一、公路水运工程施工资质的分类根据《公路水运工程监理企业资质管理规定》,公路水运工程施工资质分为以下几类:1. 公路工程专业施工资质:分为甲级、乙级、丙级三个等级,以及特殊独立大桥专项、特殊独立隧道专项、公路机电工程专项。
2. 水运工程专业施工资质:分为甲级、乙级、丙级三个等级,以及水运机电工程专项。
二、公路水运工程施工资质的取得1. 申请公路水运工程施工资质的施工单位,需具备以下条件:(1)具有独立法人资格;(2)具有与工程规模相适应的技术、经济实力;(3)具有健全的组织机构和管理制度;(4)具有与工程规模相适应的工程技术、管理人员和施工设备;(5)具有完善的安全生产管理制度和措施。
2. 施工单位取得公路水运工程施工资质,需按照以下程序进行:(1)向所在地省级交通运输主管部门提出申请;(2)提交相关材料,包括企业法人营业执照、企业资质证书、企业业绩、人员配备、设备配置等;(3)省级交通运输主管部门对申请材料进行审核,符合条件者予以批准;(4)取得公路水运工程施工资质后,需在规定时间内进行公示。
三、公路水运工程施工资质的管理1. 公路水运工程施工资质实行分级管理,各级交通运输主管部门负责本行政区域内公路水运工程施工资质的监督管理。
2. 公路水运工程施工资质的有效期为5年,到期后需重新申请。
3. 公路水运工程施工资质证书遗失或损坏,施工单位应及时向原发证机关申请补发。
4. 公路水运工程施工资质证书的监督管理内容包括:(1)资质证书的颁发、变更、撤销、注销;(2)资质证书的日常监督管理;(3)资质证书的监督检查;(4)资质证书的举报、投诉处理。
四、公路水运工程施工资质的作用1. 保障工程质量:施工单位具备相应的施工资质,有利于确保工程质量,提高工程效益。
2. 规范市场秩序:公路水运工程施工资质的取得,有利于规范市场秩序,防止无资质施工现象的发生。
3. 促进行业发展:公路水运工程施工资质的取得,有助于推动行业技术进步,提高行业整体水平。
交通运输部关于印发《水运工程标准管理办法》的通知文章属性•【制定机关】交通运输部•【公布日期】2012.11.27•【文号】交水发〔2012〕665号•【施行日期】2012.11.27•【效力等级】部门规范性文件•【时效性】失效•【主题分类】水运正文交通运输部关于印发《水运工程标准管理办法》的通知交水发〔2012〕665号各省、自治区、直辖市交通运输厅(委),上海市、天津市交通运输和港口管理局,长江、珠江航务管理局,长江口航道管理局,有关企事业单位:为加强水运工程标准管理,使标准管理工作更加科学化、规范化和制度化,促进技术进步和创新,保证工程质量,保障公共安全、公众利益以及人身和财产安全,依据《中华人民共和国标准化法》、《中华人民共和国标准化法实施条例》和国家有关法律、法规,根据目前水运工程标准管理实际情况,在原交通部《水运工程建设标准管理办法》(交水发〔2007〕51号)的基础上,参照《工程建设国家标准管理办法》,制定了《水运工程标准管理办法》,现印发给你们,请遵照执行。
原《水运工程建设标准管理办法》(交水发〔2007〕51号)同时废止。
中华人民共和国交通运输部2012年11月27日水运工程标准管理办法第一章总则第一条为进一步推进水运工程标准化工作,规范水运工程标准管理,进一步提高标准编写质量,根据《中华人民共和国标准化法》、《中华人民共和国标准化法实施条例》和有关法律、法规,制订本办法。
第二条水运工程标准是水运工程通则、标准、规范、规程、规定和指南等的统称。
水运工程标准分为国家标准、行业标准、地方标准和企业标准。
第三条本办法适用于水运工程行业标准和地方标准的管理、使用和监督,不适用于水运工程国家标准、企业标准的管理、使用和监督。
水运工程行业标准是指由交通运输部统一编号并批准发布,对港口、航道、航运枢纽、通航建筑物(船闸、升船机)和修造船水工建筑物的规划、建设、维护管理全过程所规定的技术、管理、服务、安全、环保和造价等方面统一的技术要求。
公路水运试验等级标准公路水运试验等级标准是指对于公路水运过程中进行的试验和评估活动,按照一定等级和标准进行分级评定。
这一标准的制订旨在保障公路水运的安全性、可靠性和稳定性,提高公路水运的品质和效率。
一、试验等级的划分公路水运试验等级标准的划分,按照试验工作的难易程度和意义等因素进行考虑。
主要分为五个等级:1.一级试验:对于公路水运体系进行验证的试验,主要着重于试验结果的准确性和可靠性,结果产生的影响非常重大。
2.二级试验:对公路水运体系进行检查和验证,所需人力物力较少,结果只对一定范围内的问题和部位产生影响。
3.三级试验:对公路水运体系的局部或小范围内部件进行试验和检测,所需人力物力较少,结果只对具体部位和小范围内的影响较大。
4.四级试验:对公路水运体系中的具体零部件进行检验和评估,所需人力物力较多,结果对零件的选择和使用具有潜在的影响。
5.五级试验:对公路水运体系中的物品进行检测,在技术指导、技术升级等方面有较大的意义。
二、标准的制订公路水运试验等级标准的制订,是遵循国际惯例,考虑到国家和行业的实际情况和特点,经过长期实践和调查研究之后,制订出来的。
标准基于能够达到足够的精度和准确性的程度,对于查询、参考和对比,将试验分为不同等级。
标准制定的过程中考虑到的因素包括:市场需求、技术开发、国内外实践经验、人工和物资资源的小于等于及可持续的前景等多个方面。
三、标准的实施公路水运试验等级标准的实施,在实践中可以帮助相关业务人员根据不同的项目和要求,选择与之相应的试验等级。
标准的实施需要工程师和技术人员等有关业务的专家进行指导和实施。
此外,还需要考虑标准的更新和修订。
标准的更新可以基于不断发展和变化的技术进行制定,但同时应该考虑到将新技术和实践得以广泛应用的可能性和可行性。
在标准的实施中,应充分发挥标准制定的作用,利用公路水运试验等级标准,推动行业逐步规范化和标准化的进程,促进公路水运业更好、更可靠、更安全的发展。
公路水运工程施工安全风险等级划分一、引言公路水运工程是指在陆地上或水体上进行的工程施工,包括公路建设、桥梁修建、港口建设等。
在进行这些工程时,施工安全是至关重要的,因为存在着各种潜在的安全风险。
为了更好地管理和控制这些风险,需要对公路水运工程的安全风险进行等级划分。
二、安全风险等级划分的目的安全风险等级的划分是为了评估和控制施工中的潜在风险。
通过对安全风险等级的划分,可以提前预知可能发生的事故和损害,并采取相应的措施来降低风险。
三、安全风险等级的划分标准1.高风险等级:指可能导致严重事故、人员伤亡或重大经济损失的风险。
例如,在桥梁施工中,如果存在潜在的结构安全问题或操作失误的可能性,将被划分为高风险等级。
2.中风险等级:指可能导致一定程度的事故、人员伤亡或经济损失的风险。
例如,在公路建设中,如果存在一些施工现场的安全隐患或工人操作不当的情况,将被划分为中风险等级。
3.低风险等级:指可能导致轻微事故、人员受伤或经济损失的风险。
例如,在港口建设中,如果存在一些较小的施工安全问题,但风险较小,将被划分为低风险等级。
四、安全风险等级的管理措施1.高风险等级:对于高风险等级的施工工程,需要采取更加严格的管理措施,包括加强技术监控、加强工人培训、提供必要的防护设备等。
同时,需要加强安全巡查和事故应急预案的编制,以应对可能发生的严重事故。
2.中风险等级:对于中风险等级的施工工程,需要加强现场管理,确保施工过程中的安全措施得到有效执行。
例如,加强施工现场的安全警示标识、加强工人培训等。
3.低风险等级:对于低风险等级的施工工程,需要建立健全的安全管理制度,确保施工过程中的安全风险得到有效控制。
例如,加强施工现场的安全巡查、提供必要的安全设备等。
五、结论通过对公路水运工程施工安全风险等级的划分,可以更好地识别和管理潜在的安全风险。
采取相应的管理措施,能够有效预防事故的发生,保障施工人员的生命安全和财产安全。
因此,在公路水运工程施工过程中,必须高度重视安全风险等级划分,并严格按照相应的管理措施进行操作,以确保工程的顺利进行。
交通运输部关于开展公路水运工程“平安工地”考核评价工作的通知交质监发〔2012〕679号2012年12月12日各省、自治区、直辖市、新疆生产建设兵团交通运输厅(局、委),上海市、天津市交通运输和港口管理局,天津市市政公路管理局,长江航务管理局,长江口航道管理局,中国交通建设集团有限公司:2010年3月部决定开展公路水运工程“平安工地”建设活动以来,各地不断创新安全监管工作方法,总结安全监管工作经验,陆续组织创建“平安工地”达标验收工作,成效明显。
按照《国务院关于进一步加强企业安全生产工作的通知》(国发〔2010〕23号)和《国务院关于坚持科学发展安全发展促进安全生产形势持续稳定好转的意见》(国发〔2011〕40号)的要求,为强化安全管理,规范从业行为,落实安全责任,深入推进“平安工地”建设,建立行业安全监管长效机制,有效预防生产安全事故发生,经研究,部决定开展公路水运工程“平安工地”考核评价工作。
现将有关事项通知如下:一、考核评价标准及范围(一)开展“平安工地”考核评价是行业安全监管工作的重要抓手。
部在总结各地经验和做法基础上,制定了《公路水运工程“平安工地”考核评价标准(试行)》(以下简称《标准》,见附件),各级交通运输主管部门应遵照执行。
各省可根据本地区工程特点和监管重点,在《标准》的基础上细化考核内容。
(二)高速公路和大型水运工程项目应开展“平安工地”考核评价工作,其它公路水运工程可参照执行。
二、考核评价程序(一)考核评价遵循“分级管理、属地负责”的原则,交通运输部负责对全国公路水运工程“平安工地”考核评价工作的指导,对高速公路和大型水运工程项目考核评价结果进行汇总、分析、公示和抽查。
各地交通运输主管部门依据《标准》,负责对直接监管的工程项目组织开展“平安工地”考核评价工作,对不达标的工程项目挂牌督办,督促落实整改。
考核评价分为示范、达标、不达标三个等级。
(二)工程项目开工前,建设单位应按照《标准》规定内容,认真组织开展项目安全生产条件核查,提出核查意见,并向负责监管的交通运输主管部门备案。
公路水运工程监理信用评价办法附件1-3 附件1公路水运工程监理企业信用评价标准注:1.JJX101006、JJX101007、JJX101010、JJX101011、JJX101013,应根据事故调查组《事故认定或结案报告》,对监理责任认定情况及事故等级或程度进行相应扣分。
质量事故、安全事故、质量问题等级划分标准见《公路工程质量事故等级划分及事故报告》(交公路发〔199 9〕90号)、《水运工程质量事故等级划分及事故报告》(交通部水运质监字〔1999〕404号)、《生产安全事故报告和调查处理条例》(国务院第493号令)、《安全生产事故隐患排查治理暂行规定》(安监总局2007年第16号令)等文件。
质量问题还包括被交通运输主管部门或质量监督机构责令返工、报废处理,或结构物加固补强造成永久性质量缺陷等情况。
JJX101012,安全事故隐患的分级情况见《2008年交通基础设施建设安全生产隐患排查治理工作实施意见》(厅质监字〔2008〕48号)的有关规定。
本标准中的重大安全生产事故隐患(简称重大隐患)指列入各级交通运输主管门挂牌督办范围的重大隐患。
2.JJX101015,“未按规定对施工组织设计、专项施工方案等进行审批的,或监理计划(规划)、监理实施细则未按规定审批的”,是指监理未对施工单位提交的施工组织设计进行审批,包括安全技术措施、环保技术措施、施工现场临时用电方案、专项施工方案等,或者监理计划(规划)、监理实施细则未按规定审批的,扣5分/次。
3.JJX101017,“存在假数据、假资料问题的”,主要扣分情况分以下几类:(1)监理企业抽检数据不真实或出现严重偏差的;(2)巡视、旁站、监理日志等记录不真实,与实际施工情况或监理事项不符;(3)质量安全问题处理复查记录存在编造或不属实;(4)标准试验、配合比设计验证审批资料虚假;(5)其他监理文件和资料存在编造或不属实的;(6)监理资料中存在违规代签现象的。
公路水运工程监理信用评价办法第一章总则第一条为加强公路水运工程监理市场管理,维护公平有序竞争的市场秩序,增强监理企业和监理工程师诚信意识,推动诚信体系的建设,根据《中华人民共和国招标投标法》《中华人民共和国安全生产法》《建设工程质量管理条例》《建设工程安全生产管理条例》等法律法规,制定本办法。
第二条本办法所称信用评价是指交通运输主管部门依据有关法律法规和合同文件等,对监理企业和监理工程师从业承诺履行状况的评定。
监理企业和监理工程师在工程项目监理过程中的行为,监理企业在资质许可、定期检验、资质复查、资质变更、投标活动以及履行监理合同等过程中的行为,监理工程师在岗位登记、业绩填报、履行合同等过程中的行为,属于从业承诺履行行为。
第三条本办法所称监理企业是指依法取得交通运输部颁发的甲、乙级及专项监理资质证书的企业。
本办法所称监理工程师是指具有交通运输部核准的监理工程师或专业监理工程师资格的人员。
第四条本办法第二条第二款中的工程项目,是指列入交通运输质量监督机构监督范围、监理合同额50万元(含)以上的公路水运工程项目。
其中公路工程项目还应满足以下条件:合同工期大于等于3个月的二级(含)以上项目。
第五条不属于第四条规定的工程项目范围,但属于下列情形之一的,纳入信用评价范围:(一)在交通运输主管部门或其质量监督机构受理的举报事件中查实存在违法违规问题的监理企业和监理工程师;(二)在重大质量事故中涉及的监理企业和监理工程师;(三)在较大及以上等级安全生产责任事故中涉及的监理企业和监理工程师;(四)从业过程中有本办法附件1中“直接定为D级”行为的监理企业。
第六条信用评价应遵循公开、公平、公正的原则。
第七条信用评价工作实行评价人签认负责制度和评价结果公示、公告制度。
第八条信用评价工作实行统一管理、分级负责。
交通运输部负责全国范围内从业的监理企业和监理工程师的信用评价管理工作,交通运输部质量监督机构负责对具体信用评价工作进行指导并负责综合信用评价。
公路水运工程监理企业资质管理规定(交通部令2004年第5号)《公路水运工程监理企业资质管理规定》,已于2004年6月22日经第15次部务会议通过,现予公布,自2004年10月1日起施行。
部长张春贤二○○四年六月三十日公路水运工程监理企业资质管理规定第一章总则第一条为加强公路、水运工程监理企业的资质管理,规范公路、水运建设市场秩序,保证公路、水运工程建设质量,根据《中华人民共和国公路法》和《建设工程质量管理条例》的有关规定,制定本规定。
第二条本规定适用于公路、水运工程监理企业资质的行政许可及其监督管理活动。
第三条监理企业资质,是指监理企业的人员组成、专业配置、测试仪器的配备、财务状况、管理水平等方面的综合能力。
第四条监理企业从事公路、水运工程监理活动,应当按照本规定取得资质后方可开展相应的监理业务。
第五条交通部负责全国公路、水运工程监理企业资质管理工作,其所属的质量监督机构受交通部委托具体负责全国公路、水运工程监理企业资质的监督管理工作。
省、自治区、直辖市人民政府交通主管部门负责本行政区域内公路、水运工程监理企业资质管理工作,其所属的质量监督机构受省、自治区、直辖市人民政府交通主管部门委托具体负责本行政区域内公路、水运工程监理企业资质的监督管理工作。
第二章资质等级和从业范围第六条公路、水运工程监理企业资质按专业划分为公路工程和水运工程两个专业。
公路工程专业监理资质分为甲级、乙级、丙级三个等级和特殊独立大桥专项、特殊独立隧道专项、公路机电工程专项;水运工程专业监理资质分为甲级、乙级、丙级三个等级和水运机电工程专项。
第七条公路、水运工程监理企业应当按照其获得的资质等级和业务范围开展监理业务:(一)获得公路工程专业甲级监理资质,可在全国范围内从事一、二、三类公路工程、桥梁工程、隧道工程项目的监理业务;(二)获得公路工程专业乙级监理资质,可在全国范围内从事二、三类公路工程、桥梁工程、隧道工程项目的监理业务;(三)获得公路工程专业丙级监理资质,可在企业所在地的省级行政区域内从事三类公路工程、桥梁工程、隧道工程项目的监理业务;(四)获得公路工程专业特殊独立大桥专项监理资质,可在全国范围内从事特殊独立大桥项目的监理业务;(五)获得公路工程专业特殊独立隧道专项监理资质,可在全国范围内从事特殊独立隧道项目的监理业务;(六)获得公路工程专业公路机电工程专项监理资质,可在全国范围内从事各等级公路、桥梁、隧道工程通讯、监控、收费等机电工程项目的监理业务;(七)获得水运工程专业甲级监理资质,可在全国范围内从事大、中、小型水运工程项目的监理业务;(八)获得水运工程专业乙级监理资质,可在全国范围内从事中、小型水运工程项目的监理业务;(九)获得水运工程专业丙级监理资质,可在企业所在地的省级行政区域内从事小型水运工程项目的监理业务。
近日,交通运输部办公厅印发了《交通运输部办公厅关于印发公路水运品质工程评价标准(试行)的通知》(交办安监[2017]199号)(简称《通知》),以深入推进公路水运品质工程创建工作,引领和带动公路水运工程质量安全水平全面提升。
现就《通知》的起草背景和过程、编写工作原则、主要内容和保障机制等方面解读如下:一、关于起草背景和过程2017年9月,《中共中央国务院关于开展质量提升行动的指导意见》中明确指出,以提高发展质量和效益为中心,将质量强国战略放在更加突出的位置,开展质量提升行动,全面提升质量水平;开展高端品质认证,推动质量评价由追求“合格率"向追求“满意度”跃升。
党的十九大报告明确指出,坚持质量第一、效益优先,突出关键共性技术、现代工程技术创新,在质量变革、效率变革、动力变革中推动高质量发展,为建设质量强国、交通强国等提供有力支撑.这些重要要求,从全局和战略高度指明了公路水运工程质量提升的主要目标和努力方向。
交通运输部提出打造品质工程,既是推动工程质量安全水平的跃升,更是一次理念观念的转变。
公路水运基础设施建设要把以人民为中心作为出发点,建设人民满意、人民有获得感的工程;要以建设交通强国为目标,对标国际先进,建设经得起历史检验的工程;要坚持可持续发展的道路,建设生态绿色工程;要培育和弘扬工匠精神,坚持安全第一,建设有人文关怀的工程。
2016年12月,部印发了《关于打造公路水运品质工程的指导意见》(以下简称《指导意见》),明确将打造品质工程作为深化交通运输供给侧结构性改革和全面提升工程建设质量安全水平的重要举措;同时提出要研究建立品质工程评价体系,开展品质工程示范评估,构建工程质量安全提升发展新机制。
2016年12月,交通运输部办公厅印发了《关于开展公路水运品质工程示范创建工作的通知》,决定开展为期三年的公路水运品质工程示范创建工作,重点培育一批部级示范创建项目。
2017年8月,李小鹏部长、戴东昌副部长在2017年全国“四好农村路"养护现场会上明确提出,牢固树立高品质建设就是最好养护的理念,要以“实、安、绿、美”为重点,全面开展农村公路品质工程建设,推进“四好农村路”的建设。