最新一般抹灰隐蔽工程验收记录资料
- 格式:docx
- 大小:80.77 KB
- 文档页数:20
年月
2019
年
月
日
专业监理工程师 (建设单位项目技术负责人):
监理(建设)单位
施 工 单 位专业工长
专业质检员
施工班组长
备注/相关示图、照片:
不同材料基体交接处的加强措施不同材料基体交接处表面
的抹灰应采取防止开裂的
加强措施,当采用加强网
时,加强网与各基体的搭
接宽度不应小于100mm
不同材料基体交接处采用钢丝
网加强处理,钢丝网的规格、
安装宽度、固定情况均符合图
纸设计及规范要求
符合要求
细部处理
阴阳角、滴水线做法应符
合设计要求,设计无要求时应符合规范要求
经检查,符合设计及规范的要求
符合要求
基层表面处理抹灰前砼、砌块表面应进
行毛化处理砼、砌块表面已进行毛化处理
符合要求墙体上的施工孔洞处理
脚手眼、穿墙洞等孔洞应
补砌密实,并砂浆饱满
脚手眼等孔洞已全部封堵密实
符合要求
隐蔽工程内容质 量 要 求
施工单位自检记录监理(建设)单位验收意见
基层表面清理
抹灰前基层表面的尘土、
污垢和油渍等应清除干净,
并应洒水湿润基层表面已清除干净,并洒水湿
润
符合要求
隐 蔽 部 位11栋十四层至十五层外墙
验 收 时 间2019日 至
单位(子单位)工程名称
榕城华庭富康居5栋、6栋、11栋及(5-11栋)地下室(含商业架空层)
施 工 单 位广东永盛建筑工程有限公司
分部/子分部/分项 (系统/子系统)建筑装饰装修/抹灰/一般抹灰
检验批编号GD-C5-711300
隐蔽工程验收记录(通用表式一)
GD-C4-611。
抹灰隐蔽工程验收记录
工程名称
分项工程名称
一区一层室内隐蔽工程项目
一般抹灰
施工标准名称及代号GB50210 —2001
质量要求
抹灰层与基层应粘结牢固
抹灰厚度隐蔽工程部位
不同材料基体交接处的加强措施统表
第页共页项目经理
专业工长
施工单位
施工图名称及编号
施工单位自查记录监理(建设)单位验收记录
粘结牢固、无空鼓
抹灰工程分层进行,抹灰总厚
度为 25mm
梁、柱与空心砖砌体交接材料
表面的抹灰用玻纤网格布加
强防止开裂,网格布与各基层
的搭接长度大于150mm
施工单位自查结论经检查,符合设计要求和《建筑装饰装修工程施工质量验收规范》(GB50210-2001)的规定
施工单位项目技术负责人:年月日
监理(建设)单位
验收结论
监理工程师(建设单位项目负责人):年月日。
抹灰工程隐蔽验收记录项目名称:XXX工程工程地点:XXX工程验收日期:XXXX年XX月XX日一、前言抹灰工程作为建筑装修工程中的重要环节,对于建筑物的保温、隔音、防火、美观等方面起着至关重要的作用。
为了确保抹灰工程的质量,特进行隐蔽验收记录,以便日后的维修和管理。
二、工程概况本工程抹灰工作已于XXXX年XX月XX日完成,本次隐蔽验收记录主要包括以下内容:墙面抹灰、地面抹灰、天花板抹灰、护墙板抹灰等。
三、隐蔽验收项目及结果1.墙面抹灰验收标准:墙面抹灰应平整、无鼓包、裂缝等缺陷。
验收结果:经验收,墙面抹灰质量符合规范要求,平整度良好,无明显的鼓包、裂缝等问题。
2.地面抹灰验收标准:地面抹灰应平整、无空鼓、裂缝等缺陷。
验收结果:经验收,地面抹灰工艺符合规范要求,平整度良好,无空鼓、裂缝等问题。
3.天花板抹灰验收标准:天花板抹灰应平整、均匀、无裂缝、无明显浮灰。
验收结果:经验收,天花板抹灰工艺符合规范要求,平整度良好,无明显裂缝、浮灰等问题。
4.护墙板抹灰验收标准:护墙板抹灰应平整、无空鼓、裂缝等缺陷。
验收结果:经验收,护墙板抹灰工艺符合规范要求,平整度良好,无空鼓、裂缝等问题。
四、未达到验收标准的问题整改情况经过隐蔽验收,发现以下问题:1.第一处问题描述:墙体抹灰存在局部鼓包现象。
整改措施:将局部鼓包处重新抹灰并进行压实处理。
2.第二处问题描述:天花板抹灰存在小面积裂缝。
整改措施:对存在裂缝的地方进行修补,保持完整。
以上问题将由施工方按照规范要求进行整改,整改完成后进行复验。
五、附件1.抹灰工程验收照片:见附件1;2.相关报告、检测、检验等材料:见附件2六、备注对于工程抹灰隐蔽验收过程中遇到的问题和整改情况,应妥善保管相关材料,并在工程竣工后的维修和管理中予以参考。
七、总结经过本次抹灰工程的隐蔽验收,抹灰工程质量符合规范要求,基本达到了设计要求和使用需求,建议施工方对存在问题进行及时整改,并在后续维修和管理中保持抹灰工程的质量。
抹灰隐蔽工程验收记录二、项目概况:该工程位于xx市xx区,是一处新建住宅小区的抹灰隐蔽工程。
项目包括xx号楼和xx号楼两栋高层住宅楼的外墙及内部墙面抹灰工程。
三、工程验收概况:1. 验收日期:20xx年xx月xx日2.验收人员:主管部门代表、业主代表等3.验收内容:对工程质量、施工工艺及隐蔽工程进行检查验收。
四、检查验收内容及结果:1.工程质量验收:a.外墙抹灰工程:验收人员对外墙抹灰工程进行了全面的检查,包括抹灰层厚度、水平垂直度、平整度等方面进行了测量和比对。
结果显示,工程符合相关规范要求,抹灰层厚度符合设计要求,水平垂直度和平整度均在允许范围内。
b.内部墙面抹灰工程:对于内部墙面抹灰工程,验收人员主要检查了抹灰层平整度、垂直度和水平度等项目。
结果显示,施工符合要求,抹灰层平整度高,垂直度和水平度达标,没有发现明显的质量问题。
c.施工工艺验收:在验收过程中,检查人员对施工工艺进行了仔细的观察,并与相关技术人员进行了沟通和交流。
根据检查结果,施工过程规范,按照设计要求进行施工。
施工人员严格执行施工工艺流程,确保施工质量。
2.隐蔽工程验收:a.隐蔽工程验收主要包括对墙面抹灰前的基层处理工艺的检查,如保温层是否牢固固定、各种管道线路的走向是否正确等。
经实地检查,隐蔽工程符合设计要求,各项工艺都符合施工规范。
五、验收结论:根据以上检查和核实,经验收人员一致认为,该工程的抹灰隐蔽工程质量良好,符合设计要求和相关技术规范。
鉴于工程的质量通过验收,现对该工程进行验收合格的评定,并可进入后续装修工程的施工阶段。
六、存在问题和整改措施:通过验收过程中,虽然没有发现明显的质量问题,但是仍存在以下问题需要及时整改:1.部分墙面抹灰层存在颜色差异,在后续装修过程中需要对这些问题进行修复和整改。
2.部分墙面抹灰层存在小面积开裂的现象,需要在装修阶段进行补强和修复。
整改措施:2.对于开裂的问题,需要重新施工,并进行严格的施工质量控制,确保墙面抹灰层的质量。
一般抹灰隐蔽工程验收记录填写范例福建福建省某工程项目一般抹灰隐蔽工程验收记录日期:xxxx年xx月xx日项目名称:xxxx工程施工单位:xxxx公司监理单位:xxxx公司填写人:xxxx1. 验收项目1.1 墙面抹灰层1.2 天花板抹灰层1.3 地面抹灰层2. 验收标准2.1 墙面抹灰层墙面抹灰层的厚度应符合设计要求,且无明显裂缝和起皮现象。
抹灰层的平整度应满足要求,不得有凹凸不平、明显麻面等现象。
2.2 天花板抹灰层天花板抹灰层的平整度应满足要求,不得有凹凸不平、明显麻面等现象。
抹灰层应牢固粘结于天花板,并且无明显裂缝和起皮现象。
2.3 地面抹灰层地面抹灰层的平整度应满足要求,不得有凹凸不平、明显麻面等现象。
抹灰层应牢固粘结于地面,并且无明显裂缝和起皮现象。
3. 验收结果3.1 墙面抹灰层经验收人员检查,墙面抹灰层的厚度符合设计要求,无明显裂缝和起皮现象。
抹灰层的平整度满足要求,无凹凸不平、明显麻面等现象。
经验收人员认为墙面抹灰层通过验收。
3.2 天花板抹灰层经验收人员检查,天花板抹灰层的平整度满足要求,无凹凸不平、明显麻面等现象。
抹灰层牢固粘结于天花板,无明显裂缝和起皮现象。
经验收人员认为天花板抹灰层通过验收。
3.3 地面抹灰层经验收人员检查,地面抹灰层的平整度满足要求,无凹凸不平、明显麻面等现象。
抹灰层牢固粘结于地面,无明显裂缝和起皮现象。
经验收人员认为地面抹灰层通过验收。
4. 验收结论经验收人员对墙面抹灰层、天花板抹灰层和地面抹灰层进行了全面检查,符合设计要求和验收标准。
经验收人员认为抹灰隐蔽工程通过验收。
5. 备注无。
以上为福建省某工程项目一般抹灰隐蔽工程的验收记录。
经验收人员对墙面抹灰层、天花板抹灰层和地面抹灰层进行了检查,确认抹灰工程符合设计要求和验收标准,因此判断该工程通过了验收。
施工单位
项目技术负责人:
监理
(建设)
单位 年 月 日 年 月 日监理工程师(建设单位代表):记录人:
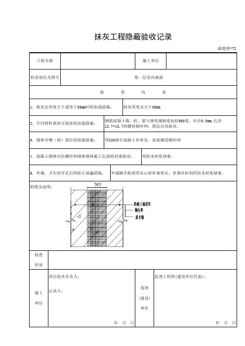
3.墙体开槽(洞)部位的加强措施:
用C20细石混凝土补密实,表面铺设钢丝网附图及说明:检查
结论
4.混凝土墙体对拉螺杆和砌体墙体施工孔洞的封堵情况:用防水砂浆堵塞。
5.外墙、卫生间开孔后的防止渗漏措施:
外墙脚手眼洞用实心砖补塞密实,穿墙丝杆洞用防水砂浆堵塞。
检查部位及图号第一层室内墙面
检 查 内 容
1.抹灰总厚度大于或等于35mm时的加强措施:抹灰厚度未大于35mm
2.不同材料基体交接处的加强措施:钢筋混凝土墙、柱、梁与填充墙相连处挂300宽,丝径0.8mm,孔径
12.7*12.7的镀锌钢丝网,固定后再抹灰。
抹灰工程隐蔽验收记录
渝建竣-72
工程名称施工单位。
一般抹灰隐蔽工程质量验收记录工程名称:XX大厦装修工程工程位置:XX市XX区XX路XX号建设单位:XX公司施工单位:XX装修工程有限公司验收日期:YYYY年MM月DD日一、验收项目1.抹灰层材料的验收(1)检查抹灰材料是否符合要求,包括粘结剂、砂子、外加剂等;(2)检查抹灰材料是否有潮湿、开裂或变质等情况;(3)检查抹灰层材料的合格证明及检测报告。
2.抹灰施工质量的验收(1)检查抹灰层的均匀性、表面平整度和厚度;(2)检查抹灰层与墙体结合是否牢固;(3)检查抹灰层的饰面是否有剥落、开裂或空鼓等现象;(4)检查抹灰层表面的光滑度以及是否有抹灰工艺要求的纹理效果等。
3.抹灰工艺的验收(1)检查抹灰工艺是否符合设计要求;(2)检查抹灰层的分层、缝隙处理是否规范;(3)检查抹灰工艺中的粉尘控制措施是否到位;(4)检查抹灰过程中的保护措施是否得当。
4.隐蔽工程的验收(1)检查抹灰层下的基层工程质量,包括墙体结构的强度、平整度等;(2)检查抹灰层与其他隐蔽工程如水电管道、通风管道等的协调性;(3)检查抹灰层周边的防水处理是否符合要求。
二、验收结果根据以上验收项目的检查结果,得出以下结论:1.抹灰层材料的验收结果:符合要求,合格。
(1)检查说明:抹灰材料的质量完全符合装修设计图纸和相关要求。
(2)复验要求:无。
2.抹灰施工质量的验收结果:符合要求,合格。
(1)检查说明:抹灰层的平整度、厚度和牢固程度完全符合相关要求。
(2)复验要求:无。
3.抹灰工艺的验收结果:符合要求,合格。
(1)检查说明:抹灰工艺符合装修设计图纸和相关要求,没有违规操作。
(2)复验要求:无。
4.隐蔽工程的验收结果:符合要求,合格。
(1)检查说明:抹灰层下的基层工程质量良好,与其他隐蔽工程协调性良好。
(2)复验要求:无。
三、验收意见经过细致检查,抹灰隐蔽工程的质量达到设计要求和相关标准,各项检测均合格,具备交付使用的资格。
建议验收通过,并督促施工单位做好相应的后续修补工作。
一般抹灰隐蔽工程验收记录项目名称:XXX工程验收时间:xxxx年xx月xx日验收地点:XXX地点验收人员:XXX、XXX、XXX参与单位:施工单位、监理单位、业主代表等一、工程概况本次抹灰隐蔽工程位于XXX位置,总建筑面积为XXX平方米。
工程涉及抹灰的部位包括墙面、天花板等,采用的抹灰材料为XXX。
二、验收内容1.抹灰技术要求按照设计要求和相关规范进行抹灰施工,抹灰层应平整、牢固、垂直,无明显开裂、起泡等现象。
2.抹灰质量验收2.1抹灰面观察通过目视观察,抹灰面应光滑、平整,无明显凹凸不平、开裂等缺陷,无色差。
2.2抹灰测量使用测量工具对抹灰层厚度进行测量,应符合设计要求。
2.3抹灰强度检测在抹灰面上选择若干点进行强度检测,检测结果应符合设计要求。
3.抹灰隐蔽工程验收对已完成的抹灰隐蔽工程进行验收,包括抹灰材料的合格证明、施工记录等的整理和归档工作。
三、验收结果经过对抹灰工程的全面检查和测量,现将验收结果如下:1.抹灰面观察:抹灰面平整、光滑,无开裂、起泡等缺陷,无色差。
2.抹灰层厚度:经测量,抹灰层厚度符合设计要求。
3.抹灰强度:抹灰强度检测结果符合设计要求。
4.隐蔽工程验收:抹灰隐蔽工程的记录和资料齐全,施工单位对材料的合格证明和施工记录进行了整理和归档。
综上所述,本次抹灰隐蔽工程经验收合格,符合设计要求和相关规范。
四、存在的问题和建议在本次抹灰隐蔽工程验收过程中,未发现明显的问题和缺陷。
但为了确保工程的质量和持久性,我们建议:1.施工单位应加强对抹灰工序的监控,保证施工质量。
2.监理单位应严格把关抹灰工程的施工过程,及时发现并纠正施工中的问题。
五、结论本次抹灰隐蔽工程验收合格,符合设计要求和相关规范。
各责任单位在本工程的施工和验收中,共同努力,保证了工程的质量和技术要求。
相信在后续的使用过程中,本工程将发挥预期效果。
六、附件1.抹灰施工记录2.抹灰材料合格证明3.抹灰强度检测报告7.验收人员签字:验收人员1:______________________验收人员2:______________________。
T0508_抹灰工程隐蔽验收记录抹灰工程是建筑装修中非常重要的一项工程,它能够给建筑物表面提供平整、光滑、美观的外观装饰,并具有一定的保温、隔热、防火等功能。
为了确保抹灰工程的质量和完整性,需要进行隐蔽验收。
下面是一份抹灰工程隐蔽验收记录,供参考。
项目名称:XXXX工程验收日期:XXXX年XX月XX日1.工程概况核实施工单位、工地地址、施工部位等信息是否与工程设计一致。
施工单位:________________________工地地址:________________________施工部位:________________________2.施工材料核实施工单位所使用的抹灰材料是否符合设计要求和相关标准,并检查材料的质量证明文件。
抹灰材料:________________________供应商:__________________________质量证明文件:______________________3.施工工艺核实施工单位所采用的抹灰工艺是否符合设计要求和相关标准,并检查相关施工记录。
施工工艺:________________________相关施工记录:_____________________4.抹灰质量工程验收前的抹灰墙面、顶面进行全面检查,验证其平整度、垂直度、灰缝、颗粒等质量指标。
抹灰墙面:________________________抹灰顶面:________________________质量指标:________________________验收结论:________________________5.隐蔽工程对已完工的抹灰工程进行隐蔽验收,核实是否有足够的验收人员在场,并对隐蔽工程进行详细记录。
验收人员:________________________验收日期:________________________隐蔽工程记录:_____________________6.报验材料核实施工单位是否按要求编制抹灰工程隐蔽验收报验材料,并进行封存。
一般抹灰隐蔽工程验收记录统表
钢筋隐蔽工程验收记录统表
第1页共1页
钢筋隐蔽工程验收记录统表
钢筋隐蔽工程验收记录统表
钢筋隐蔽工程验收记录统表
钢筋隐蔽工程验收记录统表
钢筋隐蔽工程验收记录统表
抹灰隐蔽工程验收记录统表
钢筋隐蔽工程验收记录统表
钢筋隐蔽工程验收记录统表
钢筋隐蔽工程验收记录统表
抹灰隐蔽工程验收记录统表
抹灰隐蔽工程验收记录统表
抹灰隐蔽工程验收记录统表
抹灰隐蔽工程验收记录统表
抹灰隐蔽工程验收记录统表
抹灰隐蔽工程验收记录统表
抹灰隐蔽工程验收记录统表。
一般抹灰工程检验批质量验收记录注:主控项目应符合设计及技术变更要求。
SG—T080填写说明一、本表适用于石灰砂浆、水泥砂浆、水泥混合砂浆、聚合物水泥砂浆和麻刀石灰、纸筋石灰、石膏灰等一般抹灰工程检验批质量验收记录。
二、本表由监理工程师(建设单位技术负责人)组织项目专业质量(技术)负责人等进行验收。
三、检验批的划分:1.相同材料、工艺和施工条件的室外抹灰工程每500~1000m2应划分为一个检验批,不足500m2处应划分为一个检验批。
2.相同材料、工艺和施工条件的室内抹灰工程每50个自然间(大面积房间和走廊按抹灰面积30m2为一间)应划分为一个检验批,不足50间也应划分为一个检验批。
四、检查数量:1.室内每个检验批应至少抽查10%,并不得少于3间,不足3间时应全数检查。
2.室外每个检验批每100扩应至少抽查1处,每处不得小于10m2。
五、本表主控项目检查方法:1.基层表面应干净、洒水湿润:检查施工记录。
2.材料的品种、性能,砂浆的配合比符合设计要求,水泥凝结蚶间、安定性复验合格:检查产品合格证书、进场验收记录、复验报告和施工记录。
3.抹灰应分层;当抹灰厚度≥35mm应采取措施;不同材料基体交接处应采取防裂措施;当采用加强网时加强网与基体搭接宽度≥100mm:检查隐蔽工程验收记录和施工日记。
4.抹灰层与基层及抹灰层之间粘结乍田,抹灰层无脱层、空鼓,面层应爆灰和裂缝:观察,用小锤轻击检查;检查施工记录。
六、表中一般项目检查方法:1.护角、孔洞、槽、盒周围的抹灰表面应整齐、光滑;管道后面的抹灰表面应平整:观察、手摸检查。
2.抹灰层总厚度符合设计要求;水泥砂浆不得抹在石灰砂浆层上;罩面石膏灰不得抹在水泥砂浆层上:检查施工记录。
3.抹灰分格缝的设置符合设计要求,宽度和深度应均匀,表面光滑,棱角整齐:观察、尺量检查。
4.有排水要求的部位应做滴水线(槽)。
滴水线(槽)整齐顺直,滴水线内高外低,滴水糟宽度、深度≥10mm:观察、尺量检查。
注:如果绘制图纸的附本记录后
注:如果绘制图纸的附本记录后
注:如果绘制图纸的附本记录后
钢筋隐蔽工程验收记录统表
注:如果绘制图纸的附本记录后
钢筋隐蔽工程验收记录统表
注:如果绘制图纸的附本记录后
钢筋隐蔽工程验收记录统表
注:如果绘制图纸的附本记录后
抹灰隐蔽工程验收记录统表
注:如果绘制图纸的附本记录后
钢筋隐蔽工程验收记录统表
注:如果绘制图纸的附本记录后
钢筋隐蔽工程验收记录统表
注:如果绘制图纸的附本记录后
钢筋隐蔽工程验收记录统表
注:如果绘制图纸的附本记录后
抹灰隐蔽工程验收记录统表
注:如果绘制图纸的附本记录后
抹灰隐蔽工程验收记录统表
注:如果绘制图纸的附本记录后
抹灰隐蔽工程验收记录统表
注:如果绘制图纸的附本记录后
抹灰隐蔽工程验收记录统表
注:如果绘制图纸的附本记录后
抹灰隐蔽工程验收记录统表
注:如果绘制图纸的附本记录后
抹灰隐蔽工程验收记录统表
注:如果绘制图纸的附本记录后
抹灰隐蔽工程验收记录统表
注:如果绘制图纸的附本记录后。