(完整版)土木工程毕业设计参考资料 基础设计
- 格式:doc
- 大小:197.50 KB
- 文档页数:30
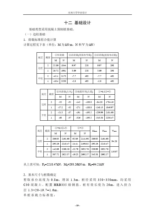
十二基础设计基础类型采用混凝土预制桩基础。
(一)边柱基础1.荷载标准组合值计算计算过程见下表(单位:M为kN∙m,N和V为kN)从上表可知,F k=2218.47kN,M k=293.26kN∙m,H k=94.21kN2.基本尺寸与桩数确定暂取承台高度为0.8m,埋深 1.3m,桩径采用350×350mm,均采用C30混凝土。
配置HRB335级钢筋。
桩有效长度为20m,进入持力层 1.3+20-19.7=1.6m。
单桩承载力标准值:6).1463.8363.7278.214(435.035.035.03600l q U A q R i sik p p pk k ⨯+⨯+⨯+⨯⨯⨯+⨯⨯=+=∑1293.18kN 18.852441=+=特征值:646.59k N 2/1293.18R a == 所需桩数:77.3646.5947.22181.1n =⨯=,选用4根桩边桩中心至承台边缘取d=350mm桩距取3d=1050mm.桩布置如下图(单位:mm )承台尺寸为1750mm×1750mm3.桩顶作用效应计算72kN .74543.10.20.2202.108.2858n G F N =⨯⨯⨯⨯+=+=单桩承载力设计值:N 1148.16kN 65.1/57626.165.1/973.922.1/Q /Q /Q R c ck c p pk p s sk s >=⨯+⨯=++=γηγηγη在弯矩作用下120.0772.74505.1405.1)8.062.15698.378(72.745xx )Hh M (N N 22max min ±=⨯⨯⨯+±=+±=∑⎩⎨⎧>=<=066.6251377.79kN2R .1865.79 满足要求。
4.承台设计桩顶最大反力设计值N max =850.78kN 平均反力设计值N=745.72kN桩顶净反力设计值N max =850.78-G/n =819.58kN 平均净反力设计值N=745.72-G/n=714.52kN因为基础底面落在冲切破坏锥体以内,故可不进行受冲切验算。
全套土木工程毕业设计模板一、选题背景1.1 选题的意义和背景介绍(在这部分可以介绍你选择这个毕业设计题目的原因、相关的现实背景及研究意义等。
可以从当前土木工程领域的发展、实际应用需求等方面进行阐述)1.2 国内外研究现状及发展动态(可以从国内外相关领域的研究现状、专家学者的研究成果、技术发展动态等方面进行介绍分析)二、文献综述2.1 国内外文献综合评述(这里可以对相关领域的国内外文献进行收集、整理和综合评述,进行文献综述和思想脉络的梳理)2.2 已有问题的分析研究(通过文献综述,找出当前研究领域尚未解决或待解决的问题,并进行分析)三、研究的目的和意义3.1 研究目的(明确阐述你的研究目标和意义,即你希望通过这个毕业设计研究解决什么问题或得到什么结果)3.2 研究的意义(可以从学术意义和实际应用价值方面进行阐述)四、研究内容和方法4.1 研究内容(具体介绍你打算研究的内容范围和方向)4.2 研究方法(介绍你打算采用的研究方法,可以包括实地调查、数值模拟、实验研究等)四、设计方案和实施途径5.1 设计方案(对于土木工程领域的毕业设计,可以介绍你的设计思路、建模方法、采用的工程软件等)5.2 实施途径(介绍你计划如何实施设计方案,包括实验的具体步骤、数据的采集方法等)六、成果预期和创新点6.1 成果预期(对你毕业设计研究的预期结果进行描述)6.2 创新点(如果你的设计研究有一些创新之处,可以在这部分进行介绍)七、进度安排7.1 第一学期进度安排(介绍第一学期的主要工作内容和进度安排)7.2 第二学期进度安排(介绍第二学期的主要工作内容和进度安排)八、参考文献(列出你在毕业设计过程中参考的主要文献资料,包括书籍、期刊论文、学位论文、互联网资源等)。
土木工程专业毕业设计(doc58)(1)一.工程概况- 1 -二.设计资料与设计依据- 1 - (一)差不多条件- 1 - (二)设计依据- 2-三.建筑设计- 2 -(一)办公区- 2 - (二)大厅部分- 2 -四.结构设计- 3 -一)结构布置- 3二)荷载运算- 5三)内力分析- 13四)内力组合- 19五)截面设计- 20六)框架部分板配筋运算七)楼梯设计- 33 -八)檩条设计- 36 -九)牛腿设计- 36 -十)柱的吊装验算- 37十一)抗风柱设计- 39(十二)基础设计- 40 - 致谢- 46 - 参考文献- 47 -- 31 -土木工程专业毕业设计一.工程概况本工程为某大学土木馆结构试验室,包括实验大厅与办公楼两部分,总建筑面积5232.49川,要紧建筑功能为结构试验与办公,设有l50kN中级制A2级桥式吊车。
总长48m,厂房跨度15m,室内外高差600mm。
二.设计资料与设计依据(一)差不多条件1、气象条件差不多风压0.55kN/m2,差不多雪压为0.4 kN/m2。
2、设计标高室内设计标高士0.000m与绝对标高相当,室内外高差0. 6m.3、地质条件地下水埋深0.3-1.5m,各土层为:杂填土平均厚度1.36 m,要紧成分为碎石.坡积土;粉质粘土平均厚度1.57m,含水量w 13.0-28.9%,比重G s 2.7 -2.74 ,重度18.8 -19.6kN/m ,塑性指数,液性指数-0.68-0.69,承载力标准值为f k 100kPa ;中砂平均厚度p 8.5 18.42.7m,承载力标准值为f k 85kPa ;污泥质粉土平均厚度7.86m,塑性指数p 6.2 10.9,液性指数 1.22 2.2,承载力标准值为f k 60kPa ;粘土在地面下13.02m,塑性指数p 10.3 25.9,液性指数-0.31 0.334、抗震设防抗震设防烈度为七度,设计差不多加速度为0.1g,属第一组(二)设计依据1、建筑结构荷载规范(GB5009-2001)2、混凝土结构设计规范(GB50010-2002)3、山东省建筑标准设计-建筑做法讲明(DBJT14-2)4、建筑地基基础设计规范(GB50007-2002)5、建筑设计防火规范(GBJ16-87)6、抗震设计规范(GB50011-2001)三.建筑设计(一)办公区1、屋面做法现浇楼板上铺膨胀珍宝岩保温层(檐口处厚30mm,2% 自檐口向中间找坡,102水泥砂浆找平层厚20mm,二毡三油防水层,撒绿豆砂爱护。
全套土木工程毕业设计模板第一部分:绪论1.1 研究背景介绍土木工程的基本概念和其在社会发展中的重要性,阐述设计模板的目的和意义。
1.2 研究意义详细描述土木工程在城市建设、基础设施建设、环境保护等方面的重要作用,探讨毕业设计在学习过程中的重要性。
1.3 研究现状对土木工程毕业设计的国内外研究现状进行梳理,评述已有毕业设计的优缺点,为本设计模板提供参考借鉴。
第二部分:文献综述2.1 土木工程基础理论介绍土木工程的基本理论知识,涵盖土力学、结构力学、建筑材料等方面的文献综述,为毕业设计的理论分析提供理论支持。
2.2 土木工程技术应用梳理土木工程领域的最新技术应用,包括BIM技术、智能建造、工程管理软件等,为毕业设计的技术实现提供参考依据。
第三部分:毕业设计内容3.1 选题背景与意义选择与土木工程相关的研究课题,并阐述该课题的背景、意义和应用前景。
3.2 研究方法与设计方案描述毕业设计的研究方法和设计方案,包括实地调研、数据采集、建模仿真等技术手段的应用。
3.3 毕业设计进度安排制定毕业设计的进度安排表,明确设计任务的分工和完成时间,保证毕业设计的顺利进行。
第四部分:毕业设计具体实施4.1 数据采集与分析描述数据采集的具体方法和数据分析的过程及结果,包括实验室测试、调查问卷、统计分析等方面的工作。
4.2 模型建立与仿真分析介绍建立设计模型的过程和进行仿真分析的方法,包括使用的软件工具、建模原理和仿真结果的分析。
4.3 结果展示与讨论呈现毕业设计的研究成果,对实验数据和仿真结果进行详细的展示和讨论,验证毕业设计的合理性和可行性。
第五部分:毕业设计总结与展望5.1 毕业设计成果总结总结毕业设计的研究内容和方法,归纳设计成果,评述设计过程中的经验和收获。
5.2 存在问题及改进建议分析毕业设计中存在的不足和问题,提出相应的改进建议和完善方案。
5.3 展望与应用前景展望毕业设计成果的应用前景,探讨设计成果在实际工程中的应用价值,为未来的发展提出展望。
引言概述:土木工程是一门综合性较强的工程学科,作为土木工程专业的毕业设计,旨在让学生通过实际操作与实践,运用所学的理论知识和技能,解决土木工程领域中的实际问题。
本文将对土木工程毕业设计的相关内容进行详细介绍与阐述,包括项目背景、设计目标、设计方案、材料选择与性能研究、经济性与可行性分析、安全性与环保性考虑等方面。
正文内容:一、项目背景1.1项目背景介绍1.2项目地理环境1.3项目规模与目标二、设计目标2.1设计目标与需求分析2.2工程功能与服务对象需求2.3设计的可行性与创新性2.4设计质量目标与指标三、设计方案3.1方案选取和比较3.2方案设计与分析3.3结构设计与布局3.4工程材料的选择与性能研究3.5设计的技术实施方案四、材料选择与性能研究4.1材料性质与特点分析4.2材料选择原则与方法4.3材料性能测试与分析4.4材料的适用范围与使用条件4.5材料的可靠性与安全性考虑五、经济性与可行性分析5.1成本估计与预算5.2投资回报预测与分析5.3经济可行性分析5.4设计方案的可持续性考虑5.5经济性与可行性分析的综合评价总结:土木工程毕业设计是学生综合运用所学知识的重要环节,通过对项目背景、设计目标、设计方案、材料选择与性能研究、经济性与可行性分析等方面的详细阐述,可以有效指导学生进行毕业设计的实施与完成。
本文通过对土木工程毕业设计的相关内容进行概述和分析,旨在为土木工程专业的学生提供一定的参考和指导,从而更好地完成毕业设计任务,并为实际工程应用提供有益的经验和建议。
引言:土木工程毕业设计是土木工程专业学生在校期间的重要任务之一,旨在通过实际工程项目的设计和实施,培养学生的理论基础和实践能力。
本文将详细阐述土木工程毕业设计的重要性,设计流程、挑战和解决方法,并总结毕业设计对学生的影响和意义。
概述:土木工程毕业设计是土木工程专业学生进行的一项实践性项目,它要求学生利用学习过的理论和方法,解决实际土木工程中的问题。
土木工程专业课程设计(毕业设计)设计资料(1)工程名称:XXXX职业技术学校教学楼(2)结构形式:现浇钢筋混凝土框架结构,(3)工程概况:层高3.6m(首层4.2m),室内外高差为600mm,基础顶面至室外地面的高度为500mm,不上人屋面。
建筑面积(7.3×2+3) ×4.2×11 m2。
(4)基本风压:w o=0.4kN/m2,地面粗糙度为B类。
(5)基本雪压:S0=0.2 kN/m2。
(6)抗震设防烈度为6度,建筑场地属Ⅱ类。
场地范围内无不良地质现象,地下水位不影响基础设计。
该房屋属乙(丙)类建筑,安全等级为二级(7)材料选用:钢筋:钢筋:梁,柱主筋采用HRB335级或HRB400级钢筋,箍筋,构造钢筋采用HPB300级钢筋。
混凝土:均采用C30混凝土,基础除垫层外也采用C30混凝土。
墙体:粘土空心砖,重度γ=5.5 kN/m3 ;窗:铝合金窗,γ=0.35 kN/m3 ;木门γ=0.2 kN/m3(8)墙体构造:均采用加气混凝土砌块,并采用20mm厚抹灰粉刷。
女儿墙高1000mm,两侧粉刷。
(9)建筑组成及相应的建筑面积普通教室:30间,63~72 m2/间;合班教室:6间,96~100 m2/间;微机教室:2间,96~100 m2/间;语音教室:2间,96~100m2/间;阅览室:1间,120~140 m2/间;办公室:5间,18~20 m2/间;教研室:1间,160~200 m2/间复印打印室:1间,18~20 m2/间;卫生间:(男女各一间/层), 50~60m2/层;楼梯(两部);其他以上设定建筑面积可在5%范围内调整。
建筑组成及布置1、根据任务书相应房间面积要求确定平面布置图,标明各房间布置、使用功能、门窗尺寸。
并确定柱网尺寸为7.2m×4.2m。
2、设计层数为6层,层高为3.6m,首层4.2m,总高度22.2m。
3、房屋布置面积如下:普通教室:30间 4.2×2×7.2=61.2 m2;合班教室:6间 4.2×3×7.2=90.72 m2;微机教室:2间 4.2×3×7.2=90.72 m2;语音教室:2间 4.2×3×7.2=90.72 m2;阅览室:1间, 4.2×4×7.2=120.96 m2;办公室:5间 4.2×7.2=30.24 m2;教研室:1间, 4.2×5×7.2=151.2 m2;复印室:1间, 4.2×7.2=30.24 m2;卫生间:(男女各一间/层) 4.2×7.2=30.24 m2;楼梯(两部); 4.2×7.2=30.24 m2;传达室:1间, 4.2×7.2=30.24 m2;以上设定建筑面积均符合任务书要求。
土木工程毕业设计参考资料基础设计基于土木工程的毕业设计,以下是一些参考资料,主要包括基础设计的内容:
1.基础设计概述:
-土木工程基础设计的目的和重要性
-基础设计与承载力、变形、稳定性等相关原理
2.地质勘察和土壤力学:
-基础设计前的地质勘察方法和技术
-土壤力学基础知识,包括土壤分类、物理力学性质和力学参数测定-土壤承载力和压缩性的计算方法
3.基础结构设计:
-建筑基础的分类和选型
-基础结构的计算方法,如平衡法、极限平衡法、延性计算法等
-抗震设计与基础的关系
4.基础建设材料:
-基础建设中常用的材料,如混凝土、钢筋等的性质和使用要求
-材料强度和稳定性的测试方法与标准
-材料使用中的常见问题及解决方法
5.基础施工技术:
-基础施工的流程和方法
-基础施工中的常见问题及解决方法,例如不均匀沉降、基础变形等6.基础监测与维修:
-基础工程的监测方法与技术,包括沉降观测、应变测试等
-基础结构维修与加固的方法和技术
7.基础设计案例:
-分析和评价一些成功的基础工程设计案例,如高层建筑、桥梁等
-描述案例中的设计思路、施工过程和实际效果等
在进行基础设计时,要充分考虑地质情况、荷载条件、建筑用途等因素,采用科学的计算方法和标准,确保基础结构的稳定性和安全性。
同时,实践中也要根据具体工程情况灵活运用理论知识,并关注现实问题的解决
方案。
最后,对基础设计过程中出现的问题和经验进行总结,不断完善和
提升设计能力。
希望以上资料能为您的毕业设计提供参考和帮助,祝您设计顺利!。
该工程为某大学实验楼,钢筋混凝土框架结构;建筑层数为8 层,总建筑面积11305.82m2,宽度为39.95m,长度为60.56m ;底层层高4.2m,其它层层高 3.6m,室内外高差0.6m。
该工程的梁、柱、板、楼梯、基础均采用现浇,因考虑抗震的要求,需要设置变形缝,宽度为130mm。
1.1.1 设计资料(1 )气象条件该地区年平均气温为20 o C.冻土深度25cm ,基本风压0.45kN/m2 ,基本雪压0.4 kN/m2 ,以西北风为主导方向,年降水量1000mm。
(2)地质条件该工程场区地势平坦,土层分布比较规律。
地基承载力特征值f a 240kPa 。
(3)地震烈度7 度。
(4)抗震设防7 度近震。
1.1.2材料梁、柱、基础均采用C30;纵筋采用HRB335,箍筋采用HPB235 ;单向板和双向板均采用C30,受力筋和分布筋均为HPB235 ;楼梯采用C20 ,除平台梁中纵筋采用HRB335 外,其余均采用HPB235。
1 .2工程特点本工程为8 层,主体高度为29m 左右,为高层建筑。
其特点在于:建造高层建筑可以获得更多的建筑面积,缩小城市的平面规模,缩短城市道路和各种管线的长度,从而节省城市建设于管理的投资;其竖向交通一般由电梯来完成,这样就回增加建筑物的造价;从建筑防火的角度来看,高层建筑的防火要求要高于中低层建筑;以结构受力特性来看,侧向荷载(风荷载和地震作用)在高层建筑分析和设计中将起着重要的作用,因此无论从结构分析,还是结构设计来说,其过程都比较复杂。
在框架结构体系中,高层建筑的结构平面布置应力求简单,结构的主要抗侧力构件应对称均匀布置,尽量使结构的刚心与质心重合,避免地震时引起结构扭转及局部突变,并尽可能降低建筑物的重心,以利于结构的整体稳定性;合理地设置变形缝,其缝的宽度视建筑物的高度和抗震设防而定。
该工程的设计,根据工程地震勘探和所属地区的条件,要求有灵活的空间布置和较大的跨度,故采用钢筋混凝土框架结构体系。
第6章基础设计地基基础是建筑结构的重要组成部分,是承受上部结构传来的荷载并把这些荷载传递到地基的下部结构。
地基基础设计应综合考虑建筑物的使用要求、上部结构的特点、场地的工程地质、水文地质条件、施工条件、工期、工程造价等多方面的要求,合理选择基础方案,保证基础工程的安全可靠、经济合理。
毕业设计中多层框架结构常用的基础形式有柱下独立基础、双柱联合基础、柱下条形基础、柱下接形基础和灌注桩基础等,本章将主要说明以上基础形式的设计方法。
6. 1 基础设计的一般要求6. 1. 1 地基基础设计等级6.1. 2 对地基基础设计的要求为了保证建筑物的安全与正常使用,根据建筑物的基础设计等级及长期荷载作用下地基变形对上部结构的影响程度,地基基础设计应符合下列规定:1. 所有建筑物的地基计算均应满足承载力计算的有关规定;2. 设计等级为甲级、乙级的建筑物,均应按地基变形设计;3. 表6-2所列范围内设计等级为丙级的建筑物可不作变形验算,如有下列情况之一时,仍应作变形验算:(1)地基承载力特征值小于l30kPa,且体型复杂的建筑。
(2)在基础上及其附近有地面堆载或相邻基础荷载差异较大,可能引起地基产生过大的不均匀沉降时;(2)地基上的建筑物存在偏心荷载时。
(4)相邻建筑距离过近,可能发生倾斜时;(5)地基内有厚度较大或厚薄不均的填士,其自重固结未完成时。
4. 对经常受水平荷载作用的高层建筑、高耸结构和挡土墙等,以及建造在斜坡上或边坡附近的建筑物和构筑物,尚应验算其稳定性;5. 基坑工程应进行稳定验算;6. 当地下水埋藏较浅,建筑地下室或地下构筑物存在上浮问题时,尚应进行抗浮验算。
注:1. 地基主要受力层系指条形基础底面下深度为3b (b为基础底面宽度〉,独立基础下为1.5b,且厚度均不小于5m的范围(二层以下一般的民用建筑除外);2.地基主要受力层中如有承载力标准值小于130kPa 的土层时,表中砌体承重结构的设计,应符合软弱地基的有关要求;3.表中砌体承重结构和框架结构均指民用建筑;4.烟囱高度和水塔容积的数值系指最大值;5.排架结构详见《建筑地基基础设计规范》GB 50007-2011;6.1. 3 荷载取值地基基础设计时,所采用的作用效应最不利组合与相应的抗力限值应按下列规定:1. 按地基承载力确定基础底面积及埋深或按单桩承载力确定桩数时,传至基础或承台底面上的荷载应按正常使用极限状态下荷载效应的标准组合。
土木工程毕业设计范本土木工程毕业设计范本引言:土木工程是一门综合性的学科,它涵盖了建筑、结构、交通、水利等多个方面。
作为土木工程专业的学生,毕业设计是我们学习生涯中的重要一环。
本文将以土木工程毕业设计范本为主题,探讨毕业设计的重要性、步骤和一些实用的技巧。
第一部分:毕业设计的重要性毕业设计是土木工程专业学生在大学期间最重要的学术任务之一。
它不仅是对我们所学知识的综合运用,更是对我们专业素养和创新能力的考验。
通过毕业设计,我们可以将在课堂上学到的理论知识应用到实际工程项目中,锻炼我们的问题解决能力和团队合作精神。
第二部分:毕业设计的步骤1. 选题:选题是毕业设计的第一步。
我们可以选择与自己感兴趣或专业相关的课题,同时要考虑实际可行性和创新性。
可以参考前人的研究成果,找到一个有研究价值的课题。
2. 文献综述:在进行毕业设计前,我们需要对相关领域的文献进行综述。
通过阅读前人的研究成果,我们可以了解当前领域的研究进展和存在的问题,为自己的设计提供理论基础。
3. 设计方案:在确定研究方向后,我们需要制定一个详细的设计方案。
该方案应包括设计目标、设计思路、设计方法和设计过程等内容。
在设计方案中,我们需要考虑到项目的可行性、经济性和安全性。
4. 数据采集与分析:在进行设计过程中,我们需要进行数据采集和分析。
通过实地调研、实验室测试等手段,我们可以获得所需的数据,并对其进行分析和解读。
这些数据将为我们的设计提供依据和支持。
5. 设计实施与评估:在完成设计方案后,我们需要进行设计实施和评估。
在实施过程中,我们需要遵循设计方案,并及时调整和改进设计。
在评估阶段,我们需要对设计的效果进行评估,并提出改进建议。
第三部分:毕业设计的实用技巧1. 学会合理分配时间:毕业设计是一个相对长期的任务,我们需要学会合理分配时间,确保每个步骤都得到充分的时间和精力。
同时,我们要做好时间管理,避免拖延和临时抱佛脚。
2. 多与导师交流:导师是我们毕业设计过程中的重要指导者,我们要与导师保持密切的沟通和交流。
第1篇一、前言土木工程施工是土木工程专业的核心课程之一,旨在培养学生的施工组织、施工技术、施工管理等方面的能力。
本毕业设计以某建筑工程为研究对象,对整个施工过程进行详细分析,旨在提高学生的实践能力和综合素质。
二、项目背景及意义本项目以某建筑工程为研究对象,该工程为多层住宅小区,占地面积约10000平方米,总建筑面积约50000平方米。
通过本项目的毕业设计,学生可以深入了解土木工程施工的各个环节,掌握施工组织、施工技术、施工管理等方面的知识,为今后从事土木工程施工工作奠定基础。
三、施工组织设计1. 施工组织机构:成立项目经理部,下设施工技术、质量、安全、材料、财务等部门,明确各部门职责。
2. 施工进度计划:根据工程实际情况,制定合理的施工进度计划,确保工程按期完成。
3. 施工资源配置:合理配置人力、物力、财力等资源,确保施工顺利进行。
4. 施工质量控制:严格执行国家及地方相关质量标准,确保工程质量。
5. 施工安全管理:加强施工现场安全管理,防止安全事故发生。
四、施工技术1. 土方工程:采用机械开挖、人工配合的方式,确保土方开挖质量。
2. 框架结构工程:采用现浇钢筋混凝土结构,确保结构安全、稳定。
3. 屋面工程:采用防水卷材、防水涂料等材料,确保屋面防水效果。
4. 装饰装修工程:选用环保、安全、美观的装饰材料,确保室内环境舒适。
五、施工管理1. 人员管理:加强施工人员培训,提高施工人员素质。
2. 材料管理:严格控制材料采购、验收、储存、使用等环节,确保材料质量。
3. 质量管理:严格执行国家及地方相关质量标准,确保工程质量。
4. 安全管理:加强施工现场安全管理,预防安全事故发生。
六、结论本毕业设计以某建筑工程为研究对象,对土木工程施工的各个环节进行了详细分析,旨在提高学生的实践能力和综合素质。
通过本毕业设计,学生可以深入了解土木工程施工的各个环节,掌握施工组织、施工技术、施工管理等方面的知识,为今后从事土木工程施工工作奠定基础。
第8章 基础设计该工程框架层数不多且柱距分配比较均匀。
可选择柱下交叉条形基础。
采用倒梁法进行计算。
取基础混凝土强度等级为C30。
则,,且()kPa f a 110205.035.20.173=⨯-⨯+=。
8.1 基础截面确定条形基础沿纵横两个方向的柱列分别进行布置: 8.1.1 纵向条形基础 基础梁高度为: ,取。
基础梁的宽度为:。
条形基础梁端各伸出柱外的长度为:mm mm l 1600~1200480031~4131~41=⨯⎪⎭⎫⎝⎛=⎪⎭⎫ ⎝⎛ 取悬臂长度,则纵向条形基础的总长度为:m L 2.4925.121.526.368.4=⨯+⨯+⨯+⨯=确定纵向条形基础的底宽: 基础埋深:。
地下水位在自然地面以下。
基础梁上的墙重为:()kN 7.496104.02.4677.11=⨯-⨯ 各柱传来的竖向力之和为:则基础的底面宽为:()()m l h d f b w a 19.32.4955.01035.2201101020=⨯⨯+⨯-=+-≥考虑交叉基础向两个方向分配,取。
()102231067.710025020021002003250200210021900300121⨯=+⨯⨯+⎪⎭⎫ ⎝⎛⨯+⨯⨯⨯+⨯⨯=纵I2621510410301.210301.21067.7103m kN mm N EI ⋅⨯=⋅⨯=⨯⨯⨯=纵图8-1 纵向基础截面图8.1.2 横向条形基础 基础梁高度为: ,取。
基础梁的宽度为:条形基础梁端各伸出柱外的长度为:mm mm l 2500~1875750031~4131~41=⨯⎪⎭⎫⎝⎛=⎪⎭⎫ ⎝⎛ 取悬臂长度,则横向条形基础的总长度为: 确定横向条形基础的底宽: 基础埋深:。
地下水位在自然地面以下。
基础梁上的墙重为:()kN 34.20134.02268.9=⨯-⨯ 各柱传来的竖向力之和为: 则基础的底面宽为:()()m l h d f b w a 97.22255.01035.2201101020=⨯⨯+⨯-=+-≥考虑交叉基础向两个方向分配,取。
学生姓名:学号:学院:建筑工程学院专业:题目:河北某高校教学楼设计指导教师:评阅教师:毕业设计成绩评定表注:该表一式两份,一份归档,一份装入学生毕业设计说明书中。
毕业设计中文摘要毕业设计外文摘要目录1 引言 (1)2 建筑设计 (2)2.1 工程概况及设计依据 (2)2.1.1 工程概况 (2)2.1.2 建筑技术条件 (2)2.1.3 设计依据 (2)2.2 总平面设计 (3)2.3 平面设计 (3)2.4 交通部分及防火设计 (4)2.4.1 交通部分 (4)2.4.2 防火防烟设计 (4)2.5 立面设计 (4)2.6 剖面设计 (5)2.6.1 层数、层高的确定 (5)2.6.2 卫生间标底的确定 (5)2.6.3 室外高差的确定 (5)2.6.4 窗面积的确定 (5)2.7 构造设计 (5)2.7.1 楼面做法 (5)2.7.2 卫生间楼面做法 (5)2.7.3 地面做法 (6)2.7.4 卫生间地面做法 (6)2.7.5 踢脚做法 (6)2.7.6 卫生间踢脚做法 (6)2.7.7 内墙做法 (7)2.7.8 外墙做法 (7)2.7.9 女儿墙做法 (7)2.7.10 屋面做法 (7)3 结构设计 (7)3.1 设计依据 (7)3.1.1 主要设计依据 (8)3.1.2 结构类型及使用年限 (8)3.1.3 活荷载取值 (8)3.1.4 混凝土材料 (8)3.1.5 混凝土保护层厚度 (8)3.1.6 混凝土钢筋连接 (9)3.2 结构计算原理 (9)3.2.1 地震作用 (9)3.2.2 竖向荷载作用 (9)3.2.3 控制截面及内力组合 (9)3.2.4 位移验算 (9)3.3 配筋计算原理 (10)3.4 结构计算程序 (10)3.5 结构布置 (10)3.6 板、梁、柱截面尺寸的初步确定 (11)3.6.1 梁尺寸初步估算 (11)3.6.2 混凝土强度等级 (11)3.6.3 柱的截面尺寸初步估算 (11)3.6.4 板截面尺寸初步估算 (13)4 横向水平地震力计算 (14)4.1 重力荷载代表值的计算 (14)4.1.1 梁、柱线刚度的计算 (14)4.1.2 侧移刚度计算 (15)4.2 框架侧移刚度的计算 (17)4.2.1 荷载计算 (17)4.2.2 各层重力荷载代表值的计算 (20)4.3 横向水平荷载作用下框架结构的内力和侧移计算 (23)4.3.1 横向自振周期的计算 (23)4.3.2 水平地震作用下框架内力 (25)4.3.3 水平地震作用下的位移验算 (27)4.3.4 水平地震作用及楼层地震剪力的计算 (28)5 竖向荷载作用下框架结构的内力计算 (33)5.1 计算单元的选择确定 (34)5.2 恒载作用下的内力计算 (34)5.3 活载作用下柱的内力计算 (36)5.4 恒荷载作用下梁的内力计算 (38)5.5 活荷载作用下梁的内力计算 (38)5.6 分层法计算竖向荷载作用下的框架内力 (39)5.6.1框架的线刚度 (40)5.6.2恒载作用下的分层法计算 (40)5.6.3 活载作用下的分层法计算 (42)5.7 梁端剪力和柱轴力计算 (45)5.8 框架梁跨中弯矩计算 (48)6 框架结构的内力组合 (49)6.1 框架结构梁的内力组合 (49)6.2 框架梁的内力组合 (50)6.3 框架柱的内力组合 (53)7 截面设计 (55)7.1 框架梁截面设计 (56)7.1.1 梁的正截面受弯承载力计算 (56)7.1.2 梁斜截面受剪承载力计算 (58)7.2 框架柱截面设计 (64)7.2.1 柱截面尺寸验算 (64)7.2.2 柱正截面承载力计算 (65)7.2.3 柱斜截面受剪承载力计算 (67)8 基础设计 (70)8.1 外柱基础荷载计算 (70)8.2 确定基底尺寸 (70)8.3 确定基础高度 (72)8.4 基底配筋计算 (73)9 楼梯设计 (74)9.1 楼梯结构布置 (74)9.2 内力及配筋计算 (75)9.2.1 楼梯板设计 (75)9.2.2 平台板设计 (76)9.3 平台梁设计 (76)结论 (81)致谢 (82)参考文献 (83)1 引言很多人说在大学,学习四年和玩四年的学生没什么差别,其实这种想法是完全错误的。
土木工程方面毕业设计土木工程方面的毕业设计涉及到各个领域,例如结构设计、土力学、交通工程、水利工程等。
以下是一些常见的参考内容,供您参考:1. 结构设计:- 结构分析和设计原理:介绍结构设计的基本原理和方法,如弯曲、剪切、扭转等力学计算。
- 结构材料选取和性能要求:介绍不同材料的力学性能、耐久性和成本,帮助选择适合的结构材料。
- 结构设计案例分析:分析一些典型的结构设计案例,如桥梁、高楼等,了解不同结构类型的设计要点和挑战。
2. 土力学:- 土壤力学和地基工程:介绍土壤的力学性质和特点,以及地基工程的设计和施工方法。
- 桩基设计和检测技术:介绍桩基设计的基本原理和常见的检测技术,包括静力试验、动力试验等。
- 地震工程和地质灾害:讲解地震对土木工程的影响,以及如何进行地震设计和地质灾害防治。
3. 交通工程:- 道路设计和交通规划:介绍道路设计的基本理论和方法,包括道路几何设计、交通流理论等。
- 公共交通规划和管理:讨论城市公共交通的规划和管理,包括公交线路规划、乘客流量预测等。
- 铁路工程和城市轨道交通:介绍铁路和城市轨道交通的设计、施工和运营管理,包括轨道线路设计、车辆运行控制等。
4. 水利工程:- 水资源规划与管理:介绍水资源规划和管理的基本原理和方法,包括水文学、水资源评价等。
- 水利水电工程设计:讲解水利水电工程的设计和施工,包括水库设计、引水系统设计等。
- 河流治理和防洪工程:介绍河流治理和防洪工程的设计和施工,包括防洪堤防、河床疏浚等。
以上只是一些常见的参考内容,具体的毕业设计题目和内容可能会因学校和导师的要求而有所不同。
希望以上内容对您的毕业设计有所帮助!。
土木工程毕业设计资料以下是一份关于土木工程毕业设计的资料:一、选题背景及意义随着我国经济的快速发展,土木工程领域的建设规模不断扩大,对土木工程人才的需求也日益增加。
土木工程毕业设计作为培养学生综合运用所学知识解决实际问题的的重要环节,具有举足轻重的地位。
本题以某高层建筑为背景,通过对建筑结构、施工技术、工程管理等方面的研究,旨在提高学生对土木工程领域的认识,培养学生的实践能力和创新精神。
二、设计内容与目标1. 分析建筑物的功能需求、结构形式、材料选择等因素,确定合理的建筑设计方案。
2. 运用结构力学、材料力学等理论知识,对建筑结构进行计算分析,确保结构的安全、稳定和适用。
3. 结合施工工艺和工程管理知识,制定合理的施工组织设计和施工方案。
4. 通过对设计过程中的技术创新、环保理念等方面的探讨,提高学生的创新能力和环保意识。
三、设计步骤与方法1. 收集相关资料:包括建筑规范、设计手册、工程案例等,了解当前土木工程领域的最新发展动态。
2. 确定设计方案:根据功能需求、结构形式、材料选择等因素,拟定多个设计方案,并进行比较分析。
3. 结构计算与分析:运用结构力学、材料力学等理论知识,对建筑结构进行计算分析,校核结构的安全、稳定和适用性。
4. 施工组织设计:结合施工工艺和工程管理知识,制定合理的施工组织设计和施工方案。
5. 设计成果撰写:整理设计过程的相关资料,撰写设计说明书、计算书等成果文件。
四、设计成果评价与总结1. 评价指标:结构安全性、经济性、施工可行性、创新性、环保性等。
2. 评价方法:通过专家评审、师生互评、自我评价等方式对设计成果进行评价。
3. 总结经验:总结设计过程中的优点和不足,为今后实际工作提供借鉴。
五、设计时间安排1. 资料收集与方案确定:第1-2周2. 结构计算与分析:第3-4周3. 施工组织设计:第5-6周4. 设计成果撰写:第7-8周5. 成果评价与总结:第9-10周六、设计所需软件与工具1. 结构计算分析软件:如SAP2000、ANSYS等。
郑州华信学院本科毕业设计任务书院系:建筑工程学院专业:土木工程班级:08 土木工程5班学号:姓名:刘伟指导教师:李文霞一、毕业设计题目许昌卫生职业中等专业学校教学楼二、毕业设计工作内容与基本要求(目标、任务、途径、方法,应掌握的原始资料(数据)、参考资料(文献)以及设计技术要求、注意事项等)(一)毕业设计目标:在老师的指导下,运用所学的基础知识和专业知识,通过独立完成住宅楼项目的设计任务,全面综合地解决建筑工程设计中遇到的各方面的问题,以达到初步了解与掌握一个建筑工程师实际工作的内容和设计工作的基本步骤和方法。
熟悉常用规范,各种表格和标准设计图集。
提高绘制施工图的技能、正确清晰地表达施工图的构造和意图。
(二)毕业设计任务、途径、方法、应掌握的原始资料(数据)、参考资料以及设计要求等;第一部分:调研收集资料1.通过对已建的住宅楼的参观调研,了解:(1)教学楼的平面形状、单元组成、功能分区;( 2)入口的安排及周围道路、建筑的关系;( 3)主门厅的功能,楼梯在门厅中的位置及人流组织,门厅大小、空间高度及艺术处理;( 4)教学楼房间的开间、进深尺寸,与其它房间的关系和处理;(5)外墙与柱子的关系、定位轴线;(6)卫生间的一般设计要求;(7)在平面上其它功能(如消防、配电等设施)的布置;(8)建筑物的立面色彩处理、室内外装修及所采用的新材料、新技术;( 9)立面的表现对建筑物的影响;(10)檐口形式、屋面排水组织形式及设计;(11)剖面空间组合、净空高度和层高的确定,室内外高差等。
2.通过对在建的建筑物进行调研参观及查看设计阶段的施工图纸,了解:(1)一般教学楼,可采用哪几种结构形式,各有何优缺点;(2)阶梯教室或大空间房间的结构布置与设计;(3)框架结构的形式有哪几种,各有何优缺点,在实际设计中应根据什么条件选择框架的结构形式;(4)基础有哪些形式,在实际设计中应如何选择基础的形式,基础的配筋及构造;( 5)结构构件的连接,框架节点处理;(6)楼梯形式及做法;( 7)变形缝的形式、做法及处理;( 8)框 -架结构内力计算可采用哪几种方法,有何简化假定,在实际设计中如何考虑房屋侧移计算;(9)如何写建筑设计和结构设计说明;( 10)一套完整的结构施工图有哪些图纸组成,它们是怎样编排的,主要图纸绘制时要达到什么深度;(11)施工方法对结构设计有哪些影响和要求。
第九章基础设计9.1概述基础是高层建筑结构的重要组成部分[F11,P164]。
在整个工程中,基础部分的工程量大、造价高、工期长,同时,由于基础承托着上部结构的全部重量和外部作用力,又属于地下隐蔽工程,其设计和施工质量直接关系着建筑物的安危,一旦出事补救并非容易[F13,P2]。
因此,应当充分认识到基础设计的重要性。
基础设计应满足以下要求:[F11,P187][F27,P511]⒈基础的型式、构造和尺寸应能适应上部结构的需要,符合使用要求;⒉基底压力不超过地基承载力或桩基承载力,基础总沉降量和差异沉降量应控制在允许值范围内;⒊要有足够的强度、刚度和耐久性。
9.1.1基础选型基础结构的型式很多[F13,P1],选择哪一种基础型式,应根据建筑物的性质、上部结构的特点及荷载大小、工程地质、水文地质、施工条件、场地和环境等因素综合考虑、认真比较,不可机器套用。
概括地说,要在保证安全和使用的前提下尽量选择施工周期较短及经济的方案。
[F14,P326]地基-基础-上部结构是一个相互作用的整体,因此基础设计一定要考虑它们三者共同工作和相互制约的内在关系。
当上部结构的刚度和整体性较差、地基软弱、不均匀时,基础刚度应适当加强;而上部结构刚度和整体性较好,地基较均匀,也不特别软弱时,基础的刚度要求可适当放宽。
[F14,P326]目前我国高层建筑常用的基础型式主要有筏板基础、箱形基础和桩基础。
筏板基础适用于上部结构荷载较大、地基较好、无地下室或地下室使用空间要求灵活的房屋。
箱形基础刚度大,整体性好,适用于软弱地基上的荷载大、对不均匀沉降或防水要求较高的情况。
当基底以下持力层有足够的承载力[F13,P210],并且地基沉降计算范围内土层的压缩性较低[F13,P76],易满足沉降计算要求时,宜优先选用浅基础。
当地基土质较差,采用上述各类基础仍不能满足设计要求或不经济时,宜采用桩基础。
表9-1[F21,P265]列出了我国部分高层建筑的基础型式。
我国部分高层建筑基础现状表表9-19.1.2 基础埋置深度基础埋深一般是自室外地面标高算起至基础底面标高的距离[F10,P197][F27,P513]。
高层建筑的基础应有足够的埋置深度,这是为了:⒈防止水平风力和地震作用下建筑物发生滑移和倾斜,提高基础的稳定性;⒉提高地基承载力,减少基础沉降量。
高层建筑的基础埋深一般为天然地基:不宜小于建筑物高度的112;桩基:自室外地面至承台底面的距离不宜小于建筑物高度的115;非抗震设计或6度抗震设计时,基础埋深可酌情减小;主楼和裙房基础埋深相同时,基础有效埋深为零,即没有侧限是不合适的。
此时,宜将主楼基础加深,利用高差形成侧限。
当基岩埋藏较浅而不满足埋深要求时,可采取在基底打地锚的方法来增加其稳定性。
9.2 地基承载力和地基变形计算9.2.1 地基承载力地基承载力是基础设计的重要依据。
所谓地基承载力是指满足强度和变形要求的地基土单位面积上的承载能力[F27,P515]。
对高层建筑,地基承载力主要根据地质勘察报告确定。
[F4,P782]当基础宽度大于3m或埋置深度大于0.5m时,应按下式计算地基承载力设计值:[F13,P206])5.0()3(0-+-+=d b f f d b k γηγη (9-1)式中 、—地基承载力设计值和标准值,kPa ;、—基础宽度和埋深的地基承载力修正系数,按基底下土类查表9-2;[F13,P208表6-14]—土的重度,为基底以下土的天然质量密度与重力加速度的乘积,地下水位以下取有效重度,kNm 3;b —基础底面宽度(m),b<3m 时取b=3m ,b>6m 时取b=6m ;—基础底面以上土的加权平均重度,地下水位以下取有效重度,kNm 3; d —基础埋深(m),一般自室外地面标高算起。
在填方整平地区,可从填土地面算起,但填土在上部结构完工后完成时,从天然地面算起。
对地下室,当采用箱基或筏基时,从室外地面算起,其他情况,从室内地面标高算起。
式(9-1)计算的设计值时,可取。
当不满足按式(9-1)计算的条件时,可按直接确定地基承载力设计值。
承载力修正系数 表9-2注:⒈ 强风化的岩石,可参照所风化成的相应土类取值;⒉ S r为土的饱和度,S r ≤0.5,稍湿;0.5<S r≤0.8很湿;S r >0.8饱和。
天然地基的地基土抗震承载力设计值可按下式确定:[F4,P783](9-2)—调整后地基土抗震承载力设计值;—按式(9-1)确定的地基承载力设计值;—地基土抗震承载力调整系数,按表9-3采用。
[F4,P783表13-23]地基土抗震承载力调整系数值表9-3注:表中f k为地基土静承载力标准值。
9.2.2 地基变形计算建筑物的地基变形计算值不应大于地基变形允许值。
高层建筑的地基变形主要由倾斜值控制,见表9-4[F4,P785表13-25]。
多层和高层建筑的地基变形允许值表9-4注:⒈ H为自室外地面算起。
⒉倾斜指基础倾斜方向两端点的沉降差△与其距离L的比值,即△L。
计算地基变形时,地基内的应力分布,可采用各向同性匀质的直线变形理论。
基础的最终沉降量S 可按下式计算: )(1110'--=-==∑i i i i ni si s s Z Z E p S S ααψψ (9-3) S —地基最终沉降量;—沉降计算经验系数;n —地基沉降计算深度范围内所划分的层数;—对应于荷载标准值时的基础底面附加压力(KPa);—基础底面下第i 层土的压缩模量;、—基础底面至第i 层和第i-1层土底面的距离(m);、—基础底面计算点至第i 层、第i-1层土底面范围内平均附加应力系数。
以上各符号的取值和计算可参见文献[17]第5.2.5条进行。
计算地基变形时,传至基础底面的荷载应按长期效应组合,不应计入风荷载和地震作用[F4,P786]。
9.3 筏板基础筏板基础厚度较大,有良好的整体刚度和抗渗性能。
有地下室时,基础本身是地下室底板。
由于筏基中内墙数量少,可形成较大的空间,因而能较好地满足建筑功能的要求。
[F27,P528]。
9.3.1 筏板基础的形式⒈ 平板式 这种筏基是一块放在地基上的钢筋混凝土大平板,平板厚度一般从20~300cm 不等[F11,P164]。
当上部结构荷载和柱距较大时平板要很厚,此时材料用量加大,不经济。
⒉ 肋梁式 在筏板的上或下设置肋梁便成了肋梁式筏基。
当采用板上肋梁时,梁应留出排水孔,并设置架空地板[F27,P528]。
肋梁式比平板式可节省混凝土和钢材[F4,P528]。
9.3.2 筏板基础的计算筏板基础的内力计算方法很多,但由于基础与地基连续性的变形协调关系以及上部结构、基础、地基三者共同工作的情况十分复杂,使得内力计算结果与实际情况难以接近,因此宜采用以构造为主、计算为辅的实用设计方法,我国《建筑地基基础设计规范》(GBJ 7-89)也强调了有关设计构造。
这里仅介绍筏基内力计算的刚性板法:刚性板法假定基础是绝对刚性的,筏板与地基的接触压力在两个方向呈直线分布。
筏板的地基反力可按下式求得:[F4,P824] )1(),(y I e x I e A P y x p xy y x ±±∑= (9-4) (9-5)式中 —基底反力,即作用于基础板下的压力设计值;—筏基上的总荷载,不计筏板自重及筏板上回填土重,故反力p 为净反力;A — 筏基底面积;、—的合力作用点在x 、y 方向上至基底形心的距离;、—筏板平面对x 、y 轴的惯性矩;、—筏板平面对x 、y 轴的抵抗矩。
求出的基底净反力,考虑上部结构刚度的影响在筏基端部1~2开间内将基底反力增加10%~20%。
[F4,P824]无论是平板式还是肋梁式筏基,求出地基反力后,均可按“倒楼盖法”计算筏板基础的内力,即将基础板视作倒置的楼盖,以柱子或剪力墙为支座、地基净反力为荷载,按普通钢筋混凝土楼盖来计算。
⑴对框架结构下的平板式筏基,将基础平板在纵横两个方向划分为柱上板带和柱间板带,近似取地基反力为板带上的荷载,按无梁楼盖进行内力分析和配筋计算;⑵对框架柱下的肋梁式筏基,当柱网接近方形、肋梁仅沿柱网布置时,基础板按连续双向板、肋梁按连续梁进行内力分析;当基础板在柱网间增设了肋梁时,基础板可根据区格大小而按双向板或单向板计算,肋梁按连续梁计算。
⑶对剪力墙下筏板基础,根据基础板区格大小按双向板或单向板计算筏板内力。
各种情况下的详细计算可参阅《混凝土结构》的有关内容。
[F21,P267]9.3.3 设计及构造要求⒈筏板平面尺寸应满足地基承载力要求。
为减小偏心距,改善基础受力状态,可通过改变底板四边外挑长度,使底板形心与上部结构长期荷载重心重合,外挑长度不宜大于2.0m。
当不能重合时要求偏心距不超过基础宽度的130。
⒉基础埋深应符合9.1.2节的要求。
⒊筏基混凝土强度等级不宜低于C20,有防水要求时,混凝土抗渗要求不应低于S6。
筏板下应有100mm的垫层,这时钢筋保护层不宜小于35mm。
⒋筏板厚度应满足抗冲切和抗剪切的要求。
⒌筏板受力钢筋除按计算要求配置外,在纵横两个方向对柱下筏板应有0.15%的配筋率连通,对剪力墙下板底纵向为0.15%,横向为0.10%。
⒍板厚可根据上部结构开间和荷载大小凭经验确定,或根据楼层数按每层50mm估算,且不小于400mm。
⒎当筏板底部土的压缩性、柱距和荷载分布比较均匀,基础板厚大于16开间距离时,可近似按刚性基础板计算,不满足上述条件时可按弹性基础板计算,具体计算可参阅有关资料。
⒏筏板基础尚应进行地基变形验算。
9.4 箱形基础箱形基础是由钢筋混凝土底板、顶板和内外纵横墙体组成的箱形空间结构[F27,P519]。
箱形基础整体刚度好;传荷均匀;能利用自身的刚度调整不均匀沉降。
箱形基础不需回填,相应地提高了地基的有效承载力。
箱形基础内部还可用作地下室或地下设备层,是高层建筑广泛采用的一种基础形式。
9.4.1 设计及构造要求一、构造要求⒈箱形基础平面尺寸一般与上部结构相同,使基底平面形心尽可能与上部结构竖向静荷载重心相重合,要求最大偏心距不大于偏心方向边长的160。
当偏心距较大时,可使箱形基础底板相应外挑,以调整底板形心位置。
⒉箱形基础的高度一般可取建筑物高度的112~18,也不宜小于箱形基础长度(包括底板悬挑部分)的118,且不小于3.0m。
⒊箱形基础的埋深应满足9.1.2节要求,一般可取箱形基础的高度。
[F16,6.1.2]⒋箱形基础的外墙应沿建筑四周布置,内墙沿柱网或剪力墙位置纵横向均匀布置,平均每平方米基础面积(不包括底板悬挑部分)上的墙体长度不宜小于400mm,且纵向墙体水平截面面积不少于墙体总量的60%,并应有不少于3道纵墙贯通全长。