施工监理服务收费明细表(Word)
- 格式:doc
- 大小:48.00 KB
- 文档页数:2
建设工程监理与相关服务收费管理规定国家发改委、建设部发改价格〔2007〕670号(2007年3月30日)第一条为规范建设工程监理与相关服务收费行为,维护发包人和监理人的合法权益,根据《中华人民共和国价格法》及有关法律、法规,制定本规定。
第二条建设工程监理与相关服务,应当遵循公开、公平、公正、自愿和诚实信用的原则。
依法须招标的建设工程,应通过招标方式确定监理人。
监理服务招标应优先考虑监理单位的资信程度、监理方案的优劣等技术因素。
第三条发包人和监理人应当遵守国家有关价格法律法规的规定,接受政府价格主管部门的监督、管理。
第四条建设工程监理与相关服务收费根据建设项目性质不同情况,分别实行政府指导价或市场调节价。
依法必须实行监理的建设工程施工阶段的监理收费实行政府指导价;其它建设工程施工阶段的监理收费和其它阶段的监理与相关服务收费实行市场调节价。
第五条实行政府指导价的建设工程施工阶段监理收费,其基准价根据《建设工程监理与相关服务收费标准》计算,浮动幅度为上下20%。
发包人和监理人应当根据建设工程的实际情况在规定的浮动幅度内协商确定收费额。
实行市场调节价的建设工程监理与相关服务收费,由发包人和监理人协商确定收费额。
第六条建设工程监理与相关服务收费,应当体现优质优价的原则。
在保证工程质量的前提下,由于监理人提供的监理与相关服务节省投资,缩短工期,取得显著经济效益的,发包人可根据合同约定奖励监理人。
第七条监理人应当按照《关于商品和服务实行明码标价的规定》,告知发包人有关服务项目、服务内容、服务质量、收费依据,以及收费标准。
第八条建设工程监理与相关服务的内容、质量要求和相应的收费金额以及支付方式,由发包人和监理人在监理与相关服务合同中约定。
第九条监理人提供的监理与相关服务,直当符合国家有关法律、法规和标准规范,满足合同约定的服务内容和质量等要求。
监理人不得违反标准规范规定或合同约定,通过降低服务质量、减少服务内容等手段进行恶性竞争,扰乱正常市场秩序。
附录A(规范性附录)监理单位用表———--—SH/T 3903-A.1 总监理工程师任命书-——-——SH/T 3903-A。
2 监理交底记录----——SH/T 3903-A。
3 监理工作联系单——--——SH/T 3903-A。
4 监理通知单-—-——-SH/T 3903-A。
5 旁站记录-——-—-SH/T 3903-A。
6 平行检验记录—————-SH/T 3903-A。
7 工程施工暂停令------SH/T 3903-A.8 工程施工复工令------SH/T 3903-A。
9 工程款/工程竣工结算款支付证书-——-——SH/T 3903-A.10 监理报告————-—SH/T 3903-A。
11 费用索赔审批表——-—--SH/T 3903-A。
12 工程临时延期审批表----—-SH/T 3903-A。
13 工程最终延期审批表-——--—SH/T 3903-A.14 监理日志-----—SH/T 3903-A。
15 监理月报附录B(规范性附录)承包单位用表——-———SH/T 3903-B.3 分包单位资格报审表—-—--—SH/T 3903-B.4 施工测量成果报验申请表——————SH/T 3903-B.5 工程材料/构配件/设备报审表—-——--SH/T 3903-B.6 监理通知回复单————--SH/T 3903-B。
7 单机试车申请表——-—--SH/T 3903-B.8 隐蔽工程/检验批/分项工程报验申请表—————-SH/T 3903-B。
9 分部工程报验申请表--———-SH/T 3903-B。
10 工程施工复工报审表-——--—SH/T 3903-B。
11 单位工程预验收报审表——-—--SH/T 3903-B。
12 工程款/工程竣工结算款支付申请表——-——-SH/T 3903-B.13 施工进度计划报审表—--———SH/T 3903-B。
14 费用索赔申请表—————-SH/T 3903-B。
附件1:施工监理服务收费基价对照表说明:“X”为每个监理合同中约定的工程项目范围的工程概算投资额,代入表中相应公式即可得出收费基价附件2:专业调整系数(常用)对照表附件3:工程复杂程度系数对照表(常用)公路、城市道路、轨道交通、索道工程复杂程度系数表表3.1注:穿越山岭重丘区的复杂程度Ⅱ、Ⅲ级公路工程项目的部分复杂程度调整系数分别为1.1和1.26。
公路桥梁、城市桥梁和隧道工程复杂程度系数表表3.2建筑、人防工程复杂程度系数表表3.3市政公用、园林绿化工程复杂程度系数表表3.4加工冶炼工程复杂程度表表3.5附件4:建设工程监理与相关服务人员工日费用标准四川省物价局、四川省建设厅关于贯彻实施国家发改委、建设部《建设工程监理与相关服务收费管理规定》的通知(川价函[2007]169号2007年6月12日)各市、州物价局,建设行政主管部门:为规范我省建设工程监理及相关服务收费行为,维护发包人和监理人的合法权益,提高工程监理及相关服务的工作质量和水平,促进工程监理行业健康发展,国家发改委、建设部联合下发了《建设工程监理与相关服务收费管理规定》(发改价格(2007)670号),现转发你们,并结合我省实际提出如下实施意见,请一并贯彻执行:一、建设工程监理与相关服务,应当遵循公开、公平、公正、自愿和诚实信用的原则。
依法须招标的建设工程和工程总投资额在2000万元以上或者监理服务单项合同估算价在30万元以上的国家投资建设工程,发包人应当通过招标方式确定监理人。
监理服务招标和比选应优先考虑监理人的资信程度、监理方案的优劣等技术因素。
二、建设工程监理与相关服务收费根据建设项目性质的不同,分别实行政府指导价或市场调节价。
三、下列建设工程监理与相关服务收费必须实行政府指导价:(一)投资额在200万元以上的建设工程;(二)公路、桥梁、隧道、燃气管道安装、改建加固的住宅工程等涉及公共安全的建设工程;(三)国家规定必须实行监理的其他建设工程。
20XX 专业合同封面COUNTRACT COVER甲方:XXX乙方:XXX2024版标准施工监理合同本合同目录一览第一条合同主体1.1 发包方信息1.2 监理方信息第二条合同范围与内容2.1 监理范围2.2 监理内容第三条合同期限3.1 开始日期3.2 结束日期第四条监理人员的配备4.1 监理人员的数量4.2 监理人员的资质要求第五条监理费用5.1 监理费用的计算方式5.2 监理费用的支付方式第六条监理工作的要求6.1 监理报告的要求6.2 监理现场的要求第七条合同的变更与解除7.1 变更条件7.2 解除条件第八条违约责任8.1 发包方的违约责任8.2 监理方的违约责任第九条争议解决9.1 争议解决方式9.2 争议解决地点第十条合同的生效、变更和终止10.1 合同生效条件10.2 合同变更条件10.3 合同终止条件第十一条保密条款11.1 保密信息的内容11.2 保密期限第十二条合同的转让12.1 转让条件12.2 转让程序第十三条法律适用与争议解决13.1 法律适用13.2 争议解决第十四条其他条款14.1 合同的附件14.2 合同的修订历史记录第一部分:合同如下:第一条合同主体1.1 发包方信息1.1.1 名称:1.1.2 注册地址:1.1.3 法定代表人:1.1.4 联系人及联系方式:1.2 监理方信息1.2.1 名称:1.2.2 注册地址:1.2.3 法定代表人:1.2.4 联系人及联系方式:第二条合同范围与内容2.1 监理范围2.1.1 工程名称:2.1.2 工程地点:2.1.3 工程规模:2.1.4 工程性质:2.2 监理内容2.2.1 监理工作的主要内容:2.2.2 监理工作的关键节点:2.2.3 监理工作的具体要求:第三条合同期限3.1 开始日期:3.2 结束日期:第四条监理人员的配备4.1 监理人员的数量:4.1.1 总监理工程师:4.1.2 专业监理工程师:4.1.3 监理员:4.2 监理人员的资质要求:4.2.1 总监理工程师资质要求:4.2.2 专业监理工程师资质要求:4.2.3 监理员资质要求:第五条监理费用5.1 监理费用的计算方式:5.1.1 费用的计算基础:5.1.2 费用的计算比例:5.1.3 费用的计算公式:5.2 监理费用的支付方式:5.2.1 支付的时间:5.2.2 支付的金额:5.2.3 支付的途径:第六条监理工作的要求6.1 监理报告的要求:6.1.1 报告的形式:6.1.2 报告的内容:6.1.3 报告的提交时间:6.2 监理现场的要求:6.2.1 现场监理的工作时间:6.2.2 现场监理的工作内容:6.2.3 现场监理的工作方式:第七条合同的变更与解除7.1 变更条件:7.1.1 变更的申请程序:7.1.2 变更的审批程序:7.2 解除条件:7.2.1 解除的申请程序:7.2.2 解除的审批程序:7.2.3 解除后的责任分配:7.2.4 解除后的费用处理:第八条违约责任8.1 发包方的违约责任8.1.1 发包方未按约定时间支付监理费用的,应支付逾期付款的违约金,计算方式为:8.1.2 发包方未按约定提供监理工作条件的,应承担由此造成监理工作延误的责任,并支付监理方因此产生的额外费用。
江苏省建设工程监理现场用表(第五版)江苏省住房和城乡建设厅监制2014年2月江苏省建设工程监理现场用表(第五版)一、使用须知1、《江苏省建设工程监理现场用表(第五版)》(以下简称《监理现场用表》)是江苏省住房和城乡建设厅根据《中华人民共和国建筑法》、《建设工程质量管理条例》、《建设工程安全生产管理条例》、《建设工程监理规范》(GB/T 50319-2013)等法律法规和相关标准规范,结合工程实际,在《江苏省建设工程施工阶段监理现场用表》(第四版)的基础上制定的。
自2014年3月1日起与《建设工程监理规范》(GB/T 50319-2013)同步实施。
凡在江苏省境内依法必须实行监理的建设工程,均必须使用本《监理现场用表》,并作为工程竣工验收的依据;其他建设工程,可依据建设单位委托监理的范围和工作内容选用本《监理现场用表》。
2、《监理现场用表》表式分为A、B、C三类。
A类表为工程监理单位用表,由工程监理单位或项目监理机构签发;B类表为施工单位报审、报验用表,由施工单位或施工项目经理部填写后报送项目监理机构、工程建设相关方;C类表为通用表,是工程建设相关方工作联系的通用表。
未纳入施工总承包管理的施工单位的报审事宜直接向项目监理机构报审,分包单位的报审事宜一律通过施工总承包单位向项目监理机构报审。
3、各类表的签发、报送、回复应依照合同文件、法律法规、标准规范等规定的程序和时限进行。
工程项目任一参建方不得拒绝收、签其他参建方报、送的表式和文件,有不同意见的可用其他表式、文件回复本单位的观点。
各方处理报、审的时限应在表式提示的时间内完成,如表式中没有时限提示、或表式中提示的时限与已签订的《建设工程施工合同》不一致的,应在已签订的《建设工程施工合同》有关条款约定的时限内完成,否则视为认同。
4、各类表式应按有关规定,不得使用易褪色的书写材料填写、打印。
5、各类表式中“□”表示可选择项,以“√”表示被选中项;不要误认为“必须”项。
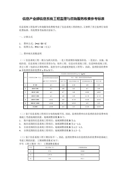
信息产业部信息系统工程监理与咨询服务收费参考标准信息系统工程监理与咨询服务收费既考虑了信息系统工程的特点,又参照了其它监理行业的收费标准。
其收费参考标准内容如下:一、计算公式1、费率公式:S=A×B×C2、收费公式:F=S×M(万元)二、费率相关系数说明(一)信息系统工程一般分为两大阶段,一是工程前期咨询服务阶段,一是设计、实施、验收阶段。
信息系统工程项目类型分为:软件工程、信息应用系统工程、信息网络系统工程、其它工程(包括以计算机网络、监控为中心的建筑智能化工程等),因此,监理阶段的费率A(二)鉴于信息系统工程项目分布的地域不同,因此,监理的费率应在监理的各阶段费率的基础上考虑地域的因素,地域调整系数B如下:1、集中建设的信息系统工程项目:地域调整系数B为1;2、地市范围的信息系统工程项目:地域调整系数B为1—1.2;3、全省范围的信息系统工程项目:地域调整系数B为1.2—1.5;4、全国范围的信息系统工程项目:地域调整系数B为1.5—2。
(三)鉴于信息系统工程工期长短不一,因此,监理的费率应在监理的各阶段费率的基础上考虑工期的因素。
工期调整系数C如下:序号工程工期T(年)工期调整系数C三、收费其它情况说明如果信息系统工程项目建设中有下列情况,监理附加报酬取费可以按照下列方式计取:1、对于非监理原因造成工程延期而产生的监理附加工作,监理单位有权获得监理附加报酬,监理附加报酬率=S 附加工作月数/12。
2、对于维护阶段的监理取费由业主单位和监理单位协商解决。
3、本参考标准未作规定的,可参考国家相关标准。
注:软件工程:以软件开发为核心的工程。
信息应用系统工程:是指包含各类业务管理系统的应用系统工程,不包含软件开发。
信息网络系统工程:是指以信息技术为主要手段建立的信息处理、传输、交换和分发的计算机网络系统工程。
其它工程:以监控系统为中心的智能建筑或者其他建设工程。
信息系统工程监理与咨询服务收费参考标准起草说明一、收费参考标准制定的必要性(一)有利于信息系统工程建设市场规范化管理。
A类表(工程监理单位用表)A.0.1 总监理工程师任命书(1)背景事件隆翔置业有限公司于2010年2月28日与汉华建设工程监理有限公司签订了《建设工程监理合同》后,监理单位法人代表陆建安于2010年3月1日签发总监理工程师任命书。
(2)规范对应条文《建设工程监理规范》(GB/T50319-2013)第3.1.3条。
(3)规范用表说明工程监理单位法定代表人应根据《建设工程监理合同》约定,任命有类似工程管理经验的注册监理工程师担任项目总监理工程师,并在表A.0.1中明确总监理工程师的授权范围。
(4)适用范围本表适用于《建设工程监理合同》签订后,工程监理单位将对总监理工程师的任命以及相应的授权范围书面通知建设单位。
(5)填表注意事项《总经理工程师任命书》在《建设工程监理合同》签订后,由工程监理单位法定代表人的签字,并加盖单位公章。
(6)范表如下所示:范表表A.0.1总监理工程师任命书注:本表一式三份,项目监理机构、建设单位、施工单位各一份A.0.2 工程开工令(1)背景事件总监理工程师于3月2日带领项目监理机构组成人员进驻现场,立即开展施工准备工作的审核,核查施工单位现场质量管理、安全生产管理体系的建立,施工管理及劳务人员、施工机械及工程材料进场情况;施工现场道路及施工用水、用电、通信办公临时设施完成情况。
并组织专业监理工程师参加了设计交底和图纸会审,审核了《施工组织设计》。
施工单位于2010年3月11日向监理单位提出开工申请,项目监理部于3月13日认可施工单位完成施工准备,具有开工条件后,同意送建设单位于3月14日审批同意“工程开工报审表”后,项目监理部于3月15日签发工程开工令。
(2)规范对应条文《建设工程监理规范》(GB/T50319-2013)第5.1.8条、第5.1.9条。
(3)规范用表说明建设单位对《工程开工报审表》签署同意意见后,总监理工程师可签发《工程开工令》。
《工程开工令》中的开工日期作为施工单位计算工期的起始日期。
海淀工程施工监理收费一、监理收费的确定原则1、合法合规原则监理收费的确定应当遵守国家相关法律法规、规范标准和监理服务协议的约定,合法合规的收费标准应当得到建设单位的认可和接受。
2、合理公平原则监理收费应当合理确定,不得过高或过低,应当公平对待各方利益相关者,保障建设单位和监理单位的合法权益。
3、透明规范原则监理收费应当公开透明,收费标准和相关费用应当明确具体,不得存在任何隐性费用或变相收费。
4、服务质量原则监理收费应当与监理服务质量成正比,监理单位应当按照监理服务协议的约定,提供优质、高效的监理服务,确保监理收费的合理性和合理性。
二、监理收费的计算方法监理收费一般采用按照固定比例、按照工程概算、按照工程造价、按照工程面积等不同计算方法确定,具体计算方法应当根据工程性质、规模、复杂程度等因素综合考虑,确定最为合适的计费方式。
监理收费计算方法应当符合以下原则:1、合理确定监理收费标准监理收费标准应当根据监理服务的类型、内容、技术难度、风险程度等因素确定,不能过高或过低,应当和监理服务的实际工作量和质量成正比。
2、公开透明地计费监理收费的计算过程应当公开透明,建设单位和监理单位应当共同参与计费过程,防止出现不合理、不公平的收费现象。
3、完善的结算制度监理收费应当采取分期结算方式,确保监理服务得到及时报酬,有效维护监理单位的合法权益。
三、监理收费的调整机制监理收费应当根据工程建设的实际情况和监理服务的变化情况,及时进行调整,保持监理收费标准的合理性和适应性。
监理收费的调整机制应当符合以下要求:1、合理调整监理收费监理收费的调整应当根据监理服务的变化情况和工程建设的实际需要进行,不得随意涨价或乱收费。
2、公开透明地调整监理收费的调整应当公开透明,建设单位和监理单位应当共同商议确定调整方案,并签订补充协议,防止调整过程中出现利益输送等问题。
3、依法合规地调整监理收费的调整应当遵守相关法律法规和规范标准,调整方案应当合法合规,得到建设单位认可和接受。
监理表格标准制度:A类表〔承包单位用表〕A1 工程开工/复工报审表A2施工组织设计〔方案〕报审表A3分包单位资格报审表A4报验申请表A5 工期程款支付申请表A6 监理工程师通知回复单A7工程临时延期申请表A8费用索赔申请表A9工程材料/构配件/设备报审表Al0工程竣工报验单B类表〔监理单位用表〕Bl监理工程师通知单B2 工程暂停令B3工程款支付证书B4 工程临时延期审批表B5 工程最终延期审批表B6 费用索赔审批表C类表〔各方通用表〕C1 监理工作联系单C2 工程变更单A1工程开工/复工报审表工程名称:编号:A2施工组织设计〔方案〕报审表工程名称:编号:A3分包单位资格报审表工程名称:编号:A4报验申请表工程名称:编号:A5工程款支付申请表工程名称:编号:A6监理工程师通知回复单工程名称:编号:A7工程临时延期申请表工程名称:编号:A8费用索赔申请表工程名称:编号:A9工程材料/构配件/设备报审表工程名称:编号:A10工程竣工报验单工程名称:编号:B1监理工程师通知单工程名称:编号:B2工程暂停令工程名称:编号:B3工程款支付证书工程名称:编号:B4工程临时延期审批表工程名称:编号:B5工程最终延期审批表工程名称:编号:B6费用索赔审批表工程名称:编号:C1监理工作联系单工程名称:编号:C1-020C2工程变更单工程名称:编号:D1中间交工证书工程名称:编号:本表一式二份,建立单位、监理单位各存一份。
闽监管协【2015】13号文监理收费标准闽监管协[2015]13号关于福建省建设工程监理行业服务收费指导意见各设区市建设监理协会(专业委员会)、工程监理企业、有关单位:根据《国家发展改革委关于进一步放开建设项目专业服务价格的通知》(发改价格〔2015〕299号)、《福建省物价局转发国家发展改革委关于进一步放开建设项目专业服务价格有关问题的通知》(闽价服[2015]37号)、《福建省住房和城乡建设厅转发国家发展改革委关于进一步放开建设项目专业服务价格有关问题的通知》(闽建办财[2015]4号)等文件的要求,结合我省监理行业实际,福建省工程监理与项目管理协会(以下简称“省协会”)就建设工程监理服务价格放开后的有关问题提出意见如下:一、省协会对福建省工程监理收费进行调研、分析、测算和论证,并参照《建设工程监理与相关服务收费管理规定》(发改价格[2007]670号)文件。
综合考虑了工程项目的专业、复杂程度、服务时间、服务质量、人员配备、工资增长等因素。
制定了《福建省建设工程监理服务收费标准》(详见附件),可作为建设单位和监理单位在施工阶段的工程监理(以下简称“施工监理”)服务收费概算编制,及监理合同洽谈时的参考依据。
各有关单位合理确定各工程监理服务收费,并在工程委托监理合同中约定。
二、建设工程施工监理服务收费标准有计费额法和人工综合单价法两种计算方式。
根据工程项目的具体情况或合同双方意愿,监理服务收费可按计费额法,也可按人工综合单价法。
三、监理服务期不同于监理责任期。
一般情况下,施工监理服务期应当等于施工合同工期。
因非监理人原因造成施工监理服务期超过施工合同约定的施工合同工期或监理服务早于施工开工时间的,除监理合同约定的工程监理费之外,委托人还应额外支付监理人附加工作酬金。
四、以下情形委托人应当增加工程监理费:1、根据服务质量要求进行收费,实行“优质优价”。
委托人提出创建安全生产标准化优良项目、工程质量优质工程等目标或其它较高服务质量要求的,应当增加工程监理费。
关于实行建设监理服务收费专户管理的指导意见晋建建字[2008]49号各市建设局(建委),各有关单位:为了贯彻落实《国家发展改革委、建设部关于印发〈建设工程监理与相关服务收费管理规定〉的通知》(发改价格[2007]670号)精神,切实规范建设工程监理行为,维护监理市场正常秩序,保证《关于进一步加强建设监理市场管理的意见》(晋建建字[2007]199号)和《建设工程监理合同备案管理办法》(试行)(晋建建字[2007]200号)落到实处,现就监理服务收费专户管理提出以下意见:一、适用时间与范围从2008年3月1日起,我省新开工程在监理合同备案时,实行监理服务收费专户管理制度,试行期为2年。
二、适用主体建设单位委托监理后,办理施工许可证前,应就《建设工程监理合同》向工程所在地建设行政主管部门(以下称建设行政主管部门)备案,并按照合同约定将监理费先行打入监理专户。
建设行政主管部门对备案条件进行查验,不符合条件的,不予备案。
三、专户设置各设区市应尽快成立市级建设监理协会或监理行业自律委员会,由其在指定银行设立全市统一的监理服务收费专用帐户,并对账户费用进行管理;如无条件,可依托相关协会代管(以下均称为专户管理机构)。
建设行政主管部门应当对帐户进行监督和检查。
四、缴纳与支付建设单位在办理监理合同备案时,应按照合同约定将监理费用先行由本单位账户一次性打入监理专户。
建设行政主管部门对监理合同及相关资料进行查验,符合要求的,同意备案。
专户管理机构收到建设单位备案后的《监理合同》、《建设工程监理合同备案登记表》、银行进帐单后,开具工程监理服务收费专户管理统一收款单(附件1)。
收款单一式四联,其中第一联存根,第二联收款单位凭证,第三联交款单位凭证,第四联监理企业凭证。
第三、四联同时交给建设单位,建设单位凭第四联要求监理企业开具税务发票。
工程开工后,专户管理机构根据工程进度将监理费分期拨付给监理企业。
原则上房屋建筑工程,工程开工拨付监理费不少于30%;工程主体完工验收合格拨付不少于70%;工程建设项目竣工验收合格拨付至95%。
第五章监理服务费报价1、监理服务费报价说明1.1 本监理服务费报价是完成合同条款中约定监理服务阶段的监理服务范围和内容所需要的监理服务费用。
1.2 本监理服务费报价应与招标文件中的投标人须知、合同通用条款、合同专用条款、标准以及招标范围涵盖工程内容一起阅读和理解。
2、监理服务费报价表2.1 监理服务费报价汇总表监理标段名称:玉环市城北大道景观建设工程施工监理投标人(全称并盖单位公章):法定代表人或其委托代理人(签字):日期:年月日2.2 施工阶段监理服务费计算表监理标段名称:玉环市城北大道景观建设工程施工监理投标人(全称并盖单位公章):法定代表人或其委托代理人(签字):日期:年月日2.3 缺陷责任期阶段监理服务费计算表监理标段名称:玉环市城北大道景观建设工程施工监理投标人(全称并盖单位公章):法定代表人或其委托代理人(签字):日期:年月日2.4 其他费用计算表监理标段名称:玉环市城北大道景观建设工程施工监理投标人(全称并盖单位公章):法定代表人或其委托代理人(签字):日期:年月日第八章投标文件格式第一个信封(商务及技术文件)封面样式玉环市城北大道景观建设工程施工监理招标投标文件第一个信封(商务及技术文件)投标人(全称并盖单位公章):法定代表人或其委托代理人(签字):年月日一、投标函致:(招标人名称):1、我方已仔细研究了玉环市城北大道景观建设工程(项目名称)施工监理招标文件的全部内容(含第号至第号补遗书)后,在此郑重表示,愿意按照递交的商务文件及技术文件确定的投入力量和工作方法,遵照监理招标文件中提出的各项要求,以报价文件中填报的监理服务总费用承担并完成本工程在施工阶段及缺陷责任期阶段的监理服务工作,监理服务期为个月,对第三方履约管理的服务目标为。
总监理工程师:(姓名),职称:;监理资格证书编号:。
2、我方承诺在投标有效期内不修改、撤销投标文件。
3、随同本投标函提交投标保证金一份,金额为人民币(大写)元(¥)。
施工监理工作常用表格(2022版)CB01施工技术方案申报表(承包[]技案号)致:(监理机构)我方今提交工程(名称及编码)的:□施工组织设计□施工措施计划□专项施工方案□度汛方案□灾害应急预案□施工工艺试验方案□工程放样计划和方案□变更实施方案□□□□请贵方审批。
承包人:(现场机构名称及盖章)项目经理:(签名)日期:年月日监理机构将另行签发审批意见。
监理机构:(名称及盖章)签收人:(签名)日期:年月日说明:本表一式份,由承包人填写。
监理机构签收后,发包人份、设代机构份、监理机构份、承包人份。
CB02施工进度计划申报表(承包[]进度号)致:(监理机构)我方今提交工程(名称及编码)的:□施工总进度计划□年施工进度计划□月施工进度计划□专项施工进度计划(如度汛计划、赶工计划等)□□请贵方审批。
附件:1、施工进度计划。
2、图表、说明书共页。
3、承包人:(现场机构名称及盖章)项目经理:(签名)日期:年月日监理机构将另行签发审批意见。
监理机构:(名称及盖章)签收人:(签名)日期:年月日说明:本表一式份,由承包人填写。
监理机构签收后,发包人份、设代机构份、监理机构份、承包人份。
CB03施工用图计划申报表(承包[]图计号)致:(监理机构)我方今提交工程(名称及编码)的:□(总)用图计划□时段用图计划□□请贵方审批。
附件:1、用图计划。
2、承包人:(现场机构名称及盖章)项目经理:(签名)日期:年月日监理机构将另行签发审批意见。
监理机构:(名称及盖章)签收人:(签名)日期:年月日说明:本表一式份,由承包人填写。
监理机构签收后,发包人份、设代机构份、监理机构份、承包人份。
CB04资金流计划申报表(承包[]资金号)致:(监理机构)我方今提交工程项目的资金流计划,请贵方审核。
年月工程预付完成工作质量保预付款款和材料预付款(元)量证金扣扣还付款(元)留(元)(元)其他应得付款(元)(元)合计附件:资金计划使用编制说明。
承包人:(现场机构名称及盖章)项目经理:(签名)日期:年月日监理机构将另行签发审核意见。
山西省工程监理费计费规则(试行)第一章总则第一条为加强监理行业自律,规范监理市场秩序,避免恶性竞争,实现优质优价,保证监理服务质量,保障工程质量和安全,维护监理单位和建设单位双方合法权益,促进工程监理行业健康发展,根据《中华人民共和国招标投标法》、《中华人民共和国价格法》、《中华人民共和国反不正当竞争法》、《关于商品和服务实行明码标价的规定》、《国家发展改革委关于进一步放开建设项目专业服务价格的通知》、《中国建设监理协会关于指导监理企业规范价格行为和自觉维护市场秩序的通知》等法律、法规规定,制定本规则。
第二条本规则适用于山西省行政区域内工程监理费计费及行业自律管理。
第三条本规则所称工程监理费,是指工程监理单位接受建设单位委托,提供建设工程施工阶段的质量控制、进度控制、造价控制、合同管理、信息管理、组织协调及履行建设工程安全生产管理法定职责服务计取的费用。
施工阶段包含施工准备阶段、施工实施阶段及竣工验收阶段。
工程监理服务费构成见附录A,工程监理服务内容见附录B。
第四条工程监理服务费实行市场调节价。
第五条严禁监理单位通过降低服务质量、减少服务内容、减少人员数量、签订阴阳合同等不正当手段,以低于企业成本的方式承接监理业务,进行恶性竞争,扰乱正常市场秩序。
第六条山西省建设监理协会组织会员单位在大量市场调查研究的基础上,经统计、分析、测算和论证,制定并公布山西省工程监理服务费社会平均价,作为山西省工程监理活动计取费用的指导性依据。
第二章工程监理服务费计费方法第七条工程监理服务费计费方法分为综合费率法、人年综合费用法和平米单价法。
平米单价法仅适用于房屋建筑工程。
第八条综合费率法的计算方法:工程监理服务费=计费额×综合费率×工程难易程度系数计费额是指工程概算中的建筑安装工程费、设备购置费和联合试运转费之和。
第九条人年综合费用法的计算方法:工程监理服务费=Σ(人年综合费用i ×监理人员数量i×服务年限i)×工程难易程度系数人年综合费用包括项目监理人员基本费用、企业管理费、利润和税金。
工程建设其他费用定额工程建设其他费用是指应在建设项目的建设投资中开支的固定资产其他费用、无形资产费用和其他资产费用(递延资产).一、固定资产其他费用(一)建设管理费是指建设单位从项目筹建开始直至工程竣工验收合格或交付使用为止发生的项目建设管理费用。
费用内容包括:1、建设单位管理费【依据】:财政部《关于印发<基本建设财务管理规定>的通知》(财建〔2002〕394号)【定义】:建设单位管理费是指建设单位从项目开工之日起至办理竣工财务决算之日止发生的管理性质的开支.包括:不在原单位发工资的工作人员工资、基本养老保险费、基本医疗保险费、失业保险费,办公费、差旅交通费、劳动保护费、工具用具使用费、固定资产使用费、零星购置费、招募生产工人费、技术图书资料费、印花税、业务招待费、施工现场津贴、竣工验收费和其他管理性质开支.【适用范围】:国有建设单位和使用财政性资金的非国有建设单位。
其他建设单位可参照执行。
【计算方法】:建设单位管理费总额控制数费率表单位:万元工程总概算费率(%)算例工程总概算建设单位管理费1000以下 1.510001000×1。
5%=151001-50001。
2500015+(5000-1000)×1。
2%=63 5001-100001。
01000063+(10000—5000)×1%=113注:① 工程总概算=建筑工程费+安装工程费+设备购置费② 改扩建项目的建设管理费率按新建项目的60%计算2、工程监理费【依据】:国家发展改革委、建设部关于印发《建设工程监理与相关服务收费管理规定》的通知(发改价格[2007]670号)【定义】:委托工程监理单位对工程实施监理工作所需费用。
【适用范围】:工程计算项目设计阶段监理、施工与保修阶段监理。
【计算方法】:施工监理服务收费基价表单位:万元序号计费额收费基价计算式0—500Y=33/1000x150016。
5500-1000Y=27。