十堰市人民医院高频电灼仪招标公告(2020)
- 格式:doc
- 大小:1.64 KB
- 文档页数:2
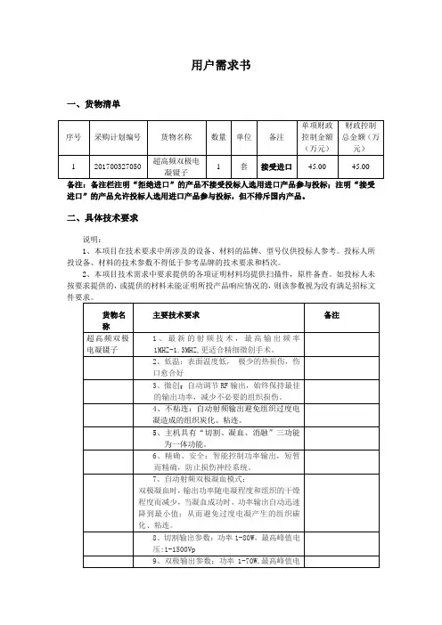
用户需求书
一、货物清单
备注:备注栏注明“拒绝进口”的产品不接受投标人选用进口产品参与投标;注明“接受进口”的产品允许投标人选用进口产品参与投标,但不排斥国内产品。
二、具体技术要求
说明:
1、本项目在技术要求中所涉及的设备、材料的品牌、型号仅供投标人参考。
投标人所投设备、材料的技术参数不得低于参考品牌的技术要求和档次。
2、本项目技术需求中要求提供的各项证明材料均提供扫描件,原件备查。
如投标人未按要求提供的,或提供的材料未能证明所投产品响应情况的,则该参数视为没有满足招标文件要求。
三、商务需求。
2、性能指标2.1性能要求2.1.1工作频率工作频率应为 1MHz,允许误差应为±10%。
2.1.2输出功率高频电灼仪输出功率为(1-45)W 可调,其中 ScanRF 和 ScanJet 手持件输出功率固定为 3W,小于 5W 输出功率误差不超过±1W,(5-45)W 输出功率误差不超过±20%,且最大输出功率应不超过 50W。
2.1.3电源的适应性电源电压在额定值±10%波动时,治疗仪输出功率变化应不大于额定电压下输出的±15%。
2.1.4输出指示装置治疗仪应配有输出指示装置,输出指示装置应能反映输出状态。
2.1.5输出控制器治疗仪应配有输出功率控制器,控制器应能使输出功率减少到等于或小于最大输出功率的 5%。
2.2手持件温度要求1)MicroRF 20P、MFR 15、MFR 9、LiTi 4、LiTi 8 和 LiTi 15 电极应有温度显示功能;温度设定范围应为55℃~110℃,步进应为1℃,误差应为±5℃;应有超温保护功能,当实测温度超过设置温度时应进行超温保护。
2)Pure+ A、Pure+ B、FocusRF、FocusRF M、FocusRF S、FocusRF Plus、FemeTite、FemeTite-2 和 FemeTite-3 电极有温度显示功能;温度设定范围应为38.0℃~48.0℃,步进应为0.5℃,误差应为±5℃;应有超温保护功能,当实测温度超过设置温度时应进行超温保护。
3)Cure 电极应有温度显示功能;温度设定范围应为80℃~120℃,步进应为1℃,误差应为±5℃;应有超温保护功能,当实测温度超过设置温度时应进行超温保护。
4)LiTi 10、LiTi 12 和 LiTi 25 电极应有温度显示功能;LiTi 12 和 LiTi 25 电极温度设定范围应为35℃~43℃;LiTi 10 电极设定范围应为正极(温度 1)35℃~43℃和负极(温度 2)55℃~110℃,步进应为1℃,误差应为±5℃;应有超温保护功能,当实测温度超过设置温度时应进行超温保护。
人民医院医疗设备采购询价文件1. 项目背景与目的人民医院计划对现有医疗设备进行更新和扩充,以提高医疗服务的品质和效率。
为了达到这个目标,人民医院需要向合适的供应商询价,并最终选择合适的供应商进行采购。
本文档的目的是向供应商发送询价请求,并明确了其所需的医疗设备的规格和要求,以及报价和交付截止日期等细节信息。
2. 采购项目详细信息2.1 设备清单以下是人民医院计划采购的医疗设备清单:1.血压计:20台2.心电图机:10台3.血液分析仪:5台4.呼吸机:8台5.X光机:3台6.超声诊断仪:6台请供应商提供每种设备的规格、型号以及其他技术参数。
2.2 设备要求人民医院对采购的医疗设备有以下要求:•设备应符合国家医疗设备管理法规和标准,并具有相关的认证和资质。
•设备应具备最新的技术,提供可靠的性能和准确的测量结果。
•设备应易于维护和操作,并有相关的培训和技术支持。
•设备应具备良好的耐用性和可靠性,具备长期使用的可行性。
2.3 交付要求人民医院希望采购的医疗设备能够在最短的时间内交付。
请供应商提供下列信息:•预计交付日期•交付方式和费用(包括运输、保险等费用)•包装要求和标识要求2.4 报价要求请供应商提供每种设备的报价,包括以下信息:•每台设备的单价•总价•付款方式和条件3. 报价提交要求3.1 报价截止日期所有报价必须在2022年5月31日前提交,逾期将不予接受。
3.2 报价文件要求•报价文件应以PDF格式提交。
•报价文件应明确说明每种设备的报价,包括单价、总价和付款条件等。
•报价文件应明确供应商的公司名称、地址和联系方式。
3.3 报价发送方式请将报价文件发送至以下邮箱地址:*****************************4. 评选流程与标准4.1 评选流程人民医院将根据以下流程选择最适合的供应商:1.收到所有报价后,将对报价进行初步评估。
2.符合要求的供应商将被邀请参加评估。
3.评估过程中,人民医院将综合考虑设备质量、价格、服务和交货期等因素进行评估。
东台市人民医院年度消防维保项目竞争性谈判文件编号:DZW[]B/()采购人:东台市人民医院(盖章)法定代表人或其委托代理人:(签字或盖章)二〇一八年九月十一日特别说明:本项目非进入东台市公共资源交易中心交易项目,由招标人自行组织招投标活动。
东台市政府采购项目谈判公告(第三次).东台市人民医院年度消防维保项目已经东台市财政局批准。
欢迎合格的潜在投标人参加本谈判项目的投标。
.谈判内容东台市人民医院住院部A楼、住院B楼、门诊楼等三大建筑物的全部消防设施,总建筑面积约万平方米,包含(但不限于)火灾自动报警系统、自动喷淋灭火系统、气体灭火系统、消防应急广播与通讯系统、消防栓系统、防火卷帘门、防排烟系统、水泵、风机、中央控制系统、联动消防装置、消防应急照明系统等的巡检、维护和定期保养服务。
.投标人必须具备的资格条件:合格投标人应首先符合政府采购法第二十二条规定的基本条件,同时符合根据该项目特点设置的特定资格条件。
基本资格条件:()具有独立承担民事责任的能力;()具有良好的商业信誉和健全的财务会计制度;()具有履行合同所必需的设备和专业技术能力;()有依法缴纳税收和社会保障资金的良好记录;()参加政府采购活动前三年内,在经营活动中没有重大违法记录。
特定资格条件:()投标人为中华人民共和国境内注册,具有独立法人资格的经营实体;()投标企业具有江苏省公安厅消防局核发的“建筑消防设施维修保养”资质证书。
()投标企业投入本项目的维保负责人须为本单位正式职工,且必须具有消防设施维修保养资格证;()投标人授权委托人参加投标时须携带本人身份证、社会养老保险缴费证明原件(单位法定代表人参加投标时无须提供社会养老保险证明原件),供资格审查时查验。
.本项目最高限价:万元(预算金额:万元)。
.本项目评标定标办法采用最低评标价法。
.请申请人登陆东台市公共资源交易网(/dtzbtb)免费下载谈判文件。
.投标截止时间:年月日时分;联系人:尤东明电话:地址:东台市人民医院(康复西路号)邮编:二〇一八年九月十一日特别说明:本项目非进入东台市公共资源交易中心交易项目,由招标人自行组织招投标活动。
十堰市人民医院放射科2楼10号机房放射防护工程招标公告十堰市人民医院拟对放射科2楼10号机房放射防护工程项目进行公开招标,欢迎符合条件的公司前来报名。
一、招标单位:十堰市人民医院二、项目名称:放射科2楼10号机房放射防护工程三、报名需知联系人:招标办胡老师报名电话(略)报名时间:2020年4月30日-5月11日四、投标人资格要求1.投标人必须符合《政府采购法》第二十二条规定条件。
(1)具有独立承担民事责任的能力;(2)具有良好的商业信誉和健全的财务会计制度(3)具有履行合同所必需的设备和专业技术能力;(4)有依法缴纳税收和社会保障资金的良好记录;(5)参加政府采购活动前三年内,在经营活动中没有重大违法记录;(6)法律、行政法规规定的其他条件。
2.投标人须提供信用查询记录及未被“信用中国”(略)网站列入失信被执行人、重大税收违法案件当事人名单、政府采购严重违法失信行为记录名单(查询时间以公告发布之日起为准);3.投标人须具有相关卫生行政主管部门核发的有效期内的射线防护铅板、铅玻璃板、防护涂料检测报告;4.本项目不接受联合体投标,不允许转包。
5.投标人应能提供以下材料(所有证件需原件扫描后彩色打印)(1)投标人的基本情况,并附投标人法人营业执照、经营许可证和税务登记证、组织机构代码证等相关证件。
(注:如已完成“三证合一”登记变更的,须提供由工商部门核发的已加载法人和其他组织统一社会信用代码的营业执照。
)(2)具备建设行政主管部门核发的房屋建筑工程施工总承包叁级及以上资质或建筑装饰工程专业承包叁级及以上资质。
经营范围须具有辐射防护,室内外装修装饰工程等相关内容或具有射线防护系统工程设计、安装、咨询;射线防护产品、施工的营业范围;(非正式文本,仅供参考。
若下载后打开异常,可用记事本打开)。
市第一人民医院乳腺微创旋切机、乳腺治疗仪采购项目政府采购招标文件招标编号:BGZJ-ZC(4)16225委托单位:市第一人民医院招标机构:西招国际招标有限公司二○一六年十月目录目录0招标公告3投标须知前附表41、总则71.1 招标文件涉及术语的涵及解释72、投标须知82.1 招标82.1.1 综合说明82.1.3 招标文件的修改与补充92.1.4 答疑会和现场考察102.2 投标102.2.1投标文件的语言102.2.2计量单位102.2.3投标货币102.2.4联合投标(本项目不适用联合体投标)102.2.5知识产权112.2.6投标综合要求及说明112.2.7投标文件的组成122.2.8投标文件格式142.2.9投标有效期142.2.10 投标保证金142.2.11投标文件的份数和签署152.2.12 投标文件的密封152.2.13投标文件递交162.2.14 投标文件递交时间162.2.15 投标文件的修改与撤回162.3 开标162.4评标162.5定标172.6 中标通知书及中标供应商的确定192.6.1 中标供应商的确定192.6.2 合同授予原则192.6.3 合同的签署、履行及验收192.6.4 其他203、澄清和质疑203.1综合说明203.2对招标文件的澄清和质疑213.3对招标过程和中标结果的质疑213.4澄清或质疑不予受理的情况223.5其他224、货物需求234.1货物需求一览表234.2 交货时间及地点:245、技术要求246、评标原则及办法306.1 评标工作中的原则及组织306.1.1 原则306.1.2 组织316.2 评标容及标准316.2.1评标容316.2.2 无效投标326.3 评标的程序和方法336.3.1 评标程序336.3.2评标方法346.4 评标委员会的职责及中标供应商的确定356.4.1 评标委员会的职责356.5 废标367、附件36附件1 合同格式及条款37附件2 投标函40附件3 法人授权函41附件4法定代表人资格证明40附件5 投标报价表43附件6 投标货物偏离表44附件7 生产厂家授权函45附件8 中小企业声明函(非中小微企业不提供)46附件9招标文件确认函46附件10 财库【2011】181号和工信部联企业【2011】300号文件46市第一人民医院乳腺微创旋切机、乳腺治疗仪采购项目招标公告西招国际招标有限公司受市第一人民医院的委托,对市第一人民医院乳腺微创旋切机、乳腺治疗仪采购项目以公开招标形式进行采购,欢迎符合资格条件的供应商前来投标。
十堰市人民医院医用耗材智能化管理系统论证公告(2020)
十堰市人民医院医学装备部医用耗材智能化管理系统(SPD)1套,现组织该项目论证调研工作,欢迎符合条件的供应商报名参加。
一、论证调研项目:医用耗材智能化管理系统(SPD)1套
二、报名时间:2020年5月22日-5月27日
三、报名要求
1.符合《中华人民共和国政府采购法》第二十二条之规定。
2.遵守《中华人民共和国招投标法》《中华人民共和国政府采购法》《中华人民共和国合同法》等相关法律法规。
3.具有医疗器械经营许可证及备案凭证,按需提供医疗器械经营许可证及备案凭证许可范围包含医疗器械第二类、第三类医疗器械。
4.具有该项目涉及的软件著作权人针对该项目的专项授权。
5.具有良好的商业信誉和健全的财务会计制度。
6.具有湖北省高值医用耗材省市联动采购平台的配送资质,提供相关资质证明。
7.具有履行本项目所必需的建设和服务能力。
8.项目实施方近3年在经营活动中没有重大违法记录,无不良行为记录。
9.本项目不接受任何形式的联合体投标,单位负责人为同一人或者存在控股、管理关系的不同单位,不得参加同一标段投标或者未划分标段的同一招标项目投标。
10.法律、行政法规规定的其他条件。
四、本项目基础需求待报名后邮箱发放
五、报名联系方式
电话(略)
联系地址:湖北省十堰市茅箭区朝阳中路39号
邮编:442000
2020年5月22日
(非正式文本,仅供参考。
若下载后打开异常,可用记事本打开)。
询价文件**市政府采购中心(招标编号:LFCGZX2014-29)**市中医医院医疗设备采购项目二0一四年七月十四日第一部分询价邀请书**市政府采购中心受**市中医医院的委托,拟对医疗设备采购项目进行询价采购,询价文件经采购人审核、确认,欢迎符合资格条件的供应商参加。
现将本项目询价文件进行公示(询价文件电子版下载),公示期为2014年7月14日至2014年7月18日五个工作日有关事项公告如下:一、采购项目编号:LFCGZX2014-29二、采购项目名称:医疗设备采购项目三、采购预算:人民币壹拾玖万玖仟捌佰元整¥199800元,超过预算金额报价无效。
四、报价文件递交截止时点:二0一四年七月二十三日下午十五时三十分,逾期恕不接收。
五、开标时间:二0一四年七月二十三日下午十五时三十分。
六、报价文件递交地点:**市东海镇行政新区长安路3号财政局大院内政府采购中心。
七、询价时间:二0一四年七月十四日。
八、询价地点:**市东海镇行政新区长安路3号财政局大院内政府采购中心。
采购机构:**市政府采购中心采购人:XXX中医医院联系人:XXX联系人:XXX电话:******** 电话:********传真:******** 联系地址:**市东海镇建设路尾联系地址:**市东海镇行政新区长安路3号财政局大院内政府采购中心。
开户行名称:**市政府采购中心开户行:工商银行**市支行帐号:****************邮编:********市政府采购中心二0一四年七月十四日第二部分用户需求书采购项目内容一、供应商资格:(一)经年检合格,且具有独立法人资格和相应的经营范围;(二)投标人必须是经营销售本投标项目产品的制造商或有资格的供应商;(三)具有税务登记证书和组织机构代码证书;(四)本项目不接受联合体投标;二、采购项目规格、参数及要求:一)采购项目需求一览表:货物采购一览表二)采购项目规格、参数及要求:空气消毒机(壁挂式)1.主要功能:1、*主机壳体选用完全不燃烧的金属材质经现代防潮工艺制成,面饰层采用水晶面板,款式时尚、新颖,表面平整无凹凸状,易清洁,不藏污纳垢减少交叉感染。
、符合《中华人民共和国政府采购法》第二十二条规定;、须提供检察机关查询行贿犯罪档案结果告知函复印件;、须具有医疗器械生产或经营许可证;四、网上报名、获取招标文件的方式、时间:方式:此项目只接受网上报名、网上下载招标文件、网上缴纳投标保证金。
请登录武威市公共资源交易网()进行网上报名,同时在线免费下载招标文件。
详情请咨询代理机构。
时间:年月日时分至年月日时分。
五、投标截止时间、开标时间及地点:投标截止时间:年月日时分前开标时间:年月日时分开标地点:武威市公共资源交易中心四楼二厅。
对迟于开标时间递交的投标文件将不予接受。
六、投标保证金账户、金额及缴纳方式:本项目缴纳投标保证金第一包:元;第二包:元;第三包元;第四包:元;第五包:元;第六包:元。
在成功下载招标文件后至开标前缴纳,必须是投标人基本账户以网银、电汇或支票转账的方式缴纳至武威市公共资源交易中心专用账户(禁止用现金缴纳)。
并在用途栏或备注栏内填写位投标登记号,不填写或填写错误为无效。
户名:武威市公共资源交易中心开户行:甘肃银行凉州区支行账号:投标保证金缴纳截止时间:递交投标文件截止时间前到达指定账户。
七、数字证书办理须知:为了规范交易平台的业务流程以及给用户提供方便快捷的服务,凡是拟参与公共资源交易活动的投标人需先在武威市公共资源交易中心网上注册,并获取数字证书,方可办理业务。
获取数字证书后,投标人登录系统登记参与项目投标,并依据系统生成的“投标登记号”下载拟参与项目的招标文件和缴纳投标保证金,系统会将“投标登记号”实时发送到投标人手机。
八、采购联系人姓名、电话单位地址:采购单位联系人:陶永臻电话:采购单位地址:武威市民勤县三雷镇西大街号九、代理联系人姓名、电话单位地址:联系人:李扬电话:代理单位地址:武威市凉州区银房佳苑小区四川亚兴建设工程项目管理有限公司年月日。
人民医院医疗设备采购询价文件我院现欲采购以下医疗设备,请您根据以下要求及规定提交相应的报价及产品资料。
1. 医疗设备清单:- X光机- B超机- MRI机- CT机- 心电图机- 血液分析仪- 输液泵- 呼吸机- 体温计- 医用高频电刀2. 报价要求:- 请提交详细的产品资料,包括参数、功能、型号、品牌、图片等。
- 报价需包括产品价格、运费、安装费用、维护服务费等全部费用。
- 报价有效期不少于30天。
3. 技术要求:- 产品需具备国家相关认证,符合医疗设备的标准和质量要求。
- 对于影响医疗治疗效果和安全的设备,需提交相应的检测报告和认证资料。
4. 服务要求:- 提供安装、调试、培训等售后服务。
- 提供设备保修、维护等一定期限的保障服务。
请在报价单上盖章,并于报价截止日期前提交至我院采购部,逾期或未盖章报价一律作废。
如有任何疑问,请随时与我院采购部联系,谢谢合作!联系电话:XXX电子邮箱:XXX医院名称:XXX人民医院采购部日期:XXXX年XX月XX日对于医疗设备采购,医院的采购部门需要着重考虑设备的质量、价格、售后服务以及供应商的信誉和经验。
因为医疗设备的质量直接关系到患者的生命和健康,所以选择合适的供应商和设备非常重要。
在此次医疗设备采购过程中,我们医院要求供应商提交详细的产品资料,包括参数、功能、型号、品牌、图片等,这是为了能够全面了解设备的性能和质量。
此外,我们对医疗设备的技术要求也十分严格,所有设备必须具备国家相关认证,符合医疗设备的标准和质量要求,以确保安全可靠地使用。
针对服务要求,供应商需要提供设备的安装、调试、培训等售后服务,以及一定期限的保障服务。
售后服务对于医疗设备至关重要,只有保障了设备的正常运转,医院才能够更好地为患者提供医疗服务。
保护医疗设备的质量和安全需要我们医院采购过程中严格的流程和操作。
所有的供应商报价必须在报价单上盖章,并在报价截止日期前提交,逾期或未盖章的报价将被作废。
第六章招标项目技术参数及其他商务要求一、项目介绍1、本项目为:色达县卫生健康局 17 个乡镇达标卫生院设施设备采购项目。
二、采购项目清单及技术参数要求序号1 产品名称DR技术参数一、非晶硅平板数字化探测器1、非晶硅 17 × 17 英寸非拼接整板数字探测器。
2、采集像素矩阵:≥ 3000*3000。
3、极限空间分辨率:> 3.5 LP/MM。
4、图象输出灰阶:≥ 14BIT。
5、像素尺寸:≤ 143 μm。
6、数据传输方式:千兆以太网。
▲7、具备一次暴光双能减影技术, 能保证在更低剂量下能获得优质图象, 减少对医生和患者的辐射(须提供第三方机构出具的有效证明材料复印件)。
二、高频高压发生器1、最大输出功率:≥50KW。
2、最大输出电压:≥ 150KV。
3、最大毫安量:> 630mA。
4、最短暴光容积率:≤0.4MAS。
三. X 光球管组件1、焦点:0.6mm/1.2mm。
2、焦点最大功率:≥50KW。
3、阳极热容量:≥200KHU。
4、阳极转速:≥ 2700 转/min。
5、球管最高输出管电压:150KV。
单位1备数量注台四.直臂机架1、探测器中心距地距离最小距离:≤ 465mm。
2、焦点到影像接收面距离: 1000mm、1500mm。
3、横臂的轴向旋转范围: 0°~ +90°。
▲4、出于匹配性考虑,机架、高压、探测器、软件、束光器、整机注册属于同一厂家。
五、滤线栅及限束器1、滤线栅栅格比为 10:1。
2、栅密度:≥ 40LP/C M。
3、限束器:光电定位,手动多叶式射野指示灯具有定时开关功能。
六、医生登记采集诊断工作站软件功能1、中文界面,标准 DICOM3.0 图象,采用 WINDOWS 操作系统。
▲2、为确保以后的软件技术升级,设备提供商对软件拥有核心技术(须提供第三方机构出具的有效证明文件复印件)。
3、支持多种自动操作模式转换,专门为多种不同需求的医院流程准备,可以方便配置合适的自动流程,提高技师工作效率。
十堰市人民医院高频电灼仪招标公告(2020)
十堰市人民医院皮肤科高频电灼仪项目,现进行公开招标采购,欢迎符合条件的供应商前来投标。
一、招标项目:高频电灼仪1台
二、报名时间:2020年6月2日-6月8日
三、投标人报名要求
1.符合《中华人民共和国政府采购法》第二十二条之规定。
2.投标人应遵守《中华人民共和国招投标法》《中华人民共和国政府采购法》《中华人民共和国合同法》《中华人民共和国产品质量法》等相关法律法规。
3.不接受联合体投标,不允许转包。
4.投标人具有良好的供应能力,具有完善的售后服务和良好的信誉,无不良经营行为。
未列入“信用中国”网站(略)失信被执行人、重大税收违法案件当事人名单、政府采购严重违法失信行为记录名单。
5.投标人应能提供以下材料(所有证件需扫描件彩打)
(1)投标人的基本情况,并附投标人法人营业执照和税务登记证、组织机构代码证等相关证件。
(注:如已完成“三证合一”登记变更的,须提供由工商部门核发的已加载法人和其他组织统一社会信用代码的营业执照。
)
(2)投标人的《医疗器械经营许可证》,产品的《医疗器械注册证与登记表》,厂家的营业执照、《医疗器械注册证》《医疗器械生产许可证》,产品检验报告,所投产品技术参数与彩页。
(3)参加投标的法人授权委托证书,法人代表及项目负责人(被授权人)身份证扫描件。
(4)项目负责人及主要技术人员须为供应商正式员工,并提供为项目负责人与主要技术人员缴纳的近三个月的社保证明。
(5)产品品牌代理或投标授权书(代理或授权不超过三级)。
(6)其他相关资料文件。
备注:技术参数详见招标文件。
四、请投标人密切留意本网站最新公告、通知。
电话(略)
联系地址:湖北省十堰市朝阳中路39号
邮编:442000
网址: 略
2020年6月2日
(非正式文本,仅供参考。
若下载后打开异常,可用记事本打开)。