最新中职车工实习教案:车工绪论
- 格式:doc
- 大小:59.50 KB
- 文档页数:3
课时安排:2课时教学目标:1. 让学生掌握车工基本操作技能,包括车床的基本构造、操作规程和基本安全知识。
2. 使学生能够熟练进行车外圆柱面、车内圆柱面、车圆锥等基本车削操作。
3. 培养学生的安全意识,提高实际操作能力。
教学重点:1. 车床的基本操作规程。
2. 车削的基本操作技能。
教学难点:1. 车削过程中工件定位与夹具的使用。
2. 车削过程中刀具的选择与调整。
教学准备:1. 车床、车刀、工件、夹具等实训设备。
2. 相关教材、教学视频等教学资源。
教学过程:第一课时一、导入1. 通过图片、视频等形式展示车工在实际生产中的应用,激发学生的学习兴趣。
2. 引导学生思考车工实训的重要性。
二、讲解车床的基本构造与操作规程1. 讲解车床的基本构造,包括主轴、刀架、床身等部分。
2. 讲解车床的操作规程,包括开机、关机、工件安装、刀具安装等步骤。
三、示范操作1. 教师示范车削外圆柱面的操作过程,包括工件定位、刀具安装、切削参数的调整等。
2. 学生观摩并记录操作步骤。
四、学生实践操作1. 学生按照示范步骤进行车削外圆柱面的操作。
2. 教师巡回指导,解答学生疑问。
五、总结与反馈1. 教师总结本节课所学内容,强调操作要点。
2. 学生反馈操作过程中遇到的问题,教师进行解答。
第二课时一、复习与巩固1. 复习上节课所学内容,巩固车床的基本操作规程。
2. 复习车削外圆柱面的操作步骤。
二、讲解车内圆柱面、车圆锥的操作方法1. 讲解车内圆柱面、车圆锥的操作方法,包括工件定位、刀具安装、切削参数的调整等。
2. 教师示范操作,学生观摩。
三、学生实践操作1. 学生按照示范步骤进行车内圆柱面、车圆锥的操作。
2. 教师巡回指导,解答学生疑问。
四、总结与反馈1. 教师总结本节课所学内容,强调操作要点。
2. 学生反馈操作过程中遇到的问题,教师进行解答。
五、布置作业1. 学生课后复习本节课所学内容,巩固操作技能。
2. 学生课后练习车削车内圆柱面、车圆锥,提高操作水平。
车工实习指导教案【一】车工实习概述讲话一、目的要求使学生明确车工实习的教学基本要求、教学环节、车工实习的特点及注意事项。
二、教学文件实习轮换表、学生分组名单、实习操作成绩单,实习操作评分标准,教材、实习报告,工件图纸,实习的有关规定、金工实习考试大纲等。
三、时间和进行方式30分钟。
在车工实习现场由实习带班师傅对车工实习的全体学生讲解。
四、讲解内容1.明确车工实习教学基本要求①熟悉卧式车床的型号、组成、运动和用途,掌握车床的操作方法并加工零件。
②了解车床的传动系统、典型传动方式。
③了解车床常用附件的大致结构和用途。
会选择零件的装夹方法。
④了解常用的刀具材料、车刀角度的作用。
⑤掌握回转表面的加工方法及所用刀具;了解车外圆、车孔所能达到的尺寸精度等级和表面粗糙度Ra值的范围。
⑥熟悉轴杆类零件加工的基本工艺过程,会初步制定一般轴杆零件的加工工艺。
⑦了解盘套类零件加工的基本工艺过程。
2.介绍车工实习主要教学环节①学生独立操作。
②指导师傅操作表演及现场讲解。
3.讲解车工实习特点①操作内容较多,有装卸刀具、装卸工件、调整转速及进给量、手动切削、自动切削、测量工件等。
②一个工件上的加工项目较多(有车外圆、车端面和台阶面、车锥面、钻孔、车孔、倒角等),加工质量与操作技术、操作方法有密切的关系。
③加工过程中,工件高速旋转,车刀需进行纵向走刀或横向走刀。
往往走刀长度超过一定的限度或退刀方向弄错,即会发生质量事故甚至安全事故。
4.讲解车工实习注意事项①要认真练好基本操作。
②独立操作时要精力集中,一丝不苟,胆大心细,先想后动。
③要严格遵守各项安全操作规程(由各组师傅具体讲解)。
④有问题要及时请教师傅,不要自行其事。
5.明确其他要求①每天实习要准时到达现场,不迟到,不早退。
②每天实习要带笔记本和实习教材。
③按时完成实习报告,要自己完成,不准抄别人的,准时上交给教研室教师。
④现场表演课要仔细观察,认真听讲,及时提问。
⑤认真听好专题课,要记笔记。
一、教学目标1. 知识目标:(1)使学生掌握车工的基本操作技能,了解车床的结构和功能;(2)使学生熟悉车削加工的基本原理和加工方法;(3)使学生了解常用刀具的种类、性能和选用方法。
2. 能力目标:(1)培养学生独立操作车床的能力;(2)提高学生的动手实践能力;(3)培养学生的团队协作精神和沟通能力。
3. 情感目标:(1)激发学生对车工实训的兴趣,提高学生的学习积极性;(2)培养学生严谨的工作态度和良好的职业素养;(3)增强学生的安全意识,提高自我保护能力。
二、教学内容1. 车床的基本结构及功能;2. 车削加工的基本原理和加工方法;3. 常用刀具的种类、性能和选用方法;4. 车削加工工艺及注意事项;5. 实训操作:车削外圆柱面、内圆柱面、圆锥面、成形面等。
三、教学过程1. 导入新课(1)简要介绍车工实训的意义和目的;(2)播放车工实训操作视频,激发学生的学习兴趣。
2. 讲解与演示(1)讲解车床的基本结构及功能;(2)演示车削加工的基本原理和加工方法;(3)介绍常用刀具的种类、性能和选用方法;(4)讲解车削加工工艺及注意事项。
3. 学生实训(1)分组进行车削实训,每组一名指导教师;(2)学生按照指导教师的指导,进行车削操作;(3)指导教师巡回指导,纠正学生的错误操作。
4. 总结与评价(1)总结本次实训的收获与不足;(2)对学生的实训成果进行评价;(3)布置课后作业,巩固所学知识。
四、教学资源1. 教学课件;2. 车床、刀具、工件等实训设备;3. 实训指导书。
五、教学评价1. 学生对车工实训的兴趣和积极性;2. 学生掌握车工基本操作技能的程度;3. 学生在实训过程中的表现,如团队合作、沟通能力等;4. 学生对实训内容的理解和应用能力。
六、教学反思1. 教师应注重实训过程中的安全教育和操作规范;2. 加强对学生操作技能的指导,提高实训效果;3. 关注学生的个体差异,因材施教;4. 激发学生的学习兴趣,提高学生的学习积极性。
车工实习指导教案第一章:车工基本概念与安全知识1.1 车工概述介绍车工的定义、分类和应用范围解释车工的基本原理和操作过程1.2 车床结构与功能介绍车床的主要部件及其功能解释车床的工作原理和操作方法1.3 车工安全知识强调车工操作中的安全注意事项介绍车工安全操作规程和应急预案第二章:车工工具与量具2.1 车工工具介绍车刀的种类、用途和正确使用方法解释车床夹具的作用和选用原则2.2 量具与测量介绍常用量具的种类、规格和测量方法强调测量准确性和测量工具的维护保养第三章:车工基本操作3.1 车外圆介绍车外圆的基本步骤和技巧强调车外圆时的注意事项和质量控制3.2 车内孔介绍车内孔的基本步骤和技巧解释车内孔时的注意事项和常见问题解决方法3.3 车螺纹介绍车螺纹的基本步骤和技巧强调车螺纹时的注意事项和质量控制第四章:车工进阶操作4.1 车削复合形状介绍车削复合形状的基本步骤和技巧解释车削复合形状时的注意事项和质量控制4.2 车削非圆形零件介绍车削非圆形零件的基本步骤和技巧强调车削非圆形零件时的注意事项和质量控制4.3 车削高速钢刀具介绍车削高速钢刀具的基本步骤和技巧解释车削高速钢刀具时的注意事项和质量控制第五章:车工实习项目与评价5.1 车工实习项目设计设计车工实习项目,包括图纸、工艺路线和加工要求解释实习项目的设计原则和目的5.2 车工实习操作评价制定车工实习操作评价标准和评分方法强调评价的公正性和客观性5.3 车工实习报告与反馈提供学生实习反馈,提出改进意见和建议第六章:车工加工工艺6.1 加工工艺的基本概念介绍加工工艺的定义、分类和作用解释加工工艺参数的选择和优化方法6.2 车工加工工艺的制定介绍车工加工工艺制定的步骤和原则强调加工工艺的灵活性和适应性6.3 典型零件的加工工艺分析分析常见零件的加工工艺特点和要求解释加工工艺对零件质量和效率的影响第七章:车工编程与自动化7.1 车工编程基础介绍车工编程的基本概念和语法解释车工编程指令的作用和使用方法7.2 车工自动化设备与系统介绍车工自动化设备的特点和应用范围强调车工自动化系统的优势和挑战7.3 车工编程实例与实践提供车工编程实例,指导学生进行实际操作强调编程实践中的注意事项和质量控制第八章:车工精度与质量控制8.1 车工精度概述介绍车工精度的重要性和平行度、垂直度等基本概念解释车工精度的影响因素和控制方法8.2 车工质量控制方法介绍车工质量控制的基本原则和工具强调质量控制过程中的数据收集和分析方法8.3 车工质量问题的解决与改进提供解决车工质量问题的方法和技巧强调持续改进和质量提升的重要性第九章:车工实习拓展与创新9.1 车工实习拓展项目设计车工实习拓展项目,培养学生的综合能力和创新思维强调拓展项目的实践性和挑战性9.2 车工技术创新与发展趋势介绍车工技术创新的背景和发展趋势强调学生关注行业动态和技术进步的重要性9.3 车工实习成果展示与评价组织学生进行实习成果展示,评价学生的综合能力和创新精神强调评价的多元性和激励性10.2 车工实习反馈与建议提供车工实习反馈,评价学生的表现和进步空间提出改进教学方法和内容的建议和措施10.3 车工实习展望与未来发展展望车工行业的发展前景和学生的职业规划强调持续学习和职业发展的必要性重点和难点解析六、车工加工工艺加工工艺的基本概念:理解加工工艺对提高零件质量和效率的重要性。
章节名称课题一入门教学授课形式实训课时2班级中专0103中专0108教学目的1.了解职业技术学校的性质和实习课的任务。
2.了解实习课的要求和教学特点,引入5S管理。
3.了解并执行文明生产和安全操作技术知识。
教学重点1.了解并执行文明生产和安全操作技术知识教学难点1.现场执行的5S管理策略辅助手段现场直播示范课外作业熟记安全条约课后体会学生反映良好,兴趣非常高涨。
一、车工实习课的任务1、全面掌握车工(Latheman)的基本操作技能,会做本工种初级技术等级工件(Workpiece)的工作。
2、懂得切削(Cutting)原理即机械(Machine)加工原理,为学习其他课程打下扎实的基础。
3、学会一定的先进工艺操作,独立完成适当复杂工件的加工(Machining)。
4、能正确熟练地使用、维护本工种所涉及的工、量、刀具和设备。
5、学会有关计算知识,会查阅有关手册。
6、学会寻找产生废品的原因及预防的方法。
7、具有安全生产知识和文明生产的习惯。
8、养成良好的职业道德。
二、车工实习课的要求和教学特点(5S)1、车工实习课的要求十六字要求:遵章守纪、勤学苦练、安全第一、质量至上①上课不迟到、不旷课、不无故缺席、严格执行请假制度。
②服从分配、听从指导,不做与课程无关的事或擅自变更作业内容。
③不能擅自离开指定岗位,窜岗,开玩笑,吃零食。
④勤学苦练、不懂就问、勤于思考总结,避免盲目操作。
⑤严格要求,在技术上要求精益求精,树立严格的质量意识。
⑥严格遵守《安全操作规程》、《文明生产条例》⑦爱护公共财物、增强责任心、损坏、遗失工、量、刀具要酌情赔偿。
2、车工实习课的教学特点实习课教学主要是培养学生全面掌握技术操作的技能、技巧、与文化理论课教学比较具有如下特点:①在教师指导下,经过示范、观察、仿效、反复练习,使学生获得基本操作技能。
②要求学生经常分析自己的操作动作和生产实习的综合效果,善于总结经验、改进操作方法。
③通过科学化、系统化和规范化的基本训练,让学生全面地进行基本功的练习。
《车工中级实习》教学大纲一、实习性质、任务和基本要求:1、性质:车工实习是工程技术类专业的重要实训课,以培养学生熟练掌握车工基本技能为目标,把车削中必需的基本知识和技能训练融合在一起,专业理论和专业技能融合在一起,让学生感到学有所用,达到理论实践有机结合。
以学生就业为导向,以企业用人标准为依据,以“够用为度”,达到中级以上水平。
2、任务:通过实训,使学生全面掌握本工种的基本操作技能,会做本工种中级技术等级的工件;掌握一定的先进工艺操作技能;能熟练的使用、独立进行车床的一级保养;正确使用工、夹、量、刀具;具有安全生产知识和文明生产的习惯;在生产实习教学过程中注意发挥学生的智能。
3、要求:(1)了解车工的工作范围及安全技术。
(2)了解车工常用的设备构造,使用方法及安全操作规程。
(3)基本掌握车工的基本操作方法及工艺编排,正确合理使用车工的常用工具、刃具、量具等。
(4)能够按图样要求独立加工中级轴类零件。
(5)具有安全生产知识和文明生产的习惯。
(6)培养学生的安全意识,养成良好的职业道德。
二、时间分配:本实习共8周,具体课时安排可参照下表:三、实训内容:项目一、车工安全文明操作教育介绍车工技能在工程中的重要性及就业趋势,了解车工实训课的教学特点,掌握车工安全文明操作的基本知识,严格遵守安全操作规程,培养学生的安全意识。
重点:介绍车工文明生产及安全操作技术,南洋工业学校实训管理规定。
项目二、车外圆柱面车外圆柱面的概念;将工件装夹在车床卡盘上并做旋转运动,车刀安装在刀架上做纵向进给运动,就可以车出外圆了。
重点:车削外圆、端面的方法,台阶工件的方法,一夹一顶装夹轴类的方法,车槽和切断的方法。
项目三、孔加工孔加工的概念:是在工件内部进行的,观察切削情况很困难,尤其是孔小而深时,根本看不见,而且刀杆的长度由于受孔径和孔深的限制,刚性较差;排屑和冷却较困难。
重点:掌握内孔车刀的刃磨步骤和方法,钻孔的方法和切削用量的选择及通孔、阶台孔、平底孔的车削方法。
《车工教案》word版第一章:车工基本概念与安全知识1.1 车工概述介绍车工的定义、作用和分类解释车工的基本原理和操作过程1.2 车工工具与设备介绍车床的种类和结构讲解车刀的类型、用途和正确使用方法1.3 车工安全知识强调车工操作中的安全注意事项介绍车工事故的预防措施和应急处理方法第二章:车工基本操作2.1 车工准备讲解车工前的准备工作,包括工件装夹、刀具选择等演示车工前的测量方法和工具使用2.2 车外圆介绍车外圆的基本方法和步骤讲解车外圆时的注意事项和技巧2.3 车内孔讲解车内孔的基本方法和步骤强调车内孔时的安全注意事项和质量控制第三章:车工常用指令与编程3.1 车工指令概述介绍车工常用的数控指令及其功能解释指令的格式和使用方法3.2 车工编程基础讲解车工编程的基本概念和步骤演示如何编写简单的车工程序3.3 车工编程实例提供车工编程实例,让学生实际操作和练习第四章:车工工艺与质量控制4.1 车工工艺概述介绍车工工艺的概念和作用讲解车工工艺的基本原则和方法4.2 车工质量控制强调车工质量控制的重要性介绍车工质量控制的方法和工具4.3 车工常见问题与解决方法分析车工过程中常见的问题和原因提供解决问题的方法和技巧第五章:车工操作实例与练习5.1 车工操作实例提供具体的车工操作实例,让学生实际操作和练习讲解实例中的重点和难点,并提供操作技巧5.2 车工练习题提供车工相关的练习题,让学生巩固所学知识解答练习题并提供解析和答案第六章:车工加工精度与误差分析6.1 加工精度概述介绍加工精度的定义和分类解释加工精度的重要性6.2 误差分析讲解误差的概念和分类分析误差产生的原因和影响因素6.3 提高加工精度的方法提供提高加工精度的方法和技巧强调在车工操作中注意精度的控制第七章:车工复杂零件加工7.1 复杂零件加工概述介绍复杂零件的特点和加工难点讲解复杂零件加工的注意事项7.2 轴类零件加工讲解轴类零件的加工方法和步骤强调轴类零件加工中的精度和质量控制7.3 盘类零件加工讲解盘类零件的加工方法和步骤分析盘类零件加工中的误差产生和解决方法第八章:车工自动化与数控车床8.1 车工自动化概述介绍车工自动化的概念和意义讲解车工自动化的实现方法和应用领域8.2 数控车床简介介绍数控车床的定义、结构和特点讲解数控车床的工作原理和操作方法8.3 数控车床编程与操作讲解数控车床编程的基本概念和步骤提供数控车床编程实例和操作练习第九章:车工实训与项目指导9.1 车工实训概述介绍车工实训的目的和意义讲解车工实训的安排和组织方法9.2 车工实训项目指导提供具体的车工实训项目,并对每个项目进行详细指导强调实训中的安全注意事项和质量控制9.3 车工实训报告与评价分析车工实训中的问题并提供改进措施第十章:车工发展趋势与新技术10.1 车工发展趋势介绍车工行业的发展趋势和挑战强调车工技术的重要性10.2 新技术在车工中的应用讲解新技术在车工中的具体应用实例分析新技术对车工行业的影响和未来发展10.3 车工技术创新与人才培养强调车工技术创新的重要性和必要性探讨车工人才培养的方法和途径重点解析车工基本概念与安全知识:理解车工的定义、作用和分类,掌握车床的种类和结构,了解车刀的类型、用途和正确使用方法,牢记车工操作中的安全注意事项和应急处理方法。
车工实习教学方案一、教学目标(一)知识掌握点1.熟悉车刀的组成及安装,常用刀具的材料。
2.熟悉卧式车床的组成及其主要功用,卧式车床的主要调整方法。
3.基本掌握典型表面加工的工艺过程。
4.掌握车削用量三要素及切削速度计算公式。
5.掌握车外圆、车端面、车内孔、钻孔、滚花、车螺纹、切断、车成形面以及车圆锥面的加工方法和测量方法。
6.掌握常用量具的使用方法,车削所能达到的尺寸精度和表面粗糙度。
(二)能力训练点1.正确调整卧式车床和使用工夹量具。
2.独立安装外圆车刀,在卧式车床上独立完成中等精度零件的车削加工。
(三)素质培养点1.培养学生的创新能力。
2.锻炼学生的实际操作能力3.提高学生分析问题和解决问题的能力。
4.加强学生劳动观念和劳动纪律的意识。
二、大纲重点、学习难点及化解办法1.大纲重点(1)典型表面加工的工艺过程。
(2)车外圆、车端面、钻孔、滚花、车螺纹、切断、车成形面以及车圆锥面的加工方法和测量方法。
(3)独立安装外圆车刀,在卧式车床上独立完成中等精度零件的车削加工。
2.学习难点(1) 刻度盘的使用方法;(2) 车锥度;(3) 车螺纹;3.难点化解办法均为机床示范讲解与学生反复练习;三、教学计划[教学计划设计说明]1.先理论后实践,先示范后练习;2.先易后难;3.使学生更容易、更快的掌握基本知识和技能。
四、物质准备1.设备:CA6140、SK3602.工具:卡盘扳手、刀架扳手、活顶尖、钻卡头、砂纸、锉刀、活扳手、死板手。
3.刀具:90°偏刀,45°弯头车刀,60°尖刀,圆弧刀。
4.材料:φ18×265Q235A圆钢、φ25×172Q235A圆钢、灰口铸铁。
5.教具:挂图、电视、录像机。
车工实训教学教案(全)教案标题:车工实训教学教案(全)一、教学目标1. 知识与技能目标:使学生掌握车工的基本知识、基本技能和基本操作,了解车床的结构、性能及工作原理,能熟练操作车床进行简单零件的加工。
2. 过程与方法目标:通过实训教学,培养学生动手能力、观察能力和创新能力,提高学生分析问题和解决问题的能力。
3. 情感态度与价值观目标:培养学生热爱专业、勤奋学习、团结协作的精神,增强学生的质量意识、安全意识和环保意识。
二、教学内容1. 车工基本知识:车床的结构、性能及工作原理,车工刀具的种类、用途及刃磨方法,车工量具的使用方法,车工工艺的基本知识。
2. 车工基本技能:车床的操作方法,车工刀具的安装与调整,车工量具的读数方法,车工工艺的编制与实施。
3. 车工基本操作:车外圆、车内孔、车螺纹、车端面、车槽和车成型面等。
三、教学重点与难点1. 教学重点:车工基本知识、基本技能和基本操作的掌握。
2. 教学难点:车工工艺的编制与实施,车工刀具的安装与调整。
四、教学方法1. 讲授法:讲解车工基本知识、基本技能和基本操作。
2. 演示法:演示车工刀具的安装与调整,车工量具的读数方法,车工工艺的编制与实施。
3. 实践法:指导学生进行车工基本操作的实训。
4. 讨论法:针对实训中遇到的问题,组织学生进行讨论。
五、教学安排1. 总课时:120课时。
2. 教学进度:每周6课时,共20周。
3. 教学环节:理论教学、实践操作、讨论与总结。
六、教学评价1. 过程评价:观察学生在实训过程中的操作技能、安全意识和团队协作能力。
2. 成果评价:检查学生完成的车工零件的质量,评价学生的工艺编制与实施能力。
3. 知识评价:进行车工基本知识、基本技能和基本操作的笔试。
七、教学资源1. 教材:《车工工艺学》、《金属切削原理与刀具》。
2. 工具与量具:车床、车工刀具、车工量具。
3. 辅助材料:实训指导书、教学视频、实训报告。
八、教学注意事项1. 加强安全教育,确保学生在实训过程中的安全。
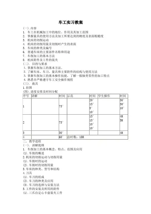
车工实习教案(一).内容1. 车工在机械加工中的地位、作用及其加工范围2. 掌握量具的使用方法及加工所要达到的精度及表面粗糙度3. 机床的切削运动4. 机床的切削用量及切削时产生的表面5. 车床的种类及编号6. 普通车床的主要部件名称和用途7. 车削加工的基本方法8. 机床附件及工件的装夹(二). 目的与要求⒈ 掌握车削加工的基本方法。
⒉ 了解车床、车刀、量具和主要附件的结构与使用方法⒊掌握车削加工的基本操作技能,了解一般轴类零件的加工特点⒋熟悉并严格遵守车工安全操作规程(三). 救具1.挂图(一). 讲解提纲1. 车削加工的基本概念、特点、范围及应用(1).车削的概述2.机床的切削运动与切削用量(1).车削时的运动(2).车削时的切削用量3.车床的种类、型号和结构4.刀具(1).车刀的组成(2).车刀的种类及应用(3).车刀的选择与安装方法5.工件的安装及所用的附件(1).三爪自定心卡盘装夹工件6.车削的基本方法(1)车端面(2).车外圆与台阶(3).切断与切槽a.切断b.切槽(4).车圆锥a.宽刀法b.转动小滑板法c.偏移尾座法d.机械靠模法(5).车螺纹a.普通螺纹各部分名称及尺寸b.螺纹车刀及安装c.螺纹车削的注意事项d.螺纹的测量(6).孔加工a.钻孔b.镗孔(7).其他车削工艺a.车成形面b.车球面c.滚花7.车床的安全操作方法(二).示范操作1.车床的操作(1).车床的结构和操作方法(2).工件的装夹方法(3).学生操作2.基本加工方法的操作3.车螺纹的操作4. 考核(1).理论考试(2).车床操作:a.分析图纸b.材料、工具、量具的准备c.加工方案的拟定d.技能训练5. 讨论、总结。
一、教学目标1. 知识目标:使学生掌握车工的基本操作技能,了解车床的结构及工作原理。
2. 能力目标:培养学生独立操作车床的能力,提高学生的动手实践能力。
3. 情感目标:激发学生对机械加工行业的兴趣,培养学生严谨、细致的工作态度。
二、教学内容1. 车床的基本结构及工作原理2. 车工基本操作技能3. 车工安全操作规程三、教学时间2课时四、教学过程(一)导入1. 利用图片、视频等形式展示车工行业的应用领域,激发学生的学习兴趣。
2. 提出问题:“什么是车工?车工的主要工作是什么?”引导学生思考。
(二)讲授新课1. 车床的基本结构及工作原理a. 教师讲解车床的各个组成部分,如主轴、床身、刀架、尾座等。
b. 通过实物或模型展示车床的工作原理,使学生直观了解。
2. 车工基本操作技能a. 教师示范车工的基本操作,如装夹工件、调整刀具、切削等。
b. 学生跟随教师操作,逐步掌握车工基本技能。
3. 车工安全操作规程a. 教师讲解车工安全操作规程,强调安全注意事项。
b. 学生练习安全操作,确保在实训过程中安全。
(三)实训操作1. 学生分组进行车工实训操作,教师巡回指导。
2. 教师针对学生在操作过程中出现的问题进行解答和纠正。
(四)巩固练习1. 学生独立完成一定数量的车工实训项目,巩固所学技能。
2. 教师对学生的操作进行评价,指出不足之处,并提出改进建议。
(五)小结1. 教师总结本节课的学习内容,强调重点和难点。
2. 学生分享学习心得,总结实训过程中的收获。
五、作业布置1. 完成课后练习题,巩固所学知识。
2. 预习下一节课的内容,为后续学习做好准备。
六、教学评价1. 学生在实训过程中的操作技能掌握程度。
2. 学生对车工安全操作规程的遵守情况。
3. 学生对车工行业的兴趣和认识程度。
注:本教案设计模板仅供参考,具体教学过程可根据实际情况进行调整。
教 案 首 页编 号:YJQD-0507-07 版 本:B/O 流水号: 编 制: 审 核: 批 准:课 题: 入门知识教学目的、要求:1、了解车工生产实习课的任务 2、理解掌握文明生产和安全操作技术 教学重点、难点:熟悉文明生产及安全操作技术 授课方法:讲授法讲授、示范、巡回指导 教学参考及教具:C6136或 CA6140车床 授课执行情况及分析:入门知识一、讲授指导1.组织教学:集中点名,检查出勤及工作防护用品穿戴情况。
2.讲授新课:(1)车工生产实习课的任务:掌握基本技能;学会一定的先进工艺操作;能调整使用本工种的主要设备;独立进行一级保养;正确的使用工.夹.量.刀具;具有安全生产知识和文明生产的习惯。
(2)文明生产和安全操作技术:○1文明生产:做的好坏直接影响产品的质量,设备及工夹量具的使用寿命,影响技能的发挥。
因此,从开始学习基本操作技能时,要重视培养文明生产的良好习惯。
必须做到:a.开车前应检查设备完好,手柄位置正确与否的情况。
启动后先主轴低速空转1-2分钟,等车床运转正常才能工作。
b.变速必须停车,不准用正反紧急停车。
c.不准在卡盘,导轨上敲击或校直工件,床面上不准放置工件或工具。
d.装夹重工件,应用木板保护床面,下班不卸下,应用千斤顶支撑。
e.车刀磨损后要及时刃磨。
f.车削铸铁,气割件,导轨上润滑油要擦去。
g.使用切削液,应在导轨上涂润滑油,切削液要定期调换。
h.下班前,应清除车床及周围的切屑和切削液,在规定部位加润滑油。
i.下班后,将床鞍摇至床尾一端,各手柄放空挡位置,关闭电源。
j.各工,夹,量应按用途使用,并妥善保管。
k.工夹量具,图样放置要合理。
○2.安全操作技术:a.穿工作服,戴工作帽。
b.戴防护眼镜,头部不能与工件靠的太近。
(3).生产实习课的特点:○1.在教师的指导下,经过示范,观察,模仿,反复练习,使学生获得基本技能。
○2.要求学生善于总结经验,改进操作方法。
○3.通过练习,能“真刀真枪”地练出真本领。
车工实训教案教学目的1、了解车床的安全操作守则及实训要求。
2、了解卧式车床的组成、运动和用途。
3、了解车床主要附件的大致结构和用途。
4、了解常用量具及其使用方法。
5、掌握车外圆、车端面的方法,了解切槽、切断和锥面、成形面、螺纹的车 削特点,能独立完成简单零件的车削加工。
6、能按图样要求进行端面、外圆等基本车削加工。
任务 1:安全文明实训教育方式 教育目标课时 授课地 重点 教具老师讲授、学生边听边看、最后练习操作 掌握普车安全操作,了解安全操作知识 2 车间 安全操作 教材时间 2019.9.2安全操作守则 (1)开车前,认真检查车床各部位有无异常,以防开车时突然撞击而损坏车床。
启动后,应低速运行几分钟,使各部位的润滑正常。
(2)操作人员应穿工作服,防止飘逸的衣物意外卷入旋转的机器。
如长发应塞入帽内、袖口应扣紧、不允许戴围巾、手套等。
(3)不允许在床面上放置物件。
不允许在卡盘上、导轨上敲击或校直工件。
(4)加工前,工件和刀具应装夹可靠,既要防止夹紧力过小松脱伤人,又要防止夹紧力过大损坏机件。
装夹工件后,卡盘扳手应随手拿下,严禁扳手未拿而开车。
(5)车床开动后,严禁触摸任何旋转部位,不允许测量或用丝织物擦试旋转的工件。
(6)变速时,必须先停车,后换档。
停车时不允许用手刹住旋转的卡盘。
(7)实习操作时,不允许将头与工件靠得太近,以防切屑飞入眼中。
清除切屑时,严禁用手直接清除或用嘴吹除。
必须使用专用的铁钩和毛刷。
(8)工作结束时,应关闭电源。
将车床擦试干净。
在导轨上加注防锈油。
将各操作手柄置于空档。
将大拖板、尾座摇至床尾。
(9)工作结束后,清理所用的全部工具、量具、刀具、夹具等,并整齐有序的放入工具柜中。
(10)最后清扫场地,离厂结束。
操作练习:起动与停车任务 2:车削加工原理、工作范围及车床方式 老师边讲授边操作示范、学生边听边看、最后练习操作教育目标 掌握车削原理,了解车床构造和工作范围课时4授课地车间重点车床构造教具教材、车床、刀具时间 2019.9.2金属切削机床是用切削的方法将金属毛坯加工成机器零件的一种机器。
车工实习教案范文教案名称:车工实习教案教学目标:1.了解车工技术的基本原理和操作方法;2.掌握车工机床的结构与工作原理;3.认识车削刀具的种类和使用方法;4.学会进行常见车削操作。
教学内容:1.车工技术概述;2.车工机床的结构与工作原理;3.车削刀具的种类和使用方法;4.车削操作的实践。
教学步骤:第一步:导入(10分钟)1.引导学生回顾金属加工工艺课程中学过的相关知识,如金属切削的基本原理等。
2.引导学生思考在实际生产中,哪些机械零件需要进行车削加工。
第二步:讲解车工技术概述(20分钟)1.讲解车工技术的概念、分类和应用范围。
2.介绍车工技术的发展历程及其在现代制造业中的重要地位。
第三步:介绍车工机床的结构与工作原理(30分钟)1.介绍常见的车床、铣床和钻床等车工机床的结构和主要部件。
2.讲解车床的工作原理和各部分的功能。
3.示意车床的操作方法和注意事项。
第四步:讲解车削刀具的种类和使用方法(30分钟)1.介绍车削刀具的分类和特点。
2.讲解常用刀具的结构和使用方法。
3.介绍刀具的安装和刀具磨削技术。
第五步:进行车削操作的实践(40分钟)1.在实训车间中,学生分组进行车削实习。
2.教师在实践中指导学生正确使用车床和刀具,注意操作安全。
3.学生按照教师的要求进行车削实验,熟悉车床操作、刀具选择和车削工艺参数的调整。
第六步:总结与评价(10分钟)1.综合学生们的实践操作情况,教师进行总结评价。
2.提醒学生在实习中发现的问题和不足,并给予改进建议。
教学资源:1.车工机床和刀具的实物;2.车工实训车间。
教学评估:1.实习过程中观察学生的操作技能和安全意识;2.实习结束后,学生填写实习报告,总结实践过程中的经验和教训;3.在实验成绩的基础上,综合评定学生的实习质量。
教学拓展:1.可选用教材进行深入学习和练习;2.学校实验室或工厂实习。
教学安全提示:1.车床刀具尖锐,操作时需注意安全,避免伤人;2.使用车床时需戴好防护手套和护目镜,不得穿松散的衣物。
车工实训实习教案教案长度:1331字一、教学目标:1.了解车工实训实习的目的和意义;2.掌握基本车工实训技巧;3.培养学生的动手能力和解决问题的能力。
二、教学内容:1.车床操作技巧;2.车削加工过程;3.数控车床操作技巧;4.数控车床程序编程。
三、教学方法:1.讲授法:通过讲解和演示,向学生传授车工实训所需的理论知识和技巧;2.实践法:通过实际操作,培养学生的动手能力和解决问题的能力;3.辅助法:通过使用图片、视频等辅助材料,加深学生对车工实训的理解。
四、教学过程:1.导入(10分钟)教师通过向学生介绍车工实训的目的和意义,引起学生对此课程的兴趣。
2.讲授车床操作技巧(20分钟)教师通过讲解和演示,向学生介绍车床的基本结构和操作技巧,包括车刀的安装和调整、工件的夹持等。
3.车削加工过程(30分钟)教师通过实际操作演示,向学生展示车削加工的过程,包括车削切削力和速度的调整、尺寸和表面粗糙度的控制等。
4.数控车床操作技巧(20分钟)教师通过讲解和演示,向学生介绍数控车床的基本操作技巧,包括坐标系的设置、加工程序的选择和启动等。
5.数控车床程序编程(30分钟)教师通过实际操作演示,向学生展示数控车床程序编程的过程,包括加工路径的设定和加工参数的调整等。
6.实践操作(20分钟)学生根据教师的指导,进行车工实训的实践操作,通过实际操作提高动手能力和解决问题的能力。
7.总结(10分钟)教师对本节课的教学内容进行总结,强调学生在实践过程中所获得的经验和技巧。
五、教学评价:1.学生的表现:学生能够根据教师的指导进行实践操作,掌握基本的车工实训技巧;2.教学效果:通过实际操作,学生的动手能力和解决问题的能力得到了提高;3.教学反思:由于时间有限,教师在教学内容和教学方法上可能还有待改进。
六、拓展延伸:1.学生可以通过参观工业公司的车间,进一步了解车工实训的应用;2.学生可以通过参加车工技能比赛,锻炼和展示自己的车工实训技能;3.学生可以通过实习或工作,将所学的车工实训技能应用于实际生产中。
《车工教案》word版第一章:车工基础知识1.1 车工概述了解车工的定义、作用和分类掌握车工的基本工艺参数1.2 车床熟悉车床的类型、结构及主要部件掌握车床的使用方法和安全操作规程1.3 车刀了解车刀的类型、构造及用途掌握车刀的使用和磨削方法第二章:车工基本技能2.1 车外圆掌握外圆车刀的选择和使用方法学会外圆车削的步骤和技巧2.2 车内孔掌握内孔车刀的选择和使用方法学会内孔车削的步骤和技巧2.3 车螺纹掌握螺纹车刀的选择和使用方法学会车螺纹的步骤和技巧第三章:车工高级技能3.1 车床上孔掌握上孔车刀的选择和使用方法学会车床上孔的步骤和技巧3.2 车床端面掌握端面车刀的选择和使用方法学会车床端面的步骤和技巧3.3 车床上槽掌握上槽车刀的选择和使用方法学会车床上槽的步骤和技巧第四章:车工工艺与操作4.1 车工工艺流程熟悉车工工艺流程的制定和执行掌握车工工艺参数的调整和优化4.2 车工操作技巧学会车工操作中的注意事项掌握车工操作中的技巧和方法4.3 车工安全操作规程了解车工安全操作规程的内容学会车工安全操作规程的执行和维护第五章:车工实例分析5.1 轴类零件加工分析轴类零件的加工工艺和步骤掌握轴类零件的加工方法和技巧5.2 孔类零件加工分析孔类零件的加工工艺和步骤掌握孔类零件的加工方法和技巧5.3 螺纹类零件加工分析螺纹类零件的加工工艺和步骤掌握螺纹类零件的加工方法和技巧第六章:车工精度与质量控制6.1 车工精度概述理解车工精度的重要性掌握基本的车工精度概念6.2 车工测量工具与方法学习使用各种测量工具(如卡尺、千分尺、塞规等)掌握正确的测量方法和技巧6.3 车工质量控制了解质量控制的基本原则和方法学会通过加工过程控制质量的方法第七章:车工自动化与数控技术7.1 车工自动化设备认识车工自动化设备(如车削中心、自动车床等)理解自动化设备的工作原理和优势7.2 数控车床基础学习数控车床的基本原理和结构掌握数控车床的基本操作方法7.3 数控车削编程与操作学习数控车削编程的基本语法和指令掌握数控车床编程和操作的实践技巧第八章:车工工艺与生产管理8.1 车工工艺规程学习如何制定车工工艺规程掌握工艺规程的执行和优化8.2 生产管理基础了解生产管理的基本概念和方法掌握生产计划的制定和执行8.3 车工车间管理学习车间管理的要点和方法掌握车间的组织、协调和安全管理第九章:车工故障分析与排除9.1 车工常见故障类型认识车工操作中常见的故障类型理解故障产生的原因9.2 故障分析方法学习故障分析的基本方法和步骤掌握故障诊断的实践技巧9.3 故障排除与预防学习如何排除车工故障掌握故障预防的措施和方法第十章:车工安全生产与环境保护10.1 车工安全知识了解车工安全生产的基本要求掌握车工安全操作规程10.2 紧急情况处理学习如何处理车工紧急情况掌握紧急情况下的应对措施10.3 环境保护与职业健康理解车工对环境的影响学习车工环境保护的基本措施掌握职业健康的基本知识和保护方法重点和难点解析1. 车工基础知识:理解车工的定义、作用和分类,以及掌握车工的基本工艺参数是重点。
单元1 车工绪论
[导入]同学们好!欢迎同学们到车工来实习,希望同学们珍惜这次难得的实习机会,达到实习目的。
[提问]实习目的的概念。
(找1~2名学生)
[讲解] 实习目的:在有限的时间内,掌握车工实习件的加工工艺流程、加工范围及实习大纲要求掌握的基本知识与技能。
下面简单介绍一下实习的计划安排:
一、车工绪论:简单介绍有关车工实习的一般知识和一些基本要求,使同学们对车工有个初步了解。
二、讲解车床的加工范围、组成、作用及传动等,使同学们对车床的理论性知识有进一步的了解,为下一步操作做准备。
三、三个实习件的加工。
1、榔头把:入门工件,通过加工它,使同学们掌握刀具的安装方法和车床的基本操作。
希望同学们自己从中体会一下车床的加工范围,为以后有难度的训练打下基础,做好准备。
2、蜡台座:材料与前两个工件不一样,种类也不一样,主要让同学体会铸件与普通钢在切削性能上有何区别,使用刀具有何不同,掌握盘类工件与轴类工件的不同特点及车床上丝锥的使用方法。
3、蜡台杆:在车工实习中,它是难度最大的一个工件,通过它的加工,使同学们在合理使用刀具、车床、工件装卡等方面都有综合性的提高。
此训练增加了螺纹加工内容。
通过以上这些安排,使同学们达到实习目的。
要更好的达到这一目的,同学们在实习之前,还要了解车工的一些相关知识及一些必要要求,来保证这一目的的实现。
四、什么是车削加工?它有何特点?
日常生活中同学们可能都看过许许多多这样或那样的零件,它们之中有好些种类是在车床上完成的。
如一些圆柱型,圆锥型的零件。
通俗讲也就是各种旋转表面。
理论上讲车床切削就是利用刀具与工件作相对的切削运动来改变毛坯的尺寸和
形状,最后加工成零件的加工过程。
车削加工的特点:加工范围广泛,生产效率较高,工艺性强,操作难度大,危险系数高。
五、在实习中对同学各方面的要求:
在车工实习的过程中,我们对同学们的要求是很严格的,同学们要有充分的思想准备。
1、在实习中自始至终的保持一种良好的工作状态,用积极的态度去工作。
随着时间的推移,对车工理论知识的理解和实际技能的掌握程度要不断的提高。
在车工实习中,要付出很大的脑力和体力劳动,同学们可能感觉很累,希望同学们克服困难和抵制消极情绪,其实车工实习是一种很有意思的工作,同学们在实习中会有苦中有乐的感觉。
2、做任何工作之前,一定要把此项工作的要求想清楚。
工作前,要想到此项工作要在什么条件下进行;工作时,要养成良好的科学工作态度。
3、要给自己创造一个良好的工作环境。
合理使用车床,合理摆放量具及工具;每天实习后要打扫卫生,并注意保持。
4、在实习中注意培养良好的综合素质。
一项工作交到你手里,要尽自己的最大努力,高质量、高效率的完成,全身心的投入,做什么,像什么,总结科学的工作方法。
5、严格遵守操作规程并且按老师要求的去做。
6、善于总结,不断提高。
每天工作结束后都应想一想,今天在车工实习过程中获得了哪些知识,自己感觉充不充实?尤其是当实习结束后,更应全面总结一下:与没实习之前有多大差别,很明显,差别越大,你的收获就越大,要少留遗憾。
最后,希望同学们都能保质保量的完成这次实习,尽可能的学到一些有用的东西,能为自己以后的学习、工作留下一段美好的回忆!
[小结]本单元对整个车工实习做了一个综合性的概括,同时对学生在实习中的要求和需要注意的事项作了简要的说明。
[教法设计说明]
按照车工的实习顺序进行讲解,使同学明白在车工实习的任务和时间安排,做到心中有数,以达到实习目的。