镀锌管理论重量标准GBT3091-2001
- 格式:wps
- 大小:52.00 KB
- 文档页数:2
低压流体输送用镀锌焊接钢管GB/T 3091-2001前言本标准非等效采用ISO 559:1991《下水道用碳素钢钢管》。
本标准在合并GB/T 3091—1993《低压流体输送用镀锌焊接钢管》、GB/T 3092—1993《低压流体输送用焊接钢管》和GB/T14980—1994《低压流体输送用大直径电焊钢管》等三项标准的基础上,增加了直缝埋弧焊钢管内容(主要由广州番禺珠江钢管有限公司提出)。
本标准与ISO 559:1991在外径系列、外径和壁厚的允许偏差等技术内容上存在差异。
本标准此次修订时以下主要技术内容进行了修改:——修改了外径和壁厚系列,扩大了外径的范围;——修改了通常长度范围,取消了电阻焊对接钢管;——修改了理论重量公式的系数;——增加了新的牌号;——修改了原GB/T 14980—1994 标准中的协议条款焊缝内毛刺的剩余高度;对埋弧焊钢管的焊缝余高和错边也做了相应规定。
——取消了原GB/T3092—1993标准中的炉焊制造方法,增加了直缝埋弧焊制造工艺。
自本标准实施之日起,代替GB/T3091—1993《低压流体输送用镀锌焊接钢管》、GB/T3092—1993《低压流体输送用焊接钢管》和GB/T14980—1994《低压流体输送用大直径电焊钢管》。
本标准的附录A和附录B 都是标准的附录。
本标准由国家冶金工业局提出。
本标准由全国钢标准化技术委员会归口。
本标准起草单位:凌钢集团锦西钢管有限责任公司、广州番禺珠江钢管有限公司、上海钢管股份有限公司、山西太钢集团临汾钢铁有限公司焊管厂。
本标准主要起草人:齐惠娟、王龙、佟连勋、李军强、赵善元、蔡亚平、刘文亮。
1 范围本标准规定了低压流体输送用直缝焊接钢管的尺寸、外形、重量、技术要求、试验方法、检验规则、包装、标志及质量证明书。
本标准适用于水、污水、燃气、空气、采暖蒸汽等低压流体输送用和其他结构用的直缝焊接钢管。
本标准对电阻焊钢管和埋弧焊钢管的不同要求分别做了标注,未标注的同时适用于电阻焊钢管和埋弧焊钢管。
低压流体输送用钢管与镀锌管理论重量表(可以直接使用,可编辑优质资料,欢迎下载)低压流体输送用钢管与镀锌管理论重量表钢管千克每米重量按下式计算W=0.0246615×(D-t)×t kg/m镀锌钢管重量W1应增加重量系数 W1=C×W 式中:C—增加的重量系数镀锌钢管重量计算公式镀锌钢管重量公式:[(外径-壁厚)*壁厚]*0.02466=kg/米(每米的重量)济南聊通钢管是一家以生产、仓储、销售为一体的著名钢管工贸企业,拥有先进的镀锌钢管生产线两条,并与天钢、衡钢、成都、凤宝、鲁宝等众多知名钢管企业签订战略合作协议。
市场资源、现货资源、客户资源共享、以现货众多、规格齐全、调配迅速、价格低廉、享誉大江南北。
为了更好服务于全国各地的新老客户朋友,济南聊通钢管利用公司的自身优势、专注于镀锌钢管,冷镀锌钢管,热镀锌钢管,镀锌焊管,镀锌无缝钢管的销售拓展业务,使定货流程更加迅速、供需双方更加信任、对市场需求更加了解。
济南聊通钢管是无缝管行业中最早,规模最大的管材企业之一,库存常年保持万吨以上,为更好的服务客户扩大经营范围,我公司特开办了上门送货服务,并有专车专人接送洽谈人员前来订购业务。
公司自创办以来,一直坚持“诚信合作,共同发展”的经营理念,经过坚持不懈的发展,钢管行业中的佼佼者。
高质低价一直是商业最大的利器,自公司成立以来,我们不断地为客户提供高质低价的建材商品,并视为我们一贯的工作重心。
因此,我们通过不断的扩大销售规模及严格控制包括运输等各种交易成本,实现厂价直销,质量过硬,服务及时的经营承诺。
常用镀锌钢管规格表1.低压流体输送用焊接钢管(GB/T3092-1993)也称一般焊管,俗称黑管。
是用于输送水、煤气、空气、油和取暖蒸汽等一般较低压力流体和其他用途的焊接钢管。
钢管接壁厚分为普通钢管和加厚钢管;接管端形式分为不带螺纹钢管(光管)和带螺纹钢管。
钢管的规格用公称口径(mm)表示,公称口径是内径的近似值。
镀锌管理论重量表(按GB/T3091—2001标准执行)镀锌管重量计算公式镀锌钢管重量公式:[(外径-壁厚)*壁厚]*0.02466=kg/米(每米的重量) ◆焊管普通镀锌焊管1.2寸重量为3.13kg/m,1.5寸重量为3.84kg/m;加厚型镀锌焊管1.2寸重量为3.78/m,1.5寸重量为4.58kg/m;镀锌管相关资料镀锌钢管尺寸规格表公称口径外径壁厚镀锌管壁黑铁管增加的重量系数MM MMMM普通钢管加厚钢管610.0 21.064 1.059813。
5 2。
751。
056 1.0461017.03.501.0561.04615 21.3 3。
15 1.0471.03920 26。
8 3.40 1.046 1。
03925 33。
54。
25 1.0391。
03232 42.35.151.039 1.032公称口径外径壁厚镀锌管壁黑铁管增加的重量系数MM MMMM 普通钢管加厚钢管40 48.0 4.00 1。
036 1.03050 60。
05.001.036 1.02865 75.55.251.034 1.0288088.54。
25 1.032 1。
027100114。
0 7.001.032 1。
026125 140.0 7.50 1.028 1.023150 165.0 7.50 1.0281.023镀锌钢管尺寸规格表说明:W=C×[0。
02466×(D—S)×S]W-—镀锌管每米重量:kg/mC--镀锌管比黑铁管增加的重量系数D--黑铁管的外径S—-黑铁管的壁厚镀锌管的分类镀锌钢管分冷镀管、热镀管,前者已被禁用,后者还被国家提倡暂时能用.热镀锌管:热镀锌管是使熔融金属与铁基体反应而产生合金层,从而使基体和镀层二者相结合。
热镀锌是先将钢管进行酸洗,为了去除钢管表面的氧化铁,酸洗后,通过氯化铵或氯化锌水溶液或氯化铵和氯化锌混合水溶液槽中进行清洗,然后送入热浸镀槽中。
W=0.02466*S*(公称外径-S)镀锌钢管每米重量=0.02466x壁厚x(外径-壁厚)X1.06镀锌管也是钢材,表面度了一层薄薄得锌,密度7.85kg/cm3钢管的重量=0.25×π×(外径平方-内径平方)×L×钢铁比重其中:π = 3.14 L=钢管长度钢铁比重取7.8 所以,钢管的重量=0.25×3.14×(外径平方-内径平方)×L×7.8 * 如果尺寸单位取米(M),则计算的重量结果为公斤(Kg)钢的密度为:7.85g/cm3钢材理论重量计算钢材理论重量计算的计量单位为公斤(kg )。
其基本公式为:W(重量,kg )=F(断面积mm2)×L(长度,m)×ρ(密度,g/cm3)×1/1000各种钢材理论重量计算公式如下:名称(单位)计算公式符号意义计算举例圆钢盘条(kg/m)W= 0.006165 ×d×dd = 直径mm直径100 mm 的圆钢,求每m 重量。
每m 重量= 0.006165 ×1002=61.65kg螺纹钢(kg/m)W= 0.00617 ×d×dd= 断面直径mm断面直径为12 mm 的螺纹钢,求每m 重量。
每m 重量=0.00617 ×12 2=0.89kg方钢(kg/m)W= 0.00785 ×a ×aa= 边宽mm边宽20 mm 的方钢,求每m 重量。
每m 重量= 0.00785 ×202=3.14kg扁钢(kg/m)W= 0.00785 ×b ×db= 边宽mmd= 厚mm边宽40 mm ,厚5mm 的扁钢,求每m 重量。
每m 重量= 0.00785 ×40 ×5= 1.57kg六角钢(kg/m)W= 0.006798 ×s×ss= 对边距离mm对边距离50 mm 的六角钢,求每m 重量。
低压流体输送用镀锌焊接钢管GB/T 3091-2001前言本标准非等效采用ISO 559:1991《下水道用碳素钢钢管》。
本标准在合并GB/T 3091—1993《低压流体输送用镀锌焊接钢管》、GB/T 3092—1993《低压流体输送用焊接钢管》和GB/T14980—1994《低压流体输送用大直径电焊钢管》等三项标准的基础上,增加了直缝埋弧焊钢管内容(主要由广州番禺珠江钢管有限公司提出)。
本标准与ISO 559:1991在外径系列、外径和壁厚的允许偏差等技术内容上存在差异。
本标准此次修订时以下主要技术内容进行了修改:——修改了外径和壁厚系列,扩大了外径的范围;——修改了通常长度范围,取消了电阻焊对接钢管;——修改了理论重量公式的系数;——增加了新的牌号;——修改了原GB/T 14980—1994 标准中的协议条款焊缝内毛刺的剩余高度;对埋弧焊钢管的焊缝余高和错边也做了相应规定。
——取消了原GB/T3092—1993标准中的炉焊制造方法,增加了直缝埋弧焊制造工艺。
自本标准实施之日起,代替GB/T3091—1993《低压流体输送用镀锌焊接钢管》、GB/T3092—1993《低压流体输送用焊接钢管》和GB/T14980—1994《低压流体输送用大直径电焊钢管》。
本标准的附录A和附录B都是标准的附录。
本标准由国家冶金工业局提出。
本标准由全国钢标准化技术委员会归口。
本标准起草单位:凌钢集团锦西钢管有限责任公司、广州番禺珠江钢管有限公司、上海钢管股份有限公司、山西太钢集团临汾钢铁有限公司焊管厂。
本标准主要起草人:齐惠娟、王龙、佟连勋、李军强、赵善元、蔡亚平、刘文亮。
1 范围本标准规定了低压流体输送用直缝焊接钢管的尺寸、外形、重量、技术要求、试验方法、检验规则、包装、标志及质量证明书。
本标准适用于水、污水、燃气、空气、采暖蒸汽等低压流体输送用和其他结构用的直缝焊接钢管。
本标准对电阻焊钢管和埋弧焊钢管的不同要求分别做了标注,未标注的同时适用于电阻焊钢管和埋弧焊钢管。
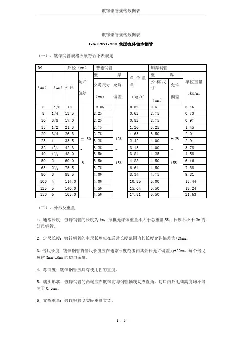
镀锌钢管规格数据表GB/T3091-2001低压流体镀锌钢管(一)、镀锌钢管规格必须符合下表规定(二)、外形及重量1、通常长度:镀锌钢管的长度为6m,每批允许体重量不大于总重量5%,长度不小于2m的短尺钢管。
2、定尺长度:镀锌钢管的主尺长度应在通常长度范围内其长度允许偏差为+20mm。
3、倍尺长度:镀锌钢管的倍尺长度应在通常长度范围内其余长允许偏差为+20mm。
每个倍尺应留5mm-10mm的切口余量。
4、弯曲度:镀锌钢管应具有使用性的直度。
5、端头形状:镀锌钢管的两端应在镀锌前与钢管轴线切成直角,切口内外毛刺高度均不得大于0.5mm。
6、交货重量:镀锌钢管以实际重量交货。
7、标记:镀锌钢管应注明国标标准编号和尺寸及厂家名称。
二、镀锌钢管质量技术要求:1、牌号和化学成份:镀锌钢管用钢的牌号和化学成分应符合GB-3092《低压流体输送用焊接钢管》所规定的黑管用钢的牌号和化学成份。
2、制造方法:黑管的制造方法(炉焊或电焊)由制造厂选择,镀锌采用热浸镀锌法。
3、交货状态:镀锌钢管以不带螺纹交货。
4、螺纹及管接头(1)带螺纹交货的镀锌钢管,螺纹应在镀锌后车制。
螺纹应符合YB822的规定。
(2)钢制管接头应符合YB238的规定,可铸铁管接头应符合YB230的规定。
5、力学性能:钢管镀锌前的力学性能应符合GB3092的规定。
6、镀锌层的均匀性:镀锌钢管应做镀锌层均匀性的试验,钢管试样在硫酸铜溶液中连续浸渍5次不得变红。
7、冷弯曲试验:公称口径不大于50mm的镀锌钢管应做冷弯曲试验。
弯曲角度为90。
,弯曲半径为外径的8倍。
试验时不带填充物,试样焊缝处应置于弯曲方向的外侧或上部。
试验后,试样上不应有裂缝及锌层剥落现象。
8、水压试验:水压试验应在黑管进行,也可用涡流探伤代替水压试验。
试验压力及涡流探伤对比试样尺寸应符合国标GB3092的规定。
9、表面质量:镀锌钢管的内外表面应有完整层,不得有未镀上锌的黑斑和气泡存在。
镀锌管理论重量计算公式
镀锌管定义
热镀锌管是使熔融金属与铁基体反应而产生合金层,从而使基体和镀层二者相结合。
热镀锌是先将钢管进行酸洗,为了去除钢管表面的氧化铁,酸洗后,通过氯化铵或氯化锌水溶液或氯化铵和氯化锌混合水溶液槽中进行清洗,然后送入热浸镀槽中。
热镀锌具有镀层均匀,附着力强,使用寿命长等优点。
镀锌管执行标准
GB/T3091—2001
镀锌管重量计算公式
镀锌钢管重量公式:[(外径-壁厚)*壁厚]*0.02466=kg/米(每米的重量)
◆焊管
普通镀锌焊管1.2寸重量为3.13kg/m,1.5寸重量为3.84kg/m;
加厚型镀锌焊管1.2寸重量为3.78/m,1.5寸重量为4.58kg/m;
镀锌管规格表和理论重量表。