面轮廓度的基准定义
- 格式:docx
- 大小:3.47 KB
- 文档页数:2
机械制图基本常识一、制图1、机械制图是用图样确切表示机械的结构形状、尺寸大小、工作原理和技术要求的学科。
图样由图形、符号、文字和数字等组成,是表达设计意图和制造要求以及交流经验的技术文件,常被称为工程界的语言。
2、在机械制图标准中规定的工程有:图纸幅面及格式、比例、字体和图线等。
在图纸幅面及格式中规定了图纸标准幅面的大小和图纸中图框的相应尺寸。
比例是指图样中的尺寸长度与机件实际尺寸的比例,除允许用1:1的比例绘图外,只允许用标准中规定的缩小比例和放大比例绘图。
3、机械图样主要有零件图和装配图,此外还有布置图、示意图和轴测图等。
零件图表达零件的形状、大小以及制造和检验零件的技术要求;装配图表达机械中所属各零件与部件间的装配关系和工作原理;布置图表达机械设备在厂房内的位置;示意图表达机械的工作原理,如表达机械传动原理的机构运动简图、表达液体或气体输送线路的管道示意图等4、表达机械结构形状的图形,常用的有视图、剖视图和断面图(旧称剖面图)等。
视图是按正投影法即机件向投影面投影得到的图形。
按投影方向和相应投影面的位置不同,视图分为主视图、俯视图和左视图、右视图、仰视图、后视图等,布局如下:仰视图右视图主视图左视图后视图俯视图如果是标准视图布局,不需标注视图名称,如不能按标准视图排列,应在视图上方标出视图名称“X”向,在相应的视图附近用箭头指明投影方向,并注上同样的字母。
视图主要用于表达机件的外部形状。
图中看不见的轮廓线用虚线表示。
机件向投影面投影时,观察者、机件与投影面三者间有两种相对位置。
机件位于投影面与观察者之间时称为第一角投影法。
投影面位于机件与观察者之间时称为第三角投影法。
两种投影法都能同样完善地表达机件的形状。
中国国家标准规定采用第一角投影法。
剖视图是假想用剖切面剖开机件,将处在观察者与剖切面之间的部分移去,将其余部分向投影面投影而得到图形。
剖视图主要用于表达机件的内部结构。
剖面图则只画出切断面的图形。
机械制图基本常识一、制图1、机械制图是用图样确切表示机械的结构形状、尺寸大小、工作原理和技术要求的学科。
图样由图形、符号、文字和数字等组成,是表达设计意图和制造要求以及交流经验的技术文件,常被称为工程界的语言。
2、在机械制图标准中规定的项目有:图纸幅面及格式、比例、字体和图线等。
在图纸幅面及格式中规定了图纸标准幅面的大小和图纸中图框的相应尺寸。
比例是指图样中的尺寸长度与机件实际尺寸的比例,除允许用1:1的比例绘图外,只允许用标准中规定的缩小比例和放大比例绘图。
3、机械图样主要有零件图和装配图,此外还有布置图、示意图和轴测图等。
零件图表达零件的形状、大小以及制造和检验零件的技术要求;装配图表达机械中所属各零件与部件间的装配关系和工作原理;布置图表达机械设备在厂房内的位置;示意图表达机械的工作原理,如表达机械传动原理的机构运动简图、表达液体或气体输送线路的管道示意图等4、表达机械结构形状的图形,常用的有视图、剖视图和断面图(旧称剖面图)等。
视图是按正投影法即机件向投影面投影得到的图形。
按投影方向和相应投影面的位置不同,视图分为主视图、俯视图和左视图、右视图、仰视图、后视图等,布局如下:仰视图右视图主视图左视图后视图俯视图如果是标准视图布局,不需标注视图名称,如不能按标准视图排列,应在视图上方标出视图名称“X”向,在相应的视图附近用箭头指明投影方向,并注上同样的字母。
视图主要用于表达机件的外部形状。
图中看不见的轮廓线用虚线表示。
机件向投影面投影时,观察者、机件与投影面三者间有两种相对位置。
机件位于投影面与观察者之间时称为第一角投影法。
投影面位于机件与观察者之间时称为第三角投影法。
两种投影法都能同样完善地表达机件的形状。
中国国家标准规定采用第一角投影法。
剖视图是假想用剖切面剖开机件,将处在观察者与剖切面之间的部分移去,将其余部分向投影面投影而得到图形。
剖视图主要用于表达机件的内部结构。
剖面图则只画出切断面的图形。
基准与轮廓度公差的介绍一、基准和基准体系基准是具有正确形状的理想要素,是确定被测要素方向或位置的依据,在规定位置公差时,一般都要注出基准。
在实际应用时,则由基准实际要素来确定。
1、基准的建立由于实际基准要素存在形位误差,因此由实际基准要素建立理想基准要素(基准)时,应先对实际基准要素作最小包容区域,再来确定基准。
1)单一基准中心要素由实际轴线建立基准轴线时,基准轴线为穿过基准实际轴线,且符合最小条件的理想轴线;轮廓要素由实际表面建立基准平面时,基准平面为处于材料之外并与基准实际表面接触、符合最小条件的理想平面。
2)组合基准公共基准由两条或两条以上实际轴线建立而作为一个独立基准使用的公共基准轴线时,公共基准轴线为这些实际轴线所共有的理想轴线。
应用三基面体系时,设计者在图样上标注基准应特别注意基准的顺序,在加工或检验时,不得随意更换这些基准顺序。
确定关联被测要素位置时,可以同时使用三个基准平面,也可使用其中的两个或一个。
由此可见,单一基准平面是三基准体系中的一个基准平面。
任选基准有相对位置要求的两要素中,基准可以任意选定。
主要用于两要素的形状、尺寸和技术要求完全相同的零件,或在设计要求中,各要素之间的基准有可以互换的条件,从而使零件无论上下、反正、颠倒装配仍能满足互换性要求。
2、基准的体现建立基准的基本原则是基准应符合最小条件,但在实际应用中,允许在测量时用近似方法体现。
基准的常用体现方法有:模拟法、直接法、分析法和目标法等。
模拟法通常采用具有足够形位精度的表面来体现基准平面和基准轴线。
用平板表面体现基准平面:用心轴表面体现内圆柱面的轴线:用V形块表面体现外圆柱面的轴线:2)直接法当基准实际要素具有足够形状精度时,可直接作为基准。
如在平板上测量零件,就是将平板作为直接基准。
二、轮廓度公差1、线轮廓度公差线轮廓度公差是被测实际要素对理想轮廓线所允许的变动全量。
用来控制平面曲线(或曲面的截面轮廓)的形状或位置误差。
带基准面轮廓度的理解和测量概述:基准面轮廓度是工程测量中常用的一个参数,用于描述物体的平整程度。
在工业制造和建筑工程中,基准面轮廓度的测量对于确保产品质量和工程精度非常重要。
本文将介绍基准面轮廓度的概念和测量方法,并探讨其在实际应用中的重要性。
一、基准面轮廓度的概念基准面轮廓度是指测量物体表面与基准面之间的最大距离差。
基准面是一个理想的平面,用于确定物体表面的平整程度。
基准面轮廓度可以反映出物体表面的平整度,即表面的凸凹程度。
在工程领域中,基准面轮廓度的控制是确保产品质量和工程精度的重要指标。
二、基准面轮廓度的测量方法基准面轮廓度的测量可以采用多种方法,具体选择方法根据测量对象的形状和尺寸而定。
以下是常用的几种测量方法:1. 直接测量法直接测量法是最常用的测量方法之一。
它通过在物体表面上选择若干测量点,然后使用测量仪器(如卡尺、游标卡尺等)直接测量这些点与基准面的距离差。
最终,将这些距离差的最大值作为基准面轮廓度。
2. 光学测量法光学测量法是一种非接触式测量方法,它利用光学原理测量物体表面的高度差。
常用的光学测量仪器有投影仪、激光测距仪等。
通过将测量仪器对准物体表面,可以得到表面高度差的分布图,从而计算出基准面轮廓度。
3. 三坐标测量法三坐标测量法是一种高精度测量方法,它利用三坐标测量机测量物体表面的坐标点,然后通过数据处理和分析,计算出基准面轮廓度。
三坐标测量法适用于复杂曲面的测量,具有较高的测量精度和稳定性。
三、基准面轮廓度的重要性基准面轮廓度的测量在工程领域中具有重要意义。
以下是几个方面的重要性:1. 产品质量控制基准面轮廓度的测量可以用于产品质量控制。
对于需要平整表面的产品,如机械零件、光学元件等,基准面轮廓度的测量可以确保产品表面的平整度,从而提高产品品质和性能。
2. 工程精度保证在建筑工程和制造业中,基准面轮廓度的测量对于保证工程精度非常重要。
比如,在建筑工程中,地板、天花板等表面的平整度直接影响到整个建筑的美观和结构稳定性。
形位公差定义及检测方法一、直线度的定义及检测方法定义:直线度是指零件被测的线要素直不直的程度。
检测方法概述:㈠.将平尺(小零件可用刀口尺)与被测面直接接触并靠紧。
此时平尺与被测面之间的最大间隙即为该检测面的直线度误差。
一般公用检测器具-塞尺。
(图片)按此方法检测若干条素线,取其中最大误差值作为该件的直线度误差。
㈡.将被测件放在平台上,并靠紧方箱或直角尺(或者将被测件放置在等高V型铁上)。
用杠杆表在被测素线的全长范围内测量,同时记录检测数值,最大数值与最小数值之差即为该条素线直线度误差。
(简图):按上述方法测量若干条素线,并计算,取其中最大的误差值,作为被测零部件的直线度误差。
㈢将被测零部件用千斤顶支起,利用杠杆表将被测素线的两端点调整到与平台平行,在被测素线的全长范围内测量,同时记录,读数,最大值与最小值之差即为该素线的直线度误差,按同样方法测量若干条素线,取其中最大的误差值作为该被测件的直线度误差。
㈣综合量规:综合量规的直径等于被测零件的实效尺寸,综合量规必须通过被测零件。
二、平面度定义及检验方法平面度是指零件被测表面的要素平不平得程度。
㈠将被测件用千斤顶支撑在平台上,调整被测表面最远的三点A,B,C,(利用杠杆表或高度尺)使其与平台平行,然后用测头在整个实际表面上进行测量,同时记录读数,其最大与最小读数之差,即为被测件平面度误差。
㈡用刀口尺(小型件)或平尺(较大型件)在整个被测平面上采用“米”字型或栅格型方法进行检测,用塞尺进行检验,取其塞尺最大值为该被测零件得平面度误差。
㈢环类垫圈类零件将被测件的被测面放在平台上,压紧,然后用塞尺检测多处,其塞入的最大值即为该件的平面度误差。
(或者将被测件的被测面用三块等高垫铁在平台上均分支撑,然后用杠杆表在被测面的多处进行检测,取其最大与最小读数的差作为该件的平面度误差。
三、圆度定义及测量方法定义:圆度是指具有圆柱面(包括圆锥面)的零件在同一横剖面内的实际轮廓不圆的程度。
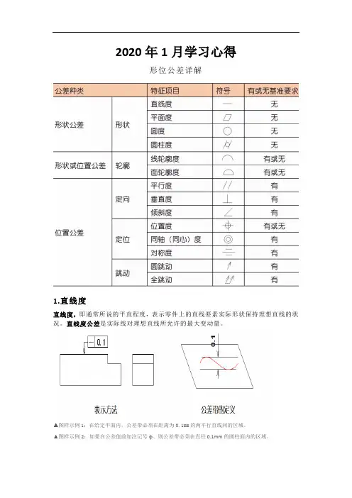
2020年1月学习心得形位公差详解1.直线度直线度,即通常所说的平直程度,表示零件上的直线要素实际形状保持理想直线的状况。
直线度公差是实际线对理想直线所允许的最大变动量。
▲图样示例1:在给定平面内,公差带必须在距离为0.1mm的两平行直线间的区域。
▲图样示例2:如果在公差值前加注记号φ、则公差带必须在直径0.1mm的圆柱面内的区域。
2.平面度平面度,即通常所说的平整程度,表示零件的平面要素实际形状,保持理想平面的状况。
平面度公差是实际表面对理想平面所允许的最大变动量。
▲图样示例:公差带是位于距离0.08mm的两个平行平面之间的区域。
3.圆度圆度,即通常所说的圆整程度,表示零件上圆的要素实际形状与其中心保持等距的状况。
圆度公差是在同一截面上,实际圆对理想圆所允许的最大变动量。
▲图样示例:公差带必须在同一正截面上,半径差为公差值0.03mm的两个同心圆之间的区域。
4.圆柱度圆柱度是表示零件上圆柱面外形轮廓上的各点,对其轴线保持等距状况。
圆柱度公差是实际圆柱面对理想圆柱面所允许的最大变动量。
▲图样示例:公差带是半径差为公差值0.1mm的两个同轴圆柱面之间的区域。
5.线轮廓度线轮廓度是表示在零件的给定平面上,任意形状的曲线,保持其理想形状的状况。
线轮廓度公差是指非圆曲线的实际轮廓线的允许变动量。
▲图样示例:公差带是由包络一系列直径为公差0.04mm的圆的两包络线之间的区域。
诸圆的圆心位于具有理论正确几何形状的线上。
6.面轮廓度面轮廓度是表示零件上的任意形状的曲面,保持其理想形状的状况。
面轮廓度公差是指非圆曲面的实际轮廓线,对理想轮廓面的允许变动量。
▲图样示例:公差带是由包络一系列直径为0.02mm的球的两条包络线之间,诸球的中心理论上应位于理论正确几何形状的面上。
7.平行度平行度,即通常所说的保持平行的程度,表示零件上被测实际要素相对于基准保持等距离的状况。
平行度公差是被测要素的实际方向,与基准相平行的理想方向之间所允许的最大变动量。
GDT干货几何公差之轮廓度公差解析轮廓是指:表面外形或者各截面的独立轮廓;轮廓度用于控制表面,只适用于RFS,基准可以带RMB、MMB、LMB修饰符;测量时所有表面要素都必须落在公差带内,才合格;轮廓度公差分为线轮廓度公差和面轮廓度公差;(1)线轮廓(Profile of a Line):线轮廓度用来控制表面线要素相对理论轮廓的偏差;公差带沿被测要素的每个线要素的理论正确轮廓均匀分布,是二维的公差带;理论正确轮廓可以由数学模型或二维视图定义,如下示意图线轮廓的公差带及测量:测量时千分表要垂直于被测表面,理论轮廓为移动轨迹,实际轮廓为测量轨迹;被测线要素沿着垂直于线轮廓投影视图方向可以呈波浪形;(2)面轮廓(Profile of a Surface)面轮廓度用来控制表面相对理论轮廓的偏差;公差带是沿着被测要素的长度、宽度、高度方向延伸的三维公差带;测量时千分表要垂直于被测表面,理论轮廓为移动轨迹,实际轮廓为测量轨迹;(3)轮廓度公差可带基准也可以不带基准根据设计功能要求,轮廓度公差可以有参照基准,也可以没有;轮廓度不带基准时用于控制要素相对于理论轮廓的尺寸和形状;轮廓度带基准时是相对于理论轮廓对大小、形状、方向和位置的综合控制;理论轮廓是由基本尺寸标注定义的工件上的准确要素轮廓;(4)面轮廓度是最严格的控制方式,可以综合控制要素的尺寸、形状、方向、位置;(5)面轮廓可控制的要素包括:平面、曲面或不规则的表面如:多边形、台阶面,也可用来控制圆柱面、圆锥面、纺锤面等;(6)全周/全面符号、区间符号(All Around / Over Symbol、Between Symbol)全周符号 All Around(轮廓度指引线拐角处单个圆圈):全面符号 All Over(轮廓度指引线拐角处两个同心圆圈):区间符号Between Symbol(轮廓度框格下的箭头):表示轮廓度公差带的适用区间(7)ASME Y14.5中的非对称轮廓度,单边轮廓度(Unilateral Profile),如下图:公差带宽度0.3,允许向增加材料一侧的轮廓度公差为0,减少材料一侧的公差带为0.3;不等双边轮廓度(Unequal bilateral Profile),如下图:公差带宽度0.3,允许向增加材料一侧的轮廓度公差为0.1,减少材料一侧的公差带为0.2;(8)ISO1101规定非对称轮廓度公差带标注法(Unequal bilateral Profile Tolerance Zone)1.理论轮廓线;2.球定义偏移理论轮廓的距离;3.球定义总公差范围;4.总的轮廓区域;“+”表示材料外;“-”表示材料内;找到理论轮廓线,UZ后的值为负,向内偏移此值作为对称分布线,为正则向外偏移;(9)非均匀分布公差带(Non-Uniform Profile)公差带宽度是不固定的:(10)ASME Y14.5中的组合轮廓度组合轮廓度解析:应用在单个要素或者一组要素;可以写成两行或者多行,每行都有一个轮廓度符号;标注位置、尺寸大小、形状、相对位置和/或方向的基本尺寸用在所有的行;下一行的参照基准要按照顺序不完全重复上一行的参照基准;下公差框的公差值要小于上公差框的公差值;每一行都是独立的,可以单独解释;每一行必须分别检测合格,才合格;(11)ASME Y14.5中的复合轮廓度,当功能设计要求工件上的要素位置公差比较大,要素的尺寸、形状和/或方向公差比较小(加严控制),就需要使用复合轮廓度;公差带理解:复合轮廓度解析:第1行控制要素位置,其他行控制要素尺寸大小、形状和/或方向、要素间相对位置;标注位置的基本尺寸用于第1行,标注尺寸大小、形状和/或方向、相对位置的基本尺寸用在其它行;可以应用在单个要素或者一组要素;可以写成两行或者多行,公用一个轮廓度符号;下一行的参照基准要按照顺序重复上一行的参照基准;下公差框的公差值要小于上公差框的公差值;每一行必须分别检测合格,才合格;同时性要求默认不能应用到复合轮廓度的第2、3、4行;(12)面轮廓总结(Summary of Surface Profile)面轮廓度公差可以有基准或者无基准,没有基准时,面轮廓度控制表面的形状和/或尺寸;有基准时,面轮廓度控制表面的尺寸、形状、方向和位置;公差只能应用RFS,基准可带、可不带ⓂⓁ等修饰符;面轮廓度的理论轮廓(True Profile)要有基本尺寸(Basic Dimension)定义;美标中需要控制曲面或者平面的位置度时,要使用面轮廓度;。
第4章表面轮廓度(讲稿)第4章表面轮廓度第1节概述一表面轮廓的特征与形成1 表面粗糙度定义在机械加工过程中,由于整个加工工艺系统的原因,会在零件表面留下加工误差。
在切削过程中由于切屑分离时的塑性变形、工艺系统的振动以及刀具和被加工表面的摩擦等原因,会使零件表面留下微小的凹凸不平的痕迹,其微小峰谷的高低以及间距的细密程度所构成的微观几何形状误差称为表面粗糙度。
表面粗糙度对机器零件的使用性能影响很大,为保证产品质量、提高机器的使用寿命以及降低生产成本,设计时必须对零件的表面轮廓精度提出合理要求。
2 表面波纹度和表面形状误差在加工过程中,由于机床—刀具—工件系统的强迫振动、刀具进给的不规则和回转质量的不平衡等原因,在零件表面留下的波距较大且具有较强周期性的误差称为表面波纹度。
由于刀具导轨倾斜等原因造成的误差则为宏观的表面形状误差。
表面轮廓误差如图4-1所示。
3 表面粗糙度、表面波纹度、表面形状误差的划分表面粗糙度、表面波纹度和表面形状误差的划分,通常按相邻两波峰或波谷之间的距离,即波距的大小来划分,或按波距与波幅(峰谷高度)的比值来划分。
波距小于1mm并呈周期性变化的,属于表面粗糙度范围;波距在1mm~10mm之间并呈周期形变化的,属于表面波纹度范围;波距在10mm以上且无明显周期变化的,属于表面形状误差。
图4-1表面几何形状误差二表面粗糙度对零件性能的影响(略)第2节 表面粗糙度的评定一 主要术语和定义1 λs 滤波器2 λc 滤波器3 表面轮廓表面轮廓是平面与实际表面相交所得的轮廓。
按照平面相截的方向不同,又可分为X 向表面轮廓和Y 向表面轮廓,通常是指X 向表面轮廓,即与加工纹理方向垂直的截面上的轮廓,如图4-3所示。
4 取样长度 l r取样长度l r 是指用于判别被评定轮廓具有表面粗糙度特征的X 轴向上的长度,如图4-4所示。
l r 在数值上与轮廓滤波器λc 的标志波长相等。
规定和选择l r 是为了限制和减弱表面波纹度对表面粗糙度测量结果的影响。
轮廓度符号标注与含义
轮廓度符号是机械制图中用于表示轮廓度公差的一种标注方法。
它主要用于描述被测实际轮廓与理想轮廓之间的允许偏差。
轮廓度符号有不同的类型,如线轮廓度符号和面轮廓度符号。
以下分别介绍这两种符号及其含义:
1. 线轮廓度符号:
线轮廓度公差的标注是包络一系列直径为公差值t的圆的两包络线之间的区域,而各圆的圆心位于理想轮廓线上。
标注方法:
无基准要求:公差带是直径为公差值t、球心位于被测要素理论正确形状上的一系列圆球的两包络面所限定的区域。
有基准要求:公差带是直径为公差值t、球心位于由基准平面确定的被测要素理论正确几何形状上的一系列圆球的两包络面所限定的区域。
2. 面轮廓度符号:
面轮廓度符号用于表示面轮廓度公差。
面轮廓度是指被测实际轮廓相对于理想轮廓的变动情况。
标注方法:
无基准要求:公差带是直径为公差值t、球心位于被测要素理论正确形状上的一系列圆球的两包络面所限定的区域。
有基准要求:公差带是直径为公差值t、球心位于由基准平面确定的被测要素理论正确几何形状上的一系列圆球的两包络面所限定的区域。
总之,轮廓度符号标注与含义主要描述了轮廓度公差的计算方法和限制条件,以便在机械制造过程中确保产品尺寸和形状的准确性。
了解这些符号及其含义,有助于更好地进行机械制图和加工。
William Liu Nov.2005形位公差概述1、定义形位公差:是表示零件的形状和其相互间位置的精度要求。
2、形状和位置公差的分类形位公差:☹形状公差:A:直线度;B:平面度;C:圆度;D:圆柱度;E:线轮廓度;F:面轮廓度。
☹位置公差:A:定向公差:a:平行度;b:垂直度c:倾斜度。
B:定位公差:a:同轴度;b:位置度;c:对称度。
C:跳动:a:圆跳动;b:全跳动。
1形狀公差•形状公差的特点:可将其分成两组•1、直线度、平面度、园度、圆柱度:•特点:都是单一要素;没有基准;公差带位置是浮动的;•公差带方向为形位误差安最小区域法所形成的•方向一致。
•2、线轮廓度、面轮廓度:•特点:•1)、当线、面轮廓度是用来控制形状时,它是单一要素,•没有基准,公差带位置是浮动的。
•2)、当线、面轮廓度是用来控制形状和位置时,它是关•联要素,有基准,公差带位置是固定的。
•3)、当线轮廓度是封闭形状时,它是单一要素,没有基准•,公差带位置是固定的。
直線度公差1、定义:直线度是用来限制被测实际直线形状误差的一项指标。
2、平面上的直线度公差带是夹在距离为公差值的两条理想的平行线之间的区域。
0.01f=0.01空間直線度公差3、空间的直线度公差带:是直径为公差值Ф0.04mm的圆柱面内区域。
Ø0.04Ø0.04平面差公差1、定义:平面度是用来限制实际平面形状误差的一项指标。
0.012、平面度公差带:是距离为公差值0.01mm的两平行平面间的区域。
圓度公差0.05f =0.052、公差带是半径差为公差值0.05mm 的两同心园之间区域。
1、定义:圓度是限制回转体的正截面或过球心的任意截面轮廓圓形状误差的一项指标。
圓柱度公差1、定义:圆柱度是综合限制圆柱体正截面和纵截面的圆柱形状误差的一项指标。
0.052、圆柱度公差带:是半径差为公差值0.05mm 的两同轴圆柱面之间区域。
1、定义:是限制平面曲线形状误差的一项指标。
面轮廓度是表示零件上的任意形状的曲面,保持其理想形状的状况。
面轮廓度公差是指没互非圆曲面的实际轮廓线,对理想轮廓面的允许变动量。
也就是图样上给定的,用以限制实际曲面加工误差的变动范围。
关于面轮廓&线轮廓的公差同时使用荡陵的案例,是美标教程上截下来的。
所以如果这种情况有误,可以提供依据吗,谢谢。
无论美标还是国标,规定面轮廓度的基准可有可无。
图纸标注面轮廓度0.5,就是该平面(或曲面)高点和低点的差值是0.5mm,并且到理论正确位置不能上下超过0.25mm。
必须满足后者,如果,单边超过0.25,而总值并未超过0.5,也是不盯膨孝合格的。
一.面轮廓度符号及含义
轮廓度符号及含义是线轮廓度公差的标注是包络一系列直径为公差值t的圆的两包络线之间的区域,而各圆的圆心位于理想轮廓线上。
标注方法:无基准要求公差带是直径为公差值t、球心位于被测要素理论正确形状上的一系列圆球的两包络面所限定的区域。
有基准要求公差带是直径为公差值t、球心位于由基准平面确定的被测要素理论正确几何形状上的一系列圆球的两包络面所限定的区域。
轮廓度的定义
直线度:限制实际直线对理想直线变动量的一种形状公差。
平面度:指基片具有的宏观凹凸高度相对理想平面的偏差。
圆度:指工件的横截面接近理论圆的程度。
圆柱度:指任一垂直截面最大尺寸与最小尺寸差为圆柱度。
线轮廓度:是对曲线形状的要求,是限制实际曲线对理想曲线变动量的一项指标。
面轮廓度:指被测实际轮廓相对于理想轮廓的变动情况。
平行度:指一平面(边)相对于另一平面(边)平行的误差最大允许值。
垂直度:评价直线之间、平面之间或直线与平面之间的垂直状态。
面轮廓度基准面轮廓度是一种用来测量物体表面平整度的指标。
通俗地讲,它可以用来描述一个表面的平整程度,越平整的表面,其面轮廓度值越小,反之越大。
其实,面轮廓度并不是一个单一的数值,而是以一组数值所表示的均值、最大值和最小值来衡量一个物体表面的平整程度。
在实际应用中,面轮廓度是一项很重要的制造质量指标,因为它关系到许多机械设备的使用寿命和性能。
那么,面轮廓度的测量基准是什么呢?首先,需要明确的是,不同的国家或地区可能会有不同的测量标准和检验方法。
因此,在进行面轮廓度的测量时,应该按照所在国家或地区的规定来执行。
以下是国内常用的几项标准和检验方法:1. JB/T4322-2007《平面及直线轮廓度测量方法》这是中国机械工业标准化技术委员会发布的一项标准,它规定了采用激光测量仪、光栅尺、直线表等工具测量物体平面和直线轮廓度的方法和要求。
这个标准是由中国质量认证中心发布的,它详细规定了采用光学投影法、扫描测量法和形位误差测量法等测量平面轮廓度的方法和要求。
3. ISO1101-2017《几何产品规范(GPS)-平面度、圆柱度、中心位置和垂直度要求》ISO1101是国际标准化组织(ISO)颁布的一项标准,它的目的是规定各种技术领域中对于平面度、圆柱度、中心位置和垂直度要求的标准化方法。
这个标准由于统一了国际范围内的测量方法和术语,具有很高的通用性。
无论采用哪种测量方法或标准,为了保证测量的准确性,一般需要在测量前对测量设备进行校准,并对测量结果进行多次的平均值计算。
综上所述,面轮廓度是衡量物体表面平整度的一个重要指标,其测量基准应该根据所在国家或地区的相关标准来执行。
在进行测量前,应该对测量设备进行校准,并对测量结果进行多次的平均值计算,以确保测量结果的准确性和可靠性。
面轮廓度的基准定义
一、面轮廓度的概念
面轮廓度是指一个物体或图形的边缘线条的复杂程度。
当物体或图形的边缘线条比较简单时,称为低面轮廓度;当边缘线条比较复杂时,称为高面轮廓度。
面轮廓度可以用于描述物体的形状、曲线的复杂程度以及图形的边缘特征。
二、面轮廓度的应用领域
1. 图像处理:面轮廓度可以用于图像边缘检测和图像分割。
通过计算物体边缘的复杂程度,可以对图像进行分割或边缘提取,从而实现图像识别、目标跟踪等应用。
2. 工业设计:在产品设计中,面轮廓度可以用来评估产品外观的复杂程度。
对于一些高端产品,复杂的面轮廓度可以增加产品的美感和独特性。
3. 地质勘探:在地质勘探中,面轮廓度可以用来识别地质构造的复杂程度。
通过对地质构造的面轮廓度进行分析,可以推测地下矿藏的分布和形态。
4. 生物学研究:在生物学研究中,面轮廓度可以用来描述生物体的形态特征。
通过对生物体的面轮廓度进行分析,可以研究生物体的进化过程和适应环境的能力。
三、面轮廓度的计算方法
面轮廓度的计算方法有多种,常见的方法包括曲率计算、边缘检测和曲线拟合等。
其中,曲率计算是一种基于微分几何的方法,可以通过计算曲线的曲率来评估面轮廓度的复杂程度。
边缘检测方法主要是通过寻找图像中灰度变化较大的像素点来提取边缘,从而计算面轮廓度。
曲线拟合方法则是通过将曲线拟合到给定的数据点上,从而计算面轮廓度。
四、面轮廓度的意义和作用
面轮廓度可以反映物体或图形的形状复杂程度,具有重要的意义和作用。
首先,面轮廓度可以用来评估产品设计的外观美感和独特性,对于提高产品的竞争力具有重要的作用。
其次,面轮廓度可以用于图像处理和分析,对于实现图像识别、目标跟踪等应用具有重要的意义。
最后,面轮廓度可以用来研究生物体的形态特征和进化过程,对于深入理解生物学现象具有重要的意义。
面轮廓度是描述一个物体或图形的边缘线条复杂程度的指标。
面轮廓度的应用领域广泛,包括图像处理、工业设计、地质勘探和生物学研究等。
面轮廓度的计算方法有多种,可以通过曲率计算、边缘检测和曲线拟合等方法来评估面轮廓度的复杂程度。
面轮廓度的意义和作用主要体现在评估产品外观、图像处理和分析以及生物学研究等方面。
面轮廓度的研究不仅可以帮助我们更好地理解物体的形状特征,还可以为产品设计、图像处理和生物学研究等领域提供重要的参考依据。