轮系补充练习题(1)
- 格式:doc
- 大小:85.00 KB
- 文档页数:2
第六章轮系测试题及答案一、选择题1. 齿轮传动中,齿数比是指()。
A. 齿轮的齿数B. 两个齿轮的齿数之比C. 齿轮的直径比D. 齿轮的周长比答案:B2. 轮系中,行星轮的作用是()。
A. 传递动力B. 改变传动比C. 改变旋转方向D. 以上都是答案:D3. 在齿轮传动中,如果主动轮的转速为1000转/分钟,从动轮的齿数是主动轮的两倍,那么从动轮的转速为()。
A. 500转/分钟B. 2000转/分钟C. 1000转/分钟D. 无法确定答案:A二、填空题1. 轮系中,如果主动轮的齿数为30,从动轮的齿数为60,那么齿数比为______。
答案:1:22. 在一个行星轮系中,太阳轮的转速为200转/分钟,行星轮的转速为100转/分钟,那么行星架的转速为______。
答案:150转/分钟三、简答题1. 请简述轮系的基本组成。
答案:轮系通常由主动轮、从动轮、行星轮和行星架组成。
2. 轮系在机械传动中有什么作用?答案:轮系在机械传动中主要用于改变转速和扭矩,实现动力的传递和分配。
四、计算题1. 已知一个齿轮传动系统,主动轮齿数为40,从动轮齿数为80,求传动比。
答案:传动比为2:1。
2. 一个行星轮系中,太阳轮齿数为20,行星架固定,行星轮齿数为40,求行星轮的转速,如果太阳轮的转速为500转/分钟。
答案:行星轮的转速为1000转/分钟。
五、论述题1. 论述齿轮传动和轮系传动在机械设计中的重要性。
答案:齿轮传动和轮系传动在机械设计中具有至关重要的作用。
它们不仅可以实现动力的高效传递,还可以通过改变齿数比来调整转速和扭矩,满足不同的工作需求。
此外,轮系传动还可以实现复杂的运动控制,如改变旋转方向和实现多轴驱动等,对于提高机械设备的性能和灵活性具有重要意义。
☼7-5-3《轮系》计算题专项训练(一)☼班级姓名学号例1在图示轮系中,已知各轮齿数为:z1 =z1' = 40,z2=z4=30,z3=z5=100,试求传动比i1H。
解:齿轮1',4,5和系杆H组成了一个差动轮系。
齿轮1,2,3和齿轮5(充当系杆)组成了一个行星轮系。
在由齿轮1,2,3和齿轮5(系杆)组成的行星轮系中由于n 3=0,故有在由齿轮1',4,5和系杆H组成的差动轮系中即分析两个基本轮系的联系,可知n1= n1'(c)将(a),(c)两式代入(b),可得计算结果为正,表明从动系杆H和主动齿轮1的转向相同。
例 2 在图示轮系中,已知各轮齿数为:z 1 = 90,z 2 = 60,z 2' = 30,z 3 =30,z 3' = 24,z 4 = 18,z 5 = 60,z 5' = 36,z 6 = 32。
运动从A,B两轴输入,由构件H输出。
已知n A=100r/min,n B=900r/min,转向如图所示。
试求输出轴H的转速n H的大小和方向。
解:齿轮3',4,5和系杆H组成了一个差动轮系齿轮1,2,2',3组成了一个定轴轮系,齿轮5',6组成了另一个定轴轮系。
对于齿轮3',4,5和系杆H组成的差动轮系,有即对于齿轮1,2,2',3组成的定轴轮系,有即对于齿轮5,6组成的定轴轮系,有即分析三个轮系之间的基本联系,有将该结果带入(a)式,可得化简整理后得计算结果为负,说明n H转向与n 5 相同,即n A,n B转向相反。
例3 在图示轮系中,已知齿轮1的转速为n 1 =1650 r/min,齿轮4的转速n4=1000r/min,所有齿轮都是标准齿轮,且z 2=z 5=z 6=20。
求各个齿轮中未知的齿轮齿数。
解:由齿轮1与齿轮3和齿轮6与齿轮4的同轴条件得齿轮1,2,3及系杆H1组成差动轮系;齿轮4,5,6及系杆H2组成行星轮系。
第六章轮系计算题专项训练(附答案)1、已知齿数和转速,求蜗轮的转速和各轮的回转方向。
齿数和转速的关系可以用传动比公式i=n1/n4来表示,因此先求出传动比i,再用i和n1求出n4.i的计算公式为i=z2z4z5z6/z1z2'z4'z5',代入数据计算得到i=220.7.然后代入i 和n1=800r/min,求得n4=3.62r/min。
回转方向可以根据齿轮的齿数和传动方式(直接传动或倒置传动)来确定。
2、已知各轮的齿数,求传动比i。
传动比的计算公式为i=z2z4z5z6/z1z2'z4'z5',代入数据计算得到i=16.3、已知各轮的齿数和蜗杆的参数,求传动比i。
传动比的计算公式同样为i=z2z4z5z6/z1z2'z4'z5',代入数据计算得到i=17.4、已知各轮的齿数和主动轴的转速,求齿轮5的转速和方向。
先用传动比公式i=n1/n5求得i=200,再用i和n1=500r/min求得n5=2.5r/min。
齿轮5的方向可以根据箭头来确定。
5、已知各轮的齿数,求传动比i。
传动比的计算公式同样为i=z2z4z5z6/z1z2'z4'z5',代入数据计算得到i=16.6、已知各轮的齿数和主动轴的转速,求传动比i和齿轮5的转动方向。
传动比的计算公式同样为i=z2z4z5z6/z1z2'z4'z5',代入数据计算得到i=40.齿轮5的方向可以根据箭头来确定。
7、已知各轮的齿数和蜗杆的参数,求传动比i和轮6的转速和方向。
传动比的计算公式同样为i=z2z4z5z6/z1z2'z4'z5',代入数据计算得到i=4.轮6的转速可以用传动比公式i=n1/n6求得,代入n1=1200r/min和i=4计算得到n6=300r/min。
轮6的方向可以根据蜗杆的旋转方向和箭头来确定。
轮系练习题轮系练习题一一、填空1.由一系列相互啮合齿轮所构成的传动系统称为_________.2.根据轮系传动时各齿轮轴位置是否固定,将轮系分为_____________两类。
3.当轮系运行时,所有齿轮的几何轴相对于机架的位置是固定的,称为___4。
具有固定轴齿轮系和行星齿轮系的齿轮系称为___5.采用行星轮系,可以将两个独立的运动_______为一个运动,或将一个运动_______为两个独立的运动.6.齿轮系包含伞齿轮、蜗轮、齿轮和齿条,每个车轮的转向只能使用_____7。
固定轴齿轮系中的传动比等于_______________________________8.在各齿轮轴线相互平行的轮系中,若齿轮的外啮合对数是偶数,则首轮与末轮的转向_______;若为奇数,则首轮与末轮的转向__________.9.在齿轮系中,惰轮通常用于行驶一小段距离,在特殊情况下需要更换10.在轮系中,末端件若是齿轮齿条,它可以把主动件的________运动变为齿条的______运动.11.齿轮系的特点:(1)可用的传动比;(2)可实现的远程驱动;(3)它可以实现___________________;(4)可以锻炼吗12.平面定轴轮系中传动比计算公式为_________,其中(-1)的n次方,n表示________.若(-1)的n次方为正,则首、末两轮转向____.13.固定齿轮系中任何从动件的速度计算公式为___________14.定轴轮系末端通常有下列三种传动形式,则末端件的移动速度v(或移动距离l)的计算公式分别为:(1)当端部为螺旋驱动时:_______________________________3)当端部为齿条和齿轮驱动时:_______1.若齿轮与轴之间(),则齿轮与轴各自转动,互不影响.a.空套b.固定c.滑移d.空间配合2.在如图所示的齿轮系中,如果Z1=Z2=Z3'=Z4=20,Z3=Z5=60,且齿轮1、3和3'与5同轴,尝试找到传动比i15。
一、填空题:欧阳引擎(2021.01.01)1.轮系可以分为:定轴轮系和周转轮系。
2.定轴轮系是指:当轮系运动时,各轮轴线位置固定不动的轮系;周转轮系是指:轮系运动时,凡至少有一个齿轮的轴线是绕另一齿轮的轴线转动的轮系。
3.周转轮系的组成部分包括:太阳轮、行星轮和行星架。
4.行星轮系具有 1个自由度,差动轮系有 2自由度。
5、行星轮系的同心条件是指:要使行星轮系能正常运转,其基本构件的回转线必须在同一直线上。
6、确定行星轮系中各轮齿数的条件包括:传动比条件、同心条件、均布条件、邻接条件。
7、正号机构和负号机构分别是指:转化轮系的传动比Hi为正号1n或者负号的周转轮系。
动力传动中多采用负号机构。
二、分析计算题1、在图示的车床变速箱中,移动三联齿轮a使3’和4’啮合。
双移动双联齿轮b使齿轮5’和6’啮合。
已知各轮的齿数为z 1=42,582=z ,38'3=z ,42'4=z ,48'5=z ,48'6=z 电动机的转速为n 1=1445r/min ,求带轮转速的大小和方向。
解:3858483842484258'5'31'6'426116-=⨯⨯⨯⨯=-==z z z z z z n n imin/9466r n -=(与电动机转动方向相反)2、在图示的轮系中,已知各轮齿数为20z z z z z 65321=====, 已知齿轮1、4、5、7为同轴线,试求该轮系的传动比17i 。
(1)z z z z z 41231225520100=++==⨯=(2)i z z z z z z z z z z 17323467123561=-() =-⨯⨯=-100602020153、在图示轮系中,已知:蜗杆为单头且右旋,转速n 11440= r/min ,转动方向如图示,其余各轮齿数为:40 2=z ,20 '2=z ,303=z ,18 '3=z ,54 4=z ,试:(1)说明轮系属于何种类型; (2)计算齿轮4得转速n 4;(3) 在图中标出齿轮4的转动方向。
☼7-5-1《轮系》练习题(一)☼班级姓名学号一、填空题:1、平面定轴轮系传动比的大小等于;从动轮的回转方向可用方法来确定。
2、所谓定轴轮系是指。
3、所谓周转轮系是指。
4、蜗轮的转向不仅与的转向有关,而且与其方向有关。
5、在轮系的传动中,有一种不影响传动比大小,只起改变转向作用的齿轮,我们把它称为。
6、差动轮系的自由度是,行星轮系的自由度是。
在周转轮系中,轴线固定的齿轮称为;兼有自转和公转的齿轮称为。
7、基本周转轮系是由、、组成。
8、在复合轮系传动比计算中,应正确区分各个轮系,其关键在于。
9、在周转轮系传动比计算中,运用相对运动的原理,将周转轮系转化成假想的定轴轮系方法称为。
10、汽车后桥差速器是作分解运动的应用。
二、选择题:1、轮系可以分为()两种类型。
A、定轴轮系和差动轮系B、差动轮系和行星轮系C、定轴轮系和复合轮系D、定轴轮系和周转轮系2、差动轮系的自由度为()。
A、1B、2C、3D、43、行星轮系的自由度为()。
A、1B、2C、3D、44、在定轴轮系中,设轮1为起始主动轮,轮N为最末从动轮,则定轴轮系始末两轮传动比数=()。
值计算的一般公式是i1nA、轮1至轮N间所有从动轮齿数的乘积 / 轮1至轮N间所有主动轮齿数的乘积B、轮1至轮N间所有主动轮齿数的乘积 / 轮1至轮N间所有从动轮齿数的乘积C、轮N至轮1间所有从动轮齿数的乘积 / 轮1至轮N间所有主动轮齿数的乘积D、轮N至轮1间所有主动轮齿数的乘积 / 轮1至轮N间所有从动轮齿数的乘积A 、i H mn =(n m —n H )/(n n —n H )B 、i H mn =(n n —n H )/(n m —n H )C 、i Hmn =(n H —n n )/(n m —n n ) D 、i Hmn =(n m —n n )/(n n —n H ) 6、基本周转轮系是由( )构成。
A 、行星轮和中心轮B 、行星轮、惰轮和中心轮C 、行星轮、行星架和中心轮D 、行星轮、惰轮和行星架 7、下列四项功能中,哪几项( )可以通过轮系的运用得以实现。
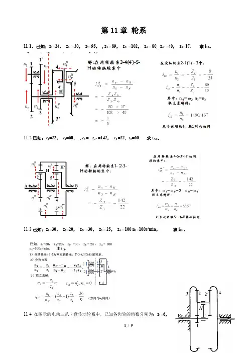
第11章轮系11-1、已知:z1=24,z1’=30,z2=95,, z3 =89,z3’=102,z4 = 80,z4’=40,z5=17.求i15。
11-2已知:z1=22,z2=60,, z3 =z3’=142,z4 =22,z5=60.求i AB。
11-3已知:z1=30,z2=20,z2’=30,z3 =25,z4 =100 n1=100r/min,求i1H。
11-4 在图示的电动三爪卡盘传动轮系中,已知各齿轮的齿数分别为:z1=6,z2=z2’=25,z3 =57,z4 =56,求传动比i1411-5 图示轮系,已经各齿轮齿数为:z1=24,z1’=34,z2=40,z2’=40,z3 =18,z3’=38,z4 =36,z4’=22,求该轮系传动比i AH,11-6 图示轮系,已经各齿轮齿数为:z1=22,z3 =z5,求该轮系传动比i1511-7 .图 示 轮 系 中, 已 知z z z z 134420====',z 280=,z 560=。
若n A =1000 r/min, 求n B 的 大小 及 方 向。
(1) n z z n 212120801000250=-=-⨯=-r/min n n 23= (2) i n n n n n z z z z H H H H 3533453401206020203=--=-=-=-⨯⨯=-'(3)n n H34=11-8 .图 示 轮 系 中, 已 知 各轮 齿 数, 试 求 轮 系 的 传 动 比 i AB 。
( 写 成 齿 数 比 的 形 式〕(1)(2)11-9 .在 图 示 轮 系 中, 已 知 各 轮 的 齿 数z z 1380==',z z 3520==, 及 齿 轮1 的 转 速n 170= r/min, 方 向 如 图 示。
试 求 齿 轮5 的 转 速n 5 的 大 小 及 方 向。
(1) 1、2、3 为 定 轴 轮 系。
轮系一、填空题1.传动时,各轴线位置固定不变的轮系称为定轴轮系。
2.轮系中惰轮只能改变齿轮的传动方向,不改变传动比。
3.行星轮系由行星轮、中心轮和系杆三种基本构件组成。
4.周转轮系按其自由度数目不同,可分行星轮系和差动轮系。
5.在周转轮系中,几何轴线固定的齿轮称为太阳轮,几何轴线运动的齿轮称为行星轮,支承行星轮并和它一起绕固定轴线旋转的构件称为系杆。
6. 定轴轮系的传动比,等于组成该轮系的所有从动轮齿数连乘积与所有主动轮齿数连乘积之比。
7.下图所示,属于定轴轮系轮系。
9.下图所示,属于周转轮系轮系。
二、判断题1.轮系可分为定轴轮系和周转轮系两种。
(×)2.旋转齿轮的几何轴线位置均不能固定的轮系,称之为周转轮系。
(×)3.至少有一个齿轮和它的几何轴线绕另一个齿轮旋转的轮系,称为定轴轮系。
(×)4.定轴轮系首末两轮转速之比,等于组成该轮系的所有从动齿轮齿数连乘积与所有主动齿轮齿数连乘积之比。
(√)5.在周转轮系中,凡具有旋转几何轴线的齿轮,就称为中心轮。
(×)6.在周转轮系中,凡具有固定几何轴线的齿轮,就称为行星轮。
(×)三、选择题1、轮系( B )A.不能获得很大的传动比B.可以实现变向和变速要求C 不适宜作较远距离传动 D. 可以实现运动的合成但不能分解运动2、定轴轮系的传动比大小与惰轮的齿数( B )A.有关B.无关C.成正比D.成反比3、一对外啮合圆柱齿轮传动,传动比公式计算正确的是( D )A. i12=Z1/Z2B. i12= -Z1/Z2C.i12=Z2/ Z1D.i12= -Z2/ Z14、定轴轮系中各齿轮的几何轴线位置都是( A )。
A.固定的B.活动的C.相交的D. 交错的5、轮系不可实现( D )。
A.大的传动比B.较远距离的传动C.改变从动轴回转方向D.过载保护6、惰轮在轮系中,不影响传动比大小,只影响从动轮( A )。
A.旋转方向B.转速C. 传动比D.齿数四、思考题1.如图下所示,已知各齿轮齿数:Z1=20;;Z2=28;Z3=20; Z3′=60;Z4=40; Z4′=30; Z5=50;转向如图所示,求传动比i15,并判定齿轮5的转向。
定轴轮系练习题定轴轮系是机械工程中常见的一种机械传动装置。
它由一个或多个轮与一根轴连接而成,通过这种装置可以实现动力传递。
练习定轴轮系的题目有助于我们加深对该装置的理解和应用,下面将介绍几道典型的练习题。
1. 问题描述:一个汽车发动机的曲轴传动轴长度为40cm,曲轴每分钟转速为4000转,求输出轮的转速和直径,设输出轮与传动轴之间的齿轮比为3:1。
解题思路:首先,我们可以计算出传动轴的转速,即曲轴每分钟转速为4000转,转速等于一分钟内转过的角度。
然后,根据齿轮比和传动轴的转速,可以求出输出轮的转速。
最后,可以利用转速和曲轴转速的关系,求出输出轮的直径。
解题步骤:1)传动轴的转速为4000转/分钟,即每分钟转过的角度为4000 * 360°。
2)根据齿轮比,输出轮的转速为传动轴的转速除以齿轮比。
假设输出轮的齿轮比为3:1,那么输出轮的转速为 (4000 * 360°) / 3。
3)由于输出轮的转速和直径有关,我们需要求出输出轮的直径。
根据转速和直径的关系,输出轮的直径可以表示为输出轮的转速乘以传动轴的直径除以传动轴的转速。
设传动轴的直径为d,则输出轮的直径为 (输出轮的转速 * 40cm) / (4000 * 360°)。
2. 问题描述:一个定轴轮系由一个输入轮、两个中间轮和两个输出轮组成。
已知输入轮的转速为1000转/分钟,输入轮的直径为20cm,中间轮A和B的直径分别为15cm和30cm。
输入轮与中间轮A之间为齿轮,齿轮比为1:2;中间轮A与中间轮B之间为皮带传动,传动系数为0.98;中间轮B与输出轮之间为链传动,齿轮比为1:3,链传动的效率为0.95。
求输出轮的转速和直径。
解题思路:我们将问题分成三个部分来解决:输入轮与中间轮A之间的齿轮传动、中间轮A与中间轮B之间的皮带传动以及中间轮B与输出轮之间的链传动。
根据这三个传动的特点和效率,我们可以逐步求解输出轮的转速和直径。
机械基础轮系试题及答案一、选择题(每题2分,共10分)1. 轮系中,若主动轮转速为n1,从动轮转速为n2,传动比i为:A. n1/n2B. n2/n1C. n1*n2D. n1-n2答案:B2. 轮系中,若主动轮齿数为Z1,从动轮齿数为Z2,传动比i为:A. Z1/Z2B. Z2/Z1C. Z1*Z2D. Z1-Z2答案:B3. 轮系中,若主动轮直径为D1,从动轮直径为D2,传动比i为:A. D1/D2B. D2/D1C. D1*D2D. D1-D2答案:B4. 轮系中,若主动轮扭矩为T1,从动轮扭矩为T2,传动比i为:A. T1/T2B. T2/T1C. T1*T2D. T1-T2答案:B5. 轮系中,若主动轮功率为P1,从动轮功率为P2,传动比i为:A. P1/P2B. P2/P1C. P1*P2D. P1-P2答案:B二、填空题(每题2分,共10分)1. 轮系中,传动比i的计算公式为_________。
答案:主动轮转速/从动轮转速或主动轮齿数/从动轮齿数或主动轮直径/从动轮直径2. 轮系中,若主动轮转速为n1,从动轮转速为n2,则传动比i=_________。
答案:n1/n23. 轮系中,若主动轮齿数为Z1,从动轮齿数为Z2,则传动比i=_________。
答案:Z1/Z24. 轮系中,若主动轮直径为D1,从动轮直径为D2,则传动比i=_________。
答案:D1/D25. 轮系中,若主动轮扭矩为T1,从动轮扭矩为T2,则传动比i=_________。
答案:T2/T1三、简答题(每题5分,共20分)1. 描述轮系中传动比的物理意义。
答案:传动比表示轮系中主动轮与从动轮转速或齿数或直径的比值,反映了轮系的减速或增速效果。
2. 轮系中,为什么主动轮与从动轮的转速比等于它们的齿数比?答案:因为轮系中齿轮的啮合关系使得主动轮与从动轮的齿数比决定了它们的转速比,即齿数多的轮转速慢,齿数少的轮转速快。
1.起重卷扬机机构运动简图如图所示,电机以n 1750=r/min ,按图示方向转动,各齿轮的齿数为z 140=,z z 2220==',试求卷筒的转速和旋转方向。
2.已知轮系主动轮转向如图所示,齿轮均为标准齿轮,标准安装,Z 1=2,Z 2=40,Z 2’=24,Z 3=48,Z 4=120,Z 5=18,Z 6=36,求传动比i 16,并标出轮2、5、6的转向。
1.解:(1)z z z 31224022080=+=+⨯=(2)i n n n n z z H HH 131********=--=-=-=-,i i H H 1131123=-=--=() (3)n n i H H ===117503250 r/min ,与n 1同向。
2.解:Z 1、Z 2组成定轴轮系;Z 2、Z 3、Z 4及Z 5(H )组成周转轮系;Z 5、Z 6组成定轴轮系20122112===Z Z n n i 蜗杆左旋,蜗轮2转向箭头向上。
511'242424'2-=-=--=--=Z Z i n n n n i H H H H62=H i 轮5转向箭头向上 26556==n n i 轮6转向箭头向左 因此 2405621216=⨯⨯=i i i i H2.已知一对标准安装(无侧隙安装)的外啮合渐开线标准直齿圆柱齿轮的中心距 a=360mm,传动比i 12=3,两轮模数m=10mm,且均为正常齿制。
试求:两轮齿数,分度圆直径、齿顶圆直径和齿根圆直径、齿厚和齿槽宽,以及两轮的节圆直径和顶隙c 。
解、因为 3360)(210)(212122121===+=+=z z i z z z z m a 所以 541821==z z 根据渐开线标准直齿圆柱齿轮传动几何尺寸de1计算公式,有:d 1=mz 1=10×18=180mm d 2=mz 2=10×54=540mmd a1=d 1+2h a =180+20=200mm d a2=d 2+2h a =540+20=560mmmm c h z m d a f 155)25.021218(10)22(**11=⨯-⨯-⨯=--=mmc h z md a f 515)25.021254(10)22(**22=⨯-⨯-⨯=--=mm me s 7.1521014.32=⨯===πmm d d 1801/1== mm d d 5402/2== mm m c c 5.21025.0*=⨯==。
轮系一、复习思考题1.为什么要应用轮系?试举出几个应用轮系的实例?2.何谓定轴轮系?何谓周转轮系?行星轮系与差动轮系有何区别? 3.什么叫惰轮?它在轮系中有什么作用?4.定轴轮系的传动比如何计算?式中(-1)m有什么意义? 5.定轴轮系末端的转向怎样判别?6.如果轮系的末端轴是螺旋传动,应如何计算螺母的移动量?二、填空题1.由若干对齿轮组成的齿轮机构称为 。
2.根据轮系中齿轮的几何轴线是否固定,可将轮系分 轮系、 轮系和 轮系三种。
3.对平面定轴轮系,始末两齿轮转向关系可用传动比计算公式中 的符号来判定。
4.行星轮系由 、 和 三种基本构件组成。
5.在定轴轮系中,每一个齿轮的回转轴线都是 的。
6.惰轮对 并无映响,但却能改变从动轮的 方向。
7.如果在齿轮传动中,其中有一个齿轮和它的 绕另一个 旋转,则这轮系就叫周转轮系。
8.旋转齿轮的几何轴线位置均 的轮系,称为定轴轮系。
9.轮系中 两轮 之比,称为轮系的传动比。
10.加惰轮的轮系只能改变 的旋转方向,不能改变轮系的 。
11.一对齿轮的传动比,若考虑两轮旋转方向的同异,可写成±==21n n i ——。
12.定轴轮系的传动比,等于组成该轮系的所有 轮齿数连乘积与所有 轮齿数连乘积之比。
13.在周转转系中,凡具有 几何轴线的齿轮,称中心轮,凡具有 几何轴线的齿轮,称为行星轮,支持行星轮并和它一起绕固定几何轴线旋转的构件,称为 。
14.周转轮系中,只有一个 时的轮系称为行星轮系。
15.转系可获得 的传动比,并可作 距离的传动。
16.转系可以实现 要求和 要求。
17.转系可以 运动,也可以 运动。
18.采用周转轮系可将两个独立运动 为一个运动,或将一个独立的运动 成两个独立的运动。
19.差动轮系的主要结构特点,是有两个。
20.周转轮系结构尺寸,重量较。
21.周转轮系可获得的传动比和的功率传递。
三、判断题1.转系可分为定轴轮系和周转轮系两种。
轮系一、填空题1、平面定轴轮系传动比的大小等于;从动轮的回转方向可用方法来确定。
2、所谓定轴轮系是指,而周转轮系是指。
3、在周转轮系中,轴线固定的齿轮称;兼有自转和公转的齿轮称为;而这种齿轮的动轴线所在的构件称为。
4、组成周转轮系的基本构件有:;,;5、根据轮系中齿轮的几何轴线是否固定,可将轮系分轮系、轮系和轮系三种。
6、轮系中首末两轮转速之比称为_______________ 。
7、由一系列相互啮合的齿轮组成的传动系统称为__________ 。
8、惰轮对并无映响,但却能改变从动轮的方向。
9、自由度为2的周转轮系称为,而自由度为1的周转轮系称为。
10、一对齿轮的传动比,若考虑两轮旋转方向的同异,可写成±==21nni——。
11、复合轮系是指。
复合轮系传动比的正确计算方法是:1);2);3);4)12、采用周转轮系可将两个独立运动为一个运动,或将一个独立的运动成两个独立的运动。
13、差动轮系的主要结构特点,是有两个。
14、周转轮系结构尺寸,重量较。
可获得的传动比和的功率传递。
15、齿轮箱的常见故障有、轴承损坏、和渗漏油、等。
16、车床上铭牌上的CQ6136是什么意思17、对平面定轴轮系,始末两齿轮转向关系可用传动比计算公式中的符号来判定。
18、差动轮系的主要结构特点,是有两个。
19、滚动轴承根据受载不同,可分为推力轴承,主要承受_______负荷;向心轴承,主要承受_______负荷;向心推力轴承,主要承受_____。
20、根据工作条件选择滚动轴承类型时,若轴的转速高,载荷小应选择______轴承。
在重载或冲击载荷下,最好选用______轴承。
21、滚动轴承内圈与轴的公差配合为______制,而外圈与座孔的配合采用______制、22、滚动轴承的主要失效形式为______和______、23、.在决定轴承尺寸时,应针对轴承的主要失效形式进行必要的计算、对于一般运转的轴承,应根据______失效,按____________进行寿命计算、对于不转动或摆动的轴承,应根据______失效,主要进行____________计算、24、内径d=20mm的轴承,其内径代号为______,内径d=15mm的轴承,其内径代号为______。
轮系补充题一、计算题
图示轮系中,z z
1325
==,z
5
100
=,z z z
246
20
===, 试区分哪些构
件组成定轴轮系?哪些构件组成周转轮系?哪个构件是转臂H?传动比i16=?
题一图题二图
二、计算题
如图示轮系,已知z115
=,z
2
24
=,z
2
32
'=,
z
3
36
=,z
4
17
=,z
5
28
=,
n
1
980
=r/min,方向如图所示。
(1)判别该轮系的组成及类型;
(2)求轮5的转速n
5
的大小及方向。
三、计算题
图示轮系中,已知各标准齿轮齿数分别为
z z z z z z
126934
205060
======
,,,z z
510
40
==,z
8
30
=。
求:
(1) 轮7齿数z7;
(2)n1=40 r/min 方向见图,求n5的大小和方向。
n1
四、计 算 题
图 示 轮 系 中, 已 知z 11=( 右
旋),z z z z 264560401820====,,,, 齿 轮3、4、5、6 的 模 数 和 压 力
角 分 别 相 等, 求 齿 数 z 3 和 传 动 比 i 16。
题 四 图 题 五 图
五、计 算 题
图 示 为 一 台 起 重 设 备 的 传 动 机 构。
已 知z 140=, 内 齿 轮2、3 的 齿 数 z 260=, z z z 324172721===,,'( 左 旋),z 550=, 卷 筒6 的 直 径
d =05. m , 试 求:
(1) 若 电 机 转 速 为
n 11480= r /min 时, 重 物 Q 的 上 升 速 度v (m/s );
(2) 当 Q 上 升 时, 电 机 的 回 转 方 向。