预应力锚索_检验批
- 格式:doc
- 大小:136.50 KB
- 文档页数:6
预应力锚索-检验批预应力锚索检验批在建筑工程和岩土工程领域,预应力锚索作为一种重要的加固和支护手段,其质量的检验和控制至关重要。
预应力锚索检验批的工作,就是为了确保每一批次的预应力锚索施工质量符合设计要求和相关标准,从而保障工程的安全性和稳定性。
预应力锚索是通过对锚索施加预应力,将岩土体或结构体锚固在稳定的地层中,以提高其承载能力和稳定性。
它通常由锚索体、锚具、垫板、防腐涂层等组成。
预应力锚索的施工过程较为复杂,包括钻孔、锚索制作与安装、注浆、张拉与锁定等多个环节,每个环节的质量都直接影响到预应力锚索的整体性能。
在进行预应力锚索检验批工作时,首先需要明确检验批的划分原则。
一般来说,检验批的划分应根据施工工艺、施工部位、材料批次等因素综合考虑。
例如,在同一施工区域、采用相同施工工艺、材料批次相同的预应力锚索,可以划分为一个检验批。
对于预应力锚索的检验批内容,主要包括原材料检验、施工过程检验和质量验收等方面。
原材料检验是确保预应力锚索质量的基础。
锚索体的钢材应符合相关标准的要求,其力学性能、化学成分等指标应经过检验合格。
锚具、垫板等配件的质量也同样重要,需要检验其尺寸、强度、硬度等性能。
此外,用于注浆的水泥、砂等材料也需要进行质量检验,确保其符合设计要求。
施工过程检验则是对预应力锚索施工各个环节的质量控制。
钻孔的深度、孔径、倾斜度等参数应符合设计要求,钻孔完成后应进行清孔,确保孔内干净无杂物。
锚索制作与安装时,锚索的长度、钢绞线的排列、防腐处理等都要进行检查。
注浆过程中,要控制注浆压力、注浆量和浆液的配比,确保浆液充满孔道,粘结牢固。
在预应力锚索张拉与锁定阶段,需要检验张拉设备的校准情况、张拉顺序、张拉力值等。
张拉力应按照设计要求进行控制,通常采用分级张拉的方式,每级张拉完成后应持荷一定时间,然后进行下一级张拉。
锁定后的预应力损失应在允许范围内。
质量验收是对预应力锚索检验批的最终评定。
验收时,要检查各项检验指标是否符合设计要求和相关标准。
引言:预应力锚索是一种常用于桥梁、大型建筑等工程中的结构体,具有提高混凝土结构承载力、延长使用寿命等优点。
为确保预应力锚索的质量和可靠性,在其生产和安装过程中需要进行检验批。
概述:本文将就预应力锚索的检验批进行详细阐述。
我们将介绍预应力锚索的基本概念和工作原理。
然后,对预应力锚索的检验批进行解释,并针对检验批的重要性进行讨论。
接下来,我们将分别从材料、制造、安装、试验和质量保证等五个大点对预应力锚索的检验批进行具体论述。
每个大点将再细分为若干小点,以便更好地理解和掌握预应力锚索检验批的相关内容。
我们将对全文进行总结,并提出未来改进的建议。
正文内容:一、预应力锚索的基本概念和工作原理1.预应力锚索的定义和分类2.预应力锚索的工作原理和作用机理3.预应力锚索的主要组成部分和结构特点二、预应力锚索的检验批解释和重要性讨论1.预应力锚索检验批的定义和作用2.检验批对预应力锚索质量控制的重要性3.检验批在工程管理中的作用和意义三、预应力锚索检验批的材料质量要求1.钢材的质量要求和检测方法2.预应力锚索的预应力钢筋要求和检验标准3.锚固材料的选择和检测指标四、预应力锚索检验批的制造和安装要求1.检验批对制造工艺的要求2.预应力锚索的安装步骤和注意事项3.安装质量的检验和验收标准五、预应力锚索的试验和质量保证1.预应力锚索的试验方法和步骤2.试验结果的分析和评估3.质量保证体系在预应力锚索工程中的应用总结:本文对预应力锚索的检验批进行了详细的阐述。
从预应力锚索的基本概念和工作原理开始,我们对检验批的解释和重要性进行了讨论。
随后,对预应力锚索的材料、制造、安装、试验和质量保证等五个方面的检验批要求进行了具体论述,并细分为了多个小点进行详细阐述。
通过深入研究和分析,我们得出了对预应力锚索检验批的总结,并提出了未来改进的建议。
通过对预应力锚索检验批的研究和应用,我们可以进一步提高工程质量和安全性,确保预应力锚索在工程中的良好运用。
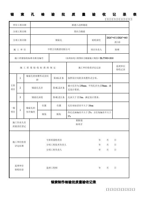
锚索孔检验批质量验收记录表口口口口口口口口单位工程名称新建八达岭隧道分部工程名称预应力锚索分项工程名称锚索孔验收部位DK67+652-DK67+663.2①部施工单位中铁五局集团有限公司项目负责人陈彬施工质量验收标准名称及编号《水利水电工程预应力锚索施工规范》DL/T5083-2010施工质量验收标准的规定施工单位检查评定记录监理单位验收记录主控项目1锚索孔的布置形式及间距第6.1.2条按照设计间距及布置形式分布。
2 锚索孔孔径第6.1.2.3条最小孔径为130mm,平均孔径为150mm,满足设计要求。
3 锚索孔深度第6.1.2.1条孔深大于15.3m,满足设计要求。
一般项目1锚索孔的允许偏差位置位置孔位坐标误差不大于10cm倾角倾角终孔孔轴偏差不大于2%,方位角偏差不大于3%施工作业人员质量责任登记郭陈强陈利才施工单位检查评定结果专职质量检查员年月日分项工程技术负责人年月日分项工程负责人年月日监理单位验收结论监理工程师年月日锚索制作检验批质量验收记录口口口口口口口口单位工程名称新建八达岭隧道分部工程名称预应力锚索分项工程名称锚索制作验收部位DK67+652-DK67+663.2①部施工单位中铁五局集团有限公司项目负责人陈彬施工质量验收标准名称及编号《水利水电工程预应力锚索施工规范》DL/T5083-2010施工质量验收标准的规定施工单位检查评定记录监理单位验收记录主控项目1所用原材料的品种、规格、质量第8.1.2条预应力锚索合格证编号:Z201700933试验报告编号:WU18078锚具、夹片合格证编号:16A2质量合格。
2 锚索制作第6.3条每束锚索的规格、组合形式符合设计要求。
3 锚索安装第6.4.4条安装前按设计要求除锈、出油污,对有死弯、接卸损伤、锈坑的钢绞线进行剔除处理,并按其规范要求进行安装。
施工作业人员质量责任登记郭陈强陈利才施工单位检查评定结果专职质量检查员年月日分项工程技术负责人年月日分项工程负责人年月日监理单位验收结论监理工程师年月日注浆锚固检验批质量验收记录口口口口口口口口单位工程名称新建八达岭隧道分部工程名称预应力锚索分项工程名称注浆锚固验收部位DK67+652-DK67+663.2①部施工单位中铁五局集团有限公司项目负责人陈彬施工质量验收标准名称及编号《水利水电工程预应力锚索施工规范》DL/T5083-2010施工质量验收标准的规定施工单位检查评定记录监理单位验收记录主控项目1所用原材料的品种、规格、质量第6.6.1.1条水泥合格证编号:CXB117JYN04N20102试验报告编号:JZS3-ZTWJ0-SN-20171002-004质量合格。
预应力锚索检验批一部一、预应力锚索的基本原理和作用预应力锚索是通过对锚索施加预应力,将不稳定岩土体的潜在滑动面或软弱结构面与稳定的岩土体连接在一起,从而提高岩土体的整体稳定性。
其主要作用包括:1、提供主动支护力:预应力锚索能够在岩土体变形之前施加预紧力,主动约束岩土体的变形,提高其承载能力。
2、改善岩土体的应力状态:通过预应力的作用,调整岩土体内部的应力分布,减小拉应力,增加压应力,从而提高岩土体的抗剪强度。
3、增强岩土体的整体性:将分散的岩土体单元连接成一个整体,共同承担荷载,提高岩土体的稳定性。
二、预应力锚索检验批的划分预应力锚索检验批的划分应根据施工工艺、施工部位、施工进度等因素综合考虑。
一般情况下,可以按照以下原则进行划分:1、同一施工条件下,同一批材料、同一规格、同一施工工艺的预应力锚索可以划分为一个检验批。
2、对于大型工程,可根据施工分区、分段的情况划分检验批。
3、每个检验批的数量不宜过大,以保证检验的准确性和有效性。
三、预应力锚索检验批的验收项目1、原材料检验钢绞线:检查钢绞线的品种、规格、性能是否符合设计要求,查看质量证明文件和检验报告。
锚具:对锚具的型号、规格、质量进行检验,确保其符合相关标准和设计要求。
水泥:检验水泥的品种、强度等级、出厂日期等,保证水泥质量合格。
2、锚索制作锚索长度:测量锚索的实际长度,其偏差应在设计允许范围内。
钢绞线编束:检查钢绞线的编束是否整齐、平顺,无缠绕、交叉现象。
隔离架和架线环设置:检查隔离架和架线环的间距是否符合设计要求,安装是否牢固。
3、锚索安装钻孔质量:检查钻孔的孔径、孔深、孔斜度等是否符合设计要求,孔内是否清洁、无杂物。
锚索安放:观察锚索安放是否居中,是否与钻孔壁保持一定的间距。
4、注浆浆液配合比:检查浆液的配合比是否符合设计要求,水泥浆的强度是否满足设计规定。
注浆量和注浆压力:记录注浆量和注浆压力,确保达到设计要求。
5、预应力张拉张拉设备校验:检查张拉设备是否经过校验,且在有效期内。
预应力锚索_检验批预应力锚索_检验批检验编号:_______项目名称:_______工程地点:_______施工单位:_______监理单位:_______检验单位:_______1. 检验目的本次预应力锚索检验的目的是确保预应力锚固体系的质量和安全性,以满足工程设计要求和相关标准的要求。
通过对预应力锚索的检验,可以验证预应力锚固体系的性能和可靠性,以确保工程的稳定性和安全运行。
2. 检验依据本次预应力锚索的检验依据主要包括以下文件和标准:2.1 工程设计文件:详细描述预应力锚索的型号、规格、安装要求等相关信息。
2.2 施工规范:规定了预应力锚索的施工工艺、质量要求等相关规范。
2.3 材料测试报告:包括钢筋的力学性能测试、预应力锚索的抗拉性能测试等。
2.4 相关标准:包括国家标准、行业标准等,如《预应力锚设备技术规范》等。
3. 检验内容本次预应力锚索的检验内容包括以下方面:3.1 锚固体系的安装质量检验:检查锚索的固结件的安装是否符合工程设计要求和施工规范;检查锚固件的型号、规格、检验合格标志等是否符合要求。
3.2 预应力锚索的力学性能检验:包括对预应力锚索进行抗拉性能测试、抗剪性能测试等。
3.3 检验记录和报告:对预应力锚索的检验过程进行记录,检验报告,包括锚索的编号、型号、规格、安装位置、检验结果等。
4. 检验方法4.1 安装质量检验方法:对锚索的固结件进行目视检查,检查安装位置是否正确,固结件是否松动等。
4.2 力学性能检验方法:使用适当的测试设备和仪器,进行预应力锚索的拉力和剪力测试,计算和记录测试结果。
4.3 检验记录和报告方法:对检验过程进行详细记录,包括检验日期、检验人员、检验结果等信息,检验报告并进行存档。
5. 检验结果与评定5.1 安装质量检验结果:根据实际情况,对锚索的固结件进行评定,判断是否符合安装要求,并记录在检验报告中。
5.2 力学性能检验结果:对预应力锚索的拉力和剪力测试结果进行评定,判断是否满足设计要求,并记录在检验报告中。
预应力锚索检验批一部预应力锚索检验批一部
1. 概述
1.1 目的
1.2 适用范围
1.3 参考资料
2. 定义
2.1 预应力锚索
2.2 检验批
3. 项目管理
3.1 项目负责人
3.2 项目团队
3.3 进度计划
3.4 资源分配
4. 设计要求
4.1 材料要求
4.2 钢筋配置要求
4.3 设计载荷要求
5. 检验准备
5.1 选取样本
5.2 准备仪器设备 5.3 制定检验方案
5.4 培训检验人员
6. 检验过程
6.1 检验前准备
6.2 检验方法
6.3 数据记录与分析
6.4 异常情况处理
7. 检验结果评定
7.1 结果分析
7.2 评定标准
8. 风险管理
8.1 风险识别与分析
8.2 风险应对措施
9. 附件
9.1 预应力锚索检验报告模板
9.2 检测设备清单
9.3 现场照片
10. 法律名词及注释
10.1 预应力锚设备安装
- 预应力锚设备的安装过程,采用XXXX方法。
10.2 载荷传递效率
- 载荷传递效率指的是预应力锚设备中的预应力钢筋传递到混凝土中的百分比。
10.3 检验批合格率
- 检验批合格率定义为合格产品数量与检验总批次的比率。
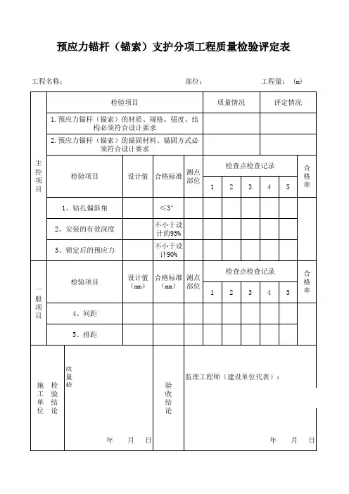
预应力原材料检验批质量验收记录
010309 001
单位(子单位)工程名称#######工程项目
分部(子分部)
工程名称
地基与基础/基
坑支护
分项工程名称锚杆
施工单位中建五局第三建设有
限公司
项目负责人检验批容量1批
分包单位/
分包单位
项目负责人
/ 检验批部位基坑支护预应力锚索
施工依据
《混凝土结构工程施工规范》
GB50666-2011
验收依据
《混凝土结构工程施工质量验收规范》
(2010版)GB50204-2002
验收项目
设计要求及
规范规定
最小/实际
抽样数量
检查记录
检查
结果
主控项目1 预应力筋力学性能检验第6.2.1条/ 质量证明文件齐全√
2 无粘结预应力筋的涂包质量第6.2.2条/ /
3
锚具、夹角和连接器的
性能
第6.2.3条/ 质量证明文件齐全√4 孔道灌浆用水泥和外加剂第6.2.4条/ 质量证明文件齐全√
一般项目
1 预应力筋外观质量第6.2.5条/
平顺,无弯折,表面无裂纹、小刺、机
械损伤、氧化铁皮和油污等
√2
锚具、夹角和连接器
和外观质量
第6.2.6条/ 表面无污物、锈蚀、机械损伤和裂纹√
3 金属螺旋管和尺寸和性能第6.2.7条/ /
4 金属螺旋管的外观质量第6.2.8条/ /
施工单位
检查结果
符合要求专业工长:
项目专业质量检查员:
年月日
监理单位
验收结论专业监理工程师:
年月日。
预应力锚索_检验批预应力锚索检验批一、预应力锚索的基本原理和构成预应力锚索是通过将高强度钢绞线或钢丝束锚固在岩土体中,并施加一定的预拉力,从而提高岩土体的稳定性和承载能力。
其主要由锚头、锚索体和锚固体三部分组成。
锚头通常包括锚垫板、锚具等部件,用于将锚索的拉力传递到被加固的结构物上。
锚索体一般由多根钢绞线或钢丝束组成,是承受拉力的主要部分。
锚固体则是将锚索锚固在岩土体中的部分,通常采用水泥浆或水泥砂浆进行灌注。
二、预应力锚索检验批的划分预应力锚索检验批的划分应根据施工工艺、施工部位、施工进度等因素进行合理确定。
一般情况下,可按照锚索的施工批次、施工区域或施工段进行划分。
每个检验批的数量不宜过大,以便于质量检验和控制。
在划分检验批时,应考虑到同一检验批内锚索的施工条件、材料、工艺等应基本相同,以保证检验结果的可比性和准确性。
三、预应力锚索检验批的检验项目1、原材料检验预应力锚索所用的钢绞线、锚具、夹具等原材料应进行质量检验。
检验内容包括材料的品种、规格、性能等,应符合设计要求和相关标准的规定。
钢绞线应进行力学性能试验,包括抗拉强度、屈服强度、伸长率等指标的检测。
锚具、夹具应进行硬度试验和静载锚固性能试验,以确保其质量可靠。
2、锚索制作检验锚索的制作质量直接影响其受力性能和使用寿命。
检验内容包括钢绞线的下料长度、编束质量、防护涂层的完整性等。
钢绞线的下料长度应根据设计要求和实际孔深进行准确计算,确保锚索在锚固段和自由段的长度符合设计要求。
编束时应保证钢绞线顺直、不缠绕,并用隔离架或绑扎丝进行固定。
3、锚索孔位检验锚索孔位的准确性对于锚索的受力分布和加固效果至关重要。
应检验孔位的坐标、孔深、孔径、孔斜度等参数。
孔位的坐标应符合设计要求,偏差不应超过规定值。
孔深应大于设计深度,以保证锚索能够锚固在稳定的岩土体中。
孔径应符合设计要求,孔斜度应满足相关标准的规定,以防止锚索在孔内弯曲或受力不均。
4、锚索安装检验锚索安装时应注意保护其防护涂层不受损坏,并确保锚索在孔内居中。
预应力锚索检验批一部(二)引言:预应力锚索是一种常用的加固结构技术,广泛应用于桥梁、地下工程、高层建筑等领域。
预应力锚索的安全性和可靠性对工程项目的质量和安全具有重要影响。
因此,对预应力锚索进行检验是必不可少的环节,可以保证工程结构的稳定和耐久性。
概述:本文将对预应力锚索检验批一部(二)进行详细阐述。
介绍预应力锚索的基本原理和作用。
然后,分为五个大点进行阐述。
每个大点包含59个小点,详细讨论预应力锚索检验的相关内容。
对文中内容进行总结。
正文内容:一、预应力锚索的基本原理和作用1.1预应力锚索的定义和构造1.2预应力锚索的原理和作用1.3预应力锚索在工程中的应用二、预应力锚索检验的必要性2.1预应力锚索检验的目的和意义2.2预应力锚索检验的法律法规依据2.3预应力锚索检验的重要性和风险防控三、预应力锚索检验方法和步骤3.1预应力锚索检验的基本方法3.2预应力锚索检验的设备和工具3.3预应力锚索检验的检测过程和步骤四、预应力锚索检验结果分析和评估4.1预应力锚索检验结果的数据分析4.2预应力锚索检验结果的评估指标和标准4.3预应力锚索检验结果的合格判定和处理五、预应力锚索检验的质量控制和质量保证5.1预应力锚索检验的质量控制措施5.2预应力锚索检验的质量保证措施5.3预应力锚索检验的效果评估和改进措施总结:预应力锚索检验是确保工程结构安全可靠的重要环节。
通过本文的详细阐述,我们了解到了预应力锚索的基本原理和作用,以及预应力锚索检验的必要性和方法。
我们还讨论了预应力锚索检验结果的分析和评估方法,以及质量控制和质量保证措施。
在工程实践中,严格按照相关法律法规和标准进行预应力锚索检验,可以保证工程结构的稳定和耐久性,从而提高工程项目的质量和安全水平。
引言概述:预应力锚索是一种常用于工程结构中的一种构件,用于增加混凝土结构的抗拉能力。
然而,由于使用时间的积累,锚索的使用寿命会受到一定程度的影响。
为了确保预应力锚索的安全可靠性,每个批次的锚索都需要进行检验。
预应力锚索验收试验要求预应力锚索验收试验是对预应力锚索的性能进行检测和评估的一项重要工作。
它是确保预应力锚索在使用过程中安全可靠的必要环节。
本文将介绍预应力锚索验收试验的要求和相关内容。
一、验收试验的目的和意义预应力锚索是用于在混凝土结构中施加预应力的重要构件,其质量直接关系到工程的安全性和使用寿命。
验收试验的目的在于验证预应力锚索的设计、制造和安装是否符合规范要求,以保证其性能和可靠性。
二、验收试验的原则和方法1. 抽样原则:根据预应力锚索的数量和规格,按照一定比例进行抽样检测,确保所选样品具有代表性。
2. 试验方法:验收试验主要包括外观检查、尺寸检测、材料性能测试和锚固性能测试等。
具体方法可根据不同的预应力锚索类型和规格进行调整和选择。
三、外观检查外观检查是验收试验的首要环节,其目的是检查预应力锚索表面的缺陷和损伤情况。
包括锈蚀、裂纹、变形等。
同时还需检查锚固装置的安装质量和可靠性。
四、尺寸检测尺寸检测是对预应力锚索的几何尺寸进行测量和评估。
主要包括直径、长度、弯曲度等指标的检测。
通过尺寸检测可以判断预应力锚索的制造质量和安装精度。
五、材料性能测试材料性能测试是对预应力锚索所使用材料的性能进行检测。
包括钢材的拉伸强度、屈服强度、延伸率等指标的测试。
通过材料性能测试可以评估预应力锚索的材料质量和可靠性。
六、锚固性能测试锚固性能测试是对预应力锚索在锚固装置中的锚固能力进行评估。
主要包括静载试验和疲劳试验两种。
静载试验是通过施加静态荷载来测试锚固性能,疲劳试验是模拟实际使用条件下的循环荷载作用,评估锚固性能的持久性和耐久性。
七、验收标准和判定验收标准是对预应力锚索各项指标的要求和限制。
一般根据国家或行业规范制定,包括锚固长度、锚固强度、材料性能等。
验收判定是根据试验结果和验收标准进行评定,判断预应力锚索是否合格。
八、试验结果和报告验收试验结束后,应编制试验报告,详细记录试验过程、试验数据和结果。
报告应包括预应力锚索的基本信息、试验方法和结果、验收标准和判定等内容。
预应力锚索检验批在建筑和岩土工程领域,预应力锚索是一种常用且重要的加固技术。
它能够有效地提高结构的稳定性,增强岩土体的承载能力,保障工程的安全可靠。
而预应力锚索检验批则是对预应力锚索施工质量进行把控和评估的关键环节。
预应力锚索通常由锚索体、锚具、垫板以及注浆体等部分组成。
其工作原理是通过对锚索体施加预应力,将其锚固在稳定的地层中,从而对需要加固的结构或岩土体施加约束和拉力,达到改善其力学性能的目的。
预应力锚索检验批的划分通常是根据工程的规模、施工工艺以及施工部位等因素来确定的。
一般来说,相同施工条件、同类型、同材料和同规格的预应力锚索,可以划分为一个检验批。
在检验批的划分过程中,要充分考虑到施工的连续性和质量的一致性,以确保检验结果能够准确反映施工质量的真实情况。
在进行预应力锚索检验批时,首先要对原材料进行检验。
锚索体的材料质量至关重要,常见的有高强度钢丝、钢绞线等。
这些材料的力学性能、化学成分以及表面质量都需要符合相关标准和设计要求。
锚具作为将预应力传递到结构或岩土体的关键部件,其硬度、承载力等性能也必须经过严格检测。
此外,垫板的尺寸和材质,以及注浆体所用的水泥、砂等原材料,都要进行相应的检验,以保证其质量符合工程要求。
施工过程中的检验也是预应力锚索检验批的重要内容。
在钻孔过程中,要检查钻孔的位置、孔径、孔深以及孔的垂直度等参数,确保钻孔符合设计要求。
锚索体的制作和安装要检查其长度、编束质量以及安装的位置和角度是否正确。
注浆是保证预应力锚索与周围岩土体有效粘结的重要环节,需要检验注浆的配合比、注浆压力以及注浆量是否满足设计和规范要求。
预应力的施加是预应力锚索施工的核心环节。
在检验批中,要对预应力的施加值进行检测,确保其符合设计要求。
通常采用千斤顶和油压表等设备进行预应力的施加和测量,要对设备进行定期校验,以保证测量结果的准确性。
同时,还要检查预应力的锁定情况,确保预应力在锁定后能够长期有效地发挥作用。
锚索孔检验批质量验收记录表
[预应力锚索] 01014601口口口口单位工程名称
分部工程名称预应力锚索
分项工程名称锚索孔验收部位
施工单位中铁十七局宁安铁路工程指挥部无砟轨道分部项目负责人张立
施工质量验收标准名称及编号《高速铁路路基工程施工质量验收标准》(TB10751-2010)
施工质量验收标准的规定施工单位检查评定记录监理单位验收记录
主控项目1
锚索孔的布置形式及间
距
第10.10.11条按照设计要求以纵横向3m间距布置。
2 锚索孔孔径第10.10.12条锚索孔直径130mm,满足设计要求。
3 锚索孔深度第10.10.12条锚索孔孔深XXm,满足设计要求。
一般项目1
锚索孔的
允许偏差
位置±100mm X X X X X 2 倾角1% X X X X X
施工作业人员
质量责任登记
施工负责人:年月日
施工单位检查评定结果
专职质量检查员:年月日分项工程技术负责人:年月日分项工程负责人:年月日
监理单位
验收结论监理工程师:年月日
锚索制作检验批质量验收记录
[预应力锚索] 01014602口口口口单位工程名称
分部工程名称预应力锚索
分项工程名称锚索制作验收部位
施工单位中铁十七局宁安铁路工程指挥部无砟轨道分部项目负责人张立
施工质量验收标准名称及编号
[A]:《高速铁路路基工程施工质量验收标准》(TB 10751-2010)
[B]:《铁路混凝土工程施工质量验收标准》(TB 10424-2010)
施工质量验收标准的规定施工单位检查评定记录监理单位验收记录
主控项目1 预应力筋质量[B] 第7.2.1条
锚索制作用钢绞线出厂合格证1份,编号
20150408;实验报告1份,编号:
GJX-20130714-8,质量合格。
2
预应力筋品种、级别、
规格、数量
[B] 第7.3.1条
锚索支座用钢绞线采用1860级Φ15.2mm钢绞
线,每束锚索均为3束钢绞线,符合设计要求。
3 预应力筋外观质量[B] 第7.3.2条
钢绞线平顺、无弯折,表面无裂纹、小刺、
机械损伤、氧化铁皮和油污等,符合设计要求。
4 锚索的规格、组合形式[B] 第10.10.13条每束锚索的规格和组合形式符合设计要求。
5
锚索安装前的表面
处理[B] 第10.10.14条
锚索安装前对钢绞线进行除锈、除油污,
剔除有死弯、机械损伤、绣坑的钢绞线,
符合设计要求。
施工作业人员
质量责任登记
施工负责人:年月日
施工单位检查评定结果
专职质量检查员:年月日分项工程技术负责人:年月日分项工程负责人:年月日
监理单位
验收结论监理工程师:年月日。