2011人环奖试卷-工程热力学 (补充及参考答案)
- 格式:doc
- 大小:52.50 KB
- 文档页数:2
《工程热力学》参考试题及答案 3一.选择题(10 分)1. dq=dh-vdp 适用于系统,过程,工质。
[C] A.任意,任意,任意 B. 闭口,任意,理想气体C. 开口,可逆,任意D. 闭口,可逆,任意2. 理想气体经绝热节流后,温度。
[D]A.可能升高也可能降低 B. 升高C.降低 D. 不变3. 如图所示,以铜棒为系统进行分析:铜棒处于状态。
[B]A.平衡 B. 稳定但不平衡C.不稳定 D. 平衡且稳定4. 范德瓦尔状态方程a(P )(V m b) RT2Vm中,a 表示修正系数。
[B]A.气体分子体积修正系数 B. 内压力修正系数C.分子之间作用力修正系数D.分子之间斥力修正系数5. 压力为p 时,饱和水的熵为' s ;干饱和蒸汽的熵为'' s 。
当湿蒸汽的干度0<x<1 时,其熵为s,则。
[A]A.'' 's s s B.'' ' s s sC.' ''s s s D.' '' s s s二.判断题(10 分)1. 机械能可完全转化为热能,而热能却不能完全转化为机械能。
(×)2. 系统经历不可逆过程后,熵一定增大。
(×)3. 热机的热效率一定小于1。
(√)4. 水在湿蒸汽区发生定压吸热过程,温度升高。
(×)5. 若工质从同一初态,分别经可逆和不可逆过程,到达同一终态且两过程热源相同,那么传热量也相同。
(×)三.简答或画图分析题(30 分)6. (7 分)一闭口系统经历了一不可逆过程,已知终态熵小于初态熵,试分析此过程中热量的变化。
解:①闭口系统无质量交换;②不可逆过程:S g 0 ;③S S g S f 0 ;所以S f 0,即,此过程为一放热过程。
7. (8 分)在T-s 图上定性标出n=1.2 理想气体的压缩过程,并在图上用面积表示W 和W t 。
第一篇工程热力学第一章基本概念及气体的基本性质第二章热力学第一定律一、选择题3、已知当地大气压P b , 真空表读数为Pv , 则绝对压力P 为(a )。
(a) P=P b -Pv (b )P=Pv -P b (c )P=P b +Pv4、.若已知工质的绝对压力P=0.18MPa,环境压力Pa=0.1MPa,则测得的压差为( b )A.真空p v=0.08MpaB.表压力p g=0.08MPaC.真空p v=0.28MpaD.表压力p g=0.28MPa5、绝对压力p, 真空pv,环境压力Pa间的关系为( d )A.p+pv+pa=0B.p+pa-pv=0C.p-pa-pv=0D.pa-pv-p=06、气体常量R( d )A.与气体种类有关,与状态无关B.与状态有关,与气体种类无关C.与气体种类和状态均有关D.与气体种类和状态均无关7、适用于( c )(a) 稳流开口系统(b) 闭口系统(c) 任意系统(d) 非稳流开口系统8、某系统经过一个任意不可逆过程达到另一状态,表达式(c )正确。
(a) ds >δq/T (b )ds <δq/T (c )ds=δq/T9、理想气体1kg 经历一不可逆过程,对外做功20kJ 放热20kJ ,则气体温度变化为(b )。
(a) 提高(b )下降(c )不变10、平衡过程是可逆过程的(b )条件。
(a) 充分(b )必要(c )充要11、热能转变为机械能的唯一途径是通过工质的( a )(a) 膨胀(b) 压缩(c) 凝结(d) 加热13、经历一不可逆循环过程,系统的熵( d )(a) 增大(b )减小(c)不变(d )可能增大,也可能减小14、能量方程适用于( d )(a) 只要是稳定流动,不管是否为可逆过程(b)非稳定流动,可逆过程(c) 非稳定流动,不可逆过程(d) 任意流动,任意过程15、理想气体可逆绝热过程中的技术功等于(a )(a) -△ h (b )u 1 -u 2 (c )h 2 -h 1 (d )-△ u16、可以通过测量直接得到数值的状态参数( c )(a) 焓(b) 热力学能(c) 温度(d) 熵18、若从某一初态经可逆与不可逆两条途径到达同一终态,则不可逆途径的△S 必( b )可逆过程△S。
工程热力学习题集一、填空题1.能源按使用程度和技术可分为能源和能源。
2.孤立系是与外界无任何和交换的热力系。
3.单位质量的广延量参数具有参数的性质,称为比参数。
4.测得容器的真空度48V p KPa =,大气压力MPa p b 102.0=,那么容器内的绝对压力为。
5.只有过程且过程中无任何效应的过程是可逆过程。
6.饱和水线和饱和蒸汽线将压容图和温熵图分成三个区域,位于三区和二线上的水和水蒸气呈现五种状态:未饱和水 饱和水 湿蒸气、和。
7.在湿空气温度一定条件下,露点温度越高说明湿空气中水蒸气分压力越、水蒸气含量越,湿空气越潮湿。
〔填高、低和多、少〕8.克劳修斯积分/Q T δ⎰为可逆循环。
9.熵流是由引起的。
10.多原子理想气体的定值比热容V c =。
11.能源按其有无加工、转换可分为能源和能源。
12.绝热系是与外界无交换的热力系。
13.状态公理指出,对于简单可压缩系,只要给定个相互独立的状态参数就可以确定它的平衡状态。
14.测得容器的表压力75g p KPa =,大气压力MPa p b 098.0=,那么容器内的绝对压力为。
15.如果系统完成某一热力过程后,再沿原来路径逆向进展时,能使都返回原来状态而不留下任何变化,那么这一过程称为可逆过程。
16.卡诺循环是由两个和两个过程所构成。
17.相对湿度越,湿空气越枯燥,吸收水分的能力越。
〔填大、小〕18.克劳修斯积分/Q T δ⎰为不可逆循环。
19.熵产是由引起的。
20.双原子理想气体的定值比热容p c =。
21、根本热力学状态参数有:〔〕、〔 〕、〔〕。
22、理想气体的热力学能是温度的〔〕函数。
23、热力平衡的充要条件是:〔〕。
24、不可逆绝热过程中,由于不可逆因素导致的熵增量,叫做〔〕。
25、卡诺循环由〔〕热力学过程组成。
26、熵增原理指出了热力过程进展的〔〕、〔〕、〔〕。
31.当热力系与外界既没有能量交换也没有物质交换时,该热力系为_______。
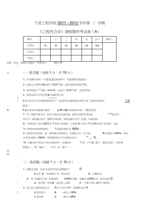
宁波工程学院2011〜2012学年第二学期《工程热力学》课程期终考试卷(A)■I■iII号一、填空题(每格1分,共15分)[|1. 卡诺循环由两个可逆定温过程和两个可逆绝热过程组成。
2. 迈耶公式G-C v=R g适用于理想气体,是否定比热容不限。
3. 绝热过程P厂常数,k=C p/C v,适用于理想气体,定比热容。
4. 绝热系是与外界无热量交换的热力系。
I ---------i 5.热力系在不受外界影响的条件下,系统的状态能够始终保持不变,这种状态称为平衡: 状态。
姓 6.稳定流动系统能量方程式q dh vdp的适用条件是:稳定流动。
II7. 同一理想气体从同一初态分别经过定温压缩,绝热压缩和多变压缩 1 n k到达同一终压力,耗功最大的为绝热压缩过程,而耗功最小的为定温—压缩过程。
8. 卡诺机A工作在927C和T的两个热源间,卡诺机B工作在T和27C的两个热源间。
当此两个热机的热效率相等时,T热源的温度T= 600K。
9. 如图所示的容器,被一刚性壁分成两部分,环境压力为,压力表B的读数为40kPa,真空I计C的读数为30kPa,则容器两部分内气体绝对压力P1 _,p2 _。
■I10. 活塞式压气机由于存在余隙容积,压缩耗功不变,产气量减小,随比压增大,容积效: 率减小。
(填“增加”、“不变”或“减小”)级班1■II二、选择题(每题1分,共10分)■II1. 准静态过程,系统经过的所有状态都接近于D: A 初态B 、环境状态C、邻近状态D、平衡状态■I2. 有一机器可从单一热源吸收1000KJ热量,并输出1200KJ功,这台机器DI| A、违反第一定律E、违反第二定律C一个都不违反D两个都违反3. 若已知工质的绝对压力P=,大气压力P=,则测得压差A] A真空度为 B 、表压力MPaC真空度 D 、表压力MPaC 任何气体可逆绝热过程D 、理想气体可逆绝热过程贮有空气的绝热刚性密闭容器中,安装有电加热丝,通电后,如取空气为系统,则过程 中的能量关系有CA C >0 , A U >0 , W >0BC =0, A U >0 , W <0CQ >0 , △ U >0 , W =0 D C =0 , A U =0 , W =09. 一个橡皮气球在太阳下被照晒,气球在吸热过程中膨胀,气球内的压力正比于气球的容 积。
2011人环奖试卷-传热学1、某厚度为50mm 的无限大平壁,其稳态温度场为22002000t x =-,那么平壁内有:(B )A 、负的非均布内热源B 、正的非均布内热源C 、负的均布内热源D 、正的均布内热源2、用作太阳能集热器表面的选择性吸收介质对短波辐射和长波辐射的辐射特性应该是:(A )A 、对短波辐射的吸收率高,对长波辐射的吸收率低B 、对短波辐射的吸收率高,对长波辐射的吸收率高C 、对短波辐射的吸收率低,对长波辐射的吸收率低D 、对短波辐射的吸收率低,对长波辐射的吸收率高3、一条在锅炉房与热用户之间的暴露于空气中的供热管道,沿途保温状况不变。
出口温度为95℃,距离锅炉房0.5km 处水温降为93℃,则距离2km 处水温为(B )A 、等于87℃B 、高于87℃C 、低于87℃D 、高于91℃4、壁面与温度为f t 的流体接触。
如果对流换热系数h 为零,那么该条件相当于(C )A 、w f t t = B 、w t =常数C 、绝热D 、稳态5、某流体的Pr 准则数大于1,那么该流体的速度边界层与温度边界层【D 】A 、一样厚B 、不一定C 、温度边界层较厚D 、速度边界层较厚6、流体的运动粘度与质扩散率之比是一个无量纲的物性量,称为:【D 】A 、普朗特准则B 、刘伊斯准则C 、宣乌特准则D 、施米特准则7、通常非金属材料的导热系数,随温度的升高而【B 】A 、减小B 、增大C 、不变D 、先减小后增大8、物体在等温介质中冷却,时间足够长以后进入正常情况阶段,以下的命题中不正确的是【C 】A 、物体的冷却率与物体中各点的坐标无关B、物体的冷却率与时间无关C、物体的冷却率与初始温度分布无关D、物体的冷却率与表面换热系数无关9、深秋季节,空气温度高于0℃,树叶却会结霜,这主要是由于树叶通过如下那种途径散失了热量?【B】A、树干的热传导B、向天空的热辐射C、与空气的对流换热D、树叶的呼吸作用10、描述固体导热的傅里叶定律dtqdxλ=-不适用的范围是【C】A、稳态导热和非稳态导热B、导热系数随温度变化C、各向同性和各向异性介质D、三维导热问题11、由三层材料组成的复合大平壁,三层材料的导热系数为常数,并依次由小到大,在稳态情况下通过各层材料的热流密度【A】A、相等B、由大到小C、由小到大D、不确定12、某一稳态、常物性、无内热源的导热物体的表面最低温度为100℃,那么其内部绝对不可能出现的温度是【A】A、50℃B、200℃C、1000℃D、2000℃13、Biot准则用于某个热物体的对流散热过程求解,【B】A、Bi越大,说明物体内部的温度分布越均匀,适用集总参数法B、Bi越小,说明物体内部的温度分布越均匀,适用集总参数法C、Bi越大,说明对流比导热占优势,是稳态对流换热过程D、Bi越小,说明导热比对流占优势,是稳态导热过程14、某表面在同温度下发射率与吸收率相等,该表面为【C】A、漫表面B、灰表面C、漫-灰表面D、任何表面15、在周期性变化的边界温度作用下半无限大介质中的温度波在深度方向呈现衰减和延迟。
2010年人环奖1、在室内采暖温度和环境温度一定的条件下,采暖和用电炉采暖相比,从热力学观点看( A )A、热泵采暖合理B、电炉采暖合理C、二者没有差别,都合理D、二者都不合理2、一个橡皮气球在太阳下被照晒,气球在吸热过程中膨胀,气球内的压力正比于气球的体积,则气球内的气体进行的是(B)A、定压过程B、多变过程C、定温过程D、定容过程3、以下过程中可视为可逆过程的是(C )A、可以从终态回复到初态的过程B、没有摩擦的过程C、没有摩擦的准平衡过程D、没有温差的过程4、提高制冷系数的方法有:(C )A、降低蒸发温度,提高冷凝温度B、提高蒸发温度和冷凝温度C、提高蒸发温度,降低冷凝温度D、降低发温度和冷凝温度5、测量容器中气体压力的压力表读数发生变化一定( D )A、有气体泄漏B、气体热力状态变化C、大气压力发生变化D、以上三者均可能6、下列哪一种说法可以表示热力学第一定律?( C )A、热可以改变功,功可以改变热,在转换中是有一定比例B、在孤立系统内能量总数保持不变C、第一永动机是造不成的D、热机热效率不能大于17、理想气体经绝热节流后,前后稳定截面上的(BD )A、压力相等B、温度相等C、焓相等D、熵相等8、二元溶液中,组分A的沸点较低,组分B的沸点较高( B )A、沸点高低并不是决定它们挥发性的因素B、A组分具有较大的挥发性,B组分挥发性较小C、B组分具有较大的挥发性,A组分挥发性较小D、两种组分的挥发性相同9、流动工质向绝热真空刚性容器充气,充气终了时容器内气体的温度( A )A、高于充入气体温度B、抵于充入气体温度C、等于充入气体温度D、与充入气体温度间的关系不确定10、系统进行一个不可逆绝热膨胀过程后,欲使系统回复到出态,系统需要( C )A、可逆绝热压缩过程B、不可逆绝热压缩过程C、边压缩边吸热过程D、边压缩边放热过程11、蒸汽压缩制冷循环采用节流阀代替膨胀机( C )A、增大循环制冷量B、减少循环耗功量C、简化装置,提高运行稳定性D、提高循环的制冷系数12、关于湿空气,下列说法正确的有:( A )A、绝对湿度为100%的湿空气为饱和空气B、相对湿度为100%的湿空气为饱和空气C、相对湿度低的湿空气,绝对湿度也低D、绝热饱和温度总是低于露点温度13、在p-v图上,以下哪个循环所包围的面积代表工质完成一个循环时与外界交换的净功量?( B )A 、任意循环B 、可逆循环C 、正向循环D 、逆向循环2011人环奖试卷-工程热力学1、已知湿蒸汽的干度为0.8,其中干饱和蒸汽的质量为6kg ,则饱和液体的质量为 kg 。
工程热力学》试卷及标准答案评分标准《工程热力学》试卷及标准答案第一部分选择题(共15分)一、单项选择题(本大题共15小题,每题只有一个正确答案,答对一题得1分,共15分)1、压力为10bar的气体通过渐缩喷管流入1bar的环境中,现将喷管尾部截去一段,其流速、流量变化为。
【】A.流速减小,流量不变B.流速不变,流量增加C.流速不变,流量不变D.流速减小,流量增大2、某制冷机在热源T1=300K,及冷源T2=250K之间工作,其制冷量为1000J,消耗功为250KJ,此制冷机是【】A.可逆的B.不可逆的C.不可能的D.可逆或不可逆的3、系统的总储存能为【】A.UB.U?pV2C.U?mc2f/2?mgzD.U?pV?mcf/2?mgz4、熵变计算式?s?cpIn(T2/T1)?RgIn(p2/p1)只适用于【】A.一切工质的可逆过程B.一切工质的不可逆过程C.理想气体的可逆过程D.理想气体的一切过程5、系统进行一个不可逆绝热膨胀过程后,欲使系统回复到初态,系统需要进行一个【】过程。
【】A.可逆绝热压缩B.不可逆绝热压缩C.边压缩边吸热D.边压缩边放热《工程热力学》试题第1页(共8页)6、混合气体的通用气体常数,【】。
【】A.与混合气体的成份有关B.与混合气体的质量有关C.与混合气体所处状态有关D.与混合气体的成份、质量及状态均无关系7、贮有空气的绝热刚性密闭容器中装有电热丝,通电后如取空气为系统,则【】A.Q>0,AU>0,W>0B.Q=0,AU>0,W>0C.Q>0,AU>0,W=0D.Q=O,△U=0,W=08、未饱和空气具有下列关系【】A.t>tw>tdB.t>td>tw.C.t=td=twD.t=tw>td9、绝热节流过程是【】过程。
【】A.定压B.定温C.定熵D.节流前后焓相等10、抽汽式热电循环的结果是【】A.提高循环热效率,提高热能利用率B.提高循环热效率,降低热能利用率C.降低循环热效率,提高热能利用率D.降低循环热效率,降低热能利用率11、一个橡皮气球在太阳下被照晒,气球在吸热过程中膨胀,气球内的压力正比于气球的容积,则气球内的气球进行的是【】A.定压过程B.多变过程C.定温过程D.定容过程12、气体的容积比热是指【】A.容积保持不变的比热。
工程热力学考试和答案一、选择题(每题2分,共20分)1. 热力学第一定律的数学表达式为:A. ΔU = Q + WB. ΔH = Q + WC. ΔG = Q + WD. ΔS = Q/T + W/T答案:A2. 理想气体的内能仅与下列哪个因素有关?A. 体积B. 压力C. 温度D. 质量答案:C3. 在绝热过程中,下列哪项是恒定的?A. 焓B. 熵C. 内能D. 温度答案:B4. 卡诺循环的效率与下列哪个因素有关?A. 工作介质B. 循环类型C. 热源温度D. 热汇温度答案:C5. 理想气体的比热容在下列哪种情况下是恒定的?A. 等压过程B. 等容过程C. 绝热过程D. 等熵过程答案:D6. 根据热力学第二定律,下列哪项是正确的?A. 热量不能自发地从低温物体传向高温物体B. 熵总是减少的C. 热机的效率可以超过100%D. 任何过程都是可逆的答案:A7. 理想气体的绝热指数γ与下列哪个比值有关?A. Cp/CvC. R/CvD. R/Cp答案:A8. 理想气体的节流过程是:A. 等温过程B. 等压过程C. 等熵过程D. 等容过程答案:C9. 理想气体的混合过程中,下列哪项是守恒的?A. 内能B. 焓C. 熵答案:D10. 根据热力学第三定律,下列哪项是正确的?A. 绝对零度是可以达到的B. 绝对零度时,所有完美晶体的熵为零C. 绝对零度时,所有物质的内能为零D. 绝对零度时,所有物质的熵为零答案:B二、填空题(每题2分,共20分)11. 理想气体的比热容Cp和Cv之间的关系为:Cp = Cv + _______。
答案:R12. 理想气体的绝热指数γ定义为:γ = _______ / Cv。
答案:Cp13. 卡诺循环的效率η_Carnot = 1 - T_Cold / _______。
答案:T_Hot14. 理想气体的熵变ΔS可以通过公式ΔS = _______ / T计算。
答案:Q_Rev15. 理想气体的节流过程是 _______ 过程。
工程热力学考试试卷一、名词解释1. 熵增原理;2. 可逆过程;3. 理想气体;4. 相对湿度;5. 定熵滞止。
二、判断题(下列各题,你认为正确的,请在题干的括号内打“√”,错的打“×”,每题2分,共20分)1. 压力表读值发生变化,说明工质的热力状态也发生了变化。
……………( )2. 湿空气的含湿量表示单位质量湿空气中含水蒸气质量的程度。
……………( )3. 气体常数与气体的种类及所处的状态均无关。
……………………………( )4. 理想气体从绝热容器中做自由膨胀,则理想气体的温度与压力变化的关系式为:k k P P T T 11212-⎪⎪⎭⎫ ⎝⎛=………………………………………………………………( )5. 在T -S 图上可逆等压线的斜率比可逆等容线的斜率小。
…………………( )6. 活塞式压气机容积效率的大小与余隙容积和升压比都有关。
……………( )7. 活塞式压气机应采用冷却措施,使压缩过程接近等温过程。
………………( )8. 水的相图表明,水的冰点随压力升高而降低,沸点随压力升高而升高。
……( )9. 干饱和蒸汽进行可逆绝热膨胀后,必变为湿饱和蒸汽。
……………………( )10. 由于通常情况下水的凝固温度为0℃,故不可能存在0℃以下的水蒸气。
( )三、选择题(每小题2分,共20分)1. 饱和湿空气中干球温度t 、湿球温度t w 以及露点温度t d 具有下列关系( )A d w t t t >>;B w d t t t >>;C d w t t t ==;D d w t t t =>2. 渐缩喷管出口外界压力为绝对真空时(绝对真空的比容为∞),则质量流量():A等于0;B等于临界流量;C大于临界流量;D介于零和临界流量之间3. 理想气体的( )是两个相互独立的状态参数。
A.温度与热力学能B.温度与焓C.温度与熵 D.热力学能与焓4. 一股 4MPa,20℃质量为1kg的压缩空气流与另一股9MPa,20℃质量为 1kg 的压缩空气流混合,混合后的压缩空气流最大压力为()。
工程热力学试题及答案一、选择题(每题2分,共20分)1. 热力学第一定律的数学表达式是:A. ΔU = Q + WB. ΔH = Q - WC. ΔS = Q/TD. ΔG = H - TS2. 理想气体的内能仅与下列哪一项有关?A. 温度B. 压力C. 体积D. 质量3. 根据热力学第二定律,下列哪一项是正确的?A. 热量可以自发地从低温物体传向高温物体B. 热量不能自发地从高温物体传向低温物体C. 热量可以自发地从高温物体传向低温物体,但必须引起其他变化D. 热量可以在不引起其他变化的情况下从低温物体传向高温物体4. 卡诺循环的效率与下列哪一项无关?A. 工作介质B. 高温热源温度C. 低温热源温度D. 循环的路径5. 什么是熵?A. 热力学系统的一个状态参数B. 热力学系统的一个过程量C. 表示热力学系统混乱程度的物理量D. 表示热力学系统能量转换效率的物理量6. 以下哪种情况下,气体的熵会增加?A. 气体在绝热条件下膨胀B. 气体在等温条件下压缩C. 气体在等压条件下膨胀D. 气体在等容条件下加热7. 热力学第三定律的实质是什么?A. 绝对零度不可能达到B. 绝对零度时所有物质的熵为零C. 绝对零度时所有物质的熵为常数D. 绝对零度时所有物质的熵为负无穷8. 什么是临界点?A. 液体和气体的界面消失的点B. 液体和固体的界面消失的点C. 气体和固体的界面消失的点D. 液体和气体的界面出现波动的点9. 什么是热机效率?A. 热机输出功与输入热量的比值B. 热机输入热量与输出功的比值C. 热机输出功率与输入功率的比值D. 热机输入热量与输出功率的比值10. 什么是湿蒸汽的干度?A. 湿蒸汽中液态水分的质量分数B. 湿蒸汽中气态水分的质量分数C. 湿蒸汽中液态水分的体积分数D. 湿蒸汽中气态水分的体积分数二、简答题(每题5分,共20分)1. 简述热力学第一定律和第二定律的基本内容。
2. 解释什么是理想气体,并简述其状态方程。
1.两种湿空气的相对湿度相等,则吸收水蒸汽的能力也相等。
( × )2.闭口系统进行一放热过程,其熵一定减少( × )3.容器中气体的压力不变,则压力表的读数也绝对不会改变。
( × )4.理想气体在绝热容器中作自由膨胀,则气体温度与压力的表达式为k k p p T T 11212-⎪⎪⎭⎫ ⎝⎛= ( √ )5.对所研究的各种热力现象都可以按闭口系统、开口系统或孤立系统进行分析,其结果与所取系统的形式无关。
( √ )6.工质在相同的初、终态之间进行可逆与不可逆过程,则工质熵的变化是一样的. ( × )7.对于过热水蒸气,干度1>x ( × )8.对于渐缩喷管,若气流的初参数一定,那么随着背压的降低,流量将增大,但最多增大到临界流量。
( √ )9.膨胀功、流动功和技术功都是与过程的路径有关的过程量 ( × )10.已知露点温度d t 、含湿量d 即能确定湿空气的状态. ( × )二.选择题 (10分)1.如果热机从热源吸热100kJ,对外作功100kJ ,则( B )。
(A)违反热力学第一定律; (B ) 违反热力学第二定律; (C) 不违反第一、第二定律;(D ) A 和B 。
2.压力为10 bar 的气体通过渐缩喷管流入1 bar 的环境中,现将喷管尾部截去一小段,其流速、流量变化为( A )。
(A ) 流速减小,流量不变 (B )流速不变,流量增加(C ) 流速不变,流量不变 (D ) 流速减小,流量增大3.系统在可逆过程中与外界传递的热量,其数值大小取决于(A )。
(A) 系统的初、终态; (B ) 系统所经历的过程;(C) (A)和(B); ( D ) 系统的熵变。
4.不断对密闭刚性容器中的汽水混合物加热之后,其结果只能是( A ).(A )全部水变成水蒸汽 (B)部分水变成水蒸汽(C )部分或全部水变成水蒸汽 (D)不能确定5.( C )过程是可逆过程。
第一部分 选择题(共15分)一、单项选择题(本大题共15小题,每题只有一个正确答案,答对一题得1分,共15分)1、压力为10 bar 的气体通过渐缩喷管流入1 bar 的环境中,现将喷管尾部截去一段,其流速、流量变化为。
【 】 A.流速减小,流量不变 B.流速不变,流量增加 C.流速不变,流量不变 D.流速减小,流量增大2、某制冷机在热源T 1= 300K ,及冷源T 2= 250K 之间工作,其制冷量为1000 KJ ,消耗功为250 KJ ,此制冷机是 【 】A.可逆的B.不可逆的C.不可能的D.可逆或不可逆的 3、系统的总储存能为 【 】 A. U B. U pV +C. 2/2f U mc mgz ++D. 2/2f U pV mc mgz +++4、熵变计算式2121(/)(/)p g s c In T T R In p p ∆=-只适用于 【 】 A.一切工质的可逆过程 B.一切工质的不可逆过程 C.理想气体的可逆过程 D.理想气体的一切过程5、系统进行一个不可逆绝热膨胀过程后,欲使系统回复到初态,系统需要进行一个【】过程。
【】A.可逆绝热压缩B.不可逆绝热压缩C.边压缩边吸热D.边压缩边放热6、混合气体的通用气体常数,【】。
【】A.与混合气体的成份有关B.与混合气体的质量有关C.与混合气体所处状态有关D.与混合气体的成份、质量及状态均无关系7、贮有空气的绝热刚性密闭容器中装有电热丝,通电后如取空气为系统,则【】A.Q>0,△U>0,W>0B.Q=0,△U>0,W>0C.Q>0,△U>0,W=0D.Q=0,△U=0,W=08、未饱和空气具有下列关系【】A.t>t w>t dB.t>t d>t w.C.t = t d = t wD.t = t w>t d9、绝热节流过程是【】过程。
【】A.定压B.定温C.定熵D.节流前后焓相等10、抽汽式热电循环的结果是【】A.提高循环热效率,提高热能利用率B.提高循环热效率,降低热能利用率C.降低循环热效率,提高热能利用率D.降低循环热效率,降低热能利用率11、一个橡皮气球在太阳下被照晒,气球在吸热过程中膨胀,气球内的压力正比于气球的容积,则气球内的气球进行的是【】A.定压过程B.多变过程C.定温过程D.定容过程12、气体的容积比热是指【】A.容积保持不变的比热。
《工程热力学》参考试题及答案试卷一、填空题(每题2分,共20分)1. 热力学系统是指在一定范围内,与外界有能量和物质交换的物体或物体系。
根据系统与外界交换物质的可能性,可以将系统分为__________和__________。
答案:开放系统;封闭系统2. 在热力学中,状态参数是描述系统状态的物理量,其中独立状态参数的数目称为系统的__________。
答案:自由度3. 理想气体的状态方程为__________,其中p表示气体压强,V表示气体体积,T表示气体温度,R为通用气体常数,n为气体的物质的量。
答案:pV=nRT4. 等压过程是指系统在__________下进行的过程。
答案:压强不变5. 等熵过程是指系统在__________下进行的过程。
答案:熵不变二、选择题(每题2分,共20分)6. 下列哪个过程是绝热过程?A. 等压过程C. 等熵过程D. 绝热过程答案:D7. 下列哪个状态参数是强度量?A. 内能B. 熵C. 温度D. 压强答案:C8. 在下列哪个过程中,系统的热力学能不变?A. 等压过程B. 等温过程C. 等熵过程D. 绝热过程答案:B9. 下列哪个过程是可逆过程?A. 等压过程B. 等温过程D. 不可逆过程答案:C10. 下列哪个过程是等温过程?A. 等压过程B. 等温过程C. 等熵过程D. 绝热过程答案:B三、判断题(每题2分,共20分)11. 热力学第一定律表明,能量不能被创造或消灭,只能从一种形式转化为另一种形式。
()答案:正确12. 在等熵过程中,系统的熵保持不变。
()答案:正确13. 理想气体的内能只与温度有关,与体积和压强无关。
()答案:正确14. 等压过程和等温过程都是可逆过程。
()答案:错误15. 在等温过程中,系统的温度保持不变。
()答案:正确四、计算题(每题20分,共60分)16. 一台理想气体压缩机,将0.1kg的空气从状态1(p1=0.1MPa,T1=300K)压缩到状态2(p2=0.5MPa,T2未知),已知压缩过程为等熵过程。
《工程热力学》参考试题及答案一、选择题(每题5分,共30分)1. 热力学第一定律表明()A. 热量不能自发的从低温物体传到高温物体B. 热量不能完全转化为功C. 能量守恒D. 热量总是从高温物体传到低温物体答案:C2. 下列哪个过程是可逆过程?()A. 自由膨胀B. 等温膨胀C. 等压膨胀D. 绝热膨胀答案:B3. 在热力学中,以下哪个参数是状态函数?()A. 功B. 热量C. 温度答案:C4. 下列哪个参数表示热力学系统的内能?()A. 温度B. 压力C. 熵D. 内能答案:D5. 在下列哪个过程中,熵增最大?()A. 等温膨胀B. 等压膨胀C. 绝热膨胀D. 等温压缩答案:A6. 下列哪个过程是绝热过程?()A. 等温膨胀B. 等压膨胀C. 绝热膨胀D. 等温压缩二、填空题(每题10分,共30分)1. 热力学第一定律的表达式为:△U = Q - W,其中△U 表示____,Q表示____,W表示____。
答案:系统内能的变化、系统吸收的热量、系统对外做的功2. 在等温过程中,理想气体的熵变为:△S =nRln(V2/V1),其中n表示____,R表示____,V1表示____,V2表示____。
答案:气体的物质的量、气体常数、初始体积、终态体积3. 下列热力学过程中,熵增最小的是____过程。
答案:绝热过程三、计算题(每题20分,共40分)1. 已知某理想气体的初始状态为:T1 = 300K,P1 =1MPa,V1 = 0.1m³。
经过一个等温膨胀过程,气体的终态压力为P2 = 0.5MPa。
求气体的终态体积V2和膨胀过程中气体对外做的功W。
解:根据理想气体状态方程:PV = nRT,可得P1V1 = P2V2解得:V2 = 2V1 = 0.2m³膨胀过程中气体对外做的功为:W = P1V1ln(P1/P2) = 1 × 10⁶ × 0.1 × ln(1/0.5) = 1.69 × 10⁴ J2. 一台理想卡诺热机的热源温度为800K,冷源温度为300K。
习题及部分解答第一篇工程热力学第一章基本概念1.指出下列各物理量中哪些是状态量,哪些是过程量:答:压力,温度,位能,热能,热量,功量,密度。
2.指出下列物理量中哪些是强度量:答:体积,速度,比体积,位能,热能,热量,功量,密度。
3.用水银差压计测量容器中气体的压力,为防止有毒的水银蒸汽产生,在水银柱上加一段水。
若水柱高,水银柱高,如图2—26所示。
已知大气压力为Hg,试求容器中气体的绝对压力为多少?解:根据压力单位换算4.锅炉烟道中的烟气常用上部开口的斜管测量,如图2-27所示.若已知斜管倾角,压力计中使用的煤油,斜管液体长度,当地大气压力,求烟气的绝对压力(用表示)解:5.一容器被刚性壁分成两部分,并在各部装有测压表计,如图2-28所示,其中为压力表,读数为,为真空表,读数为。
若当地大气压,求压力表的读数(用表示)6. 试述按下列三种方式去系统时,系统与外界见换的能量形式是什么。
(1).取水为系统;(2).取电阻丝、容器和水为系统;(3)。
取图中虚线内空间为系统.答案略。
7.某电厂汽轮机进出处的蒸汽用压力表测量,起读数为;冷凝器内的蒸汽压力用真空表测量,其读数为。
若大气压力为,试求汽轮机进出处和冷凝器内的蒸汽的绝对压力(用表示)8。
测得容器的真空度,大气压力,求容器内的绝对压力。
若大气压变为,求此时真空表上的读数为多少?9。
如果气压计压力为,试完成以下计算:(1)。
绝对压力为时的表压力;(2)。
真空计上的读数为时气体的绝对压力;(3).绝对压力为时的相应真空度();(4).表压力为时的绝对压力()。
(1).;(2).;(3)。
;(4)。
10。
摄氏温标取水在标准大气压下的冰点和沸点分别为℃和℃,而华氏温标则相应地取为℉和℉。
试导出华氏温度和摄氏温度之间的换算关系,并求出绝对零度所对应的华氏温度。
将水在标准大气压下的冰点值℃,以及沸点值℃代入,得解该二元一次方程组,得:。
从而有当℃时,有11.气体进行可逆过程,满足(为常数),试导出该气体从状态变化到状态时膨胀功的表达式,并在图上定性画出过程线、示出膨胀功。
一、 判断命题是否正确,错误的加以改正1、 孤立系统的热力状态不能发生变化。
2、 答:×,只要孤立系统发生热力过程,其热力状态就会发生变化。
2、 工质从同一初态出发,经过一可逆过程和一不可逆过程到达相同的终态,则两种过程中可逆不可逆g g S S ∆>∆、可逆不可逆f f S S ∆>∆、可逆不可逆S S ∆=∆。
答:×,可逆不可逆f f S S ∆<∆3、 热力过程中,系统向外界放热,其温度必然降低。
4、 答:×,热力过程中,系统向外界放热,其温度不一定降低。
5、 一切不可逆循环的热效率1q w net t <η。
答:×,一切循环的热效率1q w net t =η。
6、 系统吸热,其熵一定增加,系统放热,其熵一定减小。
7、 答:×,系统吸热,其熵一定增加,系统放热,其熵不一定减小。
6、工质经过不可逆循环后,有0<⎰r T Q δ,根据r T Q dS δ=,则有⎰<0dS 。
答:×,工质经过不可逆循环后,有0<⎰r T Q δ,但 ⎰=0dS 。
二、选择题 1、 刚性绝热容器中间用隔板分为两部分,一部分为高压气体,一部分保持真空,抽去隔板前后 DA 、0=∆S ,0=∆U ;B 、0=∆S ,0=∆H ;C 、0<∆S ,0>∆U ;D 、0>∆S ,0=∆U 。
2、 t p w T c q +∆= 适用于 CA 、任意气体、闭口系统、可逆过程;B 、实际气体、开口系统、可逆过程;C 、理想气体、开口系统、稳流过程;D 、任意气体、开口系统、可逆过程。
3、 经过不等温传热后, BA 、热量的可用能和废热均减少;B 、热量的可用能减少,废热增加;C 、热量的可用能不变,废热增加;D 、热量的可用能不变,废热减少。
4、当孤立系统中进行了一不可逆过程后,则孤立系统的总能、总熵、总 用的变化为 CA 、0<∆E ,0>∆S ,0>∆X E ;B 、0>∆E ,0>∆S ,0<∆X EC 、0=∆E ,0>∆S ,0<∆X E ;D 、0=∆E ,0>∆S ,0=∆X E5、在紧闭门窗的房间内,启动一台打开的冰箱,经过一段时间的运行,则室温将BA 、降低;B 、升高;C 、不变;D 、不定。
2011人环奖试卷-工程热力学
1、已知湿蒸汽的干度为0.8,其中干饱和蒸汽的质量为6kg ,则饱和液体的质量为 kg 。
A 、1
B 、1.5
C 、2
D 、2.5
2、某体系从一个平衡态开始经过不同的两个过程达到相同的终态,其中一个过程为可逆过程,另一个过程为不可逆过程
A 、
S S ∆<∆不可逆可逆 B 、S S ∆=∆不可逆可逆 C 、S S ∆>∆不可逆可逆 D 、A 、B 、C 均不成立
3、绝热过程的状态方程pv κ=常数,其中p v c c κ=适用于
A 、理想气体定比热容可逆绝热过程
B 、任意气体定比热容可逆绝热过程
C 、理想气体绝热过程
D 、理想气体可逆绝热过程
4、未饱和湿空气是指
A 、湿空气的压力达到与干球温度相对应的水蒸汽饱和压力的空气
B 、湿空气的压力达到与湿球温度相对应的水蒸汽饱和压力的空气
C 、湿空气中的水蒸汽分压力小于与干球温度相对应的水蒸汽饱和压力的空气
D 、湿空气中的水蒸汽分压力小于与湿球温度相对应的水蒸汽饱和压力的空气
5、湿空气在总压力不变,干球温度不变的条件下,湿球温度愈低,其含湿量
A 、不变
B 、不定
C 、愈大
D 、愈小
6、在p-v 图上,任意一个正向循环其
A 、膨胀功大于压缩功
B 、压缩功与膨胀功关系不定
C 、压缩功大于膨胀功
D 、压缩功等于膨胀功
7、迈耶公式p v g c c R -=
A 、适用于理想气体,是否定比热容无关
B 、适用于任意气体
C 、仅适用于理想气体,定比热容
D 、适用于任意气体,定比热容
8、焓是状态参数,对于 ,其没有物理意义。
A 、闭口系统
B 、稳流开口系统
C 、开口系统
D 、绝热系统
9、某理想气体自状态1经历一个可逆多变过程到达状态2,其温度下降、熵增大,则气体
A 、压力升高、比容减小,外界对气体做功
B 、压力降低、比容减小,外界对气体做功
C 、压力升高、比容增大,对外做功
D 、压力降低、比容增大,对外做功
10、功不是状态参数,内能与推动(流动)功之和
A 、是状态参数
B 、没有意义
C 、不是状态参数
D 、不是广延量
11、水蒸气的汽化潜热随压力升高而
A 、增加
B 、不变
C 、减小
D 、先增后减
12、在T-s 图上,任意一个逆向循环其
A 、吸热小于放热
B 、吸热与放热关系不定
C 、吸热大于放热
D 、吸热等于放热
13、工质绝热节流后,
A 、焓不变,压力不变,温度不定,熵增大
B 、焓不变,压力下降,温度不定,熵增大
C 、焓不变,压力下降,温度不变,熵增大
D 、焓不变,压力下降,温度不变,熵不变
14、理想气体的焓取决于
A 、比体积
B 、压力
C 、温度
D 、A+B
15、“经过一个不可逆循环,工质不能恢复原来状态”
A 、这种说法在一定条件下是正确的
B 、无法判断
C 、这种说法是错误的
D 、这种说法是正确的
16、在闭口绝热系中,一切过程必定使系统墒
A 、减小
B 、增大或不变
C 、增大
D 、不变
17、Q U =∆只适用于
A 、理想气体,定容过程
B 、任意气体,定熵过程
C 、任意气体,定容过程
D 、任意气体,定温过程
18、热力学第一定律适用于
A 、任意系统、任意工质、任意过程
B 、任意系统、任意工质、可逆过程
C 、开口系统、理想气体、稳定流动
D 、闭口系统、实际气体、任意流动
19、等量空气从相同的初始状态出发,分别经过不可逆过程A 和任意可逆过程B 到达相同的终态,若空气的热力学能变换分别用A U ∆和B U ∆表示
A 、
A B U U ∆<∆ B 、0A B U U ∆=∆=
C 、A B U U ∆=∆
D 、A B U U ∆>∆
20、闭口系统工质经历可逆变化过程,系统对外做功20kJ ,与外界换热-20kJ ,则系统的熵变
A 、不变
B 、不定
C 、增加
D 、减小
参考答案:
1- 5: B B A C D
6-10: A A A D A
11-15: C A B C C
16-20: B C A C B。