船体质检员检验规程
- 格式:doc
- 大小:408.00 KB
- 文档页数:9
船体完工检验一、船体主尺度和外形检验船体主尺度是船体外形大小的基本量度,即船的长度、宽度和深度。
在船体型线图和基本结构图上标注为总长、垂线间长、最大宽度、型宽和型深等。
船体主尺度是船体性能设计和制作船模进行拖曳试验的关键尺寸,也是签订合同、进行基本设计、详细设计和生产设计的主要依据。
在船体建造各工序施工时,为确保船体主尺度精度要认真地制订工艺措施。
如果主尺度精度超出允许极限,将直接影响到船舶的排水量、舱容、稳定性与局面速性。
据分析,对型宽相对较大的船在型宽建造偏差为±15mm时,或者对型宽相对较小的船在型宽建造偏差为±30mm时,将导致该船的横稳心高度变化约为±10mm左右。
船体尾部区域分段及尾柱的安装精度偏差也会影响轴系与舵系的效能及航向稳定性。
型深的建造偏差将影响勘划载重线标志的位置与干舷尺寸,影响载重量、大倾角稳性与抗沉性。
外形变形量超出允许极限将影响船体的总纵强度。
因此,船体主尺度和外形检验至关重要,它的检测值列入交船完工质量报告之一,也是评价船舶产品质量的主要项目。
(一)检验前的准备工作船体主尺度和外形检验通常应在船体密性试验后,并必须在移墩前(移墩指为了涂刷搁至墩木处的船底油漆而进行的调换墩木位置的工序,大型船通常无此工序)完工。
主尺度检验项目有总长或垂线间长、型宽和型深。
外形检验项目有龙骨线直线度(或轮廓度)、尾翘、首翘、船底斜升线、局部平整度和整体平整度等。
检测方法通常是以船台基准线为基准,用激光经纬仪或经纬仪、水平软管、线锤及钢皮卷尺测量。
由于主尺度测量方法并不复杂,只要借助工具将总长或垂线间长、型宽、型深用几何中推平行线法引出后量了取尺寸即可,故不再叙述。
对于船体主尺度检验,检验员必须了解下述术语的含义:1.船的长度(1)船长L沿设计夏季载重水线,由首柱前缘量至舵柱后缘的长度;对无舵柱的船舶,由首柱前缘量至舵杆中心的长度;但均不得小于设计夏季载重线总长的96%,且不必大于97%。
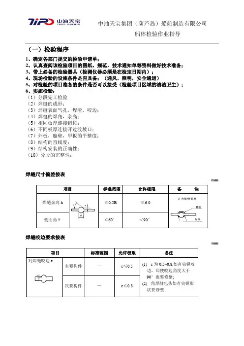
(一)检验程序1、确定各部门提交的检验申请单;2、认真查阅该检验项目的图纸,规范,技术通知单等资料做好技术准备;3、带上必备的检验器具(检测仪器必须是在检定日期内);4、现场检验的设施条件是否具备;(通风,照明,安全通道)5、对检验的项目准备的条件是否可以接受(检验项目区域的清洁卫生);6、实施检验:(1)分段完工检验(2)焊缝的成形;(3)焊缝表面气孔,焊渣,咬边;(4)焊缝的焊角,余高;(5)相同板厚连接错位;(6)不同板厚连接开过渡坡口;(7)外板,舱壁,甲板的平整度;(8)结构的直线度;(9)结构安装的正确性;(10)分段的完整性;焊缝尺寸偏差按表mm焊缝咬边要求按表mm标准范围备注主要构件0.5~0.8,如有尖锐咬边,即使咬边角度大于°也要修整;角焊缝包头如有尖锐形角焊缝尺寸偏差mm规定焊脚尺寸实际焊脚尺寸规定焊喉尺寸实际焊喉尺寸焊接变形mm为肋骨间距外板变形量局部平整度mm整体平整度按表mm检测方法:最小的检测距离l=3m内部支撑材的直线度mm(二)分段合拢检验1、分段定位检验内容1.1底部分段检验内容1.1.1分段中心线相对船台中心线偏差。
1.1.2分段肋位线相对船台肋位线偏差。
1.1.3分段定位水平。
1.1.4分段半宽基准点相对船台半宽线偏差。
1.1.5分段高度基准点相对船台假设基线高度偏差。
1.1.6肋骨,纵骨间距。
1.2舷侧分段检验内容1.2.1甲板边线距假设基线高度偏差。
1.2.2甲板边线相对船台半宽线偏差。
1.2.3分段定位水平。
1.2.4分段肋位线相对船台肋位线偏差。
1.2.5肋骨间距。
1.3甲板分段检验内容1.3.1甲板中心线相对外,内底(平台)中心线偏差。
1.3.2甲板中心线高度。
1.3.3甲板分段水平。
1.3.4分段肋位线相对舷侧分段肋位线偏差。
1.3.5肋骨间距。
1.4纵,横壁分段检验内容1.4.1纵,横壁中心相对中心线偏差。
1.4.2纵,横壁定位水平。
船厂三级检验制度【原创实用版4篇】目录(篇1)I.船厂三级检验制度的定义和目的II.船厂三级检验制度的内容和流程III.船厂三级检验制度的实施和监督IV.船厂三级检验制度的意义和作用正文(篇1)一、船厂三级检验制度的定义和目的船厂三级检验制度是一种针对船舶制造质量的检验体系,由国家海事局制定并实施。
该制度旨在确保船舶制造符合国家标准和规范,提高船舶的安全性能,保障水上交通安全。
二、船厂三级检验制度的内容和流程船厂三级检验制度包括船体、轮机、电气三个专业的检验。
每个专业都分为三个等级:一级、二级和三级。
每个等级对应不同的检验标准和要求。
1.船体专业:一级检验为初步检验,主要检查船体的结构、设备和系统是否符合规范。
二级检验为中间检验,主要检查船体的设备、系统和部件是否符合规范。
三级检验为最终检验,主要检查船体的设备、系统和部件是否符合规范,并进行最终的质量检查。
2.轮机专业:一级检验为初步检验,主要检查轮机系统的设备和系统是否符合规范。
二级检验为中间检验,主要检查轮机系统的设备、系统和部件是否符合规范。
三级检验为最终检验,主要检查轮机系统的设备、系统和部件是否符合规范,并进行最终的质量检查。
3.电气专业:一级检验为初步检验,主要检查电气系统的设备和系统是否符合规范。
二级检验为中间检验,主要检查电气系统的设备、系统和部件是否符合规范。
三级检验为最终检验,主要检查电气系统的设备、系统和部件是否符合规范,并进行最终的质量检查。
三、船厂三级检验制度的实施和监督1.实施:在船舶制造过程中,由船厂按照三级检验制度的要求进行自检、互检和专检。
在每个专业完成制造后,由相应的检验人员进行专业检验,并按照规定的标准进行质量评定。
2.监督:国家海事局负责对船厂三级检验制度的实施情况进行监督和检查。
定期对船厂进行检查,并对不符合标准的船厂进行处罚。
同时,国家海事局还鼓励社会各界对船厂进行监督,及时发现并解决问题。
四、船厂三级检验制度的意义和作用1.提高船舶制造质量:通过船厂三级检验制度,可以确保船舶制造过程中的每个环节都符合国家标准和规范,从而提高船舶的质量和安全性能。
船舶检验流程船舶检验是保障船舶安全和环境保护的重要环节,其流程严谨而复杂。
在进行船舶检验时,需要严格按照规定的程序和标准进行,以确保船舶的安全性和合规性。
下面将介绍船舶检验的流程和相关注意事项。
首先,船舶检验的流程一般包括四个主要环节,申请、准备、实施和报告。
申请阶段,船舶所有人或经营者向相关机构提交检验申请,包括船舶基本信息、检验类型、检验标准等内容。
准备阶段,船舶所有人或经营者需要按照检验要求对船舶进行准备,包括整备船舶文件、备齐检验资料、配合检验机构的前期准备工作等。
实施阶段,检验机构派遣专业人员对船舶进行检验,包括对船舶结构、设备、系统等方面进行全面检查和测试。
报告阶段,检验机构出具检验证书或报告,对船舶的检验结果进行评定和总结。
其次,船舶检验的注意事项包括但不限于以下几点,首先,船舶所有人或经营者需要了解并遵守相关的法律法规和标准要求,确保船舶的合规性。
其次,船舶在接受检验前需要进行充分的准备工作,包括整备船舶文件、备齐检验资料、配合检验机构的前期准备工作等。
最后,船舶检验过程中需要全程配合检验机构的工作,确保检验工作的顺利进行和结果的准确性。
最后,船舶检验是保障船舶安全和环境保护的重要环节,其流程严谨而复杂。
在进行船舶检验时,需要严格按照规定的程序和标准进行,以确保船舶的安全性和合规性。
船舶所有人或经营者需要充分了解和遵守相关的法律法规和标准要求,确保船舶的合规性。
同时,船舶检验过程中需要全程配合检验机构的工作,确保检验工作的顺利进行和结果的准确性。
综上所述,船舶检验流程严谨而复杂,需要船舶所有人或经营者充分了解和遵守相关的法律法规和标准要求,确保船舶的合规性。
同时,船舶检验过程中需要全程配合检验机构的工作,确保检验工作的顺利进行和结果的准确性。
船舶检验是保障船舶安全和环境保护的重要环节,必须高度重视和严格执行。
船舶检验质量责任制度范本第一章总则第一条为了加强船舶检验质量管理,确保船舶检验质量,根据《中华人民共和国船舶和港口法》、《中华人民共和国船舶检验条例》等有关法律法规,制定本制度。
第二条本制度适用于中华人民共和国国内船舶检验机构、船舶检验员和船舶检验相关单位。
第三条船舶检验质量责任制度遵循公开、公平、公正、透明的原则,实行分类管理、分级负责。
第四条船舶检验机构应当建立健全船舶检验质量管理体系,明确检验质量责任,加强检验过程控制,提高检验质量。
第二章质量责任划分第五条船舶检验机构应当设立质量管理机构,负责船舶检验质量的管理工作。
质量管理机构的职责如下:(一)组织制定和修订船舶检验质量管理制度;(二)对船舶检验质量进行监督、检查和评价;(三)组织处理船舶检验质量问题,对船舶检验质量事故进行调查和处理;(四)对船舶检验员进行质量教育和培训;(五)其他与船舶检验质量相关的管理工作。
第六条船舶检验员应当具备相应的专业知识和技能,按照船舶检验规范和程序进行检验,对检验结果负责。
船舶检验员的责任如下:(一)严格遵守船舶检验规范和程序,保证检验工作质量;(二)对检验过程中发现的问题及时报告,并提出处理建议;(三)参加质量管理机构的培训,提高自身业务水平;(四)其他与船舶检验质量相关的工作。
第七条船舶检验相关单位应当依法履行船舶检验质量的保障职责,包括但不限于:(一)为船舶检验提供必要的工作条件;(二)协助船舶检验机构处理检验质量问题;(三)对船舶检验员进行业务支持和技术指导;(四)其他与船舶检验质量相关的工作。
第三章检验质量控制第八条船舶检验机构应当制定船舶检验计划,明确检验项目、检验标准、检验周期等。
第九条船舶检验机构应当对船舶检验过程进行控制,确保检验项目、检验标准、检验周期等得到严格执行。
第十条船舶检验机构应当对船舶检验结果进行审核,确保检验数据真实、准确、完整。
第十一条船舶检验机构应当建立健全船舶检验质量档案,保存检验报告、检验记录等相关资料,不少于规定年限。
船舶检验修理内容及流程船舶检验修理可是个很有趣又很重要的事儿呢!一、船舶检验的内容。
1. 外观检查。
咱先看看船的外观呗。
就像看一个人的外貌一样,船的外壳有没有刮痕呀,有没有生锈的地方。
像那些在海上跑了很久的船,海水的盐分可容易让船壳生锈啦。
还有船身上的那些标志,也得清楚完好才行呢,这就好比人的身份证得清晰可辨。
2. 结构检查。
船的结构那可太关键啦。
从船头到船尾,甲板、船舷、舱壁啥的都得仔细瞅瞅。
甲板不能有裂缝或者变形哦,不然船员在上面走就不安全啦。
舱壁要是不结实,那在海上遇到点风浪,船里的东西可就乱套了。
这就像房子的墙,要是歪了或者有洞,住在里面的人肯定不安心呀。
3. 设备检查。
船上有好多设备呢。
像导航设备,这可是船舶的眼睛,要是坏了,在大海里可就容易迷路啦。
还有通信设备,要是出问题了,在海上遇到紧急情况都没法求救呢。
发动机就更不用说了,这是船的心脏,得检查它的各个部件是不是正常运转,有没有漏油之类的情况。
就像咱们检查汽车的发动机一样,要是发动机不行,车就跑不动啦,船也一样呀。
4. 安全设备检查。
二、船舶修理的流程。
1. 确定修理项目。
当检验完发现问题后,就要确定哪些地方需要修理啦。
这就像我们生病去看医生,医生诊断完了就得确定治疗方案一样。
船东、船检师还有修理厂的人得一起商量,看看哪些问题是必须马上解决的,哪些可以缓一缓。
比如说,如果船壳只是有点小锈斑,可能简单处理一下就行,但要是有个大口子,那肯定得赶紧修。
2. 报价和预算。
修理厂根据确定的修理项目出一个报价。
这个报价得合理呀,不能漫天要价。
船东也得根据自己的预算来考虑,要是太贵了,可能就得再商量商量,看看有没有办法降低成本。
就像我们买东西一样,得货比三家,找到性价比最高的方案。
3. 签订修理合同。
当船东和修理厂都达成一致后,就签合同啦。
合同里得把修理的项目、价格、工期啥的都写清楚。
这就像是一个约定,双方都得按照合同来办事。
要是有一方违约了,那可就不好啦。
船舶建造质量检验制度船舶产品质量检验制度1.目的为确保船舶产品质量,规范船舶产品质量检验工作,有效控制生产过程的施工质量,根据相关船级社《船舶入级和建造规范》的要求,对建造中的船舶产品实施监督检验,促使船舶产品符合技术规范,促使生产进度与质量的和谐和统一,增进顾客满意,实现产品质量的持续提高,特制定本规定。
2.适用范围本规定适用于船舶产品制造及其全过程的相关施工、检验人员。
3.适用标准检验依照相关船级社《船舶入级和建造规范》《法定检验指南》进行检验,符合相关船级社检验标准以及《中国造船质量标准CSQS》、GB、CB的要求,并能满足相应入级船级社的相关规则、规范要求。
检验还结合相关图纸、工艺文件等资料的具体要求。
4.检验职能的划分4.1自检:具体作业项目的施工人对其所施工的工件质量负责自检自纠;4.2互检:施工车间(班组)、施工队或其指定的检验人员或专人负责对施工的产品质量检查,负责处理内检、外检中的质量意见;4.3厂检:船舶产品生产过程的全程质量检验;4.4外检:船东、船检按企业QC人员向其提交的项目进行质量检验认定;4.5质检部门履行质量管理及监测职能:4.5.1进货检验:负责船用外购设备、材料、外协件、外加工件和物资的质量检验;4.5.2实施无损探伤检测及焊工、无损检测人员的资质考核、取证、培训的联络实施工作;4.5.3按规定要求编制单船《交验项目表》与船东代表、船检确定交验项目并商5.4.2负责检查督促产品证书、证明、完工资料向资料员移交;5.4.3负责产品外观检查,核对相应型号、指标,实施必要的批量或抽样检查,签署检验鉴定意见,不合格品的登记,结返工产品和纠正措施进行跟踪验证;5.4.4重要物资的检验,负责召集相关部门鉴定并出具专门记录;5.4.5负责进货物资在生产过程中发生的质量问题或投诉意见的处理;6质量检验运行程序6.1自检、互检程序6.1.1施工者根据生产项目的图纸、作业指导书、工艺文件等资料,在充分消化没有疑问的前提下进行施工。
船舶产品质量检验规程编制部门:质保部(检验)发布日期:2006年9月18日实施日期:2006年10月01日文件名:船舶产品质量检验规程文件编号:船舶产品质量检验规程1.范围本规程规定了公司船舶产品质量检验的检验职责、检验程序、检验内容和方法。
本规程适用于公司军、民船舶产品质量检验的全过程。
2.引用标准■QG/JX15-804-2006 《产品质量检验控制程序》QG/JX15-805-2006 《产品提交军检的控制程序》3.定义检验一对产品或服务的特性进行测量、检查、试验或度量,并将结果与规定的要求进行比较以确定其符合性的活动。
自检一施工人员对自己生产的零部件或施工项目,对照图样、技术文件、质量标准等进行的自我检验。
互检一施工人员对上道过程(工序)转来的零部件、半成品及班组长或车间指定人员对组员的产品质量在自检的基础上进行的复验。
专检一由专职检验人员对产品零部件及施工项目进行质量检验。
军检一由军代表对产品零部件及施工项目进行质量检验。
船检一由验船机构验船师对产品零部件及施工项目进行质量检验。
4.船舶产品质量检验的检验职责、检验程序、检验方法4.1船舶产品质量检验的职责4.1.1受检部门受检部门是指向质量检验部门提交外购件、外协件、自制件和成品检验的从事采购供应、对外协作、产品制造和试验工作的科室和车间。
1)遵守质量规范,严格按照图样、技术文件要求进行采购或生产,遵守工艺纪律,做好施工(采购)原始记录,对记录的真实性和完整性负责。
2)对本部门责任范围内的外购件、外协件或制造的零部件、半成品、成品的产品质量负责。
3)认真执行自检、互检、首检检验制度,负责按规定项目(产品报验项目清单)在规定的阶段向检验部门报验,并对报检合格率负责。
4)负责对检验过程中发现的问题进行整改和消除,确保不合格品不送检、不流入下道过程(工序),协助检验人员做好不合格品的隔离工作,对不合格品流入下道过程(工序)及造成的不良影响负责。
船舶建造质量检验-第三章船体建造检验第三章船体建造检验第⼀节放样和号料检验⼀、放样检验(⼀)概述船体放样是在船体建造过程中,根据设计图样,将船体型线及结构按⼀定⽐例进⾏放⼤,以获得光顺的线型及构件在船体上的正确位置、形状和尺⼨,为后续⼯序提供施⼯依据的过程。
船体放样是船舶建造过程中的⾸道⼯序。
船体放样有如下⼀些类别:1.按⽅法分类的类别(1)实尺放样。
实尺放样是在放样间将设计型线及结构件放⼤到1:1的实际尺⼨的放样⽅法。
该⽅法历史悠久,它的操作不需要设备,只要配备较⼤的放样间、样条及绘图器具即可,其放样⽅法易于掌握,但由于操作时⼯作效率低,且型线在船体建造期间保留时间长,放样间占地利⽤率低,不适应造船业发展的需要⽽正在逐渐被数学放样所取代。
(2)⽐例放样。
⽐例放样是在⽐例放样台上,将设计的型线及结构件按1:5或1:10等⽐例进⾏放样的⽅法。
该⽅法绘图精度要求很⾼,需配备⾼精度的⽐例尺,由于操作时要在放⼤镜下⼯作,故劳动强度未见减轻,虽放样间⾯积可减少3/4,⼜可节约实样样板,但⽤该⽅法号料必须配备投影号料设备或光电踊跃⽓割机,且⽓割得到的零件尺⼨精度⼜较低,故在数控⽓割机未应⽤前,⽐例放样曾在个别船⼚使⽤过,近年来已被淘汰。
(3)数学放样。
数学放样是采⽤电⼦计算机技术,以数学计算⽅法,输出数据及绘图的放样⽅法。
由于其计算速度快且绘图精度⾼,⽽被造船、验船及⽤船部门所接受,它是现代造船最先进的放样技术。
2.按内容分类的类别(1)型线放样。
型线放样是根据设计型线图、型值表及⾸、尾柱图,将船体型线按较⼤⽐例或实际尺⼨进⾏的放样。
⾸制船型线图的型线光顺⼯作,如采⽤数学放样⽅法进⾏光顺,通常必须先⽤⼿⼯作图⽅法将设计型线图以1:10或1:20的⽐例放⼤,以纠正设计图纸中的错误尺⼨和贯彻设计者的意图进⾏型线光顺,从⽽获得可供电⼦计算机所接受的初光顺型值表。
(2)结构放样。
结构放样是将船体构件、外板、甲板等展开成实际形状及根据需要制作结构样板、样条或样箱的放样。
前言为了帮助公司现场管理人员、检验员以及施工者,熟悉、了解您所从事的工种、工序的施工、检验质量要求,品质保证课编制了《船体、船体精度、机装、电装、管系及涂装和内装》等检验手册一套共六本,供大家参考。
此“手册”引用了《公司船舶建造质量标准》、《中国造船质量标准》以及《船舶建造质量检验》等资料,并结合公司实际情况而编制。
由于水平有限,难免会存在一些错误及不足之处,望读者指正。
我们每年将对“手册”进行一次修正,使其逐步完善。
希望此“手册”能对公司现场管理人员、检验员以及施工者专业知识的提高,产品质量的提高起到帮助作用。
注:如“手册”内容与产品施工工艺有矛盾,以施工工艺为准。
品质保证课二OO六年八月目录1. 船体施工人员的资格 (1)2. 基本常识 (2)3. 钢板切割检查 (4)4. T排装配焊接检查 (6)5. FCB拼板检查 (9)6. 二次划线检查 (11)7. 纵骨装配、焊接检查 (12)8. 埋弧自动焊检查 (14)9. 火工板加工检查 (16)10. 槽形板加工检查 (17)11. 小组立检查 (18)12. 中组立检查 (20)钢板预处理线、数控切割、T排制造流法流水线,中心T排,纵骨装配等流水线的操作工人必须经人力资源部组织技术培训,经考核合格后,才准上岗操作。
2.1.2使用时,焊条存放于通电的保温筒,一次取出不多于4根。
2.1.3持证上岗。
2.1.4装配完工后,按图纸、工艺执行自检,自检合格后,交班组长互检。
2.2.2必须带好焊工工具:榔头、凿子、刷子。
2.2.3遵守焊接规范,如电压、电流、焊接顺序。
2.2.4施焊条件齐备,焊接间隙符合要表面粗糙度是否达到要求。
(见下表)4.2用钢直尺检查腹板是否居中于面板,等。
(见下图)检查端头坡口方向是否与图纸一致。
4.8检查施工者标记是否清楚、齐全。
图)5.3用钢直尺检查板缝两边平整度,两边与直尺贴合。
(见下图)5.5定位焊长度≥50mm,焊缝高度≤3mm。
船舶产品质量检验制度1.目的为确保船舶产品质量,规范船舶产品质量检验工作,有效控制生产过程的施工质量,根据相关船级社《船舶入级和建造规范》的要求,对建造中的船舶产品实施监督检验,促使船舶产品符合技术规范,促使生产进度与质量的和谐和统一,增进顾客满意,实现产品质量的持续提高,特制定本规定。
2.适用范围本规定适用于船舶产品制造及其全过程的相关施工、检验人员。
3.适用标准检验依照相关船级社《船舶入级和建造规范》《法定检验指南》进行检验,符合相关船级社检验标准以及《中国造船质量标准CSQS》、GB、CB的要求,并能满足相应入级船级社的相关规则、规范要求。
检验还结合相关图纸、工艺文件等资料的具体要求。
4.检验职能的划分4.1自检:具体作业项目的施工人对其所施工的工件质量负责自检自纠;4.2互检:施工车间(班组)、施工队或其指定的检验人员或专人负责对施工的产品质量检查,负责处理内检、外检中的质量意见;4.3厂检:船舶产品生产过程的全程质量检验;4.4外检:船东、船检按企业QC人员向其提交的项目进行质量检验认定;4.5质检部门履行质量管理及监测职能:4.5.1进货检验:负责船用外购设备、材料、外协件、外加工件和物资的质量检验;4.5.2实施无损探伤检测及焊工、无损检测人员的资质考核、取证、培训的联络实施工作;4.5.3按规定要求编制单船《交验项目表》与船东代表、船检确定交验项目并商定交验程序,以使船舶检验工作顺利进行;4.5.4负责在船舶建造完工后,按规定要求编制装订《船舶制造质量检验报告》成册,提交船东代表、船检部门,及公司质检验部门或档案室保存。
4.5.5负责监督质量体系的运行,统计质量指标及质量资料的保存工作。
5 各级质量检验责任人员职责5.1质量检验员职责5.1.1负责内检计划、外检计划、日交验计划、周交验计划、专项过程交验计划的制定和实施,并负责按期完成外检计划,是对外报检一次合格率的直接责任人;5.1.2严格执行质量检验规程,负责分管项目对施工单位制造过程中的质量巡检,对自检、互检后提交内检的项目进行检查,出具质量鉴定意见的整改意见,督促限期完成,并对质量总是提出改进意见和措施;在过程巡检、内检中,发现质量问题立即制止,并组织相关负责人分析症结原因并监督整改;5.1.3负责向船东、船检提交项目外检,督促施工单位责任人按期完成整改意见,负责与船东船检联系协调;及时向生产主管及施工单位反馈船东、船检意见并督促处理。
SF-WI-103-01 船舶产品质量检验制度版本号:2.0船舶产品质量检验制度1 目的为确保船舶产品质量,规范船舶产品质量检验工作,有效控制生产过程中的施工质量,根据《钢质海船入级与建造规范》的要求,对建造中的船舶产品实施监督检验,促使船舶产品符合技术条件,促使生产进度与质量的和谐统一,增进顾客满意,实现产品质量的持续提高,特制定本规定。
2 适用范围本规定适用于船舶产品制造及其全过程的相关施工、检验人员。
3 适用标准检验依照《泰州三福造船工厂标准》进行检验,符合《中国造船质量标准-CSQS》、GB、CB的要求,并最终能满足相应入级船级社的相关规范要求。
检验还结合相关图纸、工艺文件等资料的具体技术要求进行。
4 检验职能的总体划分4.1质管部负责现场产品质量的过程控制并建立“三级检验制度”4.1.1自检:具体作业项目的施工人对其所施工的工件质量负责自检自纠;4.1.2互检:生产车间主管或其指定的专人负责具体项目对施工人的产品质量检查。
4.1.3专检:船舶产品生产过程的质量检验由质管部QC人员负责执行。
4.1.4三级检验完成以后,由质管部QC向船东、船检提交的项目的最终检验认定。
4.2质管部履行质量管理及监测职能4.2.1进货检验:负责船用外购设备、材料、外协件、外加工件的进货物资的质量检验。
4.2.2实施无损探伤检测,主持计量器具检测管理及焊工、无损探伤人员资质的考核、取证、培训的联络实施工作。
4.2.3按规定要求编制《产品检验项目表》与船东代表、船级社确定交验项目,以使船舶检验工作顺利进行。
4.2.4 负责监督质量体系的运行,统计质量指标及质量资料的保存工作。
4.3技术工艺部的专业主管负责对外交验项目的技术方案及支持4.3.1产品设计主管是对外交验项目的支持者,除提供相关技术参数外,对试验的过程及方案(调试程序)应有明确的作业指导书供相关单位执行。
4.3.2设计主管必须根据项目组的对外交验计划,在项目组提交前确认(跟船东、船检)项目是否存在与规范、规格书、图纸不符项,并确定解决方案,避免在交验过程中再提出类似问题而中断或影响交验。
船舶产品质量检验管理规定受控状态:□受控□非受控发放编号:生效日期:船舶产品质量检验管理规定1 目的为确保船舶产品质量,规范船舶产品检验工作,有效控制生产过程中的施工质量,根据《钢质海船入级与建造规范》的要求,对建造中的船舶产品实施监督检验,促使船舶产品符合技术条件,促使生产进度与质量的和谐统一,增进顾客满意,实现产品质量的持续提高,特制定本规定。
2 适用范围本规定适用于船舶产品制造及其全过程的相关施工、检验人员。
3 定义还需写4 工作职责4.1.生产部门及品保部负责现场产品质量的过程控制,建立、执行“三级检验制度”。
4.1.1自检:具体作业项目的施工人员对其所施工的工件质量负责自检自纠;生产部门作业长或其指定的专人负责具体项目对施工人员的产品质量检查。
4.1.2内检:生产过程的质量内部检验由品保部专职检验人员负责执行。
4.1.3外检:船东、船检按品保部检验人员向其提交的项目单进行质量检验。
4.2品保部履行质量管理、质量检验及监测职能4.2.1进货检验:负责船用外购设备、材料、外协件、外加工件的进货质量检验。
4.2.2实施无损探伤检测,主持计量器具检测管理及电焊工资质的考核、取证、培训的联络实施工作。
4.2.3按规定要求编制对内、对外《报验项目表》,与船东代表、船级社确定对外交验项目,以使船舶检验工作顺利进行。
4.2.4负责在建船舶完工后,按规定要求装订《船舶制造质量证明书》、《船舶设备说明书、证书》、《船舶船检证书》成册,出厂时提交船东、船检,且部门留存一份。
4.2.5负责协助管理质量管理体系的运行,统计质量指标及质量资料的保存工作。
4.3技术部的专业主管负责检验项目的技术方案及支持4.3.1产品设计主管是对检验项目的技术支持者,除提供相关技术参数外,对试验的过程及方案(调试程序)应有明确的、经相关方认可的作业指导书供相关单位执行。
4.3.2在试验及提交过程中所出现的技术问题,设计主管应立即主持相关人员跟船东、船检的协调,确定整改方案,所有在交验过程中出现的技术问题的处理一般问题不超过48小时答复,重大问题不超过一周给予书面答复,所有书面提出的问题必须要有书面答复。
船舶产品质量检验制度1 范围本文件规定了进货检验、过程检验、最终检验三个检验阶段检验要求和项目对外提交程序,旨在规范公司游艇产品的质量检验和对外提交工作,以达到有效控制游艇产品的施工质量,实现进度和质量和谐统一,增进顾客满意的目的。
2 定义2.1 进货检验:产品生产组织对采购的原材料、成品或半成品等物资进行的入库前质量特性的符合性验证,证实其是否符合采购规定的质量要求的活动。
2.2 过程检验产品生产组织对产品形成(加工、安装)过程中的某一或多个过程(工序)所完成的中间产品、成品通过观察、试验、测量等方法,确定其是否符合规定的质量要求的活动。
2.3 最终检验产品生产组织对产品形成过程最终作业完成的成品是否符合规定的质量要求所进行的检验或试验,并为产品符合规定的质量特性要求提供证据的活动。
2.4 三级检验在产品形成过程期间,根据产品质量特性的难易程度,检测技术或设备的复杂程度进行的以“专检”为主,自检、互检为辅的检验制度,统称内检。
2.5 对外交验依照船级社规范、技术规格书、建造合同等文件的要求制定并取得船东和船级社认可的交验项目表为依据,在项目施工完成后为证明其符合规范和设计要求的质量特性、安全性、美观和耐用性而进行的活动,简称外检。
2.6 检验计划依照船级社规范、技术规格书、建造合同等文件的规定和公司生产流程的设置和特点,针对具体的船舶产品而制定的,包括检验阶段,检验地点、检验者等信息的文件;需对船东、船级社提交检验的称为对外提交计划,需对品保部提交检验的称为内检计划。
3 引用文件G/DY·CX06-05-2010(D)《产品的监视和测量程序》G/DY·ZY06-03-2010(D)《采购品质量检验制度》G/DY·ZY06-22-2010(D)《项目检验、交验暂行管理规定》G/DY·ZY63-01-2010(D)《船舶产品设备及系统调试工作程序》4 职责4.1质量科是产品质量检验的归口管理部门,负责:a) 产品(或项目)内检计划的编制,颁布;b) 参与产品(或项目)对外提交计划的编制;c) 进货检验、过程检验、专检项目的执行以及自检、互检落实的监督;d) 产品(或项目)最终检验的监督;e) 过程检验中项目对外提交的组织,落实;f) 不合格采购品、过程检验中不符合产品(或项目)的反馈、跟踪;g) 参与产品(或项目)对外提交计划的编制;h) 最终检验专检项目的执行和自检、互检落实的监督;i) 最终检验中不合格产品(或项目)的反馈、跟踪;j) 最终检验中项目对外提交的组织,落实;4.3 技术科负责:a) 产品(或项目)外检项目的编制,颁布;b) 进货检验中采购品质量验收标准的制定,颁布;c) 过程检验中产品(或项目)验收标准的制定,颁布;d) 最终检验中产品(或项目)试验程序和验收标准的制定,颁布;e) 参与进货检验和产品(或项目)的最终检验;4.4生产科负责:a) 过程检验、最终检验中产品(或项目)自检、互检的落实;b) 过程检验、最终检验中不符合产品(或项目)纠正。
修船厂质量检验员检验流程下载温馨提示:该文档是我店铺精心编制而成,希望大家下载以后,能够帮助大家解决实际的问题。
文档下载后可定制随意修改,请根据实际需要进行相应的调整和使用,谢谢!并且,本店铺为大家提供各种各样类型的实用资料,如教育随笔、日记赏析、句子摘抄、古诗大全、经典美文、话题作文、工作总结、词语解析、文案摘录、其他资料等等,如想了解不同资料格式和写法,敬请关注!Download tips: This document is carefully compiled by the editor. I hope that after you download them, they can help yousolve practical problems. The document can be customized and modified after downloading, please adjust and use it according to actual needs, thank you!In addition, our shop provides you with various types of practical materials, such as educational essays, diary appreciation, sentence excerpts, ancient poems, classic articles, topic composition, work summary, word parsing, copy excerpts,other materials and so on, want to know different data formats and writing methods, please pay attention!修船厂质量检验员在进行质量检验时需要遵循一套严谨的流程,以确保船舶的安全性和性能符合规定标准。
公务船检验技术规则嘿,咱今儿就来唠唠公务船检验技术规则这档子事儿!你说这公务船,那可真是责任重大呀,就好比是海上的卫士,得时刻保持良好状态,那要怎么做到呢?这就得靠严格的检验技术规则啦!你想想看,公务船要是出了啥毛病,那可不得了哇!就像咱人要是生了病,不及时治疗,那不就耽误事儿了嘛!公务船也一样啊,它得经得起各种风浪的考验,不能关键时刻掉链子呀!这检验技术规则就像是给公务船做了个全面的体检,从头到脚,从里到外,都得仔细检查个遍。
比如说船体吧,那得看看有没有裂缝呀,有没有生锈腐蚀呀,这要是有问题,不就跟纸糊的似的,还怎么在海上航行呢!还有那动力系统,发动机啥的,要是运转不顺畅,那船还能跑得快吗?就像汽车没了好发动机,还怎么在路上撒欢呀!再说说船上的各种设备,导航的呀,通讯的呀,都得保证好用才行。
这就好比咱出门得带好手机,还得能打电话能上网,不然得多不方便呀!公务船在海上执行任务,这些设备要是出了问题,那可就麻烦大啦!那这检验技术规则具体都有啥呢?哎呀,那可多了去了!什么安全标准啦,性能指标啦,操作规范啦,都得一一符合才行。
这可不是随便糊弄一下就能过关的,得有专业的人员,用专业的设备和方法去检测。
就好比医生给咱看病,得用各种仪器检查,还得根据经验来判断咱身体有没有问题。
公务船的检验也是一样的道理呀,那些检验人员就像是船的医生,得认真负责地给船把好关。
咱可不能小看了这检验技术规则,它可是保障公务船安全可靠的重要法宝呢!要是没有它,那公务船说不定啥时候就出问题了,那后果可不堪设想啊!你说是不是?而且呀,这检验还得定期进行呢,就像咱人得定期体检一样。
不能说这次检查没问题了,就一直不管了,那可不行!海上的情况那么复杂,船的损耗也大,得时刻保持警惕呢!总之啊,公务船检验技术规则那是相当重要啊!咱可得重视起来,不能马虎。
华泰(南通)船务有限公司船体检验规程
编制:
审核:
批准:
1.基本条件:
1.1检验员必须经培训合格,持有检验印章,方能从事检验工作。
1.2检验员必须熟悉图纸、工艺文件、规范、检验项目、质量标
准。
1.3检验员应掌握检测用具的使用方法,检验器具应具有合格标
识方能使用。
1.4提交验收前,施工部门必须进行自、互检,在合格的基础上
交检,如未经自、互检,检验员可不予验收。
1.5提交验收时,施工部门应提供必要的资料和单据,例如:跟
踪记录表,检验申请单、完工尺寸测量记录等。
在验收过程
中发现自、互检差、违反工艺纪律等按公司质量奖罚条例处
置。
1.6检验项目按项目表内容进行。
1.7船体精度标准按船体检验质量标准执行
2. 检验结果和处理
2.1 根据施工质量检查的情况作出施工质量评定,并把结论写在检
验单上,盖检验员印章,并注明日期;检验单一式两份,一份检验员留存,一份退还提交者。
2.2 检验结论为“合格”的项目可转入下道,检验结论为“不合
格”的项目,按“不合格品平审处置和控制程序”的规定执行。
2.3 根据检验项目规定的需向船东、船级社代表提交的项目,在
检验员检验合格后,写“检验申请单”向驻厂船东、船级社代表提交验收,只有在船东、船级社代表验收合格认可后,此项目结束。
3. 分段制造检验
3.1 内控项目:
拼板→小装配制作→胎架交验→划线交验→分段结构焊前交验→
封板前交验(翻身前焊后)→脱胎翻身后结构调整
3.2 船东、船检报检项目:
a)分段完整性(焊后、平整度);
b)外板缝真空试验(不含自动焊板缝)。
3.3. 分段外检结束后提供分段档案:
a)分段的主尺度测量报告(含合拢口余量记录);
b)合拢口的坡口形式;
c)分段的平整度(四角水平);
d)分段检验线、对合线的勘划(打出样冲眼);
e)分段的铁舾装件安装明细(根据分段托盘表):直梯、踏步、
人孔圈、锌块支座、外板标记、舭龙骨等;
f)分段标牌安装:用焊条采用堆焊形式焊在标牌上,再将标牌
统一点焊在距分段大号合拢口200mm平面处;
g)标牌内容:船号、分段号、左右舷标记。
4. 制作的过程控制与交验项目
4.1. 胎架的检验
检验内容
a)检验分段上是否标有明显的标记,如:分段代号、首、尾标
记、中心线、基准线、肋骨检验线等。
b)用水平软管或激光仪检查胎架肋骨基准线。
c)检查胎架是否满足图纸规定的焊接要求和强度要求。
d)检验结果和处理,按“2”进行。
e)检验员须收集并将记录控制表格(胎架图)整理归档备用。
如图:
胎架“三线”的角尺度偏差≤1.0mm
胎架平整度≤3.0mm
板与胎架面的贴合度≤2.5mm
中心线、肋检线的贴合度≤1.0mm
平面周界线与图样尺寸的总偏差≤2.5mm
结构位置线与图样尺寸的偏差≤1.0mm
4.2 分段结构性验收(包括完工测量等)
验收前准备
a)阅读分段结构图、分段划分图,了解分段的外形尺寸,四
周的正作端、余量端以及与周边分段的相互关系。
b)提交者应做好自验互验与记录,并组织好相关工作的配合,
清除垃圾、积水和杂物,舱内有良好的照明。
c)检验员准备好钢卷尺、电筒、粉线等用具。
4.2.1. 检验步骤和要求。
a)检验分段的中心线,肋骨检验线和驳划正确性,并打上洋
铳记号。
b)核对图上所标的零件是否装齐、装对,注意不对称构件的
规格和安装位置。
c)检查分段结构、肋骨、肋板、纵横材、舱壁、内底板、平
台、外板等经焊接后产生的变形弯曲是否已矫正平直,如
有超标的,须矫正。
d)检查纵横构件的安装垂直度。
e)对重要构件的坡口重点检查,对主机座纵桁、甲板边板、
对水密部位的间隙等应严格控制。
f)检验构件上的流液孔、透气孔、止流孔的完整性。
g)检查内底板、平台板、甲板、外板上新开的孔尺寸(人孔、
工艺孔)。
h) 复查舷部分段、舷侧顶板与甲板间的夹角和焊节点是否符合要求。
特别要注意湿房间构件的电焊要求。
i) 上层建筑分段应控制外围壁安装直线度、对接直线度及不平度。
j) 检查分段的外观质量,外板线型应光顺,焊接成型良好,马脚打磨无明显的凹坑,深度应<0.5mm 。
k) 检查分段上安装的舾装件的装焊质量。
l) 检查分段上托盘安装的完整性。
m) 检查分段上散装件的完整性。
n) 检查正作端的断面直线度,坡口的切割质量。
o) 检查构件自由边的精度,应无毛刺。
p) 检查引熄弧板及无用的杂件是否拆除。
q) 检查分段完工测量尺寸的精确性。
r) 根据探伤要求,划出探伤部位,申请探伤拍片。
s) 检验结果及处理按“2”进行。
如图:
1) 自动焊焊缝间隙0+1mm 2) CO 2焊焊缝间隙2
16+-mm 3) 长度:△L1≤±4mm 4) 宽度:△L2≤±4mm
5) 对角线:D1-D2≤2.5mm 6) 长度△L1≤2mm 7) 宽度△L2≤2mm 8)
对角线偏差≤2mm
9)对合线重合度±0.5mm 10)开档尺寸D 偏差≤ 1mm
11) 子材与位置线的安装偏差△L≤0.5mm 2) 子材与位置线的安装偏差△θ≤1..5°mm
t)检验员须收集并将记录控制表格(完工测量,C/M,平整度,坡口检查表)整理归档备用。
4.3. 焊接检验(主要靠施工人员自己控制,但检验员应做到)4.3.1. 验收前的准备
a)熟悉图纸上的焊接要求、焊脚尺寸、焊接工艺文件,了解
所应用的焊接材料牌号、规格,了解焊缝的焊接形式。
b)提交者应经自、互检合格,消除掉焊渣、垃圾,检验员准
备好检验榔头、电筒、卡尺等工具。
4.3.2. 检验步骤和要求。
a)检查焊缝尺寸是否符合图纸要求。
b)构件端头应作良好的包角焊,其焊脚应≮1.2K。
c)检查焊缝外形质量,焊缝应挺直均匀和顺、无脱节弧坑,
焊缝边缘应平滑过渡,无突变现象、无明显咬边。
d)焊缝表面应无裂缝、未溶合、未填满、无焊瘤、满溢、焊
穿等缺陷;凡外板、外围板、外通道等部位的焊接应严格
控制好外观质量。
e)对单面焊、间断焊的焊缝应按规定检查加强焊。
f)检查水密焊段的堵流孔,是否填满或良好的包焊。
g)检查结果及处理按“2”进行。
5、密性试验
密性试验应按密性试验清册,根据不同舱室部位采取不同的试验方法,通常有充气试验,压水试验、冲水试验、煤油试验、着色探伤以及角焊缝渗漏试验和真空试验等方法。
密性试验的目的是检查要求密性部位的致密性、消除泄露点,保证船体、各舱室的密性要求。
5.1. 试验条件和准备工作
a)焊缝探伤合格,结构性验收合格,才能进行密性试验。
b)试验用的压力表,应有合格标识,应有适合的检漏起泡液。
c)检验员应掌握密性试验清册的规定和内容,了解需进行密性试
验部位采用的试验方法、压力等要求。
d)试验部位不得有油漆或覆盖物,并保持清洁、干燥。
5.2. 真空试验、密性试验结束后,检验员应做好记录,包括日期、
气候条件,试验参数,参试人员,试验结果。
6、检查测量
工具是否有合格标识,并且要了解一定长度内允许的误差范围(测量工具注明)。
a)按测量图规定测量并记录。
b)用水平软管或水平仪、钢卷尺测量船的平整度/型深H/宽B/
长L。
c)按水线水尺图测量检查水线高度和水尺的位置尺寸。
d)检查结果及处理按“2”进行。
e)检验员须收集并将记录控制表格整理归档备用。
7. 分段巡检工作
7.1. 检验员应仔细参阅分段结构图、掌握节点要求,了解构件的尺寸与特性,查对自验互验的情况,准备好必要的检验工具等。
7.2. 检验步骤和要求(按CSQS标准中的精度要求)
a)按图检查构件的规格、尺寸、安装位置与划线位置的偏差。
b)检查纵横构件的安装垂直度。
c)核对图上所标的零件是否装齐、装对,注意不对称构件的规
格和安装位置。
d)对重要构件的坡口重点检查,对主机座纵桁、甲板边板、对
水密部位的间隙等应严格控制。
e)上层建筑分段应控制外围壁安装直线度、对接直线度及不平
度。
并且要注意湿房间构架的电焊要求。
7.3. 巡回检查中,重点检查所用的焊接材料是否符合规定、焊条
是否烘焙、保温,焊工是否持证上岗,焊接工艺纪律的执行情况。
8. 检验员须收集并将记录控制表格整理归档备用。
积极、有效地消除船检、船东提出的缺陷,并做好交船必备的相关资料,如记录清册、完工小结等。