差动保护实验指导书
- 格式:pdf
- 大小:308.24 KB
- 文档页数:9
实验五 变压器差动保护实验(一)实验目的1 .熟悉变压器纵差保护的组成原理及整定值的调整方法。
2 .了解 Y ∕Δ接线的变压器,其电流互感器二次接线方式对减少不平衡电 流的影响。
3 .了解差动保护制动特性的特点。
(二)变压器纵联差动保护的基本原理1 .变压器保护的配置变压器是十分重要和贵重的电力设备, 电力部门中使用相当普遍。
变压器如 发生故障将给供电的可靠性带来严重的后果, 因此在变压器上应装设灵敏、快 速、可靠和选择性好的保护装置。
变压器上装设的保护一般有两类:一种为主保护,如瓦斯保护,差动保护; 另一种称后备保护,如过电流保护、低电压起动的过流保护等。
本试验台的主保护采用二次谐波制动原理的比率制动差动保护2.变压器纵联差动保护基本原理 如图7-1 所示为双绕组纵联差动保 护的单相原理说明图,元件两侧的电流 互感器的接线应使在正常和外部故障时 流入继电器的电流为两侧电流之差,其值接近于零,继电器不动作;内部故障时流入继电器的电流为两侧电流之和,其值为短路电流,继电器动作。
但是, 由于变压器高压侧和低压侧的额定电流不同,为了保证正常和外部故障时, 变压器两侧的两个电流相等, 从而使流入继电器的电流为零。
即:式中: K TAY 、 K TA △——分别为变压器 Y 侧和△侧电流互感器变比; KT ——变压器变比。
显然要使正常和外部故障时流入继电器的电流为零, 就必须适当选择两侧互感器 的变比, 使其比值等于变压器变比。
但是, 实际上正常或外部故障时流入继电器 的电流不会为零,即有不平衡电流出现。
原因是:(1)各侧电流互感器的磁化特性不可能一致。
(2)为满足( 7-1 )式要求,计算出的电流互感器的变比,与选用的标准化变 比不可能相同;(3)当采用带负荷调压的变压器时,由于运行的需要为维持电压水平,常常 变化变比 KT ,从而使( 7-1 )式不能得到满足。
(4)由图 7-1 可见,变压器一侧采用△接线,一侧采用 Y 接线,因而两侧电 流的相位会出现 30 °的角度差,就会产生很大的不平衡电流(见图 7-2 )。
3.6.2.2主变差动保护正常情况下流进流出主变的功率一致(励磁损耗忽略)。
影响功率相关参数:电压(额定)、电流(变比)。
由于主变两侧电压关系已定,主变差动仅引入电流参与计算,此时需要对电流增加约束条件:容量、电压。
参数:以变压器铭牌实际为准!各侧容量S,如三圈变一般低侧容量只有高中侧一半。
1MV A=1000kV A。
各侧额定电压,某侧有多档位时以中间档位(额定档)为准,如上图高侧额定电压Ueh 35kV,低侧额定电压Uel 10.5kV。
整定:接线方式:注意因装置不同,有时整定选项无直接对应表述。
此时应按照实际接线(各侧电流接入装置的位置)整定。
如上图接线为YD11,某装置为三组电流接入,其接线选项有Y-Y-D1,Y-Y-D11等方式,现场接线为一、三侧,综合起来就可以选择Y-Y-D11接线。
各侧容量:如上图为2.5MV A或2500kV A.各侧额定电压:如上图接线方式为Y-Y-D11接线时,一侧额定电压35kV,二侧空额定电压可整定最小值,三侧额定电压10.5kV。
各侧CT变比:如上图接线方式为Y-Y-D11接线时,一侧CT变比150/5,二侧空CT变比可整定最小值,三侧额CT变比300/5。
计算:首先计算各侧二次额定电流Ie。
如上图:高侧二次额定电流Ieh=(S/1.732/Ueh)/(150/5)=1.375A。
设变比150/5。
低侧二次额定电流Iel=(S/1.732/Uel)/(300/5)=2.291A。
设变比300/5。
三相平衡电流:在两侧施加平衡电流的意义即流进流出主变功率相同,如高侧施加Ieh三相平衡电流表示流入功率Sh,低侧施加Iel三相平衡电流表示流出功率Sl,此时Sh=Sl,也即高压侧输入Ieh与低压侧输入Iel等效。
单相电流平衡:YD11接线:一般情况下此时是各侧电流折算至△侧,根据变压器原理,Y侧某相电流折算至△侧时,会同时反应在△侧的两相电流上。
如Y侧A相等效在△侧AC相上。
比率差动保护实验方法主题词比率差动实验方法随着综合自动化装置的普遍推广使用,变压器比率差动保护得到了广泛的使用,但是由于厂家众多,计算方法和保护原理略有差异,而且没有统一的实验方法,尤其是比率制动中制动特性实验不准确,给运行和维护带来了不便,下面介绍两种比较简单和实用的,用微机继电保护测试装置测试差动保护的实验方法。
一、比率差动原理简介:差动动作方程如下:Id>Icd (Ir<Ird)Id>Icd+k*(Ir-Ird) (Ir>Ird)式中:Id——差动电流Ir——制动电流Icd——差动门槛定值(最小动作值)Ird——拐点电流定值k——比率制动系数多数厂家采用以下公式计算差动电流;Id=︱İh+İl︱(1)制动电流的公式较多,有以下几种:Ir=︱İh-İl︱/2 (2)Ir=︱İh-İl︱(3)Ir=max{︱İ1︱,︱İ2︱,︱İ3︱…︱İn︱}(4)为方便起见,以下就采用比较简单常用的公式(3)。
由于变压器差动保护二次CT为全星形接线,对于一次绕组为Y/∆,Y/Y/∆,Y/∆/∆,Y形接线的二次电流与∆形接线的二次电流有30度相位差,需要软件对所有一次绕组为Y形接线的二次电流进行相位和幅值补偿,补偿的方式为:İA=(İA’—İB’)/1.732/K hpİB=(İB’—İC’)/1.732/K hpİC=(İC’—İA’)/1.732/K hp其中İA、İB、İC为补偿后的二次电流(即保护装置实时显示的电流),İA’、İB’、İC’为未经补偿的二次电流,相当与由CT输入保护装置的实际的电流。
K hp为高压的平衡系数(有的保护装置采用的是乘上平衡系数),一般设定为1。
这样经过软件补偿后,在一次绕组为Y形的一侧加入单相电流时,保护会同时测到两相电流,加入A相电流,则保护同时测到A、C两相电流;加入B相电流,则保护同时测到B、A两相电流;加入C相电流,则保护同时测到C、B两相电流。
母线差动保护作业指导书批准:审核:编写:福建省第一电力建设公司调试所1、总则1.1适用范围220KV、110KV母线保护1.2通则1.2.1在检验前,工作负责人必须组织工作人员学习本作业指导书,要求理解和熟悉本作业指导书的内容。
1.2.2有关本作业指导书的说明:(1)本作业指导书中1n代表微机保护的端子号,整屏试验时,自行对应微机保护屏的端子号。
(2)本作业指导书中所提电流回路的具体要求数值,是按保护装置的额定电流为5A的条件拟定的,如保护装置的额定电流为1A,则使用本规程时需将所列的电流值除以5。
(3)本作业指导书不包括收发信机和载波机。
(4)本作业指导书适用于制造厂1992年以后出厂的产品。
当回路有改变或与其他保护装置共回路、共继电器等时,应补充相应的检验项目。
(5)本作业指导书是在产品出厂合格的前提下编定的,因而在新安装时如无合格证,试验项目要增加工厂出厂检验的全部项目。
其内容不包括在本作业指导书内。
(6)新安装检验工作开始前,首先要详细检查出厂试验记录所填写的项目与内容是否齐全,在证实所填写的内容符合要求之后,才可按本作业指导书顺序进行检验。
1.2.3为了保证检验质量,加快检验进度,执行本作业指导书时应注意如下问题:(1)所有的检验,都应在该元件或插件处于与实际安装位置相一致的状态下进行。
(2)各检查单位应具备专用的试验台(车)。
1.2.4为获得比较准确的数据,对所有特性试验中的每一点,应重复试验3次,其中每次试验的数值与整定值的误差应满足规定的要求。
1.2.5所有整定的检验,用模拟突然短路的方法,通入95%及105%的整定值进行检查。
1.2.6检验码必须与程序通知单一致。
1.2.7为防止损坏设备,应注意如下问题:(1)断开直流电后才允许插、拔插件。
(2)调试过程中发现有问题要先找原因,不要频繁更换芯片。
必须更换芯片时,要用专用起拔器。
应注意世片插入的方向,插入芯片后需经二人检查无误后,方可通电检验或使。
一、实验目的1. 理解主变差动保护的基本原理和作用。
2. 掌握主变差动保护的实验方法及步骤。
3. 分析实验数据,验证差动保护的性能。
二、实验原理主变差动保护是一种重要的继电保护装置,用于保护电力系统中的主变压器。
它的工作原理是基于差动原理,通过比较主变压器两侧的电流,当两侧电流不相等时,说明主变压器内部存在故障,此时差动保护装置会发出动作信号,切断故障电路,保护主变压器及其连接的设备。
实验中,主变差动保护采用BCH-2型差动继电器,通过测量主变压器两侧的电流,比较其差值,当差值超过整定值时,继电器动作,发出保护信号。
三、实验设备1. 主变压器:三相三绕组降压变压器,容量Se40.5MVA,电压110/22.5%kV/385/22.5%kV/11kV,接线方式:Ydd11-11,变压器额定电流:213A/608A/2130A。
2. BCH-2型差动继电器。
3. 电流互感器:带有气隙的D级铁芯互感器。
4. 实验控制箱。
5. 示波器。
6. 电源。
四、实验步骤1. 连接实验电路,确保各设备连接正确。
2. 调整电流互感器变比,使其满足实验要求。
3. 设置差动继电器整定值,包括差动线圈匝数、继电器动作电流和灵敏度。
4. 通电运行,观察差动继电器动作情况。
5. 改变主变压器两侧电流,观察差动继电器动作情况。
6. 记录实验数据,分析差动保护性能。
五、实验数据及分析1. 实验数据如下:| 差动线圈匝数(Wcd.js) | 继电器动作电流(Idz) | 灵敏度(K1m) || ----------------------- | --------------------- | -------------- || 6 | 10A | 2.1 |2. 实验过程中,当主变压器两侧电流相等时,差动继电器不动作;当主变压器两侧电流不等时,差动继电器动作,发出保护信号。
3. 分析实验数据,可知:(1)差动继电器动作电流和灵敏度满足实验要求,能够有效保护主变压器。
(国电贵州风电分公司螺丝壳风电场)SVG变差动保护检验作业指导书编码:LSKZZJY -05二○一七年十月作业指导书签名页目录1.适用范围 (1)2. 编写依据 (1)3. 作业流程 (2)作业(工序)流程图 (2)4. 安全风险辨析与预控 (3)5. 作业准备 (4)5.1 人员配备 (4)5.2 工器具及仪器仪表配置 (4)6. 作业方法 (4)6.1作业条件检查 (4)6.2通电前检查: (4)6.3绝缘检查 (5)6.4通电检查 (5)6.5保护装置校验 (5)6.6整组传动试验:: (6)6.7电流电压回路检查: (6)6.8二次回路检查: (6)6.9受电前检查: (6)6.10带负荷试验: (6)7. 质量控制措施及检验标准 (7)7.1质量控制措施 (7)7.2检验标准 (7)8验收记录 (7)9调试记录 (8)1.适用范围本作业指导书适用于国电贵州风电分公司螺丝壳风电场35kVSVG变差动保护调试。
2. 编写依据3. 作业流程作业(工序)流程图图3-1 线路保护作业流程图4. 安全风险辨析与预控施工单位检查人:监理单位检查人:日期:日期:注:对存在风险且控制措施完善填写“√”,存在风险而控制措施未完善填写“×”,不存在风险则填写“―”,未检查项空白5. 作业准备5.1 人员配备5.2 工器具及仪器仪表配置6. 作业方法6.1作业条件检查6.1.1检查工作的安全措施完善,二次隔离措施符合作业安全要求。
6.1.2检查屏柜安装及二次接线完毕,符合试验条件。
6.1.3试验人员熟悉相关资料和技术要求。
6.1.4试验仪器符合要求。
6.2通电前检查:6.2.1核对保护屏配置的连片、压板、端子号、回路标注等,必须符合图纸要求。
6.2.2核对保护装置的硬件配置、标注及接线等,必须符合图纸要求。
6.2.3保护装置各插件上的元器件的外观质量、焊接质量应良好,所有芯片应插紧,型号正确,芯片放置位置正确。
35kV 线变组保护——7SD611.1 设备参数额定容量:kVA 40000电压等级:kV 5.10%5.2237⨯±联结组别:11-YNd ,11-Yd1.2 保护整定1.2.1 37kV 差动保护A n U S I TA NNn 5.0499.012502.6241250)373(400003≈==⨯==(1)比率差动起动值按躲过变压器额定负荷时的不平衡电流整定 A KI I n act 10.05.02.0=⨯==,取A I act 10.0=其中:K ——倍数,取0.2~0.5。
(2)差动速断值按躲过变压器最大励磁涌流或外部短路时的不平衡电流整定 A KI I n act 50.25.05=⨯==,取A I act 5.2=其中:K ——倍数,取3~6。
1.2.1 10kV 差动保护A n U S I TA NNn 55.040005.21994000)5.103(400003==⨯== (1)比率差动起动值按躲过变压器额定负荷时的不平衡电流整定 A KI I n act 11.055.02.0=⨯==,取A I act 11.0=其中:K ——倍数,取0.2~0.5。
(2)差动速断值按躲过变压器最大励磁涌流或外部短路时的不平衡电流整定 A KI I n act 75.255.05=⨯==,取A I act 8.2=其中:K ——倍数,取3~6。
1.3 保护原理1.3.1 37kV 侧Y 接,矢量匹配不需转换⎪⎭⎪⎬⎫⎪⎩⎪⎨⎧⎪⎭⎪⎬⎫⎪⎩⎪⎨⎧=⎪⎭⎪⎬⎫⎪⎩⎪⎨⎧321100010001L L L CH BH AH I I I I I I1.3.2 10kV 侧△接,矢量匹配需要转换⎪⎭⎪⎬⎫⎪⎩⎪⎨⎧⎪⎭⎪⎬⎫⎪⎩⎪⎨⎧---=⎪⎭⎪⎬⎫⎪⎩⎪⎨⎧⎪⎭⎪⎬⎫⎪⎩⎪⎨⎧+-+--+=⎪⎭⎪⎬⎫⎪⎩⎪⎨⎧3213219107.0244.03333.03333.09107.0244.0244.03333.09107.031311131313113131l l l l l l cl bl al I I I I I I I I I 1.3.3 比率差动保护 CT n rel rel diff res diff I I I I I I .21%4.1%5%5+++≈≥> 1.4 调试方法1.4.1两侧均不加电流(1)37kV 侧装置数据Relay1百分值:%0.0C.rel1B.rel1A .rel1===I I IRelay2百分值:%0.0c.rel2b.rel2a.rel2===I I I差流百分值:%0.0C.diff B.diff A .diff ===I I I制流百分值:%8.225.0114.0%4.12211C.res B.res A.res ==+++≈==>n rel rel diff I I I I I I I εε (2)10kV 侧装置数据 Relay1百分值:%0.0C.rel1B.rel1A .rel1===I I IRelay2百分值:%0.0c.rel2b.rel2a.rel2===I I I差流百分值:%0.0c.diff b.diff a.diff ===I I I 制流百分值:%5.2255.0124.0%4.12211c.res b.res a.res ==+++≈==>n rel rel diff I I I I I I I εε 1.4.2 比率差动保护——37kV 侧加电流,10kV 侧不加电流 取所加入电流为H.tset I ,有A I I I I diff 12.0%4.1%51.0H .tset H .tset H .tset ≥⇒+⨯+≥=(1)加入三相电流A I 12.0H.tset =,三相均会出现差流和制流 ①37kV 侧装置数据Relay1百分值:%0.245.012.0C.rel1B.rel1A.rel1====I I I Relay2百分值:%0.0c.rel2b.rel2a.rel2===I I I差流百分值:%0.24C.diff B.diff A .diff ===I I I 制流百分值:%0.24%0.24%55.0114.0C.res B.res A.res =⨯+===I I I ②10kV 侧装置数据Relay1百分值:%0.24C.rel1B.rel1A .rel1===I I IRelay2百分值:%0.0c.rel2b.rel2a.rel2===I I I差流百分值:%0.24c.diff b.diff a.diff ===I I I 制流百分值:%7.23%0.24%555.0124.0c.res b.res a.res =⨯+===I I I (2)加入单相电流A I 12.0H.tset =(以A 相为例),只有一相会出现差流和制流 ①37kV 侧装置数据Relay1百分值:%0.245.012.0A.rel1==I ,%0.0C.rel1B.rel1==I I Relay2百分值:%0.0===I I I差流百分值:%0.24A.diff =I ,%0.0C.diff B.diff ==I I 制流百分值:%0.24%0.24%55.0114.0A.res =⨯+=I ,%8.22C.res B.res ==I I ②10kV 侧装置数据Relay1百分值:%0.245.012.0A.rel1==I ,%0.0C.rel1B.rel1==I I Relay2百分值:%0.0c.rel2b.rel2a.rel2===I I I差流百分值:%0.24a.diff =I ,%0.0c.diff b.diff ==I I 制流百分值:%7.23%0.24%555.0124.0a.res =⨯+=I ,%5.22c.res b.res ==I I 1.4.3 比率差动保护——10kV 侧加电流,37kV 侧不加电流 取所加入电流为l.tset I ,有A I I I I diff 13.0%4.1%511.0l.tset l.tset l.tset ≥⇒+⨯+≥=(1)加入三相电流A I 13.0l.tset =,三相均会出现差流和制流 ①37kV 侧装置数据Relay1百分值:%0.0C.rel1B.rel1A .rel1===I I IRelay2百分值:%6.2355.013.0c.rel2b.rel2a.rel2====I I I 差流百分值:%6.23C.diff B.diff A .diff ===I I I制流百分值:%0.24%6.23%55.0114.0C.res B.res A.res =⨯+===I I I ②10kV 侧装置数据Relay1百分值:%0.0C.rel1B.rel1A .rel1===I I IRelay2百分值:%6.2355.013.0c.rel2b.rel2a.rel2====I I I 差流百分值:%6.23c.diff b.diff a.diff ===I I I制流百分值:%7.23%6.23%555.0124.0c.res b.res a.res =⨯+===I I I (1)加入单相电流A I 143.033113.0l.tset =+=(以A 相为例),只有一相会出现差流和制流①37kV 侧装置数据Relay1百分值:%0.0===I I IRelay2百分值:%7.855.031143.0%3.655.0331143.0%7.2355.0331143.0c.rel2b.rel2a.rel2=⨯=-=-⨯==+⨯=I I I (注意相位) 差流百分值:%7.23A.diff =I ,%3.6B.diff =I ,%7.8C.diff =I 制流百分值:%2.23%7.8%55.0114.0%1.23%3.6%55.0114.0%0.24%7.23%55.0114.0C.res B.res A.res =⨯+==⨯+==⨯+=I I I ②10kV 侧装置数据Relay1百分值:%0.0C.rel1B.rel1A .rel1===I I IRelay2百分值:%7.855.031143.0%3.655.0331143.0%7.2355.0331143.0c.rel2b.rel2a.rel2=⨯=-=-⨯==+⨯=I I I (注意相位) 差流百分值:%7.23A.diff =I ,%3.6B.diff =I ,%7.8C.diff =I 制流百分值:%9.22%7.8%555.0124.0%8.22%3.6%555.0124.0%7.23%7.23%555.0124.0c.res b.res a.res =⨯+==⨯+==⨯+=I I I 1.4.4 比率差动保护——两侧均加电流 取所加入37kV 侧电流为H.tset I ,所加入10kV 侧电流为l.tset I ,有A I I kI I kI I I diff 12.0004.1%4.1%5%51.0l.tset H.tset l.tset H.tset l.tset H.tset +≥⇒+⨯+⨯+≥-=(1)加入10kV 侧三相电流 30055.0l.tset ∠=I , 37kV 侧三相电流 0176.0H .tset ∠=I ,三相均会出现差流和制流①37kV 侧装置数据Relay1百分值:%2.355.0176.0C.rel1B.rel1A.rel1====I I I Relay2百分值:%0.105.0055.0c.rel2b.rel2a.rel2====I I I 差流百分值:%2.25C.diff B.diff A .diff ===I I I 制流百分值:%1.25%0.10%5%2.35%55.0114.0C.res B.res A.res =⨯+⨯+===I I I ②10kV 侧装置数据 Relay1百分值:%2.355.0176.0C.rel1B.rel1A.rel1====I I I Relay2百分值:%0.105.0055.0c.rel2b.rel2a.rel2====I I I 差流百分值:%2.25C.diff B.diff A .diff ===I I I 制流百分值:%8.24%0.10%5%2.35%555.0124.0c.res b.res a.res =⨯+⨯+===I I I (2)加入10kV 侧单相电流 0061.0331055.0l.tset ∠=+=I (以A 相为例), 37kV 侧三相电流 0176.0A H .tset ∠=I 、 180014.0331061.0BH.tset ∠=-⨯⨯=k I 和 0018.031061.0CH.tset ∠=⨯⨯=k I ,只有一相会出现差流和制流 ①37kV 侧装置数据Relay1百分值:%6.35.0018.0%8.25.0014.0%2.355.0176.0C.rel1B.rel1A.rel1==-====I I I (注意相位)Relay2百分值:%7.355.031061.0%7.255.0331061.0%1.1055.0331061.0c.rel2b.rel2a.rel2=⨯=-=-⨯==+⨯=I I I (注意相位) 差流百分值:%1.25A.diff =I ,%1.0B.diff =I ,%1.0C.diff =I 制流百分值:%2.23%7.3%5%6.3%55.0114.0%1.23%7.2%5%8.2%55.0114.0%1.25%1.10%5%2.35%55.0114.0C.res B.res A.res =⨯+⨯+==⨯+⨯+==⨯+⨯+=I I I ②10kV 侧装置数据Relay1百分值:%6.35.0018.0%8.25.0014.0%2.355.0176.0C.rel1B.rel1A.rel1==-====I I I (注意相位) Relay2百分值:%7.355.031061.0%7.255.0331061.0%1.1055.0331061.0c.rel2b.rel2a.rel2=⨯=-=-⨯==+⨯=I I I (注意相位) 差流百分值:%1.25A.diff =I ,%1.0B.diff =I ,%1.0C.diff =I制流百分值:%9.22%7.3%5%6.3%55.0124.0%8.22%7.2%5%8.2%55.0124.0%8.24%1.10%5%2.35%55.0124.0c.res b.res a.res =⨯+⨯+==⨯+⨯+==⨯+⨯+=I I I 1.4.5 差动速断单侧加电流1.4.5 二次谐波制动15%1.4.7 CT 断线闭锁。
继电保护的差动测试实验指导比例差动测试继保实验中比较难的一个项目,各个保护测试仪的保护公式也不尽相同,现对如何用六相差动测试菜单,进行一些简单的说明:步骤/方法1、菜单中最重要的设置说明:接线方式:根据保护定值设定本参数,比较常用的Y/△-11,实验比较难做,可以尝试将保护定值改为Y/Y-12,更容易做出实验平衡系数Kh、Kl:一般情况下,根据保护定值设定。
很多保护设备做的曲线不正确,都体现在本参数上,后面会对本值设定,做更详细的说明Ir设定:根据保护装置的厂家给的公式设定本参数,这里提供了最常用的 5种公式K值设定:本参数是配合Ir设定,根据实际情况填写差动速断:根据保护定值设定本参数,一般情况下,这个定值都会比较大,比如40A以上,但是,我们建议做实验绘曲线时,本值不宜很大,可以将保护装置的定值设为10~~15A。
2、平衡系数Kh、Kl的取值确定平衡系数是指:保护设备的高压侧绕组电流Ih和低压侧绕组电流Il所对应的修正系数(包含相位步长所导致的√3以及CT变比的不平衡补偿)。
确定本参数,非常重要,下面步骤可以尝试确定本参数。
设:保护设备上的定值为Kdh和Kdl,差动实验菜单的系数为Kh和Kl(一般情况下Kdh和Kh都为1.0)①将被测保护装置差动硬压板切掉,使得保护装置不动作,但又可以读取保护装置上显示的差动电流值②按三相差动接法,将ABC电流接到高压侧,XYZ电流接到低压侧③进入任意测试菜单,将A相电流设定为1A 0°;Z相电流设定为Kdl A 0°(如Kdl为1.56,则设定为Z=1.56A);3、读取保护装置上的A相差动电流值,如果为0,则在差动保护实验菜单中Kh=Kdh和Kl=Kdl;如果保护装置上的A相差动电流值不为零,则,调整Z的输出,直到差动电流值为零,此时Kh=Kdh,Kl=Z;(比如当A相差动电流为零时,实际A相电流为 1A 0°,Z 相电流为1.3 A 0°,则Kl=1.3在确定上述参数正确后,再投入被测保护装置差动硬压板,用差动电流测试菜单,应该能够扫描出保护装置的差动保护曲线。
RCS-9681CS 变压器后备保护测控装置检验作业指导书1 目的规范RCS-9681CS 变压器后备保护测控装置的现场检验,保证人身安全和设备安全,提高RCS-9681CS 变压器后备保护测控装置的检验质量及其运行可靠性。
2 适用范围适用于**电网公司所有的继电保护人员对RCS-9681CS 变压器后备保护测控装置进行现场检验工作。
3 引用标准下列标准所包含的条文,通过引用而构成本作业指导书的条文。
本书出版时,所示版本均为有效。
所有标准都会被修订,使用本书的各方,应探讨使用下列标准最新版本的可能性。
GB/T 14285-1993 《继电保护和安全自动装置技术规程》DL-408-91 《电业安全工作规程》(发电厂和变电所电气部分)DL/T 587-1996 《微机继电保护装置运行管理规程》Q/CSG 1 0004-2004 《电气工作票技术规范》(发电、变电部分)Q/CSG 1 0008-2004 《继电保护及安全自动装置检验条例》4 支持性文件继电保护和电网安全自动装置现场工作保安规定》《RCS-9000系列C型保护测控装置技术和使用说明书-变压器保护部分》5 技术术语6 安全措施6.1 保证安全的组织措施6.1.1 正确履行工作票制度:填写第一种工作票(外单位人员工作时须办理变电站安全技术交底单),一式两份,内容应正确清晰。
开工前,所有安全措施应一次做完,并由工作许可人会同工作负责人检查现场的安全措施。
工作负责人、工作许可人任何一方不得擅自变更安全措施。
工作在有效期内未完成的,应办理延期手续。
6.1.2 正确履行工作监护制度:完成工作许可手续后,工作负责人应向工作班人员交待现场安全措施、注意事项,填写二次设备及回路工作安全技术措施单,认真落实二次设备及回路工作安全技术措施单中所列的安全技术措施。
工作负责人必须始终在工作现场,对工作班人员的安全进行认真监护,若工作负责人因故必须离开工作地点,应指定能胜任工作的人员临时代替;若工作负责人离开时间长,应由工作票签发人变更新工作负责人,两工作负责人应做好必要的交接。
CSC150型母线差动保护实训作业指导书实训负责人:实训指导教师:实训时间:年月日时分至年月日时分国网吉林省电力有限公司培训中心CSC150型母线差动保护实训作业指导书1. 范围本实训指导书适用于CSC150母线保护实训工作。
2 检修地点、项目及环境条件2.1地点:电力培训中心继电保护实训室2.2项目:CSC150母线保护实训2.3环境条件:工作场所无易燃物质、爆炸危险、化学腐蚀及激烈震动。
3工器具及备品备件、材料准备5 插排个 14 实训工序4.1开工√序号内容备注1 根据实训情况合理布置继电保护试验台、继电保护安全工器具2 实训主讲教师交代现场实训项目4.2 CSC-150微机保护装置线路保护实训流程图5实训要求和过程控制√序号实训内容过程控制备注1熟悉CSC150微机保护装置1.1 CSC150微机保护装置在电力系统中的应用1.2 CSC150微机保护装置主要功能配置2学习有关安全操作规定及注意事项参考CSC150为微机线路保护检验规程3 实训工作前准备3.1试验电源接取3.2微机保护装置试验前许可状态记录3.3填写继电保护二次工作安全措施票6 CSC150为微机保护装置调试详解6.1 装置通电检查6.1.1 通电初步检验保护装置通电后,先进行全面自检。
自检通过后面板上运行监视绿色灯亮,其它指示灯灭;液晶第一行显示实时时钟,并无异常报警。
6.1.2 键盘检查在保护装置正常运行状态下,按“SET”键,进入主菜单,“QUIT”键取消。
操作“←”、“→”、“↓”、“↑” 及“信号复归”键,检验按键功能正确。
快捷键:F1:打印最近一次动作报告。
F2:打印当前定值区的定值。
F3:打印采样值。
F4:打印装置信息和运行工况。
+:定值区号加1。
-:定值区号减1。
6.1.3 装置设定a)时钟的整定保护装置在运行状态下,进入装置主菜单-修改时钟菜单中正确设置装置时钟。
回到液晶正常显示下,观察时钟应运行正常。
b)时钟的失电保护功能检验时钟整定好以后,通过断开、合上电源开关的方法,检验在直流消失一段时间的情况下,走时仍准确,正确。
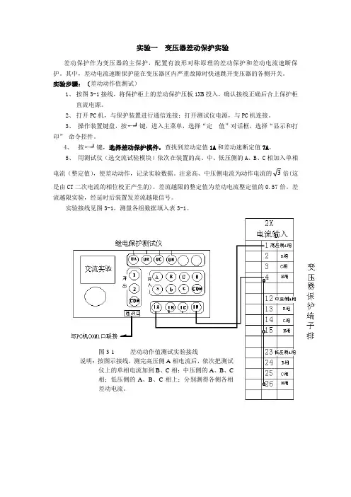
实验一变压器差动保护实验差动保护作为变压器的主保护,配置有波形对称原理的差动保护和差动电流速断保护。
其中,差动电流速断保护能在变压器区内严重故障时快速跳开变压器的各侧开关。
实验步骤:(差动动作值测试)1、按图3-1接线,将保护柜上的差动保护压板1XB投入,确认接线正确后合上保护柜直流电源。
2、打开PC机,与保护装置进行通信连接;打开测试仪电源,与PC机连接。
3、操作装置键盘,按←┛键,进入主菜单,选择“定值”对话框,选择“显示和打印”命令控件。
4、按←┛键,选择差动保护模件,查找到差动定值1A和差动速断定值7A。
5、用测试仪(选交流试验模块)依次在装置的高、中、低压侧的A、B、C相加入单相电流(整定值),使差动动作,记录实验数据。
注意高、中压侧电流为动作电流的3倍(这是由CT二次电流的相位校正产生的)。
差流越限的整定值为差动电流整定值的0.57倍。
差流越限实验,经延时后装置发差流越限信号。
实验接线见图3-1,测量各组数据填入表3-1。
图3-1 差动动作值测试实验接线说明:按图示接线,测完高压侧A相电流后,依次把测试仪上的单相电流加到B、C相;中压侧的A、B、C相;低压侧的A、B、C相上;分别测得各侧各相差动电流。
表3-1实验九 距离保护的模拟短路实验实验目的加深对距离保护原理的理解;清楚事件报告中每一项事件消息产生的原因,并了解事件消息产生在时间上的顺序性; 分析录波图,比较永久性故障和瞬时性故障引起的保护动作上的差异。
实验接线见图3-8。
实验步骤(以瞬时性的距离Ⅰ段内的AB 两相接地短路为例)1.按图3-8接线,退出压板1LP13(高频保护退出)、1LP16(零序Ⅰ段退出)、1LP17(零序Ⅱ段退出)、1LP18(零序总投入退出),其余压板全部投入。
确认接线正确后合上保护柜直流电源。
将1QK打到综重位置;重合闸控制字整定为检无压;距离保护控制字中与永跳相关的控制字均改成永跳退出;11QK1、11QK2打到本线。
编号:Q/XXX WMH-800保护检验作业指导书内蒙古电力(集团)有限责任公司1.范围1.1本作业指导书适用于WMH-800微机母线差动保护装臵的检验作业。
1.2作业目的是对WMH-800微机母线差动保护装臵运行过程中的周期性全部检验(含部分检验)。
2.引用文件下列标准及技术资料所包含的条文,通过在本作业指导书中的引用,而构成为本作业指导书的条文。
本作业指导书出版时,所有版本均为有效。
所有标准及技术资料都会被修订,使用本作业指导书的各方应探讨使用下列标准及技术资料最新版本的可能性。
2.1 《国家电网公司电业安全工作规程》2.2 GB 7261-2001《继电器及继电保护装臵基本试验方法》2.3 GB /T14285-2006《继电保护和安全自动装臵技术规程》2.4 DL/T 670-1999《微机母线保护装臵通用技术条件》2.5 DL 478-2001《静态继电保护及安全自动装臵通用技术条件》2.6 DL/T 559-94 220--500kV《电网继电保护装臵运行整定规程》2.7 DL/T 624-1997《继电保护微机型试验装臵技术条件》2.8 DL/T 995-2006《继电保护和安全自动装臵检验规程》2.9 DL/T 587-2007《微机继电保护装臵运行管理规程》3.检验前的准备和要求3.1准备工作安排3.3 备品备件3.4 仪器仪表及工器具3.5材料3.6危险点分析3.7 安全措施4.WMH-800保护全部检验流程图5.作业程序和作业标准5.1开工5.2检修电源的使用5.3 保护屏后接线、插件外观检查及压板线检查注意事项:检查前应保证交流电压、交流电流及直流电源均已断开,不停电更换交流电流插件时,应先退出保护并由端子排外侧可靠将电流回路短封。
发现问题应查找原因,尽量少插拔插件。
5.4 绝缘检查注意事项:摇测前必须将插件全部拔出,断开交、直流电源,拆除回路接地点,并通知有关人员暂时停止在回路上的一切工作。
差动保护试验操作法一.检测目的:运用科学、有效、安全的检验方法,确保差动保护能够安全稳定运行,准确、有效的保护好被保护的设备。
能够提供准确的、详实的测试记录,满足客户的管理要求。
二.检测依据:根据差动保护的特点,进行针对性试验,从而保证差动保护有效安全的运行。
差动保护主要分为差动继电器和差动保护辅助设备两部分。
根据这两点我们将试验分为差动继电器整定试验和整组试验(电流互感器的变比/伏安特性/极性的单体检查实验祥见电流互感器试验工法),检修时整组试验可根据情况省略该项目试验。
如果能对这两点进行准确、有效检测,我们就认为差动保护能够安全、稳定的运行。
三.适用范围:工业用差动保护装置都可以采用此法。
工业常用的差动保护,不管是纵差还是横差一般都适用此法,纵差中的变压器差动保护是较为复杂的一种,也是差动保护中的重点和难点。
但有一点要注意,随着工业科技的发展,数字式差动继电器开始广泛地应用在继电保护上。
如变压器一、二次结线组别的差异已无需依靠CT组的二次回路的连接来纠正。
一般只需将CT组的二次进行星形连接接入数字差动继电器。
在数字差动继电器进行变压器结线组别的设定即可完成纠正。
这样以宝冶现有试验设备(如继电试验仪22B等)无法模拟相位不同(0度、180度除外)的两路交流电流,因此,还无法完全模拟不同相位的两路电流对差动继电器进行整定。
四.试验原理:利用试验设备模拟差动保护的工作环境比较真实地检验出差动保护的基本功能。
〈1〉CT(电流互感器)整组试验的原理:该试验是针对差动保护的辅助设备CT组的检查,在一次回路模拟通入三相正弦交流电流,通过电流互感器在二次回路中感应出相应的电流并对其进行摘录,从而检查出 CT组二次回路的接线与差动继电器连接是否正确,能否正确反映一次回路电流的大小和方向。
〈2〉差动继电器整定试验原理:一般说来,差动继电器主要是做以下几点:1、差动定值整定2、比率特性曲线整定3、差流速断保护整定4、励磁涌流(二次谐波)的抑制和闭锁(变压器差动)5、辅助功能(如CT二次断线报警等)根据差动继电器动作原理模拟加入两路不同大小和方向的电流对继电器进行整定差动定值整定的原理:I op>I op.o (I res≤I res.o)比率特性曲线整定原理:I op≥I op.o+S(I res–I res.o) (I res>I res.o)满足上述两个方程差动元件就动作,式中:I op为差动电流,I op.o为差动最小动作电流整定值,I res为制动电流,I res.o为最小制动电流整定值,为比率制动特性斜率,各侧电流的方向都以指向被保护设备为正方向,对于变压器两侧差动I op=|I1+I2|,I res=| I1–I2|/2 对于变压器三侧差动I op=|I1+I2+ I3| 式中:I1、I2、、I3分别为高压侧、中压侧、低压侧电流互感器二次侧的电流。
变压器差动保护实验南京钛能电气研究所南京南自电力控制系统工程公司差动保护实验步骤以下:通道均衡状况检查,初始动作电流校验,比率制动特征校验,涌流判据定值校验,差动速判定值校验,差流越限监察校验。
1)通道均衡状况检查试验举例。
接线为YN,d11 的双绕组变压器,额定电压分别为110kV 及10kV,容量 31500kVA,110kV侧 TA:200/5 ,10kV 侧 TA:2000/5 ,外面 TA接线: Y/ Y。
计算:先计算各侧额定电流和均衡系数,结果以下:表 1:各侧额定电流和均衡系数差动继电器内部基准电流I B5A高压侧二次额定电流 Ie 1高压侧均衡系数 K1= I B/ I e1低压侧二次额定电流 Ie 3低压侧均衡系数 K3= I B/ I e3由于外面 TA 接线: Y/ Y,变压器接线为 YN,d11,因此,高压侧星三角变换投入,低压侧星三角变换退出。
若在高、低压侧 A 相各加 15A 的电流,方向相反,则高、低侧各相电流及各相差流以下:高压侧低压侧差流表 2:单加 A 相电流时的差流A 相所加电流 i a115Ai a1折算后电流 I a1= K1* i a1A 相电流 I A1=(I a1-I b1星三角变换后 B 相电流 I B1 =(I b1-I c10AC 相电流 I C1 =(I c1-I a1A 相所加电流 i a3-15Ai a3折算后电流 I a3= K3* i a3B 相0AC 相0AA 相B 相0AC 相相同的方法,加 B 相和 C 相,计算结果以下:表 3:加 B、 C 相时各相差流A 相差流单加 B 相电流 B 相差流C相差流0AA 相差流0A单加 C 相电流 B 相差流C相差流现实验以下:将高低压侧中性点短接,测试仪 A 相接高压侧 A 相,测试仪 N相接低压侧 A 相。
观察装置显示的差流,并记录;相同的方法测 B 相和 C 相。
表 4:通道均衡测试实验A相差流 B 相差流C相差流计算值实验值计算值实验值计算值实验值双侧加 A 相0A双侧加 B 相0A双侧加 C 相0A若计算值和实验结果基实情同,说明均衡系数正确,通道已调均衡。
QB江苏省电力公司企业标准Q/001-107.059-2006PSL-603纵联差动保护校验现场标准化作业指导书(范本)2006-02- 发布2006-02- 实施江苏省电力公司发布前言本现场标准化作业指导书(范本)根据《江苏省电力公司现场标准化作业管理办法》的要求制定,用以规范公司现场标准化作业的管理。
本现场标准化作业指导书(范本)由江苏省电力公司标准化委员会提出并归口。
本现场标准化作业指导书(范本)起草单位:江苏省电力公司生产技术部本现场标准化作业指导书(范本)主要起草人:陈传恒、吉晨、阮晨松、潘琪、刘春江、杨小全。
审核:文乐斌批准:马苏龙本现场标准化作业指导书(范本)委托江苏省电力公司生产技术部负责解释。
××变电站××线路保护××校验现场作业指导书编写:年月日审核:年月日批准:年月日作业负责人:作业日期年月日时至年月日时××供电公司×××一、编写依据江苏省电力公司PSL-603保护标准作业指导书。
二、人员分工三、开工前及工器具准备1: 开工前准备2:仪表工具准备3:工器具准备四、修前状态及存在缺陷:五、危险点分析与预控六、现场工作安全技术措施七、作业过程控制八、作业报告XX变电站XX PSL-603型微机保护校验报告(1)外观检查1)保护屏后接线、插件外观检查及压板检查2)保护屏上压板检查3)屏蔽接地检查4)绝缘检查记录(1000 V摇表)(2)PSL-603保护基本信息(3) PSL-603逆变稳压电源检测1) 输出电压及稳压特性检测(单位:V)2)正常及80%额定电压下断合外部直流,电源自启动功能检查(4)PSL-603开关量输入回路(5)PSL-603告警回路检查(6) PSL-603装置零漂:1)操作键盘进入“硬件测试→交流测试”菜单,2)分别选择纵联保护、距离零序保护、重合闸,打开交流实时显示对话框,3) 要求在一段时间(几分钟)内零漂值稳定在0.04In、电压在0.2V范围内。
变电所线路保护检验标准化作业指导书保护型号制造厂家出厂日期投运日期辽宁省电力有限公司设备变更记录PSL-603/603GM型微机线路光纤差动保护检验标准化作业指导书目次1 装置检验要求及注意事项 (1)2 保护装置检验准备工作: (2)3 屏柜及装置的检查 (3)4 二次回路检验 (4)5 装置通电检查 (5)6 装置开关量及输入、输出接点检查 (6)6开关量检查 (6)7 交流回路校验 (7)8 保护装置定值校验及整组检验 (7)9 通道检验 (10)10 纵联差动保护两侧联调: (10)12 用实际断路器做传动试验 (11)13 装置投运准备工作: (11)14 带负荷测试 (12)15 发现缺陷及处理情况 (13)附件一:继电保护二次工作保护压板及设备投切位置确认单 (14)附件二:继电保护二次工作安全措施票 (16)附件三:电流互感器试验 (17)1 装置检验要求及注意事项1.1新安装装置的检验应按本检验报告规定的全部项目进行。
1.2 定期检验的全部检验项目按本检验报告中注“*”、“Δ”号的项目进行。
1.3 定期检验的部分检验项目按本检验报告中注“Δ”号的项目进行。
1.4 每2年进行一次部分检验,6年进行一次全部检验,结合一次设备停电进行断路器的传动试验。
1.5 装置检验详细步骤参照相应规程及生产厂家说明书。
1.6本作业指导书以书面的形式保存现场班组。
1.7 试验过程中的注意事项1.7.1 断开直流电源后才允许插、拔插件,插、拔插件必须有措施,防止因人身静电损坏集成电路芯片。
插、拔交流插件时应防止交流电流回路开路。
1.7.2 存放E2PROM芯片的窗口要用防紫外线的不干胶封死。
1.7.3 调试中不要更换芯片,确要更换芯片时应采用人体防静电接地措施,芯片插入的方向应正确,并保证接触可靠。
1.7.4 原则上不能使用电烙铁,试验中确需电烙铁时,应采用带接地线的烙铁或电烙铁断电后再焊接。
1.7.5 试验过程中,应注意不要将插件插错位置。
电力系统继电保护实验模版实验一 三段式电流保护及自动重合闸• 一、实验目的及要求• 熟悉微机三段式电流保护的原理和算法,掌握三段式电流保护的整定计算方法。
• 二、实验原理图: 简单线路的三段式电流保护III 段过流保护实验整定• 过流保护整定• 电流III 段 (定时限过电流) 保护的整定: • 动作时间:△tIII 整定1s•式中:Kh 电流继电器返回系数,一般采用0.85;Kk 可靠系数,一般采用1.20;Kzq 自起动系数无电动机时取1有电动机时大于1;Ifmax 最大负荷电流 •maxk zq dz fhK K I I KB站III段保护实验步骤•实验步骤:•1)按图接线,调节调压器,使交流电压为100V,运行方式切换:最大。
•2) 将线路阻抗(电阻、电抗分别)调至最大,合上电源开关QF4 合上全部负荷开关。
•3)记录此时的线路电流Ifmax ,算出对应的三段整定电流IdzIII ,•最后将负荷开关退出。
•(IDZBIII= Ifmax ×1.2/0.85)•4) 操作EPL—168:定值→修改→选择定值区00→定值修改→输入密码→固化成功。
•动作时间:△tIII 整定1sA站I、II段保护实验步骤•实验步骤:•A站II段整定•1)按图接线,调节调压器,使交流电压为100V。
•2)将转换开关切换成A站保护,线路故障类型设置中按下“A相短路”,“B 相短路”,系统运行方式切换:最小。
•3)将线路阻抗(电阻、电抗分别)调至最大,合上电源开关QF3、QF4,记录两相短路电流Ikmin 。
•4)整定IDZAII:操作EPL—24:定值→修改→选择定值区00→定值修改→输入密码→固化成功。
(IDZAII=1.05×Ikmin 动作时间:△tII整定为0.5s)•5) A站I段整定•将线路阻抗(电阻、电抗分别)调至最大,故障类型设置中按下“A相短路”,“B相短路”和“C相短路”,系统运行方式切换:最大;合闸电源开关QF3、QF4,记录三相短路电流Ikmax•6)整定IDZI:操作EPL—24:定值→修改→选择定值区00→定值修改→输入密码→固化成功。