JSBXC-850型半导体时间继电器
- 格式:doc
- 大小:139.00 KB
- 文档页数:11
JSBXC-850型继电器在6502信号联锁电路中主要作为延时继电器使用,在延时解锁电路中起着关键性作用。
它在电路中的安全型和可靠性是行车安全的重要保证。
在大站电气集中电路中,JSBXC-850继电器主要运用在延时解锁和延时报警电路中。
它是由时间控制单元与JWXC-370/480型无极继电器组合而成,时间控制单元组装在印刷版上,安装在继电器上方。
1 工作原理半导体时间继电器电路如图1,其核心是采用了由单结晶体管组成的脉冲延时电路。
如图所示,在单结晶体管B T的发射极EH和第一基极B1的放电回路中接入了继电器的前圈(370Ω),而继电器的后圈(480欧)则通过电阻R1直接与电源相连。
这样,当接通电源时,后圈(480欧)将有电流流过,其电路:+24V(73端子)→二极管D1→R3→R1→81端子→J1-2(480Ω)→13端子→62端子(电源-)此时,由于R1的电阻值很大(3~4.7kΩ),因此,流过后圈的电流很小,继电器不会动作。
与此同时,电容器C1开始充电,其电路:+24V(73端子)→二极管D1→R3→51端子→52端子(或61、63、83)→R6-R7→C1→23端子→J4-3(370Ω)→71端子→R2→62端子(电源-)此电流流过前圈(370Ω)的方向正好与后圈(480Ω)的相反,因此,继电器更不会动作。
当电容器C1充电电压上升到大于单结晶体管BT的击穿电压时,则BT的发射极E与第一基极B1导通,C1放电,其电路为:C1(+)→BTE-B1→R2→71端子→J3-4(370Ω)→23端子→C1(-)此电流流过前圈的方向与后圈相同,而且两者之和可以达到继电器的工作安匝,因此,继电器的衔铁立即吸合。
衔铁吸合后,继电器的前接点11-12沟通了自闭电路:+24V(73端子)→二极管D1→R3→┡-------→R1-----------------┫┡51端子→J11-12→53端子→R4→┫81端子→J1-2(480Ω)→13端子→62端子(电源-)由于R4的接入,电路的电阻降低近一半,流过继电器的后圈电流增加到大于继电器的释放电流,继电器可靠吸起(如图1)。
铁运公司信号工〔中级〕题库一、填空题:1.整流继电器有整流元件和无极继电器组合而成。
2.选路电路的工作时间,只包括记录始、终端按钮以及选岔电路的时间,而不包括道岔转换。
3.64D型继电半自动闭塞中的GDJ的作用是用以监视列车的出发和到达。
4.偏极继电器主要是鉴定电流极性,一般用于道岔表示电路和半自动闭塞线路继电器电路中。
5.平安型继电器按工作特征分为:无极继电器、极性保持继电器、单闭磁继电器、偏极继电器、整流继电器和动态继电器。
6.JSBXC-850型时间继电器的作用主要是控制电气集中的限时解锁。
7.变压器的绝缘电阻,在运用中用500V兆欧表测量,不小于 5 MΩ。
8.交流接触器是一种交流电磁开关,用它的接点接通和切断带有负载的主电路或大容量的控制电路。
9.JZXC—480型轨道电路的标准分路电阻为 0.06 Ω。
10.小量程的电流表通过电流互感器可测量较大的交流电流。
11.组合排列图不包括方向组合和电源组合。
12.站场型大网络电路图由组合类型图拼贴而成。
13.调车信号机按设置情况可分为4种类型:单置、并置、差置和尽头型。
14.每个道岔区段、列车进路上的无岔区段都要选用一个区段组合。
15.单置调车信号机按钮可作反方向调车进路的变通按钮。
16.向同一无岔区段排列两条相对的调车进路为敌对进路。
17.同一到发线上对向的列车进路及列车进路为敌对进路。
18.在6502电气集中电路里用 KJ 继电器电路检查进路选排的一致性。
19.6502电气集中电路的动作顺序是选择进路、锁闭进路、开放信号、解锁进路。
20.进站信号机电路在LXJ和ZXJ吸起时,说明向正线接车。
21.进路预先锁闭是指信号开放后且接近区段还没有车占用时的锁闭。
22.6502电路中信号控制电路包括信号继电器电路和信号点灯电路。
23.6502电路中CJ具有缓吸特性和快吸特性。
24.6502电气集中用 14线和15线控制轨道光带表示灯。
25.在列车信号点灯电路中,为了防止混线而造成错误显示,采用了双断法和位置法等两个防护措施。
继电器一、填空题1.继电器电气特性测试设备的主要组成部分有电源、、开关及转接元件、表示灯具及表示灯。
2.JSBXC-850型继电器的后接点压力在延时过程中应≥。
3.405型电秒表适用于测量的仪器。
4.将继电器的一个线圈短路,将另一个线圈接入电源使用,应可以达到____________的目的。
5.安全型整流式继电器是由和安全型无极继电器组合而成。
6.JSBXC-850型时间继电器用于电气集中及其它限时电路。
7.JSBXC-850型时间继电器吸起延时主要与电容器C1容量大小和电路中______________大小有关,也与单结晶体管的击穿电压有关。
8.安全型无极继电器的磁系统为磁路系统。
9.安全型无极继电器电磁系统的检修包括:线圈检查、、轭铁及铁芯检查、衔铁及其安装检查、磁系统去污。
10.JSBXC-850时间继电器工作值大时可适当地电阻R1的值。
11.影响继电器接点工作的因素主要有化学腐蚀和。
12.运用中的永久磁钢,其磁通随着时间的推移,要逐渐减小这种现象叫做。
13.JYJXC-135/220型继电器使用在6502电气集中电路中。
14.极性保持继电器用于电气集中的和方向电路等。
15.安全型整流式继电器电源引线焊接不良、互相碰接而短路一个线圈,会导致工作值。
16.继电器永久磁钢的老化有结构性老化、机械性老化和三种。
17.运用中的永久磁钢、由于冲击、震动及颤动,磁钢的磁通会。
18.继电器的接点行程,是指动接点在接点间隙中的以及动接点和前后接点的共同行程。
19.接点表面如受到周围空气中化学气体的作用,不仅会使接点,而且会使接点锈蚀、缩短寿命。
20.当线圈接通电源后,线圈内就有电流,在这一电流的激励下,铁芯就产生了磁通,它的方向可用确定。
21.当给有极继电器线圈正方向通电时,与动接点闭合的接点是。
22.继电器传动系统要保证、灵活、本身无阻卡。
23.JAC-1000型继电器是只有控制口的单门动态继电器。
24.继电器线圈电路中串接电阻或电感线圈都延缓继电器线圈磁通的增长速度,使继电器。
时间继电器JSBXC850检修作业指导书
1.目的:克服设备缺点,防止因器材不良造成设备故障,确保时间继电器(JSBXC-850)信号继电器运用质量符合技术标准。
2.适用范围:电子电气检修信号工岗位。
3.作业内容:
3.1外部清扫与检查,封栓是否完整无缺,外罩有无破损,用毛刷、白布清扫灰尘。
3.2检修前测试,测试电气特性,并做好记录。
3.3内部检查与擦洗,检查与擦洗磁路各单元表面及接点系统单元。
3.4磁路与接点的调整,按部颁标准进行调整。
3.5检修中测试电气特性、时间特性,西安华信智能继电器测试台测试各项参数。
3.6恒温处理,巩固调修质量。
3.7动作试验与微调,检查调修后的继电器质量。
3.8检修后再次检查,以提高安全性、可靠性,西安华
信智能继电器测试台测试各项电气特性、时间特性参数。
3.9 验收及加封,按《铁路信号维护规则》技术标准验收。
4.作业材料、工具:
5.检修作业程序。
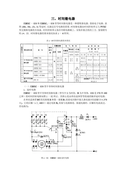
三、时间继电器JSBXC 一850和JSBXC 1一850型等时间继电器是一种缓吸继电器,借助电子电路,获得180s 、30s 、13s 、3s 等延时,以满足信号电路的需要。
时间继电器由时间控制单元与JWXC-型无极继电器组合而成。
时间控制单元装在印刷电路板上,安装在接点组的上方。
鉴别销号码14、55。
时间继电器的基本情况如表1一6所列。
(一)JSBXC 一850型半导体时间继电器1.延时电路JSBXC 一850型半导体时间继电器(型号中S 为时间,B 为半导体,850是370和480之和)的时间控制电路如图1一32所示。
其核心是由单结晶体管等组成的脉冲延时电路。
在单结晶体管BT 的发射极E 和第一基极B ,的放电回路中接人继电器J 的前圈(3-4 ,370Ω),它的后圈(1-2 , 480Ω)通过电阻R 1直接与电源相连。
接通电源时,后圈有电流流过,其电路为:表1—6时间继电器基本情况 6图1—32 JSBXC —850延时电路+24V电源(73端子)—二极管D l一R3一R1一J1-2一电源(62端子)。
但是,R l的阻值很大,为3一4 . 7 kΩ,因此流过后圈的电流很小,继电器J不会动作。
与此同时,电容器C,也开始充电,其电路为:+24V电源(73端子)一D1,一R3一R6~R7(或R8一R9、R10一R11、R12一R13)一C l--J4-3一一电源(62端子)此电流流过前圈的方向正好与后圈的相反,继电器更不会动作。
当电容器C l充电电压上升至高于单结晶体管BT的击穿电压时,BT的发射极e与第一基极b l间导通,C1放电,其电路为:C1(+)一BT eb1。
,一R2一J3-4。
一C1,(-)。
此电流流过前圈的方向与后圈的相同,当两者之和达到继电器的工作值时,继电器吸起,其前接点11一12沟通了自闭电路,电路为:+24V电源(73端子)一D l一R3一J 11-12一R4,—J 1-2一电源(62端子)。
继电器题库1、JPXC型继电器前接点压力为( )mN。
——[单选题]A 150B 200C 250D 300正确答案:C2、JPXC-1000型继电器的工作值不大于( )伏。
——[单选题]A 16B 16.4C 16.8D 15正确答案:A3、JPXC-1000型继电器落下值不小于( )伏。
——[单选题]A 4B 4.6C 4.8D 5正确答案:A4、偏极继电器加反向( )伏电压时,衔铁不应吸起,以保证其工作的可靠性——[单选题]A 100B 200C 220D 300正确答案:B5、JWXC-H310型继电器前接点压力不小于( )mN。
——[单选题]A 250B 300C 400D 500正确答案:A6、JWXC-H310型继电器,后接点压力应不小于( )mN。
——[单选题]A 250B 150C 350D 450正确答案:B7、调整极性保持继电器动接点与定位接点间隙时,应用( )mm塞尺插入衔铁与铁芯中心处。
——[单选题]A 0.5B 0.6C 0.7D 0.4正确答案:C8、极性保持继电器从一种稳定状态改变到另一种稳定状态,靠( )的作用。
——[单选题]A 电压B 电流C 电磁力D 永磁力正确答案:C9、JWXC-H310型继电器鉴别销号()。
——[单选题]A 23.54B 54.25C 25.54D 15.54正确答案:A10、将继电器放入恒温箱内进行恒温处理的质量标准是( )。
——[单选题]A 60℃8小时B 80℃24小时C 60℃24小时D 60℃12小时正确答案:C11、JWJXC-H125/0.44型继电器工作值不大于( )伏——[单选题]A 12B 11.5C 13D 14.4正确答案:A12、JSBXC-850型继电器的前圈电阻是( )Ω——[单选题]A 370B 480C 850D 425正确答案:A13、JSBXC-850型继电器的后圈电阻是( )Ω——[单选题]A 370B 480C 850D 425正确答案:B14、继电器所有的可动部分和导电部分、不论在何种情况下,与外罩均须有( )mm以上的间隙。
JSBXC-850型半导体时间继电器电路故障分析与处理摘要:本文讨论了JSBXC-850型半导体时间继电器电路故障分析与处理的方法。
首先,介绍了JSBXC-850型半导体时间继电器的结构及工作原理,接着对电路中常见的故障进行了分析,并给出了相应的故障排除方法。
最后,提出了在工程实践中电路故障排除的建议。
关键词:JSBXC-850型半导体时间继电器;电路故障分析;故障排除正文: JSBXC-850型半导体时间继电器是一种多功能、低电耗的时间继电器,能够用来控制开关量操作设备,也可用于重复操作、精度调节,它不仅具有精确的时间控制,而且能够持续一段时间内进行定时控制。
由于其电路复杂,经常会遇到故障问题,因此,本文旨在对JSBXC-850型半导体时间继电器的电路故障进行分析,并给出排除故障的方法。
首先,介绍了JSBXC-850型半导体时间继电器的结构和工作原理。
它由发射极、收集极、触发极、定时电路、相应控制回路和延时回路等几个主要的部件构成,其中定时电路由电容、电阻、二极管及振荡器等组成,它的工作原理是通过定时电路将触发极和发射极连接,使收集极产生影响,从而达到控制开关量操作设备的目的。
其次,对电路中常见的故障进行了分析。
如:定时电路中电容C1泄漏或电阻R2断路,定时电路不能正常工作;控制回路中电位器或二极管开路,控制回路中的R1被假定为常开路,使得继电器受强制常开状态;延时回路中电阻R3或电容C2损坏,延时时间无法恒定,以上只是电路故障的常见情况,其他类似的情况也可能会发生。
最后,提出了在工程实践中电路故障排除的建议。
首先,根据故障特点,进行现场确认,确定故障类型,然后结合电路工作原理,进一步分析故障电路,对比工作电路,确定故障部位;其次,在定位准确的情况下,可以进行组装检修,更换损坏的元器件;最后,如有必要,还可以进行分立器件的维修和校正,以达到有效排除故障的目的。
总之,此文分析了JSBXC-850型半导体时间继电器电路故障,提出了相关故障排除方法,以期为相关工程人员提供参考和借鉴。
论JSBXC-850型继电器的故障维修摘要:时间继电器是电子缓冲时间的一种,在不断的实践操作中,体现出JSBXC—850型半导体时间继电器可以通过不同的接线,实现继电器不同时间的延时,很方便、简捷、有效,从而实现电路信号的不同需要。
本文主要对JSBXC—850型半导体时间继电器进行综合评价分析,从工作原理、常见故障、电路延时具体分析,总结不同的故障不同对待。
以下将从这几个方面重点分析,为继电器以后的检修工作提供一定的参考。
关键词:继电器稳压故障时间继电器作为一种简单的程序控制执行器件,它可以接受启动信号之后,开始进行计时,而当计时结束之后,时间继电器的工作触头就开始进行合或者开的动作,这些就是时间继电器的最主要的功能,而这些功能就推动了后续的电路工作。
JSBXC—850型继电器在6502电器集中车站主要用在列车、调车、坡道延时解锁电路。
其动作可靠与否,是与正常、稳定的滤波电源分不开的。
为了减少时间继电器使用中出现的故障,对其进行了全面认真的研究。
1 继电器工作原理时间继电器的主要功能是作为简单程序控制中的一种执行器件,当它接受了启动信号后开始计时,计时结束后它2 JSBXC一850型常见故障分析3 故障检测及采取如下措施。
(1)严格执行继电器检修标准化作业程序,对所有的JSBXC—850型时间继电器,除在测试台进行测试外,还要将测试台的滤波电容器,用开关断开后再进行测试,正常后才能出所。
(2)对现场使用中的中站电源屏进行定期测试,使用便携式示波器和电容测试器,测试电容器的性能。
(3)直流24 V电压较低时,不应随便调电压,而应查明原因,以防烧毁时间继电器。
4 结语时间继电器作为自动控制器件应用较广泛,尤其是在涉及低压电器控制网络中有较多电器设备环境中使用时电磁干扰问题更趋于严重。
组成时间继电器的内部元器件的损坏这时已不是引起时间继电器故障(失效)的主要原因,而在于应用场合中的各种干扰通过电磁耦合、电容耦合直接进入时间继电器,干扰其正常的延时控制。
时间继电器JSBXC850检修作业指导书
1.目的:克服设备缺点,防止因器材不良造成设备故障,确保时间继电器(JSBXC-850)信号继电器运用质量符合技术标准。
2.适用范围:电子电气检修信号工岗位。
3.作业内容:
3.1外部清扫与检查,封栓是否完整无缺,外罩有无破损,用毛刷、白布清扫灰尘。
3.2检修前测试,测试电气特性,并做好记录。
3.3内部检查与擦洗,检查与擦洗磁路各单元表面及接点系统单元。
3.4磁路与接点的调整,按部颁标准进行调整。
3.5检修中测试电气特性、时间特性,西安华信智能继电器测试台测试各项参数。
3.6恒温处理,巩固调修质量。
3.7动作试验与微调,检查调修后的继电器质量。
3.8检修后再次检查,以提高安全性、可靠性,西安华
信智能继电器测试台测试各项电气特性、时间特性参数。
3.9 验收及加封,按《铁路信号维护规则》技术标准验收。
4.作业材料、工具:
5.检修作业程序
6.作业安全注意事项
6.1做好班前安全预想。
6.2检修前,注意检查测试台绝缘是否良好,防止触电伤人。
J SBXC- 8 5 0 型半导体时间继电器1JSBXC-850 型半导体时间继电器阻容盒的测试方法、步骤、标准及安全注意事项第一部分:JSBXC-850 型半导体时间继电器信号继电器是铁路信号设备中的主要器件之一,它在运用中的可靠和安全是各种自动控制和远程控制信号设备正常使用的必要条件。
一、概述继电器可分为三级:1、一级继电器,绝对不允许发生前接点与动接点之间的熔接;衔铁落下与前接点的断开由衔铁及可动部分的重量来保证;当任意一组前接点闭合时所有后接点必须全部断开,反之亦然;衔铁处于落下位置时,应稳定地工作,后接点压力主要由重力作用产生;有较高的返还系数,轨道继电器不小于50% ,一般继电器不小于30% 。
2、二级继电器,衔铁依靠本身重量或接点片反作用力返还,返还系数不小于20% ,当任意一组前接点闭合时所有后接点必须全部断开,反之亦然。
3、三级继电器(电码或电话型),衔铁的返还与后接点的压力均由动接点弹片的反作用力产生;前后接点均有熔接的可能。
目前,我们使用的安全型继电器全符合一级继电器的要求。
铁路信号继电器可按动作原理、工作电流的种类、动作速度分类:按动作原理分为:电磁继电器,感应继电器,热力继电器。
按工作电流的种类分为:直流继电器、交流继电器、交直流继电器按动作速度分为:速动继电器、正常动作继电器,缓动继电按接点的结构分为:普通接点继电器、加强接点继电器。
历史上曾使用在铁路信号设备中的继电器有座式、插入及安全型继电器。
二、JSBXC-850 型继电器基本原理JSBXC-850 型继电器是一种电子缓吸时间继电器,通过不同的接线可以获得180S、30S、13S、3S 等四种延时,以满足信号电路的需要。
继电器由时间控制单元和JWXC370/480 型无极继电器组合而成。
(可见实物)时间控制单元组装在印刷电路板上,安装在继电器上方。
时间控制单元组目前有二种,一种其核心是单结晶体管组成的脉冲延时电路。
铁路职业技能鉴定中级信号工(车站与区间)理论复习题一、填空题(请将正确答案填在横线空白处)1.JSBXC-850型时间继电器的作用主要是控制电气集中的___延时解锁__。
2.当单置调车信号机作始端使用时,其__DX__组合的JXJ吸起。
3.不同型号的变压器__________并联使用。
4.97型25Hz相敏轨道电路在电气牵引区段使用时,二元二位轨道继电器的复示继电器应采用_ZWXC-H340___动继电器。
5.6502电路中CJ具有缓吸特性和__快动特性___。
6.在列车信号点灯电路中,为了防止混线而造成错误显示,采用了双断法和___位置_法等两个防护措施。
7.列车接近道口控制器采用开路道口控制器,采集列车到达道口和_通过道口__。
8.当地面信号显示一个黄灯,低频调制信号为15HZ时,机车信号显示__黄__灯。
9.__行程开关___是控制调压极限的限位开关。
M300速度监督机车信号系统只有在列车运行速度超过限制速度时,对列车发出__紧急___制动命令。
11.整流继电器由整流元件和__无极继电器___组合而成。
12.变压器的绝缘电阻,在运用中用500伏兆欧表测量,不小于__100 _ΜΩ。
13.JZXC-480型轨道电路的标准分路电阻为__0.06_Ω。
14.在机械制图中,主要用____三视___图来表达物体的形状和大小。
15.列车接近道口控制器采用闭路式道口控制器,采集列车__接近通知________。
16.在电气特性测试中发现KF对地电压为24V,KZ对地电压为零,说明___KZ__电源接地。
17.当地面信号显示一个绿灯,低频调制信号为11HZ时,机车信号显示___绿__灯。
18.电气化区段轨道电路的极性交叉的测试利用_相位表或不对称脉冲表___直接测量。
19.微机监测系统中站机,车间机和段机应采用__工业控制机___计算机。
20.多信息移频轨道电路上下边频的频偏为__55__Hz。
21.偏极继电器主要用途是鉴定__电流极性___,一般用于道岔表示电路和半自动闭塞线路继电器电路中。
浅析JSBXC—850继电器烧损问题【摘要】JSBXC-850型半导体时间继电器是一种缓吸继电器(型号中S 为时间,B为半导体,850是370和480之和),现场应用中经常会被烧损,影响行车安全。
原因主要是R1上通过的电流过大会将其烧毁。
【关键词】半导体时间继电器稳压电路实验数据验收JSBXC-850型半导体时间继电器是一种缓吸继电器,借助电子电路,获得180s、30s、13s、3s等延时,以满足信号电路的需要。
时间继电器由时间控制单元与JWXC-370/480型无极继电器组合而成。
时间控制单元装在印刷电路板上,安装在接点组的上方。
如图1所示,在单晶体管BT的发射极e和第一基极b1的放电回路中接入继电器的前线圈(3-4,370Ω),他的后圈(1-2,480Ω)通过电阻R2直接与电源相连。
接通电源时,后圈有电流流过。
1 问题的提出在现场使用中,经常发生JSBXC-850半导体时间继电器被烧损的现象,尤其是在灯丝报警电路中严重,大约占全部烧损继电器的90%还要多,并且烧损的部位、元件、现象几乎相同,即都是JSBXC-850继电器接入电源入口的100Ω/1W 的电阻,其它依次是(按发生的频次)BT33,入口稳压二极管,两个电解电容,两个普通二极管。
由于此继电器经常被烧损,造成报警电路不能正常监测设备的使用状态,严重干扰了行车的正常指挥,对运输生产产生了不良影响。
2 原因分析从图1及前面叙述中知R1为100Ω/1W,根据功率的计算公式知,在理想状态下,R1上通过的最大电流为Im==0.1A=100mA,实际应用中R1上通过的电流在40~50mA范围内波动。
技规规定:JSBXC-850继电器的正常工作电压为24V,允许电压在21~27V范围内波动。
D2、D3与R3串联后成为稳压电路,稳压范围是19.5~20.5V,使继电器电源电压在21~27V间变化时保持标准值的吸起时间,以消除,电源电压波动对延时的影响,超过稳压范围时间稍长继电器烧损。
JSBXC-850型半导体时间继电器阻容盒的测试方法、步骤、标准及安全注意事项第一部分:JSBXC-850型半导体时间继电器信号继电器是铁路信号设备中的主要器件之一,它在运用中的可靠和安全是各种自动控制和远程控制信号设备正常使用的必要条件。
一、概述继电器可分为三级:1、一级继电器,绝对不允许发生前接点与动接点之间的熔接;衔铁落下与前接点的断开由衔铁及可动部分的重量来保证;当任意一组前接点闭合时所有后接点必须全部断开,反之亦然;衔铁处于落下位置时,应稳定地工作,后接点压力主要由重力作用产生;有较高的返还系数,轨道继电器不小于50%,一般继电器不小于30%。
2、二级继电器,衔铁依靠本身重量或接点片反作用力返还,返还系数不小于20%,当任意一组前接点闭合时所有后接点必须全部断开,反之亦然。
3、三级继电器(电码或电话型),衔铁的返还与后接点的压力均由动接点弹片的反作用力产生;前后接点均有熔接的可能。
目前,我们使用的安全型继电器全符合一级继电器的要求。
铁路信号继电器可按动作原理、工作电流的种类、动作速度分类:按动作原理分为:电磁继电器,感应继电器,热力继电器。
按工作电流的种类分为:直流继电器、交流继电器、交直流继电器。
按动作速度分为:速动继电器、正常动作继电器,缓动继电器。
按接点的结构分为:普通接点继电器、加强接点继电器。
历史上曾使用在铁路信号设备中的继电器有座式、插入及安全型继电器。
二、JSBXC-850型继电器基本原理JSBXC-850型继电器是一种电子缓吸时间继电器,通过不同的接线可以获得180S、30S、13S、3S等四种延时,以满足信号电路的需要。
继电器由时间控制单元和JWXC370/480型无极继电器组合而成。
(可见实物)时间控制单元组装在印刷电路板上,安装在继电器上方。
时间控制单元组目前有二种,一种其核心是单结晶体管组成的脉冲延时电路。
另一种是由单片机、晶体振荡器、分频器组成。
采用单晶管的延时电路由于主要是靠电阻、电容来完成,由于电阻、电容受温度影响较大,另外电容易老化,延时时间很容易漂移,需定期检修和调整时间参数。
JSBXC1-850型采用微电子技术,可通过软件设定不同的延时时间,所以延时精度高,不用调整,电路安全可靠。
由于不改动外部配线,因此是比较理想的新一代时间继电器。
JSBXC-850型、JSBXC1-850型时间继电器在铁路信号电路中主要用于人工解锁延时继电器。
为了讲解方便,以JSBXC-850型单结晶体管为例进行原理介绍,以便大家对延时的原理有进一步的了解。
如图所示:1、单结晶体管的特性在单结晶体管BT的发射极E和第一基极B1的放电回路中接入了继电器J的前圈(370Ω),而继电器的后圈(480Ω)则通过电阻R1直接与电源相连。
这样,当接通电源时,后线圈(480Ω)将有电流通过,其电路:+24V(73端子)二极管D1 R3 R1 81端子 J1-2(480Ω) 13端子 62端子(电源-)但是,由于R1电阻值很大,为3KΩ-4.7KΩ。
因此流过后线圈的电流很小,继电器不会动作。
与此同时,电容C1也开始充电,其电路+24V(73端子)二极管D1 R3 51端子 52(或61、63、83)端子 R6~R7 C23端子 J4-3(370Ω) 71端子4R2 62端子(电源-)此电流流过前线圈(370Ω)的方向正好与后线圈(480Ω)的相反,因此继电器更不会动作。
当电容器C1充电电压大于单结晶体管BT的击穿电压时,则BT的发射极E与第一基极B1导通,C1放电,其电路是:C1(+) BT E-B1 R2 71端子 J3-4(370Ω) 23端子C1(-)此电流流过前线圈(370Ω)的方向正好与后线圈(480Ω)的相同,因此继电器衔铁立即吸合。
衔铁吸合后,J的前接点11-12构通了自闭电路:由于R4的接入,电路的电阻降低一半,流过J后线圈电流增加到大于继电器的释放电流,继电器可靠吸起。
由于BT和C1组成的脉冲延时电路的存在,使继电器从电源接通到完全吸合经过一段时间,这一段时间就是继电器吸起延时时间。
这一吸起延时时间与下列参数有关:1、C1的电容量越大,则充电达到单结晶体管击穿电压的时间越长,因此吸起时间越大。
2、充电电路的电阻R越大,则电容器充电电流越小,充电时间必然越长,故延时越大,电路就是利用这一特点在端子52、61、63、83分别接入不同的电阻值,以获得四种延时。
3、与单结晶体管击穿的电压有关,而击穿电压又由单结晶体管的分压比η决定,击穿电压越高,则C1的充电电压升高,缓吸延时加大。
电路中其它元件的作用:1、为了消除因电源电压波动对延时的影响,电路中加装了两个稳压二极管D2与D3,串联后的稳压值为19.5~20.5V。
它们与R3串联成一简单的稳压电路,保证继电器电压在21V~27V间变13、二极管D4是吸收继电器J的370Ω前圈的磁场能量的,防止继电器断电时引起反电势使单结晶体管BT击穿,从而避免了电路的干扰。
4、C2是单结晶体管第二基极的平滑电容,同时也是稳压后的滤波电容,以消除电源杂音对电路延时的干扰。
5、R5是单结晶体管的基极电阻。
半导体时间继电器的电气特性与JWXC-370/480型继电器相同,但有下列补充规定:1、继电器延时误差均不能超出标准值的±15%。
2、在通电至继电器闭合的缓吸时间内,后接点的压力为0.098N(10)~0.147N(15)。
继电器的接点组编号与无极继电器相同。
JSBXC1-850型继电器主要由4000KHZ晶体振荡器和分频器及可编程芯片组成,采用微电子技术,通过软件设定不同的延时时间,不用调整,电路安全可靠,其延时精度比较高。
并且不用改动继电器外部配线,是取代JSBXC-850型继电器比较理想的新一代时间继电器,其电路结构目前尚无图纸。
石英晶体振荡器的频率越高,其误差越小。
4000KHZ÷2N,以27为例,27=128,用石英晶体振荡器的误差数÷128=数极小。
因此误差极小。
三、检测相关方法及要求无极继电器由直流电磁系统和接点系统两大部分组成。
(一)电磁系统结构,电磁系统的线圈水平安装在铁芯上,分别为前线圈和后线圈,以便分别使用。
衔铁靠蝶形钢丝卡固定在轭铁的刀刃上,衔铁的传动部分铆上重锤片,以保证继电器衔铁靠重力返回,安装的重锤片的数量则由继电器接点系统的结构而定,使衔铁的重量满足继电器后接点压力的需要。
1、铁芯.铁芯由电工纯铁(DT4A)制成,外层镀锌防护,极靴是用冷镦法加粗的.铁芯的直经DT与极靴的直经D、厚度H根据继电器的规格不同而有区别,铁芯的基本尺寸有三种,一种具有正常的结构尺寸,其铁芯直径DT=13mm,极靴直径D=28mm,而极靴的厚度H=5mm,大部分正常动作的安全型继电器采用它,另一种铁芯具有加大的结构尺寸;DT=15mm,D=30mm,H=3mm,一般缓动继电器、灵敏继电器采用此铁芯,借以加大缓放时间或减少工作值(如JWXC-370、480),第三种铁芯为JWXC-2.3型所专用,其结构尺寸是DT=13mm,D=25mm,H=5mm,这种铁芯的极靴较小,是为了提高这种直流轨道继电器的返还系数而特殊设计的。
2、L型轭铁,轭铁由4mm或5mm的电工纯铁板冲压成型,外表镀多层铬防护,4mm厚的轭铁与正常结构尺寸的铁芯配合,5mm厚的轭铁则与加粗的铁芯配合,使用在需要缓动或具有较高返还系数的继电器中.3、角形衔铁.衔铁由3.5mm的电工纯铁冲压成型,衔铁上铆接有重锤片, 重锤片由2.5mm厚的B3薄钢板制成, 重锤片的数量则由继电器接点组的多少决定,一般8组后接点用三片, 6组后接点用二片, 4组后接点用一片。
4、线圈.线圈绕在线圈架上,无极继电器线圈架由酚醛树脂压制而成,但JWXC-H340型继电器为了增加缓放时间采用了铜质阻尼线圈架,用T3纯铜制成,其表面用环氧粉未流化床工艺进行绝缘封闭,铜墙铁壁质线圈架相当于一个短路的铜墙铁壁环,当线圈断电后,其内产生涡流,以阻隔止铁芯内磁通的消失,因此,增加了继电器的缓放时间.(二)接点系统无极继电器接点系统采用了两排纵列式联动结构,因此,接点组数只能成偶数增减.1、银接点单元,由0.37mm厚的锡磷表铜带制成的接点片与1mm厚的黄铜制成的托片,两组对称地压在胶木内.在接点片的端部开一条0.5mm宽的细长槽口,在槽的两边用点焊机各焊一个银接点(由105mm银丝制成).2、动接点单元.由0.25mm锡磷表铜带制成的动接点簧片与1mm厚的黄铜制成的补助片.动接点簧片端部焊有动接点,动接点由厚0.5mm银氧化镉制成.银氧化镉是一种银镉合金,基本物质为银(85%~88%)起导电作用,而氧化镉(12%~15%)则起导热作用.3、电源片单元4、拉杆5、绝缘轴与动接点轴6、压片7、下止片与接点架(三)班组一般的检查测试1、前、后线圈的测试,1、2为后线圈,3、4为前线圈,线圈电阻标称值是指环境温度在+200C时的数值,实际所测量的值应用公式换算成+200C时的相应数值。
继电器线圈电阻值的允许误差以5Ω为界,5Ω及其以上的线圈误差为±10%,5Ω以下的线圈误差为±5%,这是国标。
2、继电器接点电阻测试,一般采用电流电压法测量测得的数据按照欧姆定律求出。
普通接点电阻:银-银氧化镉应不大于0.05Ω;加强接点电阻银氧化镉-银氧化镉应不大于0.1Ω。
插座簧片与插片的接触电阻应不大于0.03Ω。
UR j= ------ -R iI R j 为接点电阻,R i为引线电阻如下图:首先,先关闭k1 ,调整滑线电阻R,使毫安表读数为500毫安,再关闭k2,测量接点电压,按欧姆定律计算接点电阻。
在安全型继电器中,普通型上、下接点是银接点,中接点是由厚0.5mm银氧化镉制成。
银氧化镉是一种银镉合金,基本物质为银(85%~88%)起导电作用,而氧化镉(12%~15%)则起导热作用。
加强型继电器接点在其上接点上装有U型永久磁铁,永久磁通从N极经接点气隙到达S极,当继电器接点断开时,接点之间产生电弧,电弧也是一种电流,在磁场的作用下,电弧被向外拉长,由于接点断开时距离逐渐变大,随着接点距离加大,电弧被拉长“吹灭”。
安全型继电器就是利用这一原理实现熄灭接点间电弧的。
在日常的养护中若发现继电器动作时,普通接点有火花或加强接点有连续电弧现象,必须及时更换,并查明原因。
3、继电器落下、工作值测试,如下图所示:继电器落下值:调整变阻器将继电器电压调至过载值,然后逐渐降低,至前接点刚刚断开时的电压值。
工作值:将电压调整为零,断开电路一秒钟,逐渐升高电压,至衔铁止钉与铁芯接触时的电压值。
4、时间特性测试:(1)缓吸时间:如下图所示:先闭合K,将继电器两端调至额定值,再将K打开。