软胶囊内容物的性质和要求
- 格式:doc
- 大小:21.50 KB
- 文档页数:1
五方面入手提高软胶囊质量近几年,软胶囊在药品、保健食品行业中逐渐兴起,但由于其生产工艺还不成熟,在生产过程中,易出现畸形丸、漏油、内容物分层、胶囊中含气泡、胶皮异味、胶皮本身含气泡和胶皮不光洁等诸多问题,极大地影响了产品的质量。
软胶囊的主要加工工艺包括配料、化胶、压丸、干燥、洗擦丸五工序,解决质量问题也必须把好五道关。
▲配料:依据内容物性质选择配料是保证软胶囊质量的基础,主要是对软胶囊内容物的配制,内容物有单纯的油质类和固体物料与油质的混合体。
对于月见草油软胶囊与海豹油胶囊之类的产品,其内容物本身是油类,所以,只需加入适量的抑菌剂,再与一定量的色拉油、玉米油或其它油脂混合均匀即可。
而对于内容物本身是固态物与油类混合的产品,首先应将固态物粉碎过100~200目筛,再与色拉油、玉米油或其它油脂混合均匀(一般固态物的加入量不应超过油状物的50%),经胶体磨研匀,制成极细腻、均匀的悬浮液即可,以防压丸时造成机械喷体堵塞,并防止干燥过程中接缝黏合不牢。
配料过程中还应注意辅料的选择。
软胶囊的内容物为固态物和油类混合体时,常出现分层现象,造成装量不准确,因此基质中除加入色拉油等油脂外,还必须加入适量的助悬剂,如蜂蜡。
软胶囊内容物中还应加入适量的抑菌剂(如尼泊金乙酯、山梨醇等),防止在长期存放过程中发生变质。
在软胶囊的长期存放过程中,酸性内容物也会对胶皮水解造成渗漏,而碱性内容物会降低胶皮的溶解度,所以配料时应考虑原料的酸碱度,控制其pH值在3.8~7.0之间为宜。
▲化胶:明胶质量是关键化胶是胶囊皮的配制过程,也是保证软胶囊质量的根本,其囊材主要由明胶、纯化水、甘油、防腐剂、遮光剂、色素和其他适宜的药用材料制成。
化胶工序要根据生产需要,将上述材料以一定的比例投入化胶罐中,加热、搅拌,使其溶化,保温待用。
明胶的质量在化胶过程中起决定因素,一般要求明胶的冻力、黏度为主要指标,胶液黏度在2700~3000mpas,明胶的冻力值大于180克,水分40%~50%。
胶囊剂一.概述胶囊剂(capsules)系指将药物装于空心胶囊或有弹性的软质空胶囊中制成的制剂。
胶囊剂可分为硬胶囊剂(hard capsules)和软胶囊剂两种。
硬胶囊剂为将固体或半固体药物加辅料填充于空心胶囊中的制剂。
软胶囊剂(soft gelatin capsules)也称胶丸,为将油类药物或对软质空胶囊无溶解作用的液体药物或混悬液封闭其中形成的制剂。
胶囊剂问世于19世纪中叶,1833年Mothes提出软胶囊,1848年由Murdock 改进为硬胶囊,随着机械工业的发展和自动胶囊填充机的问世,胶囊剂从理论上和技术上得到了较大的发展。
目前,胶囊剂是临床口服给药最常用的型之一,品种数仅次于注射剂、片剂而居第三位。
本节胶囊剂系指以明胶为囊材。
也有用甲基纤维素、海藻酸钠、变性明胶、聚乙烯醇为囊材。
胶囊剂主要供口服,药物进入胃肠道后,胶囊壳快速溶解。
根据临床需要还可制备供直肠和阴道给药的胶囊剂以及可改变释药特征的缓释、控释胶囊剂及肠溶胶囊剂等。
胶囊剂的特点有:(1)药物生物利用度较高胶囊剂的辅料中无粘合剂,空胶囊溶解后药物在胃肠道中分散、溶出,无崩解过程,故吸收速率仅低于散剂,有较高的生物利用度。
(2)提高药物的稳定性对光敏感、遇湿热不稳定药物,如维生素、抗生素等,装入空胶囊内后,药物免受光线、空气中水分和氧分子作用,药物稳定性提高。
(3)药物形态可调适性药物可以粉末、颗粒的状态,也可以小丸或小片装于胶囊中,还可以以两种状态的混合形式装于胶囊中,以适应临床不同的要求。
液态药物或含油量高的药物难以制成片剂、丸剂时可制成胶囊剂。
剂量小,难溶于水,在消化道中不易吸收的药物,也可将其溶于适当油中制成胶囊剂,有利于吸收。
(4)延缓药物的释放将药物制成颗粒或小丸后,用不同性质的高分子材料包衣,使之有不同的释放度,再按不同比例混合装入空胶囊内,可起到缓释、控释,肠溶等作用。
(5) 临床使用的顺应性好药物装于空胶囊内,掩盖药物不适宜的臭味,并且外形整洁、美观,于胶囊壳上印字或使用不同颜色便于识别,携带、使用方便。
胶囊剂制剂质量要求胶囊剂:指药物或加有辅料充填于空心胶囊或密封于软胶囊材质中的固体制剂。
胶囊剂具有下列特点:①可掩盖药物不适的苦味及臭味,使其整洁、美观、容易吞服。
②药物的生物利用度高。
胶囊剂与片剂、丸剂不同,制备时可不加粘合剂和压力,所以在胃肠道中崩解快,呈效较丸、片剂快,吸收好。
③提高药物稳定性。
如对光敏感的药物,遇湿热不稳定的药物,可装入不透光胶囊中,防护药物不受湿气和空气中氧、光线的作用,从而提高其稳定性。
④能弥补其他固体剂型的不足。
如含油量高因而不易制成丸、片剂的药物,可制成软胶囊剂。
又如服用剂量小,难溶于水,消化道内不易吸收的药物,可使其溶于适当的油中,再制成胶囊剂,不仅增加了消化道的吸收,提高了疗效,并且稳定性较好。
⑤可延缓药物的释放和定位释放药物。
如将药物先制成颗粒,然后用不同释放速度的包衣材料进行包衣,按所需比例混合均匀,装入空胶囊中即可达到延效的目的。
若需在肠道中显效者,可制成肠溶性胶囊。
也可制成直肠用胶囊供直肠给药。
但是,必需注意,凡药物的水溶液或稀乙醇溶液,均不宜填充于胶囊中,因易使胶囊溶化;易溶性药物和刺激性较强的药物,均不宜制成胶囊剂,因胶囊剂在胃中溶化时,由于局部浓度过高而刺激胃粘膜。
风化药物可使胶囊软化,潮解药物可使胶囊过分干燥而变脆,都不宜作胶囊剂。
胶囊分为硬胶囊、软胶囊(胶丸)、缓释胶囊、控释胶囊和肠溶胶囊,主要供口服。
胶囊剂应进行装量差异检查和崩解时限检查。
装量差异:取供试品20粒,分别精密称定重量后,倾出内容物(不得损失囊壳),硬胶囊用小刷或其他适宜用具拭净,软胶囊用乙醚等易挥发性溶剂洗净,置通风处自然挥干溶剂,再分别称定囊壳重量,求出每粒内容物的装量与平均装量。
每粒的装量与平均装量相比较,超出装量差异限度的不得多于2粒,并不得有1粒超出限度一倍。
平均重量在0.30g以下,装量差异限度为+-10%,0.30g及以上,+-7.5%。
质量检查外观:胶囊外观应整洁,不得有黏结或破裂、变形现象,并应无异臭。
软胶囊工艺研究资料--------------------------------------------------------------------------------一软胶囊介绍也称软胶丸剂,它是将油类或对明胶物无溶解作用的非水溶性的液体或混悬液等封闭与胶囊壳中而成的一种制剂,其形状有圆形,椭圆形,鱼形,管形等。
软胶囊是继片剂,针剂之后发展起来的一种新剂型,其外壳是用明胶压制而成,囊壳内包液状药液。
其特点是比针剂起效慢,但又比片剂,胶囊,颗粒剂起效快。
生物利用度高,比口服液携带方便,又可在囊壳上稍加改变,便可做成肠溶软胶囊等缓释剂型,还可做成栓剂。
由于软胶囊剂具有其它剂型所不具备的含量精确,工艺科学,使用方便,生物利用度高,起效块,疗效高等优点。
而越来越受到市场和患者的青睐。
二软胶囊剂的特点1.量高达60%~85%(重量),而象包接物一般的含量在50%以下。
2.据测,明胶皮膜对氧遮段性超过聚乙烯膜30倍以上。
氧化吸湿等。
3.4.5.一般食品不同,异味,异臭成份多。
6.光泽好,引人注目。
7.8.各自分别添加在二层性内容物内。
9.制品。
10.1) 小剂量药物,应先用适宜的稀释剂稀释,并混合均匀。
2) 应外观整洁,不得有粘结,变形或破裂现象,无异臭。
3) 除另有规定外,应密封贮存。
三适宜制成软胶囊剂的药物1.油性药物及低熔点药物最适宜制软胶囊。
油性药物及在常温下是液体或半固体的药物,以往为了制剂,常在制备时采用吸附、固化等技术处理,由于加入吸附剂等辅料,使体积增大,或在制备时需加热干燥处理,此时药物又易从吸附剂等辅料中游离或渗出,使主药损失,影响疗效。
但软胶囊剂是将油性药物及低熔后药物用旨溶性溶剂溶解或制成乳浊液进行填充或滴丸,省去了了吸附辅料,不但制剂小型化,也避免药物的游离和渗出等问题的出现。
如牡荆油胶丸和消炎痛法尼酯胶丸等。
2.对光敏感,遇湿热不稳定,易氧化的药物可制成软胶囊。
有些药物如挥发油等对光敏感;有的药物遇湿热易分解、挥散;有的药物在制备和贮存时易氧化。
软胶囊工艺研究资料一软胶囊介绍也称软胶丸剂,它是将油类或对明胶物无溶解作用的非水溶性的液体或混悬液等封闭在胶囊壳中而成的一种制剂,其形状有圆形,椭圆形,鱼形,管形等。
软胶囊是继片剂,针剂之后开展起来的一种新剂型,其外壳是用明胶压制而成,囊壳内包液状药液。
其特点是比针剂起效慢,但又比片剂,胶囊,颗粒剂起效快。
生物利用度高,比口服液携带方便,又可在囊壳上稍加改变,便可做成肠溶软胶囊等缓释剂型,还可做成栓剂。
由于软胶囊剂具有其它剂型所不具备的含量精确,工艺科学,使用方便,生物利用度高,起效块,疗效高等优点。
而越来越受到市场和患者的青睐。
二软胶囊剂的特点1.液状油性物可直接封入胶囊,无需使用吸附,包结之类的添加剂,而且软胶囊油性物含量高达60%~85%〔重量〕,而象包接物一般的含量在50%以下。
2.假设用厚明胶制皮膜,可完全气密封入,胶囊强度和膜遮段性高,内容物可长期保持稳定。
据测,明胶皮膜对氧遮段性超过聚乙烯膜30倍以上。
对空气中氧非常稳定,能防止空气氧化吸湿等。
3.摄取后,内容物迅速释放,体内利用率,吸收率高。
4.内容物均一性佳,含量偏差非常低。
5.能遮盖某些内容物异臭,异味,尤对一些功能性健康食品,医药品应用较适宜。
因其与一般食品不同,异味,异臭成份多。
6.胶囊皮膜的味,色,香,透明度,光泽性均可自由选择,与其它圆形物制品相比,外观光泽好,引人注目。
7.圆系气密容器,制成后流通时异物不能混入,是一种净化型容器。
8.对于低沸点,挥发性〔如香料等〕物质能稳定保存。
而且有些禁忌配合成份可各自分别添加在二层性内容物内。
9.不需添加粘结剂,成型剂等添加剂,一般软胶囊由明胶、甘油与水制成,系可食用天然制品。
10.软胶囊在生产与贮藏期间应符合以下要求:1) 小剂量药物,应先用适宜的稀释剂稀释,并混合均匀。
2) 应外观整洁,不得有粘结,变形或破裂现象,无异臭。
3) 除另有规定外,应密封贮存。
三适宜制成软胶囊剂的药物1.油性药物及低熔点药物最适宜制软胶囊。
辅酶q10软胶囊企业标准辅酶Q10软胶囊是一种常见的保健品,广泛应用于各种健康领域。
为了确保产品的质量和安全性,制定并遵守辅酶Q10软胶囊的企业标准是至关重要的。
本文将详细介绍辅酶Q10软胶囊企业标准的内容和要求。
一、产品名称和规格辅酶Q10软胶囊的产品名称应明确,规格应准确标注。
例如,产品名称可以为“辅酶Q10软胶囊”,规格可以为“每粒含辅酶Q10 100毫克”。
二、原料选用辅酶Q10软胶囊的原料应符合国家相关法规的要求,并保证原料的质量和纯度。
企业应选择可追溯的优质原料,并确保原料供应的稳定性和可靠性。
三、产品质量标准1. 辅酶Q10含量:每粒辅酶Q10软胶囊的辅酶Q10含量应符合标准规定,可以通过HPLC等方法进行检测。
2. 重金属含量:辅酶Q10软胶囊中重金属的含量应符合国家标准要求,确保产品不含有害物质。
3. 微生物限度:产品应符合国家标准要求的微生物限度,确保产品的卫生安全性。
4. 水分含量:产品的水分含量应符合国家标准要求,避免因过高或过低的水分含量而影响产品的质量和稳定性。
5. 其他指标:根据辅酶Q10软胶囊的特性,可以设定其他的质量指标,例如溶出度、胶囊壳的稳定性等。
四、生产工艺要求1. 辅酶Q10软胶囊的生产工艺应符合国家相关法规的要求,确保生产过程的卫生安全和产品的质量稳定。
2. 胶囊壳的选用和质量:胶囊壳的选用应符合国家标准要求,质量应稳定可靠,确保胶囊的密封性和稳定性。
3. 检测方法的建立:企业应建立合适的检测方法,对原料和成品进行定期的质量检测,确保产品的质量和安全性。
五、包装和标签要求1. 包装材料的选用:辅酶Q10软胶囊的包装材料应符合国家标准要求,保证产品的包装完整性和质量稳定性。
2. 标签内容和规范:产品标签应包含正确的产品名称、规格、主要成分、用法用量、生产日期、保质期等信息。
标签应清晰易读,字体大小和颜色应符合国家标准要求。
3. 产品说明书:产品说明书应提供详细的产品信息和用法用量说明,确保用户正确使用产品。
软胶囊是继片、针剂后发展起来的新剂型,能将油状药物、药物溶液或药物混悬液、糊状物甚至药物粉末定量压注并包封于胶膜内,形成大小、形状各异的密封胶囊。
与其他剂型相比,具备生物利用度高、含量准确、均匀性好、外形美观等特点;若是油状药物,还可省去吸收、固化等技术处理,可有效避免油状药物从吸收辅料中渗出,故软胶囊是油性药物最适宜的剂型。
此外,低熔点药物、生物利用度差的疏水性药物、不良苦味及臭味的药物、微量活性药物及遇光、湿、热不稳定及易氧化的药物也适合制成软胶囊。
软胶囊在国外发展很快,除药品外,在营养保健品、化妆品、家庭用品等领域中也广为应用。
世界上现已拥有转模式软胶囊制造机(rotarydieencapsulationmachine)560多台,年产量超过600亿粒,品种多达3600余种。
美国是世界上最大的软胶囊生产国,销售量居世界之首,其次为德国、英国。
20世纪70年代前期我国采用模压法生产,《中国药典》1985版正式生效后,此法被淘汰,改用RDEM法生产,品质大大提高。
特别是20世纪90年代开发了一系列中药软胶囊品种,如藿香正气软胶囊、复方丹参软胶囊、麻仁软胶囊等,改变了西药软胶囊一统天下的局面。
随机、开放、交叉试验比较Sandoz公司的环孢菌素(cyclosprine,CsA)溶液剂和软胶囊剂,结果显示:CsA软胶囊剂的峰值和总吸收量均较大,分别比溶液剂大38%、11%,但峰谷浓度两者相似。
MinDI等研究了肾同种异体移植病人口服软胶囊剂和溶液剂的生物等效性、病人顺应性。
血样用HPLC和荧光偏振免疫法(FPIA)测定峰值、峰浓度及曲线下面积,并用配对t检验进行比较,病人顺应性采用问卷调查形式。
结果显示:用PFIA、HPLC测定生物利用度无显着性差别(p0.01),说明CsA胶囊和溶液剂生物等效,但数病人喜欢软胶囊剂型。
24名健康男子口服环孢菌素微乳型溶液剂和微乳型软胶囊剂,以单剂量口服180mgCsA软胶囊剂作为参比制剂,在禁食条件下口服溶液剂、澄汁溶液剂,用特定的单克隆放免法测定小时血样。
丁苯酞软胶囊英文名:Butylphthalide Soft Capsules汉语拼音:Ding Ben Tai Ruan Jiao Nang【成份】本品主要成份为丁苯酞,化学名称消旋-3-正丁基苯酞(简称丁苯酞或记作NBP)。
分子式:C12H14O2分子量:190.24【性状】本品为软胶囊,内容物为淡黄色或黄色油状液体。
【适应症】用于治轻、中度急性缺血性脑卒中。
【规格】0.1g【用法用量】根据现有临床研究的用药方法,本品可与复方丹参注射液联合使用。
空腹口服,一次两粒(0.2g),一日三次,二十天为一疗程。
【不良反应】本品不良反应较少,主要为转氨酶轻度升高,根据随访观察病例,停药后可恢复正常。
偶见恶心、腹部不适及精神症状等。
在丁苯酞II、III期临床研究中,不良反应发生率见表1:【禁忌】下列患者禁用:1、对本品过敏者。
2、有严重出血倾向者。
【注意事项】1、餐后服用影响药物吸收,建议餐前服用。
2、肝、肾功能严重受损者慎用。
3、用药过程中需注意氨基转移酶的变化。
4、本品尚未进行出血性脑卒中的临床研究,暂不推荐出血性脑卒中患者使用5、有精神症状者慎用。
【孕妇及哺乳期妇女用药】本品尚未对妊娠期和哺乳期妇女的疗效和安全进行研究。
【儿童用药】本品用于儿童的疗效、安全性尚未建立。
【老年患者用药】参见用法用量。
【药物过量】尚无过量报道。
【临床试验】II期临床试验采用随机、双盲、安慰剂对照方法,选择首次发病、发病72小时以内的中度神经功能缺损(神经功能缺失评分16~30分)颈内动脉系统脑梗塞患者,以复方丹参注射液作为基础用药辅助治疗14天,丁苯酞软胶囊或(空白软胶囊)0.2g/次,4次/一日,连续20天,治疗期间禁用其他治疗急性脑梗塞药物,共完成有效病例190例,丁苯酞组91例,对照组99例,丁苯酞组总有效率(神经功能缺失评分减少≥46%)为70.3%,对照组总有效率为40.4%;两组受试者在神经功能改善和生活能力改善两个方面进行统计后显示,两组间具有显著性差异(P<0.005)。
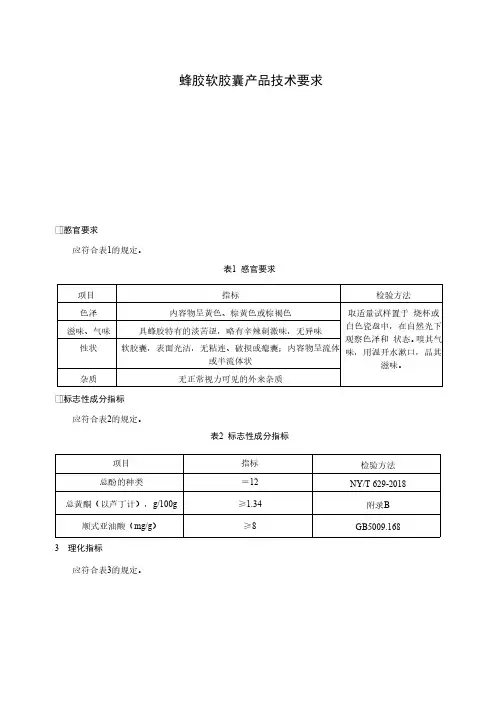
蜂胶软胶囊产品技术要求感官要求应符合表1的规定。
表1感官要求项目指标检验方法色泽内容物呈黄色、棕黄色或棕褐色取适量试样置于烧杯或白色瓷盘中,在自然光下观察色泽和状态。
嗅其气味,用温开水漱口,品其滋味。
滋味、气味具蜂胶特有的淡苦涩,略有辛辣刺激味,无异味性状软胶囊,表面光洁,无粘连、破损或瘪囊;内容物呈流体或半流体状杂质无正常视力可见的外来杂质标志性成分指标应符合表2的规定。
表2标志性成分指标3理化指标应符合表3的规定。
项目指标检验方法总酚的种类=12NY/T 629-2018总黄酮(以芦丁计),g/100g≥1.34附录B 顺式亚油酸(mg/g )≥8GB5009.168表3理化指标项目指标检验方法水分,g/100g≤3.0GB5009.3灰分,g/100g≤6.0GB5009.4崩解时限,min≤30《中华人民共和国药典》酸值,mgKOH/g≤15GB5009.229过氧化值,g/100g≤0.25GB5009.227铅(以Pb计),mg/kg≤0.5GB5009.12总砷(以As计),mg/kg≤0.3GB5009.11总汞(以Hg计),mg/kg≤0.2GB5009.174微生物指标应符合表4的规定。
表4微生物指标项目指标检验方法菌落总数,CFU/g≤1000GB4789.2大肠菌群,MPN/g≤0.92GB4789.3MPN计数法霉菌和酵母,CFU/g≤50GB4789.15金黄色葡萄球菌≤0/25g GB4789.10沙门氏菌≤0/25g GB4789.4志贺氏菌不得检出GB4789.5β型溶血性链球菌不得检出GB4789.115真实性要求应符合表5的规定表5真实性要求项目指标检验方法槲皮素含量/短叶松素含量≤0.2NY/T629-2018水杨苷不得检出GB/T34782邻苯二酚不得检出GB/T34782。
软胶囊制剂多用于非水溶性、对光敏感、遇湿热不稳定、易氧化和挥发性的药物。
它密封严密、用量精确、生物利用度高药物的稳定性也得到提高此外还有掩盖不良嗅味的作用。
实验证明口服制剂的生物利用度以内容物为溶液的软胶囊最好混悬液次之再次为含颗粒的硬胶囊最差为片剂。
一些水溶性差的药物为了提高生物利用度而把片剂改为内容物为溶液的软胶囊。
如HongS把Gliclazide混悬在以PEG400、PEG4000、Tween20和甘油为内容物的软胶囊中通过加速C1iclazide从剂型向酸性缓冲液的溶解度来使Gliclazide的血药浓度明显提高有关”。
软胶囊的内容物可以是溶液、混悬液、乳液也可以是固体或半固体应用广泛随着研究的深入现已研制出了肠溶软胶囊、具有囊中囊结构的软胶囊、外层包衣软胶囊、胶壳内表面含有屏障层的软胶囊以及口服咀嚼软胶囊等高技术含量的软胶囊”。
对于中药软胶囊的研究与制备尚处在起步阶段。
藿香正气软胶囊的问世是中药软胶囊制剂的第一个品种随后血塞通软胶囊等一批中药软胶囊取得了迅速的发展。
据国家药品食品监督管理局的统计数据显示截止到2005年6月28日已批准了181个软胶囊的生产批件正在受理的软胶囊品种共有334个其中有134个已经批准临床研究。
现就中药软胶囊的发展状况作一概述。
1 中药软胶囊内容物的处方选择软胶囊中可以填充各种油类或对明胶无溶解作用的液体或混悬液也可以填充固体药物。
填充的液体赋形剂可分为三类水不相混溶的挥发性或不挥发性的液体如植物油或芳香油能与水混溶的不挥发性的液体如聚L-醇和非离子表面活性剂能与水相溶而挥发性小的化合物如甘油、丙二醇和异丙醇。
西药软胶囊成分单一且多为脂溶性成分易于制成油性溶液比较容易囊化中成药的处方复杂出膏率大吸水性强内容物的制备比较复杂。
中药软胶囊一般有两种制备方法一种是由浸膏直接制备另一种是由粉末制备两种方法各有利弊。
11 混悬液三七提取物难溶于植物油中冉立新等制备三七提取物软胶囊时通过大量的试验选用了毒性小能够溶解于植物油中能很好地将三七提取物悬浮于植物油中并且能够长时间稳定的物质一一卵磷脂。
软胶囊剂各工序质量控制软胶囊剂各工序质量控制生产工序质量控制点生产中的控制方法实际生产中存在的问题领料工序1、原辅料的质量、数量2、要保证洁净区的清洁。
1、取时核算员领取原辅料及内包装材料,外包装材料由外包负责人领用,在领料时核对物料的品名、规格、数量、产地,对于标签、说明书及已印刷的包装材料,需逐件清点,零头须逐张清点,领用张数必须与《领料申请单》一致。
2、库房将原、辅料及内包装材料送至脱皮间,外包装送至生产区外包装材料暂存间,分类别、分品名、分批号、分规格堆放整齐。
配料溶胶工序1、原辅料本身不存在异物。
2、物料的细度,*作过程中不能混入异物。
3、要确实保证原辅料的品种、数量含量的准确无误。
4、保证投料的准确性,溶胶的真空度,溶胶的温度和时间。
控制溶胶的粘度、水分。
1、衡器要定期校验,并要有校验记录及校验合格证,*作人员使用前应对衡器进行检查。
2、配料及溶胶前应先核对原辅料及胶皮处方中的品名、规格、代号、批号、生产厂家、包装情况。
3、原辅料应达到规定的标准,无异物。
4、投料量按生产指令单计算、称量及投料必须双人复合,*作人及复核人均应在记录上签完整姓名。
5、投料后严格按溶胶岗位标准*作,控制真空度、温度及时间。
检验胶液的粘度、水分。
配好的胶液保存在保温桶中。
6、保证溶胶结束后设备清洁完好。
使用的各容器应洁净、干燥、无异物,清洁后的容器应该有状态标志。
7、配好的药液装在清洁的容器内,,标明药料的品名、规格、批号、数量,检验合格后才可交付下工序。
压丸定形工序1、保证胶丸的形状,装量合格。
2、保证胶囊无药液渗漏。
1、生产的过程中,密切注意设备运转情况及时检查胶皮的厚度与均匀度、及时补充润滑液。
2、严格控制车间的温度和湿度,如果有异常必须即使调整。
3、注意调节随时调节胶液温度、扇形体温度,20min检查丸重差异一次,并记录,随时检查丸形是否正常、有无渗漏。
4、定期清洗设备并记录,严格按相关的清洁文件*作。
胶囊剂的验收标准一、外观质量1.胶囊壳应光滑、整洁,无裂纹、毛边或变形。
2.胶囊壳的颜色应均匀一致,无色差或杂质。
3.胶囊壳的硬度应适中,易于打开,不得过硬或过软。
4.胶囊壳的尺寸应符合规定,形状规则,内容物填充应充足。
二、内容物质量1.胶囊内容物应色泽均匀,无杂质或沉淀。
2.胶囊内容物的流动性应良好,无结块或黏连。
3.胶囊内容物的装量应准确,符合标示量要求。
4.胶囊内容物的稳定性应良好,无氧化、霉变等现象。
三、包装质量1.胶囊剂的包装应严密、无破损、无污染。
2.胶囊剂的标签应清晰、完整,标明品名、规格、批号、有效期等信息。
3.胶囊剂的包装材料应符合规定,无毒、无异味,不影响药品质量。
四、有效期1.胶囊剂应标注有效期,且应在有效期内使用。
2.胶囊剂的生产日期和有效期应清晰、易于识别。
3.胶囊剂在有效期内应保持质量稳定,符合各项质量标准。
五、注册标准1.胶囊剂应符合国家药品注册标准和其他相关法规要求。
2.胶囊剂的生产工艺和配方应符合注册要求,不得擅自更改。
3.胶囊剂的注册证书和批准文号应齐全、有效。
六、生产批号1.胶囊剂应有唯一的批号标识,便于追踪和管理。
2.胶囊剂的生产批号应标明生产日期和有效期等信息。
3.胶囊剂的生产批号在有效期内应保持一致性。
七、厂家资质1.胶囊剂的生产厂家应具备相应的生产资质和认证。
2.胶囊剂的生产厂家应具备相应的生产能力和质量控制体系。
3.胶囊剂的生产厂家应遵守相关法律法规和质量管理规范。
八、储存条件1.胶囊剂应按照说明书要求的储存条件进行储存。
2.储存场所应清洁卫生,避免阳光直射和高温潮湿等不良因素影响。
3.储存期间应定期检查胶囊剂的质量和有效期,如有异常应及时处理。
九、使用方法1.使用胶囊剂时应按照说明书或医生建议进行。
2.应使用适量温水送服,不得干吞或用饮料送服。
3.应按照药品剂量和用药时间的要求正确使用胶囊剂,不得随意更改剂量或延长用药时间。
4.如出现过量使用或不良反应,应立即停药并咨询医生。
软胶囊特点:软胶囊剂型是指继片剂、硬胶囊、针剂等后发展起来的一种新剂型,能将油状功能性物质、功能性物质溶液或功能性物质粉末定量压注并包封于胶膜内,形成大小、形状各异的密封胶囊。
软胶囊具有可以掩盖不良气味,减少刺激性,稳定性高,抗氧化,服用方便,生物利用度高等特点。
软胶囊剂的优势在于:1. 崩解后在肠道内直接吸收、无须溶解过程,吸收快2. 软胶囊含量准确3. 生物利用度高,减少患者的服用剂量4. 功能物质稳定性好,不易氧化和吸潮5. 密封性好,遮盖药物的不良气味6. 服用翻遍,外观美观,受人欢迎另外,软胶囊还可以根据不同需要生产成各种不同的,受人欢迎的颜色和形状,以达到稳定功能性成分和易于辨识品种或予以顾客精神欣慰的目的。
目前,国内生产的软胶囊剂型从临床上可以分为咀嚼型软胶囊、结肠荣软胶囊、肠荣软胶囊、速溶型软胶囊、口服胃溶软胶囊、缓释型软件囊、骨架软胶囊、包衣软胶囊、速效软胶囊、还有外用直肠胶囊、阴道胶囊以及眼用、皮肤用、耳鼻使用的管状软胶囊等.软胶囊制备工艺1. 软胶囊壳的性质和要求:软胶囊壳中所含成分中主要包括明胶,增塑剂、附加剂等物质。
明胶的质量除符合药典的要求外,还应符合凝胶强度(冻力)及粘度等项要求如冻力130―220Bloom粘度为8-12度,对吸湿性强的药物,宜采用冻力强度低的明胶。
遮蔽剂主要用二氧化钛,其用量为每千克明胶用2―12克。
可加入调味剂如5%蔗糖,能增加甜味,可口嚼,并调节硬度。
防腐剂用对羟基苯甲酸甲脂(1.6%)及对羟基苯甲酸并酯(0.04%)的混合物,囊壳干燥后含有一定量水分,一般为8%--14%。
胶壳软硬度与干明胶、增塑剂之间的重量比例直接有关。
常规产品一般按照甘油:明胶=30―40:100来制备,个别化妆品使用甘油:明胶=50―60:100来制备。
如甘油:明胶=25:100时,得到的干燥后的产品(14%含水量)非常硬,甚至于比硬胶囊还坚硬厚实的多;若干油:明胶=60:100时,产品(14%含水量)在一定时间内可以保持较软的状态。
软胶囊工艺研究资料--------------------------------------------------------------------------------一软胶囊介绍也称软胶丸剂,它是将油类或对明胶物无溶解作用的非水溶性的液体或混悬液等封闭与胶囊壳中而成的一种制剂,其形状有圆形,椭圆形,鱼形,管形等。
软胶囊是继片剂,针剂之后发展起来的一种新剂型,其外壳是用明胶压制而成,囊壳内包液状药液。
其特点是比针剂起效慢,但又比片剂,胶囊,颗粒剂起效快。
生物利用度高,比口服液携带方便,又可在囊壳上稍加改变,便可做成肠溶软胶囊等缓释剂型,还可做成栓剂。
由于软胶囊剂具有其它剂型所不具备的含量精确,工艺科学,使用方便,生物利用度高,起效块,疗效高等优点。
而越来越受到市场和患者的青睐。
二软胶囊剂的特点1.量高达60%~85%(重量),而象包接物一般的含量在50%以下。
2.据测,明胶皮膜对氧遮段性超过聚乙烯膜30倍以上。
氧化吸湿等。
3.4.5.一般食品不同,异味,异臭成份多。
6.光泽好,引人注目。
7.8.各自分别添加在二层性内容物内。
9.制品。
10.1) 小剂量药物,应先用适宜的稀释剂稀释,并混合均匀。
2) 应外观整洁,不得有粘结,变形或破裂现象,无异臭。
3) 除另有规定外,应密封贮存。
三适宜制成软胶囊剂的药物1.油性药物及低熔点药物最适宜制软胶囊。
油性药物及在常温下是液体或半固体的药物,以往为了制剂,常在制备时采用吸附、固化等技术处理,由于加入吸附剂等辅料,使体积增大,或在制备时需加热干燥处理,此时药物又易从吸附剂等辅料中游离或渗出,使主药损失,影响疗效。
但软胶囊剂是将油性药物及低熔后药物用旨溶性溶剂溶解或制成乳浊液进行填充或滴丸,省去了了吸附辅料,不但制剂小型化,也避免药物的游离和渗出等问题的出现。
如牡荆油胶丸和消炎痛法尼酯胶丸等。
2.对光敏感,遇湿热不稳定,易氧化的药物可制成软胶囊。
有些药物如挥发油等对光敏感;有的药物遇湿热易分解、挥散;有的药物在制备和贮存时易氧化。
软胶囊是指把一定量的原料、原料提取物加上适宜的辅料密封于球形、椭圆形或其他形状的软质囊中制成的剂型。
软胶囊的特点表现为以下方面:1、软胶囊的可塑性强、弹性大。
这由于软胶囊囊材组成的性质所决定的,取决于明胶、增塑剂和水三者之间的比例。
2、软胶囊可弥补其他固体剂型的不足,如含油量高或液态药物不易制成丸剂、片剂时,可制成软胶囊。
软胶囊除了上述特点外,还具有与硬胶囊剂相同的特点,如方便、利用率高、稳定性好、可以延效等。
软胶囊囊材的组成主要是胶料(主要是明胶)、增塑剂(甘油等)、附加剂(香料、遮光剂等)和水。
软胶囊的形状有球形、椭圆形等多种。
在保证填充物达到保健量的前提下,软胶囊的容积要求尽可能减小。
软胶囊中填充物如为固体物时,原料粉末应通过五号筛,并混合均匀。
软胶囊生产时,填充物品与成型是同时进行的。
制作的方法可分为压制法(模压法)和滴制法两种。
1、压制法:第一步,要配制囊材胶液。
根据囊材配方,将明胶放入蒸馏水中浸泡使其膨胀,待明胶溶化后把其他物料一并加入,搅拌混合均匀;第二步,制胶片。
取出配制好的囊材胶液,涂在平坦的板表面上,使厚薄均匀,然后用90℃左右的温度加热,使表面水分蒸发,成为有一定韧性、有一定弹性的软胶片。
第三步,压制软胶囊。
小批量生产时,用压丸模手工压制;大批量生产时,常采用自动旋转轧囊机进行生产。
2、滴制法:滴制法是指通过帝制机制备软胶囊的方法。
制作时需注意胶液的配方、粘度,以及所有添加液的密度与温度。
软胶囊工艺流程原辅料→溶胶、配料→制丸→定型→洗丸→干燥→拣丸→内包装→外包装→装箱→入库软胶囊(Soft Capsule)自1935年问世以来已成为目前临床应用最广泛的药用制剂之一。
许多油状,液状甚至膏状原料药均可加工成软胶囊剂。
世界各国已上市的各类软胶囊制剂多达数百种,其中包括VE软胶囊、月见草软胶囊、多烯康软胶囊、深海鱼油软胶囊等常用的品种和形形色色的保健品制剂软胶囊(如鱼肝油软胶囊、锯叶棕油软胶囊等等)。
软胶囊特点:软胶囊剂型是指继片剂、硬胶囊、针剂等后发展起来的一种新剂型,能将油状功能性物质、功能性物质溶液或功能性物质粉末定量压注并包封于胶膜内,形成大小、形状各异的密封胶囊。
软胶囊具有可以掩盖不良气味,减少刺激性,稳定性高,抗氧化,服用方便,生物利用度高等特点。
软胶囊剂的优势在于:1. 崩解后在肠道内直接吸收、无须溶解过程,吸收快2. 软胶囊含量准确3. 生物利用度高,减少患者的服用剂量4. 功能物质稳定性好,不易氧化和吸潮5. 密封性好,遮盖药物的不良气味6. 服用翻遍,外观美观,受人欢迎另外,软胶囊还可以根据不同需要生产成各种不同的,受人欢迎的颜色和形状,以达到稳定功能性成分和易于辨识品种或予以顾客精神欣慰的目的。
目前,国内生产的软胶囊剂型从临床上可以分为咀嚼型软胶囊、结肠荣软胶囊、肠荣软胶囊、速溶型软胶囊、口服胃溶软胶囊、缓释型软件囊、骨架软胶囊、包衣软胶囊、速效软胶囊、还有外用直肠胶囊、阴道胶囊以及眼用、皮肤用、耳鼻使用的管状软胶囊等.软胶囊制备工艺1. 软胶囊壳的性质和要求:软胶囊壳中所含成分中主要包括明胶,增塑剂、附加剂等物质。
明胶的质量除符合药典的要求外,还应符合凝胶强度(冻力)及粘度等项要求如冻力130―220Bloom粘度为8-12度,对吸湿性强的药物,宜采用冻力强度低的明胶。
遮蔽剂主要用二氧化钛,其用量为每千克明胶用2―12克。
可加入调味剂如5%蔗糖,能增加甜味,可口嚼,并调节硬度。
防腐剂用对羟基苯甲酸甲脂(1.6%)及对羟基苯甲酸并酯(0.04%)的混合物,囊壳干燥后含有一定量水分,一般为8%--14%。
胶壳软硬度与干明胶、增塑剂之间的重量比例直接有关。
常规产品一般按照甘油:明胶=30―40:100来制备,个别化妆品使用甘油:明胶=50―60:100来制备。
如甘油:明胶=25:100时,得到的干燥后的产品(14%含水量)非常硬,甚至于比硬胶囊还坚硬厚实的多;若干油:明胶=60:100时,产品(14%含水量)在一定时间内可以保持较软的状态。
软胶囊内容物的性质和要求
1)水溶性内容物
水溶性内容物需要借助于固体分散技术,可以将功能性物质经冻干法制成粉末,在分散到分子量为400―4000的PEG中形成淤浆体,然后在用明胶包覆成软胶囊。
以PEG400制成的软胶囊由于其干燥过程比较快,时间过长会使胶壳破裂,过短则会造成储存期软胶囊渗漏。
另外,PEG400对胶壳有硬化作用,加入5―10%的甘油或丙二醇可使硬度降低并改善PEG400对胶壳的溪水作用。
如果是使用2%或3%的PEG600或PVP30代替 PEG400时,可以阻止40摄氏度以下的温度依赖溶胶变性。
2)非水溶性内容物
难溶于水的药物用油(常用植物油)分散溶解,加入表面活性剂或其他吸收促进剂后制成软胶囊,其中的药物是以分子状态分散于油中,在体内油相因表面活性剂的作用,自发形成乳剂,经淋巴进入血液,不受首过效应的影响,因而产生较高的生物利用度。
使用聚甘油酯、蔗糖酯等表面活性剂,制成软胶囊剂可达到高效的而且具有较高的安全性,例如红霉素硬脂酸酯加入聚甘油酯后其生物利用度也较普通制剂高若干倍。
3. 软胶囊的崩解
影响软胶囊崩解时限的因素很多,如内容物的组成和性质,明胶的勃鲁姆(bloom)力,胶壳组分、含水量、厚度及加工储存条件等都可能影响崩解。
最近几年,在国内根据不同的实验方法的出入下结论:
1)勃鲁姆(bloom)力越低,溶解速率越高;反之勃鲁姆(bloom)力越高溶解速率越低。
焦炭标样2)由较薄的胶皮制备的胶囊由较快的表观溶解度
3)在标准软胶囊配方中添加1%的酸式盐和无机酸,有机酸可以引起溶解速率常数的最大变化,这可能是由于明胶中多肽酶的酸解所致。
也有报道说由于内容物中醛类和碱性物质能使明胶鞣化,如添加1%丁二烯酸或10% 柠檬酸和6%山梨醇(甘油20%)或10%山梨醇可以增进焦渴的溶解性或有助于防止明胶鞣化。
另外,软胶囊中含有的防腐剂、脂肪类物质和聚乙烯类化合物,如聚乙二醇、聚乙二醇醚、脂肪醇或酚、聚氧乙烯甘油和非离子表面活性剂(吐温、不饱和脂肪酸酯等),会发生自氧化反应形成醛,是明胶鞣化。
PEG中极易含有甲醛和乙醛,使用时有必要检查其含醛量。
在PEG中加入5%-10%的甘油或丙二醇可以减少硬化作用,加入焦亚硫酸钠或甘氨酸可以减少醛类物质含量。
注意:甘油和山梨醇两种增塑剂能增大明胶自氧化作用,但不会诱导PEG中醛类物质的产生。
低分子醛类对崩解影响较大,而明胶自氧化胶联队崩解影响较小。
软胶囊崩解迟缓现象是两种现象综合作用的结果。
4)在胶液中加入5%明胶量的PEG-400可以缩短崩解时间。
5)胶壳的含水量与崩解时间成正比。
当胶壳的含水量由20%降到10%左右时,崩解时间可缩短一半。
6)明胶的氧化加速胶壳的老化,在胶液或内容物中加入少量的抗氧化剂如甘氨酸或焦亚硫酸钠等可以算段崩解时间。
7)在37―40 度时胶壳存在一个胶原胶束变性的临界温度,如长期处于40度时,崩解时间明显延长。
煤标准物质
8)在软胶囊中加入环糊精可改善软胶囊的崩解
9)胶壳含水量<9%的胶囊适于口服,在胃肠道中易溶解
10)强烈的紫外线或可见光照射会加快明胶变化,导致体外溶出速率降低。
如光照同时湿度较高,且明胶胶囊中含色素时该影响尤其显著。
软胶囊剂中可以填充各种油类或对明胶无溶解作用液体药物或混悬液,也可以填充固体药物。
软胶囊中填充固体药物的混悬也是比较常见的,其中的药物粉末至少过80目筛。
混悬液的分散介质或PEG400,还应加入助悬剂,对于油性基质加入的助悬剂为2―10%石蜡混合物;对于非油性基质,常采用1-15%PEG6000。
在压丸过程中需要不断的搅拌,是装量精确度提高,含量均匀度亦可保持在1-2%以内。