环境影响评价专家意见及评分表
- 格式:docx
- 大小:13.54 KB
- 文档页数:3
关于提高环境影响评价文件评审质量的指导意见(暂行)为提高环境影响评价文件的评审质量,规范本市建设项目环境影响评价文件的专家评审行为,确保环境影响评价文件达到本市各级环保行政主管部门的审查要求,制定《关于提高环境影响评价文件评审质量的若干意见》(以下简称《指导意见》)。
一、市环保局根据环境影响评价文件(以下简称“环评文件”)的审批要求,组建环评文件评审专家库。
专家库管理办法由市环保局另行制定。
二、建设单位或受委托的环境影响评价机构(以下简称“评价机构”)召开环评文件专家评审会之前,可商相应环保部门从专家库中挑选相关专业的专家。
任何建设单位、评价机构或个人都不得指定专家或干预专家的选取工作。
三、环评文件专家评审会的专家一般不得少于5人组成,并根据建设项目的特点安排相关专业领域的专家。
市政基础设施、特殊行业、可能存在重大环境风险和影响的建设项目,应适当增加专家名额。
四、环评文件专家评审会一般由建设单位负责组织落实,由专家组长负责主持,可商环保部门提出评审重点和评审要求。
五、参加评审会的专家应以客观、公正的态度对环评文件进行评审,不受建设单位、评价机构、个人或相关部门的干扰,为环评文件评审工作提供真实、可靠的评审意见和评分分值。
六、市政基础设施、特殊行业、可能存在重大环境风险和影响的建设项目,建设单位和评价机构必须在环评文件专家评审会之前组织专家进行现场踏看,全面介绍项目情况和周围敏感目标的现状。
七、为便于专家有充足的时间了解项目情况和环评文件的内容。
评价机构应至少在环评文件专家评审会召开3天前,将环评文件和“环境影响评价文件专家评审意见表”(见附件)送到参加评审会的专家手中。
八、参加环评文件专家评审会的专家应根据自身的知识领域和范围,对环评文件中的各章节和相关内容进行重点评审,形成书面评审意见(应尽可能提供电子版本),并同时根据“环境影响评价文件专家评审意见表”中的评审重点对环评文件进行评分。
九、专家组组长应根据各位专家的意见,汇总形成环评文件书面评审意见,书面评审意见应包括以下主要内容:1、会议情况以及项目概况;2、水环境影响分析和措施的可行性;3、大气环境影响分析和措施的可行性;4、噪声和振动影响分析和措施的可行性;5、生态环境影响分析和措施的可行性;6、公众参与的情况以及分析;7、环评文件的编制质量和结论的可靠性;8、环评文件主要修改和完善的内容。
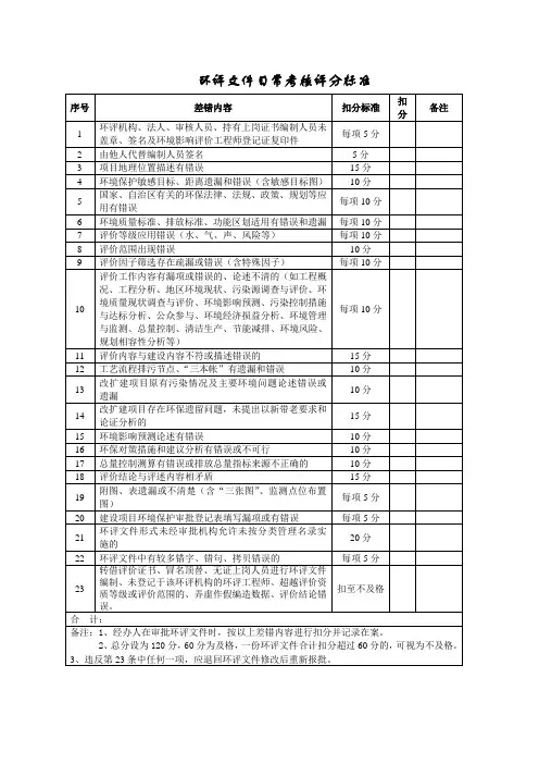
评审主要内容及意见
环境影响报告表专家评审意见及评分表
1建设项目是否符合国家及河南省相关产业政策要求;
2、建设项目选址、选线是否可行:是否符合有关法律、法规要求;是否符合区域总体规划、经济发展规划和当地环境功能区划、生态规划;环境容量是否满足项目建设需要;
3、建设项目所在地主要环境问题;环境敏感目标等判定是否准确;
4. 建设项目组成是否完整,评价内容、评价等级、评价范围、评价标准等判定是否准确,是
否符合《环境影响评价技术导则》的要求;
5、工程概况是否清楚,工程分析是否透彻;污染源强是否准确,改扩建项目“三本帐”
是否清楚;各种平衡是否准确;非污染生态项目主要环境问题分析是否准确、全面,无大的遗漏;
6、现状调查点位的数量、布设是否合理,调查内容、频率、时间是否符合《环境影响评
价技术导则》的要求;现状监测是否是由有资质单位进行;引用的数据、资料是否清楚、准确,是否明确了引用的数据、资料来源和时间;
7、环境现状分析评价内容是否全面,评价方法是否合理,评价结果是否准确、可
信;
8采用的预测模式(方法)、参数的选择是否合理、正确,预测内容是否完整, 预测评价结果是否准确、可信;防护距离计算、选择是否准确、可靠
9、环境事故风险分析评价内容是否全面,采用的预测方法、模式是否合理、正确,
预测结果是否准确、可信,应急处理措施和对策分析是否合理、可行;
10、环境保护对策、治理措施、生态保护措施等是否具有科学性和可操作性,技术、
经济论证是否准确,是否可以作为环境保护监督管理的依据;环保措施及竣工验收一览表是否完整;。
1.0适用范围:
适用于环境初始评价和经常性的环境影响评价。
2.0环境影响评价主要基于以下三个方面:
●环境影响发生的频次(A)——由高至低依次得分为4、3、2、1
●环境影响结果的重大性(B)——由高至低依次得分为4、3、2、1
●环境影响的受控状况(C)——由完全受控至完全不受控得分为1、2、3、4
3.0环境影响评价标准
4.0环境影响评价得分计算方法:
按下式计算境影响评价综合得分(D):
D=A×B×C
5.0综合评价结果
环境因素评价满足下列条件之一,则被确定为重大环境因素,并加以控制:(1)违反环境法律法规或其他要求;
(2)环境影响评价综合得分(A×B×C)高于6分(不含6分)的环境因素; (3)环境影响结果的重要性(B)达到4分的环境因素。
(4)节约能源、资源类根据实际情况可直接认定为重大环境因素。
6.0说明:
6.1该评分标准在实际运行过程中允许作适当的调整。
6.2具体是否要进行环境改善要根据具体的环境影响结果而确定。
6.3在执行过程中要充分地考虑法律法规及相关方的要求。
6.4当环境因素发生变化时,上述评分表可作出适当调整,以适应变化的需要。
编制:审核:批准:日期:。
建设项目环境影响报告书(表)专家评审意见表评审主要内容及意见1、建设项目是否符合国家及本省产业政策要求;2、建设项目选址、选线是否可行:是否符合有关法律、法规要求;是否符合区域总体规划、经济发展规划和当地环境功能区划、生态规划;环境容量是否满足项目建设需要;3、建设项目有那些主要环境问题;环境敏感目标等判定是否准确;4.建设项目组成是否完整,评价内容、评价等级、评价范围、评价标准等判定是否准确,是否符合《环境影响评价技术导则》的要求;5、工程概况是否清楚,工程分析是否透彻;污染源强是否准确,改扩建项目“三本帐”是否清楚;各种平衡是否准确;非污染生态项目主要环境问题分析是否准确、全面,无大的遗漏;6、现状调查站位的数量、布设是否合理,调查内容、频率、时间是否符合《环境影响评价技术导则》的要求;现状监测是否是由有资质单位进行;引用的数据、资料是否清楚、准确,是否明确了引用的数据、资料来源和时间;7、环境现状分析评价内容是否全面,评价方法是否合理,评价结果是否准确、可信;8、采用的预测模式(方法)、参数的选择是否合理、正确,预测内容是否完整,预测评价结果是否准确、可信;9、环境事故风险分析评价内容是否全面,采用的预测方法、模式是否合理、正确,预测结果是否准确、可信,应急处理措施和对策分析是否合理、可行;10、环境保护对策、治理措施、生态保护措施等是否具有科学性和可操作性,技术、经济论证是否准确,是否可以作为环境保护监督管理的依据;环保措施及竣工验收一览表是否完整;11、清洁生产分析是否合理、正确;是否满足清洁生产要求;12、总量控制(允许排放量计算等)分析是否合理,给出的污染物总量和污染物削减措施是否明确、合理;13、公众参与是否按规范进行;内容介绍是否客观真实,是否包含了工程主要环境影响问题,利益相关者比例是否合适,调查结果分析是否全面、合理;14、项目可行性:是否同意报告书的结论;是否同意工程建设,并阐述理由;15、图件、附件、计量单位是否规范;篇幅文字是否简练;项目登记表是否准确;16、报告书质量:报告书突出的优点和特点;报告书存在的主要问题和缺点;建议报告书修改、补充和完善的内容。
游客中心环境影响评价方法及过程描述声明:本文内容信息来源于公开渠道,对文中内容的准确性、完整性、及时性或可靠性不作任何保证。
本文内容仅供参考与学习交流使用,不构成相关领域的建议和依据。
一、环境影响评价因子识别与筛选方法选择(一)环境影响评价因子识别在进行游客中心项目的环境影响评价时,首要任务是识别出可能对环境产生影响的因子。
这些因子大致可以分为自然环境和社会环境两大类。
1、自然环境影响因子:包括地质、水文、气候、生物多样性等。
游客中心的建设可能会改变地形地貌,影响水文环境,例如导致水源减少、水质下降等。
同时,项目的建设也可能对当地气候产生微妙影响,如改变局地微气候。
对生物多样性的影响表现为可能导致动植物栖息地的丧失或碎片化。
2、社会环境影响因子:这主要包括人口迁移、文化影响、经济影响等。
游客中心的建设可能会引发当地居民的人口迁移,改变原有的社会结构。
对于文化方面,可能会带来文化冲击,使当地文化逐渐趋同于外来文化。
经济方面则可能表现为就业机会的增加,但也可能导致当地物价的上涨。
(二)环境影响评价因子筛选方法识别出影响因子后,需要采用科学的方法对这些因子进行筛选,以确定哪些因子对项目的影响最大,从而优先进行管理和控制。
常用的筛选方法包括专家评估法、矩阵法和层次分析法等。
1、专家评估法:邀请相关领域的专家,根据他们的经验和知识,对环境影响因子进行评估和排序。
这种方法简单易行,但结果受专家主观因素影响较大。
2、矩阵法:将影响因子和受影响的环境要素分别列为矩阵的行和列,然后通过评分的方式确定每个因子对环境的影响程度。
这种方法可以量化地表达影响因子的重要性,但评分过程可能受到评分者主观偏见的影响。
3、层次分析法:通过建立层次结构模型,将影响因子按照其重要性和影响程度进行分层,然后利用数学方法计算出各层因子的权重,从而确定关键影响因子。
这种方法结合了定性和定量分析,结果相对客观可靠。
(三)方法选择与应用在实际操作中,应该根据项目的特点和当地的环境状况,选择合适的评价因子筛选方法。
环境影响评价表是环境影响评价的一种常用工具,用于评估项目、活动或政策对环境可能产生的影响。
它通常包括以下内容:
1.项目概述:简要描述项目的名称、地点、规模、目的等。
2.环境现状:描述项目所在地的环境状况,包括空气、水、土壤等方面。
3.环境影响分析:分析项目实施可能对环境产生的积极和消极影响,包括空气质量、水质、生态系统、噪音、土地利用等方面。
4.环境保护措施:提出为减少或消除环境影响而采取的措施,如污染控制设备、生态保护措施、环境管理计划等。
5.监测与评估:建议建立监测机制,以评估项目实施过程中环境影响的变化。
6.结论与建议:总结环境影响评价的结果,提出建议和改进措施。
环境影响评价表的编制需要依据相关法律法规和标准,并通常由专业的环境影响评价机构或专家完成。
它的目的是为了在项目实
施前发现潜在的环境问题,并采取相应的预防和缓解措施,以保护环境和可持续发展。
环境影响评价报告表一、项目概况。
本项目位于XX市XX区,总占地面积XXX平方公里,主要包括XXX工程、XXX工程和XXX工程。
项目总投资XXX亿元,预计建设周期为XX年。
二、环境影响评价的目的和意义。
环境影响评价是对新建、扩建、改建项目在建设和运行过程中可能对环境产生的影响进行系统评价和预测,以及提出环境保护措施和环境管理建议的过程。
本次环境影响评价的目的是全面了解项目对周边环境的影响,为项目建设和运行提供科学依据,保障环境质量,维护生态平衡,促进可持续发展。
三、环境影响评价的内容和方法。
本次环境影响评价主要包括对大气、水、土壤、噪声、生态等方面的影响进行评价。
评价方法主要包括实地调查、监测分析、模型模拟、专家论证等。
通过对项目建设和运行过程中可能产生的各种环境影响进行评价,全面了解项目对环境的影响程度和范围。
四、环境影响评价的主要结论和建议。
经过评价,得出以下主要结论和建议:1. 项目建设和运行过程中对大气、水、土壤等环境的影响较小,符合国家相关环境标准和法规要求;2. 项目建设和运行过程中可能产生的噪声影响较大,需要采取有效控制措施,减少对周边居民的影响;3. 项目对周边生态环境的影响较小,但仍需加强生态保护和修复工作,确保生态平衡和物种多样性。
五、环境影响评价的风险防范措施。
为减少环境影响,保护生态环境,确保项目建设和运行过程中的安全稳定,我们提出了以下风险防范措施:1. 严格控制大气污染物排放,采用清洁能源,减少对大气环境的影响;2. 加强噪声治理,采取隔离、降噪等措施,减少对周边居民的噪声影响;3. 加强生态保护,严格控制土地开发,保护植被和野生动物栖息地。
六、环境影响评价的实施计划。
为确保环境影响评价的顺利实施,我们制定了详细的实施计划,包括调查研究、监测分析、专家评审等环节,确保评价结果的科学性和可靠性。
七、环境影响评价的社会效益。
本次环境影响评价的社会效益主要体现在以下几个方面:1. 保障公众知情权,提高社会公众对环境保护的意识和参与度;2. 促进环境保护技术的发展和应用,推动环境保护产业的发展;3. 为政府决策提供科学依据,促进项目建设和运行的可持续发展。
建设项目环境影响报告书(表)专家评审意见表评审主要内容及意见1、建设项目是否符合国家及本省产业政策要求;2、建设项目选址、选线是否可行:是否符合有关法律、法规要求;是否符合区域总体规划、经济发展规划和当地环境功能区划、生态规划;环境容量是否满足项目建设需要;3、建设项目有那些主要环境问题;环境敏感目标等判定是否准确;4.建设项目组成是否完整,评价内容、评价等级、评价范围、评价标准等判定是否准确,是否符合《环境影响评价技术导则》的要求;5、工程概况是否清楚,工程分析是否透彻;污染源强是否准确,改扩建项目“三本帐”是否清楚;各种平衡是否准确;非污染生态项目主要环境问题分析是否准确、全面,无大的遗漏;6、现状调查站位的数量、布设是否合理,调查内容、频率、时间是否符合《环境影响评价技术导则》的要求;现状监测是否是由有资质单位进行;引用的数据、资料是否清楚、准确,是否明确了引用的数据、资料来源和时间;7、环境现状分析评价内容是否全面,评价方法是否合理,评价结果是否准确、可信;8、采用的预测模式(方法)、参数的选择是否合理、正确,预测内容是否完整,预测评价结果是否准确、可信;9、环境事故风险分析评价内容是否全面,采用的预测方法、模式是否合理、正确,预测结果是否准确、可信,应急处理措施和对策分析是否合理、可行;10、环境保护对策、治理措施、生态保护措施等是否具有科学性和可操作性,技术、经济论证是否准确,是否可以作为环境保护监督管理的依据;环保措施及竣工验收一览表是否完整;11、清洁生产分析是否合理、正确;是否满足清洁生产要求;12、总量控制(允许排放量计算等)分析是否合理,给出的污染物总量和污染物削减措施是否明确、合理;13、公众参与是否按规范进行;内容介绍是否客观真实,是否包含了工程主要环境影响问题,利益相关者比例是否合适,调查结果分析是否全面、合理;14、项目可行性:是否同意报告书的结论;是否同意工程建设,并阐述理由;15、图件、附件、计量单位是否规范;篇幅文字是否简练;项目登记表是否准确;16、报告书质量:报告书突出的优点和特点;报告书存在的主要问题和缺点;建议报告书修改、补充和完善的内容。