排水管隐蔽工程验收记录
- 格式:xls
- 大小:31.50 KB
- 文档页数:1
室内排水管隐蔽验收记录一、引言室内排水管隐蔽验收是建筑工程中的重要环节之一,对于保障建筑物正常使用和居民生活质量起着至关重要的作用。
本文将详细记录室内排水管隐蔽验收的过程和结果,并对相关问题进行讨论和解决。
二、验收前准备工作1. 确定验收范围:根据设计图纸和施工方案,明确本次验收的室内排水管道范围,包括主管道、分支管道、下水道等。
2. 验收工具准备:准备好测量工具、检测仪器、验收表格等必要工具和设备。
三、验收过程1. 室内排水管道布置检查:检查排水管道布置是否符合设计要求,是否存在交叉、交错、过分弯曲等情况。
2. 管道材料验收:对所使用的排水管道材料进行验收,包括检查材料的规格、材质、外观等是否符合要求。
3. 管道连接验收:检查管道连接是否牢固,是否存在漏水、渗水等情况。
4. 排水口验收:检查排水口是否设置正确,排水口位置是否合理,是否存在堵塞情况。
5. 排水管道施工质量检查:对排水管道施工质量进行检查,包括管道的坡度、平整度、焊接等是否符合相关标准。
6. 隔音效果检查:检查排水管道的隔音效果,是否存在噪音传播的问题。
7. 防腐处理验收:对需要进行防腐处理的排水管道进行验收,确保防腐处理工作符合要求。
8. 防水层验收:对排水管道穿越防水层的部分进行验收,确保防水层没有破坏。
四、验收结果与问题讨论1. 验收结果总结:根据对每个环节的验收结果进行总结,判断室内排水管道的整体质量是否符合要求。
2. 问题讨论与解决:针对发现的问题,进行讨论和解决,包括责任追究、整改措施等。
五、结论本次室内排水管隐蔽验收工作按照规定的程序进行,对排水管道的布置、材料、连接、施工质量等进行了全面的检查和评估。
经过验收结果的分析和问题的讨论,确认排水管道的质量符合要求,并对存在的问题提出了相应的解决方案。
通过本次验收,为后续的工程进展提供了有力的保障。
六、参考文献[1] 建筑工程排水设计规范. GB 50014-2018.[2] 建筑给水排水工程施工及验收规范. GB 50242-2002.。
给排水隐蔽工程验收记录一、项目概述给排水隐蔽工程是建设项目中的重要组成部分,验收工作的目的是确保工程质量符合相关标准和规范要求,保证工程的安全和可靠运行。
本文档是对给排水隐蔽工程验收工作的记录和总结。
二、验收时间与地点本次给排水隐蔽工程验收工作于20XX年XX月XX日在工程现场进行。
三、参与单位本次验收工作由以下单位参与:1. 甲方:xxxx公司2. 乙方:xxxx建筑工程有限公司四、验收内容1. 隐蔽工程设计文件的审查在验收前,对隐蔽工程设计文件进行了仔细审查,确保其符合相关标准和规范要求。
2. 材料与设备验收乙方按照设计文件提供的要求,采购了符合质量要求的给排水相关材料与设备,并在验收过程中进行了检测和评估,确保其质量可靠。
3. 施工工艺与质量验收乙方按照施工图纸和工程规范对给排水隐蔽工程进行了施工,并对施工过程中的工艺操作和质量要求进行了把关。
本次验收重点检查了以下内容:- 管道铺设:验收了给排水管道的正确布置、连接牢固性及施工工艺是否符合规范要求。
- 防水处理:验收了隐蔽工程中的防水处理措施,包括防水层涂刷质量是否合格、接缝处理是否严密等。
- 消防设施:验收了隐蔽工程中的消防设施安装质量,确保满足消防安全的要求和规范。
- 检测设备:验收了给排水系统中的检测设备安装质量,保证设备的稳定性和准确性。
4. 隐蔽工程竣工验收在给排水隐蔽工程的施工中,各项工程量和工艺过程符合设计要求,质量和安全符合标准和规范要求。
五、验收结论根据对给排水隐蔽工程的全面检查和评估,经过甲乙双方的共同确认,本次给排水隐蔽工程验收结果为合格。
六、存在问题与建议在本次给排水隐蔽工程验收过程中,发现了一些问题,并提出以下建议:1. 针对某些工艺细节的问题,如管道连接处的密封处理需要进一步加强,并加强相关工艺人员的技术培训。
2. 部分材料尚未按照设计文件要求的品牌和型号使用,需要及时更换以确保质量。
3. 建议乙方在施工过程中加强对于隐蔽工程的监督和检查,确保各项施工工艺和质量要求符合标准和规范。
编号:T03-37—02—001 YBJLⅠ—8-1
编号:T03—37-02-002 YBJLⅠ—8-1
编号:T03-37-02—003 YBJLⅠ—8-1
编号:T03—37—02-004 YBJLⅠ-8—1
编号:T03—37-02—005 YBJLⅠ-8-1
编号:T03—37-02-006 YBJLⅠ—8—1
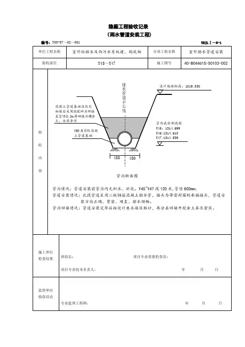
隐蔽工程验收记录
(雨水管道安装工程)
编号:T03-37-02—007 YBJLⅠ—8—1
隐蔽工程验收记录
(雨水管道安装工程)
编号:T03—37-02—008 YBJLⅠ—8-1
隐蔽工程验收记录
(雨水管道安装工程)
编号:T03—37-02-009 YBJLⅠ-8-1
隐蔽工程验收记录
(雨水管道安装工程)
编号:T03-37—02-010 YBJLⅠ—8-1
隐蔽工程验收记录
(雨水管道安装工程)
编号:T03—37-02—011 YBJLⅠ-8—1
隐蔽工程验收记录
(雨水管道安装工程)
编号:T03-37—02—012 YBJLⅠ-8-1
隐蔽工程验收记录
(雨水管道安装工程)
编号:T03-37-02-013 YBJLⅠ—8-1
隐蔽工程验收记录
(雨水管道安装工程)
编号:T03-37-02—014 YBJLⅠ—8—1
隐蔽工程验收记录
(雨水管道安装工程)
编号:T03—37—02—015 YBJLⅠ-8-1
隐蔽工程验收记录
(雨水管道安装工程)
编号:T03—37-02-016 YBJLⅠ—8-1
隐蔽工程验收记录
(雨水管道安装工程)
编号:T03-37—02—017 YBJLⅠ—8—1。
给排水消防管道工程隐蔽验收记录项目名称:排水、消防管道工程工程地点:(填写具体地址)工程编号:(填写具体编号)日期:(填写具体日期)一、验收目的为了确保排水、消防管道工程的质量和安全性,按照相关规范和要求,进行隐蔽验收,以确认施工过程是否符合设计要求,工程质量是否达到验收标准。
二、验收内容1.施工单位要提供完整的工程设计文件和施工图纸,并根据实际施工情况进行记录。
2.验收人员对排水、消防管道的安装质量进行检查和评估,包括管道安装是否好,连接是否牢固,管道的坡度是否符合设计要求等。
3.对管道的材料进行检查,确认是否符合相关标准和要求。
4.检查施工现场是否整洁,安全措施是否到位。
三、验收过程1.开始验收前,施工单位要对隐蔽部位进行检查和清理。
2.检查管道连接点的密封情况,确保连接处没有漏水现象。
3.检查管道的坡度,测量管道是否符合设计要求。
4.检查管道的安装是否符合设计图纸,确认管道支架是否牢固。
5.检查管道的材料,确认材料的品质和规格是否符合要求。
6.检查施工现场的安全措施,确认是否到位。
7.检查其他相关设备的安装情况,如泵、阀门等。
8.对以上检查过程进行记录,包括检查时间和结果。
四、验收结论根据以上的隐蔽验收过程1.排水、消防管道的安装和连接质量符合设计要求和标准。
2.管道的坡度符合设计要求,能够实现正常的排水功能。
3.施工现场整洁,安全措施到位。
4.管道的材料符合相关标准和要求。
五、存在问题及处理措施根据隐蔽验收过程中发现的问题,需要采取相应的处理措施:1.对于发现的材料不符合要求的情况,施工单位要进行替换或补充。
2.如发现管道连接点存在漏水情况,要及时采取修补措施。
3.对于未能满足设计要求的管道坡度,要进行重新调整。
4.其他存在的问题要及时记录,并根据实际情况采取相应的处理措施。
六、备注(填写需要备注的事项)以上就是对排水、消防管道工程隐蔽验收的记录,根据实际情况和具体要求,可以进行相应调整。
排水管沟隐蔽工程检查记录一、基本信息工程地点:(填写具体地址)施工单位:(填写施工单位名称)检查时间:(填写具体日期)二、检查内容1.排水管材料检查a.检查排水管材料是否符合设计要求;b.检查排水管材料是否有破损、变形等情况;c.检查排水管材料连接处是否牢固。
2.排水管沟开挖检查a.检查排水管沟开挖深度是否符合设计要求;b.检查排水管沟开挖宽度是否符合设计要求;c.检查排水管沟底部是否平整、无松动物料。
3.排水管铺设检查a.检查排水管是否按照设计要求进行正确的安装;b.检查排水管铺设高程是否符合设计要求;c.检查排水管铺设的水平度是否合理。
4.排水管连接检查a.检查排水管连接是否牢固、密封;b.检查排水管连接处是否存在渗漏现象。
5.排水管起止点检查a.检查排水管起止点位置是否正确;b.检查排水管起止点的高程是否符合设计要求;c.检查排水管起止点与其他构筑物的连接情况。
6.排水管沟地基处理检查a.检查排水管沟底部地基是否经过充实、加固;b.检查排水管沟底部地基是否平整。
7.排水管沟回填检查a.检查排水管沟回填是否符合设计要求;b.检查排水管沟回填是否紧密、均匀。
8.其他问题(如果有其他需要检查的问题,请在此列出,并进行具体检查)三、检查结果根据对排水管沟隐蔽工程的检查,得出以下结果:1.检查内容1的检查结果。
2.检查内容2的检查结果。
3.检查内容3的检查结果。
4.检查内容4的检查结果。
5.检查内容5的检查结果。
6.检查内容6的检查结果。
7.检查内容7的检查结果。
8.其他问题的检查结果。
四、存在问题及处理措施根据检查结果,总结存在的问题,并提出相应的处理措施。
五、工程质量评定根据检查结果和问题处理情况,对排水管沟隐蔽工程进行工程质量评定,并给出评级(优、良、中、差)。
六、检查人员检查人员1:(填写姓名和职务)检查人员2:(填写姓名和职务)七、备注(在此可以备注一些重要的信息或特殊情况)八、附件。
至
专业工长(施工员签名)
检测调试负责人签名
相关施工图名称及其图号
卫生间给排水大样图2019年09月17日
项目专业监理工程师
(建设单位项目专业负责人)签名:
年 月 日
项目专业质检员签名:
2019年09月17日
《建筑给水排水及采暖工程质量验收规范》GB50242-2002
XXX ∕
施工图纸
XXX有限公司
质量验收依据文件
名称及编号XXX工程
分包单位
施工单位项目负责人项目负责人
∕
简介隐蔽工程范围(内容)/隐蔽方式/施工方法/隐蔽前已进行的检测调试项目及其结果(根据具体情况和需要,可附相关的示图、照片和附页、附表等作说明):
所在的施工部位
排水
隐蔽工程验收记录(通用表式二)
分部/子分部/分项(或系统/子系统)建筑给水排水及供暖/室内排水系统/排水管道
及配件安装
GD-C5-7124检验批编号
GD-C4-611/12019年09月17日
单位(子单位)工程名称施工依据文件名称及编号监理(建设)单位验收综合结论
自查合格,符合设计要求。
排水套管预埋
1、排水管道采用PVC-U排水管;
2、管道采用胶粘接;
3、排水管道安装位置等符合设计图纸及施工规范规定要求;
4、隐蔽前试验结果符合规范规定要求。
验收时间
施工单位检查评定综合结果。
管道隐蔽工程验收记录为了确保管道隐蔽工程的质量和安全,经过前期的施工准备和管道敷设工作,现组织相关人员进行验收。
本次隐蔽工程涉及的管道种类有水管、排水管、天然气管等,下面将详细记录验收过程和结果。
1.施工过程回顾在进行隐蔽工程前,施工单位按照设计文件要求制定了详细的施工方案和施工工序,并进行了材料清单和数量的核对。
施工过程中,施工单位按照规定的施工工艺和要求实施施工,严格按照标高、坡度等要求进行敷设。
2.管道安装验收2.1水管验收水管的敷设工作已经完成,现进行验收。
首先进行了水管的外观检查,确认水管的表面光滑,无明显缺陷和损伤。
其次进行了水管连接件的检查,检查了连接件的紧固情况和密封性。
最后对水管进行了层高检查,测量了管道与地面的距离来验证施工的准确性和符合设计要求。
2.2排水管验收排水管的敷设工作已经完成,现进行验收。
首先进行了排水管的外观检查,确认排水管的表面光滑,无明显缺陷和损伤。
其次进行了排水管连接件的检查,检查了连接件的紧固情况和密封性。
最后对排水管进行了倾斜度检查,测量了管道的倾斜度来验证施工的准确性和符合设计要求。
2.3天然气管验收天然气管的敷设工作已经完成,现进行验收。
首先进行了天然气管的外观检查,确认天然气管的表面光滑,无明显缺陷和损伤。
其次进行了天然气管连接件的检查,检查了连接件的紧固情况和密封性。
最后对天然气管进行了连通性测试,确保管道正常通气。
3.隐蔽工程验收隐蔽工程指管道敷设后的管道组合被覆盖或隐藏。
隐蔽工程验收主要包括管道敷设过程的记录、验收人员的成员及资格限制、管道无损检测记录等。
在本次隐蔽工程的验收过程中,施工单位按照相关规范和标准对管道进行了无损检测,并编制了相关验收记录。
4.验收结果经过详细的验收过程,各类管道的敷设和连接工作均符合设计要求和相关规范的要求。
管道的质量可靠,连接紧密,无渗漏现象。
隐蔽工程验收记录完整、有序,无异常情况。
因此,本次管道隐蔽工程验收合格。
排水管隐蔽验收记录填写范例一、引言排水管隐蔽验收是建筑工程中非常重要的一环,它确保了排水系统的质量和安全性。
本文将提供一份排水管隐蔽验收记录填写范例,以帮助相关人员正确填写验收记录,确保工程质量。
二、验收记录填写范例以下是一份排水管隐蔽验收记录的填写范例,供参考:项目名称:XXX工程施工单位:XXX建筑公司监理单位:XXX监理公司验收日期:XXXX年XX月XX日1. 排水管材料验收情况:a) 主排水管材料:PVC管道,规格为XXmm,数量XX根,验收合格。
b) 支管材料:PVC管道,规格为XXmm,数量XX根,验收合格。
2. 排水管安装情况:a) 主排水管安装情况:- 安装位置:位于建筑物地下一层,沿墙面布置。
- 安装方式:按照设计要求进行安装,连接牢固,无明显变形或破损。
- 坡度要求:按照设计要求设置坡度,确保排水畅通。
- 固定方式:使用专用夹具固定,固定牢固可靠。
b) 支管安装情况:- 安装位置:位于建筑物各楼层,连接主排水管。
- 安装方式:按照设计要求进行安装,连接牢固,无明显变形或破损。
- 坡度要求:按照设计要求设置坡度,确保排水畅通。
- 固定方式:使用专用夹具固定,固定牢固可靠。
3. 排水管连接情况:a) 主排水管连接情况:- 连接方式:采用橡胶密封圈连接,连接紧密,无渗漏。
- 连接点数量:共XX个连接点,均符合要求。
b) 支管连接情况:- 连接方式:采用橡胶密封圈连接,连接紧密,无渗漏。
- 连接点数量:共XX个连接点,均符合要求。
4. 排水管保护情况:a) 主排水管保护情况:- 防腐措施:主排水管表面涂有防腐涂料,涂层均匀完整。
- 防护措施:主排水管设置防护层,防止外力损伤。
b) 支管保护情况:- 防腐措施:支管表面涂有防腐涂料,涂层均匀完整。
- 防护措施:支管设置防护层,防止外力损伤。
5. 其他情况:a) 排水管道标识:排水管道设置了清晰可见的标识,标识内容准确清晰。
b) 排水管道通风:排水管道设置了通风装置,确保排气畅通。
排水管隐蔽工程验收记录(室外排水管)排水管道安装隐蔽工程验收记录GD单位(子单位)工程名称子分部(系统)工程名称安装单位施工执行标准名称及编号施工图名称及图号隐蔽内容、部位及施工方法简介:1、施工部位:室外A×1-10轴雨水管2、隐蔽内容:排水管道安装,采用“广东联塑”牌,规格为:De250;3、施工方法:根据图纸确定管道的位置及走向,采用机械开挖管沟,底部用混凝土作垫层处理,管道按设计图纸的标高及坡度比安装,连接后做稳管处理,然后砌筑沙井。
管道做灌水试验和通水试验,然后使用人工石粉回填至管面2㎝处,将管道两侧夯实,再用机械回填土方。
广东省体育运动技术学院综合训练馆工程室外排水管网广州市第四建筑工程有限公司分项工程名称项目经理排水管道安装麦锦标广州市修建集团有限公司《修建电机设备安装工艺尺度》首层给排水平面图(S-4改1)示图或说明:按首层给排程度面图(S-4改1)进行施工,经进行管道注水实验,管接口无渗漏,通顺、无阻塞,合格,安装符合设计及施工规范要求,可以隐蔽。
专业工长(施工员)安装单位检查评定结果经检查,符合设计及施工规范要求。
(公章)项目专业质量检查员:年月日监理(建设)单位验收结论(公章)专业监理工程师(建设单元项目专业技术负责人):年月日测试人员:排水管道安装隐蔽工程验收记录GD单位(子单位)工程名称子分部(系统)工程名称安装单位施工执行标准名称及编号施工图名称及图号隐蔽内容、部位及施工方法简介:1、施工部位:室外10×A-J轴污水管2、隐蔽内容:排水管道安装,采用“广东联塑”牌,规格为:De2003、施工方法:根据图纸确定管道的位置及走向,采用机械开挖管沟,底部用混凝土作垫层处理,管道按设计图纸的标高及坡度比安装,连接后做稳管处理,然后砌筑沙井。
管道做注水实验和通水实验,然后使用野生石粉回填至管面2㎝处,将管道两侧夯实,再用机械回填土方。
广东省体育运动技术学院综合训练馆工程室外排水管网广州市第四修建工程有限公司分项工程名称项目经理排水管道安装麦锦标广州市建筑集团有限公司《建筑机电设备安装工艺标准》首层给排水平面图(S-4改1)示图或申明:按首层给排程度面图(S-4改1)进行施工,经进行管道注水实验,管接口无渗漏,通顺、无阻塞,合格,安装符合设计及施工规范要求,可以隐蔽。
工程编号:BD-074900WS22190003- Q/CSG表3-BJ2-1工程编号:BD-074900WS22190003- Q/CSG表3-BJ2-1工程编号:BD-074900WS22190003- Q/CSG表3-BJ2-1工程编号:BD-074900WS22190003- Q/CSG表3-BJ2-1工程编号:BD-074900WS22190003- Q/CSG表3-BJ2-1Q/CSG表3-BJ2-1隐蔽工程验收记录表工程编号:BD-074900WS22190003- Q/CSG表3-BJ2-1Q/CSG表3-BJ2-1隐蔽工程验收记录表工程编号:BD-074900WS22190003- Q/CSG表3-BJ2-1Q/CSG表3-BJ2-1隐蔽工程验收记录表工程编号:BD-074900WS22190003- Q/CSG表3-BJ2-1Q/CSG表3-BJ2-1隐蔽工程验收记录表工程编号:BD-074900WS22190003- Q/CSG表3-BJ2-1Q/CSG表3-BJ2-1隐蔽工程验收记录表工程编号:BD-074900WS22190003- Q/CSG表3-BJ2-1Q/CSG表3-BJ2-1隐蔽工程验收记录表工程编号:BD-074900WS22190003- Q/CSG表3-BJ2-1Q/CSG表3-BJ2-1隐蔽工程验收记录表工程编号:BD-074900WS22190003- Q/CSG表3-BJ2-1Q/CSG表3-BJ2-1隐蔽工程验收记录表工程编号:BD-074900WS22190003- Q/CSG表3-BJ2-1Q/CSG表3-BJ2-1隐蔽工程验收记录表工程编号:BD-074900WS22190003- Q/CSG表3-BJ2-1Q/CSG表3-BJ2-1隐蔽工程验收记录表工程编号:BD-074900WS22190003- Q/CSG表3-BJ2-1Q/CSG表3-BJ2-1隐蔽工程验收记录表工程编号:BD-074900WS22190003- Q/CSG表3-BJ2-1Q/CSG表3-BJ2-1隐蔽工程验收记录表工程编号:BD-074900WS22190003- Q/CSG表3-BJ2-1Q/CSG表3-BJ2-1隐蔽工程验收记录表工程编号:BD-074900WS22190003- Q/CSG表3-BJ2-1。