玻璃板液位计规格书
- 格式:xls
- 大小:53.50 KB
- 文档页数:2
玻璃液位计的规格型号一、产品介绍玻璃液位计是一种常用的工业测量仪器,主要用于测量液体在容器内的液位高度。
它由玻璃管、法兰、密封垫圈、导管和指示器等部分组成。
该产品具有结构简单、使用方便、精度高等特点,广泛应用于化工、石油、制药等领域。
二、规格型号1. 玻璃液位计型号:GL-1/2/3/4/5/6/7/8/92. 玻璃管长度:100-3000mm可定制3. 玻璃管直径:Φ25,Φ30,Φ40,Φ50,Φ60mm可选4. 法兰标准:HG20592-2009或ANSI B16.55. 密封垫圈材质:氟橡胶、丁晴橡胶或硅橡胶可选6. 导管材质:碳钢或不锈钢可选三、主要技术参数1. 测量范围:0-3000mm(可定制)2. 测量精度:±5mm3. 工作温度:-20℃~+200℃(氟橡胶密封垫圈)、-40℃~+250℃(丁晴橡胶密封垫圈)、-60℃~+200℃(硅橡胶密封垫圈)4. 工作压力:常温下≤4.0MPa,高温下≤1.6MPa5. 玻璃管材质:硼硅玻璃或钠钙玻璃可选6. 法兰材质:碳钢或不锈钢可选四、产品特点1. 结构简单,使用方便,易于安装和维护。
2. 精度高,测量范围广,可根据用户要求定制不同长度的玻璃管。
3. 密封性能好,密封垫圈采用氟橡胶、丁晴橡胶或硅橡胶可选。
4. 材料优质,玻璃管采用硼硅玻璃或钠钙玻璃可选,法兰和导管材质可根据用户要求定制碳钢或不锈钢。
5. 适用范围广泛,主要应用于化工、石油、制药等领域。
五、使用注意事项1. 安装前应检查产品是否完好,并确认法兰和导管的连接方式。
2. 玻璃管应避免受到冲击和振动,以免破裂。
3. 使用过程中应定期检查密封垫圈的状态,如发现有损坏或老化应及时更换。
4. 使用过程中应避免液体在玻璃管内产生气泡,以免影响测量精度。
5. 高温下使用时应注意防止玻璃管因温度变化而破裂。
六、包装及运输1. 包装:采用木箱或纸箱包装,内部填充泡沫塑料保护产品不受损坏。
反射式玻璃板液面计
4
结构和原理
仪表在上下阀上都装法兰连接,使保持法兰表面光洁,通过法兰与容器连接构成连通器,特过玻璃板或玻璃管,可直接读得容器内液位的高度。
在上下阀内都装有钢球,当玻璃板或玻璃管因意外事故破坏时,钢球在容器压力作用下,阻塞通道,这样容器便自动密封,可防止密封内的液体继续外流。
在仪表的阀端装有阻塞螺钉,可供取样用,或在检修时放出仪表中剩余液体使用。
1
玻璃管液位计
公司根据化工部JB/T9243-1999玻璃板,玻璃管液位计标准生产。
概述:
玻璃板、玻璃管液位计为直观液位测量仪表,用来直接或间接地指示各种塔、罐、槽、箱等容器的液面位置(油、水、酸、碱、盐等各种介质)仪表两端各装有一个针形阀,当玻璃管发生意外事故而破碎时,针形阀在容器压力作用下自动关闭,以防止容器内介质继续外流。
参数
1、法兰的公称直径DN20
2、法兰型式:A型—平面法兰HG5012-58
B型—凸面法兰HG5012-58
3、结构形式:“标准型”D—与“保温型”W
4、材料分类:Ⅰ(类材料)—碳钢
Ⅱ(类材料)耐酸不锈钢
主要技术指标:
1、工作压力≤16Kgf/cm2
2、工作温度≤200℃
3、针形阀的自动关闭压力≥2 Kgf/cm2
4、保温套蒸汽压力≤6Kg/cm2
2
玻璃板液位计标准系列
透光式玻璃板液位计
3。
化工压力容器用磁浮子液位计适用范围:本标准适用于化工压力容器磁悬浮子液位计标准及规范:GB/T 25153-2010液位计技术参数远传信号参数玻璃管液位计适用范围:本标准适用于指示化工,石油等工业设备液位的玻璃板液位计设计标准及规范:JB/T 9243-1999以下为具体参数,仅作参考。
可在制作PPT时,省略1.型式和基本参数1.1型式A. 透射式B.透射带蒸汽夹套式C.反射式D.反射带蒸汽夹套式E.反射带颈式F.反射带颈附衬里式G.反射嵌入式H.反射嵌入式附衬里式I.透射防霜式J.反射防霜式K.铸铁式L.衬胶式1.2基本参数1.2.1公称长度液位计的公称长度用上下连接法兰的安装中心距表示A.由玻璃板T280,R280组成的公称长度系列为:500,800,1100,1400,1700mm可视范围为:260,560,860,1160,1460mmB. 由玻璃板T320,R320组成的公称长度系列为:580,920,1260,1600,1940mm可视范围为:300,642,984,1326,2668mm1.2.2最高工作压力:液位计最高工作压力从下列数值中选取:0.6, 1.6, 2.5, 4.0,6.4,10.0,16.0,25.0MPA1.2.3最高(低)工作介质温度A.当液位计最高工作压力高于4.0MPA时,最高工作介质温度为:+200摄氏度B.当液位计最高工作压力低于或等于4.0MPA时,最高工作介质温度为:+250摄氏度C. 防霜式液位计工作介质的最低温度为—160摄氏度1.2.4关联尺寸A.液位计内框和玻璃板之间的密封面粗糙度应不低于6.3B.连接法兰的制造应符合GB/T2555的规定。
法兰密封面形状应符合GB/T2556的规定C.连接法兰的公称直径为:DN20D.坚固玻璃板用的螺栓,螺钉和螺母应采用GB/T197规定的中等级精度螺栓,螺钉和中等级精度六角螺母E.玻璃板应符合QB/T776的要求2.技术要求2.1除中文中有明确规定外,本标准对12中型式的液位计具有同样要求2.2液位计通液阀内应装有安全保护钢球2.3液位计应按照由规定程序批准的图样和技术文件制造2.4液位计及其零件的表面反腐覆盖层均应光洁完好,不得有剥落,划伤及影响外观的任何缺陷。
玻璃板式液位计标准
玻璃板式液位计是一种常用的液位测量仪器,广泛应用于化工、石油、制药等行业中。
作为一种重要的安全监测设备,其使用和维护需严格按照相关标准进行,以确保其准确可靠地工作。
本文将介绍玻璃板式液位计的标准,以及在使用和维护过程中需要注意的事项。
首先,玻璃板式液位计的标准主要包括其结构设计、材质选择、安装要求、使用规范、维护保养等方面。
在结构设计方面,标准规定了液位计的外形尺寸、材质要求、密封性能等,以确保其能够承受工作环境的压力和温度变化。
在材质选择方面,标准要求液位计的接触介质部分必须选用耐腐蚀、耐高温的材料,以确保其长期稳定地工作。
在安装要求方面,标准要求液位计必须安装在合适的位置,并且要进行严格的密封和固定,以确保其能够准确地测量液位。
在使用规范方面,标准要求用户必须按照说明书进行正确的操作,并且定期进行检查和校准,以确保其测量结果的准确性。
在维护保养方面,标准要求用户必须定期进行清洗和检查,以确保其工作状态良好。
其次,在使用玻璃板式液位计时,需要注意以下几点,首先,必须按照标准要求进行安装,确保其能够正常工作。
其次,在使用过程中,要定期对液位计进行检查和校准,以确保其测量结果的准确性。
最后,在遇到异常情况时,必须立即停止使用,并进行检修,以确保安全。
综上所述,玻璃板式液位计的标准是保证其安全可靠工作的重要保障,用户在使用和维护过程中必须严格按照相关标准进行,以确保其正常工作。
希望本文能够对玻璃板式液位计的标准有所了解,并能够正确使用和维护液位计,确保生产过程的安全。
SHS系列玻璃板式单/双色液位计安装使用说明书铁岭市仪器仪表制造厂TEL:0410-2602388FAX:2602366~~~~~~~~~~~~~~目录~~~~~~~~~~~~~~概述 (1)仪表显示原理 (1)主要技术参数 (2)型号确定及含义 (2)透射式玻璃板液位计的结构和参数 (3)反射式玻璃板液位计的结构和参数 (4)双色液位计(透射式) (5)双色液面计(反射式) (5)高压玻璃板液位计(透射式) (6)高压玻璃板液位计(反射式) (6)板式夹套型液面计 (7)大口径快速玻璃板式液位计 (7)防霜玻璃板液位计 (8)板式无盲区型液位计 (9)安装调试 (11)维 护 (12)概 述图1 图2主要技术参数①测量范围(中心距):330、440、500、600、670、800、1100、1400、1700、2500mm②工作压力:1.6、2.5、4.0、6.4 高压型:10、12、16、25、32、40 Mpa③工作温度:-20~200℃ 高温型:≤500℃④材质:碳钢,不锈钢,Mo2T⑤主要规格尺寸表:(单位:mm)视窗数 中心距 透光尺寸 可视范围盲区1 550 260X14 2602 850 260X14 560 453 1150 260X14 860 45X24 1450 260X14 1160 45X35 1750 260X14 1460 45X4型号确定及含义型号 规 格 意 义SHS 玻璃板式液位、界位指示仪表 X.X 工作压力:1.6,2.5,4.0,6.4T 透射式TY 透射式双色显示TB 透射式气红色,液本色显示R 反射式RY 反射式双色显示RB 反射式气红色,液本色显示- 普通型-W 无盲区式-JZ 带加热装置式(夹套型)-F 防霜式-BX 耐高温式-BG 耐高压式-BXG耐高温高压式-O 大口径快速-FO 大口径快速防霜式-GL 锅炉专用式-V 易冲洗式-L 带电光源(单色、双色、微功耗、长寿命)-En 电极型多功能式。
玻璃液位计规格参数1. 简介玻璃液位计是一种常用于工业领域的仪器,用于测量液体在容器中的高度。
通过透明的玻璃材料,可以直观地观察液体的位置,提供准确的液位数据。
2. 工作原理玻璃液位计的工作原理基于压力平衡原理。
当液体的液位变化时,液面上的压力也会随之变化。
玻璃液位计通过测量压力差来确定液位的高度。
3. 主要组成部分玻璃液位计的主要组成部分包括: - 玻璃管:透明的玻璃管用于观察液体的高度,并提供保护。
- 导管:连接液体容器和玻璃管的导管,用于输送液体。
- 闸阀:控制液体进入和排出的阀门。
- 压力表:用于测量压力变化,并转化为液位的高度。
- 支架:提供支撑和固定玻璃液位计的支架。
4. 规格参数玻璃液位计的规格参数通常包括以下几个方面:4.1. 额定工作条件•额定压力:指玻璃液位计所能承受的最大压力。
•额定温度:指玻璃液位计所能承受的最高温度。
•环境温度:指玻璃液位计正常工作时所处的环境温度范围。
4.2. 测量范围玻璃液位计的测量范围是指它能够测量的液位高度范围。
根据具体的应用需求,选择适合的测量范围非常重要。
4.3. 精度等级玻璃液位计的精度等级表示其测量结果与实际值之间的偏差范围。
通常用百分比表示,例如精度等级为±1%。
4.4. 材质玻璃液位计使用的材料应具备较高的透明度、耐腐蚀性和耐高温性能。
常见的材料包括玻璃、不锈钢等。
4.5. 接口规格玻璃液位计的接口规格用于与液体容器连接,通常包括进口和出口的口径尺寸。
确保接口规格与容器相匹配,以确保正常的液体流动。
5. 选型指南在选择玻璃液位计时,需要考虑以下几个因素: 1. 应用环境:根据应用环境的压力和温度要求选择合适的额定工作条件。
2. 测量需求:根据液位的测量范围和精度要求选择合适的规格参数。
3. 材质选择:根据液体的性质和容器环境的要求选择适合的材料。
4. 安装要求:根据容器的结构和空间要求选择合适的接口规格和尺寸。
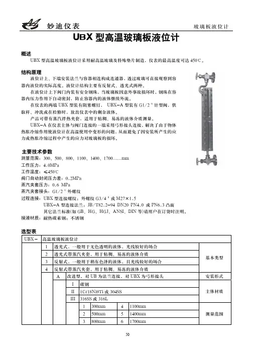
玻璃板液位计50UBX 型高温玻璃板液位计概述UBX 型高温玻璃板液位计采用耐高温玻璃及特殊垫片制造,仪表的最高温度可达450℃。
结构原理液位计上、下端安装法兰与容器相连构成连通器,透过玻璃可直接观察到容器内液位的实际高度。
液位计结构主要有反射式、透光式两种。
在液位计上下阀门内装有安全钢珠,当玻璃板因意外事故损坏时,钢珠在容器内压力作用下自动密封,防止容器内的液体继续外流。
在仪表的两端UBX 型装有阻塞螺钉, UBX-A 型装有G1/2"针型阀,供取样、冲洗或在检修时,放出仪表中的剩余液体。
产品可带有蒸汽拌热夹套,适用于粘稠、易冻的液体介质测量。
UBX-A 在仪表主体与阀门连接的一端采用弓形接头连接,解决了由于物体热胀冷缩作用使液位计在高温使用中变形的问题,从而避免了因安装所产生的应力或热胀冷缩过程中产生的应力对玻璃板的损坏。
主要技术参数测量范围:300、500、800、1100、1400、1700……mm工作压力:4.0MPa工作温度:≤450℃阀门自动封闭压力差:0.2MPa蒸汽夹套压力:0.6 MPa蒸汽夹套接头:G1/2"外螺纹过程连接:UBX 型连接螺纹:外螺纹G3/4"或M27×1.5UBX-A 型连接法兰:JB/T82.2-94 DN20 PN4.0 或PN6.3凸面其它法兰标准(如GB、HG、HGJ、ANSI、DIN 等)请用户在订货时注明。
接液材质:耐热碳素钢;不锈钢选型表UBX- 高温玻璃板液位计1 透光式,一般用于无色透明的液体,光线较好的场合2 透光式带蒸汽夹套,用于粘稠、易冻的液体介质3 反射式,一般用于稍有色泽的液体,且光线较好的场合4 反射式带蒸汽夹套,用于粘稠、易冻的液体介质基本类型 A 改进型,对UB 为法兰连接,对UBX 为弓形接头 安装形式 I 碳钢II 1Cr18Ni9Ti 或304SSIII316SS 或316L 主体材质 1 300mm4 1100mm 2 500mm5 1400mm3 800mm6 1700mm 测量范围。
HG5型玻璃管液位计一、HG5型玻璃管液位计概述:HG5型玻璃管液位计是按原化工部HG5-227-80标准生产的就地式液位测量仪表,它主要用于直接显示各种罐、塔、槽、箱等容器内介质液位的高度。
二、结构原理:仪表上下阀都装有PN1.6MPa,DN20的法兰。
通过焊接在容器上的法兰,与容器组成连通器,透过玻璃管就可直接显示容器内介质液位的高度。
仪表两端均装有针形阀,针形阀内装有钢球,当玻璃管因事故而破裂时,钢球在容器压力作用下自动关闭针形阀通道,以防止容器内介质外流。
三、特点:直读式仪表,读数精确。
结构简单,维修方便。
经久耐用。
四、主要技术指标:测量范围(安装中心距L):300、500、600、800、1000、1200、1400、1700、2000mm工作压力:≤1.6MPa材质:碳钢、不锈钢工作温度:≤200℃连接法兰标准:HGJ46-91 PN1.6 DN20突面其它法兰标准如JB/T 、GB 、ANSI 等,请用户注明。
伴热蒸汽压力:≤0.6MPa 蒸汽夹套接头:G1/2"外螺纹 钢球自封压力:≥0.2MPa五、安装中心距L 和标尺刻度L1的关系:L 300 500 600 800 1000 1200 1400 1700 2000 H1503504506508501050125015501850六、使用须知:为保证自密封作用,容器内介质压力应大于0.2MPa 。
在打开上下阀时,阀杆退出转数不得少于4转,以免钢球在自封时,碰到阀杆的顶端。
七、型号、标记标准系列:名 称 标 准 号 型号 标志 规 格(mm )玻璃管液位计 HG5-227-80 DA I PN1.6 300 500 600 800 1000 1200 1400 17002000玻璃管液位计 HG5-227-80 DB I PN1.6 玻璃管液位计 HG5-227-80 DA II PN1.6 玻璃管液位计 HG5-227-80 DB II PN1.6 玻璃管液位计 HG5-227-80 WA I PN1.6 玻璃管液位计 HG5-227-80 WB I PN1.6 玻璃管液位计 HG5-227-80 WA II PN1.6 玻璃管液位计 HG5-227-80 WB II PN1.6 液位计针形阀 HG5-227-80 (上)A I B I PN1.6 液位计针形阀 HG5-227-80 (下)A I B I PN1.6 液位计针形阀HG5-227-80(上)A II B II PN1.6液位计针形阀 HG5-227-80 (下)A II B II PN1.6注:D-不保温型、W-保温型、I-碳钢、Ⅱ-不锈钢、A-平面法兰、B-凸面法兰 订货须知:一、①HG5型玻璃管液位计产品名称与型号②HG5型玻璃管液位计口径③HG5型玻璃管液位计是否带附件二、若已经由设计单位选定公司的HG5型玻璃管液位计型号,请按HG5型玻璃管液位计型号三、当使用的场合非常重要或环境比较复杂时,请您尽量提供设计图纸和详细参数,其它阀系列价格供用户或设计院工程项目做预算管夹阀价格表口径手动电动DN50 450 1350 DN65 690 1575 DN80 1020 3375 DN100 1500 4050 DN125 1950 4500 DN150 **** **** DN200 4350 8400 DN250 7050 9750 DN300 12450 17700 DN350 21450 71700 DN400 29250 35400电动二通阀价格名称型号通径价格三速温控开关液晶显示温控开关大中小电动二通阀(风机管盘)VA70101.6mpa≤180℃DN15 87 37.5 78 75 72DN20 87 37.5 78 75 72DN25 127.5 37.5 78 75 72 HYDF1.6mpa≤120℃DN15 97.5 34.5 78 75 72DN20 97.5 34.5 78 75 72DN25 127.5 34.5 78 75 72名称通径价格电动二通阀配套驱动器,传感器,变压器,温度控制器DN25 600 DN32 630 DN40 675 DN50 720 DN65 1125 DN80 1575 DN100 1725 DN125 2100 DN150 23400DN200 3450 DN250 5250 DN300 7800 DN350 9750 DN400 12900产品名称通径DN工作压力(mpa)1.6(Z)2.5(c)Y416XY110X 减压稳压阀25/110 225 270 32/110 285 345 40/110 315 382.5 50/110 345 42050 585 70565 630 75080 757.5 900 100 915 1095 125 1470 1770 150 1800 21750JM744X气动,液动快开排泥阀80 825 990 100 900 1080 125 1575 1890 150 **** **** 200 1950 2340 250 3150 3780 300 4650 5580产品名称公称通径工作压(mpa)1.0/1.6CARX 复合式排气阀DN20DN25DN32DN40 507 DN50 507 DN65 591DN80 637.5 DN100 675 DN125 862.5 DN150 1125 DN200 2250产品名称公称通径工作(mpa)1.0/1.6排气阀DN40 216 DN50 216 DN65 262.5 DN80 300 DN100 328.5 DN125 337.5 DN150 394.5 DN200 694.5 DN250 1125 DN300 1500 DN350底阀价格底阀H42F-6P口径4Ni 8Ni 普料DN15DN20DN25DN32DN40 172.5 217.5 135 DN50 240 277.5 150 DN65 315 382.5 210 DN80 457.5 517.5 277.5 DN100 525 570 307.5 DN125 720 900 540 DN150 **** ****.5 757.5DN200 1650 2182.5 1140 DN250 2400 2775 1650 DN300 3450 3975 2625型号口径单位单价(元)双门底阀DN40 只255 DN50 只300 DN80 只495电动二通阀价格名称型号通径价格三速温控开关液晶显示温控开关大中小电动二通阀(风机管盘)VA70101.6mpa≤180℃DN15 87 37.5 78 75 72DN20 87 37.5 78 75 72DN25 127.5 37.5 78 75 72 HYDF1.6mpa≤120℃DN15 97.5 34.5 78 75 72DN20 97.5 34.5 78 75 72DN25 127.5 34.5 78 75 72名称通径价格电动二通阀配套驱动器,传感器,变压器,温度控制器DN25 600 DN32 630 DN40 675 DN50 720 DN65 1125 DN80 1575 DN100 1725 DN125 2100 DN150 23400 DN200 3450 DN250 5250 DN300 7800 DN350 9750 DN400 12900呼吸阀阻火器价格型号呼吸阀GFQ-2 阻火呼吸阀ZFQ-1 呼吸阀QZF-89 口径铸钢不锈钢铸钢不锈钢铸钢不锈钢DN25 187.5 450 255 502.5 //DN32 262.5 585 315 675 //DN40 277.5 660 330 705 //DN50 315 727.5 360 795 765 1905 DN65 397.5 922.5 465 1125 1005 2505 DN80 465 1170 555 1327.5 1080 2760 DN100 585 1417.5 705 1590 1215 3120 DN125 727.5 2100 915 2280 2085 4485 DN150 952.5 2415 1125 2670 2715 5880 DN200 1425 3367.5 1635 3795 3135 8625 DN250 1897.5 4560 2250 5355 4485 11115 DN300 3360 6555 3825 7905 5700 15015型号管道阴火器GYW-1 管道阻火器GZW-1 阻火器ZGB-1 口径铸钢不锈钢铸钢不锈钢铸钢不锈钢DN25 210 420 240 555 210 420 DN32 285 675 315 900 255 570 DN40 315 765 345 1005 270 600 DN50 360 870 390 1170 315 690 DN65 420 1125 465 1635 345 840 DN80 555 1380 600 1815 450 1035 DN100 660 1635 720 2250 555 1305 DN125 810 2325 1005 3795 660 1980 DN150 **** **** 1350 4830 915 2325 DN200 1635 4320 1980 6645 1290 3150 DN250 2325 5865 2670 9495 1635 4395阻火透气帽公称通径铝合金铸钢不锈钢单价(元)单价(元)DN40 105 150 420 DN50 105 195 450 DN80 210 375 780 DN100 345 450 990DN150 825 810 1635 DN200 1020 1065 2595型号公称通径铸钢不锈钢单价(元)单价(元)网型阻火器HGS一07DN25 382.5 570 DN40 630 1050 DN50 697.5 1125 DN65 900 1695 DN80 1035 1905 DN100 1417.5 2505 DN150 **** **** DN200 4050 7245 DN250 4275 10530 DN300 6007.5 13455管道砾石阻火器口径DN25 DN50 0N65 DN80 DN100 DN150 铸钢375 600 690 780 1080 1635流量计价格名称通径价格LDE智能型电磁流量计DN15 3300 DN20 3300 DN25 3300 DN32 3450 DN40 3450 DN50 3450 DN65 3450 DN80 3450 DN100 3600 DN125 3750 DN150 4050 DN200 4800 DN250 5700 DN300 7200 DN350 7800 DN400 9300 DN500 10800DN600 13500DN700 16500DN800 21750DN900 24750DN1000 28500DN1200 36000 名称通径价格涡街流量计DN25 3450 DN32 3525 DN40 3600 DN50 3750 DN65 3900 DN80 4275 DN100 4500 DN125 5250 DN150 6300 DN200 8250 DN250 9750 DN300 11700水处理器价格多功能微电子水处理器DN20 1125 DN25 1125 DN32 1200 DN40 1200 DN50 1200 DN65 1275 DN80 1350 DN100 1500 DN125 1650 DN150 1875 DN200 2400 DN250 3000 DN300 3600DN350 4200DN400 5700DN450 6750DN500 8400DN600 9000DN700 12750DN800 16500DN900 21000DN1000 24750 名称通径价格内磁水处理器DN25 1500 DN32 1650 DN40 1725 DN50 1950DN6522502550 DN80 2550 DN100 3000 DN125 3750 DN150 4350 DN200 5700 DN250 7350 DN300 8700 DN400 11250 DN500 14250 DN600 18000橡胶接头价格KXT(JGD)可曲挠橡胶接头规格单球单球翻边单球翻边双球变径球l.OMPa 1.6MPa 2.5MPa l.OMPa 1.6MPa 1.OMPa规格型号1.OMPa DN25 61.5 61.5 118.5DN32 99 99 165 65×50 313.5 DN40 108 108 174 111 80×65 394.5DN50 115.5 115.5 214.5 120 165 100×65 435 DN65 151.5 151.5 280.5 162 202.5 100×80 472.5 DN80 169.5 169.5 313.5 175.5 250.5 100×125 571.5 DN100 198 198 346.5 208.5 292.5 100×150 708 DN125 300 300 561 334.5 442.5 125×150 708 DN150 351 351 750 417 457.5 538.5 200×100 1170 DN200 487.5 544.5 1125 624 690 703.5 200x125 1170 DN250 646.5 792 1560 867 952.5 1056 200x150 1170 DN300 888 1015.5 2205 1224 1350 1287 250×125 1497 DN350 1023 1270.5 2352 1306.5 1440 2118 250×150 1497 DN400 1339.5 1639.5 3255 1809 1995 2178 250×200 1497 DN450 1617 2178 4200 22885.5 2565 0 300X200 1665 DN500 1815 2722.5 5460 3033 3337.5 4290 300×250 1665 DN600 2392.5 8070 4483.5 4935 6154.5 350X200 1873.5KXT(JGD)可曲挠橡胶接头 规格单球单球翻边 单球翻边双球变径球l.OMPa 1.6MPa 2.5MPa l.OMPa 1.6MPa 1.OMPa规格型号1.OMPa DN700 3157.5 9892.5 5494.5 6045 7590 350*300 1873.5 DN800 429012022.5 6679.5 7350 8745 400*300 2068.5DN900 53137986 8790 0 400*350 2236.5 DN1000 6135 9438 10380 12243 1200*800 32670DN1100 8250 0 备注以上产品橡胶为天然胶, 法兰锻钢。
玻璃液位计规格参数一、产品概述玻璃液位计是一种常见的液位测量设备,它主要由玻璃管、阀门、法兰等部件组成。
玻璃液位计广泛应用于化工、石油、医药等行业中,可用于测量各种液体的液位高度。
二、产品特点1. 可靠性高:采用优质的材料制造,具有较好的耐腐蚀性和耐高温性能;2. 精度高:采用精密制造工艺,测量精度高;3. 安全性强:玻璃管具有较好的透明度,操作人员可以直观地观察液位变化;4. 维护简单:结构简单,易于维护和清洗。
三、技术参数1. 测量范围:0-10m(可根据客户需求定制);2. 工作温度:-40℃~+250℃;3. 工作压力:≤10MPa;4. 材质选择:碳钢/不锈钢/PP/PVC等;5. 连接方式:法兰连接/螺纹连接;6. 玻璃管材质选择:硼硅玻璃/钠钙玻璃/铝硼硅玻璃等。
四、产品型号及规格1. 型号:LGJ-100测量范围:0-1000mm工作压力:≤4MPa材质选择:碳钢/不锈钢/PP/PVC等连接方式:法兰连接/螺纹连接玻璃管材质选择:硼硅玻璃/钠钙玻璃/铝硼硅玻璃等2. 型号:LGJ-200测量范围:0-2000mm工作压力:≤6MPa材质选择:碳钢/不锈钢/PP/PVC等连接方式:法兰连接/螺纹连接玻璃管材质选择:硼硅玻璃/钠钙玻璃/铝硼硅玻璃等3. 型号:LGJ-300测量范围:0-3000mm工作压力:≤8MPa材质选择:碳钢/不锈钢/PP/PVC等连接方式:法兰连接/螺纹连接玻璃管材质选择:硼硅玻璃/钠钙玻璃/铝硼硅玻璃等4. 型号:LGJ-500测量范围:0-5000mm工作压力:≤10MPa材质选择:碳钢/不锈钢/PP/PVC等连接方式:法兰连接/螺纹连接玻璃管材质选择:硼硅玻璃/钠钙玻璃/铝硼硅玻璃等五、安装及使用注意事项1. 安装前应检查设备是否完好,阀门是否灵活;2. 安装时应注意防止管道振动和冲击,避免对设备造成损坏;3. 使用时应注意操作规范,避免对设备造成损坏;4. 定期进行维护和清洗,保持设备良好的工作状态。
玻璃板液位计
玻璃板液位计的概述
HG5型玻璃板液位计是按原化工部HG5-1364~1370-80标准生产的适用于直接指示各种塔、罐、槽、箱等容器内介质液位。
在仪表上下阀门内装有安全钢球,当玻璃意外破损时,钢球能在容器内压力的作用下,自动关闭液流通道,以防止液位继续外流。
玻璃板液位计的特点
●直读式、读数精确、可靠
●结构简单、维修方便
●使用安全、耐用
玻璃板液位计的结构原理
根据连通器原理,将容器内介质液体引至外部玻璃板液位计内,通过透明玻璃直接显示容器内液位实际高度。
仪表阀杆密封填料采用柔性石墨压环,密封性能可靠。
玻璃板液位计的主要技术指标
外形尺寸测量范围(安装中心距L):300、500、800、1100、1400、1700mm。
工作压力:2.5、4.0、6.3MPa、0.6MPa(用于R型)
材质:碳钢、不锈钢
工作温度:-20~+200℃
钢球自动关闭压力:≥0.2MPa
伴蒸汽压力:≤0.6MPa 蒸汽夹套接头:G1/2″外螺纹
玻璃板液位计的型号规格
液面计规定标记:
平面法兰,工作压力2.5MPa
材质:不锈钢,带伴热夹套
测量范围:800mm
标志:A T25-II Z/L=800mm HG5-1364-80
玻璃板液位计的订货须知
●型号规格
●测量范围
●工作压力、温度
●材质
●特殊要求协商
●是否配套供应容器上法兰、螺栓、螺母、阀门及密封垫圈等配件。
公司简介北京铁强科技发展有限公司,位于我们伟大的首都——北京,是一家以工程仪表生产、研发为主的科技型企业,是一个极具活力与前景的多元化的新型民营企业。
公司技术力量雄厚,依靠北京的人才、技术、信息等优势,自2000年成立以来,通过短短七年多时间,就在仪器仪表生产制造领域内谱写一个又一个神话。
公司先后与北仪集团、德国西门子公司、美国麦克公司等仪表生产制造商进行广泛而深入的合作,在合作中公司产品的品质和质量得到很大提升。
同时,公司也在积极借鉴和引进国外先进技术和生产工艺,产品的科技含量不断提高、种类也在不断丰富。
另外,公司不断以新技术、新工艺、新材料、新设计理念设计生产品质高、性能优、用途广、使用寿命长的产品。
公司自主生产磁翻柱液位计、浮球液位计(液位开关)、钢带液位计、磁致伸缩液位计、微波物位计、电容式液位计、超声波液位计、音叉物位开关、电容式物位计、差压变送器等物位测量仪表。
同时,公司还经营流量仪表、压力仪表、温度仪表以及成分分析仪表等自动化测量、控制仪表。
经过几年的努力,公司发展了一支专业化、国际化、规模化的研发、生产、和管理团队。
公司现有员工100余名,其中有高级职称的技术人员5人、大专及以上各类专业人才80余名。
是“中国石化物资资源市场成员”单位;是“中国石油天然气集团公司一级供应网络”单位。
是众多国内外用户的高品质、可信赖的工业计量器具服务商。
公司一直秉承“技术为本,质量为先,笃信予人,益精致远”的经营理念,以“更强、更大、更实”为经营宗旨,开拓进取,务实创新,在做好产品生产和经营的基础上,还以打造中国仪表名牌为己任,投资开发有自主知识产权的产品。
在发展过程中,公司始终以快速的反应、精湛的技艺、热忱的服务及时为用户排忧解难,也因此得到了广大用户与社会各界的一致认可。
如今,公司全体员工正走专业化、特色化、精细化经营之道,并朝着两年时间内年销售额翻两番的目标奋力前进!北京铁强仪表科技发展有限公司产品选型样本目录01、磁翻柱液位计 (3)02、浮球液位计(液位开关) (5)03、防爆浮球液位开关 (7)04、玻璃板式液位计 (8)05、玻璃管式液位计 (10)06、钢带液位计 (12)07、重锤探测液位计 (14)08、超声波物位计 (15)09、智能雷达液位计 (17)10、导波雷达液位计 (19)11、电容式液位计 (21)12、射频导纳物位控制器 (23)13、音叉物位控制器 (25)14、磁致伸缩物位计 (27)15、压力液位变送器 (29)16、小型浮球液位计(液位开关) (31)17、常用客户名单 (32)注:我们是一家专业生产物位仪器仪表的科技型公司,随着市场的需求变化、我们的技术人员也会在保证质量的前提下,对产品进行改进,改造后的产品外观会有所变化、性能也会有所提高。
UGS-B 普通型彩色石英玻璃液位计 UGS-G 大口径石英玻璃液位计技术参数:
工作压力:
1.6,
2.5,4.0,6.4,10.0MPa
工作温度:-50~450℃
测量范围 L:
(两法兰间中心距CL) 300、500、800、1100、
1400、1700、2000mm。
显示范围:
测量范围L-200mm
过程连接:
DN25(或DN20、DN40)凸面(或平面),法兰标
准HG20592~20635-97,其它法兰标准请用户
注明。
接液材质
碳钢
不锈钢1Cr18Ni9Ti,304SS,316L
99.99%SiO2 石英管
液位计配套:带排污阀
可选项:
蒸汽加热夹套:
工作压力1.0MPa,
接口尺寸G1/2”外螺纹。
循环水加热夹套:
工作压力1.0MPa,
接口尺寸joint G3/4”外螺纹。
电伴热
订货须知
型号;
工作压力;
工作温度;
测量范围;
材质;
过程连接
适用范围:
UGS-B普通型彩色石英玻璃液位计适用于透明或较透明介质,如水、液氨、汽油、液化气、常温碱液等多种烃、油品溶液的液位测量。
仪表显示有盲区。
UGS-G大口径玻璃液位计适用于大粘度有色介质的液位测量,如重油,润滑油等。
仪表采用偏心大口径角阀和大内径液位管,配以伴热管,可以确保可靠测量。
点击放大。
玻璃板液位计标准玻璃板液位计是一种常用的液位测量仪器,广泛应用于化工、石油、制药、食品等工业领域。
本文将介绍玻璃板液位计的标准,包括其工作原理、安装要求、维护保养等内容,以便用户正确、安全地使用和维护玻璃板液位计。
一、工作原理。
玻璃板液位计利用液体与玻璃板的折射原理来测量液位高度。
当液位高于玻璃板时,光线在液体和玻璃板的交界面发生折射,使得玻璃板上方的液位呈现出明显的亮度变化;当液位低于玻璃板时,玻璃板上方的液体呈现出暗淡的状态。
通过观察玻璃板上方的液体状态,可以确定液位的高低。
二、安装要求。
1. 安装位置,玻璃板液位计应安装在容器的侧壁,且距离容器底部一定高度,以避免受到底部沉淀物的影响。
2. 固定支架,安装时应使用专用的固定支架,确保玻璃板液位计牢固、稳定地固定在容器上。
3. 玻璃板清洁,安装前应确保玻璃板表面清洁,避免灰尘、油污等杂质影响液位的准确度。
4. 密封性检查,安装后应检查玻璃板液位计与容器的密封性,确保不会发生漏液现象。
三、维护保养。
1. 定期清洁,定期清洁玻璃板表面,避免污垢影响液位的准确度。
2. 检查密封性,定期检查玻璃板液位计与容器的密封性,确保不会发生漏液现象。
3. 定期校准,定期对玻璃板液位计进行校准,确保其测量结果的准确性。
四、注意事项。
1. 防止碰撞,在使用过程中应避免碰撞玻璃板,以免影响其使用寿命和准确度。
2. 防止温度影响,避免将玻璃板暴露在极端温度环境下,以免影响其折射性能。
3. 定期检查,定期检查玻璃板液位计的工作状态,如发现异常应及时进行维修或更换。
通过本文的介绍,相信大家对玻璃板液位计的标准有了更清晰的了解。
正确的安装和维护保养是保证玻璃板液位计准确测量的关键,希望大家能够按照标准要求正确使用和维护玻璃板液位计,确保工业生产的安全和稳定。
ULGULG-S BI-COLOR GLASS TUBE LEBEL GAUGE ULG型玻璃管液位计使用说明书ULG-DT-JS-1010-2018(A)前言感谢您选择丹东通博电器(集团)有限公司的产品。
本使用说明书给您提供有关安装、连接和调试以及针对维护、故障排除和贮存方面的重要信息。
请在安装调试前仔细阅读并将它作为产品的组成部分保存在仪表的近旁,供随时翻阅。
并可通过输入版本号下载本说明书。
如未遵照本说明书进行操作,则本仪表所提供的防护可能会被破坏。
商标、版权和限制说明通博、通博电器、通博泵业、DDTOP、均为公司的注册商标。
本仪表的性能规格自发布之日起生效,如有更改,恕不另行通知。
丹东通博电器(集团)有限公司有权在任何时候对本说明书所述的产品进行修改,恕不另行通知。
质保丹东通博电器(集团)有限公司保证所有刮板流量计自出厂之日起,一年之内无材料和制造工艺方面的缺陷。
在质保期内,如产品出现质量问题而返回,提出的索赔要求经制造厂检验后确定属于质保范围内,则丹东通博电器(集团)有限公司负责免费为买方(或业主)维修或更换。
丹东通博电器(集团)有限公司对因设备使用不当,劳动力索赔、直接或后续损伤以及安装和使用设备所引起的费用概不负责。
除了关于丹东通博电器(集团)有限公司某些产品的特殊书面保修证明,丹东通博电器(集团)有限公司不提供任何明示或暗示的质量保证。
质量丹东通博电器(集团)有限公司通过了ISO9001质量体系认证,产品生产的全过程均严格依照质量体系的规定范围执行,对产品和服务质量提供最强有力的保证。
目录1安全提示 (3)1.1爆炸可能会导致死亡或严重伤害。
(4)1.2过程泄漏可能导致严重伤害或死亡。
(4)1.3不遵守安全安装准则可能导致死亡或严重受伤。
(4)2产品说明 (4)2.1 产品主要结构 (4)2.2工作原理 (4)2.3包装 (5)2.4吊装运输时 (5)2.5仓储 (5)3技术特性 (5)3.1主要性能 (5)3.2主要参数 (5)4外形尺寸示意图 (5)5开箱及检查 (6)5.1开箱验货注意事项 (7)5.2检查内容 (7)6安装 (7)6.1安装工具 (7)6.2安装技术要求 (7)7 调试 (7)8故障分析与排除 (8)9维修 (8)9.1警告 (8)9.2拆卸 (8)9.3清洗 (9)9.4组装 (9)10 产品认证 (9)1安全提示出于安全的原因,明确禁止擅自改装或改变产品,维修或替换只允许使用由制造商指定的配件。