土地整治工程检验批质量验收记录
- 格式:doc
- 大小:67.00 KB
- 文档页数:3
[地基处理]
原地面清理整平碾压检验批质量验收记录
路基工程编号:
验收标准
主控项目
1.设计不作特别处理的地基,经清理、整平后,其表面应无杂草、树根、腐殖土并不得有地下水出露处的现象。
检验数量:施工单位、监理单位全部检查。
检验方法:观察检查。
2.路基基底原地面清理整平碾压后的压实质量应符合下列要求:
⑴当路堤高度小于2.5 m时,其压实质量应符合《铁路路基工程施工质量验收标准》(TB10414─2003)附录B的
规定。
⑵当路堤高度大于2.5 m时,其压实质量应符合《铁路路基工程施工质量验收标准》(TB10414─2003)附录C的
规定。
检验数量:施工单位每100 m等间距检验4个点。
监理单位每200 m见证检验2个点。
检验方法:根据地基土的种类,按下表规定的方法检验。
压实质量的检测方法
一般项目
1.原地面清理碾压后应及时填筑路基,清理碾压后的地面不得有积水现象。
检验数量:施工单位、监理单位全部检查。
检验方法:观察检查。
基土工程检验批质量验收记录基土工程是指对土壤进行开挖、填充、压实、处理等工程活动。
质量验收是指对基土工程施工过程中的质量进行检验和评估,以确保工程的质量符合相关标准和规范。
下面是一份基土工程检验批质量验收记录,供参考。
1.工程概况工程名称:工程地点:施工单位:检验单位:工程内容:2.验收依据基土工程施工规范:相关标准和规范:3.验收内容3.1土壤开挖-开挖深度:-开挖宽度:-开挖坡度:-开挖面形态:-开挖底平整程度:-施工过程中的排水情况:-施工过程中的土壤稳定性:-施工过程中的用水情况:3.2土壤处理-土壤分类:-土壤含水率:-土壤密实度:3.3土壤填充-填充材料:-填充层数:-每层填充厚度:-填充材料的含水率:-填充材料的密实度:3.4土壤压实-压实方式:-压实设备:-压实程序:-压实效果:3.5施工区域病害-病害类型:-病害原因:-病害程度:4.检验结果经过对以上内容的检验,现将检验结果进行总结如下:4.1土壤开挖-开挖深度符合设计要求;-开挖宽度符合设计要求;-开挖坡度符合设计要求;-开挖面形态符合设计要求;-开挖底平整程度符合设计要求;-施工过程中的排水情况良好;-施工过程中的土壤稳定性良好;-施工过程中的用水情况正常。
4.2土壤处理-土壤分类准确;-土壤含水率符合设计要求;-土壤密实度符合设计要求。
4.3土壤填充-填充材料符合设计要求;-填充层数符合设计要求;-每层填充厚度符合设计要求;-填充材料的含水率符合设计要求;-填充材料的密实度符合设计要求。
4.4土壤压实-压实方式符合设计要求;-压实设备齐全;-压实程序符合设计要求;-压实效果符合设计要求。
4.5施工区域病害-病害类型为XX;-病害原因为XX;-病害程度为XX。
5.验收结论根据以上检验结果,基土工程的质量符合相关标准和规范,验收合格。
6.验收人员施工单位代表:检验单位代表:其他相关人员:以上是基土工程检验批质量验收记录的一个示例,实际记录应根据具体工程情况进行调整和完善。
场地清理检验批质量验收记录.doc范本一:场地清理检验批质量验收记录日期:xxxx年xx月xx日场地清理单位:xxxx公司验收单位:xxxx部门监理单位:xxxx公司一、验收内容1.场地清理范围:a.清理区域:xx省xx市xx区xx街道xx号b.清理目标:清理建筑物周围的垃圾和杂物,确保场地整洁无障碍。
二、验收准备1.清理设备准备:a.清扫车辆:数量x台,型号为xxxx。
b.清理工具:数量x套,包括扫帚、铁锨等。
2.检验人员:a.验收人员:xxxx,职位:xxxx。
b.监理人员:xxxx,职位:xxxx。
三、验收过程1.验收时间:xxxx年xx月xx日2.验收步骤:a.清理单位按照要求对场地进行了清理,清理范围包括建筑物周围的垃圾、杂物、残渣等。
b.验收人员逐一检查清理范围,确认清理效果。
四、验收结果1.通过验收:a.场地清理工作符合要求,清理范围内无垃圾、杂物等。
2.未通过验收:a.验收人员发现场地清理不彻底或存在未清理的垃圾、杂物等情况。
b.清理单位需要进行重新清理,并重新申请验收。
五、验收意见1.验收人员意见:a.对场地清理工作进行了细致的检查,认为清理结果符合要求。
2.监理单位意见:a.监理人员对场地清理工作进行了监督,认为清理结果符合技术规范和合同要求。
六、附件无七、法律名词及注释无范本二:场地清理检验批质量验收记录日期:xxxx年xx月xx日场地清理单位:xxxx公司验收单位:xxxx部门监理单位:xxxx公司一、验收内容1.场地清理范围:a.清理区域:xx省xx市xx区xx街道xx号b.清理目标:清理道路、草坪、花坛等区域内的垃圾、杂物和落叶,确保场地整洁干净。
二、验收准备1.清理设备准备:a.清扫机械:数量x台,型号为xxxx。
b.清理工具:数量x套,包括扫帚、铲子等。
2.检验人员:a.验收人员:xxxx,职位:xxxx。
b.监理人员:xxxx,职位:xxxx。
三、验收过程1.验收时间:xxxx年xx月xx日2.验收步骤:a.清理单位按照要求对场地进行了清理,清理范围包括道路、草坪、花坛等区域内的垃圾、杂物和落叶。
B.1.4工程质量报验表工程名称:南通市中心城区高速一环绿色通道(开发区段)提升工程二标段编号:B.1.4LH-五版表江苏省住房和城乡建设厅监制种植土地形整理检验批质量验收记录B.1.4工程质量报验表工程名称:南通市中心城区高速一环绿色通道(开发区段)提升工程二标段编号:B.1.4LH-版表江苏省住房和城乡建设厅监制种植土地形整理检验批质量验收记录B.1.4工程质量报验表工程名称:南通市中心城区高速一环绿色通道(开发区段)提升工程二标段编号:B.1.4LH-版表江苏省住房和城乡建设厅监制种植土地形整理检验批质量验收记录B.1.4工程质量报验表工程名称:南通市中心城区高速一环绿色通道(开发区段)提升工程二标段编号:B.1.4LH-版表江苏省住房和城乡建设厅监制种植土地形整理检验批质量验收记录B.1.4工程质量报验表工程名称:南通市中心城区高速一环绿色通道(开发区段)提升工程二标段编号:B.1.4LH-版表江苏省住房和城乡建设厅监制种植土地形整理检验批质量验收记录B.1.4工程质量报验表工程名称:南通市中心城区高速一环绿色通道(开发区段)提升工程二标段编号:B.1.4LH-版表江苏省住房和城乡建设厅监制种植土地形整理检验批质量验收记录B.1.4工程质量报验表工程名称:南通市中心城区高速一环绿色通道(开发区段)提升工程二标段编号:B.1.4LH-版表江苏省住房和城乡建设厅监制种植土地形整理检验批质量验收记录B.1.4工程质量报验表工程名称:南通市中心城区高速一环绿色通道(开发区段)提升工程二标段编号:B.1.4LH-版表江苏省住房和城乡建设厅监制种植土地形整理检验批质量验收记录B.1.4工程质量报验表工程名称:南通市中心城区高速一环绿色通道(开发区段)提升工程二标段编号:B.1.4LH-版表江苏省住房和城乡建设厅监制种植土地形整理检验批质量验收记录B.1.4工程质量报验表工程名称:南通市中心城区高速一环绿色通道(开发区段)提升工程二标段编号:B.1.4LH-版表江苏省住房和城乡建设厅监制种植土地形整理检验批质量验收记录B.1.4工程质量报验表工程名称:南通市中心城区高速一环绿色通道(开发区段)提升工程二标段编号:B.1.4LH-版表江苏省住房和城乡建设厅监制种植土地形整理检验批质量验收记录B.1.4工程质量报验表工程名称:南通市中心城区高速一环绿色通道(开发区段)提升工程二标段编号:B.1.4LH-版表江苏省住房和城乡建设厅监制种植土地形整理检验批质量验收记录B.1.4工程质量报验表工程名称:南通市中心城区高速一环绿色通道(开发区段)提升工程二标段编号:B.1.4LH-版表江苏省住房和城乡建设厅监制种植土地形整理检验批质量验收记录B.1.4工程质量报验表工程名称:南通市中心城区高速一环绿色通道(开发区段)提升工程二标段编号:B.1.4LH-版表江苏省住房和城乡建设厅监制种植土地形整理检验批质量验收记录。
土方回填工程检验批质量验收记录项目名称:土方回填工程施工单位:XX施工公司监理单位:XX监理公司验收时间:2024年X月X日一、工程概况1.施工范围:本次土方回填工程施工范围为XX平方米的区域。
2.土方成分:根据设计要求和施工方案,本次回填的土方主要由黏土、砂土和碎石组成。
3.施工过程:施工按照设计图纸和施工方案的要求进行,先进行回填并压实的主体工作,然后进行表面整平和抹灰等工序。
二、质量验收内容1.回填土方的密实度验收:根据设计要求,土方回填后需要达到一定的密实度。
验收过程中使用了CBR试验和压实度测试仪进行测量和评判。
经过测试,土方回填的密实度符合要求。
2.表面整平验收:根据设计要求,回填土方表面需要进行整平和抹灰。
验收过程中对整平效果进行了检查,发现无明显裂缝和凹凸不平的情况,符合设计要求。
3.回填土方的稳定性验收:根据设计要求,回填土方需要具有一定的稳定性,不能发生松散和坍塌现象。
通过观察和记录,未发现回填土方发生松散和坍塌的情况,达到了稳定性要求。
4.回填土方的排水性验收:根据设计要求,回填土方需要具备一定的排水性能。
验收过程中通过排水试验和地下水位观测等方式进行了评判,发现回填土方排水性良好,符合设计要求。
三、质量验收结果根据上述质量验收内容,本次土方回填工程经过验收,结果如下:1.回填土方的密实度符合设计要求。
2.回填土方表面整平效果良好,无明显裂缝和凹凸不平的情况。
3.回填土方具有较好的稳定性,未发生松散和坍塌现象。
4.回填土方具备良好的排水性能。
四、存在问题与整改意见在质量验收过程中发现以下问题:1.回填土方中存在少量杂物,需要进行清理。
2.部分回填土方未进行充分压实,需要重新压实。
以上问题已向施工单位进行反馈,并提出以下整改意见:1.清理杂物:施工单位应清理回填土方中的杂物,确保土方的纯度。
2.重新压实:施工单位应对部分未充分压实的土方进行重新压实,确保土方的密实度。
五、质量验收结论根据对土方回填工程的质量验收结果和存在问题的整改意见,对本次工程进行综合评定:满足设计要求的合格项数:4项存在质量问题的项数:2项质量验收结论:本次土方回填工程经过验收,合格率为66.7%。
种植土地形整理检验批质量验收记录一、项目基本信息项目名称:种植土地形整理项目地点:XX市XX区验收人员:XXX、XXX、XXX、XXX验收日期:20XX年XX月XX日二、验收内容1.土地整理标准:根据相关规定,进行土壤改良、平整处理,确保土地符合种植需求。
2.土壤质量测试:对整理完毕的土地进行土壤质量测试,包括PH值、有机质含量、沙粒、粘土含量等参数。
3.植被种植:进行植被种植,种植方法和密度符合规范要求。
4.排水系统:建设排水系统,确保土地排水良好。
三、验收过程及结果1.土地整理标准:-验收人员对土地进行了仔细观察,没有发现明显的问题,土地平整度良好。
-检查土地整理工程施工记录,确认土壤改良和平整工作按照设计要求进行。
-与施工方进行了沟通,了解到施工过程中严格按照相关规定进行施工,未发现违规行为。
2.土壤质量测试:-验收人员从已整理的土地中随机采集土壤样本,送至专业实验室进行测试。
-实验结果显示,土地的PH值为X.X,有机质含量为X.X%,沙粒含量为X.X%,粘土含量为X.X%。
-根据规范要求,土壤质量合格。
3.植被种植:-验收人员对植被进行了测量和观察,确认植被种植符合规范要求。
-根据设计文件和施工记录,植被种植工作按照设计要求进行,未发现违规行为。
4.排水系统:-验收人员对排水系统进行了检查,并进行了实际试水。
-试水结果显示,排水系统能够迅速排除积水,排水效果良好。
综上所述,经过全面的验收,种植土地形整理项目的质量符合设计要求和相关规范要求,验收合格。
四、存在的问题与建议1.问题:在验收过程中发现有少量杂草生长。
建议:请施工方对杂草进行清除,并加强日常的管理和维护工作,确保植被的良好生长。
2.问题:土壤PH值稍高,有机质含量稍低。
建议:请施工方加强土壤管理,进行适当的土壤改良和施肥,以改善土壤质量。
3.问题:排水系统的排放口设计不完善。
建议:请施工方对排放口进行改进,确保排放水流畅,避免积水。
场地平整检验批质量验收记录一、工程概述本次工程验收工程名称为场地平整工程,施工单位为**建筑公司,验收单位为**监理公司。
工程总面积为XXX平方米,本次质量验收的具体范围为工程进场开展施工至竣工验收前的场地平整工作。
质量验收时间为XXXX年XX月XX日。
二、工程验收依据1.《中华人民共和国建筑法》2.相关建筑行业标准及规范3.工程设计文件4.相关图纸和技术要求5.施工合同和技术协议书三、现场质量验收情况1.施工准备施工单位按照设计文件要求,配备了必要的施工机械设备、工具和材料,并按照合同要求进行了资料和文件沟通。
2.施工工艺(1)场地调整:根据设计要求,施工单位对场地进行了评估和调整,确保场地平整度符合要求。
(2)清理工作:清理了工程场地内的杂草、垃圾和其他杂物,并对地表进行了清扫和洗刷。
(3)填平处理:对地面可能存在的凹凸不平进行了填充处理,填料材料符合设计要求,并且均匀分布,填充层厚度符合要求。
(4)压实工序:进行了适当的场地压实处理工序,使场地坚实、平整。
3.过程监控(1)施工人员:施工人员按照施工方案进行了操作,并采取了必要的安全措施,确保了施工质量。
(2)工程监理:监理单位对施工工艺进行了现场监督,并对施工过程中的问题及时提出整改要求。
4.施工质量验收(1)外观验收:对场地进行了全面的内外观质量检查,外观无凹凸不平、色差、砂浆剥落等问题。
(2)尺寸验收:对场地尺寸进行了测量,结果符合工程设计要求。
(3)平整度验收:采用平整度测量仪器对场地进行了平整度测量,测量结果符合设计要求。
四、质量验收结论根据现场工程质量检查和相关资料评估,本次场地平整工程质量通过验收,符合设计要求和相关标准规范,可进行下一步工程阶段的施工。
五、未完成工作和存在问题根据验收情况,没有发现明显的未完成工作和质量问题。
六、后续工作建议1.建议施工单位继续加强对场地平整工程施工的质量控制,加强施工人员的技术培训和管理,确保施工质量。
土地整治工程检验批质量验收记录一、工程概况项目名称:土地整治工程施工单位:xxxx有限公司地点:xxxx地区施工内容:整治xxxx地区的土地环境,包括平整土地、填埋垃圾、修复植被等工作。
二、质量验收依据(1)相关法律法规和标准:《土地整治工程施工及验收规范》等;(2)施工图纸和技术文件。
三、质量验收内容1.土地平整工程(1)验收口径:使用测量仪器对土地进行测量,检查其平整度。
(2)验收标准:土地平整度应符合《土地整治工程施工及验收规范》的要求。
(3)验收结果:经测量,土地平整度满足要求,验收合格。
2.垃圾填埋工程(1)验收口径:检查填埋的垃圾种类、密实度、覆土层厚度等。
(2)验收标准:垃圾种类应符合环保要求,密实度应达到要求,覆土层厚度应满足要求。
(3)验收结果:垃圾种类符合要求,密实度和覆土层厚度都达到了要求,验收合格。
3.植被修复工程(1)验收口径:检查植被覆盖情况、种植的植物品种、数量等。
(2)验收标准:植被覆盖率应达到要求,种植的植物品种应适应当地气候条件,数量应符合设计要求。
(3)验收结果:植被覆盖率达到要求,种植的植物品种适应当地气候条件,数量符合设计要求,验收合格。
四、质量验收过程记录1.土地平整工程(1)施工单位提供土地平整施工记录、测量记录等资料。
(2)质检人员对施工记录进行审核,对土地用测量仪进行测量。
(3)经测量,土地平整度满足《土地整治工程施工及验收规范》要求,验收合格。
2.垃圾填埋工程(2)质检人员对施工记录进行审核,抽查填埋的垃圾种类、密实度、覆土层厚度等。
(3)抽查结果符合环保要求,密实度和覆土层厚度满足要求,验收合格。
3.植被修复工程(1)施工单位提供植被修复施工记录、植物种植计划等资料。
(2)质检人员对施工记录进行审核,检查植被覆盖率、种植的植物品种、数量等。
(3)检查结果植被覆盖率、种植的植物品种、数量都符合设计要求,验收合格。
五、质量验收结论1.土地平整工程验收结论:合格。
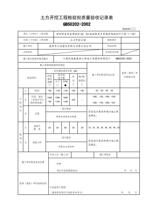
栽植土地形整理检验批质量验收记录编号:100103/100303/100403□□□工程名称施工单位施工执行标准名称及编号分包单位分项工程名称验收部位分包项目经理项目经理专业工长(施工员)施工班组长质量验收标准的规定主1栽植土地形的整体造型符合设计要控求(5.1.4)项目2地表基本平整、无明显的低洼和积水处1(5.1.6)≥3‰或2地形排水坡度(5.1.6)设计要求栽植土与道路(挡土墙或栽植土应略低3挡土侧石)接壤处处理3-5cm,与边(5.1.8)口线基本平直≥120cm大中深根性或设计要求乔木有一≥90cm效(5.1.9)浅根性或设计要求≥60cm般4土小乔木和大中灌木或设计要求层(5.1.9)≥40cm厚小灌木、宿根花卉项或设计要求度(5.1.9)地被、草坪及一、≥30cm目二年生草花(5.1.9)或设计要求≤100cm±5cm地(5.1.9)形100-200cm±10cm全相(5.1.9)5对高200-300cm±20cm(5.1.9)标300-500cm高±30cm(5.1.9)施工操作依据质量检查记录施工单位检查结果评定施工单位自检记录监理(建设)单位验收记录项目专业项目专业质量检查员:技术负责人:年月日监理(建设)单位验收结论专业监理工程师:(建设单位项目专业技术负责人)年月日100103/100303/100403□□□说明主控项目5.1.4栽种前土壤必须展开裂稃细作,精耕细作深度不应当大于30cm,去除石块、残根、杂草,施入基肥;应当展开杀虫和杀菌处置,不得采用未经改进的强酸强碱土、盐碱土、轻粘土及所含其它有毒成分的土壤;必须使用结石、富饶、含有有机质的土壤,不得在栽种土层下存有不透水层。
栽种土地形的整体造型效果必须合乎设计建议,地下水位深度合乎植物生长建议。
检验方法:观察和尺量检查。
通常项目5.1.6栽植土地形平整度、地形标高、造型和排水坡度应符合下列规定:地表基本平坦,填埋的栽种土已达至自然下陷的状态,地形标高合乎设计建议,地形的造型和排洪坡度应当合乎设计建议(当设计单位对排洪坡度没具体内容建议时,宜≥3‰),并无显著的低洼地区和积水处,基本并无积水;检验方法:用水准仪测量或尺量检查、观察检查。