宜巴高速公路24标“3.31”抗滑桩基坑垮塌事故
- 格式:doc
- 大小:108.00 KB
- 文档页数:4
某高速公路路堑边坡滑坡(塌)原因分析及整治
王治德
【期刊名称】《山西建筑》
【年(卷),期】2006(32)10
【摘要】结合三福公路路堑边坡的实际情况,简单阐述了路堑边坡滑坡(塌)原因,并对原因进行分析,提出了整治边坡的原则;并对滑坡(塌)整治措施从刷坡卸载、修建排水系统、增加抗滑桩、抗滑挡墙、施加预应力锚索等方面进行阐述。
【总页数】2页(P298-299)
【关键词】公路;滑坡;原因;整治
【作者】王治德
【作者单位】中铁二十三局集团第一工程有限公司,山东日照276826
【正文语种】中文
【中图分类】U445.55
【相关文献】
1.烟海高速公路路堑边坡滑坡原因分析及处理 [J], 章清涛
2.某铁路路堑边坡滑坡原因分析及整治措施 [J], 李德柱
3.云南元磨高速公路路堑高边坡及滑坡整治工程 [J], 和昆;蒋楚生
4.福建某高速公路段路堑边坡滑坡整治 [J], 张家金;陈文通;邱宗新;张永荣
5.高速公路段路堑边坡滑坡整治策略 [J], 葛颖飞
因版权原因,仅展示原文概要,查看原文内容请购买。
国内桥梁施工事故案例解析目录一、内容概述 (3)1.1 桥梁施工的重要性 (3)1.2 施工事故的危害性 (5)1.3 本文档的目的和结构 (5)二、桥梁施工事故类型及特点 (6)2.1 常见桥梁施工事故类型 (8)2.1.1 物体打击事故 (9)2.1.2 脚手架坍塌事故 (10)2.1.3 高处坠落事故 (11)2.1.4 触电事故 (13)2.1.5 混凝土裂缝事故 (14)2.2 各类事故的特点分析 (14)2.2.1 物体打击事故的特点 (16)2.2.2 脚手架坍塌事故的特点 (16)2.2.3 高处坠落事故的特点 (17)2.2.4 触电事故的特点 (18)2.2.5 混凝土裂缝事故的特点 (19)三、国内桥梁施工事故案例解析 (20)3.1 “9.10”物体打击事故案例 (21)3.1.1 事故经过 (22)3.1.2 事故原因分析 (23)3.1.3 教训与启示 (24)3.2 “11.24”脚手架坍塌事故案例 (26)3.2.1 事故经过 (27)3.2.2 事故原因分析 (28)3.2.3 教训与启示 (29)3.3 “12.28”高处坠落事故案例 (30)3.3.1 事故经过 (31)3.3.2 事故原因分析 (33)3.3.3 教训与启示 (34)3.4 “3.28”触电事故案例 (35)3.4.1 事故经过 (37)3.4.2 事故原因分析 (38)3.4.3 教训与启示 (39)3.5 “5.16”混凝土裂缝事故案例 (40)3.5.1 事故经过 (41)3.5.2 事故原因分析 (43)3.5.3 教训与启示 (44)一、内容概述事故背景介绍:简要阐述事故发生的地点、时间、相关工程概况以及当事人员的基本情况。
事故经过描述:详细描述事故发生的具体过程,包括施工流程、操作环节、设备使用情况等。
事故原因分析:分析导致事故发生的直接原因和间接原因,包括管理不善、操作失误、设备故障、环境因素等。
附件2:2011年安全质量典型事故案例通报(一)国家安监总局通报的安全典型事故案例1. 10 月29 日,位于甘肃省定西市临洮县境内在建兰渝铁路现场,由中铁十九局承担施工的黑山隧道吕家滩斜井内发生一起运送施工人员车辆,因刹车失灵溜逸导致翻车的事故,造成24 人死亡,4 人重伤。
2. 10月8日,辽宁省大连市旅顺口区塔河湾的蓝湾三期施工现场进行楼房地下一层模板施工时,发生模板坍塌事故,造成13人死亡,4人受伤。
3. 9月10日,陕西省西安市玄武路凯旋大厦建筑工地脚手架发生坍塌事故,造成10人死亡,2人重伤。
4. 6月19日,江苏省无锡市惠山区,钱桥镇街道社区居委会老办公楼在装修改造过程中发生整体垮塌事故,共造成11人死亡,5人受伤。
(二)铁道部通报的安全质量典型事故案例1. 10月24日,中铁二十三局在哈西客站何家沟特大桥简支梁架设过程中,发生梁片坠落,造成现场作业人员1人死亡,1人受伤,构成铁路生产安全一般事故。
2. 7月28日,中铁一局在哈密货车南环线工程补充道岔、警冲标作业时,使横放在道砟肩上的警冲标侵限,造成T70次列车碰撞,停车6分钟,构成铁路交通一般C类事故。
不良行为定性为:构成铁路交通一般C类事故。
3. 7月19日,中铁二十五局在遂渝增建二线工程施工时,擅自利用其他施工单位天窗时间进行施工,部分弃土、石块掉落堆积到正线水沟盖板上未及时清理,造成土石方侵限,构成铁路交通一般C类事故。
4. 6月8日,北京建工集团在天津西站高架桥施工时,将一根电缆抛落搭接到天津西站下行正线接触网承力索上,造成接触网放电烧断承力索,构成铁路交通一般C类事故。
5. 6月2日,中铁二十三局在哈西客站哈屯上行线进行内燃起重机调车作业时,因未采取止轮措施造成溜逸,挤坏夏家线路所7号道岔,溜入京哈上行线区间,影响T184次旅客列车晚点1小时51分,构成铁路交通一般C类事故。
6. 5月26日,中铁四局在宁杭客专制作路基防护栅栏过程中,违规拉伸盘圆钢筋,导致防护栅栏内部分钢筋直径不满足相关规范要求,被有关媒体曝光造成恶劣影响,构成铁路施工质量问题,进行了全路通报。
2024年高速塌方事故处置总结一、事件概述2024年X月X日X时X分,发生在某高速公路上的一起塌方事故。
该事故造成了道路交通中断、车辆损毁和人员伤亡等严重后果。
事发地点位于X省X市X县X镇附近,塌方点距离最近的城市约50公里。
二、事件处置1.事发初期事故发生后,高速公路管理部门立即启动应急预案,并组织相关人员赶赴现场,对现场情况进行初步勘察和抢险处置。
同时,相关部门迅速通知交警、消防、医院等相关救援力量前往事故现场。
2.人员疏散和伤员救治在塌方后,现场有多辆车辆被掩埋,其中一些车辆有人员被困。
救援人员立即展开搜救工作,确保被困人员尽快被救出。
同时,医疗人员对伤员进行紧急救治,并将伤员转运至附近的医院进行进一步治疗。
3.交通管制和道路修复为确保施救工作的顺利进行,交警部门采取临时交通措施,对事发路段实施封闭和交通管制。
同时,相关部门迅速组织人员和机械设备进行道路抢修工作,确保道路尽快恢复通行能力。
修复工作包括清理现场垮塌物、加固边坡防止二次滑坡以及修复路面等。
4.后期处理和监测事故发生后,高速公路管理部门和相关专家对事故原因进行调查和分析,并将相关数据和研究成果进行公开。
为了防止类似事故再次发生,对周边地质环境进行全面评估,并采取有效措施进行监测和预警,确保道路的安全性和稳定性。
三、救援效果评估通过紧急救援和处置,我们成功救出了被困人员,并及时安排了受伤人员的医疗救治。
同时,通过抢修措施,使得道路在较短时间内恢复了通行能力。
整个处置过程中,没有再次发生垮塌事故,确保了广大市民的生命财产安全。
四、教训总结1.加强地质风险评估:在新建或改建工程前,应充分了解地质环境特点,在施工过程中加强地质监测和预警,及时发现地质灾害隐患,采取防范措施。
2.强化应急预案:高速公路管理部门应制定完善的应急预案,并进行相关人员培训,提高应急处置的能力和效率。
3.加强交通安全宣传:通过多种媒体渠道,加强道路交通安全宣传教育,增强公众对交通安全的意识和自我保护能力。
施工安全事故案例案例三:青海省西宁市“04.27”边坡坍塌事故一、事故简介2007年4月27日,青海省西宁市银鹰金融保安护卫有限公司基地边坡支护工程施工现场发生一起坍塌事故,造成3人死亡、1人轻伤,直接经济损失6O万元。
该工程拟建场地北侧为东西走向的自然山体,坡体高12,15m,长145m,自然边坡坡度1:0.5,1:0.7。
边坡工程9 m以上部分设计为土钉喷锚支护,9m以下部分为毛石挡土墙,总面积为2000m2。
其中毛石挡土墙部分于2007年3月2 1日由施工单位分包给私人劳务队(无法人资格和施工资质)进行施工。
4月27日上午,劳务队5名施工人员人工开挖北侧山体边坡东侧5 m X l m X 1.2m毛石挡土墙基槽。
下午16时左右,自然地面上方5 m处坡面突然坍塌,除在基槽东端作业的1人逃离之外,其余4人被坍塌土体掩埋。
根据事故调查和责任认定,对有关责任方作出以下处理:项目经理、现场监理工程师等责任人分别受到撤职、吊销执业资格等行政处罚;施工、监理等单位分别受到资质降级、暂扣安全生产许可证等行政处罚。
二、原因分析1、直接原因(1)施工地段地质条件复杂,经过调查,事故发生地点位于河谷区与丘陵区交接处,北侧为黄土覆盖的丘陵区,南侧为河谷地2级及3级基座阶地。
上部土层为黄土层及红色泥岩夹变质砂砾,下部为黄土层黏土。
局部有地下水渗透,导致地基不稳。
(2)施工单位在没有进行地质灾害危险性评估的情况下,盲目施工,也没有根据现场的地质情况采取有针对性的防护措施,违反了自上而下分层修坡、分层施工工艺流程,从而导致了事故的发生。
2、间接原因(1)建设单位在工程建设过程中,未作地质灾害危险性评估,且在未办理工程招投标、工程质量监督、工程安全监督、施工许可证的情况下组织开工建设。
(2)施工单位委派不具备项目经理执业资格的人员负责该工程的现场管理二项目部未编制挡土墙施工方案,没有对劳务人员进行安全生产教育和安全技术交底。
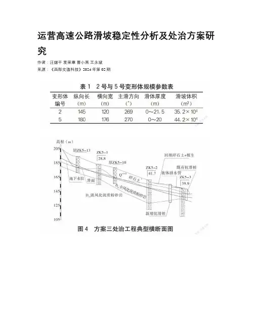
运营高速公路滑坡稳定性分析及处治方案研究作者:汪继平麦荣章曹小燕王永斌来源:《西部交通科技》2024年第02期作者简介:汪继平(1975—),硕士,高级工程师,主要从事高速公路建设和运营管理工作。
摘要:广西某运营高速公路老滑坡受降雨及台风影响再次出现“复活”,文章结合现场工程实例,通过现场勘查分析滑坡成因,在理论计算滑坡稳定性的基础上,对处治方案进行比选,确定最优处治方案。
通过处治后效果评价表明,所选处治措施控制效果良好,保证了高速公路的运营安全,为类似滑坡的工程治理提供参考。
关键词:高速公路;滑坡;稳定性分析;处治方案;效果评价中图分类号:U418.5+50 引言滑坡会给人民生命财产安全造成巨大损失,有的甚至会带来毁灭性的灾难。
广西某高速公路一路段于2007年雨季过后发生整体性滑塌,根据滑坡体特征,共划分为6个变形体。
2010年、2013年均受暴雨及台风影响,部分变形体出现了“复活”,滑坡发生及“复活”时均采取了相应的处治措施。
2019年7月,受持续强降雨和台风等特殊天气影响,滑坡体再次出现“复活”,险情严峻,为保证高速公路的运营安全,需采取有效措施对滑坡进行处治。
国内外学者对滑坡稳定性分析及相关防治措施做了大量研究。
谢飞鸿等[1]对滑坡前和滑坡后的边坡稳定性进行了计算,根据滑坡地质环境特征对滑坡治理提出支挡和排水的综合措施。
王恭先[2]依据多年经验,对滑坡进行深入了解并对治理方案进行了比选,提出考虑4个因素和不同类型滑坡的治理方案。
李新平等[3]在利用传递系数法结合有限单元法计算滑坡稳定性的基础上,采用遗传算法选出了合理的滑坡治理方案。
陈羽等[4]使用传递系数法对隧道洞口滑坡稳定性进行了分析评价,提出了相应的滑坡治理措施。
崔永杰等[5]以秦岭某隧道出口滑坡为例,分析了滑坡成因及稳定性并确定了合理的治理方案。
陈云生等[6]在分析阳鹿高速公路巨型滑坡稳定性的基础上,选择了“卸载后缘部分滑坡体+坡脚反压+钢管群桩+综合防排水”的处治方案。
基坑及其他坍塌事故案例一:四川两河口水电站“4.10”挡土墙边坡滑塌事故2007年4月10日18时30分,某单位承建的四川省甘孜州雅江县两河口水电站1#承包商营地场平工程,在挡土墙基坑开挖过程中,边坡突然发生滑塌,7名作业人员被掩埋致死。
构成生产安全较大事故。
事故原因①两河口水电站项目部在挡土墙专项施工方案未经审定的情况下擅自施工;②未按照技术交底进行放坡;③施工中未采取相应的安全防护措施,违规操作,导致事故发生。
案例二:宜巴高速王家湾大桥“3.31”挖孔桩坍塌事故2011年3月31日15时30分,某单位承建的宜巴高速公路24标王家湾大桥96#抗滑桩施工中,因古滑坡体移动垮塌引起护壁变形挤压,导致孔内钢筋笼作业的3名工人死亡,直接经济损失169万元。
构成生产安全较大事故。
事故现场平面图96#桩孔及发生事故时的剖面图96#桩孔上方稻田开裂滑移事故原因事故发生后,恩施州政府立即介入事故处置。
通过勘察现场、询问现场人员、查阅相关资料,认定“3.31”抗滑桩坍塌事故为地质灾害引发的生产安全事故。
(一)直接原因坍塌孔桩桩身位于典型的滑坡堆积体上,遇水极易溜坍,而事故发生期间该地区连降中雨,3月31日降短时阵雨,孔桩周壁围岩为风化粉砂泥质岩,渗水极强,导致围岩浸泡失稳,引起坍塌。
(二)间接原因1、项目安全培训工作不扎实。
劳务队伍培训教育走形式,特别是班组作业和岗位员工操作技能培训。
抗滑桩施工大部分作业人员缺乏基本安全操作技能,自我保护意识差。
2、项目部管理人员工作作风飘浮,对安全质量现场管理抱有侥幸心理。
如果加大对孔桩周边地质情况监测力度,尤其是对发生事故期间接连下雨的情况引起足够重视,就可能避免事故发生。
3、项目部安全责任制落实不到位,安全意识不强,没有从源头上消除事故隐患,群众安全监督员的作用没有得到真正的发挥。
4、工序作业与技术交底脱节,施工组织设计不能有效执行,设计意图和规范贯彻不力,导致工序质量安全过程不受控。
基础设施安全事故案例及安全防护要点培训基础设施安全事故案例及安全防护要点培训简介基础设施是现代社会的重要组成部分,包括道路、桥梁、高架、港口、机场、输变电站、水厂等。
然而,由于基础设施的规模和复杂度,以及一些不可预测的自然因素和人为因素,可能会发生安全事故。
为了降低基础设施事故的风险,我们需要了解历史事故案例、掌握安全防护要点并加强安全管理。
一、基础设施安全事故案例1.2017年高速公路桥梁倒塌2017年9月15日,河北香河境内,在京哈高速公路上一座已经年深日久的桥梁突然坍塌,造成3人死亡、5人受伤。
这起事故是由于桥梁结构问题导致,警方已对此事件展开了调查。
2.2020年武汉剧毒气体泄漏2020年12月24日,武汉市汉口北站附近的现代化公交站点突然出现乘客晕倒,共有40余人受伤。
后调查发现是因为该公交站地下,有化工园区企业在密闭环境下处理废气,导致剧毒气体泄漏。
这起事故引发了广泛关注,并提醒了公众近年来整个社会基础设施建设的成果和安全问题。
3.2021年四川九寨沟地震对景区的破坏2021年7月24日,四川茂县九寨沟景区内发生7.0级地震,引发广泛关注。
此次地震造成了景区内许多房屋和道路的损坏,关闭了该景区。
这也提醒我们,不能忽视自然因素对基础设施的影响,加强安全管理尤为重要。
二、安全防护要点培训1.加强安全管理切实加强安全管理,建立完善的管理制度和安全规范,确保安全生产,减少事故发生。
2.加强设备维护定期进行设备维护和检查,及时发现和解决隐患。
3.建立应急预案建立完善的应急预案,对可能发生的安全事故进行预案、演练和评估,提高处置能力。
4.加强教育培训开展培训和演练,提高员工的安全意识,加强应急处置的能力,防范和减少安全事故发生。
结论基础设施是我们生活工作的重要组成部分,保障基础设施安全事关全体人民的利益。
我们要牢记安全第一,加强管理、设备维护、应急预案和人员培训,全力保障基础设施的安全。
桥梁坍塌事故案例近年来,桥梁坍塌事故频发,给人们的生命财产安全带来了巨大的威胁。
桥梁作为现代交通建设的重要组成部分,对于保障人们的出行安全起着至关重要的作用。
然而,由于各种原因,一些桥梁在使用过程中发生了坍塌事故,给人们带来了严重的负面影响。
以下将介绍国内外发生的一些典型桥梁坍塌事故案例。
2024年8月1日,中国四川省雅安市发生了一起重大的桥梁坍塌事故,造成6人死亡,12人受伤。
这座桥梁是一座具有重要枢纽地位的铁路桥梁,重点承担着连接川滇黔湘四个大区域的运输任务。
事故的原因是桥面混凝土不均匀开裂,导致整座桥梁失去了稳定性,最终发生了坍塌。
此事故引发了广泛的关注和讨论,相关部门迅速采取了措施,加强了桥梁的日常检测和维护工作,以确保人们的出行安全。
在国外,意大利的莫尔西桥坍塌事故是近年来最为著名的案例之一、这座桥梁于2024年8月14日发生坍塌,造成43人死亡,多人受伤。
事故引起了国际社会的广泛关注和讨论。
初步调查发现,事故的原因是桥梁结构设计的缺陷以及维护工作的不足。
此事故使得意大利政府加大了对桥梁建设和维护的监管力度,加强了对老旧桥梁的检测和改造工作。
这些桥梁坍塌事故的发生是由于多种原因造成的。
首先,一些桥梁的建设和维护过程中存在着工程质量不过关的问题。
例如,施工不符合规范,使用劣质材料等。
其次,一些桥梁的设计存在缺陷,无法承受实际的荷载。
再次,一些桥梁在使用过程中得不到及时维护和检测,导致隐患逐渐积累,最终发生了坍塌事故。
为了避免类似的桥梁坍塌事故再次发生,有关部门应加强对桥梁建设和维护的监管工作,制定更加严格的标准和规范,确保桥梁的质量和安全性。
同时,加大对老旧桥梁的改造和维护力度,及时修复和加固存在隐患的桥梁。
此外,普及桥梁安全知识,提高公众对于桥梁安全的重视程度,培养大家的安全意识和自我保护能力,也是非常重要的。
总之,桥梁坍塌事故对于人们的生命财产安全造成了巨大的威胁。
在国内外都发生了一些重大桥梁坍塌事故。
地震高速坍塌事故报告地震时常常会导致各种类型的事故,其中地震引起的高速公路坍塌事故是一类非常严重的事件。
本文将从事故的背景,事故发生的原因以及事故后的救援工作等方面来进行报告。
首先,我将介绍一下地震高速公路坍塌事故的背景。
该事故发生在地区,地处地震活动频繁的地带。
由于缺乏先进的建筑技术和防震设施,该地区的交通建设很脆弱。
因此,在地震发生时,高速公路很容易出现坍塌的情况,造成交通瘫痪和大量人员伤亡。
接下来,我将详细介绍事故的原因。
首先,地震造成的地壳运动是引起高速公路坍塌的主要原因。
当地震发生时,地壳会发生急剧变化,地震波的传播会导致地表的抖动和震动。
这种地壳运动会对高速公路的结构造成巨大压力,进而导致部分或全部的坍塌。
其次,高速公路的建设和维护不当也是事故原因之一、在地震频繁的地区,应该采取更加严格的建设标准和安全措施来保护道路的稳定性。
然而,在地区,基础设施建设时没有充分考虑到地震的影响,导致高速公路的结构不牢固,容易受到地震的影响而发生坍塌。
此外,地震后的救援工作也是事故发生原因的重要因素之一、一旦高速公路发生坍塌,会导致车辆无法通过,从而使得救援工作受到严重阻碍。
而如果救援工作不能及时展开,受伤的人员无法得到及时救治,就会增加伤亡人数。
在事故发生后,相关部门立即展开了救援行动。
首先,救援人员迅速到达现场,确保安全的同时,尽快寻找被埋压的人员。
同时,救援人员及时开展了紧急处理工作,将受困人员救出,以减少伤亡人数。
此外,为了保证救援工作能够顺利进行,相关部门还调派了大量的人力和物资,为救援提供支持。
在救援工作完成后,相关部门还对事故进行了调查和分析。
他们发现,事故发生的主要原因是地震对高速公路结构的破坏,并且指出了高速公路建设和维护不当的问题。
同时,相关部门还提出了加强地震预警体系建设,加强对地震频繁地区基础设施建设的监管等建议,以减少类似事故的发生。
总的来说,地震高速公路坍塌事故是一类非常严重的灾害事件。
广巴高速一工地钢架倒塌两工人坠地身亡
12月28日下午3点左右,广巴高速公路广元段元坝连接线3-1合同段发生一起安全事故,施工的钢筋架突然倒塌,架上两名高空作业的工人坠地后当场死亡。
“事故发生后,安监局迅速派员去现场进行调查处理,责令整个工程段都停工查找安全隐患。
”广元市安全监督管理局办公室一工作人员向记者证实,2名死者分别是达州人张某某(44岁)和贵州人昌某(36岁)。
“安监、公安、交通等相关单位已全面介入,正在调查处理此事。
”。
昭通市宜毕高速公路建设项目
重大事故隐患清单
单位名称:中铁二十局集团第六工程有限公司宜毕高速公路项目经理部更新日期:2018.5.24
2.JTG/T F50:《公路桥涵施工技术规范》(JTG/T F50-2011);
3.JTG F60:《公路隧道施工技术规范》(JTG F60-2009);
4.JTG/T F60:《公路隧道施工技术细则》(JTG/T F60-2009);
5.77号文件:交通运输部办公厅关于转发重庆市交通委员会关于加强桥梁工程双壁钢围堰施工安全管理工作的通知(交办安监〔2015〕
77号);
6.104号文件:国家安全监管总局交通运输部国务院国资委国家铁路局关于印发《隧道施工安全九条规定》的通知(安监总管二
〔2014〕104号)。
近年来,随着我国基础设施建设的快速发展,公路工程建设项目如雨后春笋般涌现。
然而,在公路工程建设过程中,安全事故问题时有发生,给国家和人民生命财产安全带来严重损失。
本文将以湖北省为例,分析公路工程施工事故的案例,以期引起大家对安全生产的重视。
案例一:湖北某高速公路桥墩垮塌事故2020年5月,湖北省某高速公路施工现场发生桥墩垮塌事故,造成3人死亡、5人受伤。
事故原因初步调查为施工过程中,桥墩模板支撑系统不稳定,导致桥墩混凝土浇筑过程中发生垮塌。
此事故再次警示我们,施工现场的安全管理至关重要,必须严格按照施工方案和安全生产规程操作,确保施工过程中的安全。
案例二:湖北某公路隧道塌方事故2019年7月,湖北省某公路隧道施工过程中发生塌方,导致3名施工人员被困。
经过紧张的救援,被困人员最终被成功救出,但事故造成了严重的经济损失。
事故调查结果显示,施工单位在隧道开挖过程中,未严格按照设计方案进行支护,导致隧道塌方。
这起事故再次强调了施工过程中遵循设计方案和安全生产规程的重要性。
案例三:湖北某公路施工现场火灾事故2018年8月,湖北省某公路施工现场发生火灾,导致1人死亡、3人受伤。
事故原因是施工现场堆放的易燃物品不慎起火,火势迅速蔓延。
事故调查发现,施工现场安全管理混乱,消防设施不完善,火源管理不善等问题。
这起事故为我们敲响了警钟,要求施工现场加强消防安全管理,严格落实安全生产措施。
案例四:湖北某公路工程坍塌事故2017年6月,湖北省某公路工程发生坍塌事故,造成5人死亡、8人受伤。
事故原因是在路基填筑过程中,未对填土进行充分压实,导致路基不稳定,最终发生坍塌。
这起事故暴露出施工单位在路基施工过程中对质量控制不严、安全意识不强的问题。
综上所述,湖北公路工程施工事故案例为我们敲响了警钟。
安全生产是公路工程建设的生命线,必须始终绷紧这根弦。
施工单位要严格遵守国家法律法规和安全生产规程,加强施工现场安全管理,确保工程质量安全。
公路工程典型事故案例公路工程是一个复杂而危险的行业,事故时有发生。
以下是几个典型的公路工程事故案例。
1.事故发生日期:2024年6月15日事故地点:省县道路改扩建工程事故描述:一辆运输砂石的卡车因行驶过快发生侧翻,砂石散落在路上。
临近的一辆轿车未能及时避让,撞上了散落的砂石。
事故造成轿车后方座位乘客受伤。
原因分析:事故的直接原因是卡车行驶过快,导致侧翻。
事故的远因则是工程管理人员对卡车司机的培训不足,未能告知卡车司机在运输过程中需要保持安全速度,并采取适当的安全措施。
教训和对策:提高工程管理人员对工作人员的培训力度,教育司机遵守交通法规,强调安全驾驶的重要性。
同时,在施工现场设置明显的警示标志,以提醒过往车辆减速慢行。
2.事故发生日期:2024年9月10日事故地点:高速公路改扩建工程事故描述:一辆挖掘机在施工过程中突然失控,撞击了附近的路基挡墙,导致挡墙倒塌。
事故造成挡墙附近的一名工人被埋压,导致严重伤亡。
原因分析:事故的直接原因是挖掘机的操作员技术不熟练,误操作导致失控。
事故的远因可能是挖掘机操作员的培训不足,也可能是在挖掘机操作过程中存在安全设施缺失。
教训和对策:提高工程机械操作人员的培训难度和培训质量,确保操作人员熟悉设备的操作方法,并具备相应的技术水平。
加强施工现场的安全监督,确保安全设施的完善使用,如设置防护栏杆等。
3.事故发生日期:2024年3月8日事故地点:城市快速路改造工程事故描述:一辆正在运输砖块的卡车行驶在临时车道上时,突然发生制动失效,撞向正在施工的屏障。
事故导致卡车司机和附近的数名工人受伤。
原因分析:事故的直接原因是卡车的制动系统发生故障,导致司机无法及时停车避让。
事故的远因可能是卡车未经定期检修、维护,导致制动系统出现故障。
教训和对策:加强对卡车及机械设备的定期检修和保养,确保其正常运行。
同时,完善施工现场的安全管理制度,增加临时安全设施,如设置临时指示牌和标识,提醒驾驶人注意临时道路的存在,并加强监督,确保驾驶员按照规定减速慢行。
宜巴高速公路24标“3.31”抗滑桩基坑垮塌事故
[日期:2012-05-16] 来源:建筑工程质量安全网作者:建筑工程质量安全网阅读:70次[字体:
大中小]
内容提要:2011年3月31曰,中铁X局集团有限公司湖北宜巴高速公路24标王家湾滑坡体处治工程96#抗滑桩发生坍塌車故,造成3人死亡,直接经济损失169万元。
宜巴高速公路24标“3.31”抗滑桩基坑垮塌事故
2011年3月31曰,中铁X局集团有限公司湖北宜巴高速公路24标王家湾滑坡体处治工程96#抗滑桩发生坍塌車故,造成3人死亡,直接经济损失169万元。
一、工程概况:
宜巴高速公路24标,线路全长4.95km,主要工程包括响水河大桥、王家湾大桥、马家坡隧道和路基工程, 总造价3.6亿元。
建设单位为湖北省宜巴高速公路(鄂渝段)建设指挥部,设计单位为中交第X公路勘察设计有限公司,监理单位为湖北X公路工程监理公司。
王家湾大桥穿越巴东组特殊地质古滑坡体,滑坡体位于王家湾大桥4#〜14#墩左侧,起止桩号为44+070〜44+345,长约275 米,宽约390 米,面积约为10万m2,厚10〜20m,体积约为150万m3。
二、施工情况:
2009年10月,王家湾大桥桩基开始施工时发现4#〜14#墩左侧坡体出现滑动裂缝,最大达22cm,施工便道挡墙发生倾倒变形,上部房屋出现墙体变形、地基下沉,部分桩基发生严重偏移,项目部及时将情况向业主做了汇报。
2009年10月16日,业主召集设计代表、总监办、高监办、监理组、施工单位等六家单位现场会勘,决定对王家湾不稳定滑坡山体进行防护治理以确保山体稳定。
2010年3月底,设计院完成对坡体的地质勘测,确定王家湾滑坡体处于欠稳定状态,滑坡面大约在地表以下14〜19米,整个滑坡体后缘高程约880米,前缘高程约670米,相对高差约210米。
滑坡两侧以冲沟为界,局部处于极限平衡状态。
设计院经对地质综合分析和计算后决定对王家湾滑坡采用抗滑桩进行永久加固措施。
2010年8月,设计院下发关于王家湾滑坡治理《王家湾滑坡治理施工图设计》的图纸。
设计中为阻止坡体滑移,对滑坡体共布置了两排抗滑桩以抵挡滑坡体剩余的下滑力,在滑坡中部设置第一排41根混凝土抗滑桩,在滑坡前缘设置第二排57根混凝土抗滑桩。
发生坍塌的96#抗滑桩位于王家湾大桥13#墩左侧,桩径2.5*3.5m,设计孔深30m。
地质特征主要为:1、孔口〜17m为第四系崩坡积物;2、17〜20m为强风化粉砂泥质岩;3、20〜30m为弱风化粉砂泥质岩;4、地表水和地下水丰富,开挖过程中有大量渗水进入孔桩。
于2010年11月25日开孔,当挖至距地面7m时,护壁发生局部垮塌,经回填后重新开挖施工,至2011 年3月28日成孔,经验孔合格后,于3月29日完成桩深21〜30m 段的钢筋笼制作与安装,3月30日幵始桩深12〜21m段的钢筋笼制作与安装。
三、事故经过:
2011年3月31日15时30分左右,王家湾大桥96# 抗滑桩在桩内进行钢筋笼绑扎作业时,由于土体内大量渗水,孔桩周边滑坡体滑动面围岩强度急剧下降,造成护壁变形挤压钢筋笼,钢筋笼局部骤然变形整体失稳而垮塌,致使孔内施工的三名工人坠入孔底,并被坍塌物掩埋。
事故发生后,项目部立即启动应急预案,并向政府有关部门、业主及公司报告,同时组织力量实施救援。
经过10小时全力施救,3名工人因伤势过重,抢救无效死亡。
事故现场平面图
6#桩孔内发生事故时的剖面图
96#桩孔上方稻田开裂滑移
四、事故原因:
事故发生后,恩施州政府立即介入事故处置。
通过勘察现场、询问现场人员、查阅相关资料,认定“3.31”抗滑桩坍塌事故为地质灾害引发的生产安全事故。
(一)直接原因:
坍塌孔桩桩身位于典型的滑坡堆积体上,遇水极易溜坍,而事故发生期间该地区连降中雨,3月31曰降短时阵雨,孔桩周壁围岩为风化粉砂泥质岩,渗水极强,导致围岩浸泡失稳,引起坍塌。
(二)间接原因:
施工单位在安全生产管理、安全教育培训、现场过程控制等多方面存在的问题:
1、项目安全培训工作不扎实。
劳务队伍培训教育走形式,特别是班组作业和岗位员工操作技能培训。
抗滑桩施工大部分作业人员缺乏基本安全操作技能,自我保护意识差。
2、项目部管理人员工作作风飘浮,对安全质量现场管理抱有侥幸心理。
如果加大对孔桩周边地质情况监测力度,尤其是对发生事故期间接连下雨的情况引起足够重视,就可能避免事故发生。
3、项目部安全责任制落实不到位,安全意识不强,没有从源头上消除事故隐患,群众安全监督员的作用没有得到真正的发挥。
4、工序作业与技术交底脱节,施工组织设计不能有效执行,设计意图和规范贯彻不力,导致工序质量安全过程不受控。
五、事故问责:
根据中铁X局集团有限公司《质量安全事故责任追究办法》、《施工生产安全管理办法》,对X公司总经理蔡某、董事长兼党委书记焦某给予行政降级处分,并处经济罚款10000元。
对X公司总工程师兼安全总监曾某给予行政记大过处分,并处经济罚款5000元。
对项目经理向某给予行政记大过处分,并处经济罚款5000元。
对项目党工委书记单某,项目总工程师、安全总监王某给予行政记大过处分,并处经济罚款3000元。
对项目副经理兼作业队队长龚某给予撤职处分,并处经济罚款3000元。
对项目作业队现场施工员胡某给予记过处分,并处经济罚款3000元。
六、预防措施:
1、全面落实“安全第一,预防为主,综合治理”方针,立即部署在X集团公司范围内开展地质灾害事故隐患专项整治活动。
整治活动突出责任落实,必须由项目经理带队。
2、提高对滑坡段地质灾害风险认识,完善对滑坡地质地段的监测、预报工作,及时进行地质超前预报,以动态信息反馈指导施工。
3、加强施工组织管理,梳理抗滑桩施工工序,重新审核关键工序施工技术交底。
编制抗滑桩开挖、护壁施工、钢筋笼制作安装、砼浇筑及监控量测作业指导书,明确作业标准、作业流程及安全质量控制措施要求。
严格控制危险环境作业人员数量,挖孔桩桩底每班作业人员不超过2人。
4、加大对一线作业人员安全质量培训教育工作力度,严肃考核。
结合工程进度,强化技术交底与工序方案的岗位培训,提高全员安全质量意识与安全操作技能。
5、完善事故应急救援预案,扎实做好事故应急演练工作,提高一线员工应急逃生能力。