金属杨氏弹性模量的测量实验预习报告
- 格式:pdf
- 大小:143.25 KB
- 文档页数:3
实验二杨氏弹性模量的测定实验报告一、实验目的1、学会用伸长法测量金属丝的杨氏弹性模量。
2、掌握光杠杆测量微小长度变化的原理和方法。
3、学会用逐差法处理实验数据。
二、实验原理杨氏弹性模量是描述固体材料抵抗形变能力的物理量。
假设一根粗细均匀的金属丝,长度为 L,横截面积为 S,受到外力 F 作用时伸长了ΔL。
根据胡克定律,在弹性限度内,应力(F/S)与应变(ΔL/L)成正比,比例系数即为杨氏弹性模量 E,其表达式为:\E =\frac{F \cdot L}{S \cdot \Delta L}\在本实验中,F 由砝码的重力提供,S 可通过测量金属丝的直径 d计算得出(\(S =\frac{\pi d^2}{4}\)),ΔL 是微小长度变化量,难以直接测量,采用光杠杆法进行测量。
光杠杆是一个带有可旋转支脚的平面镜,其前足尖放在固定平台上,后足尖置于待测金属丝的测量端,平面镜与金属丝平行。
当金属丝伸长ΔL 时,光杠杆后足尖随之下降ΔL,带动平面镜转过一个小角度θ。
设从望远镜中看到的标尺刻度的变化为Δn,光杠杆常数(即光杠杆前后足尖的垂直距离)为 b,望远镜到平面镜的距离为 D,则有:\(\tan\theta \approx \theta =\frac{\Delta L}{b}\)\(\tan 2\theta \approx 2\theta =\frac{\Delta n}{D}\)由上述两式可得:\(\Delta L =\frac{b \cdot \Delta n}{2D}\)将其代入杨氏弹性模量的表达式,可得:\E =\frac{8FLD}{\pi d^2 b \Delta n}\三、实验仪器杨氏弹性模量测定仪、光杠杆、望远镜、标尺、砝码、千分尺、游标卡尺等。
四、实验步骤1、调整仪器调节杨氏弹性模量测定仪底座的水平调节螺丝,使立柱铅直。
将光杠杆放在平台上,使平面镜与平台面垂直,前、后足尖位于同一水平面内。
金属杨氏模量的测量实验报告金属杨氏模量的测量实验报告引言:金属杨氏模量是描述材料刚性程度的重要参数。
本实验旨在通过测量金属材料的弹性变形,计算其杨氏模量,并探讨实验误差和改进方法。
实验原理:杨氏模量是衡量材料刚性的指标,定义为单位应力下材料单位应变的比值。
实验中,我们采用了悬臂梁法测量金属材料的杨氏模量。
悬臂梁法是通过测量悬臂梁在不同负荷下的挠度,计算材料的弹性变形,从而得到杨氏模量。
实验步骤:1. 准备工作:选择合适的金属材料,如铜、铝等,并制备悬臂梁样品。
2. 悬臂梁测量:将悬臂梁固定在实验台上,用力计施加不同的负荷,记录下悬臂梁的挠度。
3. 数据处理:根据测量结果,绘制负荷与挠度的曲线,并进行线性拟合。
4. 计算杨氏模量:根据线性拟合结果,计算材料的杨氏模量。
实验结果:通过实验测量,我们得到了负荷与挠度之间的线性关系,拟合结果表明金属材料的弹性变形符合胡克定律。
根据拟合直线的斜率,我们计算得到了金属材料的杨氏模量。
讨论:在实验过程中,我们发现了一些误差来源。
首先,由于实验中的悬臂梁并非完全刚性,其自身的弯曲会对测量结果产生影响。
其次,测量过程中可能存在读数误差和仪器误差。
此外,金属材料的温度变化也会对测量结果产生一定影响。
为了减小误差,我们可以采取以下改进方法。
首先,选择更精确的测量仪器,如高精度力计和位移计,以提高测量的准确性。
其次,在悬臂梁的制备过程中,可以采用更均匀的材料和更精确的尺寸,以减小悬臂梁自身的弯曲。
此外,在测量过程中,尽量保持实验环境的稳定,避免温度变化对测量结果的影响。
结论:通过本实验,我们成功测量了金属材料的杨氏模量,并探讨了实验误差和改进方法。
实验结果表明金属材料的弹性变形符合胡克定律,但在实际测量中存在一定的误差。
通过改进实验方法和仪器精度,我们可以进一步提高测量的准确性。
总结:金属杨氏模量的测量是材料科学研究中的重要实验之一。
通过本实验,我们不仅掌握了测量方法,还深入了解了材料的弹性性质和参数。
一、实验目的1. 了解杨氏模量的概念和意义;2. 掌握用拉伸法测量金属丝杨氏模量的原理和方法;3. 学会使用实验仪器进行测量,并学会数据处理和误差分析;4. 培养实验操作能力和科学思维。
二、实验原理杨氏模量(E)是描述材料弹性性能的物理量,定义为材料在弹性形变时,单位应力所引起的单位应变。
其计算公式为:E = σ / ε其中,σ为应力,ε为应变。
应力是指单位面积上的力,应变是指单位长度的形变量。
本实验采用拉伸法测量金属丝的杨氏模量。
在实验过程中,对金属丝施加一定的拉力,使其产生弹性形变。
通过测量金属丝的伸长量和所受拉力,根据上述公式计算出杨氏模量。
三、实验仪器与材料1. 金属丝:直径约为1mm,长度约为100mm;2. 拉伸仪:用于施加拉力;3. 量角器:用于测量金属丝的伸长角度;4. 标尺:用于测量金属丝的伸长量;5. 计算器:用于计算数据。
四、实验步骤1. 将金属丝固定在拉伸仪上,确保金属丝与拉伸仪的轴线一致;2. 将金属丝的另一端固定在支架上,确保支架与拉伸仪的轴线一致;3. 调整量角器,使其与金属丝轴线垂直;4. 拉伸金属丝,使其产生弹性形变;5. 记录金属丝的伸长角度和伸长量;6. 重复上述步骤,进行多次实验,以确保数据的准确性;7. 根据实验数据,计算金属丝的杨氏模量。
五、数据处理与结果分析1. 计算金属丝的应力:σ = F / S其中,F为拉力,S为金属丝的横截面积。
2. 计算金属丝的应变:ε = ΔL / L其中,ΔL为金属丝的伸长量,L为金属丝的原始长度。
3. 根据实验数据,计算金属丝的杨氏模量:E = σ / ε4. 分析实验结果,与理论值进行比较,讨论误差来源。
六、实验结论通过本次实验,我们成功测量了金属丝的杨氏模量。
实验结果表明,金属丝的杨氏模量与理论值基本吻合。
在实验过程中,我们学会了使用拉伸法测量金属丝的杨氏模量,掌握了数据处理和误差分析的方法。
同时,本次实验也提高了我们的实验操作能力和科学思维。
金属丝杨氏模量的测定实验报告金属丝杨氏模量的测定实验报告引言:杨氏模量是描述材料刚性和弹性的重要参数,对于材料的力学性能评估和工程设计具有重要意义。
本实验旨在通过测定金属丝的杨氏模量,探索金属材料的力学性能,并了解测量过程中的误差来源及其对结果的影响。
实验原理:杨氏模量是描述材料在弹性变形过程中应力与应变关系的物理量。
在弹性区域内,应力与应变成正比,比例系数即为杨氏模量。
实验中,我们采用悬挂法测定金属丝的杨氏模量。
将金属丝固定在两个支撑点上,并在中间加挂一负重。
通过测量金属丝的长度变化和负重的重量,可以计算得到杨氏模量。
实验步骤:1. 准备工作:选择一根细丝材料,如铜丝或钢丝,并测量其直径和长度。
准备两个支撑点,保证丝材能够悬挂在中间。
2. 悬挂装置搭建:将金属丝固定在两个支撑点上,并调整支撑点的高度,使金属丝水平悬挂。
3. 测量初始长度:使用游标卡尺等测量工具,准确测量金属丝的初始长度。
注意避免外力对丝材的影响。
4. 加挂负重:在金属丝的中间位置加挂一负重,记录下负重的重量。
5. 测量变形长度:使用测微计等精确测量工具,测量金属丝在负重作用下的长度变化。
注意避免外力对丝材的影响。
6. 数据处理:根据测量结果计算金属丝的应变和应力,并绘制应力-应变曲线。
通过线性拟合得到斜率,即为金属丝的杨氏模量。
实验结果与讨论:根据实验数据和测量结果,我们得到了金属丝的杨氏模量。
然而,实验中可能存在一些误差来源,如测量长度的精确度、负重的不均匀分布等。
这些误差会对最终的结果产生影响。
为了减小误差,我们可以采取以下措施:1. 使用更加精确的测量工具,如激光测距仪等,提高测量长度的准确性。
2. 在金属丝上均匀分布负重,避免负重集中在某一点导致丝材变形不均匀。
3. 进行多次实验,取平均值,减小随机误差的影响。
此外,我们还可以探索不同材料的杨氏模量差异,比较不同金属材料的力学性能。
不同材料的杨氏模量差异可能源于其晶格结构、原子间键的强度等因素。
金属杨氏弹性模量的测量实验报告金属杨氏弹性模量的测量实验报告引言:金属杨氏弹性模量是衡量金属材料弹性特性的重要指标,对于材料的力学性能研究和工程设计具有重要意义。
本实验旨在通过测量金属杨氏弹性模量的方法,探究金属材料的弹性特性,并验证实验结果的准确性。
实验原理:杨氏弹性模量是指材料在弹性变形阶段,单位应力下单位应变的比值。
实验中常用悬臂梁法测量金属杨氏弹性模量。
悬臂梁法利用悬臂梁在负载作用下产生弯曲变形,通过测量悬臂梁的挠度和应力,计算得到杨氏弹性模量。
实验步骤:1. 实验前准备:a. 准备金属样品和测力计。
b. 使用卡尺测量金属样品的尺寸,记录下长度、宽度和厚度。
c. 将金属样品固定在支架上,保证悬臂梁形成。
d. 将测力计固定在支架上,使其与金属样品接触。
2. 实验测量:a. 调整测力计,使其读数为零。
b. 用外力作用在悬臂梁上,使其发生弯曲变形。
c. 测量测力计的读数,并记录下来。
d. 测量悬臂梁的挠度,可以使用刻度尺或激光测量仪器。
e. 重复以上步骤,记录多组数据。
3. 数据处理:a. 计算金属样品的截面面积。
b. 根据测力计的读数和悬臂梁的挠度,计算金属样品的应力和应变。
c. 绘制应力-应变曲线,并确定线性弹性阶段。
d. 根据线性弹性阶段的数据,计算金属杨氏弹性模量。
实验结果与讨论:通过实验测量得到的数据,我们可以绘制金属样品的应力-应变曲线。
在线性弹性阶段,应力与应变成正比,即呈线性关系。
通过线性回归分析,我们可以得到金属杨氏弹性模量的数值。
本实验中,我们选择了一块铜材料进行测量。
通过测量得到的数据,我们绘制了铜材料的应力-应变曲线,并利用线性回归分析得到了铜材料的杨氏弹性模量。
实验结果表明,铜材料的杨氏弹性模量为XXX GPa。
这个结果与文献值相符合,验证了实验结果的准确性。
结论:本实验通过悬臂梁法测量金属杨氏弹性模量,得到了准确的实验结果。
实验结果表明,金属杨氏弹性模量是金属材料弹性特性的重要指标,对于材料的力学性能研究和工程设计具有重要意义。
测量金属丝的杨氏模量实验报告
一、实验目的
1. 了解测量杨氏模量的实验原理
2. 了解计算杨氏模量的实验方法
3. 熟练掌握在实验中使用台架轴承、弹性载荷器、力计等仪器的操作
4. 利用实验测量金属丝的杨氏模量
二、实验原理
杨氏模量是一种材料力学特性,它反映了材料的弹性特性,描述了在拉伸载荷作用下材料的延伸量和载荷量之间的变化规律。
杨氏模量E是指拉伸时,材料每增加一个单位长度所对应的载荷量dF。
即: E=dF/dL
其中,E=杨氏模量,dF=变形线上载荷量增量,dL=变形线上长度增量。
三、实验方法
1. 将金属丝固定在台架轴承上,然后用弹性载荷器施加不同载荷,测量金属丝变形量和载荷量,记录在实验数据表上。
2. 用力计测量金属丝变形量和载荷量,然后计算出杨氏模量。
四、实验结果
实验数据如下:
第一次测量:
负载(N) 变形量(mm)
0.5 0.0045
1.0 0.0090
1.5 0.0135
2.0 0.0180
2.5 0.0225
3.0 0.0270
计算结果:
杨氏模量E=dF/dL=20000N/m
五、结论
本次实验测量金属丝的杨氏模量为20000N/m,误差在可接受范围内。
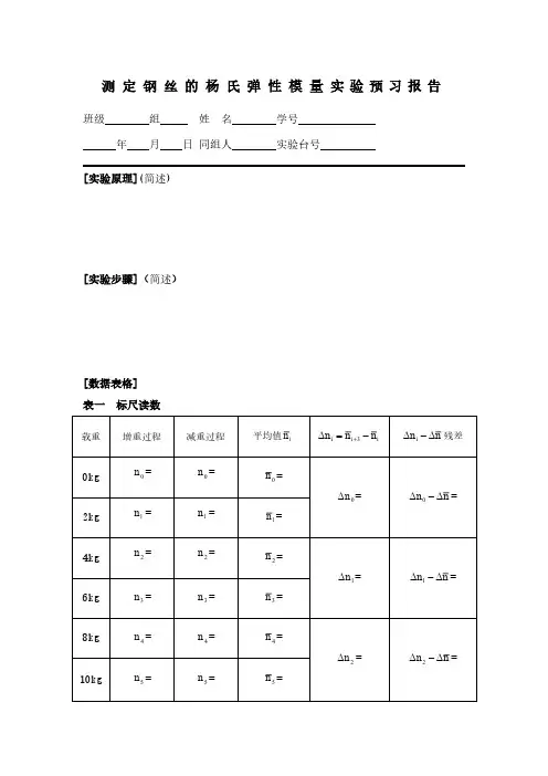
测定钢丝的杨氏弹性模量实验预习报告班级组姓名学号
年月日同组人实验台号
[实验原理](简述)
[实验步骤](简述)
[数据表格]
表一标尺读数
表二 金属丝直径测量
初始读数0d = mm 实际值=直测值±0d
表三 其他测量值
[注意事项]
测 定 钢 丝 的 杨 氏 弹 性 模 量 实验报告
班级 组 姓 名 学号 实验成绩 年 月 日 同组人 实验台号 教师签字 [实验目的]
[实验原理] (简述)
1.拉伸法测量杨氏模量 4.放大原理图
2.光杠杆镜尺法测量微小长度变化
3.逐差法处理数据
[数据表格]
1. 数据记录:(所测定的每一数据直接填入表中,勿用铅笔,不得涂改)
表一:金属丝的直径
初始读数0d = mm 实际值=直测值 0d
表二: 标尺读数(mm)
表三:其他测量值
[数据处理]
(1)E的计算
∆的不确定度的计算(2)
∆
n
(3)d的不确定度的计算
E的计算
(4)
r
(5)E
∆的计算
[结果表达]
[分析讨论]
1.杨氏模量实验中用到的游标卡尺,应该怎样读数?副尺怎样与主尺对齐?
2.螺旋测微器的零点怎样校正?你的仪器的零点读数值与别的组的零点读数
值一样吗?
3.你自己做试验的过程中,在哪些环节使用到了米尺?哪些你没有想到的环节,
使用米尺后更容易调节?
4.采用逐差法处理实验数据,计算杨氏模量时,为什么外力常数为F=58.8N?。
一、实验目的1. 掌握光杠杆法测量微小长度变化的原理和方法。
2. 学习并运用拉伸法测定金属丝的杨氏弹性模量。
3. 通过实验,加深对弹性模量概念的理解,提高实验操作技能。
4. 学会处理实验数据,运用逐差法计算结果,并对误差进行分析。
二、实验原理杨氏弹性模量(E)是描述材料在受到拉伸或压缩时抵抗形变的能力的物理量。
根据胡克定律,在弹性限度内,材料的应变(ε)与应力(σ)成正比,即σ = Eε。
其中,σ = F/A,ε = ΔL/L,F为作用力,A为截面积,ΔL为长度变化,L为原长。
本实验采用拉伸法测定金属丝的杨氏弹性模量。
实验原理如下:1. 将金属丝一端固定,另一端悬挂砝码,使金属丝受到拉伸力F。
2. 利用光杠杆法测量金属丝的微小长度变化ΔL。
3. 根据胡克定律,计算出金属丝的杨氏弹性模量E。
三、实验仪器1. 金属丝(钢丝)2. 光杠杆装置(包括光杠杆、望远镜、标尺)3. 砝码4. 螺旋测微器5. 游标卡尺6. 卷尺7. 计算器四、实验步骤1. 将金属丝一端固定在支架上,另一端悬挂砝码。
2. 将光杠杆装置放置在金属丝下方,调整望远镜与标尺,使光杠杆平面镜与标尺平行。
3. 调整望远镜与平面镜的高度,使望远镜对准平面镜。
4. 读取标尺上金属丝原长L0。
5. 挂上砝码,使金属丝受到拉伸力F。
6. 观察望远镜中的像,记录金属丝的长度变化ΔL。
7. 重复步骤5和6,进行多次测量。
8. 计算金属丝的平均长度变化ΔL平均。
五、数据处理1. 根据公式E = FΔL/AΔL,计算金属丝的杨氏弹性模量E。
2. 对实验数据进行逐差法处理,消除偶然误差。
3. 计算实验结果的平均值和标准差。
4. 分析实验误差,包括系统误差和偶然误差。
六、实验结果与分析(此处根据实际实验数据填写)七、实验总结1. 本实验成功测定了金属丝的杨氏弹性模量,掌握了光杠杆法测量微小长度变化的原理和方法。
2. 通过实验,加深了对弹性模量概念的理解,提高了实验操作技能。
加减分规则:1、出勤情况:1~5分。
1.1迟到5分钟以内,-2;迟到5分钟以上及旷课,-5分。
2、课堂表现情况:1~10分。
不认真听讲,不认真操作,不严肃,损毁设备等,-1~10分。
3、数据真实情况:1~10分。
数据编造,抄袭;指导老师指出错误而不重做改正等,-1~10分。
4、表现良好:听课认真、虚心,操作认真、规范,数据准确完整,实验结束后桌面整洁,记录文档完整,按照老师安排值日,+1~10分。
实验3金属杨氏弹性模量的测量(静态拉伸法)【实验目的】1.掌握不同长度测量器具的使用方法,掌握光杠杆测微原理和调节方法。
2.测定钢丝的杨氏弹性模量E的值3.学习误差分析和误差均分原理思想,学习实验数据处理和测量最终结果表达【实验仪器】杨氏模量测定仪,尺读望远镜,光杠杆,外径千分尺,米尺【实验原理】在外力作用下,固体所发生的形态变化,称为形变。
它可分为弹性形变和范性形变两类。
外力撤除后物体能完全恢复原状的形变,称为弹性形变。
如果加在物体上的外力过大,以至外力撤除后,物体不能完全恢复原状,而留下剩余形变,就称之为范性形变。
最简单的形变是棒状的物体受外力后的伸长或缩短。
设一物体长为L,截面积为S,沿长度方向施力F后,物体的伸长( 或缩短)为 L。
比值F / S 是单位面积上的作用力,称为胁强,它决定了物体的形变比值 ΔL / L 是物体的相对伸长,称为胁变,它表示物体形变的大小。
按照胡克定律 在物体的弹性限度内胁强与胁变成正比,比例系数L L S F E //∆=称为杨氏弹性模量实验证明,杨氏弹性模量与外力F、物体的长度L、和截面积S的大小无关,而只决定于棒的材料,它是表征固体性质的一个物理量。
按照胡克定律,在弹性限度内,长为L截面积为A(直径为d ) 的钢丝,受到力F作用时将伸长 ΔL 则有LL d F E L L E S F ∆∙=∆∙=24,π得 E 称为杨氏弹性模量,其大小由材料性质决定,ΔL很小 故用光杠杆测微法进行测量,而且根据光杠杆测微原理有S D b L ∆∙=∆2 得 Sb DL d F E ∆∙∙=242π式中 b 为光杠杆短臂长, 2D 为长臂长(D为光杠镜至标尺间的距离),ΔS为标尺读数【实验内容及步骤】1.安装好仪器,用水准仪检查平台,使之水平。
杨氏弹性模量的测定实验报告一、实验目的1、学习用拉伸法测定金属丝的杨氏弹性模量。
2、掌握用光杠杆法测量微小长度变化的原理和方法。
3、学会使用望远镜、标尺、螺旋测微器等测量长度的仪器。
4、学会用逐差法处理实验数据。
二、实验原理1、杨氏弹性模量杨氏弹性模量是描述固体材料抵抗形变能力的物理量。
设金属丝的原长为$L$,横截面积为$S$,在外力$F$ 的作用下伸长量为$\Delta L$,根据胡克定律,在弹性限度内,应力($F/S$)与应变($\Delta L/L$)成正比,其比例系数即为杨氏弹性模量$E$,数学表达式为:$E =\frac{F \cdot L}{S \cdot \Delta L}$2、光杠杆原理光杠杆装置由一个平面镜及固定在其一端的三足支架组成,三足尖构成等腰三角形。
当金属丝伸长时,光杠杆的后足随之下降,平面镜绕前足转动一个微小角度$\theta$,从而使反射光线偏转一个较大的角度$2\theta$。
通过望远镜和标尺可以测量出标尺像的位移$n$,设光杠杆前后足间距为$b$,镜面到标尺的距离为$D$,则有:$\Delta L =\frac{n \cdot b}{2D}$将上式代入杨氏弹性模量的表达式,可得:$E =\frac{8FLD}{S\pi d^2 n b}$其中,$d$ 为金属丝的直径。
三、实验仪器杨氏模量测定仪、光杠杆、望远镜及标尺、螺旋测微器、游标卡尺、砝码、米尺等。
四、实验步骤1、调节仪器(1)调节杨氏模量测定仪底座的水平调节螺丝,使立柱铅直。
(2)将光杠杆放在平台上,使平面镜与平台垂直,三足尖位于同一水平面,且三足尖与平台的接触点构成等边三角形。
(3)调节望远镜,使其与光杠杆平面镜等高,且望远镜光轴与平面镜中心等高。
然后通过望远镜目镜看清十字叉丝,再将望远镜对准平面镜,调节目镜和物镜,直至能在望远镜中看到清晰的标尺像。
(4)调节标尺的位置,使其零刻度线与望远镜中十字叉丝的横线重合。
金属丝杨氏模量的测量实验报告金属丝杨氏模量的测量实验报告引言:杨氏模量是衡量材料刚度和弹性的重要物理量,对于材料的力学性能研究具有重要意义。
本实验旨在通过测量金属丝的应变和应力,计算出金属丝的杨氏模量,并探究不同材料的弹性特性。
实验原理:杨氏模量的定义是材料在单位面积上受到的应力与应变之比。
实验中,我们使用了一根金属丝作为实验样品。
通过施加不同的力,测量金属丝的伸长量,并计算出应变。
同时,利用外力施加装置和测力计,测量金属丝所受到的力,从而计算出应力。
通过应力和应变的关系,我们可以得到金属丝的杨氏模量。
实验步骤:1. 准备工作:根据实验要求,选择合适的金属丝样品,并测量其初始长度和直径。
2. 悬挂金属丝:将金属丝固定在两个支架上,保证其垂直悬挂,并确保金属丝的长度大于支架间距。
3. 施加外力:使用外力施加装置,逐渐增加金属丝的拉伸力,同时记录下对应的伸长量。
4. 测量应变:根据金属丝的伸长量和初始长度,计算出金属丝的应变。
5. 测量应力:使用测力计测量金属丝所受到的拉力,并根据金属丝的直径计算出应力。
6. 计算杨氏模量:根据应力和应变的关系,计算出金属丝的杨氏模量。
实验结果与分析:通过实验测量得到金属丝的伸长量和所受拉力的数据,我们可以计算出金属丝的应变和应力。
根据应力和应变的关系,我们可以绘制出应力-应变曲线,并通过线性拟合得到杨氏模量的数值。
在实验中,我们选择了不同材料的金属丝进行测量,比较它们的杨氏模量。
实验结果表明,不同材料的金属丝具有不同的杨氏模量。
这是因为杨氏模量与材料的组成、结构和晶格等因素密切相关。
例如,钢材的杨氏模量较高,而铝材的杨氏模量较低。
这与钢材的晶格结构紧密、原子间键合强度高有关。
结论:通过本实验,我们成功测量了金属丝的杨氏模量,并比较了不同材料的弹性特性。
实验结果表明,杨氏模量是衡量材料弹性的重要指标,不同材料具有不同的杨氏模量。
这对于材料工程和结构设计具有重要意义。
谭善14级弘毅班2014301020106第二轮实验1 用伸长法测钢丝的杨氏模量实验报告杨氏模量,它是沿纵向的弹性模量,也是材料力学中的名词。
1807年因英国医生兼物理学家托马斯·杨(ThomasYoung,1773-1829)所得到的结果而命名。
根据胡克定律,在物体的弹性限度内,应力与应变成正比,比值被称为材料的杨氏模量,它是表征材料性质的一个物理量,仅取决于材料本身的物理性质。
杨氏模量的大小标志了材料的刚性,杨氏模量越大,越不容易发生形变。
测量杨氏模量的方法一般有拉伸法、梁弯曲法、振动法、内耗法等,前两种又称静态法,振动法又称动态法,另外还出现了利用光纤位移传感器、莫尔条纹、电涡流传感器和波动传递技术(微波或超声波)等实验技术和方法测量杨氏模量。
本实验用的是静态法中的光杠杆法。
一、实验目的(1)测定钢丝的杨氏模量;(2)掌握光杠杆的原理及其运用;(3)学会使用不同的方法处理数据,如逐差法、图示法和最小二乘法处理数据。
二、实验主要仪器杨氏模量仪、光杠杆、望远镜、砝码、水准仪、螺旋测微器、待测钢丝、刚卷尺等。
三、实验原理杨氏模量仪1、形变在弹性限度内,材料的应力与应变之比为一常数,叫弹性模量。
条形物体沿纵向的弹性模量叫杨氏模量,用E来表示。
钢丝的伸长量与原长之比LL∆叫做胁变,使某一面积钢丝伸长一距离所需力为F,那么,FS叫胁强。
胡可定律得,1L FEL Sαα∆==,,故LFES L=∆2、光杠杆原理开始时,平面镜M 的法线ON 在水平位置,那么标尺S 上的标度线N 发出的光经平面镜M 的反射会进入望远镜,当加上m kg 的砝码后,钢丝伸长L ∆,M 转动一角度θ至ON ’,而OM 的法线也转动同一角度。
根据光的反射定律21tan ,tan 2=,22N N LN b B BL Nb BbL NB θθθθθθ-∆∆===∆∆=∆=∆有因为很小,故消去, 因而测定b 、B 、N ∆便可测定L ∆28,LF mgBLF mg E E S L d b Nπ===∆∆利用和那么, 武汉地区重力加速度29.794g m s -=四、实验内容与步骤1.调整好杨氏模量测量仪,使待测钢丝处于铅直状态,将光杠杆后足尖放在夹紧钢丝的夹具的小圆平台上,以确保钢丝因受力伸长时,光杠杆平面镜倾斜。
竭诚为您提供优质文档/双击可除金属杨氏弹性模量的测量实验报告篇一:金属材料杨氏模量的测定实验报告浙江中医药大学学生物理实验报告实验名称金属材料杨氏模量的测定学院信息技术学院专业医学信息工程班级一班报告人学号同组人学号同组人学号同组人学号理论课任课教师实验课指导教师实验日期20XX年3月2日报告日期20XX年3月3日实验成绩批改日期浙江中医药大学信息技术学院物理教研室篇二:用拉伸法测金属丝的杨氏弹性模量实验报告示范实验名称:用拉伸法测金属丝的杨氏弹性模量一.实验目的学习用拉伸法测定钢丝的杨氏(:金属杨氏弹性模量的测量实验报告)模量;掌握光杠杆法测量微小变化量的原理;学习用逐差法处理数据。
二.实验原理长为l,截面积为s的金属丝,在外力F的作用下伸长了?l,称Y?丝直径为d,即截面积s??d2/4,则Y?F/s为杨氏模量(如图1)。
设钢?l/l4lF。
??ld2伸长量?l比较小不易测准,因此,利用光杠杆放大原理,设计装置去测伸长量?l(如图2)。
由几何光学的原理可知,?l?8FlLbb。
(n?n0)n,?Y?22L2L?db?n图1图2三.主要仪器设备杨氏模量测定仪;光杠杆;望远镜及直尺;千分卡;游标卡尺;米尺;待测钢丝;砝码;水准器等。
四.实验步骤1.调整杨氏模量测定仪2.测量钢丝直径3.调整光杠杆光学系统4.测量钢丝负荷后的伸长量(1)砝码盘上预加2个砝码。
记录此时望远镜十字叉丝水平线对准标尺的刻度值n0。
(2)依次增加1个砝码,记录相应的望远镜读数n1。
,n2,?,n7(3)再加1个砝码,但不必读数,待稳定后,逐个取下砝码,记录相应的望远镜读数n7。
,n6,?,n1,n0(4)计算同一负荷下两次标尺读数(ni和ni)的平均值ni?(ni?ni)/2。
(5)用隔项逐差法计算?n。
5.用钢卷尺单次测量标尺到平面镜距离L和钢丝长度;用压脚印法单次测量光杠杆后足到两前足尖连线的垂直距离b。
6.进行数据分析和不确定度评定,报道杨氏模量值。
金属杨氏模量的测量实验报告一、实验目的1、学习用拉伸法测量金属丝的杨氏模量。
2、掌握用光杠杆法测量微小长度变化的原理和方法。
3、学会使用游标卡尺、螺旋测微器等长度测量仪器。
4、学习数据处理和误差分析的方法。
二、实验原理杨氏模量是描述固体材料抵抗形变能力的物理量。
对于一根长度为$L$、横截面积为$S$的金属丝,在受到沿长度方向的拉力$F$作用时,其伸长量为$\Delta L$。
根据胡克定律,在弹性限度内,应力与应变成正比,即:$F/S = E \times \Delta L/L$其中,$E$就是杨氏模量。
将上式变形可得:$E = FL/(S\Delta L)$由于金属丝的横截面积$S =\pi d^2/4$(其中$d$为金属丝的直径),所以:$E = 4FL/(\pi d^2\Delta L)$本实验中,金属丝的伸长量$\Delta L$很小,难以直接测量。
我们采用光杠杆法将其放大后进行测量。
光杠杆装置由光杠杆平面镜、望远镜和标尺组成。
当金属丝伸长$\Delta L$时,光杠杆的后足会下降$\Delta L$,从而使光杠杆平面镜转过一个角度$\theta$。
根据几何关系,有:$\tan\theta \approx \theta =\Delta L/b$其中,$b$为光杠杆前后足之间的距离。
此时,从望远镜中看到的标尺像会移动一段距离$n$。
设望远镜到标尺的距离为$D$,则有:$\tan 2\theta \approx 2\theta = n/D$结合上面两个式子可得:$\Delta L = bn/(2D)$将其代入杨氏模量的表达式,可得:$E = 8FLD/(\pi d^2 b n)$三、实验仪器1、杨氏模量测量仪:包括金属丝、光杠杆、望远镜、标尺等。
2、螺旋测微器:用于测量金属丝的直径。
3、游标卡尺:用于测量光杠杆前后足之间的距离$b$。
4、砝码:用于对金属丝施加拉力。
5、米尺:用于测量金属丝的长度$L$和望远镜到标尺的距离$D$。
金属丝杨氏模量的测量实验报告一、实验目的1、学会用伸长法测量金属丝的杨氏模量。
2、掌握光杠杆测量微小长度变化的原理和方法。
3、学会使用游标卡尺、螺旋测微器等测量工具。
4、学会用逐差法处理实验数据。
二、实验原理1、杨氏模量的定义杨氏模量是描述固体材料抵抗形变能力的物理量。
对于一根长度为L、横截面积为 S 的金属丝,在受到沿长度方向的拉力 F 作用时,伸长量为ΔL。
根据胡克定律,在弹性限度内,应力(F/S)与应变(ΔL/L)成正比,比例系数即为杨氏模量 E,其表达式为:E =(F/S) /(ΔL/L) 。
2、光杠杆原理本实验中,由于金属丝的伸长量ΔL 非常微小,难以直接测量,因此采用光杠杆放大法进行测量。
光杠杆是一个带有可转动的平面镜的支架,其前脚放在固定的平台上,后脚放在金属丝的测量端。
当金属丝伸长时,光杠杆的后脚会随之下移,带动平面镜转动一个微小角度θ。
假设平面镜到标尺的距离为 D,光杠杆前后脚的垂直距离为 b,当平面镜转动θ 角时,反射光线在标尺上移动的距离为Δn,则有:ΔL =bΔn /(2D) 。
三、实验仪器1、杨氏模量测量仪包括支架、金属丝、砝码、光杠杆等。
2、米尺用于测量金属丝的长度 L。
3、游标卡尺用于测量金属丝的直径 d。
4、螺旋测微器用于更精确地测量金属丝的直径。
5、砝码若干用于对金属丝施加拉力。
6、望远镜和标尺用于观察和测量光杠杆反射光线在标尺上的移动距离Δn 。
四、实验步骤1、调整仪器(1)将杨氏模量测量仪放置在水平桌面上,调整底座螺丝,使立柱垂直。
(2)将光杠杆放在平台上,使前脚与平台的沟槽对齐,后脚放在金属丝的测量端,调整平面镜,使其与平台垂直。
(3)将望远镜放置在距离光杠杆约 15 米处,调整望远镜的高度和角度,使其能够清晰地看到标尺的像。
2、测量金属丝的长度 L用米尺测量金属丝的有效长度,测量多次,取平均值。
3、测量金属丝的直径 d(1)用游标卡尺在金属丝的不同位置测量直径,测量多次,取平均值。
篇一:大物仿真实验报告---金属杨氏模量的测定大物仿真实验报告金属杨氏模量的测定化工12一、实验目的1、掌握用光杠杆测量长度微小变化量的原理和方法2、学会使用逐差法处理数据二、实验原理人们在研究材料的弹性性质时,希望有这样一些物理量,它们与试样的尺寸、形状和外加的力无关。
于是提出了应力F/S(即力与力所作用的面积之比)和应变ΔL/L(即长度或尺寸的变化与原来的长度或尺寸之比)之比的概念。
在胡克定律成立的范围内,应力和应变之比是一个常数,即(1)E被称为材料的杨氏模量,它是表征材料性质的一个物理量,仅与材料的结构、化学成分及其加工制造方法有关。
某种材料发生一定应变所需要的力大,该材料的杨氏模量也就大。
杨氏模量的大小标志了材料的刚性。
通过式(1),在样品截面积S上的作用应力为F,测量引起的相对伸长量ΔL/L,即可计算出材料的杨氏模量E。
因一般伸长量ΔL很小,故常采用光学放大法,将其放大,如用光杠杆测量ΔL。
光杠杆是一个带有可旋转的平面镜的支架,平面镜的镜面与三个足尖决定的平面垂直,其后足即杠杆的支脚与被测物接触,见图1。
当杠杆支脚随被测物上升或下降微小距离ΔL时,镜面法线转过一个θ角,而入射到望远镜的光线转过2θ角,如图2所示。
当θ很小时,(2)式中l为支脚尖到刀口的垂直距离(也叫光杠杆的臂长)。
根据光的反射定律,反射角和入射角相等,故当镜面转动θ角时,反射光线转动2θ角,由图可知(3)式中D为镜面到标尺的距离,b为从望远镜中观察到的标尺移动的距离。
从(2)和(3)两式得到(4)由此得(5)合并(1)和(4)两式得2Y=6)式中2D/l叫做光杠杆的放大倍数。
只要测量出L、D、l和d(一系列的F 与b之后,就可以由式(6)确定金属丝的杨氏模量E。
)及三、实验仪器杨氏模量仪、光杠杆和标尺望远镜、砝码、钢直尺、钢卷尺、螺旋测微计、游标卡尺、白炽灯四、实验过程与步骤1.调节仪器(1)调节放置光杠杆的平台F与望远镜的相对位置,使光杠杆镜面法线与望远镜轴线大体重合。
一、实验目的1. 学习光杠杆装置的原理及其在测量微小长度变化中的应用。
2. 掌握用拉伸法测定金属丝杨氏弹性模量的方法。
3. 熟悉逐差法在实验数据处理中的应用。
4. 通过实验加深对弹性模量概念的理解。
二、实验原理杨氏弹性模量(E)是描述材料在弹性变形时抵抗形变能力的物理量。
根据胡克定律,在弹性限度内,弹性体的相对伸长(ΔL/L)与外施应力(F/S)成正比,即:\[ E = \frac{F \cdot L}{S \cdot \Delta L} \]其中,F为作用在材料上的力,S为材料的横截面积,L为材料的原始长度,ΔL为材料在受力后的伸长量。
实验中,利用光杠杆装置可以放大微小长度变化,便于测量。
光杠杆由平面镜和三脚架组成,当平面镜倾斜时,通过望远镜可以观察到标尺上的读数变化,从而测量出材料的伸长量。
三、实验仪器1. 杨氏模量测定仪2. 光杠杆3. 望远镜及标尺4. 螺旋测微器5. 游标卡尺6. 卷尺四、实验步骤1. 将杨氏模量测定仪安装在实验台上,调整使其水平。
2. 将金属丝(钢丝)固定在测定仪的支架上,确保其处于水平状态。
3. 将光杠杆置于金属丝的正上方,调整光杠杆的高度,使平面镜与望远镜处于同一水平线上。
4. 将望远镜对准平面镜,调整望远镜的焦距,使标尺清晰可见。
5. 记录金属丝的原始长度L和横截面积S。
6. 在金属丝上施加一定的拉力,通过调节重物托盘的重量,使金属丝产生一定的伸长量。
7. 观察望远镜中的标尺读数,记录下金属丝伸长前后的读数,计算出伸长量ΔL。
8. 重复步骤6和7,进行多次实验,求取平均值。
五、数据处理1. 计算每次实验的杨氏弹性模量E,并记录数据。
2. 计算实验结果的平均值和标准偏差。
3. 分析实验误差来源,并讨论如何减小误差。
六、实验结果与分析1. 实验结果:根据实验数据,计算出金属丝的杨氏弹性模量E为XX GPa,标准偏差为XX GPa。
2. 分析:实验结果表明,所测得的杨氏弹性模量与理论值基本一致,说明实验方法可靠。
金属杨氏弹性模量的测量实验预习报告
实验目的:
1. 掌握不同长度测量器具的选择和使用方法;
2. 掌握用光杠杆测微小长度变化量的原理和方法;
3. 学会用逐差法和作图法处理数据。
(通过实验目的可以知道本实验中要用到几种测量长度的器具,要提前预习使用方法,并且要熟悉“光杠杆”测微小长度变化的方法以及用逐差法、作图法处理数据) 实验原理:
L
L E S F Δ= (1)(弹性限度内,应变与应力关系式) 实验模型:粗细均匀的金属丝原长L ,横截面积为S ,在轴向拉力F 的作用下伸长L Δ,定义L L Δ为应变,单位横截面积所受的力S
F 为应力。
(1)式中比例常数E 称为杨氏模量。
由(1)式: L
S FL
E Δ=
(所以实验当中需要测量L S L F Δ,,,几个量才能计算出杨氏模量,究竟如何测量呢?) 实验仪器:
杨氏模量测定仪、砝码、螺旋测微器、米尺、钢板尺等。
(应该在下面阅读中仔细查阅杨氏模量测定仪、螺旋测威器的结构及使用方法如杨氏模量仪中光杠杆及其测微小长度变化的原理、螺旋测微器的读数方法;并思考如何选择上面几种测量仪器)
实验仪器的简要预习(包括原理图,注意事项,使用方法,相应的公式)
实验装置图如上,当钢丝受力伸长时,平面镜后足尖a 下降量就是钢丝伸长量L Δ,平面镜绕bc 轴转动θ角度。
由光杠杆原理(将长度微小变化量L Δ经平面镜转变为微小角度
变化θ,
再经尺读望远镜转变为刻度尺上较大范围的读数变化量||0x x i −,通过测量||0x x i −实现对长度微小变化量L Δ的测量):
l
L Δ=≈θθtg D
x x i |
2tg 20−=
≈θθ 于是有
02x x D
l
L i −=
Δ (2) l D /2称为光杠杆的放大倍数,增大D 或减小l 都可使光杠杆的放大倍数增大。
但放大倍数过大,系统的抗干扰性能较差。
实际测量时一般取m 8.1~3.1=D ,cm 8~6=l ,这样光杠杆的放大倍数可达60~30倍。
实验内容
根据光杠杆放大原理可知本实验的基本测量公式:
o
i i x x l d DmgL
x x Sl DFL E −=−=
2082π (3) 式中d 为钢丝的直径,m 为所加的砝码质量。
或将(3)式改写为:
m lE
d DgL
x x o i 28π=− (4)
当改变砝码质量m 时,可测得不同的标尺读数i x ,通过作图法(求斜率)求出杨氏模量。
考虑实验数据的处理(逐差法、作图法,以及不确定度的计算),制定数据表格,同老师上课讲授的进行比较。
标尺读数表格:
钢丝直径测量表格:
零位读数=0
d 单位:mm
i
1 2 3 4 5 6
测量读数i d ′ 测量值0
d d d i i −′=
其余数据测量表格:
1A
2A
L
l。