雷诺实验及其数据处理
- 格式:doc
- 大小:223.50 KB
- 文档页数:6
雷诺实验一、实验目的:1、观察液体在不同流动状态时流体质点的运动规律;2、观察流体由层流变紊流及由紊流变层流的过渡过程;3、测定液体在圆管中流动时的下临界雷诺数Re 。
二、设备外形图:三、实验原理:流体在管道中流动,有两种不同的流动状态,其阻力性质也不同。
在实验过程中,保持水箱中的水位恒定,即水头H 不变。
如果管路中出口阀门开启较小,在管路中就有稳定的平均速度v,微启红色水阀门,这时红色水与自来水同步在管路中沿轴线向前流动,红色水呈一条红色直线,其流体质点没有垂直于主流方向的横向运动,红色直线没有与周围的液体混杂,层次分明地在管路中流动。
此时,在流速较小而粘性较大和惯性力较小的情况下运动,为层流运动。
如果将出口阀门逐渐开大,管路中的红色直线出现脉动,流体质点还没有出现相互交换的现象,流体的流动呈临界状态。
如果将出口阀门继续开大,出现流体质点的横向脉动,使红色线完全扩散与自来水混合,此时流体的流动状态为紊流运动。
雷诺数Re= u×d/v,根据连续方程:Au =Q ,u = Q/A流量Q用体积法测出,即在Δt时间内流入计量水箱中流体的体积ΔV 。
Q =ΔV/ΔtA=πd2/4式中:A—管路的横截面积;d —管路直径;u—流速;ν—水的粘度。
四、实验步骤1、准备工作:将水箱充水,启动水泵至实验水箱达到溢流;2、缓慢开启阀门,使玻璃管中水稳定流动,并开启红色阀门,使红色水以微小流速在玻璃管内流动,呈层流状态。
3、开大出口阀门,使红色水在玻璃管内的流动呈紊流状态,再逐渐关小出口阀门,观察玻璃管中出口处的红色水刚刚出现脉动状态但还没有变为层流时,测定此时的流量。
重复三次,即可算出下临界雷诺数。
五、数据处理实验记录表实验管内径d=15mm 水温= ℃Re = u×d/ν六、思考题1、液体流动状态及其转变说明了什么本质问题?两种流态的基本区别是什么?2、液体的流态与哪些因素有关?对实验结果进行分析讨论。
试验七雷诺试验一、试验目旳1.观测液体流动时旳层流和紊流现象。
辨别两种不一样流态旳特性, 弄清两种流态产生旳条件。
分析圆管流态转化旳规律, 加深对雷诺数旳理解。
2、测定颜色水在管中旳不一样状态下旳雷诺数及沿程水头损失。
绘制沿程水头损失和断面平均流速旳关系曲线, 验证不一样流态下沿程水头损失旳规律是不一样旳。
深入掌握层流、紊流两种流态旳运动学特性与动力学特性。
3、通过对颜色水在管中旳不一样状态旳分析, 加深对管流不一样流态旳理解。
学习古典流体力学中应用无量纲参数进行试验研究旳措施, 并理解其实用意义。
二、试验原理1.液体在运动时, 存在着两种主线不一样旳流动状态。
当液体流速较小时, 惯性力较小, 粘滞力对质点起控制作用, 使各流层旳液体质点互不混杂, 液流呈层流运动。
当液体流速逐渐增大, 质点惯性力也逐渐增大, 粘滞力对质点旳控制逐渐减弱, 当流速到达一定程度时, 各流层旳液体形成涡体并能脱离原流层, 液流质点即互相混杂, 液流呈紊流运动。
这种从层流到紊流旳运动状态, 反应了液流内部构造从量变到质变旳一种变化过程。
液体运动旳层流和紊流两种型态, 首先由英国物理学家雷诺进行了定性与定量旳证明, 并根据研究成果, 提出液流型态可用下列无量纲数来判断:Re=Vd/νRe称为雷诺数。
液流型态开始变化时旳雷诺数叫做临界雷诺数。
在雷诺试验装置中, 通过有色液体旳质点运动, 可以将两种流态旳主线区别清晰地反应出来。
在层流中, 有色液体与水互不混惨, 呈直线运动状态, 在紊流中, 有大小不等旳涡体振荡于各流层之间, 有色液体与水混掺。
2、在如图所示旳试验设备图中, 取1-1, 1-2两断面, 由恒定总流旳能量方程知:f 2222221111h g2V a p z g 2V a p z ++γ+=+γ+由于管径不变V 1=V 2 ∴=γ+-γ+=)pz ()p z (h 2211f △h 因此, 压差计两测压管水面高差△h 即为1-1和1-2两断面间旳沿程水头损失, 用重量法或体积浊测出流量, 并由实测旳流量值求得断面平均流速 , 作为lghf 和lgv 关系曲线, 如下图所示, 曲线上EC 段和BD 段均可用直线关系式表达, 由斜截式方程得:lgh f =lgk+mlgv lgh f =lgkv m h f =kv m m 为直线旳斜率式中:12ff v lg v lgh lg h lg tg m 12--=θ=试验成果表明EC=1, θ=45°, 阐明沿程水头损失与流速旳一次方成正比例关系, 为层流区。
第二章化工原理实验实验一、雷诺实验一、实验目的:1.建立“滞流和湍流两种流动形态”的感性认识;2.观察雷诺准数与流体流动类型的相互关系;3.观察滞流时流体在圆管内的速度分布曲线;二、实验原理:1.滞流时,流体质点做直线运动,即流体分层流动,与周围的流体无宏观的混合,湍流时,流体质点呈紊乱地向各方向作随机的脉动,流体总体上仍沿管道方向流动。
2.雷诺准数是判断实际流动类型的准数。
若流体在圆管内流动,则雷诺准数可用下式表示:(2-1)一般认为,当Re≤2000时,流体流动类型属于滞流;当Re≥4000时,流动类型属于湍流;而Re值在2000~4000范围内是不稳定的过渡状态,可能是层流也可能是湍流,取决于外界干扰条件。
如管道直径或方向的改变、管壁粗糙,或有外来振动等都易导致湍流。
3.对于一定温度的流体,在特定的圆管内流动,雷诺准数仅与流速有关。
本实验是改变水在管内的速度,观察在不同雷诺准数下流体流型的变化。
理论分析和实验证明,滞流时的速度沿管径按抛物线的规律分布。
中心的流速最大,愈近管壁流速愈慢。
湍流时由于流体质点强烈分离与混合,所以速度分布曲线不再是严格的抛物线,湍流程度愈剧烈,速度分布曲线顶部的区域愈广阔而平坦,但即使湍流时,靠近管壁区域的流体仍作滞流流动,这一层称为滞流内层或滞流底层,。
它虽然极薄,但在流体中进行热量和质量的传递时,产生的阻力比流体的湍流主体部分要大得多。
三、实验装置及流程:1.实验装置示意图及流程图2-1 雷诺实验——装置示意图及流程1.溢流管;2.小瓶;3.上水管;4.细管;5.水箱;6.水平玻璃管;7.出口阀门实验装置如图2-1所示,图中水箱内的水由自来水管供给,实验时水由水箱进入玻璃管(玻璃管供观察流体流动形态和滞流时管路中流速分布之用)。
水量由出口阀门控制,水箱内设有进水稳流装置及溢流管,用以维持平稳而又恒定的液面,多余水由溢流管排入下水道。
2.实验仿真界面图2-2 雷诺实验——仿真界面四、实验步骤:1、实验步骤(1)雷诺实验1)打开进水阀,使自来水充满高位水箱;2)待有溢流后,打开流量调节阀;3)缓慢地打开红墨水调节阀;4)调节流量调节阀,并注意观察滞流现象;5)逐渐加大流量调节阀的开度,并注意观察过渡流现象;6)进一步加大流量调节阀的开度,并注意观察湍流现象;7)由孔板流量计测得流体的流量并计算出雷诺准数;8)关闭红墨水调节阀,然后关闭进水阀,待玻璃管中的红色消失,关闭流量调节阀门,结束本次实验。
雷诺实验数据处理表格
1、熟悉装置各部分的功能,记录有关常数
2、观察两种流态1)启动电源打开调速器,系统开始供水,待水箱充水开始溢流后,调节流量调节阀使其处于某一较小的流量和流速。
2)打开颜色水箱下的控制阀,是颜色水经细管道流入实验管内。
微调实验管道的流量调节阀的开度,使颜色水形成
一条很细的直线,此时管内水流形成层流状态。
3)逐渐加大流量调节阀的开度,呈直线的颜色水质点逐渐消失,此时管内的流体运动从层流转为湍流。
3、记录数据并计算雷诺准数观察玻璃管中水的流动形态,据此判断其流型,记录下五组数据,两个层流,两个湍流和一个过渡流。
结合相关参
数值计算雷诺准数。
学号姓名实验一雷诺实验一、基本原理雷诺(Reynolds)用实验方法研究流体流动时,发现影响流动类型的因素除流速u外,尚有管径(或当量管径)d,流体的密度ρ及粘度μ,并且由此四个物理量组成的无因次数群Re=duρ/μ的值是判定流体流动类型的一个标准。
Re<2000~2300时为层流Re>4000时为湍流2000<Re<4000时为过渡区,在此区间可能为层流,也可能为湍流。
二、设备参数环境参数:温度 20℃压力 101325kPa水的参数:密度 998.2kg/m3 粘度 100.5E-5Pa*s设备参数:玻璃管径:20mm三、实验步骤●打开进水阀门在输入框输入0-100的数字,也可以通过点击上下按钮调节阀门开度。
按回车键完成输入,按ESC 键取消输入。
●打开红墨水阀●打开排水阀门●查看流量点击转子流量计查看当前流体流量●观察流体流动状态点击玻璃管,通过弹出的录像查看流体的流动状态●记录数据点击画面下方的自动记录按钮,记录实验数据,也可以手动记录。
●重复第三步到第六步,记录排水阀不同开度下的流量。
四、数据处理雷诺数计算公式Re=duρ/μ从这个定义式来看,对同一仪器d为定值,故u仅为流量的函数。
对于流体水来说,ρ,μ几乎仅为温度的函数。
因此确定了温度及流量,即可唯一的确定雷诺数。
数据记录:五、注意事项1、雷诺实验要求减少外界干扰,严格要求时应在有避免振动设施的房间内进行,由于条件不具备演示实验也可以在一般房间内进行,因为外界干扰及管子粗细不均匀等原因,层流的雷诺数上界到不了2300,只能到1600左右。
2、层流时红墨水成一线流下,不与水相混。
3、湍流时红墨水与水混旋,分不出界限。
一、实验目的1. 观察流体流动过程中不同的流动形态及其变化过程;2. 测定流动形态变化时的临界雷诺数;3. 理解雷诺数与层流、湍流的关系;4. 掌握实验数据处理方法。
二、实验原理雷诺实验揭示了流体流动的两种基本形态:层流和湍流。
层流是指流体在管道内流动时,流体质点沿直线运动,彼此之间无宏观混合。
湍流则是指流体流动时,流体质点之间发生宏观混合,流速不均匀,产生涡流。
雷诺数(Re)是判断流体流动形态的无量纲数,其计算公式为:Re = ρvd/μ,其中ρ为流体密度,v为流体流速,d为管道直径,μ为流体粘度。
当Re较小时,流体流动为层流;当Re较大时,流体流动为湍流。
临界雷诺数是层流与湍流转变的界限。
三、实验仪器与材料1. 实验装置:自循环雷诺实验装置(包括供水器、实验台、可控硅无级调速器、恒压水箱、有色水水管、稳水隔板、溢流板、实验管道、实验流量调节阀等);2. 实验材料:有色水、清水、压差计、计时器等。
四、实验步骤1. 调整实验装置,确保供水稳定,管道内无气泡;2. 开启供水器,调整流量,使管道内流速逐渐增大;3. 观察有色水在管道内的流动形态,记录下层流、湍流及临界雷诺数;4. 使用压差计测量管道两端的水头差,计算沿程水头损失;5. 记录实验数据,进行数据处理。
五、实验结果与分析1. 观察到当流速较小时,管道内流体质点沿直线运动,颜色均匀,无涡流,为层流;2. 随着流速增大,流体质点开始发生宏观混合,颜色逐渐变淡,出现涡流,为湍流;3. 通过实验,测得临界雷诺数为2000;4. 根据实验数据,绘制沿程水头损失与断面平均流速的关系曲线,分析层流、湍流及临界雷诺数的关系。
六、实验结论1. 雷诺实验验证了流体流动的两种基本形态:层流和湍流;2. 临界雷诺数是层流与湍流转变的界限,本实验测得临界雷诺数为2000;3. 雷诺数与流体流动形态密切相关,当雷诺数较小时,流体流动为层流;当雷诺数较大时,流体流动为湍流。
第1篇一、实验目的1. 观察液体流动时的层流和湍流现象,区分两种不同流态的特征。
2. 搞清两种流态产生的条件,分析圆管流态转化的规律,加深对雷诺数的理解。
3. 测定颜色水在管中的不同状态下的雷诺数及沿程水头损失。
4. 绘制沿程水头损失和断面平均流速的关系曲线,验证不同流态下沿程水头损失的规律是不同的。
5. 进一步掌握层流、湍流两种流态的运动学特性与动力学特性。
6. 通过对颜色水在管中的不同状态的分析,加深对管流不同流态的了解。
7. 学习古典流体力学中应用无量纲参数进行实验研究的方法,并了解其实用意义。
二、实验原理液体在管道中流动时,存在着两种根本不同的流动状态:层流和湍流。
当液体流速较小时,惯性力较小,粘滞力对质点起控制作用,使各流层的液体质点互不混杂,液流呈层流运动。
当液体流速逐渐增大,质点惯性力也逐渐增大,粘滞力对质点的控制逐渐减弱,当流速达到一定程度时,各流层的液体形成涡体并能脱离原流层,液流质点即互相混杂,液流呈湍流运动。
雷诺数(Re)是衡量液体流动状态的无量纲参数,其表达式为:\[ Re = \frac{\rho v D}{\mu} \]其中,ρ为液体密度,v为液体平均流速,D为管道直径,μ为液体动力粘度。
根据雷诺数的不同范围,可以将液体的流动状态分为以下三种:1. 层流(Re < 2000):液体流动稳定,流体质点平行于管道轴线运动,速度分布均匀。
2. 湍流(Re > 4000):液体流动不稳定,流体质点作无规则运动,速度分布不均匀。
3. 过渡流(2000 < Re < 4000):液体流动介于层流和湍流之间,流动状态不稳定。
三、实验装置实验装置主要由以下部分组成:1. 实验台:用于放置实验器材。
2. 可控硅无级调速器:用于调节水的流速。
3. 恒压水箱:用于提供稳定的水源。
4. 实验管道:用于液体流动。
5. 实验流量调节阀:用于调节实验流量。
6. 有色水水管:用于观察液体流动状态。
雷诺实验带数据处理.doc雷诺实验(Reynolds Experiment)是19世纪末期的流体力学实验,它的目的是研究液体在直径较小的管道中的流动规律。
这项实验建立了流体力学的一个重要概念——雷诺数(Reynolds Number),它被广泛用于描述流体的运动状态和流动特性。
雷诺实验的数据处理是这个实验的一个重要环节,下面我们将详细介绍雷诺实验的数据处理过程。
一、实验原理雷诺实验的原理是通过调整液体的流量和管道直径来控制雷诺数,观察液体在不同雷诺数下的流动规律,从而获得对液体流动的基本了解。
实验需要用到以下几个参数:1. 流量(Q):指单位时间内流过管道的液体体积。
2. 管道直径(D):液体在管道内的直径。
3. 密度(ρ):液体的质量密度。
根据这些参数,可以计算出雷诺数(Re):Re = (ρDv)/μ其中,v为液体在管道内的平均流速。
根据雷诺数的大小,可以将液体流动分为三个不同的区域:1. 慢流动区:Re<2000。
此时,流体的黏性和惯性力相比较弱,流体的运动状态会受到黏性力的影响,呈现出平滑的层流状态。
2. 过渡区:2000<Re<4000。
此时,流体的惯性力开始增强,液体开始呈现出交替漩涡的纹路。
在这个区域内,液体的流动状态已经开始变得复杂。
3. 快流动区:Re>4000。
此时,液体的惯性力占据主导地位,液体的流动状态呈现出湍流状态。
不规则的漩涡和流体涡流的形成使得液体流动变得非常混乱并且难以预测。
二、实验过程1. 实验器材雷诺实验需要用到管道、放大器、方法罐、压力表和流量计等设备。
其中,管道和放大器是实验的核心设备。
管道带有刻度,可以通过刻度调整管道的直径;放大器可以放大流体的流动状态,方便观察。
2. 实验步骤1)将液体放入方法罐中,打开管道,将液体流入到管道中;2)调整流量计,控制液体的流量;3)通过调整管道直径和流量,控制雷诺数,观察液体的流动状态并记录数据。
实验一雷诺实验一、实验目的1、观察流体流动时各种流动型态;2、观察层流状态下管路中流体速度分布状态;3、测定流动型态与雷诺数Re之间的关系及临界雷诺数值。
二、实验原理概述流体在流动过程中有两种截然不同的流动状态,即层流和湍流。
它取决于流体流动时雷诺数Re值的大小。
雷诺数:Re=duρ/μ式中:d-管子内径,mu-流体流速,m/sρ-流体密度,kg/m3μ-流体粘度,kg/(m·s)实验证明,流体在直管内流动时,当Re≤2000时属层流;Re≤4000时属湍流;当Re在两者之间时,可能为层流,也可能为湍流。
流体于某一温度下在某一管径的圆管内流动时,Re值只与流速有关。
本实验中,水在一定管径的水平或垂直管内流动,若改变流速,即可观察到流体的流动型态及其变化情况,并可确定层流与湍流的临界雷诺数值。
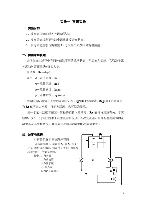
三、装置和流程本实验装置和流程图如右图。
水由高位槽1,流径管2,阀5,流量计6,然后排入地沟。
示踪物(墨水)由墨水瓶3经阀4、管2至地沟。
其中,1为水槽2为玻璃管3为墨水瓶4、5为阀6为转子流量计四、操作步骤1、打开水管阀门2、慢慢打开调节阀5,使水徐徐流过玻璃管3、打开墨水阀4、微调阀5,使墨水成一条稳定的直线,并记录流量计的读数。
5、逐渐加大水量,观察玻璃管内水流状态,并记录墨水线开始波动以及墨水与清水全部混合时的流量计读数。
6、再将水量由大变小,重复以上观察,并记录各转折点处的流量计读数。
7、先关闭阀4、5,使玻璃管内的水停止流动。
再开墨水阀,让墨水流出1~2cm距离再关闭阀4。
8、慢慢打开阀5,使管内流体作层流流动,可观察到此时的速度分布曲线呈抛物线状态。
五、实验数据记录和处理表1 雷诺实验数据记录。
雷诺实验报告数据处理本报告旨在对雷诺实验所得数据进行处理和分析,以得出结论并提出相应建议。
雷诺实验是一项重要的流体力学实验,通过测量流体在管道中的流速分布,可以得出管道流体的阻力特性和流动规律。
数据处理是实验过程中不可或缺的一环,其结果直接影响对实验结论的准确性和可靠性。
首先,我们对实验中得到的原始数据进行了整理和筛选,去除了可能存在的异常值和误差数据。
然后,我们对筛选后的数据进行了统计分析,包括平均值、标准差、偏度、峰度等统计量的计算。
通过统计分析,我们可以对数据的分布情况有一个直观的了解,为后续的数据处理和分析提供基础。
接下来,我们对数据进行了图表展示,包括直方图、箱线图、散点图等。
通过图表展示,我们可以更直观地观察数据的分布情况和异常点的存在情况,为后续的数据处理和分析提供参考。
在图表展示的基础上,我们对数据进行了进一步的处理,包括数据平滑、插值、拟合等操作,以便更好地观察数据的规律和趋势。
在数据处理的基础上,我们对数据进行了相关性分析和回归分析。
通过相关性分析,我们可以了解各个变量之间的相关程度,为后续的因果分析和结论推断提供依据。
而通过回归分析,我们可以建立起数据之间的数学模型,从而预测未来的数据变化趋势和规律,为实验结论的推断和应用提供支持。
最后,我们对实验数据进行了结论和建议的提出。
在结论部分,我们对实验数据进行了总结和归纳,得出了对实验问题的解答和对实验结论的说明。
在建议部分,我们针对实验中存在的问题和不足,提出了相应的改进和完善措施,以期提高实验的准确性和可靠性。
综上所述,本报告对雷诺实验报告数据处理的过程进行了详细的描述和分析,通过数据处理和分析,我们得出了对实验结论的准确性和可靠性的评价,为实验结果的推断和应用提供了支持。
同时,我们也提出了对实验的改进和完善建议,以期提高实验的质量和效果。
希望本报告能为雷诺实验的数据处理和分析提供参考和借鉴,为相关研究和实践工作提供支持和帮助。
一、实验目的1. 观察层流和湍流的流态及其转换特征;2. 通过临界雷诺数,掌握圆管流态判别准则;3. 掌握误差分析在实验数据处理中的应用。
二、实验原理雷诺实验是通过改变管道中的流速,观察流体流动状态的变化,从而研究层流和湍流之间的转换规律。
实验中,流体的流动状态取决于雷诺数(Re),其定义为:\[ Re = \frac{vD}{\nu} \]其中,v为流体的平均流速,D为管道直径,ν为流体的运动粘度。
当雷诺数较小时,流体呈现层流状态;当雷诺数较大时,流体呈现湍流状态。
临界雷诺数(Re_critical)是流体从层流转换为湍流的临界值。
三、实验装置与数据记录实验装置采用自循环雷诺实验装置,主要由供水器、实验台、可控硅无级调速器、恒压水箱、有色水水管、稳水隔板、溢流板、实验管道和实验流量调节阀等组成。
实验过程中,记录以下数据:1. 管径(D):0.02-0.02m;2. 水温:18℃;3. 密度(ρ):998.62kg/m³;4. 粘度(ν):1.053×10⁻³Pa·s;5. 实验次序;6. 流量(Q):通过调节实验流量调节阀得到;7. 流速(v):根据流量和管径计算得到;8. 雷诺数(Re):根据流速、管径和粘度计算得到。
四、数据处理1. 计算不同流量下的流速和雷诺数:\[ v = \frac{Q}{A} \]其中,A为管道截面积,A = πD²/4。
\[ Re = \frac{vD}{\nu} \]2. 绘制流速-雷诺数关系图:以流速为横坐标,雷诺数为纵坐标,绘制流速-雷诺数关系图。
观察曲线,找出临界雷诺数(Re_critical)。
3. 分析实验数据:(1)当雷诺数小于临界雷诺数时,流体呈现层流状态,流速分布均匀,流线平行。
(2)当雷诺数大于临界雷诺数时,流体呈现湍流状态,流速分布不均匀,流线弯曲,出现涡流。
4. 误差分析:(1)实验装置的精度:实验装置的精度会影响实验数据的准确性。
雷诺实验实验报告一、实验目的雷诺实验是研究流体流动形态的重要实验,其主要目的在于:1、观察流体在管内流动时的不同流动形态,即层流和湍流。
2、测定不同流动形态下的雷诺数,以明确雷诺数与流动形态之间的关系。
3、了解如何通过控制实验条件来改变流体的流动形态。
二、实验原理雷诺数(Reynolds Number)是用来判断流体流动形态的无量纲数,其定义为:\Re =\frac{vd\rho}{\mu}\其中,\(v\)为流体的平均流速,\(d\)为管道直径,\(\rho\)为流体密度,\(\mu\)为流体的动力粘度。
当雷诺数小于某一临界值时,流体流动呈层流状态;当雷诺数大于该临界值时,流体流动呈湍流状态。
在实验中,通过调节流量改变流速,同时观察有色液体在管中的流动形态,并测量相应的流量、管径等参数,计算出雷诺数。
三、实验装置本实验所用的雷诺实验装置主要由以下部分组成:1、实验台:提供稳定的支撑和操作平台。
2、玻璃管:作为流体流动的通道,便于观察流动形态。
3、水箱:用于储存和供应实验所需的流体。
4、流量计:测量流体的流量。
5、调节阀:调节流体的流量大小。
6、有色液体注入装置:用于注入有色液体以观察流动形态。
四、实验步骤1、首先,检查实验装置的各个部分是否连接完好,确保无泄漏现象。
2、向水箱中注入适量的水,并开启循环系统,使水在装置中流动,排除管道中的气泡。
3、调节调节阀,使水的流量较小,此时观察有色液体在玻璃管中的流动形态,应为层流。
记录此时的流量、水温等数据。
4、逐渐增大调节阀的开度,增加水的流量,继续观察有色液体的流动形态。
当流动形态发生明显变化,从层流转变为湍流时,记录此时的流量、水温等数据。
5、重复步骤 3 和 4,进行多次测量,以获取更准确的数据。
6、实验结束后,关闭调节阀和循环系统,清理实验装置。
五、实验数据记录与处理以下是一组实验数据记录示例:|实验次数|流量(L/min)|水温(℃)|管径(mm)|平均流速(m/s)|雷诺数|流动形态|||||||||| 1 | 5 | 20 | 20 | 013 | 2600 |层流|| 2 | 10 | 20 | 20 | 027 | 5400 |湍流|| 3 | 8 | 22 | 20 | 021 | 4200 |层流|| 4 | 12 | 22 | 20 | 032 | 6400 |湍流|根据上述数据,计算平均流速和雷诺数的公式如下:平均流速\(v =\frac{Q}{A}\),其中\(Q\)为流量,\(A =\frac{\pi d^2}{4}\)为管道横截面积。
第1篇一、实验目的1. 观察流体在管内流动的两种不同流型(层流和湍流)。
2. 测定临界雷诺数(Re)。
3. 掌握流体流动状态判别准则。
4. 学习应用无量纲参数进行实验研究的方法,并了解其实际意义。
二、实验原理流体在管道中流动时,存在两种流动状态:层流和湍流。
层流是指流体质点沿流动方向做有序、稳定的运动,质点之间无相互混合。
湍流是指流体质点做无序、复杂的运动,质点之间发生相互混合。
层流和湍流的转变与雷诺数(Re)有关,当雷诺数小于一定值时,流体为层流;当雷诺数大于一定值时,流体为湍流。
雷诺数计算公式如下:\[ Re = \frac{\rho v d}{\mu} \]其中,ρ为流体密度,v为流速,d为管道直径,μ为流体粘度。
三、实验装置本实验采用自循环雷诺实验装置,主要包括以下部分:1. 自循环供水器:用于提供恒定的供水流量。
2. 实验台:用于放置实验装置。
3. 可控硅无级调速器:用于调节供水流量。
4. 恒压水箱:用于维持恒定的供水压力。
5. 有色水水管:用于注入有色水,观察流体流动状态。
6. 稳水隔板:用于提高进口前水体稳定度。
7. 溢流板:用于维持水箱水位稳定。
8. 实验管道:用于观察流体流动状态。
9. 实验流量调节阀:用于调节实验流量。
1. 调整实验装置,确保各部分连接牢固。
2. 将有色水注入有色水水管,观察流体流动状态。
3. 调节可控硅无级调速器,改变供水流量。
4. 观察流体流动状态,记录层流和湍流的临界流速。
5. 计算临界雷诺数。
6. 重复实验,验证实验结果的准确性。
五、实验结果与分析1. 观察到当供水流量较小时,流体呈层流状态,流体质点沿流动方向做有序、稳定的运动,有色水沿管道中心线流动,无明显涡流。
2. 当供水流量增大到一定程度时,流体呈湍流状态,流体质点做无序、复杂的运动,有色水在管道中形成涡流,流体流动状态不稳定。
3. 通过计算,得到临界雷诺数为2000。
4. 实验结果表明,当雷诺数小于2000时,流体为层流;当雷诺数大于2000时,流体为湍流。
雷诺实验报告
实验目的:通过雷诺实验测量流体在管道中的湍流转捩临界雷诺数。
实验原理:当流体在管道内流动时,当流速不断增大时,原本属于层流状态的流动会发生转捩,并出现湍流现象。
雷诺实验是通过改变流体流过管道的速度,观察流动状态的变化来测量流体的转捩临界雷诺数。
实验仪器与装置:雷诺实验装置包括一个立式水管,水泵,流量调节阀,流量计,压力表等。
实验步骤:
1. 打开水泵,调节流量调节阀,使水流通过管道。
2. 逐渐增加水泵的工作压力,调节流量调节阀,使水流速度逐渐增大。
3. 当水流进入管道后,观察水流的状态。
当水流呈现湍流时,记录此时的流速,并记为临界雷诺数。
4. 重复上述步骤,进行多次实验,取平均值。
实验数据处理与分析:根据实验得到的数据,计算出多次实验的平均流速,并确定转捩临界雷诺数。
分析实验结果与理论值的差异,并对实验误差和影响因素进行讨论。
实验结论:根据实验结果,得出流体在管道中的湍流转捩临界雷诺数。
讨论实验误差和影响因素,并提出改进实验方法的建议。
雷诺实验
一、实验目的要求
1.观察层流、紊流的流态及其转捩特征;
2.测定临界雷诺数,掌握圆管流态判别准则;
3.学习古典流体力学中应用无量纲参数进行实验研究的方法,并了解其实用意义。
二、实验装置
实验装置如下图所示:
自循环雷诺实验装置图
1 自循环供水器
2 实验台
3 可控硅无级调速器
4 恒压水箱
5 有色水水管
6 稳水隔板
7 溢流板
8 实验管道
9 实验流量调节阀
供水流量由无级调速器调控使恒压水箱4始终保持微溢流的程度,以提高进口前水体稳定度。
本恒压水箱还设有多道稳水隔板,可使稳水时间缩短到3~5分钟。
有色水经有色水水管5注入实验管道8,可据有色水散开与否判别流态。
为防止自循环水污染,有色指示水采用自行消色的专用色水。
三、实验原理
流体在管道中流动存在两种流动状态,即层流与湍流。
从层流过渡到湍流状态称为流动的转捩,管中流态取决于雷诺数的大小,原因在于雷诺数具有十分明确的物理意义即惯性力与粘性力之比。
当雷诺数较小时,管中为层流,当雷诺数较大时,管中为湍流。
转捩所对应的雷诺数称为临界雷诺数。
由于实验过程中水箱中的水位稳定,管径、水的密度与粘性系数不变,因此可用改变管中流速的办法改变雷诺数。
雷诺数 KQ d Q
vd R e ===
ν
πν4 ; K =νπd 4
四、实验方法与步骤
1.测记实验的有关常数。
2.观察两种流态。
打开开关3使水箱充水至溢流水位。
经稳定后,微微开启调节阀9,并注入颜色水于实验管内使颜色水流成一直线。
通过颜色水质点的运动观察管内水流的层流流态。
然后逐步开大调节阀,通过颜色水直线的变化观察层流转变到紊流的水力特征。
待管中出现完全紊流后,再逐步关小调节阀,观察由紊流转变为层流的水力特征。
3.测定下临界雷诺数。
①将调节阀打开,使管中呈完全紊流。
再逐步关小调节阀使流量减小。
当流量调节到使颜色水在全管刚呈现出一稳定直线时,即为下临界状态;
②待管中出现临界状态时,用重量法测定流量;
③根据所测流量计算下临界雷诺数,并与公认值(2320)比较。
偏离过大,需重测;
④重新打开调节阀,使其形成完全紊流,按照上述步骤重复测量不少于三次;
⑤同时用水箱中的温度计测记水温,从而求得水的运动粘度。
注意:
a、每调节阀门一次,均需等待稳定几分钟;
b、关小阀门过程中,只许渐小,不许开大;
c、随出水流量减小,应适当调小开关(右旋),以减小溢流量引发的扰动。
雷诺实验数据及处理
逐渐开启调节阀,使管中水流由层流过渡到紊流,当色水线刚开始散开时,即为上临界状态,测定上临界雷诺数l一2次。
5.收拾实验台,整理数据。
五、实验报告要求
1.简要写出实验原理和实验步骤,画出实验装置。
2. 记录、计算有关常数。
实验装置台号No : 4 管径(cm )d = 1.37cm 水温 (C
)t = 16 运动粘度 ( cm 2/s ) ν =
=++2
000221.00337.0101775
.0t t 0.01123
计算常数(s /cm 3) K = 83.554
3. 整理、记录计算表并实测临界雷诺数。
注:颜色水形态指稳定直线,稳定略弯曲,直线摆动,直线抖动,断续,完全散开等。
六、实验分析与讨论
1.流态判据为何采用无量纲参数,而不采用临界流速? 因为流态不仅与流速有关还和特征尺寸、密度粘性系数有关
2.为何认为上临界雷诺数无实际意义,而采用下临界雷诺数作为层流与湍流的判据?实测下临界雷诺数为多少?
上临界雷诺数不稳定,变化范围大12000~40000,下临界雷诺数比较稳定,约为2320。
工程中一般采用2320做为层流、紊流的分界
3.雷诺实验得出的圆管流动下临界雷诺数为2320,而目前有些教科书中介绍采用的下临界雷诺数是2000,原因何在?
因为下临界雷诺数受截面影响,不同的截面下临界雷诺数不同圆管最大,其他的较小所以统一采用2000
THANKS !!!
致力为企业和个人提供合同协议,策划案计划书,学习课件等等
打造全网一站式需求
欢迎您的下载,资料仅供参考。