JGJ59-2011建筑施工安全检查标准评分表(全套)
- 格式:doc
- 大小:562.00 KB
- 文档页数:20
建筑施工安全检查标准-JGJ59-2011完整版表A 建筑施工安全检查评分汇总表企业名称:资质等级:年月日表B.1 安全管理检查评分表序号检查项目扣分标准应得分数扣减分数实得分数1保证项目安全生产责任制未建立安全生产责任制,扣10分安全生产责任制未经责任人签字确认,扣3分未备有各工种安全技术操作规程,扣2~10分未按规定配备专职安全员,扣2~10分工程项目部承包合同中未明确安全生产考核指标,扣5分未制定安全生产资金保障制度,扣5分未编制安全资金使用计划或未按计划实施,扣2~5分未制定伤亡控制、安全达标、文明施工等管理目标,扣5分未进行安全责任目标分解的,扣5分未建立对安全生产责任制和责任目标的考核制度,扣5分未按考核制度对管理人员定期考核,扣2~5分102 施工组织设计及专项施工方案施工组织设计中未制定安全技术措施,扣10分危险性较大的分部分项工程未编制安全专项施工方案,扣10分未按规定对超过一定规模危险性较大的分部分项工程专项方案进行专家论证,扣10分施工组织设计、专项施工方案未经审批,扣10分安全技术措施、专项施工方案无针对性或缺少设计计算,扣2~8分未按施工组织设计、专项施工方案组织实施,扣2~10分103 安全技术交底未进行书面安全技术交底,扣10分未按分部分项进行交底,扣5分交底内容不全或针对性不强,扣2~5分交底未履行签字手续,扣4分104 安全检查未建立安全检查制度,扣10分未有安全检查记录,扣5分事故隐患的整改未做到定人、定时间、定措施,扣2~6分对重大事故隐患改通知书所列项目未按期整改和复查,扣5-10分105 安全教育未建立安全教育培训制度,扣10分施工人员入场工人未进行三级安全教育培训和考核,扣5分未明确具体安全教育培训内容,扣2~8分变换工种或采用新技术、新工艺、新设备、新材料施工时未进行安全教育,扣5分施工管理人员、专职安全员未按规定进行年度教育培训和考核,每人扣2分106应急预案未制定安全生产应急救援预案,扣10分未建立应急救援组织或未按规定配备救援人员,扣2~6分未定期进行应急救援演练,扣5分未配置应急救援器材和设备,扣5分10 小计607一般项目分包单位安全管理分包单位资质、资格、分包手续不全或失效,扣10分未签定安全生产协议书,扣5分分包合同、安全生产协议书,签字盖章手续不全,扣2~6分分包单位未按规定建立安全机构或未配备专职安全员,扣2~6分108 持证上岗未经培训从事施工、安全管理和特种作业,每人扣5分项目经理、专职安全员和特种作业人员未持证上岗,每人扣2分109 生产安全事故处理生产安全事故未按规定报告,扣10分生产安全事故未按规定进行调查分析、制定防范措施,扣10分未依法为施工作业人员办理保险,扣5分1010 安全标志主要施工区域、危险部位未按规定悬挂安全标志,扣2~6分未绘制现场安全标志布置图,扣3分未按部位和现场设施的变化调整安全标志设置,扣2~6分未设置重大危险源公示牌,扣5分10小计40 检查项目合计100表B.2 文明施工检查评分表序号检查项目扣分标准应得分数扣减分数实得分数1保证项目现场围挡市区主要路段的工地未设置封闭围挡或围挡高度小于2.5m的,扣5~10分一般路段的工地未设置封闭围挡或围挡高度小于1.8m,扣5~10分围挡未达到坚固、稳定、整洁、美观,扣5~10分102 封闭管理施工现场出入口未设置大门,扣10分未设置门卫室,扣5分未建立门卫值守管理制度或未配备门卫值守人员,扣2~6分施工人员进入施工现场未佩戴工作卡,扣2分施工现场出入口未标有企业名称或标识,扣2分未设置车辆冲洗设施,扣3分103 施工场地施工现场主要道路及材料加工区地面未进行硬化处理,扣5分现场道路不畅通、路面不平整坚实,扣5分施工现场未采取防尘措施,扣5分施工现场未设置排水设施或排水不通畅、有积水,扣5分未采取防止泥浆、污水、废水污染环境措施,扣2~10分未设置吸烟处、随意吸烟,扣5分温暖季节未进行绿化布置,扣3分104 材料管理建筑材料、构件、料具未按总平面布局码放,扣4分材料码放不整齐、未标明名称、规格,扣2分施工现场材料存放未采取防火、防锈蚀、防雨措施,扣3~10分建筑物内施工垃圾的清运未使用器具或管道运输,扣5分易燃易爆物品未分类储藏在专用库房、未采取防火措施,扣5~10分105 现场办公与住宿施工作业区、材料存放区与办公、生活区未采取隔离措施,扣6分宿舍、办公用房防火等级不符合有关消防安全技术规范要求,扣10分在施工程、伙房、库房兼作住宿,扣10分宿舍未设置可开启式窗户,扣4分宿舍未设置床铺、床铺超过2层或通道宽度小于0.9m,扣2~6分宿舍人均面积或人员数量不符合规范要求,扣5分冬季宿舍内未采取保暖和防一氧化碳中毒措施,扣5分夏季宿舍内未采取防暑降温和防蚊蝇措施,扣5分生活用品摆放混乱、环境卫生不符合要求,扣3分106 现场防火施工现场未制定消防安全管理制度、消防措施,扣10分施工现场的临时用房和作业场所的防火设计不符合规范要求,扣10分施工现场消防通道、消防水源的设置不符合规范要求,扣5~10分施工现场灭火器材布局、配置不合理或灭火器材失效,扣5分未办理动火审批手续或未指定动火监护人员,扣5~10分10小计607 综合治理生活区未设置作业人员设置学习和娱乐场所,扣2分施工现场未建立治安保卫制度或责任未分解到人,扣3~5分施工现场未制定治安防范措施,扣5分108一般项目公示标牌大门口处设置的公示牌内容不齐全,扣2~8分标牌不规范、不整齐,扣3分未设置安全标语,扣3分未设置宣传栏、读报栏、黑板报,扣2~4分109 生活设施未建立卫生责任制度,扣5分食堂与厕所、垃圾站、有毒有害场所的距离不符合规范要求,扣2~6分食堂未办理卫生许可证或未办理炊事人员健康证,扣5分食堂使用的燃气罐未单独设置存放间或存放间通风条件不良,扣2~4分食堂未配备排风、冷藏、消毒、防鼠、防蚊蝇等设施,扣4分厕所内的设施数量或布局不符合规范要求,扣2~6分厕所卫生未达到规定要求,扣4分不能保证现场人员卫生饮水,扣5分未设置淋浴室或淋浴室不能满足现场人员需求,扣4分生活垃圾未装容器或未及时清理,扣3~5分1010 社区服务夜间未经许可施工,扣8分施工现场焚烧各类废弃物,扣8分施工现场未制定防粉尘、防噪音、防光污染等措施,扣5分未制定施工不扰民措施,扣5分10 小计40检查项目合计100表B.3 扣件式钢管脚手架检查评分表序号检查项目扣分标准应得分数扣减分数实得分数1保证项目施工方案架体搭设未编制专项施工方案或未按规定审核、审批,扣10分架体结构设计未进行设计计算,扣10分架体搭设超过规范允许高度,专项施工方案未按规定组织专家论证,扣10分102 立杆基础立杆基础不平、不实,不符合专项施工方案要求,扣5~10分立杆底部缺少底座、垫板或垫板的规格不符合规范要求,每处扣2-5分未按规范要求设置纵、横向扫地杆,扣5~10分扫地杆的设置和固定不符合规范要求,扣5分未采取排水措施,扣8分103 架体与建筑结构拉结架体与建筑结构拉结方式或间距不符合规范要求,每处扣2分架体底层第一步纵向水平杆处未按规定设置连墙件或未采用其他可靠措施固定,每处扣2分搭设高度超过24m的双排脚手架,未采用刚性连墙件与建筑结构可靠连接,扣10分104 杆件间距与剪刀撑立杆、纵向水平杆、横向水平杆间距超过设计或规范要求,每处扣2分未按规定设置纵向剪刀撑或横向斜撑,每处扣5分剪刀撑未沿脚手架高度连续设置或角度不符合规范要求,扣5分剪刀撑斜杆的接长或剪刀撑斜杆与架体杆件固定不符合规范要求,每处扣2分105 脚手板与防护栏杆脚手板未满铺或铺设不牢、不稳,扣5~10分脚手板规格或材质不符合规范要求,扣5~10分架体外侧未设置密目式安全网封闭或网间连接不严,扣5~10分作业层防护栏杆不符合规范要求,扣5分作业层未设置高度不小于180㎜的挡脚板,扣3分106 交底与验收架体搭设前未进行交底或交底未留有文字记录,扣5~10分架体分段搭设、分段使用未进行分段验收,扣5分架体搭设完毕未办理验收手续,扣10分验收内容未进行量化,或未经责任人签字确认,扣5分10 小计607一般项目横向水平杆设置未在立杆与纵向水平杆交点处设置横向水平杆,每处扣2分未按脚手板铺设的需要增加设置横向水平杆,每处扣2分双排脚手架横向水平杆只固定一端,每处扣2分单排脚手架横向水平杆插入墙内小于180mm,每处扣2分108 杆件连接纵向水平杆搭接长度小于1m或固定不符合要求,每处扣2分立杆除顶层顶步外采用搭接,每处扣4分杆件对接扣件的布置不符合规范要求,扣2分扣件紧固力矩小于40N·m或大于65N·m,每处扣2分109 层间防护作业层脚手板下未用安全平网兜底或作业层以下每隔10m未用安全平网封闭,扣5分作业层与建筑物之间未按规定进行封闭,扣5分1010 构配件材质钢管直径、壁厚、材质不符合要求,扣5分钢管弯曲、变形、锈蚀严重,扣5分扣件未进行复试或技术性能不符合标准,扣5分511 通道未设置人员上下专用通道,扣5分通道设置不符合要求,扣2分5小计40 检查项目合计100表B.4 门式钢管脚手架检查评分表序号检查项目扣分标准应得分数扣减分数实得分数1保证项目施工方案未编制专项施工方案或未进行设计计算,扣10分专项施工方案未按规定审核、审批,扣10分架体搭设超过规范允许高度,专项施工方案未组织专家论证,扣10分102 架体基础架体基础不平、不实、不符合专项施工方案要求,扣5~10分架体底部未设垫板或垫板的规格不符合要求,扣2~5分架体底部未按规范要求设置底座,每处扣2分架体底部未按规范要求设置扫地杆,扣5分未采取排水措施,扣8分103 架体稳定架体与建筑结构拉结方式或间距不符合规范要求,每处扣2分未按规范要求设置剪刀撑,扣10分门架立杆垂直度偏差超过规范要求,扣5分交叉支撑的设置不符合规范要求,每处扣2分104 杆件锁臂未按规定组装或漏装杆件、锁臂,扣2~6分未按规范要求设置纵向水平加固杆,扣10分扣件与连接的杆件参数不匹配,每处扣2分105 脚手板脚手板未满铺或铺设不牢、不稳,扣5~10分脚手板规格或材质不符合要求的,扣5~10分采用挂扣式钢脚手板时挂钩未挂扣在横向水平杆上或挂钩未处于锁住状态,每处扣2分106 交底与 验 收 架体搭设前未进行交底或交底未有文字记录,扣5~10分 架体分段搭设、分段使用未办理分段验收,扣6分 架体搭设完毕未办理验收手续,扣10分验收内容未进行量化,或未经责任人签字确认,扣5分10小计607 一 般 项 目 架体 防护 作业层防护栏杆不符合规范要求,扣5分作业层未设置高度不小于180㎜的挡脚板,扣3分 架体外侧未设置密目式安全网封闭或网间不严,扣5~10分作业层脚手板下未用安全平网双层兜底或作业层以下每隔10m 未用安全平网封闭,扣5分108 构配件 材 质 杆件变形、锈蚀严重,扣10分 门架局部开焊,扣10分 构配件的规格、型号、材质或产品质量不符合规范要求,扣5~10分109 荷载 施工荷载超过设计规定,扣10分 荷载堆放不均匀,每处扣5分10 10 通道 未设置人员上下专用通道,扣10分 通道设置不符合要求,扣5分10小计 40 检查项目合计100表B.5 碗扣式钢管脚手架检查评分表序号检查项目扣分标准应得分数扣减分数实得分数1保证项目施工方案未编制专项施工方案或未进行设计计算,扣10分专项施工方案未按规定审核、审批,扣10分架体搭设超过规范允许高度,专项施工方案未组织专家论证,扣10分102 架体基础基础不平、不实,不符合专项施工方案要求,扣5~10分架体底部未设置垫板或垫板的规格不符合要求,扣2~5分架体底部未按规范要求设置底座,每处扣2分架体底部未按规范要求设置扫地杆,扣5分未采取排水措施,扣8分103 架体稳定架体与建筑结构未按规范要求拉结,每处扣2分架体底层第一步水平杆处未按规范要求设置连墙件或未采用其它可靠措施固定,每处扣2分连墙件未采用刚性杆件,扣10分未按规范要求设置专用斜杆或八字形斜撑,扣5分专用斜杆两端未固定在纵、横向水平杆与立杆汇交的碗扣结点处,每处扣2分专用斜杆或八字形斜撑未沿脚手架高度连续设置或角度不符合要求,扣5分104 杆件锁件立杆间距、水平杆步距超过设计或规范要求,每处扣2分未按专项施工方案设计的步距在立杆连接碗扣结点处设置纵、横向水平杆,每处扣2分架体搭设高度超过24 m时,顶部24m以下的连墙件层未按规定设置水平斜杆,扣10分架体组装不牢或上碗扣紧固不符合要求,每处扣2分105 脚手板脚手板未满铺或铺设不牢、不稳,扣5~10分脚手板规格或材质不符合要求,扣5~10分采用挂扣式钢脚手板时挂钩未挂扣在横向水平杆上或挂钩未处于锁住状态,每处扣2分106 交底与验收架体搭设前未进行交底或交底未有文字记录,扣5~10分架体分段搭设、分段使用未进行分段验收,扣5分架体搭设完毕未办理验收手续,扣10分验收内容未进行量化,或未经责任人签字确认,扣5分10 小计607一般项目架体防护架体外侧未采用密目式安全网封闭或网间连接不严,扣5~10分作业层防护栏杆不符合规范要求,扣5分作业层外侧未设置高度不小于180㎜的挡脚板,扣3分作业层脚手板下未用安全平网兜底或作业层以下每隔10m未采用安全平网封闭,扣5分108 构配件材质杆件弯曲、变形、锈蚀严重,扣10分钢管、构配件的规格、型号、材质或产品质量不符合规范要求,扣5~10分109 荷载施工荷载超过设计规定,扣10分荷载堆放不均匀,每处扣5分1010 通道未设置人员上下专用通道,扣10分通道设置不符合要求,扣5分10小计40 检查项目合计100表B. 6 承插型盘扣式钢管支架检查评分表序号检查项目扣分标准应得分数扣减分数实得分数1保证项目施工方案未编制专项施工方案或未进行设计计算,扣10分专项施工方案未按规定审核、审批,扣10分102 架体基础架体基础不平、不实、不符合专项方案设要求,扣5~10分架体立杆底部缺少垫板或垫板的规格不符合规范要求,每处扣2分架体立杆底部未按要求设置可调底座,每处扣2分未按规范要求设置纵、横向扫地杆,扣5~10分未采取排水措施,扣8分103 架体稳定架体与建筑结构未按规范要求拉结,每处扣2分架体底层第一步水平杆处未按规范要求设置连墙件或未采用其它可靠措施固定,每处扣2分连墙件未采用刚性杆件,扣10分未按规范要求设置竖向斜杆或剪刀撑,扣5分竖向斜杆两端未固定在纵、横向水平杆与立杆汇交的盘扣结点处,每处扣2分斜杆或剪刀撑未沿脚手架高度连续设置或角度不符合要求,扣5分104 杆件设置架体立杆间距、水平杆步距超过设计或规范要求,每处扣2分未按专项施工方案设计的步距在立杆连接插盘处设置纵、横向水平杆,每处扣2分双排脚手架的每步水平杆,当无挂扣钢脚手板时未按规范要求设置水平斜杆,扣5~10分105 脚手板脚手板不满铺或铺设不牢、不稳,扣5~10分脚手板规格或材质不符合要求,扣5~10分采用挂扣式钢脚手板时挂钩未挂扣在水平杆上或挂钩未处于锁住状态,每处扣2分106 交底与验收架体搭设前未进行交底或未有文字记录,扣5~10分架体分段搭设、分段使用未进行分段验收,扣5分架体搭设完毕未办理验收手续,扣10分验收内容未进行量化,或未经责任人签字确认,扣5分10小计 607 一 般 项 目架体 防护架体外侧未设置密目式安全网封闭或网间连接不严,扣5~10分作业层防护栏杆不符合规范要求,扣5分作业层外侧未设置高度不小于180㎜的挡脚板,扣3分 作业层脚手板下未用安全平网兜底或作业层以下每隔10m 未采用安全平网封闭,扣5分 108 杆件 连接 立杆竖向接长位置不符合要求,每处扣2分剪刀撑的斜杆接长不符合要求,扣8分10 9 构配件材质 钢管、构配件的规格、型号、材质或产品质量不符合规范要求,扣5分 钢管弯曲、变形、锈蚀严重,扣10分10 10 通道 未设置人员上下专用通道,扣10分 通道设置不符合要求,扣5分 10 小计 40检查项目合计 100表B.7 满堂式脚手架检查评分表序 号 检查项目扣分标准 应得 分数 扣减分数 实得分数 1 保 证 项 目 施工 方案 未编制专项施工方案或未进行设计计算,扣10分 专项施工方案未按规定审核、审批,扣10分102 架体 基础 架体基础不平、不实、不符合专项施工方案要求,扣5~10分 架体底部未设置垫板或垫板的规格不符合规范要求,每处扣2~5分 架体底部未按规范要求设置底座,每处扣2分架体底部未按规范要求设置扫地杆,扣5分未采取排水措施,扣8分103 架体稳定架体四周与中间未按规范要求设置竖向剪刀撑或专用斜杆,扣10分未按规范要求设置水平剪刀撑或专用水平斜杆,扣10分架体高宽比超过规范要求时未采取与结构拉结或其他可靠的稳定措施,扣10分104 杆件锁件架体立杆间距、水平杆步距超过设计和规范要求,每处扣2分杆件接长不符合要求,每处扣2分架体搭设不牢或杆件节点紧固不符合要求,每处扣2分105 脚手板脚手板不满铺或铺设不牢、不稳,扣5~10分脚手板规格或材质不符合要求,扣5~10分采用挂扣式钢脚手板时挂钩未挂扣在水平杆上或挂钩未处于锁住状态,每处扣2分106 交底与验收架体搭设前未进行交底或交底未有文字记录,扣5~10分架体分段搭设、分段使用未进行分段验收,扣5分架体搭设完毕未办理验收手续,扣10分验收内容未进行量化,或未经责任人签字确认,扣5分10小计607一般项目架体防护作业层防护栏杆不符合规范要求,扣5分作业层外侧未设置高度不小于180mm挡脚板,扣3分作业层脚手板下未用安全平网兜底或作业层以下每隔10m未用安全平网封闭,扣5分108 构配件材质钢管、构配件的规格、型号、材质或产品质量不符合规范要求,扣5~10分杆件弯曲、变形、锈蚀严重,扣10分109 荷载架体的施工荷载超过设计和规范要求,扣10分荷载堆放不均匀,每处扣5分101 0 通道未设置人员上下专用通道,扣10分通道设置不符合要求,扣5分10小计40检查项目合计100表B.8 悬挑式脚手架检查评分表序号检查项目扣分标准应得分数扣减分数实得分数1保证项目施工方案未编制专项施工方案或未进行设计计算,扣10分专项施工方案未按规定审核、审批,扣10分架体搭设超过规范允许高度,专项施工方案未按规定组织进行专家论证,扣10分102 悬挑钢梁钢梁截面高度未按设计确定或载面形式不符合设计和规范要求,扣10分钢梁固定段长度小于悬挑段长度的1.25倍,扣5分钢梁外端未设置钢丝绳或钢拉杆与上一层建筑结构拉结,每处扣2分钢梁与建筑结构锚固处结构强度、锚固措施不符合设计和规范要求,扣5-10分钢梁间距未按悬挑架体立杆纵距设置,扣5分103 架体稳定立杆底部与悬挑钢梁连接处未采取可靠固定措施,每处扣2分承插式立杆接长未采取螺栓或销钉固定,每处扣2分纵横向扫地杆的设置不符合规范要求,扣5~10分未在架体外侧设置连续式剪刀撑,扣10分未按规定设置横向斜撑,扣5分架体未按规定与建筑结构拉结,每处扣5分104 脚手板脚手板规格、材质不符合要求,扣5~10分脚手板未满铺或铺设不严、不牢、不稳,扣5~10分105 荷载脚手架施工荷载超过设计规定,扣10分施工荷载堆放不均匀,每处扣5分106 交底与验收架体搭设前未进行交底或交底未有文字记录,扣5~10分架体分段搭设、分段使用未进行分段验收,扣6分架体搭设完毕未办理验收手续,扣10分验收内容未进行量化,或未经责任人签字确认,扣5分10小计607一般项目杆件间距立杆间距、纵向水平杆步距超过设计或规范要求,每处扣2分未在立杆与纵向水平杆交点处设置横向水平杆,每处扣2分未按脚手板铺设的需要增加设置横向水平杆,每处扣2分108 架体防护作业层防护栏杆不符合规范要求,扣5分作业层架体外侧未设置高度不小于180mm的挡脚板,扣3分架体外侧未采用密目式安全网封闭或网间不严,扣5~10分109 层间防护作业层脚手板下未采用安全平网兜底或作业层以下每隔10m未采用安全平网封闭,扣5分作业层与建筑物之间未进行封闭,扣5分架体底层沿建筑结构边缘,悬挑钢梁与悬挑钢梁之间未采取封闭措施或封闭不严,扣2~8分架体底层未进行封闭或封闭不严,扣2~10分1010 构配件材质型钢、钢管、构配件规格及材质不符合规范要求,扣5~10分型钢、钢管、构配件弯曲、变形、锈蚀严重,扣10分10小计40检查项目各计100表B.9 附着式升降脚手架检查评分表序号检查项目扣分标准应得分数扣减分数实得分数1保证项目施工方案未编制专项施工方案或未进行设计计算,扣10分专项施工方案未按规定审核、审批,扣10分脚手架提升超过规定允许高度,专项施工方案未按规定组织专家论证,扣10分102 安全装置未采用防坠落装置或技术性能不符合规范要求,扣10分防坠落装置与升降设备未分别独立固定在建筑结构上,扣10分防坠落装置未设置在竖向主框架处并与建筑结构附着,扣10分未安装防倾覆装置或防倾覆装置不符合规范要求,扣5~10分升降或使用工况,最上和最下两个防倾装置之间的最小间距不符合规范要求,扣8分未安装同步控制装置或技术性能不符合规范要求,扣5~8分103 架体构造架体高度大于5倍楼层高,扣10分架体宽度大于1.2m,扣5分直线布置的架体支承跨度大于7m或折线、曲线布置的架体支承跨度大于5.4m,扣8分架体的水平悬挑长度大于2m或大于跨度1/2,扣10分架体悬臂高度大于架体高度2/5或大于6m,扣10分架体全高与支撑跨度的乘积大于110㎡,扣10分104 附着支座未按竖向主框架所覆盖的每个楼层设置一道附着支座,扣10分使用工况未将竖向主框架与附着支座固定,扣10分升降工况未将防倾、导向装置设置在附着支座上,扣10分附着支座与建筑结构连接固定方式不符合规范要求,扣5~10分105 架体安装主框架和水平支承桁架的节点未采用焊接或螺栓连接,扣10分各杆件轴线未汇交于节点,扣3分水平支承桁架的上弦和下弦之间设置的水平支撑杆件未采用焊接或螺栓连接,扣5分架体立杆底端未设置在水平支撑桁架上弦杆件节点处,扣10分竖向主框架组装高度低于架体高度,扣5分架体外立面设置的连续式剪刀撑未将竖向主框架、水平支承桁架和架体构架连成一体,扣8分106 架体升降两跨以上架体升降采用手动升降设备,扣10分升降工况附着支座与建筑结构连接处混凝土强度未达到设计和规范要求,扣10分升降工况架体上有施工荷载或有人员停留,扣10分10小计601一般项目检查验收主要构配件进场未进行验收,扣6分分区段安装、分区段使用未进行分区段验收,扣8分架体搭设完毕未办理验收手续,扣10分验收内容未进行量化,或未经责任人签字确认,扣5分架体提升前未有检查记录,扣6分架体提升后、使用前未履行验收手续或资料不全,扣2~8分102 脚手板脚手板未满铺或铺设不严、不牢,扣3~5分作业层与建筑结构之间空隙封闭不严,扣3~5分脚手板规格、材质不符合要求,扣5~10分103 架体防护脚手架外侧未采用密目式安全网封闭或网间不严,扣5~10分作业层防护栏杆不符合规范要求,扣5分作业层未设置高度不小于180㎜的挡脚板,扣3分104 安全作业操作前未向有关技术人员和作业人员进行安全技术交底或交底未有文字记录,扣5~10分作业人员未经培训或未定岗定责,扣5~10分安装拆除单位资质不符合要求或特种作业人员未持证上岗,扣5~10分安装、升降、拆除时未设置安全警戒区及专人监护,扣10分荷载不均匀或超载,扣5~10分10。
序号检查项目扣 分 标 准应得分数扣减分数实得分数1平 刨平刨安装后未进行验收合格手续扣3分未设置护手安全装置扣3分传动部位未设置防护罩扣3分未做保护接零、未设置漏电保护器每处扣3分未设置安全防护棚扣3分无人操作时未切断电源扣3分使用平刨和圆盘锯合用一台电机的多功能木工机具,平刨和圆盘锯两项扣12分882圆 盘 锯电锯安装后未留有验收合格手续扣3分未设置锯盘护罩、分料器、防护挡板安全装置和传动部位未进行防护每缺一项扣3分未做保护接零、未设置漏电保护器每处扣3分未设置安全防护棚扣3分无人操作时未切断电源扣3分10103手 持电动工具Ⅰ类手持电动工具未采取保护接零或漏电保护器扣8分使用Ⅰ类手持电动工具不按规定穿戴绝缘用品扣4分使用手持电动工具随意接长电源线或更换插头扣4分884钢筋机械机械安装后未留有验收合格手续扣5分未做保护接零、未设置漏电保护器每处扣5分钢筋加工区无防护棚,钢筋对焊作业区未采取防止火花飞溅措施,冷拉作业区未设置防护栏每处扣5分传动部位未设置防护罩或限位失灵每处扣3分10105电 焊 机电焊机安装后未留有验收合格手续扣3分未做保护接零、未设置漏电保护器每处扣3分未设置二次空载降压保护器或二次侧漏电保护器每处扣3分一次线长度超过规定或不穿管保护扣3分二次线长度超过规定或未采用防水橡皮护套铜芯软电缆扣3分电源不使用自动开关扣2分886搅 拌 机搅拌机安装后未留有验收合格手续扣4分未做保护接零、未设置漏电保护器每处扣4分离合器、制动器、钢丝绳达不到要求每项扣2分操作手柄未设置保险装置扣3分未设置安全防护棚和作业台不安全扣4分上料斗未设置安全挂钩或挂钩不使用扣3分传动部位未设置防护罩扣4分限位不灵敏扣4分887气 瓶氧气瓶未安装减压器扣5分各种气瓶未标明标准色标扣2分气瓶间距小于5米、距明火小于10米又未采取隔离措施每处扣2分乙炔瓶使用或存放时平放扣3分气瓶存放不符合要求扣3分气瓶未设置防震圈和防护帽每处扣2分888翻 斗 车翻斗车制动装置不灵敏扣5分无证司机驾车扣5分行车载人或违章行车的每发现一次扣5分889潜 水 泵未做保护接零、未设置漏电保护器每处扣3分漏电动作电流大于15mA、负荷线未使用专用防水橡皮电缆每处扣3分8810振捣机具未使用移动式配电箱扣4分电缆长度超过30米扣4分操作人员未穿戴好绝缘防护用品扣4分8811桩工机械机械安装后未留有验收合格手续扣3分桩工机械未设置安全保护装置扣3分机械行走路线地耐力不符合说明书要求扣3分施工作业未编制方案扣3分桩工机械作业违反操作规程扣3分8811泵送机械机械安装后未留有验收合格手续扣4分未做保护接零、未设置漏电保护器每处扣4分固定式砼输送泵未制作良好的设备基础扣4分移动式砼输送泵车未安装在平坦坚实的地坪上扣4分机械周围排水不通畅的扣3分、积灰扣2分机械产生的噪声超过《建筑施工场界噪声限值》扣3分整机不清洁、漏油、漏水每发现一处扣2分88表B.19 施 工 机 具 检 查 评 分 表。
序号检查项目扣分标准应得分数扣减分数实得分数1保证项目安全生产责任制未建立安全生产责任制,扣10分安全生产责任制未经责任人签字确认,扣3分未备有各工种安全技术操作规程,扣2~10分未按规定配备专职安全员,扣2~10分工程项目部承包合同中未明确安全生产考核指标,扣5分未制定安全生产资金保障制度,扣5分未编制安全资金使用计划或未按计划实施,扣2~5分未制定伤亡控制、安全达标、文明施工等管理目标,扣5分未进行安全责任目标分解,扣5分未建立安全生产责任制和责任目标的考核制度,扣5分未按考核制度对管理人员定期考核,扣2~5分10 5 52 施工组织设计施工组织设计中未制定安全技术措施,扣10分危险性较大的分部分项工程未编制安全专项施工方案,扣10分未按规定对超过一定规模危险性较大的分部分项工程专项施工方案进行专家论证,扣10分施工组织设计、专项施工方案未经审批,扣10分安全技术措施、专项施工方案无针对性或缺少设计计算,扣2~8分未按施工组织设计、专项施工方案组织实施,扣2~10分10 0 103 安全技术交底未进行书面安全技术交底,扣10分未按分部分项进行交底,扣5分交底内容不全面或针对性不强,扣2~5分交底未履行签字手续,扣4分10 0 104 安全检查未建立安全检查制度,扣10分未有安全检查记录,扣5分事故隐患的整改未做到定人、定时间、定措施,扣2~6分对重大事故隐患整改通知书所列项目未按期整改和复查,扣5~10分10 4 65 安全教育未建立安全教育培训制度,扣10分施工入场工人未进行三级安全教育培训和考核,扣5分未明确具体安全教育培训内容,扣2~8分变换工种或采用新技术、新工艺、新设备、新材料施工时未进行安全教育,扣5分施工管理人员、专职安全员未按规定进行年度教育培训和考核,每人扣2分10 4 66应急预案未制定安全生产应急救援预案,扣10分未建立应急救援组织或未按规定配备救援人员,扣2~6分未定期进行应急救援演练,扣5分未配置应急救援器材和设备,扣5分10 0 10 小计60 13 477一般项目分包单位安全管理分包单位资质、资格、分包手续不全或失效,扣10分未签定安全生产协议书,扣5分分包合同、安全生产协议书,签字盖章手续不全,扣2~6分分包单位未按规定建立安全机构或未配备专职安全员,扣2~6分10 0 108 持证上岗未经培训从事施工、安全管理和特种作业,每人扣5分项目经理、专职安全员和特种作业人员未持证上岗,每人扣2分10 0 109 生产安全事故处理生产安全事故未按规定报告,扣10分生产安全事故未按规定进行调查分析、制定防范措施,扣10分未依法为施工作业人员办理保险,扣5分10 0 1010 安全标志主要施工区域、危险部位未按规定悬挂安全标志,扣2~6分未绘制现场安全标志布置图,扣3分未按部位和现场设施的变化调整安全标志设置,扣2~6分未设置重大危险源公示牌,扣5分10 3 7 小计40 3 37检查项目合计100 16 84序号检查项目扣分标准应得分数扣减分数实得分数1保证项目现场围挡市区主要路段的工地未设置封闭围挡或围挡高度小于2.5m,扣5~10分一般路段的工地未设置封闭围挡或围挡高度小于1.8m,扣~10分围挡未达到坚固、稳定、整洁、美观,扣5~10分10 0 102 封闭管理施工现场出入口未设置大门,扣10分未设置门卫室,扣5分未建立门卫值守管理制度或未配备门卫值守人员,扣2~6分施工人员进入施工现场未佩戴工作卡,扣2分施工现场出入口未标有企业名称或标识,扣2分未设置车辆冲洗设施,扣3分10 2 83 施工场地施工现场主要道路及材料加工区地面未进行硬化处理,扣5分施工现场道路不畅通、路面不平整坚实,扣5分施工现场未采取防尘措施,扣5分施工现场未设置排水设施或排水不通畅、有积水,扣5分未采取防止泥浆、污水、废水污染环境措施,扣2~10分未设置吸烟处、随意吸烟,扣5分温暖季节未进行绿化布置,扣3分10 3 74 现场材料建筑材料、构件、料具未按总平面布局码放,扣4分材料码放不整齐、未标明名称、规格,扣2分施工现场材料存放未采取防火、防锈蚀、防雨措施,扣3~10分建筑物内施工垃圾的清运未使用器具或管道运输,扣5分易燃易爆物品未分类储藏在专用库房、未采取防火措施,扣5~10分10 2 85 现场住宿施工作业区、材料存放区与办公区、生活区未采取隔离措施,扣6分宿舍、办公用房防火等级不符合有关消防安全技术规范要求,扣10分在建工程、伙房、库房兼做住宿,扣10分宿舍未设置可开启式窗户,扣4分宿舍未设置床铺、床铺超过2层或通道宽度小于0.9m,扣2~6分宿舍人均面积或人员数量不符合规范要求,扣5分冬季宿舍内未采取采暖和防一氧化碳中毒措施,扣5分夏季宿舍内未采取防暑降温和防蚊蝇措施,扣5分生活用品摆放混乱、环境卫生不符合要求,扣3分10 0 106 现场防火施工现场未制定消防安全管理制度、消防措施,扣10分施工现场的临时用房和作业场所的防火设计不符合规范要求,扣10分施工现场消防通道、消防水源的设置不符合规范要求,扣5~10分施工现场灭火器材布局、配置不合理或灭火器材失效,扣5分未办理动火审批手续或未指定动火监护人员,扣5~10分10 5 5小计60 12 487 综合治理生活区未设置供作业人员学习和娱乐场所,扣2分施工现场未建立治安保卫制度或责任未分解到人,扣3~5分施工现场未制定治安防范措施,扣5分10 5 58一般项目公示标牌大门口处设置的公示牌内容不全,扣2~8分标牌不规范、不整齐,扣3分未设置安全标语,扣3分未设置宣传栏、读报栏、黑板报,扣2~4分10 3 79 生活设施未建立卫生责任制度,扣5分食堂与厕所、垃圾站、有毒有害场所距离不符合规范要求,扣2~6分食堂未办理卫生许可证或未办理炊事人员健康证,扣5分食堂使用的燃气罐未单独设置存放间或存放间通风条件不良,扣2~4分食堂未配备排风、冷藏、消毒、防鼠、防蚊蝇等设施,扣4分厕所内的设施数量或布局不符合规范要求,扣2~6分厕所卫生未达到规定要求,扣4分不能保证现场人员卫生饮水,扣5分未设置淋浴室或淋浴室不能满足现场人员需求,扣4分生活垃圾未装容器或未及时清理,扣3~5分10 0 1010 社区服务夜间未经许可施工,扣8分施工现场焚烧各类废弃物,扣8分施工现场未制定防粉尘、防噪音、防光污染等措施,扣5分未制定施工不扰民措施,扣5分10 0 10 小计40 8 32检查项目合计100 20 80表3 扣件式钢管脚手架检查评分表序号检查项目扣分标准应得分数扣减分数实得分数1保证项目施工方案架体搭设未编制专项施工方案或未按规定审核、审批,扣10分架体结构设计未进行设计计算,扣10分架体搭设超过规范允许高度,专项施工方案未按规定组织专家论证,扣10分102 立杆基础立杆基础不平、不实,不符合专项施工方案要求,扣5~10分立杆底部缺少底座、垫板或垫板的规格不符合规范要求,每处扣2~5分未按规范要求设置纵、横向扫地杆,扣5~10分扫地杆的设置和固定不符合规范要求,扣5分未采取排水措施,扣8分103 架体与建筑结构拉结架体与建筑结构拉结方式或间距不符合规范要求,每处扣2分架体底层第一步纵向水平杆处未按规定设置连墙件或未采用其他可靠措施固定,每处扣2分搭设高度超过24m的双排脚手架,未采用刚性连墙件与建筑结构可靠连接,扣10分104 杆件间距与剪刀撑立杆、纵向水平杆、横向水平杆间距超过设计或规范要求,每处扣2分未按规定设置纵向剪刀撑或横向斜撑,每处扣5分剪刀撑未沿脚手架高度连续设置或角度不符合规范要求,扣5分剪刀撑斜杆的接长或剪刀撑斜杆与架体杆件固定不符合规范要求,每处扣2分105 脚手板与防护栏杆脚手板未满铺或铺设不牢、不稳,扣5~10分脚手板规格或材质不符合规范要求,扣5~10分架体外侧未设置密目式安全网封闭或网间连接不严,扣5~10分作业层防护栏杆不符合规范要求,扣5分作业层未设置高度不小于180mm的挡脚板,扣3分106 交底与验收架体搭设前未进行交底或交底未留有文字记录,扣5~10分架体分段搭设、分段使用未进行分段验收,扣5分架体搭设完毕未办理验收手续,扣10分验收内容未进行量化,或未经责任人签字确认,扣5分10 小计607一般项目横向水平杆设置未在立杆与纵向水平杆交点处设置横向水平杆,每处扣2分未按脚手板铺设的需要增加设置横向水平杆,每处扣2分双排脚手架横向水平杆只固定一端,每处扣2分单排脚手架横向水平杆插入墙内小于180mm,每处扣2分108 杆件连接纵向水平杆搭接长度小于1m或固定不符合要求,每处扣2分立杆除顶层顶步外采用搭接,每处扣4分杆件对接扣件的布置不符合规范,要求扣2分扣件紧固力矩小于40N﹒m或大于65N﹒m,每处扣2分109 层间防护作业层脚手板下未采用安全平网兜底或作业层以下每隔10m未采用安全平网封闭,扣5分作业层与建筑物之间未按规定进行封闭,扣5分1010 构配件材质钢管直径、壁厚、材质不符合要求,扣5分钢管弯曲、变形、锈蚀严重,扣5分扣件未进行复试或技术性能不符合标准,扣5分511 通道未设置人员上下专用通道,扣5分通道设置不符合要求,扣2分5小计40 检查项目合计100序号检查项目扣分标准应得分数扣减分数实得分数1保证项目施工方案未编制专项施工方案或未进行设计计算,扣10分专项施工方案未按规定审核、审批,扣10分架体搭设超过规范允许高度,专项施工方案未组织进行专家论证,扣10分102 架体基础架体基础不平、不实、不符合专项施工方案要求,扣5~10分架体底部未设垫板或垫板的规格不符合要求,扣2~5分架体底部未按规范要求设置底座,每处扣2分架体底部未按规范要求设置扫地杆,扣5分未采取排水措施,扣8分103 架体稳定架体与建筑结构拉结方式和间距不符合规范要求,每处扣2分未按规范要求设置剪刀撑,扣10分门架立杆垂直度偏差超过规范要求,扣5分交叉支撑的设置不符合规范要求,每处扣2分104 杆件锁臂未按(说明书)规定组装,或漏装杆件、锁臂,扣2~6分未按规范要求设置纵向水平加固杆,扣10分扣件与连接的杆件参数不匹配,每处扣2分105 脚手板脚手板未满铺或铺设不牢、不稳,扣5~10分脚手板规格或材质不符合要求的,扣5~10分采用挂扣式钢脚手板时挂钩未挂扣在横向水平杆上或挂钩未处于锁住状态,每处扣2分106 交底与验收脚手架搭设前未进行交底或交底未留有文字记录,扣5~10分脚手架分段搭设、分段使用未办理分段验收,扣6分脚手架搭设完毕未办理验收手续,扣10分验收内容未进行量化,或未经责任人签字确认,扣5分10 小计607一般项目架体防护作业层防护栏杆不符合规范要求,扣5分作业层未设置高度不小于180mm的挡脚板,扣3分脚手架外侧未设置密目式安全网封闭或网间不严,扣5~10分作业层脚手板下未用安全平网兜底或作业层以下每隔10m未采用安全平网封闭,扣5分108 构配件材质杆件变形、锈蚀严重,扣10分门架局部开焊,扣10分构配件的规格、型号、材质或产品质量不符合规范要求,扣5~10分109 荷载施工荷载超过设计规定,扣10分荷载堆放不均匀,每处扣5分1010 通道未设置人员上下专用通道,扣10分通道设置不符合要求,扣5分10小计40 检查项目合计100序号检查项目扣分标准应得分数扣减分数实得分数1保证项目施工方案未编制专项施工方案或未进行设计计算,扣10分专项施工方案未按规定审核、审批,扣10分架体搭设高度超过规范允许高度,专项施工方案未组织专家论证,扣10分102 架体基础基础不平、不实,不符合专项施工方案要求,扣5~10分架体底部未设置垫板或垫板的规格不符合要求,扣2~5分架体底部未按规范要求设置底座,每处扣2分架体底部未按规范要求设置扫地杆,扣5分未采取排水措施,扣8分103 架体稳定架体与建筑结构未按规范要求拉结,每处扣2分架体底层第一步水平杆处未按规范要求设置连墙件或未采用其它可靠措施固定,每处扣2分连墙件未采用刚性杆件,扣10分未按规范要求设置专用斜杆或八字形斜撑,扣5分专用斜杆两端未固定在纵、横向水平杆与立杆汇交的碗扣结点处,每处扣2分专用斜杆或八字形斜撑未沿脚手架高度连续设置或角度不符合要求,扣5分104 杆件锁件立杆间距、水平杆步距超过设计和规范要求,每处扣2分未按专项施工方案设计的步距在立杆连接碗扣结点处设置纵、横向水平杆,每处扣2分架体搭设高度超过24 m时,顶部24m以下的连墙件层未按规定设置水平斜杆,扣10分架体组装不牢或上碗扣紧固不符合要求,每处扣2分105 脚手板脚手板未满铺或铺设不牢、不稳,扣5~10分脚手板规格或材质不符合要求,扣5~10分采用挂扣式钢脚手板时挂钩未挂扣在横向水平杆上或挂钩未处于锁住状态,每处扣2分106 交底与验收架体搭设前未进行交底或交底未留有文字记录,扣5~10分架体分段搭设、分段使用未进行分段验收,扣5分架体搭设完毕未办理验收手续,扣10分验收内容未进行量化,或未经责任人签字确认,扣5分10 小计607一般项目架体防护架体外侧未采用密目式安全网封闭或网间连接不严,扣5~10分作业层防护栏杆不符合规范要求,扣5分作业层外侧未设置高度不小于180㎜的挡脚板,扣3分作业层脚手板下采未用安全平网兜底或作业层以下每隔10m未采用安全平网封闭,扣5分108 材质杆件弯曲、变形、锈蚀严重,扣10分钢管、构配件的规格、型号、材质或产品质量不符合规范要求,扣5~10分109 荷载施工荷载超过设计规定,扣10分荷载堆放不均匀,每处扣5分1010 通道未设置人员上下专用通道,扣10分通道设置不符合要求,扣5分10小计40 检查项目合计100表6 承插型盘扣式钢管支架检查评分表序号检查项目扣分标准应得分数扣减分数实得分数1保证项目施工方案未编制专项施工方案或未进行设计计算,扣10分专项施工方案未按规定审核、审批,扣10分102 架体基础架体基础不平、不实、不符合专项方案设要求,扣5~10分架体立杆底部缺少垫板或垫板的规格不符合规范要求,每处扣2分架体立杆底部未按要求设置可调底座,每处扣2分未按规范要求设置纵、横向扫地杆,扣5~10分未采取排水措施,扣8分103 架体稳定架体与建筑结构未按规范要求拉结,每处扣2分架体底层第一步水平杆处未按规范要求设置连墙件或未采用其它可靠措施固定,每处扣2分连墙件未采用刚性杆件,扣10分未按规范要求设置竖向斜杆或剪刀撑,扣5分竖向斜杆两端未固定在纵、横向水平杆与立杆汇交的盘扣结点处,每处扣2分斜杆或剪刀撑未沿脚手架高度连续设置或角度不符合要求,扣5分104 杆件设置架体立杆间距、水平杆步距超过设计或规范要求,每处扣2分未按专项施工方案设计的步距在立杆连接盘处设置纵、横向水平杆,每处扣2分双排脚手架的每步水平杆,当无挂扣钢脚手板时未按规范要求设置水平斜杆,扣5~10分105 脚手板脚手板不满铺或铺设不牢、不稳,扣5~10分脚手板规格或材质不符合要求,扣5~10分采用挂扣式钢脚手板时挂钩未挂扣在水平杆上或挂钩未处于锁住状态,每处扣2分106交底与验收架体搭设前未进行交底或未留有文字交底记录,扣5~10分架体分段搭设、分段使用未办理分段验收,扣5分架体搭设完毕未办理验收手续,扣10分验收内容未进行量化,或未经责任人签字确认,扣5分10 小计607一般项目架体防护架体外侧未设置密目式安全网封闭或网间连接不严,扣5~10分作业层防护栏杆不符合规范要求,扣5分作业层外侧未设置高度不小于180mm的挡脚板,扣3分作业层脚手板下未采用安全平网兜底或作业层以下每隔10m采未用安全平网封闭,扣5分108 杆件连接立杆竖向接长位置不符合要求,每处扣2分剪刀撑的斜杆接长不符合要求,扣8分109 构配件材质钢管、构配件的规格、型号、材质或产品质量不符合规范要求,扣5分钢管弯曲、变形、锈蚀严重,扣10分1010 通道未设置人员上下专用通道,扣10分通道设置不符合要求,扣5分10小计40 检查项目合计100表7 满堂式脚手架检查评分表序号检查项目扣分标准应得分数扣减分数实得分数1保证项目施工方案未编制专项施工方案或未进行设计计算,扣10分专项施工方案未按规定审核、审批,扣10分102 架体基础架体基础不平、不实、不符合专项施工方案要求,扣5~10分架体底部未设置垫板或垫板的规格不符合规范要求,每处扣2~5分架体底部未按规范要求设置底座,每处扣2分架体底部未按规范要求设置扫地杆,扣5分未采取排水措施,扣8分103 架体稳定架体四周与中间未按规范要求设置竖向剪刀撑或专用斜杆,扣10分未按规范要求设置水平剪刀撑或专用水平斜杆,扣10分架体高宽比超过规范要求时未采取与结构拉结或其他可靠的稳定措施,扣10分104 杆件锁件架体立杆间距、水平杆步距超过设计和规范要求,每处扣2分杆件接长不符合要求,每处扣2分架体搭设不牢或杆件节点紧固不符合要求,每处扣2分105 脚手板脚手板不满铺或铺设不牢、不稳,扣5~10分脚手板规格或材质不符合要求,扣5~10分采用挂扣式钢脚手板时挂钩未挂扣在水平杆上或挂钩未处于锁住状态,每处扣2分106 交底与验收架体搭设前未进行交底或交底未留有文字记录,扣5~10分架体分段搭设、分段使用未进行分段验收,扣5分架体搭设完毕未办理验收手续,扣10分验收内容未进行量化,或未经责任人签字确认,扣5分10 小计607一般项目架体防护作业层防护栏杆不符合规范要求,扣5分作业层外侧未设置高度不小于180mm挡脚板,扣3分作业层脚手板下未采用安全平网兜底或作业层以下每隔10m未用安全平网封闭,扣5分108 构配件材质钢管、构配件的规格、型号、材质或产品质量不符合规范要求,扣5~10分杆件弯曲、变形、锈蚀严重,扣10分109 荷载架体的施工荷载超过设计和规范要求,扣10分荷载堆放不均匀,每处扣5分1010 通道未设置人员上下专用通道,扣10分通道设置不符合要求,扣5分10小计40 检查项目合计100表8 悬挑式脚手架检查评分表序号检查项目扣分标准应得分数扣减分数实得分数1保证项目施工方案未编制专项施工方案或未进行设计计算,扣10分专项施工方案未按规定审核、审批,扣10分架体搭设超过规范允许高度,专项施工方案未按规定组织进行专家论证,扣10分102 悬挑钢梁钢梁截面高度未按设计确定或载面形式不符合设计和规范要求,扣10分钢梁固定段长度小于悬挑段长度的1.25倍,扣5分钢梁外端未设置钢丝绳或钢拉杆与上一层建筑结构拉结,每处扣2分钢梁与建筑结构锚固处结构强度、锚固措施不符合设计和规范要求,每处扣5~10分钢梁间距未按悬挑架体立杆纵距设置,扣5分103 架体稳定立杆底部与悬挑钢梁连接处未采取可靠固定措施,每处扣2分承插式立杆接长未采取螺栓或销钉固定,每处扣2分纵横向扫地杆的设置不符合规范要求,扣5~10分未在架体外侧设置连续式剪刀撑,扣10分未按规定设置横向斜撑,扣5分架体未按规定与建筑结构拉结,每处扣5分104 脚手板脚手板规格、材质不符合要求,扣5~10分脚手板未满铺或铺设不严、不牢、不稳,扣5~10分105 荷载架体施工荷载超过设计规定,扣10分施工荷载堆放不均匀,每处扣5分106 交底与验收架体搭设前未进行交底或交底未留有文字记录,扣5~10分架体分段搭设、分段使用未进行分段验收,扣6分架体搭设完毕未办理验收手续,扣10分验收内容未进行量化,或未经责任人签字确认,扣5分10 小计607一般项目杆件间距立杆间距、纵向水平杆布距超过设计或规范要求,每处扣2分未在立杆与纵向水平杆交点处设置横向水平杆,每处扣2分未按脚手板铺设的需要增加设置横向水平杆,每处扣2分108 架体防护作业层防护栏杆不符合规范要求,扣5分作业层架体外侧未设置高度不小于180mm的挡脚板,扣3分架体外侧未采用密目式安全网封闭或网间不严,扣5~10分109 层间防护作业层脚手板下未用安全平网兜底或作业层以下每隔10m未用安全平网封闭,扣5分作业层与建筑物之间未按规定进行封闭,扣5分架体底层沿建筑结构边缘,悬挑钢梁与悬挑钢梁之间未采取封闭措施或封闭不严,扣2~8分架体底层未进行封闭或封闭不严,扣2~10分1010 脚手架材质型钢、钢管、构配件规格及材质不符合规范要求,扣5~10分型钢、钢管、构配件弯曲、变形、锈蚀严重,扣10分10 小计40检查项目各计100表9 附着式升降脚手架检查评分表序号检查项目扣分标准应得分数扣减分数实得分数1保证项目施工方案未编制专项施工方案或未进行设计计算,扣10分专项施工方案未按规定审核、审批,扣10分脚手架提升超过规定允许高度,专项施工方案未按规定组织专家论证,扣10分102 安全装置未采用防坠落装置或技术性能不符合规范要求,扣10分防坠落装置与升降设备未分别独立固定在建筑结构上,扣10分防坠落装置未设置在竖向主框架处并与建筑结构附着,扣10分未安装防倾覆装置或防倾覆装置不符合规范要求,扣10分升降或使用工况,最上和最下两个防倾装置之间的最小间距不符合规范要求,扣8分未安装同步控制装置或技术性能不符合规范要求,扣5~8分103 架体构造架体高度大于5倍楼层高,扣10分架体宽度大于1.2m,扣5分直线布置的架体支承跨度大于7m或折线、曲线布置的架体支撑跨度大于5.4m,扣8分架体的水平悬挑长度大于2m或大于跨度1/2,扣10分架体悬臂高度大于架体高度2/5或大于6m,扣10分架体全高与支撑跨度的乘积大于110㎡,扣10分104 附着支座未按竖向主框架所覆盖的每个楼层设置一道附着支座,扣10分使用工况未将竖向主框架与附着支座固定,扣10分升降工况未将防倾、导向装置设置在附着支座上,扣10分附着支座与建筑结构连接固定方式不符合规范要求,扣5~10分105 架体安装主框架和水平支承桁架的节点未采用焊接或螺栓连接,扣10分各杆件轴线未汇交于节点,扣3分水平支承桁架的上弦和下弦之间设置的水平支撑杆件未采用焊接或螺栓连接,扣5分架体立杆底端未设置在水平支承桁架上弦杆件节点处,扣10分竖向主框架组装高度低于架体高度,扣5分架体外立面设置的连续剪刀撑未将竖向主框架、水平支承桁架和架体构架连成一体,扣8分106 架体升降两跨以上架体升降采用手动升降设备,扣10分升降工况附着支座与建筑结构连接处混凝土强度未达到设计和规范要求,扣10分升降工况架体上有施工荷载或有人员停留,扣10分10 小计601一般项目检查验收主要构配件进场未进行验收,扣6分分区段安装、分段使用未进行分段验收,扣8分架体搭设完毕未办理验收手续,扣10分验收内容未进行量化,或未经责任人签字确认,扣5分架体提升前未留有检查记录,扣6分架体提升后、使用前未履行验收手续或资料不全,扣2~8分102 脚手板脚手板未满铺或铺设不严、不牢,扣3~5分作业层与建筑结构之间空隙封闭不严,扣3~5分脚手板规格、材质不符合要求,扣5~10分103 架体防护脚手架外侧未采用密目式安全网封闭或网间连接不严,扣5~10分作业层防护栏杆不符合规范要求,扣5分作业层未设置高度不小于180mm的挡脚板,扣3分104 安全作业操作前未向有关技术人员和作业人员进行安全技术交底或交底未有文字记录,扣5~10分作业人员未经培训或未定岗定责,扣5~10分安装拆除单位资质不符合要求或特种作业人员未持证上岗,扣5~10分安装、升降、拆除时未设置安全警戒区及专人监护,扣10分荷载不均匀或超载,扣5~10分10 小计40检查项目合计100。
表1 安全管理检查评分表序号检查项目扣分标准应得分数扣减分数实得分数1保证项目安全生产责任制未建立安全生产责任制,扣10分安全生产责任制未经责任人签字确认,扣3分未备有各工种安全技术操作规程,扣2~10分未按规定配备专职安全员,扣2~10分工程项目部承包合同中未明确安全生产考核指标,扣5分未制定安全生产资金保障制度,扣5分未编制安全资金使用计划或未按计划实施,扣2~5分未制定伤亡控制、安全达标、文明施工等管理目标,扣5分未进行安全责任目标分解,扣5分未建立安全生产责任制和责任目标的考核制度,扣5分未按考核制度对管理人员定期考核,扣2~5分10 102 施工组织设计施工组织设计中未制定安全技术措施,扣10分危险性较大的分部分项工程未编制安全专项施工方案,扣10分未按规定对超过一定规模危险性较大的分部分项工程专项施工方案进行专家论证,扣10分施工组织设计、专项施工方案未经审批,扣10分安全技术措施、专项施工方案无针对性或缺少设计计算,扣2~8分未按施工组织设计、专项施工方案组织实施,扣2~10分103 安全技术交底未进行书面安全技术交底,扣10分未按分部分项进行交底,扣5分交底内容不全面或针对性不强,扣2~5分交底未履行签字手续,扣4分104 安全检查未建立安全检查制度,扣10分未有安全检查记录,扣5分事故隐患的整改未做到定人、定时间、定措施,扣2~6分对重大事故隐患整改通知书所列项目未按期整改和复查,扣5~10分105 安全教育未建立安全教育培训制度,扣10分施工入场工人未进行三级安全教育培训和考核,扣5分未明确具体安全教育培训内容,扣2~8分变换工种或采用新技术、新工艺、新设备、新材料施工时未进行安全教育,扣5分施工管理人员、专职安全员未按规定进行年度教育培训和考核,每人扣2分106应急预案未制定安全生产应急救援预案,扣10分未建立应急救援组织或未按规定配备救援人员,扣2~6分未定期进行应急救援演练,扣5分未配置应急救援器材和设备,扣5分10 小计607一般项目分包单位安全管理分包单位资质、资格、分包手续不全或失效,扣10分未签定安全生产协议书,扣5分分包合同、安全生产协议书,签字盖章手续不全,扣2~6分分包单位未按规定建立安全机构或未配备专职安全员,扣2~6分108 持证上岗未经培训从事施工、安全管理和特种作业,每人扣5分项目经理、专职安全员和特种作业人员未持证上岗,每人扣2分109 生产安全事故处理生产安全事故未按规定报告,扣10分生产安全事故未按规定进行调查分析、制定防范措施,扣10分未依法为施工作业人员办理保险,扣5分1010 安全标志主要施工区域、危险部位未按规定悬挂安全标志,扣2~6分未绘制现场安全标志布置图,扣3分未按部位和现场设施的变化调整安全标志设置,扣2~6分未设置重大危险源公示牌,扣5分10 小计40检查项目合计100表2 文明施工检查评分表序号检查项目扣分标准应得分数扣减分数实得分数1保证项目现场围挡市区主要路段的工地未设置封闭围挡或围挡高度小于2.5m,扣5~10分一般路段的工地未设置封闭围挡或围挡高度小于1.8m,扣~10分围挡未达到坚固、稳定、整洁、美观,扣5~10分102 封闭管理施工现场出入口未设置大门,扣10分未设置门卫室,扣5分未建立门卫值守管理制度或未配备门卫值守人员,扣2~6分施工人员进入施工现场未佩戴工作卡,扣2分施工现场出入口未标有企业名称或标识,扣2分未设置车辆冲洗设施,扣3分103 施工场地施工现场主要道路及材料加工区地面未进行硬化处理,扣5分施工现场道路不畅通、路面不平整坚实,扣5分施工现场未采取防尘措施,扣5分施工现场未设置排水设施或排水不通畅、有积水,扣5分未采取防止泥浆、污水、废水污染环境措施,扣2~10分未设置吸烟处、随意吸烟,扣5分温暖季节未进行绿化布置,扣3分104 现场材料建筑材料、构件、料具未按总平面布局码放,扣4分材料码放不整齐、未标明名称、规格,扣2分施工现场材料存放未采取防火、防锈蚀、防雨措施,扣3~10分建筑物内施工垃圾的清运未使用器具或管道运输,扣5分易燃易爆物品未分类储藏在专用库房、未采取防火措施,扣5~10分105 现场住宿施工作业区、材料存放区与办公区、生活区未采取隔离措施,扣6分宿舍、办公用房防火等级不符合有关消防安全技术规范要求,扣10分在建工程、伙房、库房兼做住宿,扣10分宿舍未设置可开启式窗户,扣4分宿舍未设置床铺、床铺超过2层或通道宽度小于0.9m,扣2~6分宿舍人均面积或人员数量不符合规范要求,扣5分冬季宿舍内未采取采暖和防一氧化碳中毒措施,扣5分夏季宿舍内未采取防暑降温和防蚊蝇措施,扣5分生活用品摆放混乱、环境卫生不符合要求,扣3分106 现场防火施工现场未制定消防安全管理制度、消防措施,扣10分施工现场的临时用房和作业场所的防火设计不符合规范要求,扣10分施工现场消防通道、消防水源的设置不符合规范要求,扣5~10分施工现场灭火器材布局、配置不合理或灭火器材失效,扣5分未办理动火审批手续或未指定动火监护人员,扣5~10分10小计607 综合治理生活区未设置供作业人员学习和娱乐场所,扣2分施工现场未建立治安保卫制度或责任未分解到人,扣3~5分施工现场未制定治安防范措施,扣5分108一般项目公示标牌大门口处设置的公示牌内容不全,扣2~8分标牌不规范、不整齐,扣3分未设置安全标语,扣3分未设置宣传栏、读报栏、黑板报,扣2~4分109 生活设施未建立卫生责任制度,扣5分食堂与厕所、垃圾站、有毒有害场所距离不符合规范要求,扣2~6分食堂未办理卫生许可证或未办理炊事人员健康证,扣5分食堂使用的燃气罐未单独设置存放间或存放间通风条件不良,扣2~4分食堂未配备排风、冷藏、消毒、防鼠、防蚊蝇等设施,扣4分厕所内的设施数量或布局不符合规范要求,扣2~6分厕所卫生未达到规定要求,扣4分不能保证现场人员卫生饮水,扣5分未设置淋浴室或淋浴室不能满足现场人员需求,扣4分生活垃圾未装容器或未及时清理,扣3~5分1010 社区服务夜间未经许可施工,扣8分施工现场焚烧各类废弃物,扣8分施工现场未制定防粉尘、防噪音、防光污染等措施,扣5分未制定施工不扰民措施,扣5分10小计40 检查项目合计100表3 扣件式钢管脚手架检查评分表序号检查项目扣分标准应得分数扣减分数实得分数1保证项目施工方案架体搭设未编制专项施工方案或未按规定审核、审批,扣10分架体结构设计未进行设计计算,扣10分架体搭设超过规范允许高度,专项施工方案未按规定组织专家论证,扣10分102 立杆基础立杆基础不平、不实,不符合专项施工方案要求,扣5~10分立杆底部缺少底座、垫板或垫板的规格不符合规范要求,每处扣2~5分未按规范要求设置纵、横向扫地杆,扣5~10分扫地杆的设置和固定不符合规范要求,扣5分未采取排水措施,扣8分103 架体与建筑结构拉结架体与建筑结构拉结方式或间距不符合规范要求,每处扣2分架体底层第一步纵向水平杆处未按规定设置连墙件或未采用其他可靠措施固定,每处扣2分搭设高度超过24m的双排脚手架,未采用刚性连墙件与建筑结构可靠连接,扣10分104 杆件间距与剪刀撑立杆、纵向水平杆、横向水平杆间距超过设计或规范要求,每处扣2分未按规定设置纵向剪刀撑或横向斜撑,每处扣5分剪刀撑未沿脚手架高度连续设置或角度不符合规范要求,扣5分剪刀撑斜杆的接长或剪刀撑斜杆与架体杆件固定不符合规范要求,每处扣2分105 脚手板与防护栏杆脚手板未满铺或铺设不牢、不稳,扣5~10分脚手板规格或材质不符合规范要求,扣5~10分架体外侧未设置密目式安全网封闭或网间连接不严,扣5~10分作业层防护栏杆不符合规范要求,扣5分作业层未设置高度不小于180mm的挡脚板,扣3分106 交底与验收架体搭设前未进行交底或交底未留有文字记录,扣5~10分架体分段搭设、分段使用未进行分段验收,扣5分架体搭设完毕未办理验收手续,扣10分验收内容未进行量化,或未经责任人签字确认,扣5分10 小计607一般项目横向水平杆设置未在立杆与纵向水平杆交点处设置横向水平杆,每处扣2分未按脚手板铺设的需要增加设置横向水平杆,每处扣2分双排脚手架横向水平杆只固定一端,每处扣2分单排脚手架横向水平杆插入墙内小于180mm,每处扣2分108 杆件连接纵向水平杆搭接长度小于1m或固定不符合要求,每处扣2分立杆除顶层顶步外采用搭接,每处扣4分杆件对接扣件的布置不符合规范,要求扣2分扣件紧固力矩小于40N﹒m或大于65N﹒m,每处扣2分109 层间防护作业层脚手板下未采用安全平网兜底或作业层以下每隔10m未采用安全平网封闭,扣5分作业层与建筑物之间未按规定进行封闭,扣5分1010 构配件材质钢管直径、壁厚、材质不符合要求,扣5分钢管弯曲、变形、锈蚀严重,扣5分扣件未进行复试或技术性能不符合标准,扣5分511 通道未设置人员上下专用通道,扣5分通道设置不符合要求,扣2分5小计40 检查项目合计100序号检查项目扣分标准应得分数扣减分数实得分数1保证项目施工方案未编制专项施工方案或未进行设计计算,扣10分专项施工方案未按规定审核、审批,扣10分架体搭设超过规范允许高度,专项施工方案未组织进行专家论证,扣10分102 架体基础架体基础不平、不实、不符合专项施工方案要求,扣5~10分架体底部未设垫板或垫板的规格不符合要求,扣2~5分架体底部未按规范要求设置底座,每处扣2分架体底部未按规范要求设置扫地杆,扣5分未采取排水措施,扣8分103 架体稳定架体与建筑结构拉结方式和间距不符合规范要求,每处扣2分未按规范要求设置剪刀撑,扣10分门架立杆垂直度偏差超过规范要求,扣5分交叉支撑的设置不符合规范要求,每处扣2分104 杆件锁臂未按(说明书)规定组装,或漏装杆件、锁臂,扣2~6分未按规范要求设置纵向水平加固杆,扣10分扣件与连接的杆件参数不匹配,每处扣2分105 脚手板脚手板未满铺或铺设不牢、不稳,扣5~10分脚手板规格或材质不符合要求的,扣5~10分采用挂扣式钢脚手板时挂钩未挂扣在横向水平杆上或挂钩未处于锁住状态,每处扣2分106 交底与验收脚手架搭设前未进行交底或交底未留有文字记录,扣5~10分脚手架分段搭设、分段使用未办理分段验收,扣6分脚手架搭设完毕未办理验收手续,扣10分验收内容未进行量化,或未经责任人签字确认,扣5分10 小计607一般项目架体防护作业层防护栏杆不符合规范要求,扣5分作业层未设置高度不小于180mm的挡脚板,扣3分脚手架外侧未设置密目式安全网封闭或网间不严,扣5~10分作业层脚手板下未用安全平网兜底或作业层以下每隔10m未采用安全平网封闭,扣5分108 构配件材质杆件变形、锈蚀严重,扣10分门架局部开焊,扣10分构配件的规格、型号、材质或产品质量不符合规范要求,扣5~10分109 荷载施工荷载超过设计规定,扣10分荷载堆放不均匀,每处扣5分1010 通道未设置人员上下专用通道,扣10分通道设置不符合要求,扣5分10小计40 检查项目合计100序号检查项目扣分标准应得分数扣减分数实得分数1保证项目施工方案未编制专项施工方案或未进行设计计算,扣10分专项施工方案未按规定审核、审批,扣10分架体搭设高度超过规范允许高度,专项施工方案未组织专家论证,扣10分102 架体基础基础不平、不实,不符合专项施工方案要求,扣5~10分架体底部未设置垫板或垫板的规格不符合要求,扣2~5分架体底部未按规范要求设置底座,每处扣2分架体底部未按规范要求设置扫地杆,扣5分未采取排水措施,扣8分103 架体稳定架体与建筑结构未按规范要求拉结,每处扣2分架体底层第一步水平杆处未按规范要求设置连墙件或未采用其它可靠措施固定,每处扣2分连墙件未采用刚性杆件,扣10分未按规范要求设置专用斜杆或八字形斜撑,扣5分专用斜杆两端未固定在纵、横向水平杆与立杆汇交的碗扣结点处,每处扣2分专用斜杆或八字形斜撑未沿脚手架高度连续设置或角度不符合要求,扣5分104 杆件锁件立杆间距、水平杆步距超过设计和规范要求,每处扣2分未按专项施工方案设计的步距在立杆连接碗扣结点处设置纵、横向水平杆,每处扣2分架体搭设高度超过24 m时,顶部24m以下的连墙件层未按规定设置水平斜杆,扣10分架体组装不牢或上碗扣紧固不符合要求,每处扣2分105 脚手板脚手板未满铺或铺设不牢、不稳,扣5~10分脚手板规格或材质不符合要求,扣5~10分采用挂扣式钢脚手板时挂钩未挂扣在横向水平杆上或挂钩未处于锁住状态,每处扣2分106 交底与验收架体搭设前未进行交底或交底未留有文字记录,扣5~10分架体分段搭设、分段使用未进行分段验收,扣5分架体搭设完毕未办理验收手续,扣10分验收内容未进行量化,或未经责任人签字确认,扣5分10 小计607一般项目架体防护架体外侧未采用密目式安全网封闭或网间连接不严,扣5~10分作业层防护栏杆不符合规范要求,扣5分作业层外侧未设置高度不小于180㎜的挡脚板,扣3分作业层脚手板下采未用安全平网兜底或作业层以下每隔10m未采用安全平网封闭,扣5分108 材质杆件弯曲、变形、锈蚀严重,扣10分钢管、构配件的规格、型号、材质或产品质量不符合规范要求,扣5~10分109 荷载施工荷载超过设计规定,扣10分荷载堆放不均匀,每处扣5分1010 通道未设置人员上下专用通道,扣10分通道设置不符合要求,扣5分10小计40 检查项目合计100表6 承插型盘扣式钢管支架检查评分表序号检查项目扣分标准应得分数扣减分数实得分数1保证项目施工方案未编制专项施工方案或未进行设计计算,扣10分专项施工方案未按规定审核、审批,扣10分102 架体基础架体基础不平、不实、不符合专项方案设要求,扣5~10分架体立杆底部缺少垫板或垫板的规格不符合规范要求,每处扣2分架体立杆底部未按要求设置可调底座,每处扣2分未按规范要求设置纵、横向扫地杆,扣5~10分未采取排水措施,扣8分103 架体稳定架体与建筑结构未按规范要求拉结,每处扣2分架体底层第一步水平杆处未按规范要求设置连墙件或未采用其它可靠措施固定,每处扣2分连墙件未采用刚性杆件,扣10分未按规范要求设置竖向斜杆或剪刀撑,扣5分竖向斜杆两端未固定在纵、横向水平杆与立杆汇交的盘扣结点处,每处扣2分斜杆或剪刀撑未沿脚手架高度连续设置或角度不符合要求,扣5分104 杆件设置架体立杆间距、水平杆步距超过设计或规范要求,每处扣2分未按专项施工方案设计的步距在立杆连接盘处设置纵、横向水平杆,每处扣2分双排脚手架的每步水平杆,当无挂扣钢脚手板时未按规范要求设置水平斜杆,扣5~10分105 脚手板脚手板不满铺或铺设不牢、不稳,扣5~10分脚手板规格或材质不符合要求,扣5~10分采用挂扣式钢脚手板时挂钩未挂扣在水平杆上或挂钩未处于锁住状态,每处扣2分106交底与验收架体搭设前未进行交底或未留有文字交底记录,扣5~10分架体分段搭设、分段使用未办理分段验收,扣5分架体搭设完毕未办理验收手续,扣10分验收内容未进行量化,或未经责任人签字确认,扣5分10 小计607一般项目架体防护架体外侧未设置密目式安全网封闭或网间连接不严,扣5~10分作业层防护栏杆不符合规范要求,扣5分作业层外侧未设置高度不小于180mm的挡脚板,扣3分作业层脚手板下未采用安全平网兜底或作业层以下每隔10m采未用安全平网封闭,扣5分108 杆件连接立杆竖向接长位置不符合要求,每处扣2分剪刀撑的斜杆接长不符合要求,扣8分109 构配件材质钢管、构配件的规格、型号、材质或产品质量不符合规范要求,扣5分钢管弯曲、变形、锈蚀严重,扣10分1010 通道未设置人员上下专用通道,扣10分通道设置不符合要求,扣5分10小计40 检查项目合计100表7 满堂式脚手架检查评分表序号检查项目扣分标准应得分数扣减分数实得分数1保证项目施工方案未编制专项施工方案或未进行设计计算,扣10分专项施工方案未按规定审核、审批,扣10分102 架体基础架体基础不平、不实、不符合专项施工方案要求,扣5~10分架体底部未设置垫板或垫板的规格不符合规范要求,每处扣2~5分架体底部未按规范要求设置底座,每处扣2分架体底部未按规范要求设置扫地杆,扣5分未采取排水措施,扣8分103 架体稳定架体四周与中间未按规范要求设置竖向剪刀撑或专用斜杆,扣10分未按规范要求设置水平剪刀撑或专用水平斜杆,扣10分架体高宽比超过规范要求时未采取与结构拉结或其他可靠的稳定措施,扣10分104 杆件锁件架体立杆间距、水平杆步距超过设计和规范要求,每处扣2分杆件接长不符合要求,每处扣2分架体搭设不牢或杆件节点紧固不符合要求,每处扣2分105 脚手板脚手板不满铺或铺设不牢、不稳,扣5~10分脚手板规格或材质不符合要求,扣5~10分采用挂扣式钢脚手板时挂钩未挂扣在水平杆上或挂钩未处于锁住状态,每处扣2分106 交底与验收架体搭设前未进行交底或交底未留有文字记录,扣5~10分架体分段搭设、分段使用未进行分段验收,扣5分架体搭设完毕未办理验收手续,扣10分验收内容未进行量化,或未经责任人签字确认,扣5分10 小计607一般项目架体防护作业层防护栏杆不符合规范要求,扣5分作业层外侧未设置高度不小于180mm挡脚板,扣3分作业层脚手板下未采用安全平网兜底或作业层以下每隔10m未用安全平网封闭,扣5分108 构配件材质钢管、构配件的规格、型号、材质或产品质量不符合规范要求,扣5~10分杆件弯曲、变形、锈蚀严重,扣10分109 荷载架体的施工荷载超过设计和规范要求,扣10分荷载堆放不均匀,每处扣5分1010 通道未设置人员上下专用通道,扣10分通道设置不符合要求,扣5分10小计40 检查项目合计100表8 悬挑式脚手架检查评分表序号检查项目扣分标准应得分数扣减分数实得分数1保证项目施工方案未编制专项施工方案或未进行设计计算,扣10分专项施工方案未按规定审核、审批,扣10分架体搭设超过规范允许高度,专项施工方案未按规定组织进行专家论证,扣10分102 悬挑钢梁钢梁截面高度未按设计确定或载面形式不符合设计和规范要求,扣10分钢梁固定段长度小于悬挑段长度的1.25倍,扣5分钢梁外端未设置钢丝绳或钢拉杆与上一层建筑结构拉结,每处扣2分钢梁与建筑结构锚固处结构强度、锚固措施不符合设计和规范要求,每处扣5~10分钢梁间距未按悬挑架体立杆纵距设置,扣5分103 架体稳定立杆底部与悬挑钢梁连接处未采取可靠固定措施,每处扣2分承插式立杆接长未采取螺栓或销钉固定,每处扣2分纵横向扫地杆的设置不符合规范要求,扣5~10分未在架体外侧设置连续式剪刀撑,扣10分未按规定设置横向斜撑,扣5分架体未按规定与建筑结构拉结,每处扣5分104 脚手板脚手板规格、材质不符合要求,扣5~10分脚手板未满铺或铺设不严、不牢、不稳,扣5~10分105 荷载架体施工荷载超过设计规定,扣10分施工荷载堆放不均匀,每处扣5分106 交底与验收架体搭设前未进行交底或交底未留有文字记录,扣5~10分架体分段搭设、分段使用未进行分段验收,扣6分架体搭设完毕未办理验收手续,扣10分验收内容未进行量化,或未经责任人签字确认,扣5分10 小计607一般项目杆件间距立杆间距、纵向水平杆布距超过设计或规范要求,每处扣2分未在立杆与纵向水平杆交点处设置横向水平杆,每处扣2分未按脚手板铺设的需要增加设置横向水平杆,每处扣2分108 架体防护作业层防护栏杆不符合规范要求,扣5分作业层架体外侧未设置高度不小于180mm的挡脚板,扣3分架体外侧未采用密目式安全网封闭或网间不严,扣5~10分109 层间防护作业层脚手板下未用安全平网兜底或作业层以下每隔10m未用安全平网封闭,扣5分作业层与建筑物之间未按规定进行封闭,扣5分架体底层沿建筑结构边缘,悬挑钢梁与悬挑钢梁之间未采取封闭措施或封闭不严,扣2~8分架体底层未进行封闭或封闭不严,扣2~10分1010 脚手架材质型钢、钢管、构配件规格及材质不符合规范要求,扣5~10分型钢、钢管、构配件弯曲、变形、锈蚀严重,扣10分10 小计40检查项目各计100表9 附着式升降脚手架检查评分表序号检查项目扣分标准应得分数扣减分数实得分数1保证项目施工方案未编制专项施工方案或未进行设计计算,扣10分专项施工方案未按规定审核、审批,扣10分脚手架提升超过规定允许高度,专项施工方案未按规定组织专家论证,扣10分102 安全装置未采用防坠落装置或技术性能不符合规范要求,扣10分防坠落装置与升降设备未分别独立固定在建筑结构上,扣10分防坠落装置未设置在竖向主框架处并与建筑结构附着,扣10分未安装防倾覆装置或防倾覆装置不符合规范要求,扣10分升降或使用工况,最上和最下两个防倾装置之间的最小间距不符合规范要求,扣8分未安装同步控制装置或技术性能不符合规范要求,扣5~8分103 架体构造架体高度大于5倍楼层高,扣10分架体宽度大于1.2m,扣5分直线布置的架体支承跨度大于7m或折线、曲线布置的架体支撑跨度大于5.4m,扣8分架体的水平悬挑长度大于2m或大于跨度1/2,扣10分架体悬臂高度大于架体高度2/5或大于6m,扣10分架体全高与支撑跨度的乘积大于110㎡,扣10分104 附着支座未按竖向主框架所覆盖的每个楼层设置一道附着支座,扣10分使用工况未将竖向主框架与附着支座固定,扣10分升降工况未将防倾、导向装置设置在附着支座上,扣10分附着支座与建筑结构连接固定方式不符合规范要求,扣5~10分105 架体安装主框架和水平支承桁架的节点未采用焊接或螺栓连接,扣10分各杆件轴线未汇交于节点,扣3分水平支承桁架的上弦和下弦之间设置的水平支撑杆件未采用焊接或螺栓连接,扣5分架体立杆底端未设置在水平支承桁架上弦杆件节点处,扣10分竖向主框架组装高度低于架体高度,扣5分架体外立面设置的连续剪刀撑未将竖向主框架、水平支承桁架和架体构架连成一体,扣8分106 架体升降两跨以上架体升降采用手动升降设备,扣10分升降工况附着支座与建筑结构连接处混凝土强度未达到设计和规范要求,扣10分升降工况架体上有施工荷载或有人员停留,扣10分10 小计601一般项目检查验收主要构配件进场未进行验收,扣6分分区段安装、分段使用未进行分段验收,扣8分架体搭设完毕未办理验收手续,扣10分验收内容未进行量化,或未经责任人签字确认,扣5分架体提升前未留有检查记录,扣6分架体提升后、使用前未履行验收手续或资料不全,扣2~8分102 脚手板脚手板未满铺或铺设不严、不牢,扣3~5分作业层与建筑结构之间空隙封闭不严,扣3~5分脚手板规格、材质不符合要求,扣5~10分103 架体防护脚手架外侧未采用密目式安全网封闭或网间连接不严,扣5~10分作业层防护栏杆不符合规范要求,扣5分作业层未设置高度不小于180mm的挡脚板,扣3分104 安全作业操作前未向有关技术人员和作业人员进行安全技术交底或交底未有文字记录,扣5~10分作业人员未经培训或未定岗定责,扣5~10分安装拆除单位资质不符合要求或特种作业人员未持证上岗,扣5~10分安装、升降、拆除时未设置安全警戒区及专人监护,扣10分荷载不均匀或超载,扣5~10分10 小计40检查项目合计100。
单位工程(施工现场)名 称建筑面积(m 2)结构类型总计得分(满分分值100分)项 目 名 称 及 分 值安全管理(满分10分)文明施工(满分15分)脚手架(满分10分)基坑工程(满分10分)模板支架(满分10分)高处作业(满分10分)施工用电(满分10分)物料提升机与施工升降机(满分10分)评语:检查单位负责人受检项目项目经理附录A 建筑施工安全检查评分汇总表表A 建筑施工安全检查评分汇总表企业名称: 资质等级: 年 月 日附录B 建筑施工安全分项检查评分表表B.1 安全管理检查评分表检查项目扣 分 标 准应得分数扣减分数实得分数保证项安全生产责任制未建立安全生产责任制扣10分安全生产责任制未经责任人签字确认扣3分未制定各工种安全技术操作规程扣10分未按规定配备专职安全员扣10分工程项目部承包合同中未明确安全生产考核指标扣8分未制定安全资金保障制度扣5分未编制安全资金使用计划及实施扣2~5分未制定安全生产管理目标(伤亡控制、安全达标、文明施工)扣5分未进行安全责任目标分解的扣5分未建立安全生产责任制、责任目标考核制度扣5分未按考核制度对管理人员定期考核扣2~5分10施工组织设计施工组织设计中未制定安全措施扣10分危险性较大的分部分项工程未编制安全专项施工方案,扣3~8分未按规定对专项方案进行专家论证扣10分施工组织设计、专项方案未经审批扣10分安全措施、专项方案无针对性或缺少设计计算扣6~8分未按方案组织实施扣5~10分10安全未采取书面安全技术交底扣10分目技术交底交底未做到分部分项扣5分交底内容针对性不强扣3~5分交底内容不全面扣4分交底未履行签字手续扣2~4分10安全检查未建立安全检查(定期、季节性)制度扣5分未留有定期、季节性安全检查记录扣5分事故隐患的整改未做到定人、定时间、定措施扣2~6分对重大事故隐患改通知书所列项目未按期整改和复查扣8分10安全教育未建立安全培训、教育制度扣10分新入场工人未进行三级安全教育和考核扣10分未明确具体安全教育内容扣6~8分变换工种时未进行安全教育扣10分施工管理人员、专职安全员未按规定进行年度培训考核扣5分10应急预案未制定安全生产应急预案扣10分未建立应急救援组织、配备救援人员扣3~6分未配置应急救援器材扣5分未进行应急救援演练扣5分10小计60分包单位安全管理分包单位资质、资格、分包手续不全或失效扣10分未签定安全生产协议书扣5分分包合同、安全协议书,签字盖章手续不全扣2~6分分包单位未按规定建立安全组织、配备10一般项目安全员扣3分特种作业持证上岗一人未经培训从事特种作业扣4分一人特种作业人员资格证书未延期复核扣4分一人未持操作证上岗扣2分10生产安全事故处理生产安全事故未按规定报告扣3~5分生产安全事故未按规定进行调查分析处理,制定防范措施扣10分未办理工伤保险扣5分10安全标志主要施工区域、危险部位、设施未按规定悬挂安全标志扣5分未绘制现场安全标志布置总平面图扣5分未按部位和现场设施的改变调整安全标志设置扣5分10小计40检查项目合计100表B.2 文明施工检查评分表扣实序号检查项目扣 分 标 准应得分数减分数得分数1现场围挡在市区主要路段的工地周围未设置高于2.5m的封闭围挡扣10分一般路段的工地周围未设置高于1.8m的封闭围挡扣10分围挡材料不坚固、不稳定、不整洁、不美观扣5~7分围挡没有沿工地四周连续设置扣3~5分102封闭管理施工现场出入口未设置大门扣3分未设置门卫室扣2分未设门卫或未建立门卫制度扣3分进入施工现场不佩戴工作卡扣3分施工现场出入口未标有企业名称或标识,且未设置车辆冲洗设施扣3分103施工场地现场主要道路未进行硬化处理扣5分现场道路不畅通、路面不平整坚实扣5分现场作业、运输、存放材料等采取的防尘措施不齐全、不合理扣5分排水设施不齐全或排水不通畅、有积水扣4分未采取防止泥浆、污水、废水外流或堵塞下水道和排水河道措施扣3分未设置吸烟处、随意吸烟扣2分10保证项目温暖季节未进行绿化布置扣3分4现场材料建筑材料、构件、料具不按总平面布局码放扣4分材料布局不合理、堆放不整齐、未标明名称、规格扣2分建筑物内施工垃圾的清运,未采用合理器具或随意凌空抛掷扣5分未做到工完场地清扣3分易燃易爆物品未采取防护措施或未进行分类存放扣4分105现场住宿在建工程、伙房、库房兼做住宿扣8分施工作业区、材料存放区与办公区、生活区不能明显划分扣6分宿舍未设置可开启式窗户扣4分未设置床铺、床铺超过2层、使用通铺、未设置通道或人员超编扣6分宿舍未采取保暖和防煤气中毒措施扣5分宿舍未采取消暑和防蚊蝇措施扣5分生活用品摆放混乱、环境不卫生扣3分106现场防火未制定消防措施、制度或未配备灭火器材扣10分现场临时设施的材质和选址不符合环保、消防要求扣8分易燃材料随意码放、灭火器材布局、配置不合理或灭火器材失效扣5分未设置消防水源(高层建筑)或不能满足消防要求扣8分10未办理动火审批手续或无动火监护人员扣5分小计607治安综合治理生活区未给作业人员设置学习和娱乐场所扣4分未建立治安保卫制度、责任未分解到人扣3~5分治安防范措施不利,常发生失盗事件扣3~5分88一般项目施工现场标牌大门口处设置的“五牌一图”内容不全、缺一项扣2分标牌不规范、不整齐扣3分未张挂安全标语扣5分未设置宣传栏、读报栏、黑板报扣4分89生活设施食堂与厕所、垃圾站、有毒有害场所距离较近扣6分食堂未办理卫生许可证或未办理炊事人员健康证扣5分食堂使用的燃气罐未单独设置存放间或存放间通风条件不好扣4分食堂的卫生环境差、未配备排风、冷藏、隔油池、防鼠等设施扣4分厕所的数量或布局不满足现场人员需求扣6分厕所不符合卫生要求扣4分不能保证现场人员卫生饮水扣8分未设置淋浴室或淋浴室不能满足现场人员需求扣4分未建立卫生责任制度、生活垃圾8未装容器或未及时清理扣3~5分10保健急救现场未制定相应的应急预案,或预案实际操作性差扣6分未设置经培训的急救人员或未设置急救器材扣4分未开展卫生防病宣传教育、或未提供必备防护用品扣4分未设置保健医药箱扣5分811社区服务夜间未经许可施工扣8分施工现场焚烧各类废弃物扣8分未采取防粉尘、防噪音、防光污染措施扣5分未建立施工不扰民措施扣5分8小计40检查项目合计100表B.3 扣件式钢管脚手架检查评分表序号检查项目扣分标准应得分数扣减分数实得分数1保证施工方案架体搭设未编制施工方案或搭设高度超过24m未编制专项施工方案扣10分架体搭设高度超过24m,未进行设计计算或未按规定审核、审批扣10分架体搭设高度超过50m,专项施工方案未按规定组织专家论证或未按专家论证意见组织实施扣10分施工方案不完整或不能指导施工作业扣5~8分102立杆基础立杆基础不平、不实、不符合方案设计要求扣10分立杆底部底座、垫板或垫板的规格不符合规范要求每一处扣2分未按规范要求设置纵、横向扫地杆扣5~10分扫地杆的设置和固定不符合规范要求扣5分未设置排水措施扣8分103架体与建筑结构拉结架体与建筑结构拉结不符合规范要求每处扣2分连墙件距主节点距离不符合规范要求每处扣4分架体底层第一步纵向水平杆处未按规定设置连墙件或未采用其他可靠措施固定每处扣2分搭设高度超过24m的双排脚手10项目架,未采用刚性连墙件与建筑结构可靠连接扣10分4杆件间距与剪刀撑立杆、纵向水平杆、横向水平杆间距超过规范要求每处扣2分未按规定设置纵向剪刀撑或横向斜撑每处扣5分剪刀撑未沿脚手架高度连续设置或角度不符合要求扣5分剪刀撑斜杆的接长或剪刀撑斜杆与架体杆件固定不符合要求每处扣2分105脚手板与防护栏杆脚手板未满铺或铺设不牢、不稳扣7~10分脚手板规格或材质不符合要求扣7~10分每有一处探头板扣2分架体外侧未设置密目式安全网封闭或网间不严扣7~10分作业层未在高度1.2m和0.6m处设置上、中两道防护栏杆扣5分作业层未设置高度不小于180㎜的挡脚板扣5分106交底与验 收架体搭设前未进行交底或交底未留有记录扣5分架体分段搭设分段使用未办理分段验收扣5分架体搭设完毕未办理验收手续扣10分未记录量化的验收内容扣5分10小计60未在立杆与纵向水平杆交点处设置横向水平杆每处扣2分7横向水平杆 设置未按脚手板铺设的需要增加设置横向水平杆每处扣2分横向水平杆只固定端每处扣1分单排脚手架横向水平杆插入墙内小于18㎝每处扣2分108杆件搭接纵向水平杆搭接长度小于1m或固定不符合要求每处扣2分立杆除顶层顶步外采用搭接每处扣4分109架体防护作业层未用安全平网双层兜底,且以下每隔10m未用安全平网封闭扣10分作业层与建筑物之间未进行封闭扣10分1010脚手架材 质钢管直径、壁厚、材质不符合要求扣5分钢管弯曲、变形、锈蚀严重扣4~5分扣件未进行复试或技术性能不符合标准扣5分511通道未设置人员上下专用通道扣5分通道设置不符合要求扣1~3分5小计40检查项目合计100表B.4 悬挑式脚手架检查评分表序号检查项目扣分标准应得分数扣减分数实得分数1保证项目施工方案未编制专项施工方案或未进行设计计算扣10分专项施工方案未经审核、审批或架体搭设高度超过20m未按规定组织进行专家论证扣10分102悬挑钢梁钢梁截面高度未按设计确定或载面高度小于160mm扣10分钢梁固定段长度小于悬挑段长度的1.25倍扣10分钢梁外端未设置钢丝绳或钢拉杆与上一层建筑结构拉结每处扣2分钢梁与建筑结构锚固措施不符合规范要求每处扣5分钢梁间距未按悬挑架体立杆纵距设置扣6分103架体稳定立杆底部与钢梁连接处未设置可靠固定措施每处扣2分承插式立杆接长未采取螺栓或销钉固定每处扣2分未在架体外侧设置连续式剪刀撑扣10分未按规定在架体内侧设置横向斜撑扣5分架体未按规定与建筑结构拉结每处扣5分104脚手板脚手板规格、材质不符合要求扣7~10分脚手板未满铺或铺设不严、不牢、不稳扣7~10分每处探头板扣2分105荷 载架体施工荷载超过设计规定扣10分施工荷载堆放不均匀每处扣5分106交底与验 收架体搭设前未进行交底或交底未留有记录扣5分架体分段搭设分段使用,未办理分段验收扣7~10分架体搭设完毕未保留验收资料10或未记录量化的验收内容扣5分小 计607一般项目杆件间距立杆间距超过规范要求,或立杆底部未固定在钢梁上每处扣2分纵向水平杆步距超过规范要求扣5分未在立杆与纵向水平杆交点处设置横向水平杆每处扣1分108架体防护作业层外侧未在高度1.2m和0.6m处设置上、中两道防护栏杆扣5分作业层未设置高度不小于180mm的挡脚板扣5分架体外侧未采用密目式安全网封闭或网间不严扣7~10分109层间防护作业层未用安全平网双层兜底,且以下每隔10m未用安全平网封闭扣10分架体底层未进行封闭或封闭不严扣10分1010脚手架材 质型钢、钢管、构配件规格及材质不符合规范要求扣7~10分型钢、钢管弯曲、变形、锈蚀严重扣7~10分10小 计40检查项目各计100表B.5 门式钢管脚手架检查评分表序号检查项目扣分标准应得分数扣减分数实得分数1保证项目施工方案未编制专项施工方案或未进行设计计算扣10分专项施工方案未按规定审核、审批或架体搭设高度超过50m未按规定组织专家论证扣10分102架体基础架体基础不平、不实、不符合专项施工方案要求扣10分架体底部未设垫板或垫板底部的规格不符合要求扣10分架体底部未按规范要求设置底座每处扣1分架体底部未按规范要求设置扫地杆扣5分未设置排水措施扣8分103架体稳定未按规定间距与结构拉结每处扣5分未按规范要求设置剪刀撑扣10分未按规范要求高度做整体加固扣5分架体立杆垂直偏差超过规定扣5分104杆件锁件未按说明书规定组装,或漏装杆件、锁件扣6分未按规范要求设置纵向水平加固杆扣10分架体组装不牢或紧固不符合要求每处扣1分使用的扣件与连接的杆件参数不匹配每处扣1分105脚手板脚手板未满铺或铺设不牢、不稳扣5分脚手板规格或材质不符合要求的扣5分采用钢脚手板时挂钩未挂扣在水平杆上或挂钩未处于锁住状态每处扣2分106交底与验 收脚手架搭设前未进行交底或交底未留有记录扣6分脚手架分段搭设分段使用未办理分段验收扣6分脚手架搭设完毕未办理验收手续扣6分10未记录量化的验收内容扣5分小计607一般项目架体防护作业层脚手架外侧未在1.2m和0.6m高度设置上、中两道防护栏杆扣10分作业层未设置高度不小于180㎜的挡脚板扣3分脚手架外侧未设置密目式安全网封闭或网间不严扣7~10分作业层未用安全平网双层兜底,且以下每隔10m未用安全平网封闭扣5分108材质杆件变形、锈蚀严重扣10分门架局部开焊扣10分构配件的规格、型号、材质或产品质量不符合规范要求扣10分109荷载施工荷载超过设计规定扣10分荷载堆放不均匀每处扣5分1010通道未设置人员上下专用通道扣10分通道设置不符合要求扣5分10小计40检查项目合计100表B.6 碗扣式钢管脚手架检查评分表序号检查项目扣分标准应得分数扣减分数实得分数1保证项目施工方案未编制专项施工方案或未进行设计计算扣10分专项施工方案未按规定审核、审批或架体高度超过50m未按规定组织专家论证扣10分102架体基础架体基础不平、不实,不符合专项施工方案要求扣10分架体底部未设置垫板或垫板的规格不符合要求扣10分架体底部未按规范要求设置底座每处扣1分架体底部未按规范要求设置扫地杆扣5分未设置排水措施扣8分103架体稳定架体与建筑结构未按规范要求拉结每处扣2分架体底层第一步水平杆处未按规范要求设置连墙件或未采用其它可靠措施固定每处扣2分连墙件未采用刚性杆件扣10分未按规范要求设置竖向专用斜杆或八字形斜撑扣5分竖向专用斜杆两端未固定在纵、横向水平杆与立杆汇交的碗扣结点处每处扣2分竖向专用斜杆或八字形斜撑未沿脚手架高度连续设置或角度不符合要求扣5分104杆件锁件立杆间距、水平杆步距超过规范要求扣10分未按专项施工方案设计的步距在立杆连接碗扣结点处设置纵、横向水平杆扣10分架体搭设高度超过24 m时,顶部24m以下的连墙件层未按规定设置水平斜杆扣10分架体组装不牢或上碗扣紧固不符合要求每处扣1分105脚手板脚手板未满铺或铺设不牢、不稳扣7~10分脚手板规格或材质不符合要求扣7~10分采用钢脚手板时挂钩未挂扣在10横向水平杆上或挂钩未处于锁住状态每处扣2分6交底与验收架体搭设前未进行交底或交底未留有记录扣6分架体分段搭设分段使用未办理分段验收扣6分架体搭设完毕未办理验收手续扣6分未记录量化的验收内容扣5分10小计607一般项目架体防护架体外侧未设置密目式安全网封闭或网间不严扣7~10分作业层未在外侧立杆的1.2m和0.6m的碗扣结点设置上、中两道防护栏杆扣5分作业层外侧未设置高度不小于180㎜的挡脚板扣3分作业层未用安全平网双层兜底,且以下每隔10m未用安全平网封闭扣5分108材质杆件弯曲、变形、锈蚀严重扣10分钢管、构配件的规格、型号、材质或产品质量不符合规范要求扣10分109荷载施工荷载超过设计规定扣10分荷载堆放不均匀每处扣5分1010通道未设置人员上下专用通道扣10分通道设置不符合要求扣5分10小计40检查项目合计100表B.7 附着式升降脚手架检查评分表序号检查项目扣分标准应得分数扣减分数实得分数1保证项施工方案未编制专项施工方案或未进行设计计算扣10分专项施工方案未按规定审核、审批扣10分脚手架提升高度超过150m,专项施工方案未按规定组织专家论证扣10分102安全装置未采用机械式的全自动防坠落装置或技术性能不符合规范要求扣10分防坠落装置与升降设备未分别独立固定在建筑结构处扣10分防坠落装置未设置在竖向主框架处与建筑结构附着扣10分未安装防倾覆装置或防倾覆装置不符合规范要求扣10分在升降或使用工况下,最上和最下两个防倾装置之间的最小间距不符合规范要求扣10分未安装同步控制或荷载控制装置扣10分同步控制或荷载控制误差不符合规范要求扣10分103架体架体高度大于5倍楼层高扣10分架体宽度大于1.2m扣10分直线布置的架体支承跨度大于7m,或折线、曲线布置的架体支撑跨度的架体外侧距离大于5.4m扣10分架体的水平悬挑长度大于2m或水平10目构造悬挑长度未大于2m但大于跨度1/2扣10分架体悬臂高度大于架体高度2/5或悬臂高度大于6m扣10分架体全高与支撑跨度的乘积大于110㎡扣10分4附着支座未按竖向主框架所覆盖的每个楼层设置一道附着支座扣10分在使用工况时,未将竖向主框架与附着支座固定扣10分在升降工况时,未将防倾、导向的结构装置设置在附着支座处扣10分附着支座与建筑结构连接固定方式不符合规范要求扣10分105架体安装主框架和水平支撑桁架的结点未采用焊接或螺栓连接或各杆件轴线未交汇于主节点扣10分内外两片水平支承桁架的上弦和下弦之间设置的水平支撑杆件未采用焊接或螺栓连接扣5分架体立杆底端未设置在水平支撑桁架上弦各杆件汇交结点处扣10分与墙面垂直的定型竖向主框架组装高度低于架体高度扣5分架体外立面设置的连续式剪刀撑未将竖向主框架、水平支撑桁架和架体构架连成一体扣8分106架体升降两跨以上架体同时整体升降采用手动升降设备扣10分升降工况时附着支座在建筑结构连接处砼强度未达到设计要求或小于C10扣10分升降工况时架体上有施工荷载或有人员停留扣10分10小计601一般项目检查验收构配件进场未办理验收扣6分分段安装、分段使用未办理分段验收扣8分架体安装完毕未履行验收程序或验收表未经责任人签字扣10分每次提升前未留有具体检查记录扣6分每次提升后、使用前未履行验收手续或资料不全扣7分102脚手板脚手板未满铺或铺设不严、不牢扣3~5分作业层与建筑结构之间空隙封闭不严扣3~5分脚手板规格、材质不符合要求扣5~8分103防护脚手架外侧未采用密目式安全网封闭或网间不严扣10分作业层未在高度1.2m和0.6m处设置上、中两道防护栏杆扣5作业层未设置高度不小于180㎜的挡脚板扣5分104操作操作前未向有关技术人员和作业人员进行安全技术交底扣10分作业人员未经培训或未定岗定责扣7~10分安装拆除单位资质不符合要求或特种作业人员未持证上岗扣7~10分安装、升降、拆除时未采取安全警戒扣10分荷载不均匀或超载扣5~10分10小计40检查项目合计100表B. 8 承插型盘扣式钢管支架检查评分表序号检查项目扣分标准应得分数扣减分数实得分数1保证项目施工方案未编制专项施工方案或搭设高度超过24m未另行专门设计和计算扣10分专项施工方案未按规定审核、审批扣10分102架体基础架体基础不平、不实、不符合方案设计要求扣10分架体立杆底部缺少垫板或垫板的规格不符合规范要求每处扣2分架体立杆底部未按要求设置底座每处扣1分未按规范要求设置纵、横向扫地杆扣5~10分未设置排水措施扣8分103架体稳定架体与建筑结构未按规范要求拉结每处扣2分架体底层第一步水平杆处未按规范要求设置连墙件或未采用其它可靠措施固定每处扣2分连墙件未采用刚性杆件扣10分未按规范要求设置竖向斜杆或剪刀撑扣5分竖向斜杆两端未固定在纵、横向水平杆与立杆汇交的盘扣结点处每处扣2分斜杆或剪刀撑未沿脚手架高度连续设置或角度不符合要求扣5分10架体立杆间距、水平杆步距超过规范要求扣2分未按专项施工方案设计的步距4杆件在立杆连接盘处设置纵、横向水平杆扣10分双排脚手架的每步水平杆层,当无挂扣钢脚手板时未按规范要求设置水平斜杆扣5~10分105脚手板脚手板不满铺或铺设不牢、不稳扣7-10分脚手板规格或材质不符合要求扣7-10分采用钢脚手板时挂钩未挂扣在水平杆上或挂钩未处于锁住状态每处扣2分106交底与验收脚手架搭设前未进行交底或未留有交底记录扣5分脚手架分段搭设分段使用未办理分段验收扣10分脚手架搭设完毕未办理验收手续扣10分未记录量化的验收内容扣5分10小计607一般项目架体防护架体外侧未设置密目式安全网封闭或网间不严扣7~10分作业层未在外侧立杆的1m和0.5m的盘扣节点处设置上、中两道水平防护栏杆扣5分作业层外侧未设置高度不小于180㎜的挡脚板扣3分108杆件接长立杆竖向接长位置不符合要求扣5分搭设悬挑脚手架时,立杆的承插接长部位未采用螺栓作为立杆连接件固定扣7~10分剪刀撑的斜杆接长不符合要求扣5~8分109架体内封闭作业层未用安全平网双层兜底,且以下每隔10m未用安全平网封闭扣7~10分作业层与主体结构间的空隙未封闭扣5~8分1010材质钢管、构配件的规格、型号、材质或产品质量不符合规范要求扣5分钢管弯曲、变形、锈蚀严重扣5分511通道未设置人员上下专用通道扣5分通道设置不符合要求扣3分5小计40检查项目合计100。
表A 建筑施工安全检查评分汇总表企业名称:福建惠五建设工程有限公司资质等级:壹级 2015年月日单位工程(施工现场)名称建筑面积(m2)结构类型总计得分(满分分值100分)项目名称及分值安全管理(满分10分)文明施工(满分15分)脚手架(满分10分)基坑工程(满分10分)模板支架(满分10分)高处作业(满分10分)施工用电(满分10分)物料提升机与施工升降机(满分10分)塔式起重机与起重吊装(满分10分)施工机具(满分5分)福建惠五建设工程有限公司57340.95m 2框架结构92 9.5 13.25 9.2 / 9.0 8.9 8.6 / 9.0 4.75评语:本工程16#楼在20层安全生中,能桉照各项方案施工,特殊作业人员能持证上岗,临时用电规范,安全教育,技术交底到位。
楼层各项安全防护搭设齐全,安全生产文明施工较好。
依据JGJ59一2011评分标准,自评良好。
检查单位福建惠五建设工程有限公司负责人受检项目盛唐至尊三期 16 #楼项目经理附录B 建筑施工安全分项检查评分表表B.1 安全管理检查评分表序号检查项目扣分标准应得分数扣减分数实得分数1保证项目安全生产责任制未建立安全生产责任制,扣10分安全生产责任制未经责任人签字确认,扣3分未备有各工种安全技术操作规程,扣2-10分未按规定配备专职安全员,扣2-10分工程项目部承包合同中未明确安全生产考核指标,扣5分未制定安全生产资金保障制度,扣5分未编制安全资金使用计划或未按计划实施,扣2~5分未制定安全生产管理目标(伤亡控制、安全达标、文明施工),扣5分未进行安全责任目标分解的,扣5分未建立安全生产责任制、责任目标考核制度,扣5分未按考核制度对管理人员定期考核,扣2~5分10 0 102 施工组织设计施工组织设计中未制定安全技术措施,扣10分危险性较大的分部分项工程未编制安全专项施工方案,扣10分未按规定对(超过一定规模的危险性较大的分部分项工程)专项方案进行专家论证,扣10分施工组织设计、专项施工方案未经审批,扣10分安全技术措施、专项施工方案无针对性或缺少设计计算,扣2~8分未按施工组织设计、专项施工方案组织实施,扣2~10分10 0 103 安全技术交底未进行书面安全技术交底,扣10分未按分部分项进行交底,扣5分交底内容不全或针对性不强,扣2~5分交底未履行签字手续,扣2~4分10 0 104 安全检查未建立安全检查制度,扣10分未有安全检查记录,扣5分事故隐患的整改未做到定人、定时间、定措施,扣2~6分对重大事故隐患改通知书所列项目未按期整改和复查,扣5-10分10 0 105 安全教育未建立安全教育培训制度,扣10分施工人员入场未进行三级安全教育培训和考核,扣5分未明确具体安全教育培训内容,扣2~8分变换工种或采用新技术、新工艺、新设备、新材料施工时未进行安全教育,扣5分施工管理人员、专职安全员未按规定进行年度教育培训和考核,每人扣2分10 0 106 应急预案未制定安全生产应急救援预案,扣10分未建立应急救援组织或未按规定配备救援人员,扣2~6分未定期进行应急救援演练,扣5分未配置应急救援器材和设备,扣5分10 0 10小计60 0 607一般项目分包单位安全管理分包单位资质、资格、分包手续不全或失效,扣10分未签定安全生产协议书,扣5分分包合同、安全协议书,签字盖章手续不全,扣2~6分分包单位未按规定建立安全机构或未配备专职安全员,扣2-6分10 0 108 持证上岗未经培训从事施工、安全管理和特种作业,每人扣5分项目经理、专职安全员和特种作业人员未持证上岗,每人扣2分10 0 109 生产安全事故处理生产安全事故未按规定报告,扣10分生产安全事故未按规定进行调查分析、制定防范措施,扣10分未依法为施工作业人员办理保险,扣5分10 0 1010 安全标志主要施工区域、危险部位未按规定悬挂安全标志,扣2-6分未绘制现场安全标志布置图,扣3分未按部位和现场设施的变化调整安全标志设置,扣2-6分未设置重大危险源公示牌,扣5分10 -5 5小计40 -5 35 检查项目合计100 -5 95表B.2 文明施工检查评分表序号检查项目扣分标准应得分数扣减分数实得分数1保证项目现场围挡市区主要路段的工地未设置封闭围挡或围挡高于2.5m,扣5-10分一般路段的工地未设置封闭围挡或封闭围挡小于1.8m的,扣5-10分围挡未达到坚固、稳定、整洁、美观,扣5~10分10 0 102 封闭管理施工现场出入口未设置大门,扣10分未设置门卫室,扣5分未建立门卫值守管理制度或未配备门卫值守人员,扣2-6分施工人员进入施工现场不佩戴工作卡,扣2分施工现场出入口未标有企业名称或标识,扣2分未设置车辆冲洗设施,扣3分10 -7 33 施工场地施工现场主要道路及材料加工区地面未进行硬化处理,扣5分施工现场道路不畅通、路面不平整坚实,扣5分施工现场未采取防尘措施,扣5分施工现场未设置排水设施或排水不通畅、有积水,扣5分未采取防止泥浆、污水、废水污染环境措施,扣2-10分未设置吸烟处、随意吸烟,扣5分温暖季节未进行绿化布置,扣3分10 0 104 现场材料建筑材料、构件、料具未按总平面布局码放,扣4分材料码放不整齐、未标明名称、规格,扣2分施工现场材料存放未采取防火、防锈蚀、防雨措施,扣3-10分建筑物内施工垃圾的清运未使用器具或管道运输,扣5分易燃易爆物品未分类储藏在专用库房、未采取防火措施,扣5-10分10 0 105 现场住宿施工作业区、材料存放区与办公、生活区未采取隔离措施,扣6分宿舍、办公用房防火等级不符合有关消防安全技术规范要求,扣10分在建工程、伙房、库房兼做住宿,扣10分宿舍未设置可开启式窗户,扣4分宿舍未设置床铺、床铺超过2层或通道宽度小于0.9m,扣2-6分宿舍人均面积或人员数量不符合规范要求,扣5分冬季宿舍未采取采暖和防一氧化碳中毒措施,扣5分夏季宿舍未采取防暑降温和防蚊蝇措施,扣5分生活用品摆放混乱、环境卫生不符合要求,扣3分10 0 106 现场防火施工现场未制定消防安全管理制度、消防措施,扣10分施工现场的临时用房和作业场所的防火设计不符合规范要求,扣10分施工现场消防通道、消防水源的设置不符合规范要求,扣5-10分施工现场灭火器材布局、配置不合理或灭火器材失效,扣5分未办理动火审批手续或未指定动火监护人员,扣5-10分10 0 10小计60 -7 537 综合治理生活区未设置作业人员设置学习和娱乐场所,扣2分施工现场未建立治安保卫制度或责任未分解到人,扣3~5分施工现场未制定治安防范措施,扣5分10 0 108一般项目公示标牌大门口处设置的公示标牌内容不齐全,扣2-8分标牌不规范、不整齐,扣3分未设置安全标语,扣3分未设置宣传栏、读报栏、黑板报,扣2-4分10 0 109 生活设施未建立卫生责任制度,扣5分食堂与厕所、垃圾站、有毒有害场所距离不符合规范要求,扣2-6分食堂未办理卫生许可证或未办理炊事人员健康证,扣5分食堂使用的燃气罐未单独设置存放间或存放间通风条件不良,扣2-4分食堂未配备排风、冷藏、消毒、防鼠、防蚊蝇等设施,扣4分厕所内的设施数量或布局不符合规范要求,扣2-6分厕所卫生未达到规定要求,扣4分不能保证现场人员卫生饮水,扣5分未设置淋浴室或淋浴室不能满足现场人员需求,扣4分生活垃圾未装容器或未及时清理,扣3~5分10 0 1010 社区服务夜间未经许可施工,扣8分施工现场焚烧各类废弃物,扣8分施工现场未制定防粉尘、防噪音、防光污染等措施,扣5分未制定施工不扰民措施,扣5分10 0 10 小计40 0 40检查项目合计100 -7 93表B.3 扣件式钢管脚手架检查评分表序号检查项目扣分标准应得分数扣减分数实得分数1保证项目施工方案架体搭设未编制专项施工方案或未按规定审核、审批,扣10分架体结构设计未进行设计计算,扣10分架体搭设超过规范允许高度,专项施工方案未按规定组织专家论证,扣10分10 0 102 立杆基础立杆基础不平、不实,不符合专项施工方案要求,扣5-10分立杆底部缺少底座、垫板或垫板的规格不符合规范要求,每处扣2-5分未按规范要求设置纵、横向扫地杆,扣5~10分扫地杆的设置和固定不符合规范要求,扣5分未采取排水措施,扣8分100 103 架体与建筑结构拉结架体与建筑结构拉结方式或间距不符合规范要求,每处扣2分架体底层第一步纵向水平杆处未按规定设置连墙件或未采用其他可靠措施固定,每处扣2分搭设高度超过24m的双排脚手架,未采用刚性连墙件与建筑结构可靠连接,扣10分100 104 杆件间距与剪刀撑立杆、纵向水平杆、横向水平杆间距超过设计或规范要求,每处扣2分未按规定设置纵向剪刀撑或横向斜撑,每处扣5分剪刀撑未沿脚手架高度连续设置或角度不符合规范要求,扣5分剪刀撑斜杆的接长或剪刀撑斜杆与架体杆件固定不符合规范要求,每处扣2分100 105 脚手板与防护栏杆脚手板未满铺或铺设不牢、不稳,扣5~10分脚手板规格或材质不符合规范要求,扣5~10分架体外侧未设置密目式安全网封闭或网间连接不严,扣5~10分作业层防护栏杆不符合规范要求,扣5分作业层未设置高度不小于180㎜的挡脚板,扣3分10 0106 交底与验收架体搭设前未进行交底或交底未留有文字记录,扣5-10分架体分段搭设、分段使用未进行分段验收,扣5分架体搭设完毕未办理验收手续,扣10分验收内容未进行量化,或未经责任人签字确认,扣5分100 10 小计600 607一般项目横向水平杆设置未在立杆与纵向水平杆交点处设置横向水平杆,每处扣2分未按脚手板铺设的需要增加设置横向水平杆,每处扣2分双排脚手架横向水平杆只固定一端,每处扣2分单排脚手架横向水平杆插入墙内小于180mm,每处扣2分10 0 108 杆件连接纵向水平杆搭接长度小于1m或固定不符合要求,每处扣2分立杆除顶层顶步外采用搭接,每处扣4分杆件对接扣件的布置不符合规范要求,扣2分扣件紧固力矩小于40N.m或大于65N.m,每处扣2分10 0 109 层间防护作业层脚手板下未采用安全平网兜底或作业层以下每隔10m未采用安全平网封闭,扣5分作业层与建筑物之间未按规定进行封闭,扣5分10 -8 210 构配件材质钢管直径、壁厚、材质不符合要求,扣5分钢管弯曲、变形、锈蚀严重,扣5分扣件未进行复试或技术性能不符合标准,扣5分5 0 511 通道未设置人员上下专用通道,扣5分通道设置不符合要求,扣2分 5 0 5小计40 -8 32 检查项目合计100 -8 92表B.4 门式钢管脚手架检查评分表序号检查项目扣分标准应得分数扣减分数实得分数1保证项目施工方案专项施工方案未按规定审核、审批,扣10分架体搭设超过规范允许高度,专项施工方案未组织专家论证,扣10分102 架体基础架体基础不平、不实、不符合专项施工方案要求,扣5-10分架体底部未设置垫板或垫板的规格不符合要求,扣2-5分架体底部未按规范要求设置底座,每处扣2分架体底部未按规范要求设置扫地杆,扣5分未采取排水措施,扣8分103 架体稳定架体与建筑物结构拉结方式或间距不符合规范要求,每处扣2分未按规范要求设置剪刀撑,扣10分门架立杆垂直偏差超过规范要求,扣5分交叉支撑的设置不符合规范要求,每处扣2分104 杆件锁臂未按规定组装,或漏装杆件、锁臂,扣2-6分未按规范要求设置纵向水平加固杆,扣10分扣件与连接的杆件参数不匹配,每处扣2分105 脚手板脚手板未满铺或铺设不牢、不稳,扣5-10分脚手板规格或材质不符合要求的,扣5-10分采用挂扣式钢脚手板时挂钩未挂扣在横向水平杆上或挂钩未处于锁住状态,每处扣2分106 交底与验收架体搭设前未进行交底或交底未有文字记录,扣5-10分架体分段搭设、分段使用未办理分段验收,扣6分架体搭设完毕未办理验收手续,扣10分验收内容未进行量化,或未经责任人签字确认,扣5分10 小计607一般项目架体防护作业层防护栏杆不符合规范要求,扣5分作业层未设置高度不小于180㎜的挡脚板,扣3分架体外侧未设置密目式安全网封闭或网间连接不严,扣5~10分作业层脚手板下未用安全平网双层兜底或作业层以下每隔10m未用安全平网封闭,扣5分108 构配件材质杆件变形、锈蚀严重,扣10分门架局部开焊,扣10分构配件的规格、型号、材质或产品质量不符合规范要求,扣5-10分109 荷载施工荷载超过设计规定,扣10分荷载堆放不均匀,每处扣5分10 10 通道未设置人员上下专用通道,扣10分通道设置不符合要求,扣5分10小计40 检查项目合计100表B.5 碗扣式钢管脚手架检查评分表序号检查项目扣分标准应得分数扣减分数实得分数1保证项目施工方案专项施工方案未按规定审核、审批,扣10分架体搭设高度超过规范允许高度,专项施工方案未组织专家论证,扣10分102 架体基础基础不平、不实,不符合专项施工方案要求,扣5-10分架体底部未设置垫板或垫板的规格不符合要求,扣2-5分架体底部未按规范要求设置底座,每处扣2分架体底部未按规范要求设置扫地杆,扣5分未采取排水措施,扣8分103 架体稳定架体与建筑结构未按规范要求拉结,每处扣2分架体底层第一步水平杆处未按规范要求设置连墙件或未采用其它可靠措施固定,每处扣2分连墙件未采用刚性杆件,扣10分未按规范要求设置竖向专用斜杆或八字形斜撑,扣5分(竖向)专用斜杆两端未固定在纵、横向水平杆与立杆汇交的碗扣结点处,每处扣2分(竖向)专用斜杆或八字形斜撑未沿脚手架高度连续设置或角度不符合要求,扣5分104 杆件锁件立杆间距、水平杆步距超过设计和规范要求,每处扣2分未按专项施工方案设计的步距在立杆连接碗扣结点处设置纵、横向水平杆,每处扣2分架体搭设高度超过24 m时,顶部24m以下的连墙件层未按规定设置水平斜杆,扣10分架体组装不牢或上碗扣紧固不符合要求,每处扣2分105 脚手板脚手板未满铺或铺设不牢、不稳,扣5~10分脚手板规格或材质不符合要求,扣5~10分采用挂扣式钢脚手板时挂钩未挂扣在横向水平杆上或挂钩未处于锁住状态,每处扣2分106 交底与验收架体搭设前未进行交底或交底未留有文字记录,扣5-10分架体分段搭设、分段使用未进行分段验收,扣5分架体搭设完毕未办理验收手续,扣10分验收内容未进行量化,或未经责任人签字确认,扣5分10 小计607一般项目架体防护架体外侧未采用密目式安全网封闭或网间连接不严扣5~10分作业层防护栏杆不符合规范要求,扣5分作业层外侧未设置高度不小于180㎜的挡脚板,扣3分作业层脚手板下未用安全平网双层兜底或作业层以下每隔10m未用安全平网封闭,扣5分108 材质杆件弯曲、变形、锈蚀严重,扣10分钢管、构配件的规格、型号、材质或产品质量不符合规范要求,扣5-10分109 荷载施工荷载超过设计规定,扣10分荷载堆放不均匀,每处扣5分1010 通道未设置人员上下专用通道,扣10分通道设置不符合要求,扣5分10小计40 检查项目合计100表B. 6 承插型盘扣式钢管支架检查评分表序号检查项目扣分标准应得分数扣减分数实得分数1保证项目施工方案未编制专项施工方案或未进行设计计算,扣10分专项施工方案未按规定审核、审批,扣10分102 架体基础架体基础不平、不实、不符合专项方案设要求,扣5-10分架体立杆底部缺少垫板或垫板的规格不符合规范要求,每处扣2分架体立杆底部未按要求设置可调底座,每处扣2分未按规范要求设置纵、横向扫地杆,扣5~10分未采取排水措施,扣8分103 架体稳定架体与建筑结构未按规范要求拉结,每处扣2分架体底层第一步水平杆处未按规范要求设置连墙件或未采用其它可靠措施固定,每处扣2分连墙件未采用刚性杆件,扣10分未按规范要求设置竖向斜杆或剪刀撑,扣5分竖向斜杆两端未固定在纵、横向水平杆与立杆汇交的盘扣结点处,每处扣2分斜杆或剪刀撑未沿脚手架高度连续设置或角度不符合要求,扣5分104 杆件设置架体立杆间距、水平杆步距超过设计或规范要求,每处扣2分未按专项施工方案设计的步距在立杆连接盘处设置纵、横向水平杆,每处扣2分双排脚手架的每步水平杆,当无挂扣钢脚手板时未按规范要求设置水平斜杆,扣5~10分105 脚手板脚手板不满铺或铺设不牢、不稳,扣5-10分脚手板规格或材质不符合要求,扣5-10分采用挂扣式钢脚手板时挂钩未挂扣在水平杆上或挂钩未处于锁住状态,每处扣2分106交底与验收架体搭设前未进行交底或未留有文字交底记录,扣5-10分架体分段搭设、分段使用未进行分段验收,扣5分架体搭设完毕未办理验收手续,扣10分验收内容未进行量化,或未经责任人签字确认,扣5分10 小计607一般项目架体防护架体外侧未采用密目式安全网封闭或网间不严,扣5~10分作业层防护栏杆不符合规范要求,扣5分作业层外侧未设置高度不小于180㎜的挡脚板,扣3分作业层脚手板下未采用安全平网双层兜底或作业层以下每隔10m未采用安全平网封闭,扣5分108 杆件连接立杆竖向接长位置不符合要求,每处扣2分剪刀撑的斜杆接长不符合要求,扣8分109 构配件材质钢管、构配件的规格、型号、材质或产品质量不符合规范要求,扣5分钢管弯曲、变形、锈蚀严重,扣10分1010 通道未设置人员上下专用通道,扣10分通道设置不符合要求,扣5分10小计40 检查项目合计100表B.7 满堂式脚手架检查评分表序号检查项目扣分标准应得分数扣减分数实得分数1保证项目施工方案未编制专项施工方案或未进行设计计算,扣10分专项施工方案未按规定审核、审批,扣10分102 架体基础架体基础不平、不实、不符合专项施工方案要求,扣5-10分架体底部未设置垫板或垫板的规格不符合规范要求,每处扣2-5分架体底部未按规范要求设置底座,每处扣2分架体底部未按规范要求设置扫地杆,扣5分未采取排水措施,扣8分103 架体稳定架体四周与中间未按规范要求设置竖向剪刀撑或专用斜杆,扣10分未按规范要求设置水平剪刀撑或专用水平斜杆,扣10分架体高宽比超过规范要求时未采取与结构拉结或其他可靠的稳定措施,扣10分104 杆件锁件架体立杆间距、水平杆步距超过设计和规范要求,每处扣2分杆件接长不符合要求,每处扣2分架体搭设不牢或杆件节点紧固不符合要求,每处扣2分105 脚手板脚手板不满铺或铺设不牢、不稳,扣5-10分脚手板规格或材质不符合要求,扣5-10分采用挂扣式钢脚手板时挂钩未挂扣在水平杆上或挂钩未处于锁住状态,每处扣2分106 交底与验收架体搭设前未进行交底或交底未留有文字记录,扣5-10分架体分段搭设、分段使用未进行分段验收,扣5分架体搭设完毕未办理验收手续,扣10分验收内容未进行量化,或未经责任人签字确认,扣5分10 小计607一般项目架体防护作业层防护栏杆不符合规范要求,扣5分作业层外侧未设置高度不小于180mm挡脚板,扣3分作业层脚手板下未用安全平网双层兜底或作业层以下每隔10m未用安全平网封闭,扣5分108 构配件材质钢管、构配件的规格、型号、材质或产品质量不符合规范要求,扣5-10分杆件弯曲、变形、锈蚀严重,扣10分109 荷载架体的施工荷载超过设计和规范要求,扣10分荷载堆放不均匀,每处扣5分10 10 通道未设置人员上下专用通道,扣10分通道设置不符合要求,扣5分10小计40 检查项目合计100表B.8 悬挑式脚手架检查评分表序号检查项目扣分标准应得分数扣减分数实得分数1保证项目施工方案未编制专项施工方案或未进行设计计算,扣10分专项施工方案未按规定审核、审批,扣10分架体搭设超过规范允许高度,专项施工方案未按规定组织进行专家论证,扣10分100 102 悬挑钢梁钢梁截面高度未按设计确定或载面形式不符合设计和规范要求,扣10分钢梁固定段长度小于悬挑段长度的1.25倍,扣5分钢梁外端未设置钢丝绳或钢拉杆与上一层建筑结构拉结,每处扣2分钢梁与建筑结构锚固处结构强度、锚固措施不符合设计和规范要求,每处扣5-10分钢梁间距未按悬挑架体立杆纵距设置,扣5分100 103 架体稳定立杆底部与悬挑钢梁连接处未采取可靠固定措施,每处扣2分承插式立杆接长未采取螺栓或销钉固定,每处扣2分纵横向扫地杆的设置不符合规范要求,扣5-10分未在架体外侧设置连续式剪刀撑,扣10分未按规定设置横向斜撑,扣5分架体未按规定与建筑结构拉结,每处扣5分100 104 脚手板脚手板规格、材质不符合要求,扣5~10分脚手板未满铺或铺设不严、不牢、不稳,扣5~10分100 105 荷载脚手架施工荷载超过设计规定,扣10分施工荷载堆放不均匀,每处扣5分100 106 交底与验收架体搭设前未进行交底或交底未留有文字记录,扣5-10分架体分段搭设、分段使用未进行分段验收,扣6分架体搭设完毕未办理验收手续,扣10分验收内容未进行量化,或未经责任人签字确认,扣5分100 10 小计600 607一般项目杆件间距立杆间距、纵向水平杆布距超过设计或规范要求,每处扣2分未在立杆与纵向水平杆交点处设置横向水平杆,每处扣2分未按脚手板铺设的需要增加设置横向水平杆,每处扣2分100 108 架体防护作业层防护栏杆不符合规范要求,扣5分作业层架体外侧未设置高度不小于180mm的挡脚板,扣3分架体外侧未采用密目式安全网封闭或网间不严,扣5~10分100 109 层间防护作业层脚手板下未采用安全平网兜底或作业层以下且以下每隔10m未用安全平网封闭,扣5分作业层与建筑物之间未进行封闭,扣5分架体底层沿建筑结构边缘,悬挑钢梁与悬挑钢梁之间未采取封闭措施或封闭不严,扣2-8分架体底层未进行封闭或封闭不严,扣10分10-8 210 脚手架材质型钢、钢管、构配件规格及材质不符合规范要求,扣5~10分型钢、钢管、构配件弯曲、变形、锈蚀严重,扣10分100 10 小计40-8 2检查项目各计100 -8 92表B.9 附着式升降脚手架检查评分表序号检查项目扣分标准应得分数扣减分数实得分数。
建筑施工安全检查评分汇总表
项目名称:时间:
表1 安全管理检查评分表
表2 文明施工检查评分表
表3 扣件式钢管脚手架检查评分表
表4 门式钢管脚手架检查评分表
表5 碗扣式钢管脚手架检查评分表
表6 承插型盘扣式钢管脚手架检查评分表
表7 满堂脚手架检查评分表
表8 悬挑式脚手架检查评分表
表9 附着式升降脚手架检查评分表
表10 高处作业吊篮检查评分表
表11 基坑工程检查评分表
表12 模板支架检查评分表
表13 高处作业检查评分表
表14 施工用电检查评分表
表15 物料提升机检查评分表
表16 施工升降机检查评分表
表17 塔式起重机检查评分表
表18 起重吊装检查评分表
表19 施工机具检查评分表。
表 A 建筑施工安全检查评分汇总表企业名称:资质等级:年 月 日项目名称及 分值单位工程建筑总计得物料提升机塔式起重机结构分(满安全管理 文明施工脚手架 基坑工程 模板支架高处作业 施工用电(施工现场)面积与施工升降 与起重吊装施工机具类型分(满分 10(满分 15(满分 10(满分 10(满分 10(满分 10 (满分 10名称(m 2)100 分)(满分 10 (满分 5 分)分)分)分)分)分)分)机(满分 10分)分) 分)评语:检查单位 负责人 受检项目 项目经理表 B.1 安全管理检查评分表序 检查项目扣分标准号未建立安全生产责任制,扣 10 分 3 分安全生产责任制未经责任人签字确认,扣未备有各工种安全技术操作规程,扣 2~10 分安全 未按规定配备专职安全员,扣 2~10 分5 分工程项目部承包合同中未明确安全生产考核指标,扣生产 1未制定安全生产资金保障制度,扣 5 分责任制2~ 5未编制安全资金使用计划或未按计划实施,扣分未制定伤亡控制、安全达标、文明施工等管理目标,扣5 分 未进行安全责任目标分解的,扣 5 分5 分 未建立对安全生产责任制和责任目标的考核制度,扣未按考核制度对管理人员定期考核,扣 2~5 分施工组织设计中未制定安全技术措施,扣10 分 10 分 施工组 危险性较大的分部分项工程未编制安全专项施工方案,扣织设计 未按规定对超过一定规模危险性较大的分部分项工程专项方案进行专 2及专项 家论证,扣 10 分施工 施工组织设计、专项施工方案未经审批,扣10 分 2~8分 方案 安全技术措施、专项施工方案无针对性或缺少设计计算,扣未按施工组织设计、专项施工方案组织实施,扣 2~10 分保安全 未进行书面安全技术交底,扣10 分未按分部分项进行交底,扣 5 分3证 技术交底内容不全或针对性不强,扣2~5分项 交底交底未履行签字手续,扣 4 分目未建立安全检查制度,扣 10 分 4安全 未有安全检查记录,扣 5 分2~6分检查事故隐患的整改未做到定人、定时间、定措施,扣对重大事故隐患改通知书所列项目未按期整改和复查,扣5-10 分 未建立安全教育培训制度,扣 10 分5 分施工人员入场工人未进行三级安全教育培训和考核,扣5安全未明确具体安全教育培训内容,扣 2~8 分变换工种或采用新技术、新工艺、新设备、新材料施工时未进行安全教教育育,扣 5分施工管理人员、专职安全员未按规定进行年度教育培训和考核, 每人扣 2分未制定安全生产应急救援预案,扣 10 分 2~6分6应急 未建立应急救援组织或未按规定配备救援人员,扣预案未定期进行应急救援演练,扣 5 分未配置应急救援器材和设备,扣 5 分小 计分包单 分包单位资质、资格、分包手续不全或失效,扣10 分未签定安全生产协议书,扣 5 分7位安全2~6 分分包合同、安全生产协议书,签字盖章手续不全,扣管理分包单位未按规定建立安全机构或未配备专职安全员,扣 2~6 分8一 持证 未经培训从事施工、安全管理和特种作业,每人扣5 分 2 分上岗项目经理、专职安全员和特种作业人员未持证上岗,每人扣般9项 生产安 生产安全事故未按规定报告,扣 10 分10 分目 全事故生产安全事故未按规定进行调查分析、制定防范措施,扣处理 未依法为施工作业人员办理保险,扣 5 分主要施工区域、危险部位未按规定悬挂安全标志,扣 2~6 分 10安全未绘制现场安全标志布置图,扣 3 分2~6分标志未按部位和现场设施的变化调整安全标志设置,扣未设置重大危险源公示牌,扣 5 分应得 扣减 实得分数 分数 分数1010101010106010101010小计40检查项目合计100表 B.2 文明施工检查评分表序号检查项目1现场围挡封闭2管理3施工场地保证材料4项管理目现场5办公与住宿6现场防火小计7综合治理公示8标牌一9般生活项设施目社区10服务小计扣分标准市区主要路段的工地未设置封闭围挡或围挡高度小于 2.5m 的,扣 5~ 10 分一般路段的工地未设置封闭围挡或围挡高度小于 1.8m,扣 5~ 10 分围挡未达到坚固、稳定、整洁、美观,扣5~10分施工现场出入口未设置大门,扣10 分未设置门卫室,扣 5 分2~6 分未建立门卫值守管理制度或未配备门卫值守人员,扣施工人员进入施工现场未佩戴工作卡,扣 2 分施工现场出入口未标有企业名称或标识,扣 2 分未设置车辆冲洗设施,扣 3分施工现场主要道路及材料加工区地面未进行硬化处理,扣 5 分现场道路不畅通、路面不平整坚实,扣5分施工现场未采取防尘措施,扣 5 分5 分施工现场未设置排水设施或排水不通畅、有积水,扣未采取防止泥浆、污水、废水污染环境措施,扣2~ 10分未设置吸烟处、随意吸烟,扣 5 分温暖季节未进行绿化布置,扣 3 分建筑材料、构件、料具未按总平面布局码放,扣 4 分材料码放不整齐、未标明名称、规格,扣 2 分3~10 分施工现场材料存放未采取防火、防锈蚀、防雨措施,扣建筑物内施工垃圾的清运未使用器具或管道运输,扣 5 分5~10 分易燃易爆物品未分类储藏在专用库房、未采取防火措施,扣施工作业区、材料存放区与办公、生活区未采取隔离措施,扣 6 分宿舍、办公用房防火等级不符合有关消防安全技术规范要求,扣10 分在施工程、伙房、库房兼作住宿,扣10 分宿舍未设置可开启式窗户,扣 4 分宿舍未设置床铺、床铺超过 2 层或通道宽度小于0.9m,扣 2~ 6 分宿舍人均面积或人员数量不符合规范要求,扣 5 分冬季宿舍内未采取保暖和防一氧化碳中毒措施,扣 5 分夏季宿舍内未采取防暑降温和防蚊蝇措施,扣 5 分生活用品摆放混乱、环境卫生不符合要求,扣 3 分施工现场未制定消防安全管理制度、消防措施,扣10 分10 分施工现场的临时用房和作业场所的防火设计不符合规范要求,扣施工现场消防通道、消防水源的设置不符合规范要求,扣5~10 分施工现场灭火器材布局、配置不合理或灭火器材失效,扣 5 分未办理动火审批手续或未指定动火监护人员,扣5~ 10分生活区未设置作业人员设置学习和娱乐场所,扣2分施工现场未建立治安保卫制度或责任未分解到人,扣3~5 分施工现场未制定治安防范措施,扣5分大门口处设置的公示牌内容不齐全,扣2~8 分标牌不规范、不整齐,扣3分未设置安全标语,扣 3分未设置宣传栏、读报栏、黑板报,扣2~4 分未建立卫生责任制度,扣5分2~6 分食堂与厕所、垃圾站、有毒有害场所的距离不符合规范要求,扣食堂未办理卫生许可证或未办理炊事人员健康证,扣 5 分2~4 分食堂使用的燃气罐未单独设置存放间或存放间通风条件不良,扣食堂未配备排风、冷藏、消毒、防鼠、防蚊蝇等设施,扣 4 分厕所内的设施数量或布局不符合规范要求,扣2~6 分厕所卫生未达到规定要求,扣 4 分不能保证现场人员卫生饮水,扣 5 分4 分未设置淋浴室或淋浴室不能满足现场人员需求,扣生活垃圾未装容器或未及时清理,扣3~5 分夜间未经许可施工,扣8 分8 分施工现场焚烧各类废弃物,扣施工现场未制定防粉尘、防噪音、防光污染等措施,扣 5 分未制定施工不扰民措施,扣 5 分应得扣减实得分数分数分数101010101010601010101040检查项目合计100序号123 4 5 6 7 8 9 10 11表 B.3 扣件式钢管脚手架检查评分表检查项目扣分标准架体搭设未编制专项施工方案或未按规定审核、审批,扣10 分施工架体结构设计未进行设计计算,扣10 分方案架体搭设超过规范允许高度,专项施工方案未按规定组织专家论证,扣 10 分立杆基础不平、不实,不符合专项施工方案要求,扣5~10 分立杆底部缺少底座、垫板或垫板的规格不符合规范要求,每处扣立杆2-5 分基础未按规范要求设置纵、横向扫地杆,扣5~10 分扫地杆的设置和固定不符合规范要求,扣 5 分未采取排水措施,扣 8 分架体与建筑结构拉结方式或间距不符合规范要求,每处扣 2 分架体与架体底层第一步纵向水平杆处未按规定设置连墙件或未采用其建筑结他可靠措施固定,每处扣 2 分构拉结搭设高度超过24m的双排脚手架,未采用刚性连墙件与建筑结构保可靠连接,扣10 分立杆、纵向水平杆、横向水平杆间距超过设计或规范要求,每处证扣 2 分项5 分未按规定设置纵向剪刀撑或横向斜撑,每处扣目杆件间距剪刀撑未沿脚手架高度连续设置或角度不符合规范要求,扣5与剪刀撑分剪刀撑斜杆的接长或剪刀撑斜杆与架体杆件固定不符合规范要求,每处扣 2 分脚手板未满铺或铺设不牢、不稳,扣5~10 分脚手板规格或材质不符合规范要求,扣5~10 分5~ 10脚手板与架体外侧未设置密目式安全网封闭或网间连接不严,扣防护栏杆分作业层防护栏杆不符合规范要求,扣 5 分作业层未设置高度不小于180 ㎜的挡脚板,扣 3 分架体搭设前未进行交底或交底未留有文字记录,扣5~10 分交底与架体分段搭设、分段使用未进行分段验收,扣 5 分验收架体搭设完毕未办理验收手续,扣10 分验收内容未进行量化,或未经责任人签字确认,扣5分小计未在立杆与纵向水平杆交点处设置横向水平杆,每处扣 2 分横向水平未按脚手板铺设的需要增加设置横向水平杆,每处扣 2 分杆设置双排脚手架横向水平杆只固定一端,每处扣 2 分单排脚手架横向水平杆插入墙内小于180mm,每处扣 2 分纵向水平杆搭接长度小于1m或固定不符合要求,每处扣 2 分杆件立杆除顶层顶步外采用搭接,每处扣 4 分连接杆件对接扣件的布置不符合规范要求,扣 2分扣件紧固力矩小于 40N·m或大于 65N· m,每处扣 2 分一层间作业层脚手板下未用安全平网兜底或作业层以下每隔10m 未用般安全平网封闭,扣 5 分防护项作业层与建筑物之间未按规定进行封闭,扣 5 分目钢管直径、壁厚、材质不符合要求,扣 5 分构配件钢管弯曲、变形、锈蚀严重,扣 5 分材质5 分扣件未进行复试或技术性能不符合标准,扣通道未设置人员上下专用通道,扣 5 分通道设置不符合要求,扣 2 分应得扣减实得分数分数分数1010101010106010101055小计40检查项目合计100表 B.4 门式钢管脚手架检查评分表序号检查项目扣分标准未编制专项施工方案或未进行设计计算,扣10 分1施工专项施工方案未按规定审核、审批,扣10 分方案架体搭设超过规范允许高度,专项施工方案未组织专家论证,扣 10 分架体基础不平、不实、不符合专项施工方案要求,扣5~10 分架体架体底部未设垫板或垫板的规格不符合要求,扣2~ 52分基础架体底部未按规范要求设置底座,每处扣 2 分架体底部未按规范要求设置扫地杆,扣 5 分未采取排水措施,扣 8 分架体与建筑结构拉结方式或间距不符合规范要求,每3架体处扣 2分10 分未按规范要求设置剪刀撑,扣稳定保门架立杆垂直度偏差超过规范要求,扣 5 分证交叉支撑的设置不符合规范要求,每处扣 2 分项未按规定组装或漏装杆件、锁臂,扣2~6 分目杆件未按规范要求设置纵向水平加固杆,扣10 分4锁臂扣件与连接的杆件参数不匹配,每处扣 2 分脚手板未满铺或铺设不牢、不稳,扣5~ 10分5脚手板脚手板规格或材质不符合要求的,扣5~ 10分采用挂扣式钢脚手板时挂钩未挂扣在横向水平杆上或挂钩未处于锁住状态,每处扣 2 分架体搭设前未进行交底或交底未有文字记录,扣5~10 分6 分6交底与架体分段搭设、分段使用未办理分段验收,扣验收架体搭设完毕未办理验收手续,扣10 分5验收内容未进行量化,或未经责任人签字确认,扣分小计作业层防护栏杆不符合规范要求,扣 5 分作业层未设置高度不小于180 ㎜的挡脚板,扣 3 分7架体架体外侧未设置密目式安全网封闭或网间不严,扣 5~防护10 分作业层脚手板下未用安全平网双层兜底或作业层以下每隔 10m未用安全平网封闭,扣 5 分一杆件变形、锈蚀严重,扣10 分构配件门架局部开焊,扣 10 分8般材质构配件的规格、型号、材质或产品质量不符合规范要项求,扣 5~ 10 分目9荷载施工荷载超过设计规定,扣10 分荷载堆放不均匀,每处扣 5 分10通道未设置人员上下专用通道,扣10 分通道设置不符合要求,扣 5 分小计应得扣减实得分数分数分数101010101010601010101040检查项目合计100序号检查项目1施工方案2架体基础3架体稳定保证项目4杆件锁件5脚手板6交底与验收小计7架体防护一般构配件8项材质目9荷载10通道表 B.5 碗扣式钢管脚手架检查评分表扣分标准应得扣减实得分数分数分数未编制专项施工方案或未进行设计计算,扣10 分专项施工方案未按规定审核、审批,扣10 分10架体搭设超过规范允许高度,专项施工方案未组织专家论证,扣 10 分基础不平、不实,不符合专项施工方案要求,扣 5~ 10 分架体底部未设置垫板或垫板的规格不符合要求,扣2~5 分架体底部未按规范要求设置底座,每处扣 2 分10架体底部未按规范要求设置扫地杆,扣 5 分未采取排水措施,扣8 分架体与建筑结构未按规范要求拉结,每处扣 2 分架体底层第一步水平杆处未按规范要求设置连墙件或未采用其它可靠措施固定,每处扣 2 分连墙件未采用刚性杆件,扣10 分未按规范要求设置专用斜杆或八字形斜撑,扣 5 分10专用斜杆两端未固定在纵、横向水平杆与立杆汇交的碗扣结点处,每处扣 2 分专用斜杆或八字形斜撑未沿脚手架高度连续设置或角度不符合要求,扣 5 分立杆间距、水平杆步距超过设计或规范要求,每处扣 2 分未按专项施工方案设计的步距在立杆连接碗扣结点处设置纵、横向水平杆,每处扣 2 分10架体搭设高度超过 24 m时,顶部 24m以下的连墙件层未按规定设置水平斜杆,扣10 分架体组装不牢或上碗扣紧固不符合要求,每处扣 2 分脚手板未满铺或铺设不牢、不稳,扣5~10 分脚手板规格或材质不符合要求,扣5~10 分10采用挂扣式钢脚手板时挂钩未挂扣在横向水平杆上或挂钩未处于锁住状态,每处扣 2 分架体搭设前未进行交底或交底未有文字记录,扣5~10 分架体分段搭设、分段使用未进行分段验收,扣 5 分10架体搭设完毕未办理验收手续,扣10 分验收内容未进行量化,或未经责任人签字确认,扣 5 分60架体外侧未采用密目式安全网封闭或网间连接不严,扣 5~10分作业层防护栏杆不符合规范要求,扣 5 分作业层外侧未设置高度不小于180 ㎜的挡脚板,扣 3 分10作业层脚手板下未用安全平网兜底或作业层以下每隔10m未采用安全平网封闭,扣 5 分杆件弯曲、变形、锈蚀严重,扣10分钢管、构配件的规格、型号、材质或产品质量不符合规范10要求,扣 5~10 分施工荷载超过设计规定,扣10 分10荷载堆放不均匀,每处扣 5 分未设置人员上下专用通道,扣10 分10通道设置不符合要求,扣 5 分小计40检查项目合计100表 B. 6承插型盘扣式钢管支架检查评分表序检查项目号施工1方案架体2基础架体3稳定保证项目杆件4设置5脚手板6交底与验收小计架体7防护一8般杆件项连接目构配件9材质10通道扣分标准未编制专项施工方案或未进行设计计算,扣10 分专项施工方案未按规定审核、审批,扣10 分架体基础不平、不实、不符合专项方案设要求,扣 5~ 10分架体立杆底部缺少垫板或垫板的规格不符合规范要求,每处扣 2分2 分架体立杆底部未按要求设置可调底座,每处扣未按规范要求设置纵、横向扫地杆,扣5~10 分未采取排水措施,扣8 分架体与建筑结构未按规范要求拉结,每处扣 2 分架体底层第一步水平杆处未按规范要求设置连墙件或未采用其它可靠措施固定,每处扣 2 分连墙件未采用刚性杆件,扣10 分5 分未按规范要求设置竖向斜杆或剪刀撑,扣竖向斜杆两端未固定在纵、横向水平杆与立杆汇交的盘扣结点处,每处扣 2 分斜杆或剪刀撑未沿脚手架高度连续设置或角度不符合要求,扣 5分2 分架体立杆间距、水平杆步距超过设计或规范要求,每处扣未按专项施工方案设计的步距在立杆连接插盘处设置纵、横向水平杆,每处扣 2 分双排脚手架的每步水平杆,当无挂扣钢脚手板时未按规范要求设置水平斜杆,扣5~10 分5~10 分脚手板不满铺或铺设不牢、不稳,扣脚手板规格或材质不符合要求,扣5~ 10分采用挂扣式钢脚手板时挂钩未挂扣在水平杆上或挂钩未处于锁住状态,每处扣 2 分5~10 分架体搭设前未进行交底或未有文字记录,扣架体分段搭设、分段使用未进行分段验收,扣 5 分架体搭设完毕未办理验收手续,扣10 分5 分验收内容未进行量化,或未经责任人签字确认,扣架体外侧未设置密目式安全网封闭或网间连接不严,扣 5~10 分作业层防护栏杆不符合规范要求,扣 5 分作业层外侧未设置高度不小于180 ㎜的挡脚板,扣 3 分作业层脚手板下未用安全平网兜底或作业层以下每隔10m未采用安全平网封闭,扣 5 分立杆竖向接长位置不符合要求,每处扣 2 分剪刀撑的斜杆接长不符合要求,扣8 分钢管、构配件的规格、型号、材质或产品质量不符合规范要求,扣 5 分10 分钢管弯曲、变形、锈蚀严重,扣未设置人员上下专用通道,扣10分通道设置不符合要求,扣 5 分应得扣减实得分数分数分数1010101010106010101010小计40 检查项目合计100序检查项目号施工 1方案架体 2基础架体 3稳定保证 项杆件4目锁件脚手 5板交底与 6验 收小计架体 7防护一般构配8项件目材质9 荷载表 B.7 满堂式脚手架检查评分表扣分标准应得 扣减 实得分数 分数分数未编制专项施工方案或未进行设计计算,扣10 分 10专项施工方案未按规定审核、审批,扣10 分架体基础不平、不实、不符合专项施工方案要求,扣5~10 分架体底部未设置垫板或垫板的规格不符合规范要求,每处扣2~5分10架体底部未按规范要求设置底座,每处扣 2 分架体底部未按规范要求设置扫地杆,扣 5 分未采取排水措施,扣 8 分架体四周与中间未按规范要求设置竖向剪刀撑或专用斜杆, 扣 10 分未按规范要求设置水平剪刀撑或专用水平斜杆,扣10 分 10架体高宽比超过规范要求时未采取与结构拉结或其他可靠的稳定措施,扣 10 分架体立杆间距、水平杆步距超过设计和规范要求,每处扣2 分杆件接长不符合要求,每处扣 2 分 10架体搭设不牢或杆件节点紧固不符合要求,每处扣 2 分脚手板不满铺或铺设不牢、不稳,扣5~ 10 分脚手板规格或材质不符合要求,扣 5~10 分10采用挂扣式钢脚手板时挂钩未挂扣在水平杆上或挂钩未处于锁住状态,每处扣 2 分架体搭设前未进行交底或交底未有文字记录,扣 5~10 分架体分段搭设、分段使用未进行分段验收,扣5 分10架体搭设完毕未办理验收手续,扣10 分验收内容未进行量化,或未经责任人签字确认,扣5 分60作业层防护栏杆不符合规范要求,扣5 分作业层外侧未设置高度不小于 180mm 挡脚板,扣 3 分10作业层脚手板下未用安全平网兜底或作业层以下每隔10m 未用安全平网封闭,扣 5 分钢管、构配件的规格、 型号、材质或产品质量不符合规范要求,扣 5~10 分10杆件弯曲、变形、锈蚀严重,扣10 分架体的施工荷载超过设计和规范要求,扣10 分10荷载堆放不均匀,每处扣5 分10未设置人员上下专用通道,扣 10 分通道5 分 10通道设置不符合要求,扣小计40检查项目合计100表 B.8 悬挑式脚手架检查评分表序号检查项目扣分标准未编制专项施工方案或未进行设计计算,扣10 分 1施工 专项施工方案未按规定审核、审批,扣10 分方案架体搭设超过规范允许高度,专项施工方案未按规定组织进行专家论证,扣 10 分 钢梁截面高度未按设计确定或载面形式不符合设计和规范要求,扣 10 分悬挑 钢梁固定段长度小于悬挑段长度的 1.25 倍,扣 5分 2钢梁外端未设置钢丝绳或钢拉杆与上一层建筑结构拉结,钢梁每处扣 2分钢梁与建筑结构锚固处结构强度、锚固措施不符合设计和 规范要求,扣 5-10 分 5 分钢梁间距未按悬挑架体立杆纵距设置,扣保 立杆底部与悬挑钢梁连接处未采取可靠固定措施,每处扣证2 分承插式立杆接长未采取螺栓或销钉固定,每处扣2 分项架体3纵横向扫地杆的设置不符合规范要求,扣5~10 分目 稳定未在架体外侧设置连续式剪刀撑,扣 10 分未按规定设置横向斜撑,扣 5 分架体未按规定与建筑结构拉结,每处扣5 分 4脚手板脚手板规格、材质不符合要求,扣5~10 分脚手板未满铺或铺设不严、不牢、不稳,扣5~ 10 分5荷载脚手架施工荷载超过设计规定,扣 10 分施工荷载堆放不均匀,每处扣 5 分架体搭设前未进行交底或交底未有文字记录,扣 5~10 分6交底与 架体分段搭设、分段使用未进行分段验收,扣6 分验 收架体搭设完毕未办理验收手续,扣 10 分验收内容未进行量化,或未经责任人签字确认,扣5 分小计一立杆间距、纵向水平杆步距超过设计或规范要求,每处扣般 杆件 2 分 7未在立杆与纵向水平杆交点处设置横向水平杆,每处扣2项间距分目未按脚手板铺设的需要增加设置横向水平杆,每处扣2 分应得 扣减 实得分数 分数 分数10101010 10106010架体8防护层间9防护构配件10材质小计检查项目各计作业层防护栏杆不符合规范要求,扣 5 分作业层架体外侧未设置高度不小于180mm的挡脚板,扣3分架体外侧未采用密目式安全网封闭或网间不严,扣5~ 10分作业层脚手板下未采用安全平网兜底或作业层以下每隔10m未采用安全平网封闭,扣 5 分作业层与建筑物之间未进行封闭,扣 5 分架体底层沿建筑结构边缘,悬挑钢梁与悬挑钢梁之间未采取封闭措施或封闭不严,扣2~ 8分架体底层未进行封闭或封闭不严,扣2~10 分型钢、钢管、构配件规格及材质不符合规范要求,扣5~10 分10型钢、钢管、构配件弯曲、变形、锈蚀严重,扣分10101040100序号12 3 4 5 6 12 3 4表 B.9 附着式升降脚手架检查评分表检查项目扣分标准未编制专项施工方案或未进行设计计算,扣10 分施工专项施工方案未按规定审核、审批,扣10 分方案脚手架提升超过规定允许高度,专项施工方案未按规定组织专家论证,扣 10分未采用防坠落装置或技术性能不符合规范要求,扣10 分防坠落装置与升降设备未分别独立固定在建筑结构上,扣10 分安全防坠落装置未设置在竖向主框架处并与建筑结构附着,扣10 分未安装防倾覆装置或防倾覆装置不符合规范要求,扣5~10分装置升降或使用工况,最上和最下两个防倾装置之间的最小间距不符合规范要求,扣 8分未安装同步控制装置或技术性能不符合规范要求,扣5~8 分架体高度大于 5 倍楼层高,扣10 分架体宽度大于 1.2m,扣 5 分保架体直线布置的架体支承跨度大于7m 或折线、曲线布置的架体支承跨度大于证 5.4m,扣 8 分构造2m或大于跨度 1/2 ,扣 10 分项架体的水平悬挑长度大于目架体悬臂高度大于架体高度2/5 或大于 6m,扣 10 分架体全高与支撑跨度的乘积大于110 ㎡,扣 10 分未按竖向主框架所覆盖的每个楼层设置一道附着支座,扣10 分附着使用工况未将竖向主框架与附着支座固定,扣10 分支座升降工况未将防倾、导向装置设置在附着支座上,扣10 分附着支座与建筑结构连接固定方式不符合规范要求,扣5~10 分主框架和水平支承桁架的节点未采用焊接或螺栓连接,扣10 分各杆件轴线未汇交于节点,扣 3 分水平支承桁架的上弦和下弦之间设置的水平支撑杆件未采用焊接或螺栓连架体接,扣 5分10 分安装架体立杆底端未设置在水平支撑桁架上弦杆件节点处,扣竖向主框架组装高度低于架体高度,扣 5 分架体外立面设置的连续式剪刀撑未将竖向主框架、水平支承桁架和架体构架连成一体,扣8 分两跨以上架体升降采用手动升降设备,扣10 分架体升降工况附着支座与建筑结构连接处混凝土强度未达到设计和规范要求,升降扣 10分升降工况架体上有施工荷载或有人员停留,扣10 分小计主要构配件进场未进行验收,扣 6 分分区段安装、分区段使用未进行分区段验收,扣8 分检查架体搭设完毕未办理验收手续,扣10 分验收验收内容未进行量化,或未经责任人签字确认,扣 5 分架体提升前未有检查记录,扣 6 分架体提升后、使用前未履行验收手续或资料不全,扣2~8 分脚手脚手板未满铺或铺设不严、不牢,扣3~5 分一作业层与建筑结构之间空隙封闭不严,扣3~5 分板般脚手板规格、材质不符合要求,扣5~10 分项架体脚手架外侧未采用密目式安全网封闭或网间不严,扣5~10分目作业层防护栏杆不符合规范要求,扣 5 分防护作业层未设置高度不小于180 ㎜的挡脚板,扣 3 分操作前未向有关技术人员和作业人员进行安全技术交底或交底未有文字记录,扣 5~10分5~ 10安全作业人员未经培训或未定岗定责,扣分作业安装拆除单位资质不符合要求或特种作业人员未持证上岗,扣5~10分安装、升降、拆除时未设置安全警戒区及专人监护,扣10 分荷载不均匀或超载,扣 5~ 10分应得扣减实得分数分数分数1010101010106010101010。
建筑施工安全检查评分汇总表
项目名称:时间:
表1 安全管理检查评分表
表2 文明施工检查评分表
表3 扣件式钢管脚手架检查评分表
表4 门式钢管脚手架检查评分表
表5 碗扣式钢管脚手架检查评分表
表6 承插型盘扣式钢管脚手架检查评分表
表7 满堂脚手架检查评分表
表8 悬挑式脚手架检查评分表
表9 附着式升降脚手架检查评分表
表10 高处作业吊篮检查评分表
表11 基坑工程检查评分表
表12 模板支架检查评分表
表13 高处作业检查评分表
表14 施工用电检查评分表
表15 物料提升机检查评分表
表16 施工升降机检查评分表
表17 塔式起重机检查评分表
表18 起重吊装检查评分表
表19 施工机具检查评分表。
项目工程部检查评分表
表B.2 文明施工检查评分表
表B.0.7 登高架设设施检查评分表
防坠安全锁超过标定期限仍在使用的,扣10分
未安装防坠安全锁或安全锁失灵的,扣10分
防坠安全锁未按规定进行检测的,扣10分
安全带未采用专用安全绳、安全锁扣挂设的,扣10分
安全绳未固定在建筑物可靠位置的,扣10分
未安装上限位装置或限位装置失灵的,扣10分
安装后未经验收即投入使用的,扣10分
钢丝绳未安装防松绳装置的,扣10分
临边、洞口无安全防护措施的,扣10分
防护设施未使用定型化、工具式的,扣5分防护设施不严密的,扣5分
表B.3 扣件式钢管脚手架检查评分表
表B.4 门式钢管脚手架检查评分表
表B.5 碗扣式钢管脚手架检查评分表
表B.6 承插型盘扣式钢管脚手架检查评分表
表B.8 悬挑式脚手架检查评分表
表B.10 高处作业吊篮检查评分表
表B.11 基坑工程检查评分表
表B.12 模板支架检查评分表
表B.13 高处作业检查评分表
表B.14 施工用电检查评分表
表B.18 起重吊装检查评分表
表B.19 施工机具检查评分表。
《建筑施工安全检查标准》JGJ59-2011(全套)
建筑施工安全检查评分汇总表
项目名称:
时间:
建筑施工安全分项检查评分表
表1 安全管理检查评分表
表2 文明施工检查评分表
表3 扣件式钢管脚手架检查评分表
表4 门式钢管脚手架检查评分表
表5 碗扣式钢管脚手架检查评分表
表6 承插型盘扣式钢管脚手架检查评分表
表7 满堂脚手架检查评分表
表8 悬挑式脚手架检查评分表
表9 附着式升降脚手架检查评分表
表10 高处作业吊篮检查评分表
表11 基坑工程检查评分表
表12 模板支架检查评分表
表13 高处作业检查评分表
表14 施工用电检查评分表
表15 物料提升机检查评分表
表16 施工升降机检查评分表
表17 塔式起重机检查评分表
表18 起重吊装检查评分表
建筑施工安全分项检查评分表。
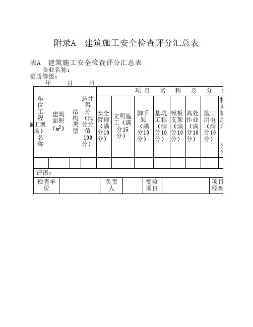
附录A 建筑施工安全检查评分汇总表
表A 建筑施工安全检查评分汇总表
企业名称:资质等级:年月日
附录B 建筑施工安全分项检查评分表
表B.2 文明施工检查评分表
表B.4 悬挑式脚手架检查评分表
表B.5 门式钢管脚手架检查评分表
表B.6 碗扣式钢管脚手架检查评分表
表B.7 附着式升降脚手架检查评分表
表B. 8 承插型盘扣式钢管支架检查评分表
表B. 9 高处作业吊篮检查评分表
表B.10 满堂式脚手架检查评分表
表B.11 基坑支护、土方作业检查评分表
表B.12 模板支架检查评分表
表B. 13 “三宝、四口”及临边防护检查评分表
表B.14 施工用电检查评分表
表B.16 施工升降机检查评分表。