工作岗位评价指标的分级标准
- 格式:ppt
- 大小:986.50 KB
- 文档页数:17
岗位评价方案岗位价值评估是衡量公司各岗位的相对价值,保证薪酬系统公平性和激励性的重要手段。
为使薪酬能与岗位价值有机地结合起来,调动各岗位人员积极性,根据公司实际,制订本方案。
一、岗位评估范围:管理岗位、专业技术岗位、工勤岗位。
二、岗位评估依据:岗位说明书。
三、岗位评估方法:1、要素评分法:将岗位工作分解为若干要素和等级,逐项进行评分。
2、综合评分法:只给每个岗位进行综合评分(本次评分作为参考)。
四、评价人员组成:成立岗位评价小组,负责对评价方案修订、实施评价、对评价结果进行审定及争议处理。
评价小组由XX组长,XX任副组长,由人力资源部负责组织。
评价人员组成及评分权重评价岗位评价人员权重部门负责人、主管XX,XX 40 各部门负责人40 每部门推选二名代表30其它管理岗位各部门负责人50每部门推选两名代表50 五:统计方法为保证评价结果客观公正,将每组中的最高分、最低分去掉计算平均分数。
二、要素、指标解释与分级标准1、对企业的影响岗位贡献:衡量一个岗位对企业收入、质量、成本及企业长运发展的影响程度等级标准1 基本无影响:只对本岗位的工作有一定影响2 影响较小:对公司某一方面的工作产生影响,对公司的业绩影响较小。
3 一般影响:对公司多个方面产生影响但影响不大,对业绩有一定的影响。
4 影响较大:对公司多个方面产生较大的影响,对公司业绩有明显影响。
5 重大影响:影响到公司的快速和长远发展,对公司业绩有重要影响。
过失损害:衡量一个岗位工作出现失误对公司的损害程度。
等级标准1 损害很小:公有一些小的损失,不会对部门正常工作产生多大的影响。
2 损害较小:有一定的损失,发生损害的机率很小或虽发生但造成的损害较小。
3 一般损害:发生损害的机率较大,影响其它部门工作。
4 损害较大:有很大损失,会严重影响公司的工作。
5 损害重大:有极大损害,会影响公司的长远经营。
2、监督管理监督管理:衡量岗位责任人在正常的权限范围内,对他人工作进行指导、监督、帮助的责任。
岗位评价指标的分级标准进行排序的顺序
岗位评价指标的分级标准进行排序的顺序可以根据实际情况进行灵活安排,但一般来说可以按照以下顺序进行排序:
1. 成果导向:评价该岗位员工的工作成果和业绩,包括实现的目标、质量和效率等方面。
2. 责任担当:评价该岗位员工的责任心和承担的职责,包括工作主动性、独立性和问题解决能力等方面。
3. 团队合作:评价该岗位员工在团队合作中的表现,包括与他人的沟通合作、协作能力和团队精神等方面。
4. 创新能力:评价该岗位员工的创新能力和思维方式,包括解决问题的方法、灵活性和创造力等方面。
5. 学习能力:评价该岗位员工的学习能力和适应能力,包括接受新知识、学习新技能和适应新环境的能力等方面。
6. 沟通能力:评价该岗位员工的沟通能力和表达能力,包括口头和书面沟通、表达清晰和理解能力等方面。
7. 问题解决能力:评价该岗位员工的问题解决能力和决策能力,包括分析问题、制定解决方案和做出决策的能力等方面。
8. 客户导向:评价该岗位员工对客户需求的理解和满足程度,包括客户服务意识、关注客户反馈和提供解决方案的能力等方面。
9. 自我管理:评价该岗位员工的自我管理能力和自我发展能力,包括时间管理、自我激励和学习能力等方面。
当然,具体的排列顺序还可以根据不同岗位的特点和重要性进行调整。
岗位评价指标与标准一.岗位评价的指标体系二.劳动环境的指标体系1.高处作业的分级标准2.接触电离辐射危害程度的分级标准3.接触粉尘危害程度的评价标准4.接触高温危害程度的评价标准5.接触热辐射作业危害程度分级标准6.接触局部震动危害程度的分级标准(该标准是根据国家标准《作业场所局部振动卫生标准》和《手动振动测量规范》的规定,通过测定局部振动最大轴向的振动加速度和接振时间,计算4小时等能量频率计权振动加速度进行分级。
)7.接触有毒物质危害程度的评价标准(a、该标准执行国家标准GB2331-90《有毒作业分级》b、该标准通过测定接触毒物的时间和毒物浓度的超标倍数,并根据毒物本身的危害程度级别来计算分级指数。
)8.接触噪声危害程度的评价标准(a、该标准根据冶金工业部部颁标准《冶金工业噪声危害程度分级》进行分级。
b、测定工人在岗位上不同作业点接触噪声的强度(A声级)和接触时间,计算出工作日连续等效A声级[leqdB(A))9.井下、露天作业分级标准(井下、露天作业根据岗位劳动者在井下、露天环境中的平均工作日作业时间率进行分级。
)10.其他化学性有害因素的评价标准11.其他物理性有害因素的评价标准(三致情况系指致癌、致畸、致突变情况)三.劳动技能指标标准1.品种质量难易程度的评价标准2.处理预防事故复杂程度的评价标准(a、各类事故包括机械、设备、人事伤亡事故等。
本指标主要以危险性大小和可预防程度来反映劳动者应达到的预防能力。
同时,提高劳动者预防和处理事故的能力,是保证安全生产的前提。
b、一般来说,危险性越大,可预防程度越低,预防能力要求也就越高。
)3.技术知识的评价标准(技术知识要求是从文化水平和技术经验水平两方面来评价,按岗位实际要求的水平决定等级。
本标准可衡量各岗位劳动所需的文化知识水平和应具备的专业理论知识。
)4.看管设备复杂程度的评价标准(看管设备的复杂程度,是根据看管和使用设备的精密复杂程度及需要的技术水平来评价。
岗位评价及分级方案(草案)一线生产岗位根据岗位的价值创造能力和作业负荷,分为一般岗位、重要岗位和关键岗位三个层次。
1.用加权因子评价法设计岗位评价方案1.1主要指标四个:岗位重要度/技能复杂性/劳动强度/作业环境,权重分别是50%/15%/15%/20%。
1.2岗位重要度是指岗位的作业状况对整体质量、成本、效率和安全的影响,影响大说明重要度高;1.3技能复杂性是指岗位的技术难度、应变要求;1.4劳动强度则是指岗位作业对体力、视力和注意力的要求;1.5作业环境包括高温、有毒有害以及噪音、粉尘、强光、辐射等对人体有不利影响的环境因素。
2.评价方法1.1由生产、技术、质量和人力资源等跨部门人员组成评价小组,包含技术人员、管理干部5~7人。
2.2由技术部主持,选择一个代表岗位,由大家对其进行逐项评分,每项评分均须全体成员达成一致时方 可记录,有不同意见时需要说明理由之后由大家比较、讨论最终达成一致。
2.3接下来以代表岗位为基准,对其它岗位进行相对评价。
2.4打分采用5分制,例如:选配岗位的质量得分为“5”,说明该岗位对质量的重要性高;高温得分为“1”,说明环境温度问题不突出。
2.5岗位评价的分值计算方法为:岗位加权得分值=Σ(评价指标加权得分值×评价指标权重)3.根据岗位得分值划分岗位层次3.1将评价小组的评价计算得到各岗位的加权得分值,按加权得分值由高到低排序。
3.2根据岗位之间的层次,评价小组初步划分出一般岗位、重要岗位和关键岗位,之后,还需要将初步分层结果与大家实际感受到的岗位层次进行对比,逐一确认每个岗位的层次划分是否合理,必要时回顾评价分值的合理性,优化确定岗位层次划分。
4.岗位层次分级5.岗位分级与员工任用5.1由简到繁、由易到难是员工岗位安排的基本准则。
新员工入职教育之后,先安排在一般岗位进行学习,技能评价合格后方可独立作业。
5.2对重要岗位和关键岗位,要严格实施资格认定、持证上岗。
岗位评价指标体系进行岗位评价,首先要有一套适用于本企业生产经营特点的岗位功能测评指标体系。
岗位评价指标,一般根据四要素原则,即工作责任,劳动技能、劳动强度和劳动条件,每个要素中划分为若干项目。
这些要素的具体内容大体上包括了劳动岗位对劳动者的专业技术和业务知识要求,所消耗体力的要求,应承担的责任和接触有毒有害物质对身体健康的影响程度等。
下面按岗位评价的四大要素,再分15个项目,以百分制测评来说明岗位评价指标体系。
第一要素,工作责任大小,占20分。
工作责任大小,指劳动者在企业生产、安全、消耗、管理等方面所负责任的差别。
工作责任大小,可划分为4个项目:(1) 生产责任,指劳动者在生产过程中所处地位和完成产量和质量中所负的责任。
(6分)(2)安全责任,指劳动岗位发生事故的风险程度,以及事故的危害程度。
(6)分(3)设备责任,指劳动者使用设备的价值量大小和复杂难易程度,以及对生产的影响情况的差异。
(4)分(4)消耗责任,指劳动者在生产过程中的物质消耗和产品成本的影响程度的差别。
(4分)第二要素,劳动技能高低,占40分。
劳动技能高低,指劳动者为胜任本岗位工作所必须具备的文化专业技术和知识和实际操作能力的差异。
劳动技能高低,可划分为4个项目:(1)工艺要求,指各劳动岗位在生产加工工艺过程中的加工精度和操作要求高低不同的差差异。
(10分)(2)技能要求,指对劳动者所胜任本岗位应具有的经验和技术水平的要求差异。
(10分)(3)用脑程度,指劳动者为完成本岗工作所需脑力、视力、听力的集中程度和应变要求差异。
(10分)(4)知识要求,指各岗位劳动者所胜任本岗位工作的知识结构要求。
(10分)第三要素,劳动强度,占25分。
劳动强度是指劳动者为完成本岗位工作所消耗的体力和精神紧X程度的差异。
劳动强度,可划分为4个项目:(1)操作形式,指劳动者在生产过程中,由看管设备的复杂系数不同、台数同所形成的不同操作形式。
8分)(2)工时利用,指劳动者在该岗位劳动工时利用程度,以及劳动定额考核方法的差异。
第一章人力资源规划1.工作岗位分析的概念、内容、作用:概念:工作岗位分析是对各类工作岗的性质任务、职责权限、岗位关系、劳动条件和环境以及员工承当本岗位任务应具备的资格条件所进行的系统研究,并制定出工作说明书等岗位人事标准的过程。
内容:〔1〕在完成岗位调查取得相关信息的根底上,首先要对岗位存在的时间、空间范围作出科学的界定,然后再对岗位内在活动的内容进行系统的分析。
〔2〕在界定了岗位的工作范围和内容以后,应根据岗位自身的特点、明确岗位对员工的素质要求,提出本岗位员工所应具备的资格和条件。
〔3〕将上述岗位分析的研究成果,按照一定的程序和标准,以文字和图表的形式加以表述,最终制定出工作说明书、岗位标准等人事文件。
岗位工作分析的作用:〔1〕工作岗位分析为招聘、选拔、任用合格的员工奠定了根底,使人力资源管理的“人尽其才、岗得其人、能位匹配〞的根本原那么得以实现。
〔2〕工作岗位分析为员工的考评、晋升提供了依据。
〔3〕工作岗位分析是企业单位改良工作设计、优化劳动环境的必要条件。
〔4〕工作岗位分析是制定有效的人力资源规划,进行各类人才供应和需求的预测的重要前提.5〕工作岗位分析是工作岗位评价的根底,而工作岗位评价又是建立、健全企业单位薪酬制度的重要步骤。
2.工作岗位分析的程序:1准备阶段设计岗位调查方案:明确岗位调查的目的。
确定调查的对象和单位确定调查工程确定调查表格和填写说明确定调查的时间、地点和方法。
2调查阶段3总结分析阶段3工作说明书的概念、分类和内容〔P9〕概念:工作说明书是组织对各类岗位的性质和特征〔识别信息〕、工作任务职责权限、岗位关系、劳动条件和环境,以及本岗位人员任职的资格条件等事项所作的统一规定。
分类:〔1〕岗位工作说明书〔2〕部门工作说明书〔3〕公司工作说明书4工作说明书内容:根本资料、岗位职责、监督与岗位关系、工作内容和要求、工作权限、劳动条件和环境、工作时间、资历、身体条件、心理品质要求、专业知识和技能要求、绩效考评5.岗位设计以及再设计的内容:1、岗位工作扩大代与丰富化,①工作扩大化〔横向扩大化、纵向扩大化〕②工作多样化〔多样化、任务的整体性、明确任务的意义、自主权、反应〕2、工作满负荷3、工作环境的优化6.岗位设置原那么〔因事设岗〕1明确任务目标原那么2合理分工协作原那么3责权利相应原那么7.人力资源规划从内容上分可分为:1战略开展规划2组织人事规划3制度规划4人员规划5费用规划第二章招聘与配置1内部招聘的主要方法1〕推荐法2〕布告法3〕档案法2外部招聘的主要方法(1)发布广告1)借助中介法〔人才交流中心、招聘洽谈会、猎头公司〕2)上门招聘法3)熟人推荐法3内部招募的优点:准备性高、适应较快、鼓励性强、费用较低4内部招募的缺点:1因处理不公,方法不当或员工个人原因,可能会在组织中造成一些矛盾,产生不利的影响。
2023年企业人力资源管理师之四级人力资源管理师通关考试题库带答案解析单选题(共50题)1、以下关于劳动法律事实的说法错误的是()A.法律事实可以分为两类B.任何事实都可以成为劳动法律事实C.产生劳动法律关系的事实双方意思表示必须一致D.变更、消灭劳动法律关系的事实也需双方意思表示一致【答案】 B2、()是组织报酬体系设计和实施的第一原则。
A.公平公正B.激励性C.效率优先D.灵活性【答案】 A3、关于绩效管理与绩效考评,正确的说法是()。
A.绩效考评是以绩效管理为基础的人力资源管理的子系统B.绩效考评是绩效管理的重要支撑点C.绩效管理为绩效考评的运行与实施提供了依据D.相比而言,绩效考评更注重员工绩效与组织绩效的有机结合?【答案】 B4、企业录用职工的,应当自录用之日起()内到住房公积金管理中心办理缴存登记。
A.30日B.60日C.90日D.120日【答案】 A5、按照绩效面谈的具体过程及特点可以将其分为四类,其中()尤其适用于那些参与意识不强的下属。
A.单向劝导式面谈B.双向倾听式面谈C.解决问题式面谈D.综合式绩效面谈【答案】 A6、在大单位中,体检通常在招聘单位的医疗部门中进行.体检的费用一般由()支付,体检的结果交给招聘单位。
A.应聘者B.招聘单位C.医疗部门D.医院【答案】 B7、()不属于劳动合同常见的约定条款。
A.培训B.工作报酬C.保密事项D.试用期限【答案】 B8、关于考评数据分析方法,说法不正确的是( )。
A.顺序法只将分数排队B.顺序法只能依据总分排序C.对比分析法可以采取要素得分来比较D.常模分析法将考评结果与某个固定岗位模式进行对比【答案】 B9、容易受到个人因素影响,有一定局限性的绩效考评方式为()A.上级考评B.同级考评C.下级考评D.自我考评【答案】 D10、绩效的内涵主要有哪三种典型的特点()。
A.结果观、行为观、思想观B.结果观、行为观、综合观C.行为观、道德观、综合观D.结果观、道德观、综合观【答案】 B11、人力资源的( )是企业竞争优势的根本。
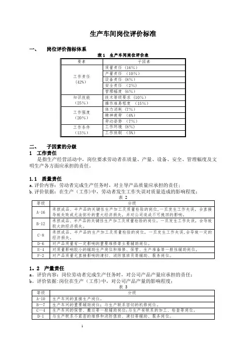
生产车间岗位评价标准一、岗位评价指标体系二、子因素的分级1 工作责任是指生产经营活动中,岗位要求劳动者在质量、产量、设备、安全、管理幅度及文明生产各方面应承担的责任。
1.1 质量责任a.评价内容:劳动者完成生产任务时,对主导产品质量应承担的责任;b.评价依据:在生产(工作)中,劳动者发生工作失误对质量造成的影响程度;1。
2 产量责任a。
评价内容:岗位劳动者完成生产任务时,对公司产品产量应承担的责任;b。
评价依据:岗位在生产(工作)中,对公司产品产量的影响程度;1。
3 设备责任a.评价内容:岗位劳动者在生产过程中,对设备使用、保养和维修应承担的责任;b.评价依据:岗位所使用、保养和维修设备的类型;1.4 安全责任a。
评价内容:岗位劳动者在生产过程中,为保障安全生产应承担的责任;b.评价依据:岗位发生事故的可能性和危害程度;1.5 管理幅度a。
评价内容:是指岗位所承担的管理层次、管理范围及难易程度;2 知识技能是指生产经营活动中,岗位要求劳动者应具备的文化知识、专业技术水平和具备完成本职工作及解决处理工作问题的能力.2。
1 技术等级要求a.评价内容:顺利完成本岗位工作所需要的最适宜的技术等级要求;b.评价依据:岗位对劳动者应具备的文化知识和专业技术理论知识要求的程度;2。
2 操作难易程度a。
评价内容:劳动者在生产过程中,顺利完成本岗位工作使工作物达到规定的技术要求而进行操作的难易程度;b.评价依据:岗位的技术复杂程度和岗位要求劳动者应达到的操作水平;3 工作强度是指在生产经营活动中,劳动者付出体力和脑力劳动消耗的程度。
3。
1 体力消耗a。
评价内容:岗位劳动者完成任务时,所承受的体力消耗;b. 评价依据:按照岗位劳动者每个工作日用力程度的相对大小进行评价;3。
2 精神疲劳a.评价内容:岗位劳动者作业时注意力集中、动作单调等原因造成的精神疲劳程度;b。
评价依据:以岗位劳动者作业时,注意力集中程度和易造成的损失程度进行评价;3。
2022-2023年企业人力资源管理师之二级人力资源管理师真题精选附答案单选题(共50题)1、培训的印刷材料中,岗位指南的作用不包括()。
A.节约培训成本B.提高学习效果C.明确培训目标D.掌握操作规程【答案】 B2、( )是政府通过调节利率来调节总需求水平,以促进充分就业、稳定物价和经济増长的一种宏观经济管理对策。
A.财政政策B.货币政策C.金融政策D.收入政策【答案】 B3、劳动争议申请仲裁的时效期间为()A.1个月B.半年C.3个月D.1年【答案】 D4、我国的企业基本用工形式是()A.劳务派遣用工B.临时性用工C.聘任制用工D.劳动合同用工【答案】 D5、( )是指岗位测评结果的前后一致性程度。
A.信度B.效度C.准度D.精度【答案】 A6、岗位的存在是为了实现特定的任务和目标服务的,岗位增加、调整和合并都必须以()为衡量标准。
A.是否有利于实现组织盈利B.是否有利于企业发展C.是否有利于实现工作目标D.是否有利于员工的职业生涯【答案】 C7、《劳动合同法》修改决定施行前经营劳务派遣业务的单位,应当在该决定施行之日起(即2013年7月1日起)()内依法取得行政许可并办理公司变更登记,方可经营新的劳务派遣业务。
A.半年B.1年C.2年D.5年【答案】 B8、在安全生产责任制度中,()在各自的岗立二承担严格遵守劳动安全技术规程的义务。
A.企业法定代表人B.分管安全卫生的负责人和专职人员C.总工程师D.工人【答案】 D9、管理技能培训开发的目的不包括()A.示范作用B.角色转换的需要C.现代经营管理方式的要求D.职业生涯的需要【答案】 D10、()可以将不同类别、不同质的素质测评对象进行比较。
A.等距量化B.当量量化C.类别量化D.模糊量化【答案】 B11、确定岗位评价要素和指标时,要使不同岗位之间可以在时间上或空间上进行对比,这体现了( )的原则。
A.少而精B.综合性C.可比性D.重要性【答案】 C12、()是把有关的人和事放到培训的整个过程中去进行检测评估,根据其原有基础,观察目前状况及其发展的潜力和趋势。
岗位评价因素与定义分级岗位评价是企业人力资源管理的一项重要工作,是评估和比较不同岗位之间的价值和重要性,以便为员工提供公平、合理的薪资和福利待遇。
岗位评价因素及其定义分级是岗位评价的核心,对于公司制定薪酬体系、合理配置人力资源具有重大意义。
一、岗位评价因素岗位评价因素分为两类:工作要素和工作环境因素。
工作要素包括技能、责任、工作条件、劳动条件以及知识。
工作环境因素包括工作场所的安全保障、物质条件、财务资源以及人员资源等方面。
对于每一种工作要素和工作环境因素,需要按照其具体定义进行分级评价。
1、技能技能是一个岗位中最基本的因素之一,包括理论技能和实际技能。
在评价技能时,需要考虑技能的复杂程度、特殊性、成熟度以及发挥效果等因素。
2、责任岗位责任可以理解为职位的权利和义务,包括工作目标、工作内容、工作难度等方面。
对于不同的岗位,责任的界定会不同,需要按照工作层次和岗位要求进行评价。
3、工作条件工作条件是指工作过程中需要使用的各种工具和设备,包括机器、工具、设备、安全保障等方面。
在评价工作条件时,需要考虑其安全性、便利性、质量等因素。
4、劳动条件劳动条件主要包括岗位工作时间、劳动强度、劳动标准、工作场所卫生等方面。
对于较为重要的工作,需要更为注重劳动条件的适宜性和合理性。
5、知识知识是现代社会最重要的核心素质之一,对于岗位来说也是不可忽视的因素。
知识因素评价主要考虑岗位所需要的学习能力、专业知识、创新能力以及综合素质等。
6、工作场所的安全保障工作场所的安全保障是保证员工工作安全的重要保证。
在评价工作场所的安全保障时,需要考虑岗位的安全隐患程度、工作环境的危险程度等。
7、物质条件不同岗位的物质条件需求是不一样的,例如有些岗位需要高质量的设备,有些则需要足够的空间和设施。
物质条件的评价需要根据具体情况进行分级。
8、财务资源财务资源评价通常与岗位的收入水平挂钩,在评价财务资源时,需要考虑岗位的收入水平、对岗位带来的价值、企业经济状况等因素。
(二)劳动强度、劳动环境和社会心理要素所属岗位评价指标的分级标准1.体力劳动强度分级标准二、岗位评价指标的量化标准制定评价指标的计量标准通常由计分、权重和误差调整等三项基础标准组成在岗位评价中,对评价指标的计分标准的制定,可以采用单一计分和多种综合计分两类标准。
(一)单一指标计分标准的制定1.自然数法计分可以使每个评定等级只设定一个自然数,也可以是每个评定等级有多个自然数可供选择。
多个自然数的选择可以是百分制,也可以是采用非百分数的组距式的分组法,见表5 —24。
2.系数法计分可分为函数法和常数法两种。
(1)函数法是借用模糊数学中隶属度函数的概念,按评价指标分级标准进行计分。
(2)常数法是在评价要素分值( x )之前设定常数( a ),将其乘积作为评定的结果( ax )。
系数计分法与自然计分法的根本区别在于:自然数法是一次性获得测评的绝对数值,而系数法获得的只是相对数值,还需要与指派给该要素指标的分值相乘,才能得到绝对数值。
因此,也称为相乘法。
(二)多种要素综合计分标准的制定1.简单相加法。
它是将单一要素指标的自然数分值相加计分的方法。
2.系数相乘法。
它是将单一要素指标的系数与指派的分值相乘,然后合计出总分的方法。
其计算公式为式中 Pi ——第i要素指标的函数(系数);Xi ——第i要素指标的分值(得分)。
3.连乘积法。
它是在单一要素指标计分的基础上,将各个要素指标分值相乘之后,最后得出总分。
其计算公式为:4.百分比系数法。
它是从系数法中派生出来的一种计分方法。
三、评价指标权重标准的制定评价指标权重标准的制定是指各类权重系数的设计。
权重系数的确定:概率加权法其具体步骤如下。
第一步,先对各项指标的等级系数(相对权数)的概率(aij)进行推断,求出E12、E13、E14、E15各个等级的概率。
第二步,将各等级的相对权数(Ai)与对应的概率值相乘,汇总出概率权数(Xi)。
其计算公式为:例如,指标E11的权数为X1=1.0×0.5+0.8×0.3+0.6×0.2=0.86指标E12的权数为X2 =1.0×0.9+0.8×0.1=0.98指标E13的权数为X3 =1.0×0.6+0.8×0.2+0.6×0.2=0.88指标E14的权数为X4=0.8×0.4+0.6×0.3+0.4×0.2+0.2×0.1=0.60指标E15的权数为X5 =1.0×0.5+0.8×0.2+0.6×0.2+0.4×0.1=0.82四、岗位评价方法的应用(一)排列法1.简单排列法。
2023年企业人力资源管理师之二级人力资源管理师提升训练试卷A卷附答案单选题(共30题)1、关于劳务派遣的内容,下列描述错误的是()。
A.指劳务派遣单位与接受单位签订劳务派遣协议,由劳务派遣单位招用雇员并派遣该劳动者到接受单位工作,劳动者和劳务派遣机构从中获得收入的经济活动B.是一种典型的非正规就业方式C.被派遣劳动者只与劳务派遣机构形成劳动关系D.本质特征是雇用和使用相分离【答案】 C2、企业资源优势具有()的特点,企业要不断投入以保持和创新其优势。
A.绝对性和时间性B.相对性和时间性C.绝对性和持久性D.相对性和持久性【答案】 B3、正式通报不包括( )。
A.信息不易受到歪曲B.信息传递准确C.沟通内容易于保存D.便于双向沟通【答案】 D4、用于说明企业劳动关系管理计划、目标、发布规定和管理标准的信息载体是( )。
A.汇总报表B.正式通报C.例会制度D.劳动管理表单【答案】 B5、以下关于员工培训规划的说法不正确的是()。
A.建立在培训需求分析的基础上B.需从企业总体发展战略出发C.需考虑企业培训资源配置情况D.对培训与技能开发起辅助作用【答案】 D6、以下关于360度考评方法说法错误的是()A.产生于20世纪60年代,最初被运用于英国军方所设立的评价中心B.主要强调全方位客观地对员工进行考评C.又称为全视角考评方法D.李宁公司也采用了360度考评方法【答案】 A7、在管理策略上,现代人力资源管理属于()管理。
A.战术与战略相结合B.以战略为主C.静态与动态相结合D.以动态为主【答案】 A8、在评估某培训项目所取得的成果时,可从以下四个层级对培训的效果进行评估。
其中第二级评估指的是()A.学习评估B.反应评估C.结果评估D.行为评估【答案】 A9、在周工作时间标准为40小时的情况下,采用四班三运转的轮休制,每个月应安排( )。
A.1个公休日B.2个公休日C.3个公休日D.4个公休日【答案】 A10、关于工资指导价位和最低工资标准的说法,不正确的是()。
专业技术岗位等级评定标准
专业技术岗位等级评定的标准通常包括以下几个方面:
1. 学历背景:评定标准通常会根据不同的岗位要求,对申请人的学历要求进行要求,比如本科、硕士、博士等。
2. 专业知识与技能:评定标准会根据岗位要求,认可申请人在相关领域的知识和技能水平,包括专业知识的广度和深度、技术能力的熟练程度等。
3. 工作经验:评定标准会考虑申请人在相关领域的工作经验,包括工作年限、具体项目经历等。
一般来说,工作经验越丰富,岗位等级越高。
4. 职责与贡献:评定标准会考虑申请人在当前岗位上的职责和贡献,包括团队管理能力、创新能力、解决问题的能力等。
这些方面的表现会直接影响岗位等级评定的结果。
5. 进修与培训:评定标准会鼓励申请人不断提升自己的专业知识和技能,比如继续教育、职业证书等的取得情况,这些都可以作为评定的参考依据。
综上所述,专业技术岗位等级评定的标准是多方面的,需要考虑到申请人的学历背景、专业知识与技能、工作经验、职责与贡献以及进修与培训情况。
不同的岗位可能会有不同的评定标准,具体要根据实际情况进行评定。
人力资源管理师三级选择题第五章07。
571、()泛指员工获得的一切形式的报酬。
(A)薪酬(B)给付(c)收入(D)分配72、外部薪酬包括直接薪酬和间接薪酬,间接薪酬又称( ).(A)福利(B)工资(c)薪资(D)薪金73、影响员工个人薪酬水平的因素不包括()。
(A)劳动绩效(B)工会的力量(c)工作条件(D)员工的技能74、安排劳动者延长工作时间的,支付不低于工资()的报酬.(A)150%(B)200%(C)300%(D)400%75、岗位评价结果的形式多种多样,但最值得关注的是().(A)岗位与薪酬的对应关系(B)岗位等级的高低(C)岗位与绩效的对应关系(D)岗位与职务的相关度76、成本相对较低的岗位评价方法是( )。
(A)排列法(B)关键事件法(C)分类法(D)因素比较法二、多项选择题116、企业员工薪酬管理的基本目标包括()。
(A)确立薪酬激励机制(B)保证内部公平(C)吸引并留住优秀人才(D)保证外部公平(E)合理控制企业人工成本117、岗位评价与薪酬的比例关系如下图所示。
其中曲线A与曲线B的关系为()岗位评价分点数.(A)A比B的岗位之间薪酬差距大(B)B的激励作用小(C)A比B的岗位之间薪酬差距小(D)A的激励作用小(E)无法确定118、确定工作岗位评价要素和指标的基本原则包括()(A)少而精原则(B)细致性原则(c)可比性原则(D)精确性原则(E)综合性原则119、确定和调整最低工资标准应考虑的因素包括()(A)员工的个人意愿(B)社会平均工资水平(c)员工家属的意愿(D)劳动就业实际情况(E)管理人员的意愿08。
571、()是指员工完成任务后,所获得的一切有形和无形的待遇.(A)报酬(B)奖励(C)薪金(D)工资72、根据员工的实际贡献付薪,适当拉开薪酬差距体现了企业薪酬管理的()。
(A)对外具有竞争力原则(B)对员工具有激励性原则(C)对内具有公正性原则(D)对成本具有控制性原则73、法定休假日安排劳动者工作的,支付的工资报酬不低于标准工资的()。