防爆电机维修作业指导书
- 格式:doc
- 大小:5.10 MB
- 文档页数:12
防爆电气安装、检修作业指导书1适用范围各类防暴电气的安装检修2 安装前的准备2.1.为了防止在爆炸危险场所中,由于电气设备和线路产生的电火花或危险温度引起爆炸事故,采取安全技术与管理防范措施,以保障人身和财产的安全。
2.2.在大气条件下,易燃气体、易燃液体的蒸汽或薄雾等易燃物质与空气混合形成的爆炸性气体混合物,根据爆炸性气体混合物出现的频繁程度和持续时间分为三个区域等级。
0级区域1级区域2级区域。
3.防爆电气设备的选用原则3.1基本原则是安全可靠、使用方便、经济合理。
选用防爆电气设备须与爆炸危险场所的区域等级和爆炸性混合物的级别、组别适应,否则就不能保证安全。
3.2 在同一区域存在两种以上不同爆炸性物质时,须选择与危险性程度高的爆炸等级和自然温度低的等级相适应的爆炸电气设备还须根据国家有关安全法规,充分考虑场所的危险程度便于安装和维修。
3.3防爆电气设备规定的环境条件是-20~40℃,环境温度过高、过低都需特殊加工。
3.4凡具有腐蚀性环境的防爆电气设备更需要特殊加工,此外,防爆电气设备还有户内和户外使用的区别。
4.要便于维修4.1防爆电气设备使用期间的维护和保养极为重要,因此,相同的功能条件,选择结构越简单越好。
一般先本质安全型再隔爆型、增安型。
4.2还须充分考虑在同一工程内使用防爆电气设备的互换性,便于管理。
4.3选择防爆电气设备,不仅要考虑价格还须对设备的可靠性、寿命、运转费用、耗能及维修时备品、备件等等作全面分析平衡,才能选择最佳的防爆电气设备。
气体爆炸危险场所用电气设备防爆类型选型表5.1凡在防爆危险场所里的防爆电气设备、金属构架、金属配线钢管、电缆金属互套均应接地。
如果防爆电气设备是固定在金属构架上、电气设备仍须单独接地。
接地线应单独与接地干线相连接。
接地线的截面积和绝缘等级与相线相同。
接地线应与相线在同一钢管内敷设。
接地电阻应不大于4欧姆。
6.本安用电源的屏蔽层接地,应在非防爆危险场所一头接地。
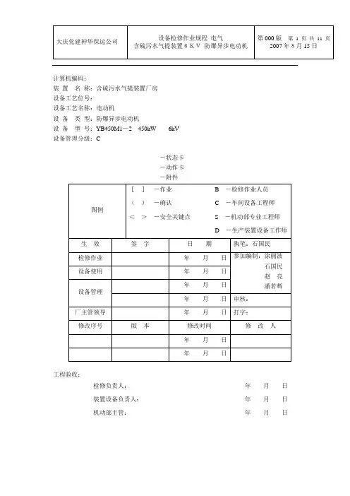
计算机编码:装置名称:含硫污水气提装置厂房设备工艺位号:设备工艺名称:电动机设备类型:防爆异步电动机设备型号:YB450M1—2 450kW 6kV设备管理分级:C-状态卡-动作卡-附件工程验收:检修负责人:年月日装置设备负责人:年月日机动部主管:年月日状态卡000检修前准备010办理“电气检修转动设备及风险评价工作票”020确认电动机已经具备安全拆卸的条件100拆卸电机连轴器螺栓110拆卸主接线盒盖及电缆端头、拆接地线120拆卸电动机地脚螺栓200吊主电机,将其移到检修场地300310 拆卸电动机风扇罩及风扇320 拆卸电动机前后外端盖330 检测转子轴伸端及非轴伸端各部位各项技术指标400电机整体外观检查、清扫500 测量定转子气隙值510 拆卸前后端盖,测量两端盖轴承室误差520 抽出电动机转子600 检测转子、同心度610 转子外观检查620清扫、清洗630 转子做动平衡700 定子铁芯、槽楔、线圈检查710 机座检查720清扫、清洗730测绝缘、直流电阻800电机接线盒内防爆接线柱及绝缘瓷套检查、810 绝缘套检查清洗900 回装转子910 回装电机前后端盖920 回装电机风扇及风扇罩930 回装连轴器、电机吊装就位940电机找正950电机接线10001010 拆联轴器、测电缆、电机绕组绝缘,电机空载试运1020 空载试车,记录各项指标数据1030 组织相关单位验收动作卡000检修前准备001B-[]检修专用工具和经检验合格的量具已备齐全。
专用工具:1.磁力表座1块;2.地脚扳手48mm两把;3.撬棍.2根;4.轴承加热器1台.;5.联轴器两爪拉马一个;6.铜锤(18磅)一把;7.气焊1套;8.橡皮锤2把;9.木锤2把;10.压线工具2把;打槽楔工具2个;钢丝钳2把;扁口钳2把。
量具:1内径百分表1块.;2.外径千分尺(50--150mm)一把;3. 内径千分尺一把(50mm—250mm)4.兆欧表2500V一部;5.双臂.电桥一部;6.同心度表座一套。
电动机检修作业指导书
目次
1检修工作任务单----------------------------------------------------------------------2 2修前准备卡--------------------------------------------------------------------------3 3安全风险分析以及预防措施 ---------------------------------------------------------7 4检修工序卡--------------------------------------------------------------------------9 5检修技术记录卡----------------------------------------------------------------------16 6设备试运行记录----------------------------------------------------------------------18 7电动机标准检修记录表----------------------------------------------------------------19
端盖轴承室与轴承外套配合测量示意图
轴承内套与转子轴颈过盈配合测量示意图测量位置标准值实测值测量仪器验收人员
轴承间隙测量
前轴承型号:
轴承间隙测量
后轴承型号:
端盖轴承室与轴承外套
配合(前)
端盖轴承室与轴承外套
配合(后)
轴承与转子轴颈过盈配
合(前)
轴承与转子轴颈过盈配
合(后)
应记录的其它内容。
四、防爆面损伤、锈蚀的修复1、防爆面损伤的修理界定(1)防爆面在以下范围内存在缺陷,可以不予修复:①局部出现直径不大于11mm,深度不大于1mm的砂眼,在标准规定的防爆接合面长度为40mm或25mm的防爆面上,每平方厘米不超过三个;在标准规定的防爆接合面长度为12、5mm的防爆面上,每平方厘米不超过两个;②偶然机械伤痕,其宽度、深度均不超过0.5mm,其剩余无伤防爆面有效长度不小于标准规定的防爆接合面长度的2/3。
但伤痕两侧高于无伤表面的凸起部分必须磨平。
(2)有下列情况之一者,不允许用修补方法修复:①螺孔周围5mm范围内的缺陷;②标准规定的防爆接合面长度或螺孔边缘至防爆面边缘的有效长度为6mm范围内的缺陷;③防爆面的边角处;④活动防爆接合面;⑤防爆面有疏松现象的铸件;⑥防爆面上有裂纹;⑦螺纹防爆接合面在以下两中情况下不允许修复:a、电缆和导管引入装置的压紧螺母;b、盖和壳体之间的螺纹防爆接合面。
(3)静止防爆接合面在标准规定的防爆接合面长度和螺孔边缘至防爆面边缘的最小有效长度的范围内,具有一段连续无伤防爆面的有效长度不小于表1的规定时,允许用修补法修复。
防爆电机的防爆机理及防爆电机的维修工艺2、防爆面损伤的修补方法(1)溶焊;(2)硬钎焊;(3)胶粘剂调入金属粉粘补。
3、防爆面严重损伤时的修复可用机械加工方法复修,但机械加工后零部件的机械强度和防爆面的参数仍应符合GB3836的规定。
4、止口和园筒防爆接合面的修复止口和园筒防爆接合面允许对外圆、内圆增添金属后进行机械加工,但应保证防爆接合面的参数符合GB3836的规定。
增添金属时允许采用焊接、电镀及镶套的办法,但不宜采用金属喷涂法。
5、防爆面锈蚀的修复用细砂纸将锈层除掉后涂204-1防锈漆。
重腐蚀或湿热带场所可采用镀层防锈(如摩擦镀锌)。
6、防爆面间隙超差可以采用镀层、补焊或镶套,然后经机械加工使防爆接合面的尺寸重新符合GB3836的规定。
五、密封件失效的处理防爆电机采用密封件的部位有:接线盒进线口处的橡胶密封圈、电机及盒座与盒盖间的密封平垫、防护等级为IP54及粉尘防爆电机的轴承外盖处嵌镶的橡胶密封圈。
防爆电气设备修理工作业操作规程范本一、修理工作前的准备工作1.确定修理工作的具体内容和目的,明确修理的设备和部件。
2.确认修理工作所需的工具、仪器设备、材料和人员,并进行必要的准备。
3.检查修理工作现场的环境与设备,确保符合安全要求,并采取相应的安全措施。
4.对修理工作可能涉及的安全隐患进行分析和评估,并制定相应的应急措施。
5.了解相关的操作规程和工作要求,确保操作符合规范,并进行必要的培训和指导。
二、修理工作操作流程1.断开设备的电源,并进行必要的安全隔离,以防止发生意外触电事故。
2.根据设备的特点和故障情况,选择合适的工具、仪器设备和材料,进行修理工作。
3.在进行修理过程中,严格按照操作规程执行,并遵守相关的安全操作要求。
4.对设备进行仔细的检查和测试,确保修理后的设备满足安全和性能要求。
5.修理完成后,对工作现场进行清理和整理,确保设备和材料的妥善处置,防止二次事故发生。
6.对修理工作进行记录和总结,包括故障原因、修理过程和结果等,以便于今后的维护和排查工作。
三、修理工作注意事项1.在进行修理工作前,要确保具备必要的专业知识和技能,并定期进行相关的培训和考核。
2.在操作过程中,要严格遵守相关的操作规程和安全操作要求,不得违反规定进行操作。
3.修理过程中如发现有明显的安全隐患或无法解决的故障,应立即停止工作,并向上级报告。
4.在修理工作现场要保持整洁,使用工具和材料时要注意安全,并定期进行维护和清洁。
5.对修理后的设备要进行必要的测试和检查,确保设备安全可靠,并记录相应的数据和结果。
6.修理工作结束后,要及时清理工作现场,妥善处置废弃物品和材料,保持环境卫生。
7.修理工作过程中要密切关注设备的工作状态和反应,如有异常情况要及时采取应急措施,并向上级报告。
四、修理工作的安全措施1.在修理工作前要进行必要的安全培训和指导,确保工作人员了解安全操作要求和应急措施。
2.对修理工作现场要进行安全隐患的排查,如有隐患要及时消除,并采取相应的安全措施。
设备安装、维护、检修作业指导书股份有限公司版本:V1.01、范围1.1 为提高XXXXXXXX设备安装、维护及检修的标准化,统一气XXXXXXXXX设备安装、维护及检修的方法及标准,保证设备安装、维护及检修过程的安全,制定本作业指导书。
1.2 XXXXXXXX设备的安装、维护及检修可以参照此作业指导书执行。
2、规范性引用文件下列文件对于本作业指导书的应用是必不可少的。
凡是注日期的引用文件,仅注日期的版本使用于本指导书。
凡是不注日期的引用文件,其最新版本适用于本指导书。
GB3836.13-2013 爆炸性环境第13部分:设备的修理、检修、修复和改造;GB3836.15-2000 爆炸性气体环境用电气设备第15部分:危险场所电气安装;GB3836.16-2006 爆炸性气体环境用电气设备第16部分:电气装置的检查和维护;GB50493-2009 石油化工可燃气体的有毒气体检测报警设计规范;GB50168-2006 电气装置安装工程电缆线路施工及验收规范;GB 50093-2013 自动化仪表工程施工及质量验收规范;GB 50254-2014 电气装置安装工程低压电器施工及验收规范;3、术语与定义3.1可使用状态考虑防爆合格证的要求后,允许更换或修复所用零件而不会损害使用这类零件的电气性能和防爆性能的一种状态。
3.2修理使发生故障的电气设备恢复到完全可以使用状态并符合有关标准要求的活动。
3.3检修把已经使用或贮存一段时间,但不一定发生故障的电气设备恢复到完全可使用的状态的活动。
3.4维护维持安装的电气设备处于完全可以使用状态的常规活动。
3.5零件一种不可分的元件。
3.6修复是修理的一种,对已经损坏的待修零部件去除或增加材料,根据有关标准使零部件恢复到完全可以使用状态;3.7改造对电气设备结构、材料、形状或功能的改变。
3.8制造商设备的制造者(也可以是供货商、进口商或代理商)。
通常在设备的防爆合格证中(适当的位置)登记有它的名称。
1.受理任务。
2.查看现场,确认施工环境。
3.制定施工方案,安全措施。
4.落实材料备件,准备工机具。
5.机电解体。
6.定子检修。
7.转子检修。
8.轴承检修。
9.机电组装。
10.机电试车。
工机具准备:吊装工具一套,抽芯工具一套标准人员配备: 4 人。
具备条件:停电挂牌及机电拆线。
材料备件准备:无。
( 1 ) 工作前检查场地周围有无不安全因素,采取措施后进行作业。
( 2 ) 机电抽芯时,应按起重安全规程进行。
5.1 进行大修前的准备工作。
对设备运行情况及可能浮现问题做到心中有数。
5.2 拆开电动机引线,按相序做好标记。
5.3 测量电动机的绝缘及三相直流电阻并做好记录。
高压电动机用 2500V 摇表进行测量,并将测量结果做好记录,绝缘电阻要求大于 0.5MΩ5.4 拆开靠背轮、风罩、风扇、轴瓦,电动机放油。
拆下靠背轮时,普通采用拉马,并在拉马顶端与转轴中心孔处加活动顶头,绝不允许用铁器敲打。
5.5 测量轴瓦间隙、测量电动机的风扇与护环的间隙,将测量结果做好记录。
5.6 拆下端盖。
拆端盖时做好标记,以便组装复位,拆下的零件应专门运至安全地点并妥善保存。
5.7 轴转子,转子与钢丝绳不要直接接触,转子抽出过程中应用透光法进行检查,转子抽出后或者挪移时,应用木垫垫稳。
不碰伤定子线圈,不碰轴径、滑环、绑线、风扇、高压机电要注意测量定、转子间隙、最大与最小值的误差不超过 10%。
工机具准备:空压机一台标准人员配备: 3 人具备条件:无材料备件准备:清洗剂等( 1 ) 清理定子时不得用金属工具。
(2)在处理槽楔时,注意不要损伤线圈和铁芯。
(3)用易燃溶剂清洗机电时,注意防火。
6.1 用 2~3个表压力的干燥压缩空气和其它吹灰工具吹净各部灰尘,用 Ccl 擦净油垢。
定子各部须无积灰,无油垢。
46.2 检查机电外壳,接地线。
接地必须可靠6.3 检查线圈端部。
无鼓泡、焦裂、碰伤及变色等现象,绑线热块完好,无松动、无脱落6.4 检查铁芯。
电动机检修措施作业指导书3.13.1作业前具备的条件和应作的准备3.13.1.1施工前有措施并经批准,施工人员经安全、技术交底并双签字。
3.13.1.2设备到达现场后,应进行检查并应符合下列要求:1)电机应完好,严禁有损伤现象。
2)电机盘车应灵活,不得有卡涩现象。
3)电机的附件、备件应齐全,无损伤。
4)电机的技术文件应齐全。
3.13.1.3电机如不能立即进行检查安装,应存放在干燥、无尘的车间内。
如在室外,应用塑料布裹盖好。
3.13.1.4电机检修前备好各种工器具及仪器仪表。
3.13.2作业的程序、方法和内容施工中如发现缺陷,应及时填写《设备缺陷认证单》,通知施工、质量等部门前来认证处理。
3.13.2.1作业的程序电机解体前清理、记录、试验——解体检查——处理缺陷——回装——试验——做好防雨等措施。
1)用白布将电机表面上尘土、污泥等杂物清理干净。
清理时不得用较硬的工具刮磨掉电机表面的漆皮。
2)将电机铭牌上所有参数抄写在自检记录本上,抄写时要仔细认真,字迹清楚工整。
校核电机型号与设计相符合。
3)盘动电机转子,应灵活无卡涩现象。
4)将电机接线盒打开,检查电机接法与铭牌应相符合,检查电机引出线鼻子焊接或压接应紧密牢固,编号齐全,裸露部分无尖角毛刺。
5)用电桥测量电机定子的直流电阻每相绕组两端头均已引出的电机,应分别测量相间直流电阻。
对于1000V 以上或100KW以上的电机各相绕组直流电阻值相互差别严禁超过其最小值的2%。
假设各相间电阻分别为AX、BY、CZ而AX最大、CZ最小,则要求(AX-CZ)/CZ应≤2%。
中性点未引出的电动机,可测量线间直流电阻,其相互差别严禁超过其最小值的1%。
假设各线间电阻分别为:AB、BC、CA而AB最大、CA最小,则要求(AB-CA)/CA应≤1%。
6)用摇表测量电机的绝缘电阻并作好记录,记录时标明仪表型号、编号、等级、测量人等项目。
摇表的选择:380V以下的电动机及220V电加热器,选用500V摇表:1000V 及以下的电动机选用1000V摇表:1000V以上的电动机选用2500V摇表。
设备安装、维护、检修作业指导书股份有限公司版本:V1.01、范围1.1 为提高XXXXXXXX设备安装、维护及检修的标准化,统一气XXXXXXXXX设备安装、维护及检修的方法及标准,保证设备安装、维护及检修过程的安全,制定本作业指导书。
1.2 XXXXXXXX设备的安装、维护及检修可以参照此作业指导书执行。
2、规范性引用文件下列文件对于本作业指导书的应用是必不可少的。
凡是注日期的引用文件,仅注日期的版本使用于本指导书。
凡是不注日期的引用文件,其最新版本适用于本指导书。
GB3836.13-2013 爆炸性环境第13部分:设备的修理、检修、修复和改造;GB3836.15-2000 爆炸性气体环境用电气设备第15部分:危险场所电气安装;GB3836.16-2006 爆炸性气体环境用电气设备第16部分:电气装置的检查和维护;GB50493-2009 石油化工可燃气体的有毒气体检测报警设计规范;GB50168-2006 电气装置安装工程电缆线路施工及验收规范;GB 50093-2013 自动化仪表工程施工及质量验收规范;GB 50254-2014 电气装置安装工程低压电器施工及验收规范;3、术语与定义3.1可使用状态考虑防爆合格证的要求后,允许更换或修复所用零件而不会损害使用这类零件的电气性能和防爆性能的一种状态。
3.2修理使发生故障的电气设备恢复到完全可以使用状态并符合有关标准要求的活动。
3.3检修把已经使用或贮存一段时间,但不一定发生故障的电气设备恢复到完全可使用的状态的活动。
3.4维护维持安装的电气设备处于完全可以使用状态的常规活动。
3.5零件一种不可分的元件。
3.6修复是修理的一种,对已经损坏的待修零部件去除或增加材料,根据有关标准使零部件恢复到完全可以使用状态;3.7改造对电气设备结构、材料、形状或功能的改变。
3.8制造商设备的制造者(也可以是供货商、进口商或代理商)。
通常在设备的防爆合格证中(适当的位置)登记有它的名称。
防爆电气设备修理工作业操作规程模版第一章总则第一条目的和依据为了保障维修工作的安全性和有效性,规范防爆电气设备修理工作,提高维修水平,保护人身安全和财产安全,制定本规程。
本规程依据《中华人民共和国消防法》、《中华人民共和国劳动法》、《中华人民共和国安全生产法》等相关法律法规及国家标准、行业标准进行,是进行防爆电气设备修理工作的操作指南。
第二条适用范围本规程适用于防爆电气设备修理工作。
第三条术语和定义1. 防爆电气设备:指在可燃气体、蒸汽等爆炸性气体环境中有效地防止产生和传播火花、电弧或高温表面的电气设备。
2. 维修人员:指参与防爆电气设备修理工作的人员。
3. 修理内容:指防爆电气设备修理工作中所需进行的具体操作内容。
第四条安全原则1. 安全第一原则:维修工作必须以安全为前提,确保维修工作的安全进行。
2. 预防为主原则:通过预防措施,避免事故发生。
3. 综合治理原则:采取综合措施,确保维修工作的安全性和有效性。
第五条维修人员的基本要求1. 维修人员必须具备相关岗位培训证书,并持证上岗。
2. 维修人员必须具备相关专业知识和技能,能够熟练操作维修工具和设备。
3. 维修人员必须服从工作安排和命令,并采取必要的防护措施。
第六条维修工具和设备的要求1. 维修工具必须符合国家标准和行业标准,经常检查和维护,确保工具的完好性和可靠性。
2. 维修设备必须符合国家标准和行业标准,经过合规检查和维护,确保设备的正常运行。
第二章维修准备第七条工作票的编制和签发1. 维修工作必须按照工作票进行,工作票必须明确维修内容、维修工具和设备、维修方法和安全措施。
2. 工作票必须经过维修负责人审核签发,并在维修现场进行确认。
第八条工作场所的准备1. 维修工作必须在经过安全评估和消防检查合格的场所进行,必要时需要进行现场改造和隔离。
2. 工作场所必须具备必要的通风设施和灭火设备,并保持畅通的安全通道。
第九条安全标识的设置1. 工作场所必须设置必要的安全标识,标识内容包括禁止吸烟、禁止使用明火、禁止进入未经授权区域等。
文 件 名:高压防爆电动机检修(大修)作业指导书 文 件 号:SH -WB -2009-00╳版 本 号:A/0编制部门:生效日期: 年 月 日文 件 分 发 明 细副 本:□╳╳╳车间正 本:技术质量部修 订 记 录序号修订日期 修订 版次 修订摘要 批 准批准 审核 编制中海油能源发展股份有限公司石化分公司维修保运厂1 目的和适用范围为保证安全生产,保障现场的电气作业人员、设备的安全,提供指导原则以满足操作10kV及以下高压三相异步电动机(本体)的检修符合检修工艺质量要求和维修保运厂的基本安全要求,特制订本作业指导书。
本指导书适用于维修保运厂高压防爆电动机大修作业。
2 工作任务高压三相异步电动机(本体)的检修3 作业前准备工作3.1 明确作业内容,开具作业票据3.1.1检修班组应与运行部设备负责人进行沟通。
3.1.2到所在装置确认电机已停运,办理停送电票、生产过程中危险作业票(火票、临时用电票等)。
3.1.3明确工作任务、停电范围、带电范围以及工作时间。
3.1.4开具并办理第一种工作票,以及其它必要的作业票证。
3.2 人员配置:工种、人数,素质要求,劳保穿戴3.2.1 由电工、钳工操作。
作业负责人1人、监护人1人,起重负责人1人。
电工应具有相应电气知识和水平,具有合格相关作业证。
作业人员不少于6人、大型电动机的安装和拆卸需要搬运和吊装时应有起重工配合进行。
3.2.2作业人员必须穿戴好防静电工作服、安全帽、防护眼镜、劳保手套和绝缘劳保鞋等劳动保护用品。
3.3作业工具及耗材:3.3.1作业人员个人工具3.3.2班组工具:各类成套扳手(9件以上套筒扳手、梅花扳手、呆扳手、内六角扳手、12″及以上活扳手等)、大号一字螺丝刀、撬棍、专用螺栓及螺帽、棘轮扳手、拉马、木槌、铜棒、轴承起拔器、卡环钳、扁铲、枕木、钢丝刷、锉刀、砂布、油桶、油盆、毛刷、垃圾桶、摇表、钳形电流表、状态监测仪、红外线测温仪等,作业人员可根据现场实际选择适用的工具、材料。
防爆电气安装、检修作业指导书1适用范围各类防暴电气的安装检修2 安装前的准备2.1.为了防止在爆炸危险场所中,由于电气设备和线路产生的电火花或危险温度引起爆炸事故,采取安全技术与管理防范措施,以保障人身和财产的安全。
2.2.在大气条件下,易燃气体、易燃液体的蒸汽或薄雾等易燃物质与空气混合形成的爆炸性气体混合物,根据爆炸性气体混合物出现的频繁程度和持续时间分为三个区域等级。
0级区域1级区域2级区域。
3.防爆电气设备的选用原则3.1基本原则是安全可靠、使用方便、经济合理。
选用防爆电气设备须与爆炸危险场所的区域等级和爆炸性混合物的级别、组别适应,否则就不能保证安全。
3.2 在同一区域存在两种以上不同爆炸性物质时,须选择与危险性程度高的爆炸等级和自然温度低的等级相适应的爆炸电气设备还须根据国家有关安全法规,充分考虑场所的危险程度便于安装和维修。
3.3防爆电气设备规定的环境条件是-20~40℃,环境温度过高、过低都需特殊加工。
3.4凡具有腐蚀性环境的防爆电气设备更需要特殊加工,此外,防爆电气设备还有户内和户外使用的区别。
4.要便于维修4.1防爆电气设备使用期间的维护和保养极为重要,因此,相同的功能条件,选择结构越简单越好。
一般先本质安全型再隔爆型、增安型。
4.2还须充分考虑在同一工程内使用防爆电气设备的互换性,便于管理。
4.3选择防爆电气设备,不仅要考虑价格还须对设备的可靠性、寿命、运转费用、耗能及维修时备品、备件等等作全面分析平衡,才能选择最佳的防爆电气设备。
气体爆炸危险场所用电气设备防爆类型选型表5.1凡在防爆危险场所里的防爆电气设备、金属构架、金属配线钢管、电缆金属互套均应接地。
如果防爆电气设备是固定在金属构架上、电气设备仍须单独接地。
接地线应单独与接地干线相连接。
接地线的截面积和绝缘等级与相线相同。
接地线应与相线在同一钢管内敷设。
接地电阻应不大于4欧姆。
6.本安用电源的屏蔽层接地,应在非防爆危险场所一头接地。
电机检修作业指导书一、引言电机检修是指对电机进行定期维护和修理,以保证其正常运行和延长寿命的一项工作。
本指导书旨在介绍电机检修的基本步骤和注意事项,以帮助操作人员正确进行电机检修工作。
二、电机检修前的准备工作1. 确定检修计划:根据电机使用情况,制定合理的检修计划,包括检修时间、检修内容等。
2. 工具准备:根据电机型号和检修内容,准备必要的检修工具和安全设备。
3. 安全措施:在进行电机检修前,必须确保电源已切断并采取必要的安全措施,避免意外发生。
三、电机检修流程1. 外观检查:仔细观察电机外壳是否有损坏、腐蚀等情况,检查电机接线情况是否正常。
2. 清洁:用刷子或干净的布擦拭电机外壳和叶片,清除积尘和杂物。
3. 检查定子绝缘:使用绝缘测试仪对电机定子绝缘进行测试,确保绝缘合格。
4. 检查轴承:检查电机轴承是否正常运转,如有异常声音或不灵活,应及时更换。
5. 检查绕组:检查电机绕组的连接是否紧固,是否有脱落等情况,确保正常运行。
6. 检查变压器:如果电机带有变压器,需检查变压器是否正常工作,如有损坏应及时更换。
7. 调整电机:对电机的运转速度和电压进行适当调整,以保证其稳定运行。
四、电机检修注意事项1. 安全第一:在进行电机检修过程中,一定要注意安全,切勿触摸带电部分。
2. 严格遵守操作规程:按照操作规程执行检修步骤,确保检修过程顺利进行。
3. 注意绝缘防护:在接触电机时,应佩戴绝缘手套和绝缘鞋,并用绝缘工具进行操作。
4. 注意温度:电机在运行过程中会产生一定的热量,检修时应注意温度,避免烫伤。
5. 定期维护:不仅要对故障电机进行检修,还应定期对正常运行的电机进行维护,以延长寿命和提高效率。
五、电机检修的作用和意义1. 延长电机寿命:定期检修可以及时发现和排除电机故障,避免进一步损坏,延长电机使用寿命。
2. 提高电机效率:通过检修,可以清除电机内部的积尘和杂物,优化电机运行状态,提高效率。
3. 降低维修成本:定期检修可以及时发现和处理潜在故障,避免故障扩大化,减少维修成本和停机时间。
防爆电机装配工艺作业指导书一、准备1.按装配任务单领料(按电机装配材料清单)2.零部件清理a.端盖、机座、接线盒座、盒盖等部件擦去油污,吹尽灰尘。
b.浸漆定子铁芯表面,特别是转子配合面检查,铲去漆瘤,清理线圈杂物。
c.清除转子表面杂物。
二、装配1.按定子进壳尺寸压入定子,引出线位置对准出线口。
2.转子轴伸端压入轴承。
3.前后端盖及转子,波形垫片装入机座(装配前所有隔爆面涂204防锈油),然后压入后端盖轴承,装上轴承盖,再用手转动轴伸,检查是否灵活。
4.接线盒上装上端子套或接线板,定子引出线重新剥线,按要求接入接线柱,装上接线盒座(隔爆面涂204防锈油)再装上盒座内其它零件。
5.铭牌按电机型号,对号入座,放在电机上,准备测试。
三、测试1.每台电机接入试验台,先运行半小时后,逐台进行性能检测,做好测试记录,核对测试数据是否符合铭牌所对应电机规格的要求。
2.测试合格后,盖上盒盖(贴上接线图),订上铭牌。
四、喷漆1.每台电机接入试验台,先运行半小时后,逐台进行性能检测,做好测试记录,核对测试数据是否符合铭牌所对应电机规格的要求。
2.铭牌处涂黄油,轴伸处加保护套,吊入喷漆架。
3.按产品“油漆涂饰工艺守则”的要求进行喷漆。
风罩同时单独喷漆。
“Ex”标志及立式端盖凹处涂大红漆。
五、装风叶、风罩等电机待油漆干后,装上风叶,风罩及外接地螺丝,外接地标记,铭牌处擦清,轴伸处涂上防锈油,装上键套上轴套。
六、最终检验装上说明书,合格证,由检验员进行最终检验,检验合格后入库(需包装的包装后入库)。
定子下线工艺规程为了规范电动机定子下线工艺,提高电动机内在质量,特编制本工艺规程。
1.下线前的准备及工具准备。
1.1清理干净下线工作台面,不得有铁器(划板、线压子除外),清除工作台周围杂物。
1.2清理干净所要下线的定子铁芯,检查槽内是否有铁沫,及错槽,如有应进行吹净并修理。
1.3按派工领取线圈、绝缘纸、槽楔。
2.下线(嵌线)2.1中心高H≤225定子下线。
1 目的和适用范围为保证安全生产,保障现场的电气作业人员、设备的安全,提供指导原则以满足操作10kV 及以下滚动轴承式高压三相异步电动机(本体)的检修符合检修工艺质量要求和维修保运厂的基本安全要求,特制订本作业指导书。
本指导书适用于维修保运厂高压防爆电动机大修作业。
2 工作任务高压三相异步电动机(本体)的检修3 作业前准备工作3.1 明确作业内容,开具作业票据3.1.1检修班组应与运行部设备负责人进行沟通3.1.2到所在装置确认电机已停运,办理停送电票、生产过程中危险作业票(火票、临时用电票等)。
3.1.3明确工作任务、停电范围、带电范围以及工作时间.3.1.4开具并办理第一种工作票,以及其它必要的作业票证,3.2 人员配置:工种、人数,素质要求,劳保穿戴3.2.1 由电工、钳工操作。
作业负责人1人、监护人1人,起重负责人1人。
电工应具有相应电气知识和水平,具有合格相关作业证。
作业人员不少于6人、大型电动机的安装和拆卸需要搬运和吊装时应有起重工配合进行。
3.2.2作业人员必须穿戴好防静电工作服、安全帽、防护眼镜、劳保手套和绝缘劳保鞋等劳动保护用品。
3.3作业工具及耗材:3.3.1作业人员个人工具3.3.2班组工具:各类成套扳手(9件以上套筒扳手、梅花扳手、呆扳手、内六角扳手、12″及以上活扳手等)、大号一字螺丝刀、撬棍、专用螺栓及螺帽、棘轮扳手、拉马、木槌、铜棒、轴承起拔器、卡环钳、扁铲、枕木、钢丝刷、锉刀、砂布、油桶、油盆、毛刷、垃圾桶、摇表、钳形电流表、状态监测仪、红外线测温仪等,作业人员可根据现场实际选择适用的工具、材料。
在室外安装的电机,应有防雨措施。
3.3.3大型机具:吊车(钢丝绳、导链、三角架)、试验设备。
3.3.4耗材:电气设备专用清洗剂、去锈剂、煤油、润滑脂、塑料薄膜、包装布、轴承等3.3.5技术资料齐全,准备好检修记录。
3.4熟悉作业现场,进行风险辨识3.4.1作业组长组织全体作业人员现场列队进行HSE事项及质量交底3.4.2交代作业任务、作业区域、人员分工。
防爆型电动机维护检修规程
3.1 检修周期和工程
3.1.1 检修周期(见表3-3—1>
表3-3—1 检修周期
检修类别小修大修
检修周期3—6月必要时
3.1.2 检修工程
3.1.2.1 小修工程
a.检查电动机外观,清扫电动机外壳。
b.更换或修理损坏的零部件,紧固螺丝。
c.检查所有机械连接,如外风扇、风罩、防水环等是否牢靠。
d.检查电机进线口的密封状况,检查电动机机身接地状况。
3.1.2.2 大修工程
a.完成小修工程。
b.电动机解体,抽芯检查清扫。
c.打开轴承外盖检查轴承状况及润滑脂、油质、油量情况,必要时加油。
d.检查电气连接有无松动或缺陷并考试电机、电缆绝缘电阻。
e.滑环、电刷、刷架等清扫、检查、修理。
f.在进行以上各项工作中,所有拆动的隔爆面要进行清
理、除锈、涂敷防锈油,并检查隔爆面的完整性。
g.更换转子或修理铁芯。
h.修理或更换损坏的零部件,如电动机端盖的止口镶
套,更换端盖、轴承、老化的密封垫、转子轴镶套,
焊补等。
i.修理各接触面、隔爆面,进行除锈并检查隔爆间隙。
i.进行绕组绝缘处理及各部电气连接过热处理。
k.根据需要改变电动机内部接线方式。
l.修理电机冷却系统。
m.必要时清洗或更换绕组。
n.按实验规程进行电气实验。
防爆电机维修作业
指
导
书
宁夏鑫瑞特电机机械制造有限公司
1 . 适用范围
1.1 本作业指导书适用于YB系列防爆电机的维修、保养的范围.
2 . 主要执行的标准:
2.1 GB3836.1-2010《爆炸性气体环境用电气设备第一部分:通用
要求》;
2.2 GB3836.2-2010《爆炸性气体环境用电气设备第二部分:隔爆
外壳“d”》;
2.3 GB3836.3-2010《爆炸性气体环境用电气设备第三部分:增安
型“e”》;
2.4 GB3836.4-2010《爆炸性气体环境用电气设备第四部分:
本质安全型”i“》;
2.5 GB3836.5-2004《爆炸性气体环境用电气设备第五部分:正压
外壳型”p“》;
2.6 GB3836.6-2004《爆炸性气体环境用电气设备第六部分:油浸
型”o“》;
2.7 GB3836.7-2004《爆炸性气体环境用电气设备第七部分:充沙
型”q“》;
2.8 GB3836.8-2003《爆炸性气体环境用电气设备第八部分:”n
“型电气设备》;
2.9 GB3836.9-2006《爆炸性气体环境用电气设备第九部分:浇封
型”m“》;
3.0 GB3836.12-2010《爆炸性气体环境用电气设备第十二部分:气
体或蒸汽混合物按照最大试验安全间隙和最小点燃电流分
级》;
3.1 GB3836.11-2009 《由隔爆外壳”d“保护的设备最大试验安全
间隙测定方法》.
4 .电机修理的分类与划分
电机的修理的类别可划分为:隔爆系列和普通民用系列〔非隔爆〕
按电机的电压等级可划分为:低压电机〔380V~660〕
中压电机〔1140V~3300V〕
高压电机〔6000V~10000V〕
按电机的功率大小可划分为:电机功率≤3KW
电机功率>3KW<150KW
电机功率≥150KW
按电机的修理内容可划分为:局修、维修、保养、大修
1、电机局修:包括电机的清洗,定、转子绕组烘干,接线柱及引线的老化的更换,轴承加注润滑脂,电机综合性能空载试验。
2、电机维护、保养:包含小修范围,还包括电机轴、轴承台、轴承室的修复,轴承的更换,机壳端盖的修复,转子动平衡,VPI真空压力浸漆,绕组高阻,耐弧处理、电机综合性能空载试验等。
3、电机大修:包含维护、保养,小修范围还包括定子绕组的更换,转子绕组〔绕
线式〕的更换,更换转子轴及定子、轴承的更换、转子矽钢片、铜导条、内外端环,电机综合性能空载试验等。
5. 隔爆电动机维护、保养明细
隔爆电动机的维护、保养分为三个方面:隔爆面及隔爆配合面计量检测、电器性能仪器测试、机械性能综合试验。
依据电机的结构组成,应从定子、转子、机壳三个部分进行分项检测,具体检测内容如下:
一:定子部分
1、清污、除垢
2、定子绕组绝缘程度、直流电阻
3、定子绕组耐压、匝间检测
4、槽楔、引接线有无松动、老化、碳化检测
5、定子绕组高压真空浸漆、烘干
6、绕组端口耐弧处理
二:转子部分
1、清污、除垢
2、拆除轴承、内油盖、内置风扇
3、转子冲片及端环、导条是否粘连、松动、断裂、开焊
4、转子前后轴承台、轴伸端跳动值检测
5、转子动平衡检测
6、更换轴承SKF
三、机壳部分
1、清污、除垢
2、变形、缺损整型、修复
3、锈蚀打磨、防腐处理
4、机壳端面止口、前后端盖止口检测
5、防爆配合面计量检测,处理
6、水道清洗、压力测试
四:整机部分
1、更换易损件、补齐缺失标配件,总装配
2、电器及机械性能综合测试
3、喷外观漆、铆贴检修铭牌
4、出具检修试验合格报告
五:电动机维护、保养过程中应修复的内容
1、老化接线柱、碳化引接线的更换
2、电机轴承台研伤修复、轴承室的修复
3、内外油盖的修复、机壳端盖的修复
4、轴承的更换
5、接线盒盖板修复及更换
六:特殊情况的说明
维护、保养过程中,如有下列情形出现,当事人双方应针对实物共同见证,依据市场价格另行协商。
1、机壳因变型严重无法修复,水道堵塞,内漏严重,确需更换的
2、前后端盖严重损坏、变型、轴承室无法修复,确需更换的
3、转子轴变型、弯曲,确需更换的
4、定子绕组因过流严重、绝缘严重老化,确需更换的
5、定、转子严重扫堂;转子导条断裂;端环开裂;确需定子本体或转子的
6、双速电机功率叠加计算
七:隔爆电动机大修理明细
隔爆电动机的大修理分四个部分:定子、转子、机壳、整机四个部分,具体修理内容如下:
一:定子部分
1、整机分解
2、拆除旧绕组、测绘绕组数据、清理定子铁芯
3、定子绕组重绕、下线
4、定子绕组进行直流电阻、耐压、匝间检测
5、定子绕组进行高压真空浸漆、烘干
6、绕组端口耐弧处理
二:转子部分
1、清污、除垢
2、检测转子冲片及端环、导条是否粘连、松动、断裂、开焊并修复
3、转子动平衡检测
4、更换不合格转子轴
5、更换轴承SKF
三:机壳部分
1、清污、除垢
2、变型、缺损整型、修复
3、机壳端面止口、前后端盖止口检测、修复
4、水道清洗、压力测试
5、接线腔隔爆面检修,接线盒盖板修复或更换
四:整机部分
1、更换易损件、补齐缺失标配件,总装配
2电器及机械性能综合测试
3喷外观漆、铆贴检修铭牌
4出具检修试验合格报告
五:电动机大修理过程中应修复的内容
1、定子线圈的更换
2、转子鼠笼条修复
3、老化接线柱、碳化引接线的更换
2、电机轴承台研伤修复、轴承室的修复,不合格转子轴的更换
3、内外油盖的修复、机壳,端盖的修复
4、SKF轴承的更换
5、接线盒盖板修复及更换
五:特殊情况的说明
维护、保养过程中,如有下列情形出现,当事人双方应针对实物共同见证,依据市场价格另行协商。
1、机壳因变型严重无法修复,水道堵塞,内漏严重,确需更换的
2、前后端盖严重损坏、变型、轴承室无法修复,确需更换的
3、转子轴变型、弯曲,确需更换的
4、定、转子严重扫堂;转子导条断裂;端环开裂;确需定子本体或转子的
电机(图片)外观质量规范
隔爆面
铭牌字体清
晰,无错字,
隔爆面无拉伤、划痕、接线腔内
清洁、无漆
电木压盘、电
接线腔内刷耐
电机外观
漆膜均
出水口机座水道出
电机外观
机座散热筋应
清理干净,平
机座止口、安
螺丝
螺扣
漆膜均轴承密封处不
轴伸用。