风电场质量验评划分
- 格式:doc
- 大小:4.84 MB
- 文档页数:82
质量验收及评定项目划分的统一要求为了规范工程资料的报审报验,根据《风力发电场项目建设工程验收规程》,提出沾化风电场一期工程质量验收及评定项目划分的统一要求如下:一、风力发电机组安装工程1、每台风力发电机组作为一个单位工程,共24个单位工程,编号:001~0242、每一个单位工程分为七个分部工程:1)风力发电机组基础2)风力发电机组安装3)风力发电机组监控系统 4)塔架安装5)电缆敷设6)箱式变压器 7)防雷接地网。
二、中控楼和升压站建筑工程1、中控楼和升压站建筑工程作为1个单位工程,编号:0252、该单位工程分为十个分部工程:1)基础(包括主变压器基础)2)框架3)砌体4)屋面5)楼地面6)门窗7)装饰8)室内外给排水9)照明10)附属设施(备品备件库、水泵房、电缆沟、接地、场地、围墙、消防通道、汽车库等)。
三、场内电力线路工程1、每条架空线路工程作为1个单位工程,共2条,编号026、0271)北线:1、2、3、4、5、6、7、8、9、10、11#风机,共11台风机,2)南线:12、13、14、15、16、17、18、19、20、21、22、23、24#风机,共13台风机。
2、每条架空线路工程分为五个分部工程:1)杆塔基坑及基础埋设2)杆塔组立与绝缘子安装3)拉线安装4)导线架设5)防雷接地四、交通工程1、新建施工道路为1个单位工程,编号:0282、该单位工程分为7个分部工程:1)路基2)路面3)排水沟4)涵洞5)护坡6)挡土墙、7)桥梁。
五、升压站设备安装调试工程1、升压站设备安装调试作为1个单位工程,编号:0292、该单位工程分为八个分部工程:1)主变压器2)高压电器3)低压电器4)母线装置5)盘柜及二次回路接线6)低压配电设备7)电缆敷设8)防雷接地装置。
XXXXXX建设项目管理有限公司XXXXXXX风电工程项目部2012年04月18日。
施工质量检验及评定范围表工程名称:岳西高传风电场工程
工程名称:岳西高传风电场工程续表
工程名称:岳西高传风电场工程续表
工程名称:岳西高传风电场工程续表
工程名称:岳西高传风电场工程续表
工程名称:岳西高传风电场工程续表
工程名称:岳西高传风电场工程续表
工程名称:岳西高传风电场工程续表
工程名称:岳西高传风电场工程续表
工程名称:岳西高传风电场工程续表
工程名称:岳西高传风电场工程续表
工程名称:岳西高传风电场工程续表
工程名称:岳西高传风电场工程续表
工程名称:岳西高传风电场工程续表
工程名称:岳西高传风电场工程续表
工程名称:岳西高传风电场工程续表
工程名称:岳西高传风电场工程续表
工程名称:岳西高传风电场工程续表
工程名称:岳西高传风电场工程续表
工程名称:岳西高传风电场工程续表
工程名称:岳西高传风电场工程续表
工程名称:岳西高传风电场工程续表
工程名称:岳西高传风电场工程续表
工程名称:岳西高传风电场工程续表
工程名称:岳西高传风电场工程续表
工程名称:岳西高传风电场工程续表
工程名称:岳西高传风电场工程续表
工程名称:岳西高传风电场工程续表
工程名称:岳西高传风电场工程续表
工程名称:岳西高传风电场工程续表
工程名称:岳西高传风电场工程续表
工程名称:岳西高传风电场工程续表
工程名称:岳西高传风电场工程续表
工程名称:岳西高传风电场工程续表。
风力发电工程施工质量验收项目划分表编制单位:编制人:审核人:批准人:批准日期:编制说明本工程质量验收划分表依据:《风力发电场项目建设工程验收规程》(DL/T5191-2004)的验收划分原则,分为五个部分,分别为风力发电机组、升压站、线路、建筑、交通五大类,而每台风力发电机组的安装工程又分为风力发电机组基础、风力发电机组安装、风力发电机监控系统(设备厂家进场前已安装完成)、塔架、电缆、箱式变电站、防雷接地网七个分部。
本工程质量验收划分五个部分验评执行的依据分别为:1、风机基础、箱变基础执行《电力建设施工质量验收及评定规程第一部分:土建工程》(DL/T5210.1—2005)的有关规定2、升压站、防雷接地网、箱式变电站、电缆、风力发电机监控系统工程执行《电气装置安装工程质量检验及评定规程》(DL/T5161.1~17—2002)3、升压站土建执行《110kV-1000kV变电站、换流站土建工程施工质量检验及评定标准》Q/GDW 183-20084、集电线路工程执行《110~500KV架空电力线路工程施工质量及评定规程》(DL/T5168-2002)5、交通工程执行《公路工程质量检验评定标准》 (JTGF80/1-2004)6、风力发电机组安装、塔架工程执行太重厂家的有关技术执行标准。
7、因发电机监控系统在设备进场前已安装完成,无需做施工资料,由厂家提供设备质量证明文件及调试资料。
8、单位工程项目划分的原则:按具有独立生产(使用)功能或独立施工条件的建筑物或构筑物进行划分。
质量验收及评定范围主要包含四部分内容:工程编号;质量检验项目的划分;验收单位;各分项工程检验批质量验收标准的套用。
9、建筑规模较大的单位工程,可根据工程建设使用或交付安装的需要,将其具有独立使用功能或独立施工条件的部分分为一个子单位工程。
10、分部工程项目划分原则:按照建筑物或构筑物工程的部位划分,同时兼顾专业性质;当分部工程较大或较复杂时,可按材料种类、施工特点、施工程序、专业系统及类别等划分为若干子分部工程。
风电场工程质量验评划分项目编制说明一、概述随着我国经济的高速发展和城市化进程的不断加快,能源的需求量不断增加。
而风电作为能源行业中的一种新能源类型,因其具有环保、可再生等独特的优势,被广泛应用于城市和农村的电力供应。
风电场工程作为建设风力发电的重要项目,质量验评对工程的质量、生产效率和经济效益具有至关重要的作用。
本文将针对风电场工程质量验评划分项目编制说明,对质量验评的内容、流程、方法和技巧等进行详细说明,帮助相关工程师提高工程质量,提高生产效率,降低成本,从而提高风电行业的综合竞争力。
二、质量验评的内容1. 工程的可行性研究。
风电场工程质量验评的第一步是进行可行性研究。
这一步需要确定工程的技术合理性、经济性、社会效益等方面的问题,为工程的建设提供理论和实践依据。
2. 工程的规划与设计。
在可行性研究基础上,需要对工程进行规划和设计。
这一步需要确定工程的功能、类型、规模等方面的问题,为工程的建设提供明确的目标和方向。
3. 工程的施工与监管。
在规划和设计基础上,需要对工程进行施工和监管。
这一步需要保证工程的施工质量、进度和经济效益等方面的问题,降低工程的风险和成本。
4. 工程的运行与维护。
在施工和监管基础上,需要对工程进行运行和维护。
这一步需要保证工程的稳定运行、经济效益和社会效益等方面的问题,提高工程的价值和品质。
5. 工程的改善与创新。
在运行和维护基础上,需要对工程进行改善和创新。
这一步需要提高工程的效能、效益和环保效应等方面的问题,为工程的发展提供动力和支持。
三、质量验评的流程1. 制定质量验评计划。
在项目开始前,需要制定质量验评计划。
这一步需要确定质量验评的目标、范围、方法、标准和责任,为工程的建设提供科学和系统的指导。
2. 搜集工程信息。
在制定质量验评计划后,需要搜集工程信息。
这一步需要收集施工、监管、运行、维护、改善和创新等方面的信息,为质量验评提供充分和准确的材料。
3. 分析工程信息。
风电场变电站工程施工质量验评范围划分表工程子项验收说明土建工程1. 土地平整度合格,无沉降或冲刷现象;2. 地基与基础完成后未见裂缝、渗漏等缺陷;3. 混凝土表面平整度及罩层厚度符合规定;4. 钢筋弯曲防错、为空心、废钢筋混埋、混凝土严禁泥浆、渣块渗漏等现象;5. 预埋套管、预埋件、膨胀管等应饰面平直,安装位置准确;6. 管沟、槽痕深度、角度等符合规范要求;7. 隔水层、防渗层材料齐全,制作工艺符合规定。
电气设备及附属工程1. 电源线、机电安装中使用的电缆、线缆、接头等应符合规定,没有旧电缆与新电缆混接现象;2. 每根导线的色标符号应一致,并符合规范的功率接线;3. 所有电气配线、变压器、母线、电缆、接线应符合设计要求,无错位、分接断面、过载、短路、跳闸;4. 设备大宗、小宗、控制和信号系统等各系统电路符合规范要求。
变电站主体构造及防腐工程1. 机构基座、电气设施、变压器及GIS设备组装完好,表面清洁无污垢、无砂眼及麻点;2. 油箱、管道、轴承、防雷装置及接地系统达到质量标准;3. 防腐涂料符合相关标准,涂层平整、无损伤、无毛刺和漏涂现象。
消防工程1. 设计、施工符合相关法规和标准,无火灾隐患;2. 消火设施运行安全可靠,并符合相关标准;3. 防火门、防火窗、烟道等防火设施完好无损伤、密封性达标。
安全设施1. 设计、施工符合相关法规和标准,无任何安全隐患;2. 安全通道、紧急疏散通道可靠,安全标志符合规范要求;3. 灭火器、防火卷帘、烟感、气感报警器等安全设施配置符合国家标准。
景观绿化及环保工程1. 景观绿化完成后美观大方,绿树成荫,表面平整度符合国家标准;2. 公共区域无建墙围栏现象,工地内整洁,无工业污染现象;3. 所有环保设施应配置齐全,设施运行正常,未发现任何噪声污染、有害气体、有毒流体、毒枯植物、垃圾等污染物资。
以上是风电场变电站工程施工质量验评范围划分表,各工程子项验收说明应严格遵循规定与国家标准的要求,确保工程施工质量达标,符合国家标准化验收要求,未来能够有很好的使用效果。
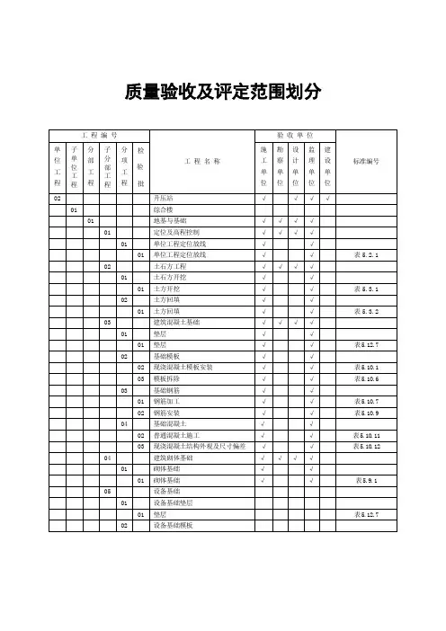
华能新疆哈密三塘湖一期49.5MW风电场工程质量验评划分表单位工程名称:风机工程编号:001工程编号验评项目验收单位质量验评单位工程子单位工程分部工程子分部工程分项工程检验批施工单位勘察单位设计单位监理单位建设单位标准编号001 风机工程√√√√√01 A1-01风机基础及箱变施工√√√√01 A1-01风机地基与基础工程√√01 无支护土方√√01 定位及高程控制√√01 定位及高程控制√√表5.2.102 挖方√√01 土方开挖√√表5.3.103 回填√√01 回填√√表5.3.202 混凝土基础√√01 垫层√√01 垫层√√表5.12.702 基础模板√√01 模板安装√√表5.10.102 模板拆除√√表5.10.403 基础钢筋√√01 钢筋加工√√表5.10.502 钢筋安装√√表5.10.604 基础混凝土√√01 混凝土原材料及配合比设计√√表5.10.702 混凝土施工√√表5.10.803 混凝土外观及结构尺寸偏差√√表5.10.904 钢构件基础环安装√√表5.11.1305 基础防腐√√01 基础防腐√√表5.23.602 箱变地基与基础工程√√01 无支护土方√√01 定位及高程控制√√01 定位及高程控制√√表5.2.102 挖方√√01 土方开挖√√表5.3.103 回填√√01 回填√√表5.3.202 箱变混凝土基础√√01 箱变基础垫层√√01 箱变基础垫层√√表5.12.702 箱变基础砖砌体01 砖砌体√√表5.9.103 箱变基础模板√√01 箱变基础模板安装√√表5.10.102 箱变基础模板拆除√√表5.10.404 箱变基础混凝土√√01 混凝土原材料及配合比设计√√表5.10.702 箱变基础混凝土施工√√表5.10.803 混凝土外观及尺寸偏差√√表5.10.905 基础防腐√√01 基础防腐√√表5.23.603 风机、箱变接地01 01 风机接地01 风机接地装置安装√√表5.26.2402 箱变接地01 箱变接地01 箱变接地装置安装√√表5.26.24说明:1、表格依据《电力建设施工质量验收及评定规程》DL/T5210.1-2005制定。
施工质量检验及评定范围表工程名称:岳西高传风电场工程工程名称:岳西高传风电场工程续表工程名称:岳西高传风电场工程续表工程名称:岳西高传风电场工程续表工程名称:岳西高传风电场工程续表工程名称:岳西高传风电场工程续表工程名称:岳西高传风电场工程续表工程名称:岳西高传风电场工程续表工程名称:岳西高传风电场工程续表工程名称:岳西高传风电场工程续表工程名称:岳西高传风电场工程续表工程名称:岳西高传风电场工程续表工程名称:岳西高传风电场工程续表工程名称:岳西高传风电场工程续表工程名称:岳西高传风电场工程续表工程名称:岳西高传风电场工程续表工程名称:岳西高传风电场工程续表工程名称:岳西高传风电场工程续表工程名称:岳西高传风电场工程续表工程名称:岳西高传风电场工程续表工程名称:岳西高传风电场工程续表工程名称:岳西高传风电场工程续表工程名称:岳西高传风电场工程续表工程名称:岳西高传风电场工程续表工程名称:岳西高传风电场工程续表工程名称:岳西高传风电场工程续表工程名称:岳西高传风电场工程续表工程名称:岳西高传风电场工程续表工程名称:岳西高传风电场工程续表工程名称:岳西高传风电场工程续表工程名称:岳西高传风电场工程续表工程名称:岳西高传风电场工程续表工程名称:岳西高传风电场工程续表工程名称:岳西高传风电场工程续表工程名称:岳西高传风电场工程续表工程名称:岳西高传风电场工程续表工程名称:岳西高传风电场工程续表工程名称:岳西高传风电场工程续表工程名称:岳西高传风电场工程续表工程名称:岳西高传风电场工程续表★:指土建关键工程☆:指安装主要工程。
施工质量检验及评定范围表工程名称:岳西高传风电场工程
工程名称:岳西高传风电场工程续表
工程名称:岳西高传风电场工程续表
工程名称:岳西高传风电场工程续表
工程名称:岳西高传风电场工程续表
工程名称:岳西高传风电场工程续表
工程名称:岳西高传风电场工程续表
工程名称:岳西高传风电场工程续表
工程名称:岳西高传风电场工程续表
工程名称:岳西高传风电场工程续表
工程名称:岳西高传风电场工程续表
工程名称:岳西高传风电场工程续表
工程名称:岳西高传风电场工程续表
工程名称:岳西高传风电场工程续表
工程名称:岳西高传风电场工程续表
工程名称:岳西高传风电场工程续表
工程名称:岳西高传风电场工程续表
工程名称:岳西高传风电场工程续表
工程名称:岳西高传风电场工程续表
工程名称:岳西高传风电场工程续表
工程名称:岳西高传风电场工程续表
工程名称:岳西高传风电场工程续表
工程名称:岳西高传风电场工程续表
工程名称:岳西高传风电场工程续表
工程名称:岳西高传风电场工程续表
工程名称:岳西高传风电场工程续表
工程名称:岳西高传风电场工程续表
工程名称:岳西高传风电场工程续表
工程名称:岳西高传风电场工程续表
工程名称:岳西高传风电场工程续表
工程名称:岳西高传风电场工程续表
工程名称:岳西高传风电场工程续表
工程名称:岳西高传风电场工程续表
工程名称:岳西高传风电场工程续表。
风电场工程质量验评划分项目编制说明编制说明为规范、统一饶平海山风电场(49.5MW)工程质量验收项目范围与验收程序,确保工程竣工验收,特制定本项目工程质量验评划分项目。
一、适用范围:本质量验评划分项目适用于饶平海山风电场(49.5MW)工程。
二、编制根据:1、《风力发电场项目建设工程验收规程》(DL/T5191—2004)2、《110kV~1000kV变电站建筑工程建设标准强制性条文实施管理规程》(Q/SD01001—2007)3、《110kV~1000kV变电站电气工程建设标准强制性条文实施管理规程》(Q/SD01002—2007)4、《电力建设施工质量验收及评价规程》第一部分:土建工程(DL/T5210.1—2012)5、《电气装置安装工程质量检验及评定规程》DL/T5161.1~5161.17—2002中的变电工程项目6、《110kV~500kV 架空电力线路工程施工质量及评定规程》(DL/T5168—2002)7、《110kV~500kV 架空送电线路施工及验收规范》(GB50233—2005)8、设备生产厂家提供的风电机组技术说明书、使用手册与安装手册9、设计图纸及有关文件三、检验项目说明:(一)分项工程可由一个或者若干检验批构成1、检验批合格质量应符合下列规定:1.1、主控项目与通常项目的质量经抽样检验合格。
1.2、具有完整的施工操作根据、质量检验记录。
2、分项工程质量验收合格应符合下列规定:2.1、分项工程中所含的检验批均应符合合格质量的规定。
2.2、分项工程中所含的检验批的质量验收记录应完整。
3、分部(子分部)工程质量验收合格应符合下列规定:3.1、分部(子分部)工程所含分项工程的质量均应验收合格。
3.2、质量操纵资料应完整,观感质量验收应符合要求4、单位(子单位)工程质量验收合格应符合下列规定:4.1、单位(子单位)工程所含分部(子分部)工程的质量均应验收合格。
4.2、质量操纵资料应完整。
编号:GYTRFD/XD/ZL-2013-010xxxxx一期49.5MW风电工程质量验评范围划分及质量控制点设置(大纲)批准:审核:编制:xxxxx工程监理有限责任公司xxxxx一期49.5MW风电工程项目监理部2013年3月xxxxx一期49.5MW风电工程质量验收及评定范围划分说明1、本《大纲》是按照各标段编制单位工程施工质量验评范围划分表的原则依据;2、本《大纲》由监理编制,业主批准后生效。
各参建单位以合同约定的承建范围,一律按此大纲确定的单位工程和执行标准为准,划分各单位工程施工质量验评范围划分并严格执行,如有变动另行通知;3、各单位工程施工质量验评范围划分,由专业监理工程师审核,总监批准,业主备案;4、本工程是按照《单项、单位工程施工质量验收及评定范围划分大纲》进行划分的。
原则上按《风力发电场项目建设验收规程》(DL/T5191-2004);划分为4个单项工程(风力发电机组、升压站、线路及道路),每台风力发电机组的安装工程为一个单位工程;升压站土建及设备安装调试各为一个单位工程;配网线路及电力电缆工程以一条独立的线路为一个单位工程;场区道路为一个单位工程:共计37个单位工程;5、具体验收及评定标准,原则上执行DL/T5191-2004引用标准;5.1、建筑工程按《电力建设施工验收及评定规程第1部分:土建工程》(DL/T5210.1-2005);5.2、电气工程按《电气装置安装工程质量检验及评定规程》(DL/T5161.1-5161.17-2002);5.3、线路工程按《110-500kV架空电力线路工程施工质量及评定规程》(DL/T5168-2002);5.4、风力发电机组安装工程按《风力发电机组验收规范》(GB/T20319-2006);6、单位工程优良评定依据:6.1、建筑工程按DL/T5210.1-2005进行优良评定;6.2、电气工程按DL/T5161.1-5161.17-2002进行优良评定;6.3、线路工程按DL/T5168-2002进行优良评定;6.4、风力发电机组安装工程按GB/T20319-2006风力发电机组验收规范只评合格,不进行优良评定;7、工程质量验收及单位工程质量评定程序、组织责任:(1)检验批质量验收记录由施工单位项目专业质量检查员填写,由专业监理工程师(建设单位项目专业技术负责人)组织项目专业质量检查员等进行验收;(2)分项工程质量验收记录由专业监理工程师(建设单位项目专业技术负责人)组织施工单位项目质量(技术)负责人等进行验收;(3)分部(子分部)工程质量验收应由总(副总)监理工程师(建设单位项目专业技术负责人)组织施工单位项目负责人和技术、质量负责人等进行验收;(4)单位(子单位)工程完工后,施工单位应自行组织有关人员进行检查评定,验收合格后向建设单位提交工程验收申请报告。
中电投响屏山风电场工程质量验评范围划分表工程名称:中电投陕县响屏山风电场工程
升压站电气设备施工质量检验项目划分表
升压站土建施工质量检验及评定范围表工程名称:中电投陕县响屏山风电场升压站土建工程
工程名称:中电投陕县响屏山风电场工程续表
工程名称:中电投陕县响屏山风电场升压站土建工程
工程名称:中电投陕县响屏山风电场工程续表
工程名称:中电投陕县响屏山风电场工程续表
工程名称:中电投陕县响屏山风电场工程续表
工程名称:中电投陕县响屏山风电场工程续表
工程名称:中电投陕县响屏山风电场工程续表
工程名称:中电投陕县响屏山风电场工程续表
工程名称:中电投陕县响屏山风电场工程续表
工程名称:中电投陕县响屏山风电场工程续表
工程名称:中电投陕县响屏山风电场工程续表
工程名称:中电投陕县响屏山风电场工程续表
工程名称:中电投陕县响屏山风电场工程续表
工程名称:中电投陕县响屏山风电场工程续表
中电投响屏山风电场工程道路工程质量验评范围划分表。