火炬岗位考试简答题
- 格式:docx
- 大小:1.10 MB
- 文档页数:9
公用工程中心储运及火炬装置考试题库公用工程中心2014年5月19日一、填空题1、火灾出处于(初起)阶段,是扑救得最佳时期。
2、离心泵铭牌上标明的扬程是( 效率最高时的扬程 )。
3、安全标志分为四类,它们分别是(禁止标志、警告标志、命令标志和提示标志)。
4、危险性作业场所,必须设置安全通道,入口不少于两个,通道和出入口应保持畅通。
门窗应采用(向外开启式)。
5、在炸药生产车间严禁穿(钉鞋)和穿戴易产生静电的衣物。
6、(机器在开动中)的情况下,不可对机械进行检修工作。
7、剧毒化学品经营企业应当每天核对剧毒化学品的销售情况,发现被盗、丢失、误售等情况时,必须立即向当地(公安)部门报案。
8、装置气密试验时应对(各焊缝及联接处均要气密)。
9、电机驱动的离心泵启动前出口阀应关闭,其目的是(防止泵启动时因电机电流过高而烧坏电机)。
10、皮肤被碱液灼伤后的处理方法为(用大量清水清洗皮肤)。
11、酸碱站浓硫酸年设计储运量为( 6000 )吨。
12、酸碱站烧碱年设计储运量为( 16100 )吨。
13、英寸8′≈公制DN(200 )。
14、( 截止阀 )在管路上安装时,应特别注意介质出入阀口的方向,使其“低进高出”。
15、日常运行过程中汽车装卸栈台气相排至(低压富氢)火炬系统进行燃烧。
16、自动控制系统在阶跃扰动作用下,对应被控变量的过渡过程为( 衰减振荡过程 )。
17、流体在圆形直管中作完全湍流流动,若其它条件不变(指摩擦系数、管长、流量等不变)时,仅将管径减小为原来的1/2,此时阻力损失为原来的( 32 )倍。
18、某设备内的温度在1000℃左右,比较适宜的测温热电偶是(S型)。
19、在列管式换热器中,用水冷凝乙醇蒸气,乙醇蒸汽宜安排走 ( 壳程 )。
20、登梯时,工具必须放在(工具背包),保证作业安全。
21、安全阀的设计部位一般在(设备的出口处)。
22、泵壳的作用是(汇集液体 )。
23、离心泵汽蚀的原因,也是因为( 吸入口压力太低)。
一、判断题1、液化石油气常温常压下挥发,其体积能迅速扩大250--350倍.( √)2、投用蒸汽时,应该尽量把給汽阀门开小,待管线温度升高以后再缓慢开大阀( √)3、在使用气焊中,氧气瓶、乙炔瓶不得靠近2米以内、氧气瓶严禁接触明火、乙炔瓶严禁水平放置。
(X )4、离心泵抽空的主要原因是:1.液面低.2.入口管串气或堵塞;3.泵内有气体或异物,入口管线流程不通等等.( √)5、黑色金属是指铁和铁的合金。
(√)6、我厂酸碱管线都有衬里。
(X )7、我厂南区采暖水没有给北区供采暖水,只给南区供采暖水。
(X )8、3.6MPa蒸汽管没有放空阀和安全阀。
(√)9、我厂使用的生产水水源只有浩勒报吉水源。
(X )10、优质碳素钢号开头的两位数字表示钢的含碳量,以平均碳含量的千分之几表示,例如平均碳含量为0.45%的钢,钢号为“45”(X)11、管道法兰按与管子的连接方式只有平焊和对焊两种。
(X )12、水锤即水击。
(X )13、148南区管网凝结水只回收管网伴热凝结水。
(X )14、含硫污水都集中到112单元处理。
(√)15、供暖系统管道是闭路循环管路(√)16、南区高压除氧水只供污水汽提(X )17、:安全阀可安装在容器的任何位置( X )18、在生产给水管道高点加放空是为了防止在第一次给水发生水锤现象( √)19、除盐水管道我们所使用的材质为45#碳钢( X )20、介质PH值越大,对金属腐蚀越严重(X )21、南区高压除氧水只供污水汽提(X )22、144-D-102设计压力为1.4MPa (√)23、容器的设计压力为1.6MPa,它是中压容器(√)24、压力表的使用过程中工作压力最大不应超过满量程的2/3 (√)25:不锈钢和耐热钢:钢号中碳含量以千分之几表示。
例如“2Cr13”钢的平均碳含量为0.2%;若钢中含碳量≤0.03%或≤0.08%者,钢号前分别冠以“00”及“0”表示之,例如00Cr17Ni14Mo2、0Cr18 Ni9等. (√)26、目前我厂只对中压蒸汽排凝进行了回收利用。
亚运会火炬传递试题及答案一、单项选择题(每题2分,共10分)1. 第一届亚运会火炬传递的起点是哪里?A. 北京B. 雅加达C. 德里D. 东京答案:C2. 亚运会火炬传递的火炬通常象征着什么?A. 和平B. 友谊C. 团结D. 所有选项答案:D3. 火炬传递过程中,火炬手通常需要做什么?A. 跑步B. 骑自行车C. 游泳D. 以上都不是答案:A4. 亚运会火炬传递的火炬设计通常包含哪些元素?A. 火焰B. 亚运会会徽C. 东道国文化D. 所有选项答案:D5. 亚运会火炬传递的火炬手选拔标准是什么?A. 体育成就B. 社会贡献C. 艺术成就D. 以上都不是答案:B二、填空题(每题2分,共10分)1. 亚运会火炬传递的火炬通常由______制成。
答案:金属或复合材料2. 火炬传递过程中,火炬手需要将火炬传递给______。
答案:下一位火炬手3. 亚运会火炬传递的路线通常会经过______。
答案:东道国的主要城市4. 火炬传递的终点通常是______。
答案:亚运会开幕式现场5. 火炬传递的仪式上,通常会有______表演。
答案:文艺三、判断题(每题2分,共10分)1. 亚运会火炬传递的火炬手必须是运动员。
()答案:×(错误)2. 亚运会火炬传递的火炬手可以是任何对国家有贡献的人。
()答案:√(正确)3. 亚运会火炬传递的火炬不能熄灭。
()答案:×(错误)4. 亚运会火炬传递的火炬设计必须包含亚运会会徽。
()答案:√(正确)5. 亚运会火炬传递的火炬手在传递过程中不能停下来。
()答案:×(错误)四、简答题(每题5分,共10分)1. 请简述亚运会火炬传递的意义。
答案:亚运会火炬传递的意义在于弘扬奥林匹克精神,传播和平、友谊、团结的理念,同时展示东道国的文化特色和体育成就。
2. 亚运会火炬传递的流程通常是怎样的?答案:亚运会火炬传递的流程通常包括火炬设计、火炬手选拔、火炬传递路线规划、火炬传递仪式、火炬传递活动以及火炬传递的最终交接仪式。
火炬上岗考试题A一、填空题(每题2分,共20分)1.火炬放空系统由(火炬头)、(气体密封器)、(火炬筒体)、水封罐、分液罐、点火系统、支撑结构、辅助公用系统、火炬污水系统等部分组成。
2.氮气在火炬系统中的用途包括检修、(降低C4燃料气热值)、(事故状态下紧急冲氮)、(流体密封器的密封气源)。
3.分液罐利用(改变气体方向和速度)方式,将超过(600µm)液滴沉降下来,以避免火炬发生(火雨)现象。
4.火炬系统的控制方式有DCS自动控制、(DCS手动遥控控制)以及现场手动控制。
5.水封罐其主要作用是将火炬系统与水封罐的上游管道及生产装置(隔离)。
6.酸性气火炬有(2)个长明灯。
7.当硫化氢浓度高于(1000)毫克/立方米时,就会使人失去知觉。
8.离心泵的轴功率随流量的增大而(减小)。
9.火炬装置区域内共有(3)个可燃气体报警测点。
10.安全管理上的“三违”是指(违章指挥)、(违章操作)和(违反劳动纪律)。
二、选择题(每题2分,共20分)1.能避免火炬筒体发生内燃,火炬筒体变红的蒸汽是( B )。
A、消烟蒸汽B、中心蒸汽C、引射蒸汽D、以上都是2.火炬系统中防止回火的措施有:( D )。
A、水封罐B、阻火器C、流体密封器D、以上都是3.火炬下火雨的可能原因有( B )。
A、流速低B、分液罐液位太高C、分液罐容积大D、以上都是4.高空作业在( A )以上必须系安全带。
A、2米B、3米C、4米D、5米5.投用蒸汽时,应先打开蒸汽管线末端的( C ),以便将冷凝水排掉。
A、阀门B、排空阀C、排凝阀D、减压阀6.离心泵靠( B )高速旋转使液体获得动能。
A、联轴器B、叶轮C、轴承D、泵轴7.检修火炬时,要求风力小于( C )级。
A、1B、2C、3D、48.火灾出处于(A )阶段,是扑救得最佳时期。
A、初起B、发展C、猛烈D、下降9.进罐入塔作业前,设备内硫化氢的允许浓度是( A )mg/m3A、10B、20C、30D、4010.火炬装置区域有毒气体报警测点可检测以下哪几种有毒气体。
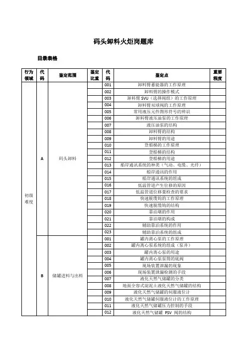
码头卸料火炬岗题库目录表格一、选择题(每题四个选项,只有一个是正确的,将正确的选项填入括号内)1.1 初级难度1.1.1码头卸料1.气体式蓄能器以(A )定律为基础,通过压缩气体完成能量转化。
A、波义耳B、查理C、盖吕萨克D、阿伏珈得罗2.蓄能器是液压动力系统中的一种( A )储蓄装置。
A、能量B、液压油C、压力D、气体3.蓄能器是利用( B )无法蓄积压力能,必须依靠其他介质来转换、蓄积压力能的一种装置。
A、氮气B、液压油C、仪表空气D、工厂空气4.( B )不能操作卸料臂。
A、就地操作面板上B、液压动力单元C、无线电操作装置D、选择阀组单元5.进行卸料臂操作时,通常首选( C )进行操作。
A、就地操作面板B、液压动力单元C、无线电操作装置D、选择阀组单元6.当卸料臂控制系统的电源出现问题时,通常采用蓄能器释压并在(D )操作控制臂的动作。
A、就地操作面板上B、液压动力单元C、无线电操作装置D、选择阀组单元7.不能在卸料臂SVU(选择阀组)上通过操作手动电磁换向阀实现的动作是(B )。
A、卸料臂前后动作B、双球阀的开关C、卸料臂左右旋转动作D、卸料臂ESD1的动作8.SVU(选择阀组)的换向阀主要是利用( C )产生的力来操纵滑阀阀芯移动的。
A、液压B、气动C、电磁铁通电吸合D、电动9.双球阀的动力传动方式为( B )。
A、磁动B、液动C、气动D、电动10.双球阀的动作是将液体的压力能转换为( A )。
A、动能B.势能C.热能D.内能11.( A )是液控单向阀符号的正确表示图标。
A、B、C、D、12.( A )是溢流阀符号的表示图标。
A、B、C D、13.在术语上讲,齿轮泵也叫( B )。
A、负排量泵B、正排量泵C、叶轮泵D、柱塞泵14.柱塞型卸料臂液压油泵依靠柱塞在缸体中做( D )运动,使密封工作容腔的容积发生变化来实现吸油、压油。
A、旋转B、滚动C、拉伸D、往复15.下列不属于齿轮型卸料臂液压油泵轴端密封的是( C )。
2019年检修中改造项目培训试卷
姓名;岗位:分数:
一、填空:
1.火炬点火操作顺序依次为(自动点火操作)、(手动点火操作)、(地面爆燃装置点火操作)
2. 分子封凝液防冻,当热电阻检测到分子封凝液收集腔的温度低于(5℃)时,(打开)分子封上电伴热。
对分子封凝液区进行加热处理。
当温度高于(60℃)时,(关闭)电加热
二、简答
1..自动点火的整个操作过程?
热电偶检测到长明灯未点燃防爆激发器点火打开引火燃**阀门同时打开长明灯燃**阀门热电偶检测到点火成功关闭引火燃**阀门长明灯常明
热电偶检测到长明灯仍未点燃关闭引火燃**阀门重新进行上述操作,重复3次未点燃,报警,停止点火,关闭长明灯燃**阀门。
2.手动点火的整个操作过程?
当自动点火失败后控制柜调到手动点火控制柜按点火打开引火燃**阀门引火火炬点燃打开长明灯阀门长明灯点燃热电偶检测到点火成功关闭引火燃**阀门长明灯常明
热电偶检测到长明灯仍未点燃重复手动点火
当需用地面爆燃点火时,**体配比完成后,手动启动激发器点火。
广东中山市火炬开发区专职消防队招考聘用政府专职消防员强化练习题(二)1、多选题下列属于高分子材料的是_____。
A: 塑料B: 橡胶C: 涂料D: 纤维参考答案: ABCD本题诠释:【答案】ABCD。
解析:高分子材料是由相对分子质量较高的化合物构成的材料,包括橡胶、塑料、纤维、涂料、胶粘剂和髙分子基复合材料。
故本题答案选ABCD。
第1题所属考点-题库原题2、单选题下列状况中,构成侵袭肖像权的是_____。
A: 某老师将拍摄的路人特写镜头作为教学之用B: 某贩子擅自将他人相片用于商店橱窗的装饰C: 某男为发泄心中不满将前妻照片置于马桶下D: 某记者将有领导人参与的会场拍摄后用于新闻报道参考答案: B本题诠释:【答案】B。
解析:《民通意见》第158条规定,以营利为目标,未经公民同意利用其肖像做广告、商标、装饰橱窗等,应当认定为侵害公民肖像权的行为。
在某些特定状况下,因社会公共利益,可未经肖像权人的同意而使用其肖像:(1)使用社会大众人物肖像;(2)为宣扬报道而使用参与游行集会、游园活动的人的肖像;(3)旨在行使正当的舆论监督而使用公民的肖像;(4)因通缉犯罪嫌疑人或报道已判决案件而使用罪犯的照片;(5)为肖像权本人的利益而使用其照片;(6)国家机关为执行、适用法律而使用公民的肖像;(7)作为证据而使用公民的肖像;(8)为了科学探究和文化教育目标而在一定范围内使用他人肖像。
A项符合(8),D项符合(1),均未构成侵权。
C项某男的行为只是将前妻照片至于马桶下,没有以营利为目标,所以也不符合题意。
故本题答案为B。
第2题所属考点-题库原题3、单选题下列中国古今地名对应不正确的是_____。
A: 幽州——洛阳B: 长安——西安C: 大都——北京D: 建业——南京参考答案: A本题诠释:【答案】A。
解析:幽州在今河北北部及辽宁一带,幽州城就是幽州区域的治所,在今日的北京。
A选项错误;长安,当今西安的古称,历史上第一个被称为“京”的城市,外国人称之为中华民族的精神家乡。
火炬上岗考试模拟题姓名:成绩:一、填空题:(每空1分,共43分)1、火炬放空系统由()、()、()、水封罐(阀)、分液罐、点火系统、支撑结构、辅助公用系统、火炬污水系统等部分组成。
2、氮气在火炬系统中的用途包括检修、()、()、()。
3、分液罐利用()方式,将超过()液滴沉降下来,以避免火炬发生()现象。
4、火炬系统的控制方式有DCS自动控制、()以及现场手动控制。
5、水封罐其主要作用是将火炬系统与水封罐的上游管道及生产装置( )。
6、仪表空气线经仪表空气缓冲罐后,一路作为(),另一路接入()。
7、重烃火炬中心蒸汽管线控制阀门HV0103C为()。
8、重烃火炬引射蒸汽管线阀门HV0103A为()。
9、当硫化氢浓度高于()毫克/立方米时,就会使人失去知觉。
10、换热站运行过程中易出现的故障有()、凝水排放不畅、()、()、换热器内空气未排出、()等。
11、换热器投用过程中应先投(),后投()。
12、全厂火炬接收各生产装置的火炬气共5股,分别为低压富氢火炬气、()、超低压重烃火炬气、()、()。
13、火炬装置区域内共有()个可燃气体报警测点。
14、安全管理上的“三违”是指()、()和()。
15、第一换热站PLC画面上可以监控到蒸汽的数据有:()、()、();供回水的数据有:()、()。
16、重烃火炬的三路蒸汽分别是()蒸汽、()蒸汽和()蒸汽。
17、乙烯检修火炬为自立式火炬,火炬高30m,采用()消烟。
18、针对不同种类的火炬气采用()保证燃尽率或者()、()实现无烟燃烧的方法,满足环保的要求。
19、()火炬气和()火炬气的燃烧热值低,需要配比一定量的燃料气伴烧,提高燃烧效果,达到确保燃尽率的目的。
二、选择题(每题1分,共18分)1.能避免重烃火炬筒体发生内燃,火炬筒体变红的蒸汽是()。
A、消烟蒸汽B、中心蒸汽C、引射蒸汽D、以上都是2.火炬系统中防止回火的措施有:()。
A、水封罐B、阻火器C、流体密封器D、以上都是3.过滤器的差压超过()MPa,应对过滤器进行清洗或更换。
核电焊工考试题及答案【最新版】核电焊工考试题及答案(一)判断题(40)1.核安全文化是存在于组织和员工中的种种特性和态度的总和。
(√)2.核安全文化是政府和组织的事,与企业员工无关。
(×)3.“安全文化”一词的正式提出,源于国际核电发展史上的两起事故:三哩岛事故和切尔诺贝利事故。
(√)4.国际、国家、组织、员工等各层面都应该重视核安全问题。
(√)5.建立核安全文化的目的,就是要规范所有参与核电站活动相关的组织和个人自身的行为以及相互的行为。
(√)6.核电安全与参与核电站建设的焊工无关。
(×)7.教育人、培养人、改造人,使全体工作人员形成正确的思维习惯和正确的工作作风是核安全文化建设的本质。
(√)8.我们只要建立可以机械地执行保证核安全的程序就能保证核安全。
(×)9.核安全事务中凡争取有优异成绩者,其人格特性应该包括:质疑的工作态度,严谨的工作方法,互相交流的工作习惯和奉献的精神。
(√)10.员工如果长期不按照程序执行,或在进度紧张时不主张按程序办事,那么即使最重要的程序也会被忽略,甚至会酿成事故。
(√)11.核与辐射安全是国家安全的重要组成部分,是环境安全的重要组成部分,是核事业发展的生命线。
(√)12.在核电设备制造中,“慢就是快,稳就是好”质量与进度集中表现为质量第一,质量是根本。
没有质量,进度再快也是零。
(√)13.在核电设备制造、安装过程中,为保生产进度,当出现质量问题时,可以凭经验,走捷径,快速处理。
(×)14.在核电设备制造、安装过程中,只要按图纸、工艺干出合格的产品,就可以不学习核安全文化。
(×)15.核电制造活动中虽要求严格按照书面规定办,但是某些经验技巧比规定更可靠。
(×)16.“安全第一”是核电站工程建设的基本原则。
(√)17.核安全文化被作为一项基本管理原则加以推广和实施,用以防止和减少人因错误。
(√)18.核安全文化强调个人的响应,要求每个人必须对核安全做出具体的承诺。
2023年中山火炬职业技术学院辅导员招聘考试题目汇总一、单选题(每题只有一个正确答案,答错、不答或多答均不得分)1.取消考试资格是教育行政处罚中的()。
A.申诫罚B.能力罚C.人身罚D.财产罚【答案】:B2.高校实践育人工作主要包括哪些形式()A.实践教学、志愿服务、创新创业B.课外活动、志愿服务、创新创业C.实践教学、军政训练、社会实践活动D.课外活动、军政训练、社会实践活动【答案】:C3.“关爱自然,爱护环境,珍惜资源”属于《高等学校学生行为准则》内容中的哪一条准则?()A.强健体魄,热爱生活B.明礼修身,团结友爱C.热爱祖国,服务人民D.遵纪守法,弘扬正气【答案】:A4.大学生正处于认知发展的()。
A.平稳期B.高原期C.下降期D.高峰期【答案】:D- 1 -5.在学术失范行为中,虚假署名是指下列说法中的()。
A.在研究过程大肆篡改或伪造数据B.某一科研成果,没有做出什么贡献的人署名在最重要的位置,而真正做出贡献、付出劳动的作者却没有署名或没有在重要位置署名C.在以自己名义发表的论文中,抄袭别人论文中的观点、文字而不加引注D.将别人的论文改头换面甚至原封不动地以自己的名义发表【答案】:B6.高校教师在职业劳动过程中形成的情感及意志结构、心理结构、稳定的道德意识和个体内在的行为倾向,指的是高校教师的()。
A.专业信仰B.专业人格C.专业精神D.专业知识【答案】:B7.马斯洛提出的心理健康模式是()。
A.没有疾病模式B.功能充分发挥者模式C.自我实现的人模式D.普通人模式【答案】:C8.人们对自己或他人的行为进行理解与推论,进而通过这种因果关系来调节随后的行为。
持这种观点的理论是()。
A.动机理论B.认知理论C.归因理论D.期望理论【答案】:C9.下列选项中,不属于课外的科研活动形式的是()A.听取校内外专家的学术报告B.参加学生社团的学术研究活动C.参加教学实习- 2 -D.根据自己的兴趣独立进行的研究活动【答案】:C10.《易经》有“人更三圣,世历三古”的说法。
火炬交通面试题及答案一、选择题1. 交通信号灯中,红灯表示什么含义?A. 停车等待B. 准备行驶C. 直行D. 左转答案:A2. 在高速公路上行驶时,遇到雾天应如何操作?A. 加速通过B. 减速慢行C. 停车等待D. 打开所有车灯答案:B二、填空题1. 根据《中华人民共和国道路交通安全法》,驾驶机动车在道路上行驶时,不得超过_______。
答案:限速标志标明的最高时速2. 车辆在夜间行驶时,应使用_______灯。
答案:近光三、简答题1. 请简述在雨天驾驶时应注意的安全事项。
答案:在雨天驾驶时,应注意降低车速,保持安全距离,使用雨刷器清除挡风玻璃上的雨水,确保视线清晰。
同时,应避免急刹车或急转弯,以防车辆打滑。
2. 如何正确使用安全带?答案:正确使用安全带的方法是:首先,将安全带从肩部上方拉过,调整安全带的位置,使其紧贴身体。
然后,将安全带的下端拉过臀部,确保安全带在腹部下方,避免勒紧腹部。
最后,扣紧安全带,确保安全带不会在紧急情况下松开。
四、案例分析题1. 某日,张先生驾驶车辆在城市道路上正常行驶,突然前方车辆急刹车,张先生也紧急刹车,但因为距离过近,还是发生了轻微碰撞。
请问张先生在此次事故中需要承担什么责任?答案:根据《中华人民共和国道路交通安全法》规定,张先生需要承担未保持安全距离的责任。
在行驶过程中,应与前车保持足够的安全距离,以防止紧急情况下发生碰撞。
五、论述题1. 论述交通规则的重要性及其在日常生活中的应用。
答案:交通规则是保障道路交通安全的重要法律规范,它规定了车辆、行人在道路上的行为准则。
遵守交通规则可以有效地预防交通事故的发生,保护人们的生命财产安全。
在日常生活中,无论是驾驶机动车还是步行,都应严格遵守交通信号、标线和标志,不闯红灯、不超速、不酒驾,确保自己和他人的安全。
同时,交通规则也有助于提高道路的通行效率,减少交通拥堵,促进社会和谐发展。
中山火炬职业技术学院辅导员招聘考试题目(2023)(满分100分时间120分钟)【说明】1.遵守考场纪律,杜绝违纪行为,确保考试公正;2.请严格按照规定在试卷上填写自己的姓名、准考证编号;3.监考人员宣布考试开始后方可答题;4.监考人员宣布考试结束时,请将试题、答题纸和草稿纸放在桌上,待监考人员收取并清点完毕后方可离开考场。
一、单选题(每题只有一个正确答案,答错、不答或多答均不得分)1.在高校班级班委队伍的组建中,下列哪项是以辅导员指定方式任命的班委的优点?()A.有利于竞争B.保证班委质量C.班委之间的和谐度较高D.群众认可度较高【答案】:B2.下列关于大学生职业生涯辅导的主要内容描述全面且正确的有()。
①认识自我②认识职业环境③职业决策④提升求职技巧⑤了解就业政策A.①③④⑤B.①②③⑤C.①②④⑤D.①②③④⑤【答案】:D3.我国教育工作的总方向是()。
A.培养德、智、体等方面全面发展的社会主义事业的建设者和接班人B.教育必须为社会主义现代化建设服务C.教育必须面向现代化、面向世界、面向未来D.必须与生产劳动相结合【答案】:B—1 —4.根据《中华人民共和国高等教育法》第十八条规定,高等教育由()和其他高等教育机构实施。
A.教育部B.地方政府C.教育主管部门D.高等学校【答案】:D5.教师在求知和传授知识和学问的过程中要做到严密谨慎、严格细致。
这就要求教师必须()。
A.与时俱进B.严谨治学C.理论联系实际D.实事求是【答案】:B6.荀况说:“师术有四,而博习不与焉。
尊严而惮,可以为师;蓍艾而信,可以为师;诵说而不陵不犯,可以为师;知微而论,可以为师。
”下列观点没有体现荀况的教师职业素养基本要求的是()。
A.身正为师B.专业为师C.品德为师D.经验为师【答案】:A7.不属于我国北宋时期"天下四大书院"的教学特色的是()A.自由讲学B.教学与研究相结合C.教师强调讲授法D.自由听讲【答案】:C8.高校课程的设置和组织超越以往对学科知识的系统性和逻辑性的过分强调,越来越重视与学生未来的工作和生活相联系这种倾向指的是()A.课程内容综合化B.课程方向人文化—2 —C.课程实施多样化D.课程性质职业化【答案】:D9.教育教学工作应当符合教育规律和学生身心发展的特点,面向全体学生,教书育人,将德育、智育、体育、美育等有机统一在教育教学活动中,注重培养学生(),促进学生的全面发展。
微火火炬面试题
一、事故火炬系统开车操作
1、确认开车机电仪条件具备,公用工程条件具备;
2、用N3置换全系统至合格,密封罐充原水至溢流;
3、打开LPG总阀,使发后表压力调至0.4Mpa,打开事故火炬长明灯LPG
阀;
4、实用新型点火器,打开LPG点火处阀,压力调至0.4Mpa,仪表空气阀压力调至0.2Mpa,确认点火器已送电,按下点火钮,几秒钟后确认火炬头长明灯着火。
5、在系统有工艺气送入时,事故火炬头已着火,关闭LPG阀,点火嘴自然
熄灭;
6控制好水封罐液位在正常工艺指标内;
7、控制好溢流水槽液位,防止溢流,及时排液。
二、清水离心泵的启动
开泵前的准备:
1.劳保穿戴(安全帽、工作服、鞋等),拿对讲机;
2.确认泵正常备用。
3.确认入口阀门、出口阀关闭。
4.检查泵地脚及各部螺栓是否紧固。
5.检查压力指针是否归零;是否灵活好用,在有效使用期限内。
检查泵的电源是否接通。
6.灌泵缓慢打开入口阀。
打开泵放空阀。
7.确认介质充满泵体。
8.关闭泵放空阀与中控联系做好盘车工作
9.开泵确认冷却水、润滑油正常,通电正常按启动按钮。
缓慢打开泵出口阀,调节出口流量。
泵出现异常情况立即停泵。
10.异常情况有:严重泄漏、异常声音、异常振动、有焦糊等异味、打火花、冒烟、着火、有危急运行和检修维护人员生命的现象发生。
完成后及时上报给中控,并做好记录。
一、简答题:1、螺杆压缩机主要由哪几部分组成?答:1)本体部分:电机、变速箱、联轴节、压缩机2)瓦斯进排系统:过滤器、单向阀、油气分离器3)润滑油系统:润滑油泵、润滑油冷却器、润滑油过滤器、润滑油分配器4)柴油循环系统:柴油冷却器、柴油过滤器5)循环水系统:润滑油冷却器循环水、柴油冷却器循环水2、气柜入口阀门连锁关闭的逻辑参数?(参考DCS实时更新数据)答:1)气柜压力大于3.5KPa2)气柜入口瓦斯温度大于65℃3)气柜活塞位置大于21.5m3、压缩机232-K-01A停车连锁参数?(参考DCS实时更新数据)答:1)气柜压力小于1KPa2) 压缩机出口压力大于0.7MPa3)压缩机润滑油总管压力3取2 小于200KPa4)压缩机出口温度大于100℃4、压缩机开机时补柴油操作法?(参考DCS实时更新数据)答:1)确认压缩机补柴油流程畅通,柴油箱液位足够2)开启补柴油泵3)启动压缩机,开启补柴油阀4)监控压缩机分液罐液位达到350㎜左右5)关压缩机补柴油阀、6)停补柴油泵5、瓦斯放空分液罐的作用是什么?答:分液罐的作用主要是将瓦斯中的凝液分离出来,防止瓦斯带液影响压缩机运行,同时凝液多会堵塞瓦斯管线,严重时会造成装置停产。
平时要注意检查,观察火炬燃烧情况,注意瓦斯管线的压力,发现异常必须及早做好排凝工作。
6、火炬燃烧时冒黑烟的处理方法?答:1)适当开大消烟蒸汽,使得蒸汽喷射带入的空气和放空油气混合更加充分,燃烧完全; 2)汇报中控室,联系相应装置减少排空量3)现象消除后,及时调小蒸汽量,既要保护好火炬头不被破坏,又要节省蒸汽。
7、火炬单元正常操作基本内容?(有变动的地方请参考新的内容)答:1)控制各分液罐液位在工艺卡片高度以内,连锁故障时,发现液位超高应及时开泵送走;2)检查水封罐水封高度,可调水封连通阀关闭时液位控制在900mm,可调水封连通阀打开时液位控制在550mm;固定水封罐补水控制在900mm;3)当放空油气排向火炬,火炬被点燃后,要及时打开蒸汽,进行助燃、消烟、雾化、冷却,调整到火炬燃烧正常,不冒黑烟,噪音最小为止;4)每月10、20、30号检查一次地面内传焰点火系统,高空自动点火系统同期试验。
8、压缩机开机的主要步骤?(内容简述可以扩充)答:1)确认压缩机出入口流程畅通,投用冷却水系统、润滑油系统、柴油循环系统;2)对压缩机盘车排凝,开出入口循环副线阀;3)中控启动润滑油泵,调整出口压力至工艺参数,运行不少于15分钟;4)确认压缩机停机连锁、润滑油泵连锁投用;5)中控对压缩机进行复位,启动补柴油泵,现场启动压缩机,全开补柴油阀,关闭出入口循环副线阀,分液罐液位到300mm左右停补柴油泵,关补柴油阀9、下火雨原因及其处理方法?现象:从火炬上喷射出来未燃尽的凝缩油液滴,像下雨一样,随风到处飘落原因:装置排放的油气带出液体成份太多;低瓦系统分液罐凝液未及时送走,气液分离效果不好;液体随气体被带到火炬筒顶部;处理:汇报调度,要求减少生产装置放空油气带出大量凝缩油;及时用泵送走分液罐内分离出的凝液;适当调节消烟蒸汽。
现象消除后,及时调整蒸汽量,既要保护好火炬头不被烧坏,又要节省蒸汽。
10、压缩机的吹扫步骤?(压缩机开停工检修步骤过程)(1)主要步骤:停止压缩机运转、对压缩机机体进行吹扫置换、加装盲板(2)具体操作步骤内操下达停止压缩机运转的指令,按照压缩机停机规程停止压缩机运转,联系电工对压缩机进行停电;开启机体排凝阀和压缩机分液罐排液阀确认排尽机体内凝液后关闭;将压缩机柴油补液阀和压缩机分液罐排液阀和副线阀关闭并切至手动状态;将润滑油泵切至手动状态并停电;确认关闭压缩机进、出口阀门;确认压缩机分液罐底部排凝阀关闭;关闭压缩机进口压力表阀门;在压缩机入口处连接氮气线对压缩机进行吹扫;通过控制压缩机机体排凝阀将瓦斯气置换至气柜;确认压缩机置换完毕,联系维保加装盲板;在压缩机进、出口阀门靠机体侧加装盲板;在压缩机分液罐排液阀和底部排液阀加装盲板;压缩机柴油补液阀处加装盲板;在压缩机机体排凝阀处加装盲板;在加装盲板处悬挂盲板牌;做好记录。
交付维保处理。
11、氮气紧急吹扫连锁说明?答题:当集合管温度>80℃(夏季80℃,冬季50℃,可手动设定)、或火炬水封罐后温度>80℃(夏季80℃,冬季50℃,可手动设定)、或火炬头防闷烧热电偶信号231-TT-0115>120℃、或火炬头防闷烧热电偶信号231-TT-0116>120℃、或火炬发出建立水封的信号时,打开火炬紧急氮气吹扫阀门;紧急氮气吹扫启动后,操作人员注意火炬气排放温度,当集合管温度、火炬水封罐后管道上温度和环境温度相差小于10℃、且1#火炬头防闷烧热电偶信号<80℃,延时30分钟后,自动关闭火炬紧急氮气吹扫阀。
【酸性气氮气紧急吹扫控制:酸性气火炬头防闷烧热电偶信号>120℃,打开酸性气水封罐上的氮气紧急吹扫。
紧急氮气吹扫启动后,操作人员注意酸性火炬气排放温度,当一期二期酸性气汇合后管道上温度和环境温度相差小于10℃、且酸性气火炬头防闷烧热电偶信号<80℃,延时30分钟后,自动关闭酸性气火炬紧急氮气吹扫阀】12、爆燃点火试验与地面爆燃点燃火炬操作步骤?(具体点火原理操作规程20-21页,高空点火分为现场和远程具体操作见操作规程291-292页)内操通知调度进行地面爆燃;1引风与气:打开地面点火器的净化风的管线总阀门,确认净化风的压力在0.15至0.17Mpa之间;打开地面点火器的燃料气管线的总阀门,确认燃料气的管线压力在0.13至0.15Mpa之间;引燃料气及仪表风至地面点火器。
2、试验打火器:将现场点火器X-01电源开关调到“ON”开的位置,确认电源指示灯红灯亮,按下点火电钮。
观察玻璃窥镜有电火花闪动。
3、地面爆燃试验:打开引爆管一组手阀,调整引爆管内的空气与干气混合比例,确认瓦斯气和净化风混合气体向火炬头排放3—5min,按下地面点火按钮,听到点火的爆燃声后,停止点火。
现场确认长明灯点燃。
检查相关阀门仪表是否正常。
【4、长明灯管线的置换,确认调节阀、流量计的上下游的阀门打开,打开火炬长明灯管线两组手阀,用瓦斯气贯通至火炬顶部排放。
确认DCS长明灯的温度大于100摄氏度。
】确认地面爆燃试验完成或者长明灯点燃,关闭净化风,燃料气手动总阀。
点火说明:强制点火程序:打开两台点火枪燃料气阀,所有点火器点火。
自动点火程序:根据某支长明灯信号打开相应的点火枪燃料气阀,相应的点火器点火。
点火过程:高压点火器点火保持5分钟,同时打开点火点火枪燃料气开关阀保持1分钟,再关闭阀门20秒,再打开阀门保持1分钟,再关闭阀门20秒,再打开阀门保持1分钟,再关闭阀门20秒,再打开阀门保持1分钟,最后关闭阀门,若仍未点燃长明灯,发出报警信号。
人工复位后重新进行点火。
13、1、2、3水封罐的撤建立顺序,连锁说明?(2#、3#、1#顺序,3#、1#、2#顺序同理)?每一种投用顺序,例如1#、2#、3#投用顺序,当达到一定条件时,先撤1#火炬水封,后启动1#火炬;若还不能满足需求,达到条件后就首先撤2#水封,然后启动2#火炬,两个火炬同时排放燃烧;仍不能满足排放需求,达到条件后撤3#水封,启动3#火炬,三个火炬同时排放燃烧。
投用顺序间可以定期或者定条件相互切换,只有当3个火炬水封全部建立完成后才能进行程序切换。
撤水封:当集合管的温度信号>60℃或集合管上的压力(三取一、取高值,下同)大于13KPa时,可调水封罐231-D-03连通阀打开,撤1#火炬水封阀组水封,关闭回收管线气动阀门,此时停止气柜回收,启动1#火炬排放燃烧;延时5分钟后,如果集合管上的压力大于13KPa时,可调水封罐231-D-04连通阀打开,撤2#火炬水封阀组水封,此时启动2#火炬排放燃烧;再延时5分钟后,如果集合管上的压力大于13KPa,可调水封罐231-D-12连通阀打开,撤3#火炬水封阀组水封,此时启动3#火炬排放燃烧。
(注意没有流量的关系)。
建水封控制:当集合管上的压力小于6.5KPa时,可调水封罐231-D-12连通阀关闭,建3#火炬水封阀组水封,此时3#火炬受水封阻隔停止排放;当3#火炬水封阀组水封液位>1500mm、并且集合管上的压力2小于5KPa时,可调水封罐231-D-04连通阀关闭,建2#火炬水封阀组水封,此时2#火炬受水封阻隔停止排放;当3#火炬水封阀组水封液位>1500mm、且2#火炬水封阀组水封液位>1500mm、且集合管上的压力小于3.5KPa、且集合管的温度信号<60℃时,延时1分钟关闭可调水封罐231-D-03连通阀,建1#火炬水封阀组水封,此时火炬排放均停止。
14、火炬放空装置有哪些?高压、低压分别说明?1、)为防止高压排放装置对低压排放装置排放的干扰,同时为避免设一套排放系统管径过大等问题,一期全厂放空管网设高压、低压及低低压三套碳氢可燃气排放管网。
二期炼油单设火炬气排放管网,根据二期炼油装置的火炬气排放情况,二期炼油设三套碳氢火炬气排放管网,分别为高压、低压及低低压。
高压排放管网背压0.4 MPaG,管径DN1200;低压排放管网背压0.15 MPaG,管径DN1600;低低压排放管网为催化裂化装置单设,背压为0.05 MPaG,管径DN1400.低压、低低压排放总管在火炬区汇成一根总管。
2、)放空管网分为高压、低压及低低压三套碳氢可燃气排放管网及酸性放空气管网。
高压管网背压为0.3MPa,管径为DN1400;低压管网背压0.13MPa,管径DN1700;低低压管网背压0.05MPa,管径DN800;酸性气管网背压0.07MPa,管径DN500。
3、)惠炼低压和低低压放空气共用一套碳氢火炬,高压放空气单用一套碳氢火炬,碳氢火炬筒体直径为DN1600,高度(包括火炬头)为150m;酸性放空气单用一套火炬,酸性气火炬筒体直径为DN500,高度为150m。
4、)高压放空气来自:高压加氢装置、酸性水气提装置、气体分馏装置、汽柴油加氢精制装置、制氢装置、芳烃联合装置、储运区(液化气、轻石脑、丙烯、气分原料)。
低压放空气来自:常减压蒸馏装置、中压加氢装置、高压加氢装置、焦化装置、甲基叔丁基醚(MTBE)装置汽柴油加氢精制装置、芳烃联合装置、烷基化装置低低压放空气来自催化裂化装置酸性放空气来自硫回收装置、储运区(液氨罐区、汽车气相返回线)15、火炬点火的条件?1#火炬长明灯不常燃模式下,当满足下列条件之一时:a 、投用顺序为1#、2#、3#时,集合管的温度信号>60℃、或集合管上的压力(三取一、取高值)大于13KPa、或装置故障紧急放空时(106、107、108、110、111、102、112)、或三台火炬气流量计之和>15t/h;b 、投用顺序为2#、3#、1#时,3#火炬有撤水封信号;c 、投用顺序为3#、1#、2#时,1#火炬有撤水封信号;打开1#火炬长明灯燃料气开关阀执行点火程序。