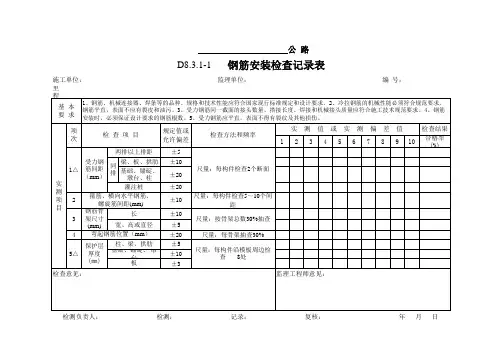
项 次
检查项目
规定值或 允许偏差
检查方法和频率
实测值或实测偏差值
检查结果
1 2 3 4 5 6 7 8 9 10 合格率
(%)
两排以上排距
±5
1△
受力钢 筋间距 (mm)
同 排
梁、板、拱肋
基础、锚碇、 墩台、柱
实 测 项2 目
灌注桩 箍筋、横向水平钢筋、
螺旋筋间距(mm)
钢筋骨
长
3 架尺寸 (mm)
宽、高或直径
4 弯起钢筋位置(mm)
±10 ±20 ±20 ±10
±10 ±5 ±20
尺量:每构件检查2个断面
尺量:每构件检查5~10个间 距
尺量:按骨架总数30%抽查 尺量:每骨架抽查30%
保护层 柱、梁、拱肋
5△ 厚度 基础、锚碇、 墩台
(㎜)
板
±5 ±10 ±3
ห้องสมุดไป่ตู้
尺量:每构件沿模板周边检 查 8处
公路
D8.3.1-1 钢筋安装检查记录表
施工单位:
监理单位:
编 号:
里程桩号:
工程部位:
分项工程名称:
所属分部工程名称:
基本 要求
1、钢筋、机械连接器、焊条等的品种、规格和技术性能应符合国家现行标准规定和设计要求。2、冷拉钢筋的机械性能必须符合规范要求, 钢筋平直,表面不应有裂皮和油污。3、受力钢筋同一截面的接头数量、搭接长度、焊接和机械接头质量应符合施工技术规范要求。4、钢筋 安装时,必须保证设计要求的钢筋根数。5、受力钢筋应平直,表面不得有裂纹及其他损伤。
检查意见:
监理工程师意见:
检测负责人:
检测:
记录:
复核:
年月日