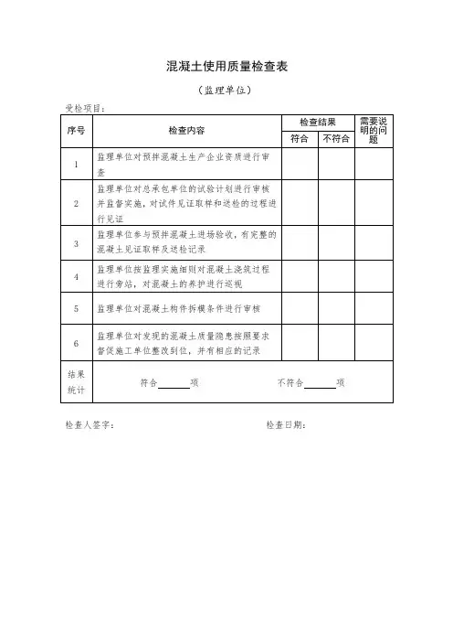
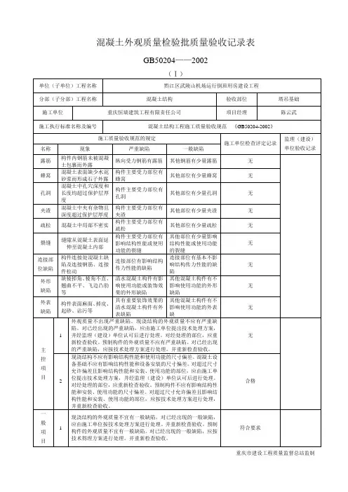
混凝土质量检查表
- 格式:doc
- 大小:44.00 KB
- 文档页数:2
混凝土防腐检验批施工质量验收表
工程信息
工程名称:[工程名称]
施工单位:[施工单位]
监理单位:[监理单位]
施工日期:[施工日期]
检验批信息
检验批编号:[检验批编号]
检验批日期:[检验批日期]
施工部位:[施工部位]
混凝土类别:[混凝土类别]
混凝土配合比:[混凝土配合比]
施工质量验收指标
防腐层厚度:______mm
防腐层附着力:______级
防腐层外观:______(合格/不合格)
防腐层颜色:______
防腐层压痕:______(合格/不合格)
防腐层密实性:______(合格/不合格)
验收结论
该批次施工质量验收结果如下:
防腐层厚度:______mm(合格/不合格)防腐层附着力:______级(合格/不合格)防腐层外观:______(合格/不合格)
防腐层颜色:______(合格/不合格)
防腐层压痕:______(合格/不合格)
防腐层密实性:______(合格/不合格)验收结论:该批次施工质量______。
验收单位
验收单位:[验收单位]
验收日期:[验收日期]
备注
备注内容]
以上为混凝土防腐检验批施工质量验收表。
注意:本文档仅供参考,具体验收标准以实际施工规范和监理要求为准。
混凝土工程自主质量检查表
备注:1、施工员按照轴线编号进行检查,检查项目按照各项目相应的图纸对照调整;按照检查日期注明养护的时间。
2、对于垂直度和位置偏差,对于一层务必进行检查,一旦发现偏差超出规范,要进行对下一层模板进行加强处理。
3、对于混凝土成型后的质量检查,其中水平方向、竖直方向、斜向检测完后,施工员务必标注在墙体上,以便今后复核使用。
4、对于斜屋面部分,坡度小于15度,可参考常规屋面做法;坡度大于15,小于30,混凝土要减小坍落度;坡度大于30度的情况下,需要采用双层模板进行制作,确保混凝土成型质量,并采取分层浇筑。
5、对于夏季、大风、冬季施工完混凝土,务必采用塑料薄膜进行保湿养护,冬季还需要采用保温养护。
混凝土施工检验批质量验收记录表.doc
混凝土施工检验批质量验收记录表
工程名称:(填写具体工程名称)
施工单位:(填写具体施工单位名称)
监理单位:(填写具体监理单位名称)
项目经理:(填写具体项目经理名称)
施工执行标准名称及编号:(填写具体施工执行标准名称及编号)
验收部位:(填写具体验收部位)
验收记录:
1.混凝土强度等级及试件的取样和留置
2.混凝土抗渗及试件取样和留置
3.原材料每盘称量的偏差
4.初凝时间控制
5.施工缝的位置和处理
6.后浇带的位置和浇筑
7.混凝土养护
施工单位检查评定记录:
1.施工单位检查评定结果
2.专业工长(施工员)
监理(建设)单位验收结论:
1.项目专业质量检查员:年月日
2.专业监理工程师:(建设单位项目专业技术负责人):年月日
美文欣赏
1.秋天虽然没有春天的花海,但是有秋菊的淡雅和硕果累累的收获。
秋天是甘美的酒,是壮丽的诗,也是动人的歌。
2.聪明的人懂得储蓄每一个闪光的瞬间,将它们酿成美好的回忆,珍藏一生。
3.春天来了,让我们将心灵放回远方,让梦想沐浴阳光,长出枝蔓,结出真爱的果实。
4.好好享受生活吧,只要心是温润的,再遥远的路也会走得安然。
愿阳光时时明媚,愿生活处处晴好。
混凝土挡土墙现场质量检验表混凝土挡土墙在施工现场的质量控制中扮演着重要的角色。
为了确保其质量,进行定期的质量检验是必不可少的。
以下是一份混凝土挡土墙现场质量检验表,以供参考。
1、施工前检查在施工前,应检查设计文件和施工图纸是否齐全、正确,是否存在冲突或不明确的地方。
同时,要确认施工队伍的技术能力和施工设备是否符合要求。
2、基础工程检查基础工程是挡土墙的重要组成部分,应检查基础的位置、深度、强度和稳定性是否符合设计要求。
基础的排水设施是否完善,以免水患对基础造成损害。
3、墙体检查挡土墙的墙体应坚固、稳定,表面应平整,无裂缝、变形或其他质量问题。
墙体的高度、宽度和厚度应符合设计要求,墙体材料的质量和配合比也应符合规范。
4、钢筋检查钢筋的质量和数量应符合设计要求,钢筋的连接和固定应牢固,以免在施工和使用过程中出现移位或松动。
同时,应检查钢筋的保护层厚度是否符合要求。
5、混凝土质量检查混凝土的配合比、强度和坍落度应符合设计要求和规范,混凝土的浇筑、振捣和养护应符合施工工艺要求。
混凝土表面应平整、光滑,无蜂窝、麻面和其他质量问题。
6、现场试验为了确保挡土墙的质量,应进行现场试验。
试验包括但不限于:墙体位移监测、土压力测试、钢筋应力测试等。
这些试验可以有效地监测挡土墙的工作状态,及时发现并解决潜在问题。
7、质量记录在整个施工过程中,应记录每一项质量检验的结果。
这些记录可以作为质量控制的依据,确保质量的可追溯性。
同时,也为验收提供了重要的依据。
8、验收与交付在挡土墙施工完成后,应进行全面的质量检查和验收。
验收应包括外观检查、结构稳定性检查、材料质量检查等。
如果检查结果符合设计和规范要求,可以交付使用。
同时,应提供相应的质量证明文件和技术资料。
9.维护与监测在挡土墙投入使用后,应定期进行维护和监测。
维护工作包括清除墙体的杂草、落叶等杂物,修补小面积的破损等。
监测工作主要是观察挡土墙的工作状态,定期检查位移、沉降等参数是否正常。