材料力学期末复习材料
- 格式:docx
- 大小:126.43 KB
- 文档页数:8
2024年上学期材料力学(考试)复习资料一、单项选择题1.钢材经过冷作硬化处理后其()基本不变(1 分)A.弹性模量;B.比例极限;C.延伸率;D.截面收缩率答案:A2.在下面这些关于梁的弯矩与变形间关系的说法中,()是正确的。
(1 分)A.弯矩为正的截面转角为正;B.弯矩最大的截面挠度最大;C.弯矩突变的截面转角也有突变;D.弯矩为零的截面曲率必为零。
答案:D3.在利用积分计算梁位移时,积分常数主要反映了:( ) (1 分)A.剪力对梁变形的影响;B.支承条件与连续条件对梁变形的影响;C.横截面形心沿梁轴方向的位移对梁变形的影响;D.对挠曲线微分方程误差的修正。
答案:B4.根据小变形条件,可以认为() (1 分)A.构件不变形;B.构件不变形;C.构件仅发生弹性变形;D.构件的变形远小于其原始尺寸答案:D5.火车运动时,其轮轴横截面边缘上危险点的应力有四种说法,正确的是。
(1 分)A.脉动循环应力;B.非对称的循环应力;C.不变的弯曲应力;D.对称循环应力答案:D6.在下列结论中()是错误的(1 分)A.若物体产生位移则必定同时产生变形;B.若物体各点均无位移则必定无变形;C.若物体产生变形则物体内总有一些点要产生位移;D.位移的大小取决于物体的变形和约束状态答案:B7.在下列三种力(1、支反力;2、自重;3、惯性力)中()属于外力(1 分)B.3和2;C.1和3;D.全部答案:D8.在一截面的任意点处若正应力ζ与剪应力η均不为零则正应力ζ与剪应力η的夹角为() (1 分)A.α=90;B.α=450;C.α=00;D.α为任意角答案:A9.拉压杆截面上的正应力公式ζ=N/A的主要应用条件是() (1 分)A.应力在比例极限以内;B.外力合力作用线必须重合于杆件轴线;C.轴力沿杆轴为常数;D.杆件必须为实心截面直杆答案:A10.构件的疲劳极限与构件的()无关。
(1 分)A.材料;B.变形形式;C.循环特性;D.最大应力。
判断题1、轴向拉压杆件任意斜截面上的内力作用线一定与杆件的轴线重合2、拉杆内只存在均匀分布的正应力,不存在切应力。
3、杆件在轴向拉压时最大正应力发生在横截面上4、杆件在轴向拉压时最大切应力发生在与轴线成45度角的斜截面上选择题1、杆件的受力和截面如图,下列说法中,正确的是。
A:σ 1>σ 2>σ3;C:σ 3>σ 1>σ2 B :σ 2>σ3>σ1D:σ 2>σ1>σ 32、设m-m的面积为A,那么P/ A代表A:横截面上正应力; B:斜截面上剪应力;C:斜截面上正应力; D:斜截面上应力。
3、设轴向拉伸杆横截面的正应力为σ,则45度斜截面上的正应力和切应力分别为。
A:σ /2 、σ;B:均为σ; C :σ、σ /2 ; D :均为σ /24、轴向拉压杆,与其轴线平行的纵向截面上。
A:正应力为零、切应力不为零; B :正应力不为零、切应力为零;C:正应力、切应力均不为零; D :正应力和切应力均为零。
答案:1. A ; 2. D ; 3.D; 4.D;判断题1.材料的延伸率与试件的尺寸有关2. 没有明显的屈服极限的塑性材料,可以将产生0.2 %应变时的应力作为屈服极限3. 构件失效时的极限应力是材料的强度极限选择题1.现有两种说法:①弹性变形中,σ - ε一定是线性关系②弹塑性变形中,σ- ε一定是非线性关系;哪种说法正确?A:①对②错; B :①对②对; C:①错②对;D:①错②错;2、进入屈服阶段以后,材料发生变形。
A:弹性; B:非线性; C:塑性; D:弹塑性;6、关于铸铁: A 抗剪能力比抗拉能力差; B 压缩强度7比、拉当伸低强碳度钢高试。
件的C试抗验剪应能力力σ比抗=σ压能s时力,高试。
件正将确的是。
A:完全失去承载能力; B :破断; C:发生局部颈缩现象; D :产生很大的塑性变形;8、低碳钢材料试件在拉伸试验中,经过冷作硬化后,以下四个指标中得到了提高。
材料力学期末复习题一、填空题(共15分)1、 (5分)一般钢材的弹性模量E = 210 GPa;铝材的弹性模量E = 70 GPa2、 (10分)图示实心圆锥杆受扭转外力偶作用,材料的剪切弹性模量为G ,该杆的τ1、(5(A )各向同性材料;(B )各向异性材料;(C)各向同性材料和各向异性材料。
(D 正确答案是 A 。
2、(5分)边长为d 的正方形截面杆(1)和(2)面,杆(2对于这两种情况的动荷系数d k 有下列结论:(A );)()(,)()(2max 1max 21d d d d k k σσ<< (B );)()(,)()(2max 1max 21d d d d k k σσ>< (C);)()(,)()(2max 1max 21d d d d k k σσ<> (D )2max 1max 21)()(,)()(d d d d k k σσ>>. 正确答案是 A 。
三、计算题(共75分)1、(25求:(1)直径比21/d d ; (2)扭转角比BC AB φφ/. 解:AC 轴的内力图:)(105);(10355Nm M Nm M BC AB ⨯=⨯=由最大剪应力相等: 8434.05/3/;16/1050016/10300321323313max==⨯=⨯==d d d d W M n n ππτ由;594.0)(213232;41221242411=••=•=⇒∴⋅=d d M M M d G d G a M GI l M n n n n BC AB P n ππφφφKNm2、(解:3、(15分)有一厚度为6mm 的钢板在板面的两个垂直方向受拉,拉应力分别为150Mpa 和55Mpa ,材料的E=2.1×105Mpa ,υ =0.25。
求钢板厚度的减小值。
解:钢板厚度的减小值应为横向应变所产生,该板受力后的应力状态为二向应力状态,由广义胡克定律知,其Z向应变为:0244.010)55150(101.225.0)(69-=⨯+⨯-=+-=y x z E σσνε则 mm t Z Z 146.0-=⨯=∆ε材料力学各章重点一、绪论1.各向同性假设认为,材料沿各个方向具有相同的 A 。
材料力学期末复习题判断题1、强度是构件抵抗破坏的能力。
()2、刚度是构件抵抗变形的能力。
()3、均匀性假设认为,材料内部各点的应变相同。
()4、稳定性是构件抵抗变形的能力。
()5、对于拉伸曲线上没有屈服平台的合金塑性材料,工程上规定2.0σ作为名义屈服极限,此时相对应的应变为2.0%=ε。
()6、工程上将延伸率δ≥10%的材料称为塑性材料。
()7、任何温度改变都会在结构中引起应变与应力。
()8、理论应力集中因数只与构件外形有关。
()9、任何情况下材料的弹性模量E都等于应力和应变的比值。
()10、求解超静定问题,需要综合考察结构的平衡、变形协调和物理三个方面。
()11、未知力个数多于独立的平衡方程数目,则仅由平衡方程无法确定全部未知力,这类问题称为超静定问题。
()12、矩形截面杆扭转变形时横截面上凸角处切应力为零。
()13、由切应力互等定理可知:相互垂直平面上的切应力总是大小相等。
()14、矩形截面梁横截面上最大切应力maxτ出现在中性轴各点。
()15、两梁的材料、长度、截面形状和尺寸完全相同,若它们的挠曲线相同,则受力相同。
()16、材料、长度、截面形状和尺寸完全相同的两根梁,当载荷相同,其变形和位移也相同。
()17、主应力是过一点处不同方向截面上正应力的极值。
()18、第四强度理论用于塑性材料的强度计算。
()19、第一强度理论只用于脆性材料的强度计算。
()20、有效应力集中因数只与构件外形有关。
()绪论1.各向同性假设认为,材料内部各点的()是相同的。
(A)力学性质;(B)外力;(C)变形;(D)位移。
2.根据小变形条件,可以认为( )。
(A)构件不变形;(B)构件不变形;(C)构件仅发生弹性变形;(D)构件的变形远小于其原始尺寸。
3.在一截面的任意点处,正应力σ与切应力τ的夹角( )。
(A)α=900;(B)α=450;(C)α=00;(D)α为任意角。
4.根据材料的主要性能作如下三个基本假设___________、___________、___________。
12材料力学一、填空1、图所示桁架中,水平杆看作刚性,三根竖杆长度相同,横截面积均为A ,材料相同,屈服极限为σy .当三杆均处于弹性阶段时,各杆轴力之比为N 1: N 2: N 3=5:2:-1.当三杆中有一杆开始屈服时,荷载P 的值为(1.5σy A ).2、一等截面圆直杆,长度为l ,直径为d ,材料的弹性模量为E ,轴向受压力P ,在弹性范围内,其最大切应力为(2P /πd 2),受载后的长度为(l -4lP /πEd 2),受载后的直径为( d +4μP /πEd ),杆件内的应变能为(2P 2l /πE d 2 )。
3、外径 D = 55 mm ,内径 d = 45 mm 的钢管,两端铰支,材料为 Q235钢,承受轴向压力 F 。
则能使用欧拉公式时压杆的最小长度是(1.78m ),当压杆长度为上述最小长度的4/5时,压杆的临界应力为(188.5kN )。
已知:E = 200 GPa ,σ p = 200 MPa ,σs = 240 MPa ,用直线公式时,a = 304 MPa , b =1.12 MPa 。
4、一等直圆杆,直径为d ,长度为l ,两端各作用一扭矩T ,材料的泊松比为μ,弹性模量为E 。
则两端面的相对转角为(64(1+μ)Tl /πEd 4),杆件内储存的应变能为(32(1+μ)T 2l /πEd 4 );又若两端各作用一弯矩M ,则按第三强度理论时,其危险点的相当应力为(22332M T d+π),按第四强度理论时,其危险点的相当应力为(22375.032M T d +π)。
6、矩形截面梁,材料的抗弯许用应力[σ]=8MPa ,梁内最大弯矩M max =24kNm ,梁截面的高宽比h /b =1.5.则梁宽b 应取( 20cm ).7、圆柱形蒸汽锅炉的外径为D ,内径为d ,壁厚为t ,若材料的许用应力为[σ].则锅炉能承受的最大内压力(工作压力)为(p=2[σ]t/d)。
材料力学期末复习总结材料力学是研究材料在外力作用下的变形与破坏行为的学科。
它是工程力学的一个重要分支,是工程技术领域中不可或缺的一门专业课程。
期末考试作为对学生掌握教材知识的一次综合性评估,理解材料力学的基本原理和方法是非常重要的。
以下是材料力学期末复习的总结,希望对大家复习备考有所帮助。
第一部分:弹性力学1.弹性力学基本概念弹性力学是研究物体在外力作用下发生弹性变形的学问。
弹性变形是指物体在受力作用下会发生形变,但在去除外力后又能恢复到原来的形状和大小。
(比如弹簧的拉伸和恢复、弹性材料的压缩和回弹等)2.基本假设弹性力学的基本假设有两个:胡克定律和平面应力假设。
胡克定律:弹性变形与应力成正比,即应力应变具有直线关系。
胡克定律可以用Hooke's Law表示:σ=Eε,其中σ为应力,E为弹性模量,ε为应变。
平面应力假设:在材料中,只发生一个平面上的应力。
3.弹性常数弹性常数是用来描述材料对外力作用下的响应情况的参数。
弹性常数有三个:弹性模量(Young's modulus),剪切模量(Shear modulus)和泊松比(Poisson's ratio)。
弹性模量描述材料受拉伸或压缩力作用下的应力应变关系,即E=σ/ε。
剪切模量描述材料受剪切力作用下的应力应变关系,即G=τ/γ。
泊松比描述材料在拉伸或压缩时沿垂直方向的应变与沿拉伸或压缩方向的应变之比,即ν=-ε_z/ε_x。
4.弹性体力学方程弹性体力学方程包括平衡方程、应力-应变关系和互斥条件。
平衡方程:ΣFx=0,ΣFy=0,ΣFz=0,ΣMx=0,ΣMy=0,ΣMz=0。
应力-应变关系:σ_xx=E(ε_xx - νε_yy - νε_zz),σ_yy=E(ε_yy - νε_xx - νε_zz),σ_zz=E(ε_zz - νε_xx -νε_yy)。
互斥条件:γ_xy=Gγ_xy,γ_yx=Gγ_yx,γ_xz=Gγ_xz,γ_zx=Gγ_zx,γ_yz=Gγ_yz,γ_zy=Gγ_zy。
材料力学I 期末复习资料一、判断题1. 弹性体静力学的任务是尽可能的保证构件的安全工作。
(Y )2. 作用在刚体上的力偶可以任意平移,但作用在弹性体上的力偶一般不能平移。
(Y )3. 若构件上的某一点的任何方向都无应变,则该点无位移。
(N )4. 切应变是变形后构件后构件内任意两条微线段之间夹角的变化量。
(N )5. 胡克定律适用于弹性变形范围内。
(Y )6. 材料的延伸率与试件的尺寸有关。
(Y )7. 一般情况下,脆性材料的安全系数要比塑性材料的大些。
(Y )8. 受扭圆轴的最大切应力出现在横截面上。
(Y )9. 受扭圆轴的最大拉应力的值和最大剪应力的值相等。
(N )10.受扭杆件的扭矩,仅与杆件受到的外力偶矩有关,而与杆件的材料及横截面积的大小、形状无关。
(N )11.平面图形对某轴的静矩等于零,则该轴比为此图形的对称轴。
. (N )12.在一组平行轴中,平面图形对心轴的惯性矩最小。
(Y )13.两梁的跨度、承受的载荷以及支撑都相同,但材料和横截面积不同,则它们的剪力图和弯矩图不一定相同。
(N )14.最大弯矩必然发生在剪力为零的横截面上。
(N )15.若在结构对称的梁上,作用有反对称载荷,则该梁具有对称的剪力图和反对称的弯矩图。
(Y )16.控制梁弯曲强度的主要因素是最大弯矩值。
(N )17.在等截面梁中,正应力绝对值的最大值︱σ︱max比出现在弯矩值︱M︱max最大截面上。
(N )18.梁上弯矩最大的截面,挠度也最大;弯矩为零的截面,转角也为零。
(N )19.平面弯矩梁的挠曲线必定是一条与外力作用面重合或平行的平面曲线。
(Y )20.有正应力作用的方向上,必有线应变;没有正应力作用的方向上,必无线应变。
(N )21.脆性材料不会发生塑性屈服破坏,塑性材料不会发生脆性断裂破坏。
(N )22.纯剪切单元体属于单向应力状态。
(N )23.脆性材料的破坏形式一定是脆性断裂。
(N )24.材料的破坏形式由材料的种类和所处的应力状态而定。
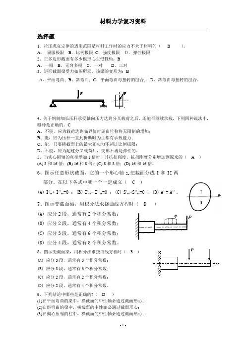
选择题1.拉压虎克定律的适用范围是材料工作时的应力不大于材料的( B )。
A . 屈服极限 B .比例极限 C .强度极限 D.弹性极限 2、正多边形截面有多少根形心主惯性轴:B A 、一根 B 、无穷多根 C 、一对 D 、三对 3、矩形截面梁受力如图所示,该梁的变形为:BA 、平面弯曲;B 、斜弯曲;C 、平面弯曲与扭转的组合;D 、斜弯曲与扭转的组合。
4、关于钢制细长压杆承受轴向压力达到分叉载荷之后,还能否继续承载,下列四种说法中,哪种是正确的:CA 、不能,应为载荷达到临界值时屈曲位移将无限制的增加;B 、能,应为压杆一直到折断时为止都有承载能力;C 、能,只要横截面上的最大正应力不超过比例极限;D 、不能,应为超过分叉载荷后,变形不再是弹性的。
5、当实心圆轴的直径增加1倍时,其抗扭强度、抗扭刚度分别增加到原来的( A ) (A) 8和16倍;(B) 16和8倍;(C) 8和8倍;(D) 16和16倍。
6、图示任意形状截面,它的一个形心轴z c 把截面分成I 和II 两部分。
在以下各式中哪一个一定成立( C )(A) I I zc + I II zc =0 ;(B) I I zc - I II zc =0 ;(C) S I zc +S II zc =0 ;(D) A I = A II 。
7、图示变截面梁,用积分法求挠曲线方程时( D ) (A) 应分2段,通常有2个积分常数; (B) 应分2段,通常有4个积分常数; (C) 应分3段,通常有6个积分常数; (D) 应分4段,通常有8个积分常数。
8、图示变截面梁,用积分法求挠曲线方程时( B ) (A) 应分3段,通常有3个积分常数; (B) 应分3段,通常有6个积分常数; (C) 应分2段,通常有2个积分常数;(D)应分2段,通常有4个积分常数。
9、下列结论中哪些是正确的?(D )(1)在平面弯曲的梁中,横截面的中性轴必通过截面形心; (2)在斜弯曲的梁中,横截面的中性轴必通过截面形心; (3)在偏心压缩的柱中,横截面的中性轴必通过截面形心;(4)在拉弯组合变形的杆中,横截面上可能没有中性轴。
材料力学期末复习材料力学是材料科学与工程中的一门重要课程,是研究物质的内在性质和外部力作用下的力学行为的一门学科。
本篇文章将围绕材料力学的基本概念、应力应变关系、弹性力学、塑性力学等内容进行复习和总结。
一、基本概念与应力应变关系1.应力与应变:应力是指物体内部单位面积上的力,通常用σ表示,应变是物体在受力作用下产生的形变,通常用ε表示。
2.线弹性与面弹性:线弹性是指材料在受力下产生的形变与受力成正比,面弹性是指材料在受力下产生的形变与受力成正比,但仅限于弹性区域。
3.胡克定律:弹性力学中,材料的应力与应变之间存在线性关系,即胡克定律,可以用数学表达为σ=Eε,其中E为弹性模量。
4.拉伸与压缩:拉伸是指物体在外力作用下呈现线向延长的形变,压缩是指物体在外力作用下呈现线向缩短的形变。
二、弹性力学1.杨氏模量:杨氏模量是一个衡量材料抗拉强度和刚性的物理量,可以表示为E=σ/ε。
2.泊松比:泊松比是描述材料在拉伸或压缩过程中横向收缩或伸长程度的物理量,可以用v表示,其计算公式为v=ε横向/ε纵向。
3.弹性极限:材料的弹性极限是指在一定温度下,材料仍然可以恢复原状的最大应力值。
4.弹性延伸量和弹性压缩量:弹性延伸量和弹性压缩量是指材料受到拉伸或压缩时,在弹性变形阶段产生的形变量。
三、塑性力学1.破坏应变:在材料的塑性变形中,当应力超过一定临界值时,材料将发生不可逆的塑性形变,这一临界值称为破坏应变。
2.屈服点和屈服应力:屈服点是指材料开始发生塑性变形的那个点,屈服应力是指达到屈服点时的应力值。
3.塑性延伸量和塑性压缩量:塑性延伸量和塑性压缩量是指材料在塑性变形过程中产生的不可逆形变量。
4.强度和刚度:强度是指材料抵抗变形和破坏的能力,刚度是指材料抵抗变形的能力。
综上所述,材料力学是材料科学与工程中的一门重要课程,涉及到材料的基本概念、应力应变关系、弹性力学和塑性力学等内容。
在复习过程中,我们应该重点掌握材料的应力应变关系、弹性力学与塑性力学的基本原理和应用,以及材料的强度和刚度等知识点。
材料力学复习资料(总17页)--本页仅作为文档封面,使用时请直接删除即可----内页可以根据需求调整合适字体及大小--材料力学复习一一、选择题1. 图中所示三角形微单元体,已知两个直角截面上的切应力为0τ,则斜边截面上的正应力σ和切应力τ分别为 。
A 、00,στττ==;B 、0,0σττ==;C 、00,στττ=-=;D 、0,0σττ=-=。
2.构件中危险点的应力状态如图所示,材料为低碳钢,许用应力为[]σ,正确的强度条件是 。
A 、[]σσ≤;B 、[]στσ+≤;C 、[],[][]/2σσττσ≤≤=;D []σ≤。
3. 受扭圆轴,当横截面上的扭矩不变而直径减小一半时,该横截面上的最大切应力原来的最大切应力是 。
A 、2倍B 、4倍C 、6倍D 、8倍4. 两根材料相同、抗弯刚度相同的悬臂梁I 、II 如图示,下列结论中正确的是 。
梁和II 梁的最大挠度相同 梁的最大挠度是I 梁的2倍 梁的最大挠度是I 梁的4倍 梁的最大挠度是I 梁的1/2倍P题1-4 图5. 现有两种压杆,一为中长杆,另一为细长杆。
在计算压杆临界载荷时,如中长杆误用细长杆公式,而细长杆误用中长杆公式,其后果是 。
A 、两杆都安全; B 、两杆都不安全;C 、中长杆不安全,细长杆安全;D 、中长杆安全,细长杆不安全。
6. 关于压杆临界力的大小,说法正确的答案是 A 与压杆所承受的轴向压力大小有关; B 与压杆的柔度大小有关;C 与压杆所承受的轴向压力大小有关;D 与压杆的柔度大小无关。
4545题 1-1 图二、计算题(共5题,共70分)1、如图所示矩形截面梁AB ,在中性层点K 处,沿着与x 轴成45方向上贴有一电阻应变片,在载荷F 作用下测得此处的应变值为6451025.3-︒⨯-=ε。
已知200E GPa =,0.3μ=,求梁上的载荷F 的值。
2.(16分)圆杆AB 受力如图所示,已知直径40d mm =,112F kN =,20.8F kN =,屈服应力240s MPa σ=,安全系数2n =。
《材料力学》习题答案复习学习材料试题与参考答案一、单选题1.三轮汽车转向架圆轴有一盲孔(图a),受弯曲交变应力作用,经常发生疲劳断裂后将盲孔改为通孔(图b),提高了疲劳强度。
其原因有四种答案,正确答案是(A)。
A.提高应力集中系数B.降低应力集中系数C.提高尺寸系数D.降低尺寸系数2.非对称的薄壁截面梁承受横向力时,若要求梁只产生平面弯曲而不发生扭转,则横向力作用的条件是(D)A.作用面与形心主惯性平面重合B.作用面与形心主惯性平面平行C.通过弯曲中心的任意平面D.通过弯曲中心,且平行于形心主惯性平面3.对剪力和弯矩的关系,下列说法正确的是(C)A.同一段梁上,剪力为正,弯矩也必为正B.同一段梁上,剪力为正,弯矩必为负C.同一段梁上,弯矩的正负不能由剪力唯一确定D.剪力为零处,弯矩也必为零4.单位长度扭转角与(C)无关。
A.杆的长度B.扭矩C.材料性质D.截面几何性质5. 描述构件上一截面变形前后的夹角叫(B)A.线位移B.转角C.线应变D.角应变6.梁发生平面弯曲时,其横截面绕(A)旋转。
A.梁的轴线B.截面对称轴C.中性轴D.截面形心7. 梁在集中力偶作用的截面处,它的内力图为(C)A.Q图有突变,M图无变化B.Q图有突变,M图有转折C.M图有突变,Q图无变化D.M图有突变,Q图有转折8. 塑性材料的名义屈服应力使用(D)A.σS表示B.σb表示C.σp表示D.σ0.2表示9.等截面直梁在弯曲变形时,挠曲线曲率最大发生在(D)处。
A.挠度最大B.转角最大C.剪力最大D.弯矩最大10.在单元体的主平面上(D)。
A.正应力一定最大B.正应力一定为零C.剪应力一定最小D.剪应力一定为零11. 圆截面杆受扭转作用,横截面任意一点(除圆心)的切应力方向(B)A.平行于该点与圆心连线B.垂直于该点与圆心连线C.不平行于该点与圆心连线D.不垂直于该点与圆心连线12.滚珠轴承中,滚珠和外圆接触点处的应力状态是(C)应力状态。
材料力学期末复习材料内部编号:(YUUT-TBBY-MMUT-URRUY-UOOY-DBUYI-0128)复习题一、填空题1. 杆件的四种基本受力和变形形式为: 轴向拉伸(压缩) 、 剪切 、 扭转 和 弯曲。
2.在所有方向上均有相同的物理和力学性能的材料,称为 各向同性材料 。
3.应用假想截面将弹性体截开,分成两部分,考虑其中任意一部分平衡,从而确定横截面上内力的方法,称为 截面法 。
4.作用线垂直于截面的应力称为 正应力 ;作用线位于截面内的应力称为 剪应力 。
5.在平面弯曲的情形下,垂直于梁轴线方向的位移称为 挠度 ,横截面绕中性轴的转动称为 转角。
6.小挠度微分方程的公式是__。
7.小挠度微分方程微分方程只有在 小挠度 、 弹性 范围内才能使用。
8.过一点所有方向面上应力的集合,称为这一点的 应力状态 。
9.对于没有明显屈服阶段的塑性材料,通常产生取产生%_塑性变形所对应的应力值作为屈服应力,称为 条件屈服应力 ,用以_σ 表示。
10.设计构件时,不但要满足__强度__,刚度和__稳定性__要求,还必须尽可能地合理选择材料和降低材料的消耗量。
11.大量实验结果表明,无论应力状态多么复杂,材料在常温、静载作用下主要发生两种形式的强度失效:一种是 屈服 ,另一种是 断裂 。
12.结构构件、机器的零件或部件在压缩载荷或其他载荷作用下,在某一位置保持平衡,这一平衡位置称为 平衡构形 或 平衡状态 。
EIMdx w d ±=2213.GI p 称为圆轴的__扭转刚度__,它反映圆轴的__抗扭转__能力。
14.根据长细比的大小可将压杆分为 细长杆 、 中长杆 和 粗短杆 。
15.图示梁在CD 段的变形称为__纯弯曲__,此段内力情况为 _弯矩__。
16.为使图示梁在自由端C 处的转角为零,则m =____________,自由端挠度ωC =____________。
17.某点的应力状态如图,则主应力为:σ1=____________,σ3=____________。
18.判断一根压杆属于细长杆、中长杆还是短粗杆时,须全面考虑压杆的___ ___、 ___ __、___ ___、__ ___。
19.设单元体的主应力为321σσσ、、,则单元体只有体积改变而无形状改变的条件是( ) ;单元体只有形状改变而无体积改变的条件是( ) 且321,,σσσ不同时为( )。
20.低碳钢圆截面试件受扭时,沿( ) 截面破坏;铸铁圆截面试件受扭时,沿( ) 面破坏。
21.任意平面图形对其形心轴的静矩等于___________。
二、选择题1.一点的应力状态如右图所示,则其主应力σ1,σ2,σ3 分别为( )A. 30Mpa ,50Mpa ,100MPaB. 50Mpa ,30Mpa ,-50MPaC. 50Mpa ,0,-50MPaD. -50Mpa ,30Mpa , 50MPa2.下面有关强度理论的几种叙述,正确的是( )A. 需模拟实际应力状态逐一进行实验,确定极限应力;B. 无需进行实验,只需关于材料破坏原因的假说;C. 需要进行实验,无需关于材料破坏原因的假说;D. 假设材料破坏的共同原因,同时,需要简单实验结果。
3.对于图示的应力状态,如果测出X ,Y 方向的线应变,可以确定的的材料弹性常数有( )A. 弹性模量E ,横向变形系数v ;B. 弹性模量E ,剪切弹性模量G ;C. 剪切弹性模量G ,横向变形系数v ;D. 弹性模量E ,横向变形系数v ,剪切弹性模量G 。
4.)]1(2[υ+=E G 适用于下述哪种情况( )A. 各向同性材料;B. 各向异性材料;C. 各向同性材料和各向异性材料;D. 正交各向异性。
5.判断下列结论,哪一种说法是正确的( )(A )杆件某截面上的内力是该截面上应力的代数和; (B )杆件某截面上的应力是该截面上内力的平均值; (C )应力是内力的集度; (D )内力必大于应力。
6.脆性材料具有以下哪种力学性质( )(A ) 试件拉伸过程中出现屈服现象; (B ) 压缩强度极限比拉伸强度极限大得多; (C ) 抗冲击性能比塑性材料好;(D ) 若构件因开孔造成应力集中现象,对强度无明显影响。
7.广义胡克定律适用范围,对应下列哪种答案( )(A )脆性材料; (B )塑性材料; (C )材料为各向同性,且处于线弹性范围内; (D )任何材料。
8.如图所示,变截面杆受集中力P 作用。
设F 1,F 2和F 3分别表示杆件中截面1-1,2-2和3-3上沿轴线方向的内力值,则下列结论中哪个是正确的( ) =F 2=F 3=F 2≠3 ≠F 2=F 3 ≠F 2≠F 39.图示铆钉联接,铆钉的挤压应力σbs是()(πd2) 2dt 2bt (πd2)10.图示梁,C截面的剪力Fsc 和弯矩Mc为()=ql/2,Mc =0 =0,Mc=ql2/8=0,Mc =–ql2/8 =ql/2,Mc=ql2/411.一梁拟用图示两种方式搁置,则两种情况下的最大应力之比(σmax )a/(σmax)b为()4 1664(a) (b)12.图示四根压杆的材料与横截面均相同,试判断哪一根最容易失稳。
答案:()13.危险截面是()所在的截面。
A.最大面积;B.最小面积;C.最大应力;D.最大内力。
14.偏心拉伸(压缩)实质上是()的组合变形。
A.两个平面弯曲;B.轴向拉伸(压缩)与平面弯曲;C.轴向拉伸(压缩)与剪切;D.平面弯曲与扭转。
15.微元体应力状态如图示,其所对应的应力圆有如图示四种,正确的是()。
16.几何尺寸、支承条件及受力完全相同,但材料不同的二梁,其()。
A. 应力相同,变形不同;B. 应力不同,变形相同;C. 应力与变形均相同;D. 应力与变形均不同;17.两端铰支的圆截面压杆,长1m,直径50mm。
其柔度为()。
;;;。
18.外径为D,内径为d的空心圆截面,其抗扭截面系数等于;A、316PDWπ=B、331616PD dWππ=-C、344116PD dWDπ⎛⎫=-⎪⎝⎭ D、344132PD dWDπ⎛⎫=-⎪⎝⎭19.提高梁的抗弯刚度,可通过()来实现。
A. 选择优质材料B. 合理安排梁的支座,减小梁的跨长C. 减少梁上作用的载荷D. 选择合理截面形状三、简答题1).低碳钢拉伸时的应力-应变曲线如图所示。
试描述低碳钢拉伸过程的四个阶段。
Ⅰ阶段线弹性阶段拉伸初期应力—应变曲线为一直线,此阶段应力最高限称为材料的比例极限.Ⅱ阶段屈服阶段当应力增加至一定值时,应力—应变曲线出现水平线段(有微小波动),在此阶段内,应力几乎不变,而变形却急剧增长,材料失去抵抗变形的能力,这种现象称屈服,相应的应力称为屈服应力或屈服极限,并用σs表示。
Ⅲ阶段 为强化阶段,经过屈服后,材料又增强了抵抗变形的能力。
强化阶段的最高点所对应的应力,称材料的强度极限。
用σb 表示,强度极限是材料所能承受的最大应力。
Ⅳ阶段 为颈缩阶段。
当应力增至最大值σb 后,试件的某一局部显着收缩,最后在缩颈处断裂。
对于四种强度理论,请写出强度条件中的相当应力的函数式。
写出三类压杆临界应力的计算公式,并画出临界应力总图。
2).某机构的连杆直径d=240 mm 。
承受最大轴向外力F=3780KN ,连杆材料的许用应力[σ]=90 MPa ,若连杆为矩形截面,高与宽之比b h =,设计连杆的尺寸H 和b 。
会画出图示各杆的轴力图。
会画应力园,并用应力园解题。
会求静矩和惯性矩。
会画剪力图和弯矩图。
四、计算题1.下图水平梁为工字型钢,Wz=49×103mm 3。
B 点由钢制圆杆竖直悬挂,已知竖直圆杆直径d=20mm ,梁和杆的许用应力均为[σ]=160Mpa 。
试求许可均布载荷。
2.已知作用在变截面钢轴上的外力偶矩m 1=·m ,m 2=·m 。
试求最大剪应力和两端面间相对扭转角。
材料的G =80MPa 。
形截面外伸梁受力如图所示,已知截面对中性轴(z)的惯性矩I z =4×107mm 4,y 1=140mm ,y 2=60mm ,试求梁中横截面上的最大拉应力,并指明其所在位置。
4.如图10所示立柱,由两根型号为20的槽钢组成,该材料的200,200p a aMP E GP σ==,2284847.6310, 2.8610,382010,53610Z y Z y i m i m I m I m ----=⨯=⨯=⨯=⨯,试求该立柱的临界载荷。
解:①、计算柔度:848438201053610Z y I m I m --=⨯>=⨯,所以y 绕轴失稳 y Pλλ>,所以该杆为大柔度杆②、按照欧拉公式计算临界载荷5.有一试件,其危险点处单元体的应力情况如右下图所示。
已知材料的许用应力[]50MPa σ=:(1) 试求出主应力的大小,主平面的位置,并在在单元体上绘出主平面位置及主应力方向;(2) 求出最大切应力;(3) 试采用第三强度理论校核其强度。
题四图 主平面位置解:(1) 求主应力。
将28MPa,24MP ,0x xy y a στσ==-=代入主应力公式得(2) 最大切应力max 27.78MPa τ== (3) 强度校核: 31341.8(13.8)55.6MPa []50MPa r σσσσ=-=--=>= 故强度不够。