压力溶气气浮系统的设计
- 格式:ppt
- 大小:1.83 MB
- 文档页数:44
溶气气浮设计计算一、溶气气浮设计计算的背景与目的溶气气浮(Dissolved Air Flotation,DAF)是一种常用的水处理技术,广泛应用于工业和生活污水处理、水源净化等领域。
其基本原理是利用气体溶解在水中形成微细气泡,通过气泡与污染物颗粒的附着和升浮来实现水的净化和固液分离。
溶气气浮设备的设计计算是确保其正常运行和高效处理水体的关键。
1. 溶气器尺寸:溶气器是将气体溶解在水中形成气泡的关键设备,其尺寸直接影响气泡的产生量和尺寸。
根据处理水量和水质要求,可以通过气泡量计算得到溶气器的尺寸。
2. 溶气器气水比:气水比是指气体与水的比例,通常用于描述气泡的产生量和尺寸。
气水比的选取应结合处理水质、溶气器类型和处理水量等因素进行综合考虑,一般在0.02~0.05之间。
3. 溶气器压力:溶气器内的气体压力是气泡产生的重要条件,通过调节气体压力可以控制气泡的尺寸和产生量。
溶气器压力的选取应根据水质要求和气泡尺寸的需求进行合理确定。
4. 气泡升浮速度:气泡升浮速度是衡量溶气气浮设备处理效率的重要指标,通过合理的设计计算可以控制气泡的升浮速度,以保证污染物颗粒与气泡的接触时间和接触机会,提高固液分离效果。
三、溶气气浮设计计算的步骤1. 确定处理水量和水质要求:根据实际情况确定需要处理的水量和水质要求,包括悬浮物浓度、COD(化学需氧量)浓度、浊度等指标。
2. 计算气泡量:根据处理水量和水质要求,结合经验数据或试验结果,计算得到所需的气泡量。
3. 确定溶气器尺寸:根据计算得到的气泡量,选择合适的溶气器尺寸,通常以气泡产生器的直径或面积来表示。
4. 选择气水比:根据处理水质、溶气器类型和处理水量等因素,选择合适的气水比,一般在0.02~0.05之间。
5. 确定溶气器压力:根据水质要求和气泡尺寸的需求,确定溶气器内的气体压力。
6. 设计气泡升浮速度:根据处理水质和气泡尺寸,设计合适的气泡升浮速度,以保证固液分离效果。
一、实验目的1. 掌握气浮静水方法的原理。
2. 了解气浮工艺流程及运行操作。
3. 分析实验过程中各参数对气浮效果的影响。
4. 探讨加压溶气气浮技术在废水处理中的应用前景。
二、实验原理加压溶气气浮法(Pressure Dissolved-Air Flotation,简称PD-AF)是一种固-液或液-液分离技术。
其原理是:在加压条件下,空气在水中的溶解度增大,通过加压泵将空气注入水中,形成过饱和的溶气水。
当溶气水进入气浮池后,压力骤然降低,溶解的空气迅速释放,形成大量微细气泡。
这些气泡附着在悬浮颗粒表面,使颗粒密度减小,从而上浮到水面,实现固液分离。
三、实验设备与材料1. 实验装置:加压泵、溶气罐、气浮池、空气压缩机、流量计、温度计、pH计等。
2. 实验材料:废水、絮凝剂、加压泵、溶气罐、气浮池等。
四、实验步骤1. 将废水样品加入气浮池中,加入适量的絮凝剂,搅拌均匀。
2. 启动加压泵,将空气注入溶气罐中,形成过饱和的溶气水。
3. 将溶气水通过释放器进入气浮池,调节气浮池中的压力,使气泡释放。
4. 观察气泡的形成和悬浮颗粒的上浮情况。
5. 记录实验过程中各参数的变化,如气泡直径、上浮速度、表面负荷等。
6. 分析实验结果,探讨加压溶气气浮技术在废水处理中的应用前景。
五、实验结果与分析1. 气泡直径:实验结果表明,加压溶气气浮法产生的气泡直径在10-100μm之间,符合实验要求。
2. 上浮速度:实验结果表明,悬浮颗粒在上浮过程中,上浮速度与气泡直径、表面负荷等因素有关。
随着气泡直径的减小和表面负荷的增加,上浮速度逐渐提高。
3. 表面负荷:实验结果表明,表面负荷与气泡直径、上浮速度等因素有关。
当表面负荷过大时,气泡容易聚集成团,影响上浮效果。
4. 废水处理效果:实验结果表明,加压溶气气浮法对废水中的悬浮颗粒、乳化油等污染物具有较好的去除效果。
六、结论1. 加压溶气气浮法是一种有效的固-液或液-液分离技术,具有操作简单、处理效果好等优点。
部分加压溶气气浮池的设计计算
部分加压溶气气浮池的设计计算主要涉及以下几个方面:池体尺
寸计算、气溶解装置计算、气量计算以及溶气效率计算。
1. 池体尺寸计算:首先需要确定处理污水流量Q和污水浓度C,然后根据污水处理的要求和经验数据,计算出池体的有效水深H和池
体单位水面积A。
设定污水停留时间t,可以计算出池体总体积
V=T*Q/t,其中T为设计时段。
2. 气溶解装置计算:气溶解装置是将气体均匀分布到污水中以
实现溶气的过程,可采用气水混合装置、曝气管或喷气系统等。
根据
污水处理工艺和气液负荷计算,确定装置的尺寸和数量。
3. 气量计算:根据所需溶气效果和污水特性,计算出单位体积
污水需要的气体量,一般以毫克氧气/升污水或毫克气体/升污水表示。
然后根据处理污水流量和所需气体量,计算出总的气体量。
4. 溶气效率计算:溶气效率指的是气体在单位时间内溶解到污
水中的效果。
根据溶气过程中的气液接触方式(例如气泡大小、气液
接触时间等因素),可以计算出溶气效率。
设计计算结果应根据具体情况进行验证和修正。
气浮法是进行固液分离的一种方法。
它常被用来分离密度小于或接近于“1”、难以用重力自然沉降法去除的悬浮颗粒。
是一种很重要的水质净化单元过程。
例如,从天然水中去除藻、细小的胶体杂质,从工业污水中分离短纤维、石油微滴等。
有时还用以去除溶解性污染物,如表面活性物质、放射性物质等。
由于悬浮颗粒的性质如浓度、微气泡的数量和直径等多种因素都对气浮效率有影响,因此,气浮处理系统的设计运行参数常要通过试验确定。
按产生气泡的方式分溶气气浮、充气气浮、电解气浮等。
8.1 实验目的1. 进一步了解和掌握气浮净水方法的原理及其工艺流程;2. 掌握气浮实验系统及设备,掌握压力溶气气浮的实验方法,通过实施气浮实验认识从废水中去除悬浮物的方法;3. 学习参数“气固比”及“释气量”的基本概念,实验技术和计算方法。
4. 考察在设计中需要确定哪些工艺装置参数和工艺运行参数,认识参数对去除效果的影响; 5. 认识实施“共聚气浮”时混凝剂添加对去除效果的影响,掌握根据技术经济要求,确定适宜的混凝剂投加剂量。
8.2 实验原理压力溶气气浮法是指用水泵将清水(或气浮处理的水)抽送到压力为0.2~0.4MPa 的溶气罐中,同时注入加压空气。
空气在罐内溶解于加压的水中,然后使经过溶气的水通过减压阀进入气浮池,此时由于压力突然降低至0.1MPa (常压),溶解于污水中的空气便以微气泡形式从水中释放出来。
微细的气泡在上升的过程中附着于悬浮颗粒上,使颗粒密度减小,上浮到气浮表面与液体分离。
压力溶气气浮工艺通常有三种形式:(a )全部废水加压溶气气浮,(b )部分废水加压溶气气浮,(c )部分处理过的废水加压溶气回流气浮,如图8-1所示 (a )全溶气流程,全部入流废水进入溶气罐加压溶气。
再经过减压释放进入气浮池;特点是:溶气量大,电耗大,气浮池小,溶气罐大,脆弱絮体易破碎。
(b )部分溶气流程,废水进行分流,取部分入流加压溶气,其余部分直接进入气浮池;特点是:比(a )节能,絮体打碎情况较少,溶气罐小,但溶气量少。
气浮工艺及加压溶气气浮的原理与设计要点气浮工艺是一种将气体注入废水中,通过气体和水的密度差异以及气泡与悬浮物质粒子的附着作用,使悬浮物质在水中迅速升浮,从而达到净化水体的目的的一种工艺方法。
气浮工艺可以分为气浮浮选、高效气浮、电气一体化气浮、加压气浮等,其中加压溶气气浮是气浮工艺的一种改进版本。
加压溶气气浮的原理是在溶解气浮池中,通过加压的方式将气体(通常是空气)通过溶气装置溶解到水中,形成大量的微小气泡。
然后将含有微小气泡的饱和溶气水通过水泵加压注入废水池中,使溶解气体突然减压,气泡在废水中迅速脱溶,产生大量微小气泡。
这些气泡在水中形成浮力,并对悬浮物质粒子产生吸附作用,使其迅速升浮到水表并形成浮渣。
通过浮渣的刮除和排除,从而达到废水净化的目的。
加压溶气气浮的设计要点如下:1.溶气装置设计:溶解气体的装置需要具备较高的气体溶解效率。
常用的溶气装置包括溶气鼓风机、溶气泵等。
选择适当的溶气装置,能够有效地将气体溶解到水中。
2.加压注水系统设计:加压注水系统需要能够将含有溶气水的水泵将水注入到废水池中,并能够准确控制注水流量和压力。
注水系统要具备较高的稳定性和调节性,以满足不同水质和处理效果的要求。
3.气浮装置设计:气浮池内部的结构和布置需要能够提供充足、均匀的气泡和悬浮物质的接触区域,并能够有效地收集和排除浮渣。
常用的气浮装置包括气浮池、浮渣刮板机、清污装置等。
4.控制系统设计:加压溶气气浮的控制系统需要能够准确控制气体溶解、加压注水和浮渣刮槽的操作。
控制系统需要能够实时监测水质和处理效果,并能够根据不同的工况和要求进行自动调整和控制。
5.安全保护装置设计:加压溶气气浮工艺需要具备一些安全装置,以防止压力异常、水质状况不良等情况的发生。
常用的安全装置包括过压保护装置、水位控制装置、流量控制装置等。
6.运行和维护管理设计:加压溶气气浮装置的运行和维护管理需要进行规范和有效的管理。
包括定期检查设备运行情况、清洗和维护设备、及时更换易损件等。
2.1 压力溶气系统包括压力溶气罐、空压机、水泵及其附属设备2.1.1 溶气系统占整个气浮过程能量消耗的50%,溶气罐价值占工厂总基建投资的12%,因此优化溶气系统的设计对缩小气浮操作费用是很重要的;溶气罐多为园筒形,立式布置,容积按废水停留时间25~3min计算,罐中可装设有隔板,瓷环之类,也有用空罐的;因为溶气罐内水、气相混合,所以一般按压力容器进行设计,罐顶设自动排气阀或罐底设自动减压阀平衡压力,罐内压力一般控制在0.45MPa左右为宜,据此可以确定提升泵、回流泵和空压机的参数;在国外的设计资料和文献中,认为气水停留时间越长,溶气效率越高;这样就使得溶气罐的体积显得庞大,停留时间有时长达3~5min;国内的研究证实了液膜阻力控制着溶气速率,认为停留时间越长,溶气效果越好的观念不符合实际,因此国内设计参数不同于国外,是以预定的溶气效率为设计指标,以液相过流密度和液相总容量传质系数为参数;所有研究都表明有填充床的溶气罐比没有填充床的有效,其效率最高可达到99%,但在实际运行中,经常需对溶气罐进行内部检查,因而在很多溶气气浮工艺中常选用没有填充床的系统,而且大部分无填充床的溶气罐常配有内部的或外部的喷射器以提高溶气效率;第一种是泵前进气,流程图见图3;当空气吸入量小于空气在该温度下水中的饱和度时,由水泵压水管引出一支管返回吸水管,在支管上安装水力喷射器,废水经过水力喷射器时造成负压,将空气吸入与废水混合后,经吸水管、水泵送入溶气罐;这种方式省去了空压机,气水混合效果好,但水泵必须采用自引方式进水,而且要保持lm以上的水头,其最大吸气量不能大于水泵吸水量的10%,否则,水泵工作不稳定,破坏了水泵应当具有的真空度,会产生气蚀现象;第二种是泵后进气,流程图见图4;当空气吸入量大于空气在该温度下水中的饱和度时,空气通过空压机在水泵的出水管压入,但也不宜大于水泵吸水量的25% ;这种方法使水泵工作稳定,而且不必要求在正压下工作,但需要由空气压缩机供给空气;为了保证良好的溶气效果,溶气罐的容积也比较大,一般需采用较复杂的填充式溶气罐; 2.1.3 空气注入量的调节是浮选操作的另一关键因素,一般随选择的溶气压力或回流比而变;实验也表明出水质量仅依赖于引入系统的空气总量气泡尺寸一致时,而与单独压力或回流比无关;要根据污水水质、浮选混凝剂和减压释放器的类型经反复实践而定;2.1.4溶气罐内水位高低是影响气浮效果的重要因素;水们南宁市,缩小了水气接触部分的窖,溶气效果不好;水位太低则缺乏必要的缓冲水深,气体会穿过水层进入气浮设备形成大气泡,气浮效果也不佳;推荐水位控制在罐内1/3~1/4左右;2.1.5 溶气罐内的压力是影响气量的重要因素;一般情况下,压力高,则溶气多,在空压机加气方式中,溶气罐内的压力是由空压机气压和水泵共同决定的;在正运转时,首先要保证足够的水压,但水压和气压又要基本相当;在采用水射器加气的方式中,保证溶气罐压力的关键是采用合适的水泵,一般水泵压力应在保证额定流量的前提下大于0.3Mpa,溶气罐压力调整可通过调节溶气罐出水阀、水泵出水阀、回流控制阀进行;2.1.6根据中华人民共和国国家标准室外排水设计规范第8.2.7条溶气罐的设计应符合下列要求:一、溶气罐工作压力宜采用300~500kPa约为3~5kgf/cm2;二、空气量以体积计,可按污水量5~10%计算;三、污水在溶气罐内停留时间应根据罐的型式确定,一般宜为1~4min,罐内应有促进气水充分混合的措施;四、采用部分回流的溶气罐宜选用动态式,并应有水位控制措施;2.1.7有应用中提到,增加一个精密空气稳流器,它的作用是使空气在进入溶气罐的喷头前,确保压力平稳、均一;回流比是指,当采用部分回流溶气气浮法时,进入溶气罐加压溶气的回流水量与处理水量的比值;回流比一般为废水的25%~50%;但当污水水质较差,且污水水量不大时,可适当加大回流比,以保证出水水质;2.2 溶气释放系统主要是释放头释放器是该系统的关键装置,它对气泡形成的大小、分布以及对气浮净水效果和运行费用均有明显影响;目前被采用的释放器的释气效率可达99.2%;2.2.1 以前的研究认为,释气泡的大小与溶气压力有关,低压时形成大气泡居多,不利于气浮;国内最新研究认为:溶气水在减压消能时气泡的释放规律与气泡在静水中的状况不同;低压时大气泡的出现归咎于释放器不良所致;除了要释放出大量稳定的微小气泡,关键是要如何防止堵塞;目前国内外采用不同类型的释放器,有简单阀门式、针型阀式以及专用释放器专利;溶气释放器的专利产品很多,其中效果较好的一般都有以下特点:在喷嘴处有一个瞬间的压降;在释放器的入口处水流方向会突然改变常为90°;释放器口径不超过2.5mm,水在释放器中的停留时间<1.5ms;离开释放器的水流速度逐渐变小;离开释放器的水体会与其前面一挡板发生撞击;任何释放器都不可能只产生微气泡,而一般是产生直径在40~70μm之间的气泡,一些大气泡的产生是不可避免的,尽管这些大气泡的存在会降低系统的运行效率;2.2.2 根据中华人民共和国国家标准室外排水设计规范第8.2.8条溶气释放器的选用应根据含油污水水质、处理流程和释放器性能确定;2.3 气浮分离系统气浮池构件气浮分离系统的功能是确保一定容积来完成微气泡群与水中杂质的充分混合、接触、粘附以及带气絮粒与清水的分离;2.3.1为了提高气浮的处理效果,往往向废水中加入混凝剂或气浮剂,投加量因水质不同而异,一般由试验确定;对于铝类絮凝剂,通过提高搅拌强度均可使出水浊度进一步降低;为保证浮选混凝剂的混凝作用,浮选池进水端宜设静态管道混合器和反应室,反应室有效容积约按废水进水量与回流量的和停留时间10分钟计算,一般分为三间,迷宫式布置,且每间设搅拌机提高混凝效果,每间中的速度梯度常常是相同的;絮凝池也即反应室设计最好提供活塞流状态紊流堆动状态,可以确保较好的气浮效果;2.3.2 溶气气浮池的最大建议尺寸可达145m2,相应的产水能力为2900~4350m3/ h,单位面积的产水能力至少提高了一倍;溶气气浮池的深度从1.5m增加到5.0m,且池型由长方形向正方形发展,长宽比在1.2~2:1之间;目前运行良好的溶气气浮池的长度最大可达12m,但宽度被限制为8.5m,这主要是因为机械刮渣机的最大跨度为8.5m;污水在气浮池内的停留时间一般取30~40min,工作水深为15~25m,长宽比不小于4,表面负荷5~10m3/m2•h;若停留时间太短,水流的冲击力大,浮选罐中的污水牌较强的紊流状态,这样不但不利于气泡与絮体的粘附,反而会将部分已粘附在气泡上的絮体打碎;另外,由于紊流和较短的反应时间,而使投加的部分混凝剂未反应完全时就随出水流出,致使出水中悬浮固体的去除率降低,甚至出现负增长的趋势;2.3.3 气浮池分2个区:接触区和分离区;2.3.3.1 设计接触区时,要注意控制絮凝水的上升流速,避免短流、偏流,不致在上浮过程中被水流剪脱已粘附的气泡而影响后续分离效果;通常情况下接触区的上升流速以控制在10~20mm/s为宜,高度以1.5~2.0m为宜,在这种流速和高度下,既保证了絮粒和微气泡的接触时间,又不会造成絮粒因上浮时间过长而破坏或下沉;合理地布置释放器,使释放水的作用范围遍及全区,能充分、及时地使微气泡下絮粒接触;2.3.3.2 分离区选择分离速度时,应有利于带气絮粒上浮;对于絮粒大、密度小、不易破碎的带气絮粒一般采取较大的分离速度,反之取较小值;分离区的流速宜在1~3mm/s,流速过小会造成大絮粒因拥挤而沉淀,流速过大会造成带气絮粒和清水的分界面向下延伸,从而造成絮粒随水流出、水质下降;对浓度大、浮渣多,在固液分离时形成拥挤上浮现象的应减小上浮速度,否则浮渣层太厚会造成落渣,或因分离区容积过小而影响分离效果;选取集水系统时,尽可能做到集水均匀,不让上浮较慢的细小带气絮粒流出池外;为此,应避免短流、快部滞流、碰壁回流等不良现象出现;当溶气气浮池的水力负荷>10 m3/m2•h时,很容易出现气浮出水携带气泡进入后续滤池的情况,气泡会存在于滤池的上层;虽然有人发现滤池中气泡的存在会有利于水中颗粒的去除,但是它会导致滤池水头损失的急剧升高,从而使滤池运行周期显著缩短,因此应该避免滤池进水中气泡的存在,所以在大幅度提高溶气气浮池水力负荷的同时,必须设置脱气系统具体内容见附录2以保证工艺的正常运行;安装简易,灵巧的刮渣设备,以便刮渣时不致扰动浮渣层而产生落渣,影响出水水质; 2.3.4 国内外气浮池的设计参数变化范围很大,我国主要采用以下参数:接触区:停留时间> 2.0min表面负荷率36~72 m3/m2•h分离区:表面负荷率7.2~10.8 m3/m2•h 2.3.5 根据中华人民共和国国家标准室外排水设计规范第8.2.9条气浮池可采用矩形或圆形;矩形气浮池的设计应符合下列要求:一、气浮池应设置反应段,反应时间宜为10~15min;二、每格池宽不应大于4.5m,长宽比宜为3~4;三、有效水深宜为2.0~2.5m,超高不应小于0.4m;四、污水在气浮池分离段停留时间不宜大于1.0h;五、污水在池内的水平流速不宜大于10mm/s;六、气浮池端部应设置集沫槽;七.池内应设刮沫机,刮沫机的移动速度宜为1~5m/min;正交试验分析得出:回流比、混凝剂投加量和浮选罐池的有效停留时间这三个主要参数对气浮效果影响大小的主次关系是:回流比>混凝剂投加量>浮选罐池的有效停留时间;溶气罐与气浮池之间的回流水输送管道要短,压力损失要小,从而防止空气从超饱和的水中逸出;水温降低对溶气气浮效果有不利的影响;。
溶气系统气浮装置设计参数的选定文章来源:蓝白蓝网 2010-08-11 15:04溶气系统是气浮装置的重要组成部分。
溶气系统包括水泵、空压机、压力溶气罐(管)及其它附属设备。
其中压力溶液气罐(管)是影响溶气效率的关键设备。
回流比和需气量是关系到溶气系统合理性和气浮装置正常运行的关键参数。
1、气固比a s的确定确定回流比和需气量,首先要确定气固比。
气固比就是溶气水中经减压释放的溶解空气总量与原水带人的悬浮固体总量的比值。
气固比的选用涉及到设备、动力及出水水质等诸多因素。
合适的气固比应该达到释气量足以浮起原水中的全部悬浮物的要求。
具体计算过程见下式。
a s=V a K t(ηP-P0)Q r/(SSQ)式中:V a——空气的溶量,g/L;K t——溶解系数(20℃时,Kt=0.024);η——加压溶气系统的溶气效率(较高的为80%~90%);P——溶气压强,绝对压强,Pa;P0——大气压强,绝对压强,Pa;Q r—加压溶气水量,m3/h;SS——水中悬浮物颗粒的含量,mg/L(造纸白水一般为1000mg/L);Q——污水水量,m3/h。
气固比的确定有两种方法:①试验法,根据所需处理水的水质和水量,参照相应的水质标准进行可行性试验,选取或测定出a s;②经验选取法,a s的典型经验选取范围在0.005-0.06。
2、回流量Q r的确定当气固比a s确定后,由上式可得出:Q r=a s SSQ/[V a K t(ηP-P0)]3、需气量V的确定根据亨利定律,推导出需气量V的公式为:V=S l K(ηP—P0)Q r×10-3/V式中:V——需气量,m3/h;S l——空气裕量系数;K——标况下空气的溶解度,29.3mg/L。
由以上推理,可以得出以下计算顺序:由出水SS的要求和出渣含固率的要求确定a s,由原水SS的含量和溶气水溶气压力确定回流比,由亨利定律确定需气量。
加压溶气气浮工程方案一、前言随着工业化进程的不断推进和人们对环境保护的日益重视,水处理工程也成为了一个备受关注的问题。
其中,气浮工程是一种常见的水处理方法,通过向水中注气,使悬浮物浮在水面上,然后进行分离处理。
而加压溶气气浮工程则是对传统气浮工程的升级和优化,其能够更高效地去除水中目标物质,达到更好的处理效果。
本文将就加压溶气气浮工程进行详细介绍,包括工程原理、设计方案、设备选型等内容。
二、加压溶气气浮工程原理1. 加压溶气气浮的原理加压溶气气浮是利用气体的溶解性与压力成正比关系的基本物理特性,通过向水中注气、将气体在高压情况下溶解到水中,使得水中的气体浓度增加,然后通过突然减压的方式释放气体,从而产生微小气泡,水和目标物质则一定程度地被吸附在气泡表面,使得它们一起浮到水表,最后通过物理和化学方法进一步分离处理。
2. 加压溶气气浮的优势(1)高效:相较于传统气浮工程,加压溶气气浮利用高浓度的气体使得气泡更加微小,能够更好地吸附水中的悬浮物质,从而更高效地进行处理。
(2)节能:加压溶气气浮能够在较低的气体用量下达到较好的处理效果,节约了能源成本。
(3)生产成本低:通过减少处理时间、提高效率和节约成本,加压溶气气浮工程使得生产成本得到了较大的降低。
(4)适用范围广:加压溶气气浮不受水质、水量等因素的限制,可广泛应用于污水处理、环保工程等领域。
三、加压溶气气浮工程设计方案1. 工程概述加压溶气气浮工程主要包括水处理厂房选址、工艺流程设计和设备选型等。
根据水质情况、处理量等,需要综合考虑工程的实际情况进行设计。
2. 厂房选址厂房选址应根据水处理工程的实际需求,选择离水源近、周围无臭味、噪音的场地,且保证排放和处理的安全性。
3. 工艺流程设计加压溶气气浮工程的工艺流程包括预处理、溶气、气浮、沉淀过程等。
通过对原水的预处理,将水中的杂质去除,再在高压条件下注气、释放气体,最后进行气浮与沉淀的过程,达到处理水的目的。
第一章设计任务书设计题目加压溶气气浮设备的设计(平流式)设计资料某工厂污水工程拟用气浮设备代替二沉池,经气浮实验取得以下参数:溶气水采用金花后处理水进行部分回流,回流比,气浮池内接触时间为5min,溶气罐内停留时间为3min,分离时间为15min,溶气罐压力为,气固比,温度30℃。
设计水量780m3/d。
第二章设计说明与计算书设计原理及方案选择2.1.1设计原理气浮过程中,细微气泡首先与水中的悬浮粒子相粘附,形成整体密度小于水的“气泡——颗粒”复合体,使悬浮粒子随气泡一起浮升到水面。
由此可见,实现气浮分力必须具备以下三个基本条件:一是必须在水中产生足够数量的细微气泡;二是必须使待分离的污染物形成不溶性的固态或液态悬浮体;三是必须使气泡能够与悬浮粒子相粘附。
气浮法的净水效果,只有在获得直径微小、密度大、均匀性好的大量细微气泡的情况下,才能得到良好的气浮效果。
1)气泡直径气泡直径愈小,其分散度愈高,对水中悬浮粒子的粘附能力和粘附量也就愈大。
2)气泡密度气泡密度是指单位体积释气水中所含微气泡的个数,它决定气泡与悬浮粒子碰撞的机率。
由于气泡密度与气泡直径的3次方成反比,因此,在用气压受到限制的条件下,增大气泡密度的主要途径是缩小气泡直径。
3)气泡的均匀性气泡均匀性的含义,一是指最大气泡与最小气泡的直径差;二是指小直径气泡占气泡总量的比例。
大气泡数量的增多会造成两种不利影响:一是使气泡密度和表面积大幅度减小,气泡与悬浮粒子的粘附性能和粘附量相应降低;二是大气泡上浮时会造成剧烈的水力扰动,不仅加剧了气泡之间的兼并,而且由此产生的惯性撞击力会将已粘附的气泡撞开。
4)气泡稳定时间气泡稳定时间,是将容器水注入1000ml量筒,从满刻度起到乳白色气泡消失为止的历时。
优良的释放器释放的气泡稳定时间应在4min以上。
溶气利用率,是指能同悬浮粒子发生粘附的气泡量占溶解空气量的百分比。
常规压力溶气气浮的容器利用率通常不超过20%,其原因在于释放的空气大部分以大直径的无效气泡逸散。
溶气气浮的分类及设计原理溶气气浮DAF是气浮的一种,它利用水在不同压力下溶解度不同的特性,对全部或部分待处理或处理后的水进行加压并加气,增加水的空气溶解量,通入加过混凝剂的水中,在常压情况下释放,空气析出形成小气泡,粘附在杂质絮粒上,造成絮粒整体密度小于水而上升,从而使固液分离;溶气气浮DAF适用于处理低浊度、高色度、高有机物含量、低含油量、低表面活性物质含量或具有富藻的水;相对于其它的气浮方式详见附录1,它具有水力负荷高,池体紧凑等优点;但是它的工艺复杂,电能消耗较大,空压机的噪音大等缺点也限制着它的应用;1 分类type根据不同的划分原则,DAF可以有不同的分类;1.1 根据气泡从水中析出时所处压力的不同,可分为真空式气浮法与压力溶气气浮法两种;前者利用抽真空的方法在常压或加压下溶解空气,然后在负压下释放微气泡,供气浮使用;后者是在加压情况下,使空气强制溶于水中,然后突然减压,使溶解的气体从水中释放出来,以微气泡形式粘附上絮粒,一起上浮;1.1.1 真空式气浮池,虽然能耗低,气泡形成和气泡与絮粒的粘附较稳定;但气泡释放量受限制;而且,一切设备部件,都要密封在气浮池内;气浮池的构造复杂;只适用于处理污染物浓度不高的废水不高于3 00mg/l,因此实际应用不多;1.1.2 压力溶气气浮法是目前国内外最常采用的方法,可选择的基本流程有全流程溶气气浮法、部分溶气气浮法和部分回流溶气气浮法三种;1.1.2.1 全流程溶气气浮法全流程溶气气浮法是将全部废水用水泵加压,在溶气罐内,空气溶解于废水中,然后通过减压阀将废水送入气浮池;流程图见图1;它的特点是:①溶气量大,增加了油粒或悬浮颗粒与气泡的接触机会;②在处理水量相同的条件下,它较部分回流溶气气浮法所需的气浮池小;③全部废水经过压力泵,所需的压力泵和溶气罐均较其他两种流程大,因此投资和运转动力消耗较大;1.1.2.2 部分溶气气浮法部分溶气气浮法是取部分废水加压和溶气,其余废水直接进入气浮池并在气浮池中与溶气废水混合;它的特点是:①与全流程溶气气浮法所需的压力泵小,因此动力消耗低;②气浮池的大小与全流程溶气气浮法相同,但较部分回流溶气气浮法小;1.1.2.3 部分回流溶气气浮法部分回流溶气气浮法是取一部分处理后的水回流,回流水加压和溶气,减压后进入气浮池,与来自絮凝池的含油废水混合和气浮,流程见图2;它的特点是:①加压的水量少,动力消耗省;②气浮过程中不促进乳化;③矾花形成好,后絮凝也少;④气浮池的容积较前两种流程大;现代气浮理论认为:部分回流加压溶气气浮节约能源,能充分利用浮选混凝剂,处理效果优于全加压溶气气浮流程;而回流比为50%时处理效果最佳,所以部分回流回流比50%加压溶气气浮工艺是目前国内外最常采用的气浮法;图2 部分回流溶气气浮法流程图1.2根据气浮池中微气泡污泥层床有无过滤作用及水的不同流态分为:早期DAF、普通DAF和紊流DAF;具体内容见附录32 设计原理design principalDAF一般设置在生物处理单元之前,物理处理单元之后,习惯上将其归为物理处理单元;若设为两级浮选,为了方便节约,平面布置时常将一、二级浮选池并列,一、二级浮选池是约有500mm左右的液位差保证污水从一级浮选池流动到二级浮选池,而取消提升泵达到节能效果;体现在竖向布置上,即在设计、施工时必须严格控制刮渣机拖架板、可调节堰和除渣槽顶的标高,这一点非常重要,是关键因素之一,否则会严重影响气浮效果泡沫层无法用机械方法撇除,这也正是必须采用可调节出水堰的原因所在;图2 两级浮选池工艺流程图DAF主要由空气饱和设备也称压力溶气系统、空气释放设备也称溶气释放系统和气浮池也称气浮分离系统等组成;目前,溶气气浮工艺的设计和最佳操作的确定,需要依靠中试和经验;以下,根据各种应用中总结出的经验,分别介绍各个组成部分的设计原理;2.1压力溶气系统包括压力溶气罐、空压机、水泵及其附属设备2.1.1 溶气系统占整个气浮过程能量消耗的50%,溶气罐价值占工厂总基建投资的12%,因此优化溶气系统的设计对缩小气浮操作费用是很重要的;溶气罐多为园筒形,立式布置,容积按废水停留时间25~3min计算,罐中可装设有隔板,瓷环之类,也有用空罐的;因为溶气罐内水、气相混合,所以一般按压力容器进行设计,罐顶设自动排气阀或罐底设自动减压阀平衡压力,罐内压力一般控制在左右为宜,据此可以确定提升泵、回流泵和空压机的参数;在国外的设计资料和文献中,认为气水停留时间越长,溶气效率越高;这样就使得溶气罐的体积显得庞大,停留时间有时长达3~5min;国内的研究证实了液膜阻力控制着溶气速率,认为停留时间越长,溶气效果越好的观念不符合实际,因此国内设计参数不同于国外,是以预定的溶气效率为设计指标,以液相过流密度和液相总容量传质系数为参数;所有研究都表明有填充床的溶气罐比没有填充床的有效,其效率最高可达到99%,但在实际运行中,经常需对溶气罐进行内部检查,因而在很多溶气气浮工艺中常选用没有填充床的系统,而且大部分无填充床的溶气罐常配有内部的或外部的喷射器以提高溶气效率;2.1.2 加压溶气法有两种进气方式,即泵前进气和泵后进气;第一种是泵前进气,流程图见图3;当空气吸入量小于空气在该温度下水中的饱和度时,由水泵压水管引出一支管返回吸水管,在支管上安装水力喷射器,废水经过水力喷射器时造成负压,将空气吸入与废水混合后,经吸水管、水泵送入溶气罐;这种方式省去了空压机,气水混合效果好,但水泵必须采用自引方式进水,而且要保持lm以上的水头,其最大吸气量不能大于水泵吸水量的10%,否则,水泵工作不稳定,破坏了水泵应当具有的真空度,会产生气蚀现象;第二种是泵后进气,流程图见图4;当空气吸入量大于空气在该温度下水中的饱和度时,空气通过空压机在水泵的出水管压入,但也不宜大于水泵吸水量的25%;这种方法使水泵工作稳定,而且不必要求在正压下工作,但需要由空气压缩机供给空气;为了保证良好的溶气效果,溶气罐的容积也比较大,一般需采用较复杂的填充式溶气罐;图3 泵前进气流程图图 4 泵后进气流程图2.1.3 空气注入量的调节是浮选操作的另一关键因素,一般随选择的溶气压力或回流比而变;实验也表明出水质量仅依赖于引入系统的空气总量气泡尺寸一致时,而与单独压力或回流比无关;要根据污水水质、浮选混凝剂和减压释放器的类型经反复实践而定;2.1.4溶气罐内水位高低是影响气浮效果的重要因素;水们南宁市,缩小了水气接触部分的窖,溶气效果不好;水位太低则缺乏必要的缓冲水深,气体会穿过水层进入气浮设备形成大气泡,气浮效果也不佳;推荐水位控制在罐内1/3~1/4左右;2.1.5 溶气罐内的压力是影响气量的重要因素;一般情况下,压力高,则溶气多,在空压机加气方式中,溶气罐内的压力是由空压机气压和水泵共同决定的;在正运转时,首先要保证足够的水压,但水压和气压又要基本相当;在采用水射器加气的方式中,保证溶气罐压力的关键是采用合适的水泵,一般水泵压力应在保证额定流量的前提下大于,溶气罐压力调整可通过调节溶气罐出水阀、水泵出水阀、回流控制阀进行;一、溶气罐工作压力宜采用300~500kPa约为3~5kgf/cm2;二、空气量以体积计,可按污水量5~10%计算;三、污水在溶气罐内停留时间应根据罐的型式确定,一般宜为1~4min,罐内应有促进气水充分混合的措施;四、采用部分回流的溶气罐宜选用动态式,并应有水位控制措施;2.1.7有应用中提到,增加一个精密空气稳流器,它的作用是使空气在进入溶气罐的喷头前,确保压力平稳、均一;回流比是指,当采用部分回流溶气气浮法时,进入溶气罐加压溶气的回流水量与处理水量的比值;回流比一般为废水的25%~50%;但当污水水质较差,且污水水量不大时,可适当加大回流比,以保证出水水质; 2.2溶气释放系统主要是释放头释放器是该系统的关键装置,它对气泡形成的大小、分布以及对气浮净水效果和运行费用均有明显影响;目前被采用的释放器的释气效率可达%;2.2.1 以前的研究认为,释气泡的大小与溶气压力有关,低压时形成大气泡居多,不利于气浮;国内最新研究认为:溶气水在减压消能时气泡的释放规律与气泡在静水中的状况不同;低压时大气泡的出现归咎于释放器不良所致;除了要释放出大量稳定的微小气泡,关键是要如何防止堵塞;目前国内外采用不同类型的释放器,有简单阀门式、针型阀式以及专用释放器专利;溶气释放器的专利产品很多,其中效果较好的一般都有以下特点:在喷嘴处有一个瞬间的压降;在释放器的入口处水流方向会突然改变常为90°;释放器口径不超过,水在释放器中的停留时间<;离开释放器的水流速度逐渐变小;离开释放器的水体会与其前面一挡板发生撞击;任何释放器都不可能只产生微气泡,而一般是产生直径在40~70μm之间的气泡,一些大气泡的产生是不可避免的,尽管这些大气泡的存在会降低系统的运行效率;2.3气浮分离系统气浮池构件气浮分离系统的功能是确保一定容积来完成微气泡群与水中杂质的充分混合、接触、粘附以及带气絮粒与清水的分离;2.3.1为了提高气浮的处理效果,往往向废水中加入混凝剂或气浮剂,投加量因水质不同而异,一般由试验确定;对于铝类絮凝剂,通过提高搅拌强度均可使出水浊度进一步降低;为保证浮选混凝剂的混凝作用,浮选池进水端宜设静态管道混合器和反应室,反应室有效容积约按废水进水量与回流量的和停留时间10分钟计算,一般分为三间,迷宫式布置,且每间设搅拌机提高混凝效果,每间中的速度梯度常常是相同的;絮凝池也即反应室设计最好提供活塞流状态紊流堆动状态,可以确保较好的气浮效果;2.3.2 溶气气浮池的最大建议尺寸可达145m2,相应的产水能力为2900~4350m3/ h,单位面积的产水能力至少提高了一倍;溶气气浮池的深度从增加到,且池型由长方形向正方形发展,长宽比在~2:1之间;目前运行良好的溶气气浮池的长度最大可达12m,但宽度被限制为,这主要是因为机械刮渣机的最大跨度为;污水在气浮池内的停留时间一般取30~40min,工作水深为15~25m,长宽比不小于4,表面负荷5~10m3/ m2h;若停留时间太短,水流的冲击力大,浮选罐中的污水牌较强的紊流状态,这样不但不利于气泡与絮体的粘附,反而会将部分已粘附在气泡上的絮体打碎;另外,由于紊流和较短的反应时间,而使投加的部分混凝剂未反应完全时就随出水流出,致使出水中悬浮固体的去除率降低,甚至出现负增长的趋势;2.3.3 气浮池分2个区:接触区和分离区;2.3.3.1 设计接触区时,要注意控制絮凝水的上升流速,避免短流、偏流,不致在上浮过程中被水流剪脱已粘附的气泡而影响后续分离效果;通常情况下接触区的上升流速以控制在10~20mm/s为宜,高度以~为宜,在这种流速和高度下,既保证了絮粒和微气泡的接触时间,又不会造成絮粒因上浮时间过长而破坏或下沉;合理地布置释放器,使释放水的作用范围遍及全区,能充分、及时地使微气泡下絮粒接触;2.3.3.2 分离区选择分离速度时,应有利于带气絮粒上浮;对于絮粒大、密度小、不易破碎的带气絮粒一般采取较大的分离速度,反之取较小值;分离区的流速宜在1~3mm/s,流速过小会造成大絮粒因拥挤而沉淀,流速过大会造成带气絮粒和清水的分界面向下延伸,从而造成絮粒随水流出、水质下降;对浓度大、浮渣多,在固液分离时形成拥挤上浮现象的应减小上浮速度,否则浮渣层太厚会造成落渣,或因分离区容积过小而影响分离效果;选取集水系统时,尽可能做到集水均匀,不让上浮较慢的细小带气絮粒流出池外;为此,应避免短流、快部滞流、碰壁回流等不良现象出现;当溶气气浮池的水力负荷>10 m3/m2h时,很容易出现气浮出水携带气泡进入后续滤池的情况,气泡会存在于滤池的上层;虽然有人发现滤池中气泡的存在会有利于水中颗粒的去除,但是它会导致滤池水头损失的急剧升高,从而使滤池运行周期显着缩短,因此应该避免滤池进水中气泡的存在,所以在大幅度提高溶气气浮池水力负荷的同时,必须设置脱气系统具体内容见附录2以保证工艺的正常运行;安装简易,灵巧的刮渣设备,以便刮渣时不致扰动浮渣层而产生落渣,影响出水水质;2.3.4 国内外气浮池的设计参数变化范围很大,我国主要采用以下参数:接触区:停留时间>表面负荷率 36~72 m3/m2h分离区:表面负荷率~ m3/m2h一、气浮池应设置反应段,反应时间宜为10~15min;二、每格池宽不应大于,长宽比宜为3~4;三、有效水深宜为~,超高不应小于;四、污水在气浮池分离段停留时间不宜大于;五、污水在池内的水平流速不宜大于10mm/s;六、气浮池端部应设置集沫槽;七、池内应设刮沫机,刮沫机的移动速度宜为1~5m/min;2.3.6 气浮模型研究得出了一些新概念,如饮用水气浮处理需针尖大小数十微米的絮体;pH对絮体形成和气泡粘附一样重要;在最佳pH时,颗粒的ζ电位接近于0或为负值,可采用较高的溢流流速度≤15m/h;气浮池的最佳设计是接触区和分离区呈长窄形状的活塞流反应器,停留时间分别大于和5min,这样表面负荷要比传统数值提高许多,而且效率较高;增加一个射流混合器可以保证隔油池出水与溶气水充分混合后进入浮选池中,使形成的超微气泡均一散布于池中;因为污水中一般含有毒有害物质,故浮选池结构设计要考虑设防腐层和顶盖板,有条件时可考虑浮选气体的有组织排放;2.4正交试验分析得出:回流比、混凝剂投加量和浮选罐池的有效停留时间这三个主要参数对气浮效果影响大小的主次关系是:回流比>混凝剂投加量>浮选罐池的有效停留时间;溶气罐与气浮池之间的回流水输送管道要短,压力损失要小,从而防止空气从超饱和的水中逸出;水温降低对溶气气浮效果有不利的影响;3 应用图纸drawing附录1 其它气浮方式1、分散空气气浮法;又可分为转子碎气法也称为涡凹气浮或旋切气浮,见图1和微孔布气法2种;前者依靠高速转子的离心力所造成的负压而将空气吸入,并于提升上来的废水充分混合后,在水的剪切力的作用下,气体破碎成微气泡而扩散于水中;后者则是使空气通过微孔材料或喷头中的小孔被分割成小气泡而分布于水中;该法设备简单,但产生的气泡较大,且水中易产生大气泡;大气泡在水中具有较快的上升速度;巨大的惯性力不仅不能使气泡很好地粘附于絮凝体上,相反会造成水体的严重紊流而撞碎絮凝体;所以涡凹气浮要严格控制进气量;气泡的产生依赖于叶轮的高速切割,以及在无压体系中的自然释放,气泡直径大、动力消耗高,尤其对于高水温污水的气浮处理,处理效果难如人意;由于产生的气泡大,更适合处理一些稠油废水,由于大气泡在上浮过程易破裂,建议设计时污水在“分离室”的停留时间不要超过20分钟,时间越长气泡破裂得越多,可能导致絮凝体重新沉淀到池底;分散空气气浮法产生的气泡直径均较大,微孔板也易受堵,但在能源消耗方面较为节约,多用于矿物浮选和含油脂、羊毛等废水的初级处理及含有大量表面活性剂废水的泡沫浮选处理;2、溶气泵气浮法;溶气泵采用涡流泵或气液多相泵,其原理是在泵的入口处空气与水一起进入泵壳内,高速转动的叶轮将吸入的空气多次切割成小气泡,小气泡在泵内的高压环境下迅速溶解于水中,形成溶气水然后进入气浮池完成气浮过程;溶气泵产生的气泡直径一般在20~40μm,吸入空气最大溶解度达到10 0%,溶气水中最大含气量达到30%,泵的性能在流量变化和气量波动时十分稳定,为泵的调节和气浮工艺的控制提供了极好的操作条件图2;3、电解凝聚气浮法;这种方法是将正负相间的多组电极安插在废水中,当通过直流电时,会产生电解、颗粒的极化、电泳、氧化还原以及电解产物间和废水间的相互作用;当采用可溶电极一般为铝铁作为阳极进行电解时,阳极的金属将溶解出铝和铁的阳离子,并与水中的氢氧根离子结合,形成吸附性很强的铝、铁氢氧化物以吸附、凝聚水中的杂质颗粒,从而形成絮粒;这种絮粒与阴极上产生的微气泡氢气粘附,得以实现气浮分离;但电解凝聚气浮法存在耗电量较多,金属消耗量大以及电极易钝化等问题,因此,较难适用于大型生产;4、生物及化学气浮法;生物气浮法是依靠微生物在新陈代谢过程放出的气体与絮粒粘附后浮之水面的;化学气浮法是在水中投加某种化学药剂,借助于化学反应生成的氧、氯、二氧化碳等气体而促使絮粒上浮的;这种气浮法因受各种条件的限制,因而处理的稳定可靠程度较差,应用也不多;图1 涡凹气浮工艺原理图2 溶气泵气浮工作原理附录2 脱气系统脱气系统分为内部和外部脱气系统两种;内部脱气系统的关键就是提供一个合并表面coalescing surface,其形式类似于斜管或斜板沉淀池;此表面不但可促进多余小气泡的合并,产生有较大上升速度的大气泡,另外还可引起二次气浮,即“自由”气泡与残余絮粒的再次粘合,使聚合体浮力大于重力,所以当合并表面设计适当时,可以避免污泥在内部脱气系统内的沉积;外部脱气系统有很多形式,气浮池与滤池之间的自由跌落水堰和停留池就是其中较简单的两种,较复杂的是设置专门的气泡吹脱柱,气浮出水以下向流形式通过该柱,同时其底部有空气通过扩散器注入;有研究发现:无脱气系统、设置外部脱气系统和设置内部脱气系统的三种溶气气浮工艺的效果依次增强;当水力负荷为17 m3/m2h时,三种工艺的出水浊度分别为、和,后续滤池的处理能力分别为360、380和6 40 m3/m2;当水力负荷为44 m3/m2h时,三种气浮工艺出水的浊度分别为、和 NUT,后续滤池的处理能力分别为100、140和180 m3/m2;。
.
部分内容来源于网络,有侵权请联系删除!
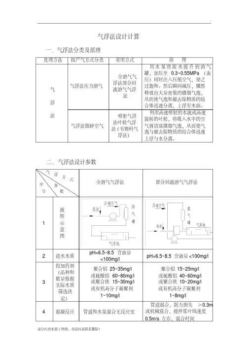
气浮法设计计算
一.气浮法分类及原理
处理方法
按产气方式分类
常用方式原理
气浮法
气浮法压力溶气
全溶气气浮法部分回流溶气气浮
法
用水泵将废水提升到溶气罐,加压至0.3~0.55MPa (表压)同时注入压缩空气,使之过饱和。
然后瞬间减压,骤然释放出大量密集的微细气泡,从而使气泡和被去除物质的结合体迅速分离,上浮至水面。
气浮法细碎空气
喷射气浮法叶轮气浮法(韦姆科气浮法)
利用高速喷射的水流或高速旋转的叶轮,将吸入水中的空气剪切成微细气泡,从而使气泡与被去除物质的结合体迅速上浮与水分离。
二.气浮法设计参数
全溶气气浮法部分回流溶气气浮法
1
流程示意图
2 进水水质pH=6.5~8.5含油量
<100mg/l pH=6.5~8.5含油量<100mg/l
3
投加药剂(品种和数量根据实际水质筛选决定)聚合铝25~35mg/l 或硫酸铝60~80mg/l 或聚合铁15~30mg/l 或有机高分子凝聚剂
1~10mg/l 聚合铝15~25mg/l 或硫酸铝40~60mg/l 或聚合铁10~20mg/l 或有机高分子凝聚剂
1~8mg/l 4
混凝反应
管道和水泵混合无反应室
管道混合,阻力损失≥0.3m 或机械混合,搅拌浆叶线速度0.5m/s 左右,混合时间
气浮方
式
参数序号。
(一)基本概念气浮处理法就是向废水中通人空气,并以微小气泡形式从水中析出成为载体,使废水中的乳化油、微小悬浮颗粒等污染物质粘附在气泡上,随气泡一起上浮到水面,形成泡沫一气、水、颗粒(油)三相混合体,通过收集泡沫或浮渣达到分离杂质、净化废水的目的。
浮选法主要用来处理废水中靠自然沉降或上浮难以去除的乳化油或相对密度接近于1的微小悬浮颗粒。
(二)气浮的基本原理1.带气絮粒的上浮和气浮表面负荷的关系粘附气泡的絮粒在水中上浮时,在宏观上将受到重力G浮力F等外力的影响。
带气絮粒上浮时的速度由牛顿第二定律可导出,上浮速度取决于水和带气絮粒的密度差,带气絮粒的直径(或特征直径)以及水的温度、流态。
如果带带气絮粒中气泡所占比例越大则带气絮粒的密度就越小;而其特征直径则相应增大,两者的这种变化可使上浮速度大大提高。
然而实际水流中;带气絮粒大小不一,而引起的阻力也不断变化,同时在气浮中外力还发生变化,从而气泡形成体和上浮速度也在不断变化。
具体上浮速度可按照实验测定。
根据测定的上浮速度值可以确定气浮的表面负荷。
而上浮速度的确定须根据出水的要求确定。
2.水中絮粒向气泡粘附如前所述,气浮处理法对水中污染物的主要分离对象,大体有两种类型即混凝反应的絮凝体和颗粒单体。
气浮过程中气泡对混凝絮体和颗粒单体的结合可以有三种方式,即气泡顶托,气泡裹携和气粒吸附。
显然,它们之间的裹携和粘附力的强弱,即气、粒(包括絮废体)结合的牢固程度与否,不仅与颗粒、絮凝体的形状有关,更重要的受水、气、粒三相界面性质的影响。
水中活性剂的含量,水中的硬度,悬浮物的浓度,都和气泡的粘浮强度有着密切的联系。
气浮运行的好坏和此有根本的关联。
在实际应用中质须调整水质。
3.水中气泡的形成及其特性形成气泡的大小和强度取决于空气释放时各种用途条件和水的表面张力大小。
(表面张力是大小相等方向相反,分别作用在表面层相互接触部分的一对力,它的作用方向总是与液面相切。
)(1)气泡半径越小,泡内所受附加压强越大,泡内空气分子对气泡膜的碰撞机率也越多、越剧烈。
气浮法设计计算一.气浮法分类及原理二.气浮法设计参数三.气浮法设计计算四.不同温度下的K T值和736K T值气浮池设置在絮凝池侧旁,沉淀池上方。
气浮类型较多,有全部压力溶气气浮、分散空气气浮、电解凝聚气浮、内循环射流气浮等,这里选择适用于城镇给水处理的部分回流压力溶气气浮。
气浮适用于含藻类及有机杂质、水温较低、常年浊度低于100NTU的原水;它依靠微气泡粘附絮粒,实现絮粒强制性上浮,达到固、液分离,由于气泡的重度远小于水,浮力很大,促使絮粒迅速上浮,提高固、液分离速度。
气浮依靠无数微气泡去粘附絮粒,对絮粒的重度、大小要求不高,能减少絮凝时间,节约混凝剂量;带气絮粒与水的分离速度快,单位面积产水量高,池容及占地减少,造价降低;气泡捕足絮粒的机率很高,跑矾花现象很少,有利于后级滤池延长冲洗周期,节约水耗;排渣方便,浮渣含水率低,耗水量小;池深浅,构造简单,可随时开、停,而不影响出水水质,管理方便。
●结构尺寸:取回流比R=20%,气浮池处理水量:Q3=(1+R)Q2=1.2×75=90m3/h接触区底部上升段纵截面为矩形,上升流速10~20mm/s,取U J1=18mm/s=64.8m/h 接触区底部通水平面面积:F J1=90/64.8=1.389≈1.4m2接触区宽与絮凝池相同,B=2m,接触区底部平面池长方向尺寸:L J1=1.4/2=0.7m接触区上端扩散段纵截面为倒直角梯形,出口流速5~10mm/s,取U J2=7.5mm/s=27m/h 接触区上端扩散出口通水平面面积:F J2=90/27=3.333m2接触区宽与絮凝池相同,B=2m,接触区上端扩散出口平面池长方向尺寸:L J2=3.333/2=1.6665≈1.7m扩散段水平倾角α=35°,扩散段高:h K=(1.7-0.7)tan35°=0.7m扩散段容积:V K=〔(1.7+0.7)/2〕×0.7×2=1.68m3接触区停留时间需大于60s,取t J=90s=1.5min,接触区容积:V J=90×1.5/60=2.25m3接触区底部上升段高:h D=(V J-V K)/F J1=(2.25-1.68)/1.4=0.4m分离区清水下降流速1.5~2.5mm,取U3=2.5mm/s=9m/h分离区平面面积:F F=Q3/U3=90/9=10m2分离区平面池长方向尺寸:L F=10/2=5m(<沉淀池长5.5m)气浮池长度方向尺寸:L=5.5m取分离区液深h Y=1.5m,分离区容积:V F=5.5×2×1.5=16.5m3分离区清水下降时间:t F=h Y/U3=1.5/9=0.167h=10min取分离区安全超高h A=0.5m,气浮池高H F=1.5+0.5=2m复核分离停留时间:t F′=V F /Q3=16.5/90=0.183h=11min,满足停留10~15min的要求,并能满足清水到达池底所需时间。
溶气气浮机设备方案一、引言溶气气浮(DAF)是一种常见的水处理技术,广泛应用于污水处理、饮用水净化和工业废水处理等领域。
本文将介绍一种高效的溶气气浮机设备方案,旨在提高处理效率和降低运行成本。
二、设备原理溶气气浮机设备通过将气体溶解到水中,利用气泡的浮力将悬浮物团聚成大颗粒,从而实现悬浮物的分离。
其主要工作原理包括以下几个步骤:1. 溶气阶段:将气体通过增压装置注入到水中,并利用溶解气体的能力使气体溶解到水中;2. 络净阶段:在溶气气浮池中加入混合悬浮物的原水,在适当的条件下,利用鳞状气泡将悬浮物与气泡迅速接触并附着,形成浮团;3. 浮升阶段:浮团上升到液面并形成浮泡层,再经过收集装置的收集和排出,达到分离悬浮物的目的。
三、设备配置针对不同的处理需求,溶气气浮机设备的配置可以有所差异。
以下是一种常见的配置方案:1. 溶气系统:包括气体供应装置、增压装置和溶气槽。
气体供应装置一般选择空气压缩机,增压装置用于将气体压力提高至所需压力,而溶气槽则用于将气体溶解到水中。
2. 絮凝剂投加系统:用于投加絮凝剂以促进悬浮物的凝聚作用,一般包括絮凝剂储存装置、投加泵和混合装置。
3. 溶气气浮池:池体一般采用刚性材料构建,具有合理的倾斜角度和尺寸,以便于气泡与悬浮物迅速接触和聚集。
另外,溶气气浮池还应配备气液分离装置和浮渣集中装置。
4. 浮渣收集系统:包括浮渣收集槽和排泥泵。
浮渣收集槽用于收集和存储浮渣,排泥泵用于将浮渣排出系统。
5. 控制系统:用于对整个设备进行监控和自动控制,包括传感器、仪表、控制阀等。
四、设备优势这种溶气气浮机设备方案具有以下优势:1. 高效:通过高效的气泡产生设备和合理的池体设计,能够提高气泡接触到悬浮物的机会,从而提高处理效率。
2. 稳定性好:控制系统的精确控制能够保持设备的稳定运行,避免因处理水质波动而导致的效果下降。
3. 节能:采用能效高的空气压缩机和溶气槽,使得气体的利用率最大化,从而降低运行成本。
277HCRJ 中国环境保护产品认定技术条件HCRJ 008—1999压力溶气气浮装置Pressure dissolved air floatation equipment1999-10-26发布 2000-03-01实施国家环境保护总局发布278HCRJ 008 - 1999目次前言 (III)1 范围 (1)2 引用标准 (1)3 定义 (1)4 分类与命名 (1)5 要求 (2)6 试验方法 (3)7 检验规则 (3)8 标志、标牌、使用说明 (3)9 包装、运输和贮存 (3)附录A(技术条件的附录)溶气水溶释气效率测定 (4)II279 HCRJ 008 - 1999前言本技术条件为实行国家环境保护产品认定而制定,也作为环境保护行业产品质量监督管理的技术依据。
本技术条件是对HCRJ 008-1996《加压溶气气浮装置》的修订,修订时保留了HCRJ 008-1996中仍然适用的内容,增加了对射流溶气气浮装置的内容,并根据发展情况作适当修改。
本技术条件的附录A是技术条件的附录。
本技术条件自颁布之日起代替HCRJ 008-1996。
本技术条件由国家环境保护总局科技标准司提出并归口管理。
本技术条件由中国环境保护产业协会组织起草,并由中国环保产业协会工业废水治理技术委员会具体承担。
本技术条件起草单位:江苏亚太泵业集团环境工程设计研究所、浙江台州市椒江环保设备厂。
本技术条件主要起草人:丁九光顾亚林张鑫珩许家婷龚德明本技术条件由国家环境保护总局负责解释。
III280中国环境保护产品认定技术条件压力溶气气浮装置HCRJ 008—1999Pressure dissolved air floatation equipment1范围本技术条件规定了压力溶气气浮装置的定义、分类与命名、要求、试验方法、检验规则、标志、包装和储运等内容。
本技术条件适用于加压溶气气浮和射流溶气气浮装置(以下简称装置)。
2引用标准下列标准所包含条文,通过在本技术条件中被引用即构成本技术条件的条文,与本技术条件同效。
加压溶气气浮设备的设计目录第一章设计任务书 (3)1.1 设计题目 (3)1.2 设计资料 (3)1.3 设计内容 (4)1.4设计成果 (4)第二章设计说明与计算书 (4)2.1 设计原理及方案选择 (4)2.1.1设计原理 (4)2.1.2方案选择 (7)2.2设计工艺计算 (8)2.2.1供气量与空压机选型 (8)2.2.2溶气罐 (9)2.2.3气浮池 (11)2.2.4附属设备 (13)第三章参考文献 (14)第四章设计心得体会 (15)第五章附图 (16)气浮池的设计计算第一章设计任务书1.1 设计题目加压溶气气浮设备的设计(平流式)1.2 设计资料某工厂污水工程拟用气浮设备代替二沉池,经气浮实验取得以下参数:溶气水采用净化后处理水进行部分回流,回流比0.2,气浮池内接触时间为5min,溶气罐内停留时间为3min,分离时间为15min,溶气罐压力为0.4Mpa,气固比0.02,温度30℃。
设计水量850m3/d。
1.3 设计内容(1)确定设计方案;(2)气浮设备的设计计算;(3)系统设备选型,包括水泵、溶气释放器、溶气压力罐、空压机及刮渣机等;(4)计算书编写,计算机绘图。
1.4设计成果(1)设备工艺设计计算说明书;要求参数选择合理,条理清楚,计算准确,并附设计计算示意图;提交电子版和A4打印稿一份。
(2)气浮系统图和气浮设备结构详图(包括平面图、剖面图);要求表达准确规范;提交电子版和A3打印稿一份。
第二章设计说明与计算书2.1 设计原理及方案选择2.1.1设计原理加压气浮法是在加压情况下,将空气溶解在废水中达饱和状态,然后突然减至常压,这时溶解在水中的空气就成了过饱和状态,以极微小的气泡释放出来,乳化油和悬浮颗粒就粘附于气泡周围而随其上浮,在水面上形成泡沫层,然后由刮泡器清除,使废水得到净化。
根据废水中所含悬浮物的种类、性质、处理水净化程度和加压方式的不同,基本流程有以下三种。
1、全部废水溶气气浮法全部废水溶气气浮法是将全部废水用水泵加压,在泵前或泵后注入空气。
加压溶气气浮实验报告加压溶气气浮实验报告引言:加压溶气气浮是一种常用的水处理技术,通过向水中注入气体,使气体溶解在水中形成微小气泡,利用气泡的浮力将悬浮物质从水中升起,从而达到净化水质的目的。
本实验旨在探究加压溶气气浮对水中悬浮物质去除效果的影响。
实验方法:1. 准备实验装置:实验装置由气体供应系统、溶气装置、气浮池和悬浮物质收集系统组成。
气体供应系统通过气体调节阀向溶气装置注入气体,溶气装置通过气体溶解器将气体溶解在水中形成微小气泡,气浮池中加入待处理的水样,悬浮物质收集系统用于收集气浮后的悬浮物质。
2. 设置实验参数:实验中可调节的参数包括气体流量、气体种类、气体压力和溶气时间等。
根据实验需求,设置不同的参数组合。
3. 进行实验:按照设定的参数组合,进行加压溶气气浮实验。
记录实验过程中的观察结果和数据。
4. 分析实验结果:根据实验数据,分析不同参数对气浮效果的影响。
实验结果:通过实验观察和数据分析,我们得出以下结论:1. 气体流量对气浮效果有明显影响。
当气体流量较小时,气泡数量较少,浮力不足以将悬浮物质升起;当气体流量较大时,气泡数量增多,浮力增强,悬浮物质去除效果显著提高。
2. 气体种类也对气浮效果有一定影响。
不同气体的溶解度和气泡性质不同,会导致气浮效果的差异。
例如,氧气和二氧化碳溶解度较高,可以形成较多的微小气泡,因此气浮效果较好。
3. 气体压力对气浮效果有显著影响。
随着气体压力的增加,气泡的尺寸减小,浮力增加,悬浮物质去除效果明显提高。
但是当气体压力过高时,气泡尺寸过小,容易聚集在一起形成气团,反而降低了气浮效果。
4. 溶气时间也是影响气浮效果的重要因素。
较长的溶气时间可以使气体充分溶解在水中,生成更多的微小气泡,从而提高气浮效果。
但是过长的溶气时间会造成能耗的增加,不利于实际应用。
讨论与结论:通过本实验的研究,我们可以得出以下结论:1. 加压溶气气浮是一种有效的水处理技术,可以用于去除水中的悬浮物质。