物料提升机定期检查表
- 格式:doc
- 大小:54.00 KB
- 文档页数:2
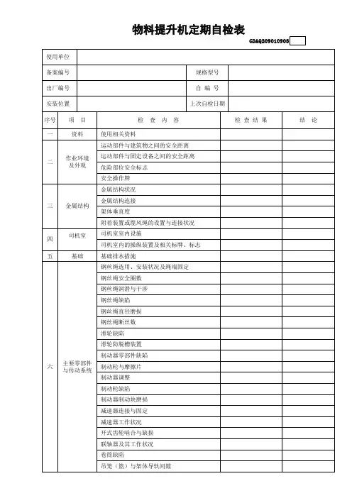
物料提升机定期自检表
物料提升机是工业生产过程中常见的一种设备,为了确保设备
的正常使用和操作安全,必须进行定期的自检和维护。
以下是一份
物料提升机定期自检表。
1. 电气部分
(1)检查电气控制部分是否漏电。
(2)检查电气部分接线端是否紧固,是否有松动现象。
(3)检查电气控制箱的排水情况是否正常。
2. 机械部分
(1)检查传动部分的带轮、皮带是否破损、松动或磨损。
(2)检查提升机主要部件如斗齿、链条、链轮等是否正常磨损。
(3)检查润滑油是否充足,油管是否堵塞,是否需要更换润滑油。
3. 安全部分
(1)检查安全保护装置的灵敏度是否正常,如红外光电开关和
限位开关等。
(2)检查提升机的安全防护罩是否完好。
(3)检查提升机是否正常启停,是否有异常声响。
4. 其他部分
(1)检查机器运转的稳定性。
(2)检查斗的数量和间距是否符合要求。
(3)检查提升机的清洁情况。
以上为物料提升机的定期自检表,需要每隔一段时间进行一次自检,并记录检查结果。
如果发现问题,应及时进行修理、更换或维护,以保证设备的正常使用和操作安全。
物料提升机专项检查记录表物料提升机安装验收表起重机械专项防事故措施一、起重机械必须是正规厂家出产的产品,合格证、说明书、生产许可证等证件齐全,进场使用前,必须进行检查核对,否则不得使用。
二、起重机械安装必须按说明书或专项方案进行,并应由具备相应资质条件的安装单位负责组织安装,其作业人员必须持证上岗,以保证安装的规性与可靠性。
三、安装完毕后,应及时进行备案,并经各级主管部门验收合格后方可使用,以免出现质量问题或安装问题,引发施工中的安全事故。
四、机械使用中操作人员必须是经专业培训,具备较高素质的人员,并持证上岗,作业中严禁谈笑、看书、打盹、擅离岗位,或找他人代开机。
严禁操作人员或小孩进入操作棚(间),以免造成操作失误而引发事故。
五、起重机械应尽可能避免夜间开机操作,若必须进行夜间施工时,应有足够的照明,同时有专职指挥人员进行指挥,机操人员应及时换班,以免疲劳过度造成操作失误。
六、机操人员在作业中严格遵守操作规程,不得用料斗或吊盘起吊作业人员上下。
七、使用料斗向楼层倒料时,应轻轻落下,并分散倒料,严禁料斗及所装物料冲击楼面,以防造成楼面坍塌事故。
八、料斗或吊盘所装物品必须搁置稳当,前后挡牢,必要时需进行绑扎处理,以防起吊中的坠落伤人。
对超长超大物件应有专门的起吊方案,否则不得起吊。
同时,起吊物品严禁超过起重机械的额定承重量。
九、起重机械随着楼层的升高,应及时按规定进行牢固拉结,确保机身的稳定与安全,同时在任何情况下不得拆除其连墙件或附着,以防发生坍塌事故。
十、起重机械必须按要求搭设防护井,并挂安全网,封闭严密,严防作业人员进入井架或吊盘底部,造成物体打击事故。
十一、提升机井架严禁与提升机防护架、外脚手架及支模架相连,避免发生事故时的相互影响,增大危害程度。
十二、起重机械及其防护井在雷雨季节必须安装避雷装置,严防雷击伤害事故的发生。
十三、提升机进料口必须搭设防护棚,并安装自动化防护门,提升机的卸料平台应有专门的设计方案,具有足够的承载力,并按要求搭设规,卸料平台脚手板应铺设严密牢固,临边防护到位,安装定型化防护门,并严禁拆除,以防发生卸料时的坠落事故。
4.1.23 物料提升机月度安全检查表选项的“□”内打“√”;其余栏目,在“□”内,肯定的打“√”,否定的打“×”;缺项的留2、高架机指提升高度在31~150m的物料提升机。
3、依据标准:《龙门架及井架物料提升机安全技术规范》JGJ88-92脚手架安全专项检查用表(物料提升机)表8.1.16 建筑施工起重机械(物料提升机)定期维护保养表(续表)施工物料提升机检查表工程名称:施工单位:物料提升机每月安全检查表合格:√不物料提升机定期检查表施工单位:江苏南通三建集团有限公司NO:物料提升机定期检查表(续表)施工单位:江苏南通三建集团有限公司物料提升机专项检查记录表物料提升机安装验收表起重机械专项防范事故措施一、起重机械必须是正规厂家出产的产品,合格证、说明书、生产许可证等证件齐全,进场使用前,必须进行检查核对,否则不得使用。
二、起重机械安装必须按说明书或专项方案进行,并应由具备相应资质条件的安装单位负责组织安装,其作业人员必须持证上岗,以保证安装的规范性与可靠性。
三、安装完毕后,应及时进行备案,并经各级主管部门验收合格后方可使用,以免出现质量问题或安装问题,引发施工中的安全事故。
四、机械使用中操作人员必须是经专业培训,具备较高素质的人员,并持证上岗,作业中严禁谈笑、看书、打盹、擅离岗位,或找他人代开机。
严禁操作人员或小孩进入操作棚(间),以免造成操作失误而引发事故。
五、起重机械应尽可能避免夜间开机操作,若必须进行夜间施工时,应有足够的照明,同时有专职指挥人员进行指挥,机操人员应及时换班,以免疲劳过度造成操作失误。
六、机操人员在作业中严格遵守操作规程,不得用料斗或吊盘起吊作业人员上下。
七、使用料斗向楼层倒料时,应轻轻落下,并分散倒料,严禁料斗及所装物料冲击楼面,以防造成楼面坍塌事故。
八、料斗或吊盘内所装物品必须搁置稳当,前后挡牢,必要时需进行绑扎处理,以防起吊中的坠落伤人。
对超长超大物件应有专门的起吊方案,否则不得起吊。