m序列及相关理论分析
- 格式:doc
- 大小:740.50 KB
- 文档页数:5
m序列辨识原理解释说明以及概述1. 引言1.1 概述m序列是一种具有良好性质的伪随机序列,广泛应用于通信、密码学和编码等领域。
m序列辨识原理是指通过对已知的m序列进行分析和处理,从中提取特征并判断其生成方式的过程。
准确地辨识出m序列的生成方法能够帮助我们更好地理解和应用这一伪随机序列。
1.2 文章结构本文将围绕m序列辨识原理展开详细说明,并介绍相关的定义、特点、辨识过程以及算法和技术。
文章将分为五个部分组成:引言、m序列的定义和特点、m序列辨识原理与过程、m序列辨识算法与技术以及结论。
1.3 目的本文旨在通过对m序列辨识原理的深入研究和分析,进一步探索该领域内的关键概念、方法和工具,并提供给读者一个清晰全面的认识。
通过阅读本文,读者将能够了解什么是m序列以及其在实际应用中所起到的重要作用。
另外,通过对不同辨识算法和技术的比较与选择指南,本文还可为读者提供一些实用性的建议和参考。
最后,本文也将以对未来m序列研究方向的建议,为该领域内进一步研究工作提供一定的借鉴和指导。
这样设计文章结构,能够使读者逐步深入了解m序列辨识原理,并全面回顾相关概念、方法和技术,并为进一步探索和应用m序列提供指导。
2. m序列的定义和特点:2.1 m序列的概念和起源:m序列是一种特殊的二进制序列,也被称为最长线性反馈移位寄存器(LFSR)序列。
它是由一个长度为m的线性反馈移位寄存器生成的序列,在信息科学和通信领域有广泛应用。
m序列最早由亚当斯(J. W. Adams)于1965年引入。
2.2 m序列的生成方法:m序列可通过使用线性反馈移位寄存器(LFSR)来生成。
LFSR是一种采用线性组合和位移操作产生下一个状态的寄存器。
它由一系列触发器组成,每个触发器都保存一个二进制值,并且输出总是满足某个线性方程式。
在生成m序列时,通常会选择长度为m-1或m的LFSR作为产生器。
这样可以保证生成的序列具有周期性,且周期长度为(2^m) - 1。
M序列的产生和性能分析本页仅作为文档封面,使用时可以删除This document is for reference only-rar21year.MarchM序列的产生和性能分析摘要在扩频函数中,伪随机信号不但要求具有尖锐的互相关函数,互相关函数应接近于零,而且具有足够长的码周期,以确保抗侦破、抗干扰的要求;由足够多的独立地址数,以实现码分多址的要求。
M序列是伪随机序列的一种,可由m序列添加全0状态而得到。
m序列与M序列对比得出在同级移位寄存器下M序列的数量远远大于m序列数量,其可供选择序列数多,在作跳频和加密码具有极强的抗侦破能力。
本文在matlab中的Simulink下用移位寄存器建立了4级、5级、6级M序列的仿真模型,进行了仿真,画出其时域图、频谱图、互相关性图。
通过时域图和频域图可看出,经过扩频后的信号频带明显的被扩展;由M 序列互相关性图,得出M序列有较小的互相关性,较强的自相关性,但相关性略差于m序列。
最后,本文又将M序列应用于CDMA扩频通信仿真系统中,得到下列结论:当使用与扩频时相同的M序列做解扩操作与用其他序列做解扩的输出有巨大的差别。
使用相同的序列进行解扩时系统输出值很大,而使用其他序列解扩时输出值在零附近变化。
这就是扩频通信的基础。
关键词:伪随机编码, 扩频通信自相关函数,互相关函数M SEQUENCE GENERATION AND PERFORMANCE ANALYSISABSTRACTIn spread-spectrum communication, pseudo-random sequence must have high autocorrelation value, low cross correlation, long code period and lots of dependent address to satisfy code division mul tipleaccess(CDMA). M sequence is one kind of the pseudo-random sequences. It can be may obtained through adding entire 0 states to m sequence. The number of M sequence is greater than the m-sequence under the same level shift register. It may supply the more choice. The M-sequence is often applied to the frequency hopping and adds the password to have greatly strengthened anti- solves the ability.At first, M sequences which has n=4、5、7 levels of shift registers are produced under Simulink of Matlab. The t ime domain chart, the spectrograph, the mutual correlation chart are plotted. Through the time domain chart and the spectrograph, we could see how the bandwidth of the information signal is expanded. The pseudo-random symbol speed rate higher noise signal frequency spectrum is proliferated widely, the output power spectrum scope is lower. This can explain the spread-spectrum communication system principle from the frequency range. Through the M sequence’s auto correlation chart we can see that the auto correlation of M-sequence is quite good but is inferior to the m sequence. Finally, the M sequence is applied to the code division multiple access (CDMA) communication system. This is the spread-spectrum communication foundation.KEY WORDS:Pseudo-random code, auto-correlation, cross-correlation目录前言 ......................................................... 错误!未定义书签。
M 序列的产生及特性分析实验一:实验目的1、了解m 序列的特性及产生。
二:实验模块1、 主控单元模块2、 14号 CDMA 扩频模块3、示波器三:实验原理1、14号模块的框图14号模块框图2、14号模块框图说明(m 序列)127位128位该模块提供了四路速率为512K 的m 序列,测试点分别为PN1、PN2、PN3、PN4。
其中,PN2和PN4分别由PN 序列选择开关S2、S3控制;不同的开关码值,可以设置m 序列码元的不同偏移量。
开关S6是PN 序列长度设置开关,可选127位或128位,其中127位是PN 序列原始码长,128位是在原始码元的连6个0之后增加一个0得到。
Gold 序列测试点为G1和G2,其中G1由PN1和PN2合成,G2由PN3和PN4合成。
拨码开关S1和S4是分别设置W1和W2产生不同的Walsh 序列。
实验中还可以观察不同m 序列(或Gold 序列)和Walsh 序列的合成波形。
注意,每次设置拨码开关后,必须按复位键S7。
3、实验原理框图m 序列相关性实验框图为方便序列特性观察,本实验中将Walsh 序列码型设置开关S1和S4固定设置为某一种。
4、实验框图说明 m 序列的自相关函数为()R A D τ=-式中,A 为对应位码元相同的数目;D 为对应位码元不同的数目。
自相关系数为()A D A DP A Dρτ--==+ 对于m 序列,其码长为P=2n -1, 在这里P 也等于码序列中的码元数,即“0”和“1”个数的总和。
其中“0”的个数因为去掉移位寄存器的全“0”状态,所以A 值为121n A -=-“1”的个数(即不同位)D 为12n D -=m 序列的自相关系数为1 0()1 0,1,2,p τρτττ=⎧⎪=⎨-≠=⎪⎩…,p-1cT τm 序列的自相关函数四:实验步骤(注:实验过程中,凡是涉及到测试连线改变或者模块及仪器仪表的更换时,都需先停止运行仿真,待连线调整完后,再开启仿真进行后续调节测试。
m序列原理m序列是一种特殊的伪随机序列,具有良好的随机性质和周期性,广泛应用于通信、密码学、雷达、遥感等领域。
m序列的原理是基于线性反馈移位寄存器(LFSR)的工作原理,通过适当的初值和反馈多项式,可以生成具有良好随机性质的序列。
m序列的生成原理是基于LFSR的工作原理。
LFSR是一种线性反馈移位寄存器,它由若干个存储单元和适当的反馈电路组成。
在LFSR中,存储单元中的数据按照时钟信号不断移位,同时根据反馈电路的控制,将某些位上的数据进行异或运算,得到新的输入数据,从而实现序列的生成。
通过适当选择LFSR的初值和反馈多项式,可以得到不同长度的m序列。
m序列具有良好的随机性质和周期性。
由于m序列的生成原理是基于LFSR的移位和异或运算,使得序列中的数据呈现出随机分布的特性。
同时,由于LFSR的结构和反馈多项式的选择,m序列具有很长的周期,甚至可以达到最大周期2^n-1,其中n为LFSR的位数。
这使得m序列在伪随机序列中具有较好的性能。
m序列在通信、密码学、雷达、遥感等领域有着广泛的应用。
在通信系统中,m序列可以作为扩频序列,用于码分多址(CDMA)通信系统中的信道编码和解码,提高通信系统的抗干扰能力和安全性。
在密码学中,m序列可以作为密钥序列,用于数据加密和解密,保障通信的安全性。
在雷达和遥感领域,m序列可以作为调制序列,用于信号的调制和解调,提高信号的分辨率和抗干扰能力。
总之,m序列作为一种特殊的伪随机序列,具有良好的随机性质和周期性,在通信、密码学、雷达、遥感等领域有着广泛的应用前景。
通过深入理解m序列的生成原理和特性,可以更好地应用于实际系统中,提高系统的性能和安全性。
m序列基本概念:M序列(即De Bruijn序列)又叫做伪随机序列、伪噪声(PN)码或伪随机码。
可以预先确定并且可以重复实现的序列称为确定序列;既不能预先确定又不能重复实现的序列称随机序列;不能预先确定但可以重复产生的序列称伪随机序列。
具体解释于一个n级反馈移位寄存器来说,最多可以有2^n 个状态,对于一个线性反馈移位寄存器来说,全“0”状态不会转入其他状态,所以线性移位寄存器的序列的最长周期为2^n-1。
当n级线性移位寄存器产生的序列{ai}的周期为T= 2^n-1时,称{ai}为n级m序列。
当反馈函数f(a1,a2,a3,…an)为非线性函数时,便构成非线性移位寄存器,其输出序列为非线性序列。
输出序列的周期最大可达2^n ,并称周期达到最大值的非线性移位寄存器序列为1.m序列的产生原理和结构m序列是n 级二进制线性反馈移位寄存器除去输出为0的状态外,产生的周期为2 n -1 的最大可能长度序列,又称为最大长度线性反馈移位序列。
其产生的原理如图1所示。
PN序列发生器由n级移位寄存器,模二加法器和反馈线三个部分组成。
图中,c i ( i =1…n ) 为反馈系数,若c i =1,表示有连接,有反馈,若c i =0则表示断开,无反馈。
c i 的取值决定了移位寄存器的反馈连接和序列的结构,故是一个很重要的参量。
2.m序列的基本性质(1) 移位相加特性。
一个m序列与其任意次延迟移位后产生的另一个不同序列模2相加,得到的仍是该m 序列的延迟移位序列。
如,0100111向右移1次产生另一个序列1010011 ,模2相加后的序列为1110100 ,相当于原序列右移3次后得到的序列。
(2) 平衡特性。
在m序列的每个2n-1周期中,"1"码元出现的数目为次,"0"码元出现的数目为2n -1-1 次,即"0"的个数总是比"1"的个数少一个,这表明,序列平均值很小。
m序列的原理及应用1. 什么是m序列?m序列,全名为最大长度线性反馈移位寄存器序列(Maximum Length Sequence),是一种特殊的二进制序列。
m序列的特点是具有最长的周期,并且波形均匀随机分布。
m序列可以通过一个线性反馈移位寄存器(LFSR)来生成。
2. m序列的生成原理m序列的生成原理基于线性反馈移位寄存器(LFSR)的运算。
LFSR是一种用于产生伪随机序列的硬件电路。
LFSR由寄存器和反馈函数组成。
寄存器是一组存储数据的单元,通常是一组触发器,每个触发器存储一个二进制位。
反馈函数根据寄存器的当前状态产生下一个状态。
反馈函数一般采用异或操作。
m序列的生成就是通过不断移位和反馈计算,使得LFSR的状态变化遍历所有可能的状态,从而生成了m序列。
3. m序列的应用m序列由于其随机性和均匀性,被广泛应用于通信、加密、导航等领域。
3.1 通信领域在通信领域中,m序列被用作伪随机序列发生器。
伪随机序列在信号传输、数据调制等方面起到关键作用。
m序列具有具有良好的互相关性和自相关性性质,能够提供伪随机的编码和解码功能。
3.2 加密领域m序列在加密领域中作为密钥序列广泛使用。
由于m序列的随机性和不可预测性,能有效地保护数据的安全性。
一种常见的应用是m序列与明文进行异或运算,生成密文,从而实现加密功能。
3.3 导航领域在导航领域中,m序列被用于全球卫星导航系统(GNSS)中的扩频码。
扩频码是通过将原始导航信号与m序列进行乘法运算而生成的。
m序列的均匀随机性使得扩频码具有良好的抗多径和抗干扰性能。
4. m序列的特点4.1 最长周期m序列具有最长的周期,周期长度为2^N-1,其中N为LFSR的位数。
这意味着m序列可以生成非常长的伪随机序列。
4.2 均匀随机性m序列的波形均匀分布,具有良好的随机性。
这个特性使得m序列在各个应用领域都能发挥重要作用。
4.3 线性可预测性m序列是由线性反馈移位寄存器生成的,其生成过程可以被完全预测。
M序列自相关辨识与机理分析结合法M序列自相关辨识与机理分析结合法是一种用于分析和探索M序列机理的方法。
M序列是一种伪随机序列,具有良好的自相关性质和伪随机性质,因此被广泛应用于通信、密码学和系统辨识等领域。
M序列自相关辨识与机理分析结合法通过对M序列的自相关函数进行分析,推导出M序列产生的机理,并进一步探索其应用潜力。
M序列是由一个初值和一组特定的生成矩阵确定的。
生成矩阵的选取是关键,不同的生成矩阵会导致不同类型的M序列。
M序列的自相关函数可以用来表示序列中元素之间的相关性。
M序列的自相关函数具有周期性,通过对自相关函数的周期性分析,可以推导出M序列的生成机理。
对于给定的M序列,首先需要计算其自相关函数。
自相关函数的定义是序列与其延迟序列的内积。
通过计算不同延迟下的自相关函数,可以观察到自相关函数的周期性特征。
根据周期性特征,可以推断M序列的位移寄存器长度和生成矩阵的特征。
在推导了M序列的位移寄存器长度和生成矩阵的特征之后,可以进一步分析M序列的机理。
M序列的机理涉及到位移寄存器之间的互屏蔽和非线性函数的作用。
通过对位移寄存器和非线性函数的动态分析,可以了解M序列的产生过程和特性。
M序列自相关辨识与机理分析结合法在通信、密码学和系统辨识等领域具有广泛的应用。
在通信领域,M序列的自相关辨识可以用于信号调制和信道估计;在密码学领域,M序列的自相关辨识可以用于密码分析和密钥生成;在系统辨识领域,M序列的自相关辨识可以用于系统模型辨识和参数估计。
总之,M序列自相关辨识与机理分析结合法是一种用于分析和探索M 序列机理的方法。
通过对M序列的自相关函数进行分析,可以推导出M序列的生成机理,并进一步探索其应用潜力。
该方法在通信、密码学和系统辨识等领域具有广泛的应用前景。
m序列初始值
【原创版】
目录
1.M 序列的概述
2.M 序列的初始值
3.M 序列的性质
4.M 序列的应用
正文
1.M 序列的概述
M 序列,又称为 M 序列函数或 M 序列数列,是一种特殊的数列,具有很多独特的性质。
M 序列的研究起源于 20 世纪初,其名字来源于首次提出该概念的数学家 Merton。
M 序列在数学、统计学、信号处理等领域具有广泛的应用,如在信号处理中,M 序列可以用来生成伪随机数。
2.M 序列的初始值
M 序列的初始值通常表示为{a_n},其中 a_1 是序列的第一个元素,称为初始值。
根据 M 序列的定义,我们可以得到如下递推关系式:a_n = a_{n-1} + r * a_{n-2}
其中,r 是递推常数,通常是一个非线性函数。
通过这个递推关系式,我们可以求解 M 序列的任意一项。
3.M 序列的性质
M 序列具有很多重要的性质,如:
(1) 恒非负性:M 序列的每一项都大于等于零。
(2) 齐次性:M 序列的任意一项都可以表示为其他项的线性组合。
(3) 稳定性:当 r 在特定区间内变化时,M 序列仍然保持其基本性质。
4.M 序列的应用
M 序列在各个领域都有广泛的应用,如:
(1) 在信号处理中,M 序列可以用来生成伪随机数,提高信号的抗干扰性能。
(2) 在通信系统中,M 序列可以用来设计同步码,实现数据的帧同步。
(3) 在密码学中,M 序列可以用来生成密钥,提高加密系统的安全性。
总之,M 序列作为一种特殊的数列,具有很多独特的性质,并在各个领域具有广泛的应用。
M序列什么是M序列?M序列是一种特殊的二进制序列,具有良好的相关性和平衡性。
它在通信系统、密码学和伪随机序列生成器等领域中被广泛应用。
M序列由线性移位寄存器(LSR)和反馈逻辑电路组合而成。
LSR是一种数字逻辑电路,可以实现数据在存储器中的循环移位。
反馈逻辑电路根据存储器中的数据决定输入数据的变化,从而形成M序列。
M序列的特点1.长度固定: M序列的长度是2的幂次方,通常为2^N-1。
例如,长度为7、15、31的M序列在实际应用中较为常见。
2.短周期:因为M序列的长度是有限的,所以它必定会在一定步数之后开始重复。
这使得M序列可以用于周期性信号的产生。
3.高相关性:M序列具有良好的自相关性和互相关性。
自相关性是指序列与其自身的相关性,互相关性是指序列与其他序列的相关性。
M序列在CDMA通信系统中的应用就是基于其高相关性的特点。
4.平衡性:M序列的各个周期内0和1的数量基本相等。
这一特点使得M序列在调制中不会有严重的低频分量和漂移。
M序列的应用1.伪随机序列生成器:M序列可以作为一种伪随机序列的生成器。
例如,可以用M序列生成随机的信道编码序列,用于提高通信系统的帧同步性能。
2.CDMA通信系统:CDMA是一种多用户通信技术,其中各个用户使用不同的码片(即M序列)进行编码。
接收端根据匹配滤波器对接收信号进行处理,从而实现对特定用户的信号的提取。
3.密码学:M序列可以用于加密和解密数据。
通过将明文与M序列进行异或操作,可以生成密文。
密文再与同样的M序列异或,即可还原成原始明文。
4.随机性检测:M序列可以用于随机性检测。
通过比较M序列与随机序列的相关性,可以得出序列的随机程度,从而判断其安全性。
M序列的生成算法M序列的生成算法基于反馈逻辑电路。
具体步骤如下: 1. 设置一个初始状态,初始状态可以是全0或全1。
2. 设定反馈逻辑电路,用来决定存储器中下一个数据的取值。
3. 将存储器中的数据进行移位,将最右边的数据移位到最左边,并根据反馈逻辑电路确定新的最右边的数据。
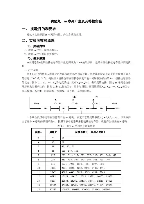
实验九 m 序列产生及其特性实验一、 实验目的和要求通过本实验掌握m 序列的特性、产生方法及应用。
二、实验内容和原理1)、实验内容1、观察m 序列,识别其特征。
2、观察m 序列的自相关特性。
2)、基本原理m 序列是有n 级线性移位寄存器产生的周期为21n -的码序列,是最长线性移位寄存器序列的简称。
1、产生原理图9-1示出的是由n 级移位寄存器构成的码序列发生器。
寄存器的状态决定于时钟控制下输入的信息(“0”或“1”),例如第I 级移位寄存器状态决定于前一时钟脉冲后的第i -1级移位寄存器的状态。
图中C 0,C 1,…,C n 均为反馈线,其中C 0=C n =1,表示反馈连接。
因为m 序列是由循环序列发生器产生的,因此C 0和C n 肯定为1,即参与反馈。
而反馈系数C 1,C 2,…,C n -1若为1,参与反馈;若为0,则表示断开反馈线,即开路,无反馈连线。
一个线性反馈移动寄存器能否产生m 序列,决定于它的反馈系数(0,1,2,,)i c i n =,下表中列出了部分m 序列的反馈系数i c ,按照下表中的系数来构造移位寄存器,就能产生相应的m 序列。
表9-1 部分m 序列的反馈系数表根据表9-1中的八进制的反馈系数,可以确定m 序列发生器的结构。
以7级m 序列反馈系数8(211)i C =为例,首先将八进制的系数转化为二进制的系数即2(010001001)i C =,由此我们可以得到各级反馈系数分别为:01C =、10C =、30C =、41C =、50C =、60C =、71C =,由此就很容易地构造出相应的m 序列发生器。
根据反馈系数,其他级数的m 序列的构造原理与上述方法相同。
需要说明的是,表9-1中列出的是部分m 序列的反馈系数,将表中的反馈系数进行比特反转,即进行镜像,即可得到相应的m 序列。
例如,取482(23)(10011)C ==,进行比特反转之后为28(10011)(31)=,所以4级的m 序列共有2个。
%matlab程序:生成m序列和相关性分析clc;N=5;connections=gfprimfd(N,'all');%生成级数为5时所有本原多项式系数序列矩阵f1=connections(2,:); %取一组本原多项式序列,此系数为45(100101)f2=connections(3,:); %取另一组本原多项式序列,此系数为75(111101)registers1=[0 0 0 0 1];%给定寄存器的初始状态registers2=[0 0 0 0 1];%取相同的初始状态L=2^N-1; %周期长度sum2=0;sum1=0;for k=1:Lseq1(k)=registers1(N); %第一组m序列seq2(k)=registers2(N); %第二组序列for j=1:N %进行模2加sum1=sum1+f1(j+1)*registers1(j); %各级寄存器送参与模2加的值sum1=mod(sum1,2);sum2=sum2+f2(j+1)*registers2(j); %各级寄存器送参与模2加的值sum2=mod(sum2,2);endfor t=N:-1:2 %寄存器移位registers1(t)=registers1(t-1);registers2(t)=registers2(t-1);endregisters1(1)=sum1; registers2(1)=sum2;sum1=0; sum2=0;enddisp(f1); %显示反馈系数序列disp(seq1); %显示第一组m序列m1=xcorr(seq1,’unbiased’);%计算自相关函数figure;stem(m1/max(m1));title('m1的自相关函数'); %画出m1序列的自相关函数disp(f2);disp(seq2);m2=xcorr(seq2,’unbiased’);figure;stem(m2/max(m2));title('m2的自相关函数');%画出m2序列的自相关函数R12= xcorr(seq1,seq2,’unbiased’)figure;plot(R12/max(R12));title('m2,m1的互相关函数');%画出m1,m2序列的互相关特性s=fftshift(abs(fft(seq1,2*L)).^2); s=s/max(s);figure;plot(s);分析:由图知m 序列具有良好的自相关特性,但其互相关特性并不理想,存在多值。
图4 全0初始状态下状态转移图 最长线性反馈移存器序列伪随机码又称为随机序列,它是具有类似于随机序列基本特性的确定序列。
通常广泛应用二进制序列。
二进制独立随机序列在概率论中称为贝努利(Bernoulli )序列,它由两个元素(符号)0,1或1,-1组成,序列中不同位置的元素取值相互独立,0或1的出现概率相等,简称此种序列为随机序列。
随机序列具有以下三个基本特性:(1) 在序列中“0”和“1”出现的相对频率各为1/2。
(2) 序列中连0或连1称为游程,连0或连1的个数称为游程的长度。
序列中长度为1的游程数占游程总数的1/2;长度为2的游程数占游程总数的1/4;长度为3的游程数占游程总数的1/8;长度为n 的游程数占游程总数的1/2n 。
此性质称为随机序列的游程特性。
(3) 如果将给定的随机序列位移任何个元素,则所得到的序列和原序列对应的元素有一半相同,一半不同。
如果确定序列近似满足以上三个特性,则称此确定序列为伪随机序列。
最长线性反馈移存器序列是最常见和最常用的一种伪随机序列,简称m 序列,它是由具有线性反馈的移位寄存器产生的周期最长的序列。
下面以长度(周期)为7的m 序列为例说明m 序列的产生过程和性质。
图1为长度等于7的m 序列(简称7位m 序列)产生电路的逻辑框图。
在时钟脉冲的作用下移存器的状态不断变化,图2为移存器状态变化图表。
假设移存器的初始状态为10=a ,01=a ,02=a 。
由图2可见,在第7个时钟脉冲时移存器的状态又回到初始状态,这说明此序列的长度等于7。
如果移存器的初始状态为全0,即00=a ,01=a ,02=a ,则此状态在时钟脉冲作用下不会改变。
即全0初始状态下产生的序列为全0序列。
非全0状态下,移存器状态变化的顺序可以用用其状态转移图表示。
图3是非全0状态下的状态转移图;图4是全0状态下的状态转移图。
其中图3圆圈中的数字与0a ,1a ,2a 相对应。
图2 状态变化表 图3 非全0初始状态下状态转移图1=CP图1 m 序列产生电路逻辑框图CP上述7位吗m 序列产生器由三级移位寄存器组成,每一级移位寄存器有两个可能状态(0,1),三级移位寄存器的所有可能状态为23=8种:000,001,010,011,100,101,110,111,其中全0状态不能进入m 序列产生器的移存器,否则将出现全0序列。
m 序列及相关理论分析摘要:本文阐述了常用伪随机序列m 序列的产生方法,对其自相关性和互相关性等主要性质进行简要分析。
关键字:m 序列;伪随机序列;相关性;m code sequence and relevant theory analysesAbstict : This paper expounds the generation method of commonly used pseudo-random sequence: m sequence and carries the brief analys on auto correlation mutual correlation.Keywords :m sequence; pseudo-random sequence; correlation1 引言在通信系统中,随机噪声会使数字信号出现误码和使模拟信号产生失真和,而且随机噪声也是限制信道容量的一个重要因素。
因此人们经常希望消除或减少通信系统中的随机噪声。
另一方面,在实际需要时人们产生随机噪声并利用随机噪声。
例如,在实验室中可能要故意加入一定的随机噪声对通信设备或系统的各个性能指标进行测试。
又如通过利用掺入随机噪声来提高通信的可靠性。
为了满足上述实际应用要求,则需要产生满足对应要求的随机噪声信号。
实际中,难以重复产生和处理随机噪声是利用随机噪声的最大困难。
2 m 序列的产生m 序列又称伪随机序列、伪噪声码(PN)或伪随机码。
其中:确定序列是可以预先确定并且可以重复实现的序列;随机序列是既不能预先确定又不能重复实现的序列;伪随机序列是不能预先确定但可以重复产生的序列。
m 序列(全称:最长线性反馈移位寄存器序列)是最为常用的一种伪随机序列。
m 序列是由带线性反馈的移位寄存器产生的序列,并且具有最长的周期。
由n 级串接的移位寄存器和对应级别的反馈逻辑电路可组成动态移位寄存器,如果反馈逻辑线路只用线性模2和构成,那么就称此寄存器为线性反馈移位寄存器;但是反馈逻辑线路中出现如“与”、“或”等运算,那么称此寄存器为非线性反馈移位寄存器。
m序列的原理
M序列(Maximum Length Sequence)是一种伪随机序列生成
方法,也称为伪随机二进制序列。
它具有自相关性和互相关性很小的特点,并且具有最长周期。
M序列的生成原理基于反馈移位寄存器(Feedback Shift Register,FSR)。
FSR是由多个D触发器(D Flip-Flop)组
成的,每个D触发器的输出作为下一个D触发器的输入,并
形成移位链。
M序列的开始状态可以是任意的,并通过逻辑运算(如异或
运算)将连续的寄存器输出进行组合,生成伪随机序列。
M
序列的周期取决于FSR的长度,理论上可以达到2的n次方-1,其中n为FSR的长度。
生成M序列的特点如下:
1. 周期最长:当FSR的长度为n时,M序列的周期为2的n
次方-1。
2. 互相关性和自相关性较小:M序列具有较小的相互相关性
和自相关性,适合用于通信系统中的扩频技术。
3. 均匀性:M序列的值为+1或-1,每个值出现的概率相等,
具有较好的均匀性。
4. 硬件实现简单:使用FSR和逻辑运算可以很容易地生成M
序列,不需要复杂的计算。
M序列在通信系统中的应用广泛,主要用于扩频通信中的伪
随机序列生成、同步检测以及信号捕获等方面。
m 序列及相关理论分析摘要:本文阐述了常用伪随机序列m 序列的产生方法,对其自相关性和互相关性等主要性质进行简要分析。
关键字:m 序列;伪随机序列;相关性;m code sequence and relevant theory analysesAbstict : This paper expounds the generation method of commonly used pseudo-random sequence: m sequence and carries the brief analys on auto correlation mutual correlation.Keywords :m sequence; pseudo-random sequence; correlation1 引言在通信系统中,随机噪声会使数字信号出现误码和使模拟信号产生失真和,而且随机噪声也是限制信道容量的一个重要因素。
因此人们经常希望消除或减少通信系统中的随机噪声。
另一方面,在实际需要时人们产生随机噪声并利用随机噪声。
例如,在实验室中可能要故意加入一定的随机噪声对通信设备或系统的各个性能指标进行测试。
又如通过利用掺入随机噪声来提高通信的可靠性。
为了满足上述实际应用要求,则需要产生满足对应要求的随机噪声信号。
实际中,难以重复产生和处理随机噪声是利用随机噪声的最大困难。
2 m 序列的产生m 序列又称伪随机序列、伪噪声码(PN)或伪随机码。
其中:确定序列是可以预先确定并且可以重复实现的序列;随机序列是既不能预先确定又不能重复实现的序列;伪随机序列是不能预先确定但可以重复产生的序列。
m 序列(全称:最长线性反馈移位寄存器序列)是最为常用的一种伪随机序列。
m 序列是由带线性反馈的移位寄存器产生的序列,并且具有最长的周期。
由n 级串接的移位寄存器和对应级别的反馈逻辑电路可组成动态移位寄存器,如果反馈逻辑线路只用线性模2和构成,那么就称此寄存器为线性反馈移位寄存器;但是反馈逻辑线路中出现如“与”、“或”等运算,那么称此寄存器为非线性反馈移位寄存器。
线性反馈逻辑的移位寄存器设定初始状态后,在时钟促使下,每次移位后各级的寄存器状态就会发生移位改变状态。
整个系统中的每一级寄存器都会随着时钟节拍的推移输出一个序列,该序列成为移位寄存器序列,以下图1所示的5级移位寄存器为例,图中线性反馈逻辑服从一下递归关系:52--⊕=n n n a a a (1)图1 一种5级移位寄存器由图中可知:将第二级移位寄存器的输出和第五级移位寄存器的输出经过模2和运算后反馈到第一级的输入中。
假设这5级移位寄存器的初始值为00001,第1、2、3、4级移位寄存器存储值为0,第五级存储值为1。
在移位时钟节拍的作用下,各级移位寄存器的输出状态转移流程图如下表1所示。
经过31个时钟后,第31节拍移位寄存器的状态与第0拍的状态(初始状态)相同,因而再经过一个时钟之后,从第32拍开始,移位寄存器必定重复第1至第31拍的过程。
这说明该移位寄存器的状态具有周期性,其周期长度为31。
如果从第5级输出,选择1000为起点,便可得到如下序列:表1 m 序列发生器状态转移流程图由上表可以发现,对于具有5级的移位寄存器共有25-1=31种不同的状态。
上述序列中出现了除全0以外的所有状态,因此上述序列即为可能得到的最长周期的序列。
因此具有上述具体线性反馈的移位寄存器的只要移位寄存器不是全0的初始状态,就能得到最长周期的序列。
其实,从任何一级寄存器输出所得到的都是周期为31的序列,只是这些序列的节拍不同而已,但是这些序列都是m 序列即最长线性反馈移位寄存器序列。
带有线性反馈的移位寄存器周期长短由寄存器的级数、线性反馈逻辑电路和初始状态三种因素决定。
但在产生最长周期的序列时,关键要有合适的线性反馈逻辑而且还要求初始状态非全0即可。
n 级线性反馈移位寄存器如图2所示。
图2中Ci 表示反馈线的两种可能链接状态,Ci =0表示连线断开,第n -i 级输出未加入反馈;Ci =1表示连线接通,第n -i 级输出加入反馈中。
一般形式的线性反馈逻辑表达式为:)2(mod 102211i n ni i n n n n a C a C a C a C a -=--∑=⊕⊕⊕= (2)图2 n 级线性反馈移位寄存器将等式左边的a n 移到右边,并将a n =C 0a n (C 0=1)代入式(2),则式可改写为i n ni i a C -=∑=00 (3)定义一个与式(3)相对应的多项式i ni i x C x F ∑==0)( (4)其中x 的幂次表示元素相应的位置。
上式成为线性反馈移位寄存器的特征多项式。
特征多项式与输出序列的周期有密切关系。
可以证明,当F(x)满足下列三个条件就可以确定产生m 序列:(1)F(x)是不可约的,即不能再分解因式;(2)F(x)可整除1+p x ,这里12-=p p ,n 是移位寄存器的位数,p 是m 序列周期;(3)F(x)不能整除1+p x ,这里p q 。
满足上述条件的多项式成为本原多项式。
如表2所示为各级的本原多项式系数。
表2 本原多项式系数当12-=n N 为素数时,由N x +1分解出的所有的级数为r 的不可约多项式均为m 序列的特征多项式。
在这一部分,将给出由N x +1分解出的级数r 的不可约多项式的条数N 1和能产生m 序列的特征多项式的条数N m 。
由唯一分解定理可知,任一个大于1的正整数n 都可以表示为素数的乘积,即i i ki p n α1=∏=,式中,i p 为素数;i α是正的幂数。
不难求出一个求r 次不可约多项式个数的普遍公式-+-=∑∑≤≤=mj pp r mi p r m r N 1/1/222[1]2)(221/1/mji p p p m m mk j p p r -++∑≤≤ (5)表3 m 序列长度、不可约多项式个数和m 序列的条数级数r 2r -1 N m N 1 2 1 1 1 3 3 2 2 4 15 6 6 5 31 6 9 6 63 8 18 7 127 16 30 8 255 48 56 9 511 60 99 10102360993 m 序列性质m 序列具有非常优良的数字理论特性,这是它能够得到广泛应用的根本原因,m 序列既具有一定的随机性,由具有确定性(周期性),以下为他的主要理论特性: 3.1 均衡性序列中1和0个数具有均衡性,即在每个周期12-=n T 内,0出现121--n 次,1出现12-n 次。
周期12-=n T 的m 徐磊,是由n 级线性反馈移位寄存器产生的,其反馈逻辑是(112⊕-nX )型二项式的本原多项式。
这个多项式就是该线性移位寄存器的状态变换矩阵T 的特征多项式,而且满足112=-nX ,这就表明,该反馈线性移位寄存器的状态经过12-n 次变换后回到初始状态,完成一个循环周期,在这12-n 次变换中,恰好遍历了除“全0”之外的全部12-n 种状态。
3.2 游程在一个序列中连续出现的相同码成为一个游程,连码的个数成为游程的长度。
M 序列中共有12-n 个游程,其中长度等于i 的游程占游程总数的21,2/1-≤≤n i i ,此外,还有一个长为n 的1游程和一个长为n-1的0游程。
3.3 循环相加性若某个n 级线性反馈移位寄存器产生的m 序列,根据它的反逻辑可以写出{x p }序列i p ri i p x c x -=∑=1)2( (6)当然也有{i p x -}i p ri i p x c x --=-∑=ττ1)2( (7)其中r ic i ,,2,1, =是各级的反馈系数。
现求其模2和)(1)2(i p i p i ri p p x x c x x ---=-⊕=⊕∑ττ (8)其中符号∑=ri 1)2(表示模2加。
可见,{τ-⊕p p x x }与{p x }是具有相同反馈逻辑的m 序列,只是出相不同。
因此,一般地可以表示为ττ≠=⊕--l x x x l p p p },{}{}{ (9) 这个性质,称为m 序列的循环相加性,用文字来表述是:m 序列{p x }与其循环移位序列{τ-p x }的模2和,必为此序列的另一个循环移位序列}{l p x -,生成后的m 序列可以看做是原m 序列经过τ延时后的结果。
3.4 优良的自相关特性为了产生实际中的波形和利于数学处理,常常采用的是m 序列的双极性形式,即}1,1{-∈i m ,这里a m i 21-=。
m 序列的自相关函数的数学表达式Tk T T k R mm 1)(1)(-+=δ (10) 其中0,00,1{)(≠==k k k δ可以看出,若区多个周期,则0=k 时,m 序列的归一化自相关函数值为1,其余时刻时值为T 1-。
如下图3图3 m 序列的自相关函数由此可得到单极性m 序列和双极性m 序列的自相关函数规律:(1)m 序列的单极性和双极性的自相关曲线在t=0处都有一个尖峰,其他处的值很小;(2)双极性m 序列的自相关曲线具有更为良好的特性;(3)由于自相关函数具有类冲激性质,则其功率谱具有更宽的值,类似于白噪声。
3.5 互相关特性对于周期性函数)()(21t S t S 和,若二者周期均为T ,则互相关函数dt t S t S R T)()()(201ττ-=⎰ (11)互相关系数 dt t S t S TT)()(1)(201ττρ-=⎰ (12)如果)()(21t S t S 和的周期不同,例)(1t S 的周期为1T 和)(2t S 的周期为2T ,则二者的互相关函数dt t S t S R T T )()()(20121ττ-=⎰(13)互相关系数 dt t S t S T T T T )()(1)(2012121ττρ-=⎰ (14)对于周期性二进制序列,如果}{n a 的周期为1p ,}{n b 的周期为2p 那么它们的互相关函数ττ-=∑=n p p n n b a R ],[121)( (15)互相关系数ττρ-=∑=n p p n n b a p p ],[12121],[1)( (16)式中],[21p p 表示21,p p 最小公倍数。
对于有1和0构成的两个二进制序列,其相关函数D A R -=)(τ (17) 相关系数 PDA D A D A +=+-=)(τρ (18) 式中A 表示两序列对应元素相同的个数,即模2加后0的个数;D 表示两序列对应元素不同的个数,即模2加后1的个数;P 表示相关元素总数,即P=A+D 。
两个周期分别为1p 和2p ,且1p 和2p 互素的m 序列之间的互相关函数是一个常熟,即211p p =ρ,如果这个常熟很小,那么不大严格地说,这两个序列是正交的。