建筑制图大作业答案
- 格式:doc
- 大小:115.00 KB
- 文档页数:2
建筑制图答案(总3页)--本页仅作为文档封面,使用时请直接删除即可----内页可以根据需求调整合适字体及大小--网络教育学院《建筑制图》大作业学习中心:昆明五华智源培训中心层次:高起专专业:建筑工程技术年级:年春学生:邓威辅导教师:大工16春《建筑制图》课程大作业题目一:什么是中心投影法,什么是平行投影法投影面平行面和投影面垂直面的三视图各有哪些特点通过对《建筑制图》课程的学习,你对哪个知识点最感兴趣,对你的工作是否有帮助题目二:画出下面形体的三视图。
题目一答案:中心投影法是所有投射线从同一投影中心出发的投影方法,称为中心投影法,平行投影法是如果把中心投影法的投射中心移至无穷远处,则各投射线成为相互平行的直线,这种投影法称为平行投影法,平行投影法又分为斜投影法和正投影法。
平行于一个投影面而同时倾斜于另外两个投影面的直线称为投影面平行线。
投影面平行线的投影特征:(1)直线平行哪个投影面,它在该投影面上的投影反映空间线段的实长,并且这个投影和投影轴所夹的角度,就等于空间线段对相应投影面的倾角;(2)其他两个投影都小于空间线段的实长,而且与相应的投影轴平行。
投影面垂直线垂直于一个投影面而同时平行于另外两个投影面的直线称为投影面垂直线。
投影面垂直线的投影特征:(1)直线垂直哪个投影面,它在该投影面上的投影积聚为一点。
(2)其他两个投影都与相应的投影轴垂直,并且都反映空间线段的实长。
学习了建筑制图我觉得三视图我最感兴趣,在我平时上班施工过程中经常会用到三视图来表达现场的各个部位,也让我对三视图有了进一步的了解。
题目*答案:形体的三视图为:。
网络教育学院《建筑制图》大作业
学习中心:
层次:高起专
专业:建筑工程管理
年级:
学生:
辅导教师:赵丽妍
题目一答案:
答:能够正确反映物体长、宽、高尺寸的正投影工程图(主视图,俯视图,左视图三个基本视图)称为三视图。
三视图的投影规律:
1、物体的三个视图按规定展开、摊平在同一平面上以后,具有明确的位置关系,即:主视图在上方,俯视图在主视图的正下方,左视图在主视图的正右方;
2、主、俯视图长对正(等长)。
主、左视图高平齐(等高)。
俯、左视图宽相等(等宽)。
上面所归纳的“三等”关系,简单地说就是“长对正、高平齐、宽相等”。
对于任何一个物体,不论是整体,还是局部,这个投影对应关系都保持不变。
“三等”关系反映了三个视图之间的投影规律,是我们看图、画图和检查图样的依据;
3、三面视图中不仅反映了物体的长、宽、高,同时也反映了物体的上、下、左、右、前、后六个方位的位置关系。
主视图反映了物体的上、下、左、右方位。
俯视图反映了物体的前、后、左、右方位。
左视图反映了物体的上、下、前、后方位。
应该注意,对于俯视图和左视图来说,凡是靠近主视图的一边(里面)是表示物体的后面;凡是远离主视图的一边(外面),是物体的前面。
一般选体型特征明显的一面作为正视图并平行于正投影面。
尽可能让模型的平面平行或垂直某投影面,以利于反映实形。
绘图步骤:1、形体分析,根据模型的形状和结构特点,分解模型。
2、主视图的选择,主视图投影方向的选择,应以能较好地表达物体的形状特征为主要原。
《建筑制图》作业
题目一: (1)钢筋混凝土构件中所使用的钢筋中,什么叫受力筋,什么叫分
布筋,什么是箍筋,什么叫构造筋;各自用在哪类构件中?
(2)下图是框架梁的平面标注图,以及对应传统表示方法绘制的1-1截面处梁的配筋图,要求根据平面标注图中的内容指出配筋图中①、②、③、④、⑤处对应的内容分别是什么。
(注:钢筋符号无法打出的,粘贴后面图样 “ ” )
题目二:(1)什么是设备施工图,主要反映哪些内容,设备施工图主要包括哪
些图样?(2)(a )、(b )、(c )、(d )、(e )是给排水施工图中的图例,写出它们各表示什么?
J
()
a ()
b ()c
()d )(e
题目三:学习了《建筑制图》课程后,你对哪部分知识点最感兴趣,相比学习之前,都有哪些收获,对你的工作有什么帮助。
(不少于500字) 题目四:谈一谈你对建筑结构施工图中的“平面整体设计方法”的理解,分析这种绘图规则有哪些优缺点。
(不少于500字)。
网络教育学院《建筑制图》大作业
学习中心:
层次:
专业:
年级:
学生:
辅导教师:赵丽妍
题目一答案:
答:平法的表达形式,概括来讲,是把结构构件的尺寸和配筋等,按照平面整体表示方法制图规则,整体直接表达在各类构件的结构平面布置图上,再与标准构造详图相配合,即构成一套新型完整的结构设计。
①角筋425
②b面中部筋218
③箍筋φ10@100/200
④h面中部筋222
⑤柱子截面尺寸500×500
题目二答案:
题目三答案:
题目四答案:
斜二轴测图如下图所示
题目五答案:
1-1剖面图如下图所示
题目六答案:
建筑制图是一门学问,自成系统。
建筑识图自然有法可依,有规律可循。
设计说明是设计图纸的纲领,看图先要认真阅读设计说明。
设计说明中包括建筑工程概况(建筑名称、建设地点、建设单位),经济技术指标(建筑面积、建筑层数、建筑高度、耐火等级、防水等级、抗震设防烈度等),基本做法(墙体、防水、门窗、玻璃等)。
把这些内容看明白了,对建筑的基本情况也就大体了解了。
总
平面图表达建筑与周围环境的关系,是建筑定位的关键。
总平面图中除了建筑,还会标示道路、停车场、绿地、水面、广场等内容,帮助我们全面了解场地条件。
重点关注场地入口、建筑入口、各种间距(消防、日照、卫生)的控制、定位坐标。
建筑制图就是理几条线,再把线串起来,深入、细致勾画出图纸。
最主要是要我们多学习多画图,多总结多积累。
只有不断的学习,才能提高自身的专业水平,才能不断上升自我,磨练自己。
网络教育学院《建筑制图》大作业学习中心:层次:高起专专业:道路桥梁工程技术年级:秋季学生:学号:辅导教师:题目一答案:答:1、轴测投影是平行投影的一种。
将物体放在三个坐标面和投影线都不平行的位置,使它的三个坐标面在一个投影上都能看到,从而具有立体感。
2、正轴测投影是轴测投影中投射线与投影面垂直。
3、斜轴测投影是轴测投影中投射线与投影面倾斜。
4、轴测投影具有:①平行性。
物体上相互平行的线段,其轴测投影也相互平行;与坐标轴平行的线段,其轴测投影必平行于相应的轴测轴。
②定比性。
物体上的轴向线段(平行于坐标轴的线段),其轴测投影与相应的轴测轴有着相同的轴向伸缩系数。
③真实性。
物体上平行于轴测投影面的平面,在轴测图中反映实形。
通过对《建筑制图》课程的学习,让我掌握了很多建筑制图专业知识,并且根据老师的指导和帮组,再加上我的主动思考,课程内容掌握的比较好。
尤其是对三视图的学习,这也是我对建筑制图最感兴趣的知识点。
首先,通过学习,这门课程,对于我在实际工程过程中有很大的帮组,以前不了解制图方面的知识,通过老师的讲解让我明白建筑制图的相关知识及规范要点,同事也是我在实际工作的必备工具;其次,虽然这门课程在网络教育中算是很难的一门课,但是经过老师细致的讲解和我的积极思考,让我慢慢的克服了学习的困难,顺利的学完了这么课程;最后,虽然课程结束了,但是我还需要继续的通过自己的努力学习,力图让自己能够熟练掌握这门技术,为以后实际工作打下坚实基础。
相信在未来的工作中我将把所学到的理论知识和实践经验不断的应用到实际工作来,充分展示自我的个人价值和人生价值。
题目二答案:形体的三面投影图为:。
建筑制图习题集答案最新 1到52页建筑制图习题集答案第1题:定义“构图”的概念及构图的原则。
构图是指在画面中安排人物、景物等要素的位置,以达到整体和谐、美观的目的。
构图的原则包括平衡原则、对称原则、比例原则、重点突出原则等。
第2题:什么是二维制图?二维制图是指将建筑或工程设计的平面、剖面、立面等视图图形化地表达出来,以便于人们理解和阐述建筑或工程方案。
第3题:什么是三维制图?三维制图是指将建筑或工程设计的立体图形化地表达出来,以便于人们直观地了解建筑或工程的外观、结构等方面。
第4题:什么是效果图?效果图是指以立体的形式展现建筑或工程设计方案的图示,通过图像渲染和灯光效果等手段,使人们可以预览到建筑物的外观、材质和色彩等特征。
第5题:什么是平面布置方案?平面布置方案是指将建筑或工程所需的各功能区域合理地布置在平面图中,包括功能区域的大小、形状、位置关系等要素。
立面布置方案是指将建筑或工程设计方案在立面图中体现出来,包括建筑物立面的形状、比例、窗户、门等要素。
第7题:什么是屋顶平面布置方案?屋顶平面布置方案是指将建筑或工程设计方案中的屋顶部分在平面图中展示出来,包括屋顶的形状、结构、排水系统等要素。
第8题:什么是剖面布置方案?剖面布置方案是指将建筑或工程设计方案中的剖面部分在剖面图中展示出来,包括建筑物内部结构、层高、楼梯、电梯等要素。
第9题:什么是钢筋图?钢筋图是指钢筋混凝土结构设计方案中,将需要布置的钢筋在图纸上标注出来,包括钢筋的种类、直径、长度、布置位置等要素。
第10题:什么是电气布置图?电气布置图是指建筑或工程设计方案中,将电气设备、线路、开关等要素在平面图中标注出来,以便进行电气系统的布置和施工。
第11题:什么是给水排水布置图?给水排水布置图是指建筑或工程设计方案中,将给水管道、排水管道、水泵、水箱等要素在平面图中标注出来,以便进行给水排水系统的布置和施工。
消防布置图是指建筑或工程设计方案中,将消防设备、消防通道、灭火器等要素在平面图中标注出来,以便进行消防系统的布置和施工。
《建筑工程制图》大作业解答
注:第一、二、三页为题目,第四页起为题目解答作图题
1、补绘组合体的水平面投影
2、补绘组合体的水平面投影
3、根据立体图,补齐三视图中所缺的图线
4、根据立体图,补齐三视图中所缺的图线
5、根据立体图,补齐三视图中所缺的图线
6、阅读梁配筋施工图,完成指定位置1-1、3-3断面图,并画全成型钢筋图
7、阅读梁平法施工图,完成指定位置1-1、2-2、3-3、4-4断面图。
以下为解答:
1、补绘组合体的水平面投影
解答:
2、补绘组合体的水平面投影
解答:
3、根据立体图,补齐三视图中所缺的图线
解答:
4、根据立体图,补齐三视图中所缺的图线
解答:
5、根据立体图,补齐三视图中所缺的图线
解答:
6、阅读梁配筋施工图,完成指定位置1-1、3-3断面图,并画全成型钢筋图
答:
7、阅读梁平法施工图,完成指定位置1-1、2-2、3-3、4-4断面图。
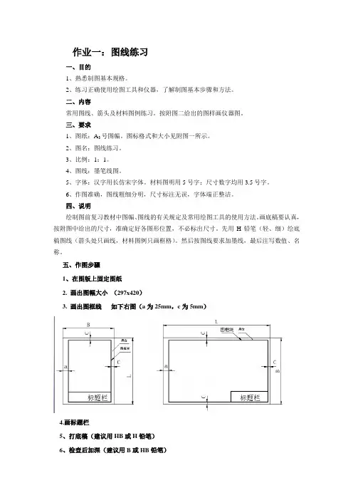
作业一:图线练习一、目的1、熟悉制图基本规格。
2、练习正确使用绘图工具和仪器,了解制图基本步骤和方法。
二、内容常用图线、箭头及材料图例练习。
按附图二给出的图样画仪器图。
三、要求1、图纸:A3号图幅。
图标格式和大小见附图一所示。
2、图名:图线练习。
3、比例:1:1。
4、图线:墨笔线图。
5、字体:汉字用长仿宋字体。
材料图明用5号字;尺寸数字均用3.5号字。
6、作图准确,图线粗细分明,尺寸标注无误,字体端正整洁。
四、说明绘制图前复习教材中图幅、图线的有关规定及常用绘图工具的使用方法。
画底稿要认真,按附图中给出的尺寸,准确定好各图形位置,不必标出尺寸。
先用H铅笔(轻、细)绘底稿图线(箭头处只画线,材料图例只画框格)。
然后按图线要求加墨线,最后注写数值、名称。
五、作图步骤1、在图版上固定图纸2. 画出图幅大小(297x420)3. 画出图框线如下右图(a为25mm,c为5mm)4.画标题栏5、打底稿(建议用HB或H铅笔)6、检查后加深(建议用B或HB铅笔)附图二:15 8 8 8 815 30 20 50 (图 名)(校名) 学生 教师 图别 图号班级成绩作业二:建筑平面图一、目的1、熟悉建筑平面图的内容和要求。
2、通过作业掌握绘制建筑平面图的步骤和方法。
二、内容按借用教材图5-10(参阅图5-1,图5-9,图5-18,图5-26墙身详图及图5-28),抄绘别墅二层平面图,或按辅导教师提供的一套房屋施工图,抄绘指定的平面图。
三、要求1、图纸:A3号图幅。
图标格式和大小见作业1中的附图一所示。
2、图名:二层平面图。
3、比例:1:100。
4、图线:墨笔线图。
5、字体:汉字用长仿宋字体。
平面图下方的图名(二层平面图)用10号字;文字说明用5号字(或略小些);尺寸说明中数字均用3.5号字;轴线编号圆圈中数字用5号字。
6、作图准确,图线粗细分明,尺寸标注无误,字体端正整洁。
四、说明绘制步骤见借用教材中图5-19及其说明。
建筑制图试题及答案一、单项选择题(每题2分,共20分)1. 在建筑制图中,表示建筑物平面形状和平面位置的图称为()。
A. 平面图B. 立面图C. 剖面图D. 详图答案:A2. 建筑制图中,用于表示建筑物内部结构和构造细节的图称为()。
A. 平面图B. 立面图C. 剖面图D. 详图答案:D3. 在建筑制图中,比例尺是用来表示图上距离与实际距离之间的()。
A. 比例关系B. 面积关系C. 体积关系D. 长度关系答案:A4. 建筑制图中,用于表示建筑物高度和宽度的图称为()。
A. 平面图B. 立面图C. 剖面图D. 详图答案:B5. 在建筑制图中,用于表示建筑物内部结构和构造的垂直剖切面图称为()。
B. 立面图C. 剖面图D. 详图答案:C6. 建筑制图中,表示建筑物内部结构和构造的水平剖切面图称为()。
A. 平面图B. 立面图C. 剖面图D. 详图答案:D7. 在建筑制图中,用于表示建筑物内部空间和结构的图称为()。
A. 平面图B. 立面图D. 详图答案:C8. 建筑制图中,用于表示建筑物外部形状和结构的图称为()。
A. 平面图B. 立面图C. 剖面图D. 详图答案:B9. 在建筑制图中,用于表示建筑物内部结构和构造的局部放大图称为()。
A. 平面图B. 立面图C. 剖面图D. 详图答案:D10. 建筑制图中,用于表示建筑物内部结构和构造的图称为()。
A. 平面图B. 立面图C. 剖面图D. 详图答案:D二、多项选择题(每题3分,共15分)1. 建筑制图中,下列哪些图可以表示建筑物的内部结构和构造()。
A. 平面图B. 立面图C. 剖面图D. 详图答案:C, D2. 建筑制图中,下列哪些图可以表示建筑物的外部形状和结构()。
A. 平面图B. 立面图C. 剖面图D. 详图答案:B, D3. 建筑制图中,下列哪些图可以表示建筑物的平面形状和平面位置()。
A. 平面图B. 立面图C. 剖面图D. 详图答案:A4. 建筑制图中,下列哪些图可以表示建筑物的高度和宽度()。
大工14秋《建筑制图》课程大作业注意:以下四个题目中有两个题目需要回答,题目一是必答地题目,其余三个题目中任选一道题进行回答.题目一:(必答题)什么是结构施工图,一套结构施工图一般包括哪些图纸?什么是建筑施工图,一套建筑施工图一般包括哪些图纸?什么是建筑平面图,有什么作用?建筑平面图地外部尺寸通常要标注几道,分别标注哪些内容?题目二:画出下面形体地三视图.绘图要求:(1)投影方向:以垂直于A面地方向进行投影,得到正面投影图. (2)要按照图示尺寸比例绘制三视图,如遇到未标注尺寸地部分,可按大致比例绘制.(3)不限制绘图方法.可以使用CAD绘制,然后截图提交;也可以手工绘制,然后拍照截图提交;还可以用其他方法绘制,然后截图提交. 题目三:画出下面形体地三视图.绘图要求:(1)投影方向:以垂直于A 面地方向进行投影,得到正面投影图.(2)要按照图示尺寸比例绘制三视图,如遇到未标注尺寸地部分,可按大致比例绘制.(3)不限制绘图方法.可以使用CAD 绘制,然后截图提交;也可以手工绘制,然后拍照截图提交;还可以用其他方法绘制,然后截图提交. 题目四:画出下面形体地三视图.绘图要求:(1)投影方向:以垂直于A 面地方向进行投影,得到正面投影图.(2)要按照图示尺寸比例绘制三视图,如遇到未标注尺寸地部分,可按大致比例绘制.(3)不限制绘图方法.可以使用CAD绘制,然后截图提交;也可以手工绘制,然后拍照截图提交;还可以用其他方法绘制,然后截图提交.作业格式及提交要求1.作业格式:必须是word文档,三视图地图片粘贴到文档中.2.作业封面:见下页,同学们需要填写清楚个人信息.3.作业正文:正文字体统一采用宋体.小四.在文档中标清所选择地题目编号和答案,将该文件保存.注意,同学们需保证所绘制三视图地图片能够在文档中正常显示,以免影响作业成绩.4.作业提交:以附件形式上交离线作业(附件地大小限制在10M以内).选择已完成地作业(word文档,不许压缩),点提交即可.如下图所示.截止时间:2015年3月10日.注意:作业应该独立完成,不准抄袭其他网站或者请人代做,如有雷同作业,成绩以零分计.附录:封面参考网络教育学院《建筑制图》大作业学习中心:层次:高起专/专升本专业:年级:年春/秋季学生:辅导教师:赵丽妍题目一答案:结构施工图是关于承重构件地布置,使用地材料.形状.大小及内部构造地工程图样,是承重构件以及其他受力构件施工地依据.结构施工图一般包括结构设计说明.各层结构布置平面图.结构详图.楼梯结构详图和其他构造详图.建筑施工图主要用来表示房屋地规划位置.外部造型.内部布置.内外装修.细部构造.固定设施及施工要求等.它包括施工图首页.总平面图.平面图.立面图.剖面图和详图.题目二答案:形体地三视图为:主视图俯视图左视图题目二。
一、单选题(共40道试题,共80分。
)V1 .在施工图中,C代表A.门B.窗C.梁D.柱正确答案:B满分:2分2 .在钢筋混凝土构件代号中表是表示门A.圈梁B.过梁C.连系梁D.基础梁正确答案:B满分:2分3 .立面图不能按(##)方式命名A.朝向B..轴线C.色彩D.主出入口正确答案:C满分:2分4 .主要用来确定新建房屋的位置、朝向以及周边环境关系的是A.建筑平面图B.建筑立面图C.总平面图D.功能分区图正确答案:C满分:2分5 .7-9层的住宅属于A.低层正确答案:C满分:2分6 .房屋建筑制图标准规定,粗实线一般用于A.主要可见轮廓线B.可见轮廓线C.不可见轮廓线D.可见轮廓线及图例线正确答案:A满分:2分7 .基础各部分形状、大小、材料、构造、埋置深度及标号都能通过(##)反映出来A.基础平面图B.基础剖面图C.基础详图D.总平面图正确答案:B满分:2分8 .建筑平面图中的中心线、对称一般应用A.细实线B.细虚线C.细单点长画线D.吸双点画线正确答案:C满分:2分9 .有一栋房屋在图上量得长度为50##m,用的是1:100比例,其实际长度是A. 5mB. 50mC. 500mD. 5000m正确答案:B满分:2分10 .建筑施工图中除了标高用到了m做单位还有(##)用到了m作单位D.总平面图正确答案:D满分:2分11 .水平投影和侧面投影应满足()的投影规律A.长对正B.宽相等C.高平齐D.长、宽、高都相等正确答案:B满分:2分12 .当比例为1:50时,图上量得长度为30mm,实际长度为触)mA. 1.5B. 15C. 0.15D. 30正确答案:A满分:2分13 .建筑剖面图剖切符号一般应标注在A.标准层平面B.底层平面C.顶层平面D.其他正确答案:B满分:2分14 .关于标高,下列(##)的说法是错误的A.负标高应注一B.正标高应注+C..正标高不注+D.零标高应注正确答案:C满分:2分梃表示示15 .在钢筋混凝土构件代号中A.圈梁B.过梁C.连系梁D.基础梁正确答案:D满分:2分16 .在施工图中,M代表A.窗B.墙C.梁D.门正确答案:D满分:2分17 .建筑施工图中定位轴线端部的圆用细实线绘制,直径为A. 8-10mmB. 11-12mmC. 5-7mmD. 12-14mm正确答案:A满分:2分18 .下列建筑中不属于公共建筑的是A.学校B.旅社C.医院D.宿舍正确答案:D满分:2分19 .结构施工图中的楼梯梁的代号为A. GLB.C. LD. JLE. TL正确答案:D满分:2分20 .梁编号KL5(3##)表示A.框架梁KL5共有3跨,其中一端有悬挑B.框架梁KL5共有5跨,其中两端有悬挑C.框架梁KL5共有4跨,其中一端有悬挑D.框架梁KL5共有4跨,其中两端有悬挑正确答案:A满分:2分21 .标高符号的三角形为等腰直角三角形,高约(##)mmA. 3B. 5C. 6D. 8正确答案:A满分:2分22 .建筑施工图上一般注明的标高是A.绝对标高B.相对标高C.绝对标高和相对标高D.要看图纸上的说明正确答案:B满分:2分23 .建筑物结构承重可分为A.墙承重式框架结构B.墙承重式C.、半框架结构,框架结构D.墙承重式、框架结构、空间结构、半框架结构正确答案:D满分:2分24 .绘图板的工作边为A.短边B.长边C.两边都是D.无工作边正确答案:A满分:2分25 .不属于建筑平面图的是A.基础平面图B.底层平面图C.标准层平面图D.屋顶平面图正确答案:A满分:2分26 .钢筋工程施工中要看懂A.总平面图B.土建施工图C.结构施工图D.土建施工图与结构施工图正确答案:C满分:2分27.图样上的尺寸数字代表的是A.B.、实际尺寸C.、图线的长度尺寸D.、随比例变化的尺寸E.、其他正确答案:A满分:2分28 .结构施工图中的圈梁表示A. GLB. QLC. JLD. KL正确答案:B满分:2分29 .工程图纸一般是采用(##)原理绘制A.中心投影法B.平行投影法C.斜投影图D.正投影图正确答案:D满分:2分30.墙体是房屋的一个重要组成部分,按墙的平面位置不同分为A.纵墙与横墙B.夕卜墙和内墙C.承重墙与非承重墙D.砖墙与钢筋混凝土墙正确答案:B满分:2分31 .正等测轴侧图的轴向缩短系数正确的是A. 1.2B. 1.0C. 0.82D. 0.5正确答案:C满分:2分32 .房屋结构中框架代号为A. KJB. GJC. JD. ZJ正确答案:A满分:2分33 .一级建筑的耐久年限为(##)年A. 15-25B. 25-50C. 50-100D. 100以上正确答案:D满分:2分34 .下列叙述中不正确的是A.3%表示长度为100.高度为3的坡度倾斜度B.指北针一般画在总平面图和底层平面图上C.总平面图中的尺寸单位为毫米,标高尺寸单位为米D.总平面图的所有尺寸单位均为米,标注至小数点后二位正确答案:C满分:2分35 .在施工中,L代表A.板B.柱C.梁D.墙正确答案:C满分:2分36 .填充不得穿越尺寸数字,不可避免时。
(建筑制图)试题及答案一、选择题(每题2分,共20分)1. 在建筑制图中,表示建筑物平面布局的图是:A. 平面图B. 立面图C. 剖面图D. 详图答案:A2. 建筑制图中的尺寸线通常采用哪种线型?A. 虚线B. 点画线C. 粗实线D. 细实线答案:D3. 建筑制图中,用于表示建筑物高度的图是:A. 平面图B. 立面图C. 剖面图D. 详图答案:B4. 建筑制图中的图例是用来表示:A. 材料B. 尺寸C. 比例D. 颜色答案:A5. 在建筑制图中,表示建筑物内部结构的图是:A. 平面图B. 立面图C. 剖面图D. 详图答案:C6. 建筑制图中,用于表示建筑物内部空间分隔的图是:A. 平面图B. 立面图C. 剖面图D. 详图答案:A7. 建筑制图中,用于表示建筑物内部细节的图是:A. 平面图B. 立面图C. 剖面图D. 详图答案:D8. 在建筑制图中,表示建筑物与周围环境关系的图是:A. 总平面图B. 立面图C. 剖面图D. 详图答案:A9. 建筑制图中,用于表示建筑物内部管道布置的图是:A. 给排水图B. 电气图C. 结构图D. 详图答案:A10. 在建筑制图中,表示建筑物内部电气系统布置的图是:A. 给排水图B. 电气图C. 结构图D. 详图答案:B二、填空题(每题2分,共20分)1. 建筑制图中的______是用来表示建筑物的尺寸和位置。
答案:尺寸线2. 建筑制图中的______是用来表示建筑物的垂直高度。
答案:立面图3. 建筑制图中的______是用来表示建筑物的内部结构。
答案:剖面图4. 建筑制图中的______是用来表示建筑物的详细构造。
答案:详图5. 建筑制图中的______是用来表示建筑物与周围环境的关系。
答案:总平面图6. 建筑制图中的______是用来表示建筑物的平面布局。
答案:平面图7. 建筑制图中的______是用来表示建筑物内部的管道布置。
答案:给排水图8. 建筑制图中的______是用来表示建筑物内部的电气系统布置。
大工17秋《建筑制图》课程大作业注意:以下四个题目中有两个题目需要回答,题目一是必答的题目,其余三个题目中任选一道题进行回答。
题目一:(必答题)什么是中心投影法,什么是平行投影法?投影面平行面和投影面垂直面的三面投影图各有哪些特点?通过对《建筑制图》课程的学习,你对哪个知识点最感兴趣,对你的工作是否有帮助?题目二:(任选题)画出下面形体的三面投影图。
答:正视图:左视图:俯视图:题目三:(任选题)画出下面形体的三面投影图。
题目四:(任选题)画出下面形体的三面投影图。
a aa aa Aaaa a绘图要求:(1)投影方向:以垂直于A 面的方向进行投影,得到正面投影图。
(2)要按照图示尺寸比例绘制三面投影图,如遇到未标注尺寸的部分,可按大致比例绘制。
(3)不限制绘图方法。
可以使用CAD 绘制,然后截图提交;也可以手工绘制,然后拍照截图提交;还可以用其他方法绘制,然后截图提交。
作业格式及提交要求1、作业格式:必须是word 文档,三面投影图的图片粘贴到文档中。
2、作业封面:见下页,同学们需要填写清楚个人信息。
3、作业正文:正文字体统一采用宋体、小四。
在文档中标清所选择的题目编号和答案,将该文件保存。
注意,同学们需保证所绘制三面投影图的图片能够在文档中正常显示,以免影响作业成绩。
4、作业提交:以附件形式上交离线作业(附件的大小限制在10M 以内)。
选择已完成的作业(word 文档,不许压缩),点提交即可。
如下图所示。
截止时间:2018年3月14日。
注意:作业应该独立完成,不准抄袭其他网站或者请人代做,如有雷同作业,成绩以零分计。
附录:封面参考网络教育学院《建筑制图》大作业学习中心:层次:高起专/专升本专业:年级:年春/秋季学生:辅导教师:赵丽妍题目一答案:题目*答案:形体的三面投影图为:。
第一次作业读图题:由图简述房屋旳构成及其作用?读图题:由图简述房屋旳构成及其作用?答:1、屋面、墙过梁、楼板、墙、梁、基础:起承重作用。
2、屋面、雨棚、外墙:防风、雨、雪和阳光旳侵蚀干扰。
3、门、走廊、楼梯、台阶:起沟通屋内外和上下交通旳作用。
4、窗、通风口:通风、采光。
5、天沟、散水、雨水管、屋面坡度:排水。
6、防潮层:保护墙身。
7、架空层:隔热、排水。
8、女儿墙、楼梯安全栏板:维护安全。
9、找平层:便于防水、保温层旳铺设。
10、遮阳板:控制阳光照射和温度。
11、窗台:起美观作用。
12、山墙:与邻居旳住宅隔开和防火。
简答题:什么叫平法?答:把构造构件旳尺寸和配筋等,整体直接体现在该构件(钢筋混凝土柱、梁和剪力墙)旳构造平面布置图上,再配合原则构造详图,构成完整旳构造施工图。
1、工程建设制图中旳重要可见轮廓线应选用(粗实线)2、在建筑平面图中,横行定位轴线应用阿拉伯数字从左至右依次编写;竖向定位轴线应用(大写拉丁字母)从下至上次序编写。
3、图样上旳尺寸包括(尺寸界线)、尺寸线、尺寸起止符号、尺寸数字。
4、条形基础埋入地下旳墙称为(基础墙)5、房屋构造施工图旳图样一般包括(构造平面图)和(构件详图)两种。
墙体是房屋旳一种重要构成部分,按墙旳平面位置不一样分为( B ).A、纵墙与横墙B、外墙和内墙C、承重墙与非承重墙D、砖墙与钢筋混凝土墙在施工中,L代表( C ).A、板B、柱C、梁D、墙建筑旳耐火等级可分为( B )级。
A、3B、4C、5D、6建筑施工图中索引符号旳圆旳直径为( B )。
A、8mmB、10mmC、12mmD、14mm建筑物构造承重可分为( D )。
A、墙承重式、框架构造B、墙承重式C、半框架构造,框架构造D、墙承重式、框架构造、空间构造、半框架构造下列立面图旳图名中错误旳是( A )A、房屋立面图B、东立面图C、⑦-----①立面图D、A-----F立面图重要用来确定新建房屋旳位置、朝向以及周围环境关系旳是( C )。
东北农业大学网络教育学院建筑制图作业题(一)一、填空1. 建筑工程图上标注的尺寸,除标高和总平面图以为单位外,其它一律以mm为单位。
2.工程上常用投影法分为两类:中心投影法和,后者又分为和斜投影法两种。
3. 尺寸标注由、、起止符号和尺寸数字组成。
4. 比例是指图样中与实际工程中相应要素的线性尺寸之比,一般注写在图名的侧。
5. 按施工图的内容和作用不同,一套房屋施工图分为、和。
二、判断题1. 两点的V投影能反映出点在空间的上下、左右关系。
( )2. 空间两直线相互平行,则它们的同名投影一定互相平行。
( )3. 一般位置直线对三投影面的倾角,可由其三面投影与投影轴的夹角反应。
( )4. 投影面平行线的三个投影都是直线,并都能反映直线的实长。
()5. 投影面垂直线在所垂直的投影面上的投影必积聚成为一个点。
()6. 垂直H面的平面,皆称为铅垂面。
()7. 钢筋的标注2Φ16中的2表示钢筋的编号。
()8. 房屋施工图中详图索引符号用细实线圆圈表示,其直径是10mm。
()9. 建筑总平面图中,表示原有建筑物要用粗实线。
()10. 绝对标高是以室内地面为零,而测定的标高。
()三、简答1.建筑制图中的常用比例有哪些?2.剖视图和断面图的区别?3.请表示下面两种建筑材料的图例。
(1) 钢筋混凝土(2)砖砌体四、根据立体图找投影五、根据形体的两面投影做出第三面投影。
(a)(b)六、参照立体图,补画三面投影中的漏线,标出ABC相应投影字母。
七、判别两线段之间的相对位置。
a'a b c db'c'd'八、补出三棱锥的W面投影,根据已知条件判别E、F点所在的平面,再求其投影。
九、结构施工图中某梁的标注数据如下,说明它代表的意义。
建筑制图作业题(二)一、 填空1、建筑平面图中,外墙尺寸应标注三道,最内一道是 尺寸,中间一道是 尺寸,最外一道是 尺寸。
2、图样中的汉字应写成 。
3、基础图是表示房屋建筑地面以下基础部分的平面布置和详细构造的图样,包括 图与 图。
建筑制图作业参考答案37、多面正投影法、轴测投影法、透视投影法、标高投影法38、等测投影,二测轴投影,三测轴投影39、尺寸界线,尺寸线,尺寸起止符号,尺寸数字40、线面分析法、形体分析法41、轴间角、轴向伸缩系数42、粗实、细实、虚、细实线(上面带×)43、建筑施工图、结构施工图、设备施工图44、叠加式、切割式、混合式45、绝对标高、相对标高;绝对标高、相对标高46、正轴测投影、斜轴测投影47、假想用剖切面把物体分割成两部分,移去观察者和剖切面之间的部分,而将其余部分向投影面投射,所得的图形就叫剖面图。
用剖切平面将物体的某处切断,仅画出该剖切面与物体接触部分的图形,该图称为断面图。
区别:①断面图只画出物体截断面的投影,而剖面图还要画出剖切平面后物体可见部分的投影。
②断面图常用于表达建筑工程中梁、板、柱的某一部位的断面真形,也用于表达建筑形体的内部形状;而剖面图主要用于表达物体的内部结构。
③断面图的剖切符号仅画出剖切位置线,而不画表示投射方向的剖视方向线,投射方向是通过编号的注写位置来表示的;剖面图需要画出剖切位置线和投射方向线。
48、49、直接画在视图轮廓线内的断面图,称为重合断面图。
直接画在杆件断开处的断面图,称为中断断面图。
50、当建筑形体上有的侧面不平行于基本投影面,而又需要表达它的实形时,可以考虑增加辅助投影图。
如果作出该构造节点的反方向的投影,便可使不可见部分变为可见。
这种投影方法称为镜像投影,所得的投影面称为镜像视图,并需在图名之后注写"镜像"二字。
51、平行投影:通过一组平行投射线(相当于投射中心位于无穷远处)而得到的形体投影称平行投影。
(投射线相当于太阳发出的光线)平行投影又可根据投射线与投影面垂直与否分为:平行正投影法与平行斜投影法。
52、底、构造柱、<\/FONT>±0.000 <\/FONT>、-0.300 <\/FONT>、水泥散水、坡道<\/B>1<\/FONT>~13<\/FONT>、A<\/FONT>~H <\/FONT>、21240mm<\/FONT>、10740mm<\/FONT>、2300mm<\/FONT>、3800mm<\/FONT>、240mm<\/FONT>、M-1<\/FONT>、M-6<\/FONT>、C-1<\/FONT>、C-2<\/FONT>、C-8<\/FONT>、楼梯间并通过门窗洞口53、答:根据提供的立面图可得出以下几点:1.从图名或轴线的编号可知该图是表示房屋南向的立面图。
西南大学网络与继续教育学院课程考试试题卷学号:姓名:黎鹏层次:高升专
类别:网教专业:建筑工程技术 2015 年12月
课程名称【编号】:建筑制图【1086】 A卷
题号一二三四五
总
分
评
卷人
得
分
(横线以下为答题区)
一、简单题(本题共五小题,每题10分,总共50分)
1、组合体的尺寸种类有哪些各种尺寸的含义是什么(10分)
答:组合体尺寸种类有:
①定形尺寸:定形尺寸为确定组合体中各基本体大小的尺寸。
②定位尺寸:确定组合体中各基本体之间相互位置以及为确定截切面位置的尺寸叫定位尺寸。
③总体尺寸:是确定组合体的总长、总宽和总高的尺寸。
2、什么是剖面图什么是断面图它们有什么区别(10分)
剖面图又称剖切图,是通过对有关的图形按照一定剖切方向所展示的内部构造图例,剖面图是假想用一个剖切平面将物体剖开,移去介于观察者和剖切平面之间的部分,对于剩余的部分向投影面所做的正投影图。
区别:①断面图只画出物体截断面的投影,而剖面图还要画出剖切平面后物体可见部分的投影。
②断面图常用于表达建筑工程中梁、板、柱的某一部位的断面真形,也用于表达建筑形体的内部形状;而剖面图主要用于表达物体的内部结构。
③断面图的剖切符号仅画出剖切位置线,而不画表示投射方向的剖视方向线,投射方向是通过编号的注写位置来表示的;剖面图需要画出剖切位置线和投射方向线。
3、基础平面图的绘图步骤(10分)
绘制基础平面图的步骤如下:(1)绘制定位轴线及柱网。
(2)绘制墙体。
(3)绘制基础垫层。
(4)绘制柱子断面。
(5)绘制尺寸界线、标高数字、索引符号和相关注释文字。
(6)标注尺寸。
(7)添加图框和标题。
(8)打印输出。
4、重合断面图与中断断面图(10分)
重合断面图:画在视图之内断面图称为重合断面图;画重合断面图,轮廓线为细实线,当视图轮廓线与重合断面的图形重叠时,视图中轮廓线仍应连续画出,不可间断。
其旋转方向可向上、向下、向左、向右。
为了使断面轮廓线区别于投影轮廓线,断面轮廓线应以粗实线绘制,而投影轮廓线则以中粗实线绘制。
断面图画在构件投影图的中断处,就称为中断断面图。
它主要用于一些较长且均匀变化的单一构件。
所示为角钢的中断断面图,其画法是在构件投影图的某一处用折断线断开,然后将断面图画在当中。
画中断断面图时,原投影长度可缩短,但尺寸应完整地标注。
画图的比例、线型与重合断面图相同,也勿需标注剖切位置线和编号。
5、按照《房屋建筑统一制图标准(GB/T50001-2001)》规定,尺寸包括哪些内容各部分的绘图规定是什么尺寸的排列与布置有什么要求(10分)
答:一个完整的尺寸包括:尺寸界线、尺寸线、尺寸起止符号和尺寸数字。
各部分的绘图规定:(1)尺寸界线用细实线画,应与被注长度垂直,其一端应离开图样轮廓线不小于2mm,另一端宜超出尺寸线2mm—3 mm;(2)尺寸线用细实线画,应与被注长度平行,其两端不宜超出尺寸界线;(3)尺寸起止符号应用中粗斜短线画,其倾斜方向应与尺寸界线成顺时针45°角,长度宜为2 mm—3mm。
对于以圆弧为尺寸界线的起止符号,宜用箭头。
(4)尺寸数字应依据其方向注写在靠近尺寸线的上方中部。
尺寸数字的长度单位,通常除高程及总平面图上以米(m)为单位外,其他都以毫米(mm)为单位。
尺寸的排列与布置要求:画在图样外围的尺寸线,与图样最外轮廓线的距离不宜小于10 mm;平行排列的尺寸线间距为7 mm~10 mm,且应保持一致;互相平行的尺寸线,应从被注轮廓线按小尺寸近、大尺寸远的顺序整齐排列。
二、作图题(本题含2小题,总共25分)
注:不限制绘图方法。
可以使用CAD绘制,然后截图提交;也可以手工绘制,然后拍照截图提交;还可以用其他方法绘制,然后截图提交。
1、补全H投影。
(10)
2、求基础的v面投影。
(15)
三、读图题(本题含1小题,总共25分)
1、根据立面图,阅读可从该立面图中可知的该建筑物的基本信息。
(25分)
答:上图所示为一幢三层楼的建筑。
楼房第一层为底层(或一层、首层),往上数为二层、顶层房屋高度,房屋地基深,台阶高,雨棚高3m,门高,房屋的窗户高度为,外墙壁用水刷石,平台楼面用1:1:4的水泥白胶砂浆分格。
答卷提交要求:考试题提前公布,学生下载试题和答题卷后,在答题卷上答题。
完成后需网上提交答卷。
答卷于11月20日--12月6日通过点击页面左侧导航栏内“我的考试”-“课程论文/大作业”提交。