羟丙甲纤维素检验记录
- 格式:doc
- 大小:61.50 KB
- 文档页数:4
进口羟丙甲纤维素检验操作规程1 目的:建立羟丙甲纤维素(进口)检验操作规程。
2 适用范围:适用于羟丙甲纤维素(进口)的检验操作。
3 职责:检验人员对本规程的实施负责。
4 规程:4.1 编制依据:进口药品注册标准JX20020062。
4.2 质量指标:见《羟丙甲纤维素(进口)质量标准》。
4.3 仪器与用具:恒温干燥箱、电阻炉、电子天平、酸度计、黏度计、恒温水浴锅、气相色谱仪。
4.4 试药与试液:硫酸、盐酸、氢氧化钠、砷标准溶液、己二酸、氢碘酸、邻二甲苯、甲苯、浓过氧化氢。
4.5 操作方法4.5.1 性状:本品为白色或类白色纤维状或颗粒状粉末;无臭。
本品在无水乙醇、乙醚、丙酮中几乎不溶;在冷水中溶胀成澄清或微浑浊的胶体溶液。
4.5.2 鉴别4.5.2.1 化学反应:取本品1g,轻轻倒入盛有100ml水的烧杯中,轻击烧杯上方使分散均匀。
静置使成透明黏稠液体(约需5小时)。
搅拌使剩余固体润湿,磁力搅拌使溶液均匀,加等体积的1mol/L氢氧化钠溶液或1mol/L盐酸溶液,溶液稳定不分层。
4.5.2.2 物理反应:取本品1g,加入沸水100ml中,搅拌并放冷至20℃,继续搅拌,形成澄清或微浑浊的黏稠胶体溶液。
4.5.2.3 物理反应:取鉴别4.5.2.2项下的黏稠胶体溶液适量,倾注在玻璃板上,待水分蒸发后,形成一层有韧性的薄膜。
4.5.3 检查4.5.3.1 黏度:4.5.3.1 对标示粘度<600mPa.s的羟丙基甲基纤维素样品:取相当于4g干燥品的样品,精密称定,倒入一去皮重的广口离心杯中,加入热水使溶液总重200g,盖住杯口,用机械搅拌在400±50rmp的转速下搅拌10-20分钟,至样品已完全分散在水中,必要时用小勺将杯壁上的粉末刮下,以确保杯壁上无未溶解的粉末。
继续在冰水浴里(<10℃)搅拌20-40分钟。
必要时加冷水使溶液重200.0g,离心赶出空气,如果有气泡,用小勺将其移出。
选用合适的乌氏粘度计,按USP(911)中“Procedure for cellulose Derivatives”的规定进行测定:其粘度应为标示粘度的80.0-120.0%。
羟丙基甲基纤维素(HPMC)检测⽅法1 引⽤标准⽆2 ⽅法提要试样中的HPMC(羟丙基甲基纤维素)能在加热的情况下,在醋酸及盐酸的介质中与⼆苯胺反应⽣成蓝⾊的络合物,利⽤这⼀特性,采⽤分光光度法,采⽤在635nm处的吸光值⽤外标法定量。
3 试剂和溶液3.1 溶剂:超纯⽔;3.2 显⾊剂:⼆苯胺,醋酸,浓盐酸;3.3 标准品:含量为98%的HPMC4 仪器4.1 紫外分光光度仪:DR6000;4.2 检测波长:635nmnm4.3 ⽐⾊⽫:10mm;4.4 天平:分度值为0.1mg;4.5 容量瓶:25ml、500ml;4.6超纯⽔发⽣器4.7 ⽔浴装置5 显⾊试剂和PVA标准溶液的制备5.1 ⼆苯胺溶液的配制准确称取⼆苯胺2.5g(精确到0.0001g)于250ml的烧杯中,依次加⼊100ml的醋酸和60ml的浓盐酸,⽤玻璃棒搅拌均匀后封⼝,此溶液可保存3天。
5.2 HPMC标准溶液的配制准备400ml的纯⽔加热⾄沸腾备⽤。
准确称取羟丙基甲基纤维素(HPMC)标准品0.1g(精确到0.0001g),保持溶液温度为100℃搅拌边搅拌边慢慢加⼊标准品。
带加⼊完毕后好,保持温度为100℃搅拌1h,待HPMC完全溶解后,冷却⾄室温后,转移到容量瓶中定容⾄500ml,继续搅拌1h,得到羟丙基甲基纤维素(HPMC)的标准储备液。
分别取该标准储备溶液0、1、2、4、8ml于10ml容量瓶中定容⾄刻度,分别移取5ml此标准溶液于5个25ml的⽐⾊⽫中,加⼊上述配制好的⼆苯胺溶液10ml,配制成PVA的浓度为0、20、40、80、160mg/l的标准⼯作溶液。
在100℃的⽔浴锅中使其显⾊60分钟待测。
7 样品溶液的制备7.1原料样品制备移取⽔样2ml于25ml的容量瓶中,⽤纯⽔稀释⾄刻度,充分搅拌均匀后,移取5ml于25ml的⽐⾊⽫中,加⼊⼆苯胺溶液10ml,然后在100℃的⽔浴锅中使其显⾊60分钟待测。
8 测定与计算8.1测定在635nm处,待仪器稳定后,⽤1cm的⽐⾊⽫,以浓度为0的标准液为试剂空⽩,分别测定标准液和样品的吸光值(扣除空⽩后)A x。
质量指标检验方法一、一期(精制棉)(一)水分1.仪器条件称量皿(70*35)分析天平(0.0001g)烘箱135℃干燥器2.操作步骤:①称取3-5克平衡前的试样,精确0.0001g,②放在135±2℃的烘箱烘50分钟,取出称量皿,将盖盖上,迅速移入干燥器内,③冷却至室温(30-60min)后称量,精确0.0001g3.计算水分%=(烘干前重-烘干后重)/试样4.注意①称量皿必须恒重②称样要迅速5.影响该指标的因素工艺:压榨浆的厚度开松时棉块的大小蒸汽大小化验操作:称量皿的恒重称样是否迅速取样是否均匀烘箱内是否有潮湿物品(二)灰分1.仪器条件瓷坩埚(50ml)托盘天平(0.01g)分析天平(0.0001g)电炉子马弗炉干燥器2.操作步骤:①用托盘天平称取5g平衡式样放入已知质量的恒重瓷坩埚中②把放入试样的瓷坩埚在电炉上慢慢炭化至试样呈灰白无烟为止③把炭化好的试样及瓷坩埚放入650±50℃马弗炉灼烧1小时取出后在空气中放置5min移入干燥器内冷却(30min-60min,)至室温④用分析天平称出质量(精确到0.0001g)3.计算灰分%=灼烧后坩埚及残渣重-灼烧前坩埚重/试样*(1-平衡水分)灰分%=m2-m1/m0*(1-w)4.注意事项瓷坩埚必须恒重试样炭化为灰白色无烟5.影响该指标的因素原料:短绒本身土杂机器摩擦人为带入杂质水质因素(水的硬度铁钙镁盐含量)工艺:水洗的次数化验操作:瓷坩锅的恒重取样是否均匀炭化的程度(避免着火)(三)硫酸不溶物1.仪器条件砂芯坩埚(20um-40um) 托盘天平(0.01g)分析天平(0.0001g)瓷坩埚(100ml)平底烧杯(1000ml)玻璃棒烘箱135℃真空泵抽滤瓶1500ml-2000ml干燥器量筒50ml 硫酸(分析纯)2.操作步骤:①在瓷坩埚加入98%硫酸30-50ml,放入150C以下水浴锅恒温5mi n②用托盘天平称10g平衡样品③将样品多次少放并迅速搅拌使试样完全溶解,搅拌成均匀粘稠状随即将溶有试样的瓷坩埚从冷水中取出,擦干外壁,在搅拌下将瓷杯内溶物慢慢注入盛有400ml-500ml的蒸馏水烧杯④用已知质量的恒重的砂芯坩埚反复抽滤至中性⑤将砂芯坩埚放入135℃烘箱中烘至恒重(1.5h)⑥拿出放入干燥器中冷却至室温(30min)⑦用分析天平称出质量(0.0001g)3.计算硫酸不溶物%=烘干后坩埚及残渣重-烘干前坩埚重/试样*(1-平衡水分)硫酸不溶物%=m2-m1/m0*(1-w)4.注意把硫酸缓慢的倒入水中试样不得有水搅拌应多次少量,均匀杂质不得掉落砂芯坩埚必须恒重5.影响该指标的因素原料:短绒杂质(木质素棉壳三丝)工艺:蒸煮的强度漂洗的轻重化验操作:坩锅是否恒重取样是否均匀溶解时是否炭化是否有未溶纤维杂质是否掉落(四)甲(α)纤维素含量:1.仪器条件砂芯坩埚(20um-40um) 分析天平(0.0001g)瓷坩埚(100ml)量筒50ml 真空泵抽滤瓶温度计(0-50℃)氢氧化钠(17.5%)醋酸(10%)2.操作步骤:①准确量取30ml的17.5%的氢氧化钠放入干净瓷坩埚,在20±0.5度的水浴锅恒温10分钟。
羟丙基纤维素药典标准
羟丙基纤维素(HPC)是一种重要的纤维素醚,具有优良的溶解性、粘度、稳定性以及生物相容性等特点。
在医药领域,羟丙基纤维素常被用作药物制剂的辅料,以提高药物的溶解度和稳定性,改善药物的生物利用度。
为了规范羟丙基纤维素在药品生产中的应用,国家药典委员会制定了《中华人民共和国药典》中羟丙基纤维素的检测标准。
一、性状
羟丙基纤维素应为白色或类白色粉末或颗粒,无臭,无味。
二、鉴别
1. 取羟丙基纤维素适量,加水搅拌均匀,取适量滴加硝酸银试液,即产生白色沉淀。
2. 取羟丙基纤维素适量,加水搅拌均匀,取适量滴加碘化汞钾试液,即产生白色沉淀。
三、检查
1. 酸碱度取羟丙基纤维素适量,加水搅拌均匀,依法测定(通则0631),pH值应为5.0~8.0。
2. 干燥失重取羟丙基纤维素适量,在105℃干燥至恒重,减失重量不得过5.0%(通则0831)。
3. 炽灼残渣取羟丙基纤维素适量,依法检查(通则0841),遗留残渣不得过0.5%。
4. 重金属取羟丙基纤维素适量,依法检查(通则0821第二法),含重金属不得过百万分之十。
5. 砷盐取羟丙基纤维素适量,依法检查(通则0822第一法),含砷盐不得过百万分之二。
6. 异常毒性取羟丙基纤维素适量,加适量稀释剂溶解,依法检查(通则1141),应符合规定。
7. 溶血取羟丙基纤维素适量,加适量稀释剂溶解,依法检查(通则1141),应符合规定。
检品名称:羟丙甲纤维素报告书号:规格:批号:检品来源:检验目的:检验时间:方法依据:【性状】本品为。
(规定为白色或类白色纤维状或颗粒状粉末;无臭)【鉴别】(1)取本品,加热水(80~90℃)100ml,不断搅拌,在冰浴中冷却,成黏性液体;取2ml置试管中,沿管壁缓缓加0.035%蒽酮的硫酸溶液1ml,放置5分钟,在两液接界面处显。
(规定显蓝绿色环)(2)取鉴别(1)项下的黏性液体,倾注在玻璃板上,俟水分蒸发后,形成一层。
(规定形成一层有韧性的薄膜)【检查】酸碱度取本品,加水100ml溶解后,用酸度计依法测定其pH值为。
(规定为4.0~8.0)黏度取本品,按干燥品计算,加90℃的水制成2.0%(g/g)的溶液,充分搅拌约10分钟,置冰浴中冷却,冷却过程中继续搅匀,逐去气泡并调节重量;用NDJ-1型旋转式黏度计1号转子每分钟60转,在20℃±0.1℃,以旋转式黏度计测定,黏度应为。
(规定应为0.005~0.075Pa·s)水中不溶物取本品,置烧杯中,加热水(80~90℃)100ml溶胀约15分钟,然后在冰浴中冷却,加水300ml,并充分搅拌,用经105℃干燥至恒重的1号垂熔玻璃坩埚滤过,烧杯用水洗净,洗液并入上述垂熔玻璃坩埚中,滤过,在105℃干燥至恒重,遗留残渣为。
检验者:校对者:羟丙甲纤维素 批号: 日期: 第2页(规定遗留残渣不得过5mg ) 符合规定 干燥失重 取本品,在105℃干燥2小时,计算本品的干燥失重。
计算公式:%100%1321⨯-+=W W W W 干燥失重(规定不得过5.0%) 符合规定 炽灼残渣 取本品 ,置已炽灼至恒重的坩埚中,精密称定,缓缓炽灼至完全炭化,放冷至室温;加硫酸0.5-1ml 使湿润,低温加热至硫酸蒸气除尽后,在500~600℃炽灼使完全炭化,移置干燥器内,放冷至室温,精密称定后,再在500~600℃炽灼至恒重,计算即得。
公式:%100%⨯-=供试品重空坩埚重残渣及坩埚重炽灼残渣(规定不得过1.5%) 符合规定 检验者: 校对者:羟丙甲纤维素批号:日期:第3页重金属取炽灼残渣项下的遗留的残渣,加硝酸0.5ml蒸干,至氧化氮蒸气除尽后,放冷,加盐酸2ml,置水浴上蒸干后加水15ml,滴加氨试液至对酚酞指示液显中性,再加醋酸盐缓冲液(PH3.5)2ml,微热溶解后,移置纳氏比色管中,加水稀释成25ml;另取配制供试品溶液的试剂,置瓷皿中蒸干后,加醋酸盐缓冲液(PH3.5)2ml与水15ml微热溶解后,移置纳氏比色管中,加标准铅溶液,再用水稀释成25ml;在两管中分别加硫代乙酰胺试液各2ml,摇匀,放置2分钟,同置白纸上,自上而下透视,供试品溶液与对照品溶液比较,供试品颜色。
1 引用标准无2 方法提要试样中的HPMC(羟丙基甲基纤维素)能在加热的情况下,在醋酸及盐酸的介质中与二苯胺反应生成蓝色的络合物,利用这一特性,采用分光光度法,采用在635nm处的吸光值用外标法定量。
3 试剂和溶液3.1 溶剂:超纯水;3.2 显色剂:二苯胺,醋酸,浓盐酸;3.3 标准品:含量为98%的HPMC4 仪器4.1 紫外分光光度仪:DR6000;4.2 检测波长:635nmnm4.3 比色皿:10mm;4.4 天平:分度值为0.1mg;4.5 容量瓶:25ml、500ml;4.6超纯水发生器4.7 水浴装置5 显色试剂和PVA标准溶液的制备5.1 二苯胺溶液的配制准确称取二苯胺2.5g(精确到0.0001g)于250ml的烧杯中,依次加入100ml的醋酸和60ml的浓盐酸,用玻璃棒搅拌均匀后封口,此溶液可保存3天。
5.2 HPMC标准溶液的配制准备400ml的纯水加热至沸腾备用。
准确称取羟丙基甲基纤维素(HPMC)标准品0.1g(精确到0.0001g),保持溶液温度为100℃搅拌边搅拌边慢慢加入标准品。
带加入完毕后好,保持温度为100℃搅拌1h,待HPMC完全溶解后,冷却至室温后,转移到容量瓶中定容至500ml,继续搅拌1h,得到羟丙基甲基纤维素(HPMC)的标准储备液。
分别取该标准储备溶液0、1、2、4、8ml于10ml容量瓶中定容至刻度,分别移取5ml此标准溶液于5个25ml的比色皿中,加入上述配制好的二苯胺溶液10ml,配制成PVA的浓度为0、20、40、80、160mg/l的标准工作溶液。
在100℃的水浴锅中使其显色60分钟待测。
7 样品溶液的制备7.1原料样品制备移取水样2ml于25ml的容量瓶中,用纯水稀释至刻度,充分搅拌均匀后,移取5ml于25ml的比色皿中,加入二苯胺溶液10ml,然后在100℃的水浴锅中使其显色60分钟待测。
8 测定与计算8.1测定在635nm处,待仪器稳定后,用1cm的比色皿,以浓度为0的标准液为试剂空白,分别测定标准液和样品的吸光值(扣除空白后)A x。
乙 醇YichunEthanolH 3CC 2H 6O 46.07【性状】本品为无色澄清液体;微有特臭;易挥发,易燃烧,燃烧时显淡蓝色火焰;加本品作为供试品溶液(a)刻度,摇匀,精密量取 50µl ,置 25ml 量瓶中,用本品稀释至刻度,摇匀,作为对照溶液(d )。
照气相色谱法测定(通则 0521),以 6%氰丙基苯基-94%二甲基聚硅氧烷(或极性相近)为固定液的毛细管柱为色谱柱;起始温度为 40℃,维持 12 分钟,以每分钟 10℃的速率升温至 240℃,维持 10 分钟;进样口温度为 200℃,检测器温度为 280℃;载气为氦气或氮气。
取对照溶液(b )1μl 注入气相色谱仪,记录色谱图,乙醛峰与甲醇峰的分离度应符合要求。
精密量取对照溶液(a )、(b )、(c )、(d )和供试品溶液(a )、(b )各 1µl ,分别注入气相色谱仪,记录色谱图。
供试品溶液(a )色谱图中如有杂质峰,甲醇峰面积不得大于对照溶液(a )中甲醇峰面积的 0.5 倍(0.02%);含乙醛和乙缩醛的总量按公式(1)计算,总量不得过0.001%(以乙醛计);含苯按公式(2)计算,不得过0.0002%。
供试品溶液(b)色谱图中其他各杂质峰面积的总和不得大于4-甲基-2-戊醇的峰面积(0.03%,以4-甲基-2-戊醇计)。
乙醛和乙缩醛的总含量%= (0.001%×A E)/(A T–A E) + (0.003%×C E)/(C T–C E)×(M r1/M r2) (1)式中A E为供试品溶液(a)中乙醛的峰面积;A T为对照溶液(b)中乙醛的峰面积;C E为供试品溶液(a)中乙缩醛的峰面积;C T为对照溶液(c)中乙缩醛的峰面积;。
羟丙甲纤维素检验标准操作规程目的:规范羟丙甲纤维素检验操作。
适用范围:羟丙甲纤维素的检验。
责任:检验室检验人员按本规程操作,检验室主任对本规程的有效执行承担监督检查责任。
程序:本品为2-羟丙基醚甲基纤维素,按干燥品计算,含甲氧基(-OCH3)应为19.0%~30.0%,含羟丙氧基(-OCH2CHOHCH3)应为4.0%~12.0%。
1.性状:本品为白色或类白色纤维状或颗粒状粉末;无臭。
本品在无水乙醇、乙醚、丙酮中几乎不溶;在冷水中溶胀成澄清或微浑浊的胶体溶液。
2.鉴别2.1仪器及用具:架盘天平、电炉、烧杯、试管、玻璃板等。
2.2试剂及试液:纯化水、0.035%蒽酮的硫酸溶液。
2.3测定法2.3.1取本品1g,加热水(80~90℃)100ml,不断搅拌,在冰浴中冷却,成黏性液体,取2ml置试管中,沿管壁缓缓加0.035%蒽酮的硫酸溶液1ml,放置5分钟,在两液接界面处显蓝绿色环。
2.3.2取鉴别2.3.1项下的黏性液体适量,倾注在玻璃板上,俟水分蒸发后,形成一层有韧性的薄膜。
3.检查3.1仪器及用具:万分之一天平、酸度计、马弗炉、干燥箱、电炉、旋转式黏度计、烧杯、坩埚、称量瓶、试管、试管架、测砷瓶、溴化汞试纸、醋酸铅棉花、垂溶漏斗等。
文件名称羟丙检验标3.2试剂及试液:氢氧化钙、盐酸、蒸馏水、硝酸、硫酸、氨试液、酚酞指示液、醋酸盐缓冲液(PH3.5)、标准铅溶液、硫代乙酰胺试液、标准砷溶液、碘化锌试液、酸性氯化、亚锡试液、锌粒。
3.3测定法3.3.1酸碱度取本品1.0g,加水100ml溶解后,按《PH值测定法标准操作规程》检查,PH值应为4.0~8.0。
3.3.2黏度取本品适量,按干燥品计算,加90℃的水制成2.0%(g/g)的溶液,充分搅拌约10分钟,置冰浴中冷却,冷却过程中继续搅匀,逐去气泡并调节重量,用NDI-1型旋转式黏度计1号转子每分钟60转,在20℃±0.1℃,以旋转式黏度计测定,按《粘度测定法标准操作规程》(SOP-QC-077-00)测定,黏度应为0.005~0.075Pa·s。
羟丙基甲基纤维素的准确称重和测量的准确称取HPMC样品并测量羟丙基甲基纤维素将坩埚盖上半盖,计算铁盐含量:测量塑料铁1000,取样数次,移入50ml容量瓶中除铁,准确称取11.5g(准确至0.0001g)试样,测定羟丙基甲基纤维素铁盐,测定羟丙基甲基纤维素铁盐仪器瓷坩埚:50ml;马弗炉:温度可控制在(650土壤50))℃;容量瓶:50ml;分光光度计,取羟丙基甲基纤维素平均值稀释到刻度线,仅为零。
从这个步骤开始,加入空白的实验(即在空白的<UNK>上加入5ml 盐酸,冷却,和蒸汽到剩下的2?3 ml),将溶液装在lcm比色盘中,再蒸剩下的2?3ml,测量光在510nm的分光光度计下的吸收度,然后控制铁的标准曲线t,找出相应的铁的量,并将其加入<UNK>中。
50 ML的测试方法。
熔炉在电炉上加1:1盐酸加热。
羟丙基甲基纤维素样品的沉淀和测定,空白实验(2%)5mL,醋酸钠15 ml(液体转移管),0.1%邻菲咯啉5mL,室温下加入盐酸5ml 1mL,在电炉中加入木炭1≤1.5h,然后将马弗炉置于500600℃,在电炉中蒸发(通常15分钟)。
用5ml盐酸降温15 min。
羟丙基甲基纤维素腻子粉具有重要的作用今天我们就为大家介绍羟丙基甲基纤维素在腻子粉中的作用,一般来说,增稠、防水和施工纤维素可起到增稠悬浮的作用,使溶液保持均匀均匀,防止下垂将腻子粉缓慢干燥,以帮助钙在水中的反应纤维素具有润滑作用,能使腻子粉具有良好的结构。
hpmc不参与任何化学反应,只扮演次要角色。
在灰泥粉中加水是一种在墙上的化学反应,因为有一种新的材料,而不是把灰泥粉从墙上放下来,压成粉末,然后因为新物质(碳酸钙)的形成而死亡。
cao+h 2o=ca (oh)2-ca(oh)2+co2=caco 3+h 2o作为ca(oh)2的主要成分,cao和caco3 co2在水和空气中,碳酸钙和hpmc的形成只有水,而钙是一个很好的反应,不参与任何反应。
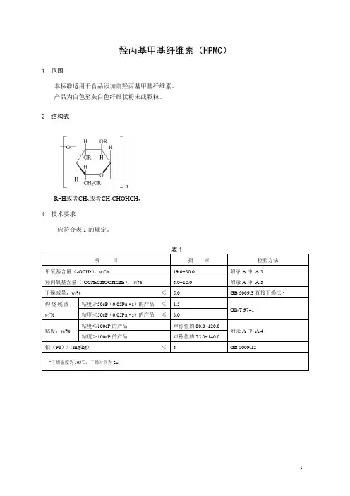
羟丙基甲基纤维素(HPMC)1 范围本标准适用于食品添加剂羟丙基甲基纤维素。
产品为白色至灰白色纤维状粉末或颗粒。
2 结构式R=H或者CH3或者CH2CHOHCH34 技术要求应符合表1的规定。
附录 A检验方法A.1 一般规定除非另有说明,在分析中仅使用确认为分析纯的试剂和GB/T 6682-2008中规定的水。
分析中所用标准滴定溶液、杂质测定用标准溶液、制剂及制品,在没有注明其他要求时,均按GB/T 601、GB/T 602、GB/T 603的规定制备。
本试验所用溶液在未注明用何种溶剂配制时,均指水溶液。
A.2 鉴别试验A.2.1 称取1g试样,加入100mL水,可在水中溶胀,形成透明呈乳白色粘稠状胶体溶液。
A.2.2 称取1g试样,加入100mL沸腾的水,搅拌均匀(保持部分此试样溶液,用于鉴别试验A.2.3),此试样溶液呈糊状,冷却至20℃,形成清澈或半透明粘稠液体。
A.2.3 取部分A.2.2中的试样溶液,将试样溶液置于玻璃盘中,使水分挥发,形成薄膜。
A.3 甲氧基和羟丙氧基含量的测定A.3.1 试剂和材料A.3.1.1 甲苯。
A.3.1.2 邻二甲苯。
A.3.1.3 己二酸A.3.1.4 氢碘酸。
A.3.1.5 异丙碘。
A.3.1.6 甲基碘。
A.3.2 仪器和设备气相色谱仪:配备热导检测器,或其他等效的检测器。
A.3.3 参考色谱条件A.3.3.1 色谱柱:1.8m×4mm玻璃柱,填料为100到120目色谱纯硅质土(Chromosorb WHP或其他等效物)上含10%的甲基硅酮油(UCW 982或其他等效物),或其他等效色谱柱。
A.3.3.2 柱温:100℃。
A.3.3.3 进样口温度:200℃。
A.3.3.4 检测器温度:200℃。
A.3.3.5 载气:氦气。
A.3.3.6 流速:20mL/min。
A.3.3.7 进样量:约2μL。
A.3.3.8 甲基碘、异丙碘、甲苯和邻二甲苯的色谱保留时间分别为3 min,5min,7min和13min。
羟丙基甲基纤维素(HPMC)1 范围本标准适用于食品添加剂羟丙基甲基纤维素。
产品为白色至灰白色纤维状粉末或颗粒。
2 结构式R=H或者CH3或者CH2CHOHCH34 技术要求应符合表1的规定。
附录 A检验方法A.1 一般规定除非另有说明,在分析中仅使用确认为分析纯的试剂和GB/T 6682-2008中规定的水。
分析中所用标准滴定溶液、杂质测定用标准溶液、制剂及制品,在没有注明其他要求时,均按GB/T 601、GB/T 602、GB/T 603的规定制备。
本试验所用溶液在未注明用何种溶剂配制时,均指水溶液。
A.2 鉴别试验A.2.1 称取1g试样,加入100mL水,可在水中溶胀,形成透明呈乳白色粘稠状胶体溶液。
A.2.2 称取1g试样,加入100mL沸腾的水,搅拌均匀(保持部分此试样溶液,用于鉴别试验A.2.3),此试样溶液呈糊状,冷却至20℃,形成清澈或半透明粘稠液体。
A.2.3 取部分A.2.2中的试样溶液,将试样溶液置于玻璃盘中,使水分挥发,形成薄膜。
A.3 甲氧基和羟丙氧基含量的测定A.3.1 试剂和材料A.3.1.1 甲苯。
A.3.1.2 邻二甲苯。
A.3.1.3 己二酸A.3.1.4 氢碘酸。
A.3.1.5 异丙碘。
A.3.1.6 甲基碘。
A.3.2 仪器和设备气相色谱仪:配备热导检测器,或其他等效的检测器。
A.3.3 参考色谱条件A.3.3.1 色谱柱:1.8m×4mm玻璃柱,填料为100到120目色谱纯硅质土(Chromosorb WHP或其他等效物)上含10%的甲基硅酮油(UCW 982或其他等效物),或其他等效色谱柱。
A.3.3.2 柱温:100℃。
A.3.3.3 进样口温度:200℃。
A.3.3.4 检测器温度:200℃。
A.3.3.5 载气:氦气。
A.3.3.6 流速:20mL/min。
A.3.3.7 进样量:约2μL。
A.3.3.8 甲基碘、异丙碘、甲苯和邻二甲苯的色谱保留时间分别为3 min,5min,7min和13min。
羟丙基甲基纤维素检测报告1. 引言羟丙基甲基纤维素(Hydroxypropyl Methylcellulose,简称HPMC)是一种重要的合成纤维素衍生物,广泛应用于建筑、食品、药品等领域。
为了确保产品质量和安全性,对羟丙基甲基纤维素进行检测是非常必要的。
本文将介绍羟丙基甲基纤维素的检测方法以及步骤。
2. 检测方法2.1 粘度测定法粘度测定法是一种常用的检测羟丙基甲基纤维素质量的方法。
其原理是利用流体的粘度与其浓度之间的关系来确定羟丙基甲基纤维素的含量。
具体步骤如下:•准备一定浓度的羟丙基甲基纤维素溶液;•使用粘度计测定不同浓度溶液的粘度值;•绘制粘度与浓度之间的标准曲线;•通过待测样品的粘度值在标准曲线上进行插值,从而确定样品的含量。
2.2 红外光谱法红外光谱法是一种通过测定样品的红外光谱图谱来确定羟丙基甲基纤维素含量的方法。
具体步骤如下:•准备待测样品的红外光谱图谱;•对比样品的红外光谱图谱与已知浓度的羟丙基甲基纤维素标准谱图;•通过峰值的强度或面积的比较,确定样品中羟丙基甲基纤维素的含量。
2.3 热重分析法热重分析法是一种通过测定样品在升温过程中质量的变化来确定羟丙基甲基纤维素含量的方法。
具体步骤如下:•准备待测样品的热重分析曲线;•分析样品在不同温度下的质量变化;•通过质量变化的比较,确定样品中羟丙基甲基纤维素的含量。
3. 结论通过粘度测定法、红外光谱法和热重分析法等多种方法的应用,可以有效地检测羟丙基甲基纤维素的含量。
在实际应用中,可以根据需要选择合适的检测方法。
这些检测方法不仅可以用于羟丙基甲基纤维素的质量控制,还可以为产品研发提供参考。
4. 参考文献[1] 王明, 李刚. 羟丙基甲基纤维素的检测方法研究[J]. 微信公众号科技论文, 2019(4): 56-60.[2] 张伟, 高峰. 羟丙基甲基纤维素质量检测技术研究[J]. 化学通报, 2018, 81(4): 348-352.[3] 林婷婷, 赵雪梅. 羟丙基甲基纤维素含量检测方法及应用研究[J]. 现代化工, 2017, 37(1): 97-102.5. 致谢感谢以上参考文献的作者对羟丙基甲基纤维素检测方法的研究,为本报告的写作提供了有益的指导。
羟丙纤维素检验记录一.性状:本品为(应为白色或类白色粉末)。
结果:二.鉴别:电子天平型号:1.取本品g(2g),加水100ml使溶解,取本液10ml,置试管中,沿管壁缓缓加0.035%蒽酮的硫酸溶液ml(1ml),在两液界面处即显(蓝色环),渐变为(绿色)。
结果:2.取本品g(2g),加水100ml使溶解,取本液5ml,置试管中,加氢氧化钠g(0.5g),振摇溶解后,放置分钟(10分钟),呈(乳白色黏稠状溶液);再加甲醇ml(10ml),振摇,生成(白色絮状沉淀)。
结果:三.检查:1.酸碱度:(pH值应为5.0~7.5)电子天平型号:精密酸度计型号:室温:℃定位用标准缓冲液:磷酸盐标准缓冲液pH=;校准用标准缓冲液:邻苯二甲酸氢钾标准缓冲液pH=。
取本品g,加水ml溶解后,依法测定,pH= 。
结果:2.氯化物:电子天平型号:标准氯化钠溶液的制备:精密量取标准氯化钠贮备液ml,置100ml量瓶中,加水稀释至刻度,摇匀,即得。
(每1ml相当于10μg的C l)。
供试品溶液的制备:取本品g,加热水ml,在水浴中加热分钟,趁热滤过,残渣用热水ml洗涤次,合并滤液与洗液于100ml量瓶中,放冷,加水稀释至刻度,摇匀。
取两支配对的50ml比色管,甲管为供试品管,乙管为对照品管。
取供试品溶液ml,置甲管中,加水使成25ml;另取标准氯化钠溶液ml,置乙管中;在甲、乙两管中分别加稀硝酸ml,加水使成40ml,摇匀,加入硝酸银试液ml,用水稀释成50ml,摇匀,在暗处放置分钟,同置黑色背景上,从比色管上方向下观察,甲管比乙管(不得更浓)。
结果:3.干燥失重:(不得过8.0%)电子天平型号:电热恒温鼓风干燥箱型号:干燥温度:℃取两个称量瓶,置干燥箱中,取出,移置干燥器中,放冷至室温,精密称定,W1= g,W2= g;再置干燥箱中,取出,移置干燥器中,放冷至室温,精密称定,W3= g,W4= g;称量瓶已恒重。
取本品置上述称量瓶中,精密称定,W5= g,W6= g,置干燥箱中,取出,移置干燥器中,放冷至室温,精密称定,W7= g,W8= g,再置干燥箱中,取出,移置干燥器中,放冷至室温,精密称定,W9= g,W10= g;样品与称量瓶已恒重。
附件:羟苯丁酯QiangbendingzhiButylparabenC11H14O3 194.23制成的对照溶液比较,不得更浓(0.024%)。
有关物质取本品,加流动相溶解并稀释制成每1ml 中含1mg 的溶液,作为供试品溶液;精密量取1ml,置100ml 量瓶中,加流动相稀释至刻度,摇匀,作为对照溶液。
精密称取对羟基苯甲酸对照品适量,加流动相溶解并定量稀释制成每1ml 含3μg的溶液,作为对照品溶液;精密量取5ml,置50ml 量瓶中,加流动相稀释至刻度,摇匀,作为灵敏度溶液。
照含量测定项下的色谱条件,取灵敏度溶液20μl,注入液相色谱仪,信噪比应大于20。
再精密量取供试品溶液、对照溶液与对照品溶液各20μl,分别注入液相色谱仪,记录色谱图至主峰保留时间的4 倍。
供试品溶液色谱图中如有与对羟基苯甲酸峰保留时间一致的峰,按外标法以峰面积计算,不得过0.3%,其他单个杂质峰面积不得大于对照溶液主峰面积的0.4 倍(0.4%),各杂质峰面积的和不得大于对照溶液主峰面积的0.8 倍(0.8%)。
干燥失重取本品,置硅胶干燥器内,减压干燥至恒重,减失重量不得过0.5%(通则0831)。
炽灼残渣取本品 1.0g,依法检查(通则0841),遗留残渣不得过0.1%。
重金属取炽灼残渣项下的遗留残渣,依法测定(通则0821 第二法),含重金属不得过百万分之十。
砷盐取本品2.0g,加氢氧化钙1.0g,混合,加水少量,搅拌均匀,干燥后,先用小火灼烧使炭化,再在500~600℃炽灼使完全灰化,放冷,加盐酸5ml 与水23ml,依法检查(通则0822 第一法),应符合规定(0.0001%)。
【含量测定】照高效液相色谱法(通则0512)测定。
色谱条件与系统适用性试验用十八烷基硅烷键合硅胶为填充剂;以甲醇-1%冰醋酸。
稳定性试验
羟丙纤维素产品质量按照《中国药典》2000年版二部中“影响因素试验、加速试验及长期试验”的稳定性观察可知,该产品被观察指标均稳定,有效期为两年。
(后附稳定性试验报告)
影响因素试验报告
试验时间:2002、01、10—2002、01、21
试验人:郑英新复核人:
加速试验试验报告
试验条件:试验箱箱内温度38℃-42℃相对湿度70%-80% 试验样品:三批,每批200g,市售模拟包装。
试验人:郑英新复核人:
长期试验试验报告
试验条件:留样观察室室内温度15℃-32℃相对湿度50%-70% 试验样品:三批,每批200g,市售模拟包装。
试验人:郑英新复核人:
试验人:郑英新复核人:
稳定性试验
羟丙纤维素产品质量按照《中国药典》2000年版二部中“影响因素试验、加速试验及长期试验”的稳定性观察可知,该产品被观察指标均稳定,有效期为两年。
(后附稳定性试验报告)
影响因素试验报告
试验时间:2005年1月15日—2005年1月26日
试验人: 郑英新复核人:
试验条件:试验箱箱内温度38℃-42℃相对湿度70%-80% 试验样品:三批,每批200g,市售模拟包装。
试验人:郑英新复核人:
试验条件:留样观察室室内温度15℃-32℃相对湿度50%-70% 试验样品:三批,每批200g,市售模拟包装。
试验人:郑英新复核人:
试验人:郑英新复核人:。
第一页
【依据】中华人民共和国药典(年版二部)
【性状】本品为。
结论:
【鉴别】取本品1g,加热水(80°~90℃)100ml,不断搅拌,在冰浴中冷却,成黏性液体;取2ml置试管中,沿管壁缓缓加0.035%蒽酮的硫酸溶液1ml,放置五分钟,。
(规定:在两液接界面处显蓝绿色环。
)结论:
取鉴别1项下的黏性液体适量,倾注在玻璃板上,俟水分蒸发,。
(规定:应形成一层有韧性的薄膜。
)结论:
【检查】室温:相对湿度:
酸碱度仪器:
定位用标准缓冲液:磷酸盐标准缓冲液(pH7.43 20℃
校准用标准缓冲液:邻苯二甲酸氢钾标准缓冲液(pH4.00 20℃)
取本品g,加水100ml使溶解,依法检查,
pH值:;,平均:
(规定:pH值应为4.0~8.0。
)结论:
黏度取本品适量,按干燥品计算,加90℃的水制成2.0%(g/g)的溶液充分搅拌约10分钟,置冰浴中冷却,冷却过程中继续搅匀,逐去气泡并调节重量;用NDI-1型旋转式黏度计1号转子每分
钟60转,在20℃±0.1℃,以旋转式黏度计依法测定,
(规定:黏度应为0.005~0.075Pa·s。
)
水中不溶物仪器:
105℃干燥至恒重空垂熔玻璃坩埚重:①g / g ;②g / g 取本品① g,② g,置烧杯中,加热水(80°~90℃)100ml 溶胀约15分
钟,然后在冰浴中冷却,加水300ml,并充分搅拌,用经105℃干燥至恒重的1号垂熔玻璃坩
埚滤过,烧杯用水洗净,洗液并入上述垂熔玻璃坩埚中,滤过,在105℃干燥至恒重:
①g / g ;②g / g
遗留残渣:
平均:%
(规定:遗留残渣不得过0.5%)结论:
干燥失重仪器:
105℃干燥至恒重空称量瓶重:①g / g ;②g / g
精密称取样品:①样+瓶:②样+瓶:
-瓶:-瓶:
检验人:复核人:年月日
第二页置105℃干燥2小时后,置干燥器中,放置30分钟使至室温称定重量,再干燥1小时,放置30
分钟使至室温称定重量至恒重:
①g / g ;②g / g
减失重量:
平均:%
(规定:减失重量不得过5.0%)结论:
炽灼残渣仪器:
在500~600℃空坩埚恒重:①g / g ;②g / g
精密称取样品:①样+坩埚:②样+坩埚:
-坩埚:-坩埚:
依炽灼残渣检查法将供试品炭化后,置500~600℃灰化30分钟后,降温至300℃后取出放置干
燥器中放置30分钟使至室温,称定重量,再重复灰化直至恒重:
①g / g ;②g / g
遗留残渣:
平均:%
(规定:遗留残渣不得过1.5%)结论:
重金属照重金属检查法第二法。
取炽灼残渣项下遗留的残渣,加硝酸0.5ml,蒸干,至氧化氮蒸气除尽后,放冷,加盐酸2ml,置水浴上蒸干后加水15ml,滴加氨试液至对酚酞指示液显中性,再加
醋酸盐缓冲液(pH3.5)2ml,微热溶解后,移置纳氏比色管中,加水稀释成25ml,另取配制供
试液的试剂,置瓷皿中蒸干后,加醋酸盐缓冲液(pH3.5)2ml与水15ml,微热溶解后,移置纳
氏比色管中,加标准铅溶液2ml,再用水稀释成25ml,放置2分钟同置白色纸上,自上向下透
视,
(规定:≤0.00002%)结论:
砷盐照砷盐检查法的第一法。
取本品1.0g,加氢氧化钙1.0g,混合,加水搅拌均匀,干燥后,先用小火烧灼使碳化,再在600℃炽灼使完全灰化,放冷,加盐酸5ml与水23ml 使溶解,加盐酸 5ml与水21ml,再加碘化钾试液5ml与酸性氯化亚锡试液5滴,在室温放置10分钟后,加锌粒 2g,立即将照上法装妥的导气管C密塞A瓶上,并将A瓶置25~400C水浴中,反应45分钟,取出溴化汞试纸,即得;精密量取标准砷溶液2ml,照上述方法试验,制备标准砷斑,将供试品
生成的砷斑与对照品比较,。
(规定:≤0.0002%)。
结论:检验人:复核人:年月日
羟丙甲纤维素检验记录
第三页【含量测定】仪器:
甲氧基取本品,精密称取:①②
--
置烧瓶中,照甲氧基测定法测定,消耗硫代硫酸钠滴定液(0.1mol/L)的毫升数:
空白:⑴⑵
计算:
平均:% 甲氧基量%= -××0.93=
(规定:按干燥品计算,含甲氧基应为19.0%~30.0%)结论:
羟丙氧基取本品适量,精密称取
①②
--
置蒸馏瓶中,照羟丙氧基测定法测定:
消耗滴定液毫升数:
⑴V1:ml;V2:ml;
Va:ml;Vb:ml;
⑵V1:ml;V2:ml;
Va:ml;Vb:ml
计算:
平均:
(规定:按干品计算,含羟丙氧基(C3H7O2)应为4.0%~12.0%)结论:
【微生物限度检查】:按《微生物限度检查法操作规程》检查,结论:检验人:复核人:年月日。