国家职业技能鉴定维修电工技师理论试卷精选范文
- 格式:docx
- 大小:20.28 KB
- 文档页数:5
职业技能鉴定国家题库维修电工技师理论知识试卷(1)注意事项1、考试时间:120min。
2、请首先按要求在试卷的标封处填写您的姓名、准考证号和所在单位的名称。
3、请仔细阅读各种题目的回答要求,在规定的位置填写您的答案。
4、不要在试卷上乱写乱画,不要在标封区填写无关的内容。
一、填空题(第1〜20题。
请将正确答案填入题内空白处。
每题1分,共20分。
)1 •劳动的双重含义决定了从业人员全新的劳动态度和________________ 。
2 •职业道德的内容包括:____________ 、职业道德行为规范和职业守则等。
3. _________ 是职业道德中的最高境界,同时也是做人的最高境界。
4•采用丫丫/△接法的三相变极双速电动机变极调速时,调速前后电动机的—功率_______ 基本不变。
5 •使用直流双臂电桥测量电阻时,动作要迅速,以免 _____________ 。
6 •熔断器的选用首先应确定____________ ,再根据被保护电路的性质选择熔断器的类型。
7 •变频器的逆变器是利用功率器件,有规律地控制逆变器中主开关的通断,从而得到________ 频率的三相交流电输出。
8.在齿轮传动中,_________ 稳定往往是对传动的一个基本要求。
9 •测绘电气主线路图时,首先应从__________ 向下查。
10 •不可控电力电子器件,它具有整流的作用而无 ____________ 的功能。
11 •半可控器件通常为三端器件,它能在控制信号的作用下导通,但不能________ 。
12. 晶闸管中频感应加热电源,随着科学技术的发展必将被 ________感应加热电源所取代。
13. 新型的高性能高压变频调速装置的主电路的开关器件使用________ ,实现PWM 技术更方便。
14 •机电一体化是多学科领域综合交叉的 ___________系统工程。
15 •电气设计基本完成后,应反复,并进一步完善设计的电气控制电路。
维修电工技师试题及答案以下是维修电工技师试题及答案:导言:电工行业是一个关键和不可或缺的行业,尤其是在维修电工领域。
一个合格的维修电工技师需要具备广泛的知识和技能,以确保电气设备的安全性和正常运行。
本文将介绍一些典型的维修电工技师试题及答案,以供学习和参考。
1. 试题:什么是电气安全规范,并列出至少五条常见的电气安全规范。
答案:电气安全规范是指为了确保电气设备的正常运行和人身安全而制定的一系列标准和措施。
常见的电气安全规范包括:- 定期对电气设备进行检查和维护。
- 确保电气设备的接地良好,并修复任何接地故障。
- 使用符合标准的电气设备和材料。
- 遵守电气设备的额定载流量,不超负荷使用。
- 在进行维修和检修前,务必切断电源。
2. 试题:请列出五种常见的电气故障及其解决方案。
答案:常见的电气故障及其解决方案包括:- 短路:检查电路中的线路和连接,修复或更换短路处的导线。
- 断路:检查是否有断开的电线或连接器,修复或更换断开的部件。
- 接地故障:检查接地线是否良好连接,修复或更换损坏的接地线。
- 过载:检查电路负载是否超过额定功率,减少负载或增加额定功率。
- 电气设备损坏:检查设备是否受潮或过热,修理或更换受损的设备。
3. 试题:什么是电气图纸,并解释一下常用的电气图纸符号。
答案:电气图纸是用于描述和表示电气设备和电路连接的图纸。
常用的电气图纸符号包括:- 电源和电汇点符号:代表供电线路的接线点或接线端子。
- 开关符号:代表开或关的电气开关。
- 电线符号:代表电气电线的连接点或连接线。
- 电器设备符号:代表各种电气设备,如电机、灯具等。
- 传感器符号:代表各种电气传感器,如温度传感器、压力传感器等。
4. 试题:描述维修电工在处理电气故障时的基本步骤。
答案:维修电工在处理电气故障时,通常需要遵循以下基本步骤:1. 初步调查和检查:了解故障的具体情况,检查线路和设备是否正常。
2. 仔细分析:分析故障的原因和可能的解决方法。
国家职业技能鉴定统一试卷高级电工技能试卷特征(组卷原则)一、本试卷依据国家劳动部《电工职业技能鉴定规范·考核大纲》一书命题。
二、本试卷有地域限制(试题3根据本地具体情况设制)。
三、本试卷中试题涉及面广,涉及了仪器仪表的使用,高压试验、及复杂的交流电力拖动等方面。
三个试题是:1、用电子示波器观察50Hz交流电压波形、并计算被测电压的有效值。
2、绝缘油的电气强度试验。
3、按图安装、调试复杂电力拖动装置。
四、本试卷中试题代表性强。
三个试题代表高级电工工作的主要方面。
五、本试卷中的试题技术含量较高,每个试题都具有一定的难度,能较准确地考察考生所具有的理论和实际操作水平。
六、本试卷可操作性强,考场准备难度较小,操作时间适中,考核总净时间为:185分钟。
国家职业技能鉴定统一试卷高级电工技能考试准备通知单一、说明下述材料与设备准备仅针对一名考生,鉴定所应根据考生人数自定具体数量。
二、材料、设备准备9高级电工技能考试准备通知单第 1 页(共 2 页)四、考场准备1、项目(一)的考场应宽敞、明亮,设有4个考位,每个考位不小于4平方米,并设有操作台,操作台处有220V电源。
2、项目(二)场地应宽敞、明亮,试验设备与周围物体(围墙等)应有足够的裕度,试验现场应装设遮栏或围栏,并悬挂“止步,高压危险”标示牌,场地应有220V交流电源,并有接地点。
3、项目(三)场地应宽敞、明亮,设有4个考位,每个考位不小于10平方米,并装有380V动力电源。
五、人员要求:1、一个工位由三名考评人员同时评分,三个工位配一名工作人员。
2、鉴定中心管理人员一至二名。
3、总分人一名。
高级电工技能考试准备通知单第 2 页(共 2 页)国家职业技能鉴定统一试卷高级电工技能试卷一、说明1、本试卷依据国家劳动部《电工职业技能鉴定规范·考核大纲》一书命题。
2、本试卷考核内容有地域限制。
3、考生应穿戴劳保工服,持身份证及准考评证参加考核。
维修电工技师理论知识试卷(2)注意事项、考试时间: ❍♓⏹。
、请首先按要求在试卷的标封处填写您的姓名、准考证号和所在单位的名称。
、请仔细阅读各种题目的回答要求,在规定的位置填写您的答案。
、不要在试卷上乱写乱画,不要在标封区填写无关的内容。
一、填空题 ☎第 ~ 题。
请将正确答案填入题内空白处。
每题 分,共 分。
.实践证明,低额电流对人体的伤害比高频电流 。
.示波器中水平扫描信号发生器产生的是 波。
.操作晶体图示仪时,特别注意功耗电压,阶梯选择及 选择开关。
.数控系统的控制对象是 。
.分析数据系统操作单元可以更好地实现 。
.在整定 型刨床速度调节器比例放大倍数必须以 为前提。
. ✋☜☝✞系列调速装置是一个 系统。
.对电气安装接线图和电气控制原理图测绘时,在了解连线之间的关系后,把所有电器分布和 画出来。
.用快速热电偶测温属于 .热电偶输出的 是从零逐渐上升到相应的温度后不再上升呈平台值。
.肖特基二级管与普通整流二级管相比,反向恢复时间 ,工作频率高。
.不可控两端器件,它具有 作用,而无可控功能。
.进行大修设备在管内重新穿线时 导线有接头。
.指导操作是具体示范操作和 指导训练。
.通过指导操作使学员的 能力不断增强和提高,熟练掌握操作技能。
. 系列标准是国际标准化组织发布的有关环境管理的系列标准。
.生产工人在生产班内完成生产任务所需要的直接和间接的全部工时为工时定额中的 。
.为了提高电源的利用率,感性负载电路中应并联适当的 ,以提高功率因数。
.逻辑运算中,✌✌ 。
.系统输出量产生反作用的信号称为 。
二、选择题☎第 ~ 题。
请选择一个正确答案,将相应字母填入括号内。
每题 分,共 分✆.触电者(波 )时,应进行人工呼吸。
(✌)有心跳无呼吸 ( )有呼吸无心跳 ( )既无心跳又无呼吸 ( )既有心跳又有呼吸.测量轧钢机轧制力时通常选用()做传感器。
维修电工高级技师理论知识试卷维修电工高级理论知识试卷(一)一、单项选择(第1题~第160题。
选择一个正确的答案,将相应的字母填入题内的括号中。
每题0。
5分,满分80分。
)1。
市场经济条件下,职业道德最终将对企业起到(B)的作用.A 、决策科学化B 、提高竞争力C 、决定经济效益D 、决定前途与命运2. 为了促进企业的规范化发展,需要发挥企业文化的(D )功能。
A 、娱乐B 、主导C 、决策D 、自律3. 对待职业和岗位,(D)并不是爱岗敬业所要求的。
A 、树立职业理想B 、干一行爱一行专一行C 、遵守企业的规章制度D 、一职定终身,不改行4。
坚持办事公道,要努力做到(C ).A 、公私不分B 、有求必应C 、公正公平D 、全面公开5。
下列关于勤劳节俭的论述中,正确的选项是(B).A 、勤劳一定能使人致富B 、勤劳节俭有利于企业持续发展C 、新时代需要巧干,不需要勤劳D 、新时代需要创造,不需要节俭6. 企业生产经营活动中,要求员工遵纪守法是(B)。
A 、约束人的体现B 、保证经济活动正常进行所决定的C 、领导者人为的规定D 、追求利益的体现7。
一般规定正电荷移动的方向为(B )的方向。
A 、电动势B 、电流C 、电压D 、电位8。
电压的方向规定由(B ). A 、低电位点指向高电位点 B 、高电位点指向低电位点C 、低电位指向高电位D 、高电位指向低电位9. 正弦量的平均值与最大值之间的关系不正确的是(D)。
A 、E av =2/π*E mB 、U av =2/π*E mC 、I av =2/π*E mD 、I=I m /1。
4410. 当ωt=360°时,i1、i2、i3分别为(D ).A 、负值、正值、0B 、0、正值、负值C 、负值、0、正值D 、0、负值、正值11. 维修电工以(A ),安装接线图和平面布置最为重要。
A 、电气原理图B 、电气设备图C 、电气安装图D 、电气组装图12。
职业技能鉴定国家题库维修电工技师理论知识试卷(1)注意事项1、考试时间:120min。
2、请首先按要求在试卷的标封处填写您的姓名、准考证号和所在单位的名称。
3、请仔细阅读各种题目的回答要求,在规定的位置填写您的答案。
41分,共20分。
) 1.劳动的双重含义决定了从业人员全新的劳动态度和___________。
2.职业道德的内容包括:___________、职业道德行为规范和职业守则等。
3.___________是职业道德中的最高境界,同时也是做人的最高境界。
4.采用YY/△接法的三相变极双速电动机变极调速时,调速前后电动机的________基本不变。
5.使用直流双臂电桥测量电阻时,动作要迅速,以免________。
6.熔断器的选用首先应确定___________,再根据被保护电路的性质选择熔断器的类型。
7.变频器的逆变器是利用功率器件,有规律地控制逆变器中主开关的通断,从而得到________频率的三相交流电输出。
8.在齿轮传动中,________稳定往往是对传动的一个基本要求。
9.测绘电气主线路图时,首先应从________向下查。
10.不可控电力电子器件,它具有整流的作用而无________的功能。
11.半可控器件通常为三端器件,它能在控制信号的作用下导通,但不能________。
12.晶闸管中频感应加热电源,随着科学技术的发展必将被________感应加热电源所取代。
13.新型的高性能高压变频调速装置的主电路的开关器件使用________,实现PWM 技术更方便。
14.机电一体化是多学科领域综合交叉的________系统工程。
15.电气设计基本完成后,应反复,并进一步完善设计的电气控制电路。
16.ISO9000族标准包括质量术语标准、质量技术标准及________系列标准。
17.制定ISO14000系列标准的直接原因是环境的________。
18.维修电工班组主要是为生产服务的,活动课题一般都需要围绕提高________、保证设备正常运转而提出。
第四章理论知识试题精选与参考答案第一节试题精选一、填空题(请将正确答案填入题内空白处。
)1、半闭环数控系统具有较高的稳定性,是目前数控机床普遍采用的一种系统。
2、数控系统的控制对象是伺服驱动装置,它通过驱动主轴和进给来实现机床运动。
3、分析数控系统操作单元可以更好地实现人机对话。
4、数控伺服驱动系统通过驱动机床的主轴和进给运动来实现机械运动。
5、在控制装置的接口位置,注有“input、output”字样的,指的是输入、输出部分。
6、stepping代表步进。
7、对系统输出量产生反作用的信号称为扰动。
8、在转速负反馈系统中,闭环系统由理想空载增至满载时的转速降,仅为开环系统转速降的1/(1+K)倍。
9、SIMOREG——V5系列调速装置是一个可逆逻辑无环流双闭环系统。
10、龙门刨床V5系统出现工作台速度过快故障,应首先检查测速发电机反馈信号是否正常,是否有断线、虚焊等现象。
11、龙门刨床V5系统,如果工作台电动机的端电压与速度给定电压之间不成正比关系,在排除了反馈系统的原因之后,问题多出在速度调节器和电流调节器电路中。
12、龙门刨床V5系统出现工作台速度快慢不均故障,应首先判定是机械部份问题还是电气部分问题。
13、龙门刨床V5系统出现工作台速度动慢不均故障,机械部分可检查测速发电机固定是否牢固、机械传动部分是否有松动。
14、龙门刨床V5系统出现工作台速度升不高或升高时间太长故障,首先应检查电动机是否伴有异常的声音。
15、龙门刨床V5系统出现工作台速度升不高或升高时间太长故障,如果是声音异常,同时电动机火花增大,极有可能是整流器三相输出不平衡。
16、龙门刨床V5系统出现工作台速度升不高或升高时间太长故障,如果声音正常,可检查速度给定电压能否调高、速度调节器和电流调节器是否正常、速度负反馈是否调得太强等。
17、龙门刨床V5系统,当电流限幅值调得过低,或加速度调节器和励磁控制部分没有调整好时,也会出现工作台速度升不高,或虽能升高但升得太慢的现象。
维修电工高级技师知识试卷[五篇范例]第一篇:维修电工高级技师知识试卷维修电工高级技师知识试卷(1)一、选择题(第1~60题。
选择正确的答案,将相应的字母填入题内的括号中。
每题1.0分。
满分60分)1.职业道德的内容包括:职业道德意识、职业道德行为规范和()。
(A)职业守则(B)道德规范(C)思想行为(D)意识规范2.三相桥式半控整流电路,晶闸管承受的最大反向电压是变压器()。
(A)次级相电压的最大值(B)次级相电压的有效值(C)次级线电压的有效值(D)次级线电压的最大值3.JT-1型晶体管图示仪输出集电极电压的峰值是()V。
(A)100(B)200(C)500(D)10004.进口设备标牌上的英文词汇“resolver”的中文意思是()。
(A)变压器(B)电流互感器(C)自整角机变压器(D)旋转变压器5.西门子SIN840C控制系统的分辨率可达()mm。
(A)0.1(B)0.01(C)0.001(D)16.变频器输出侧不允许接(),也不允许接电容式电动机。
(A)电容器(B)电阻(C)电抗器(D)三相异步电动机7.测绘ZK7132型立式数控钻铣床电气控制系统的第一步是测绘()。
(A)控制原理图(B)安装接线图(C)控制草图(D)布置图8.电子测量装置的静电屏蔽必须与屏蔽电路的()基准电位相接。
(A)正电位(B)负电位(C)零信号(D)静电9.采用数控技术改造旧机床,以下不宜采用的措施为()。
(A)采用新技术(B)降低改造费用(C)缩短改造周期(D)突破性的改造10.计算机集成制造系统的功能不包括()。
(A)经营管理功能(B)工程设计自动化(C)生产设计自动化(D)销售自动化11.劳动的双重含义决定了从业人员全新的()和职业道德观念。
(A)精神文明(B)思想体系(C)劳动态度(D)整体素质12.中性线的作用就在于使星形连接的不对称负载的()保持对称。
(A)线电压(B)相电压(C)相电流(D)线电流13.测量1Ω以下的小电阻,如果要求精度高,可选用()。
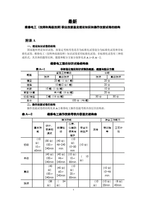
最新维修电工(技师和高级技师)职业技能鉴定理论知识和操作技能试卷的结构附录A一、理论知识试卷的结构国家题库理论知识试卷,按鉴定考核用卷是否为标准化试卷划分为标准化试卷和非标准化试卷。
维修电工(技师和高级技师)知识试卷采用标准化试卷;非标准化试卷有三种组成形式.其具体的题型比例、题量和配分方案分别参见表A—1~表A—2。
维修电工理论知识试卷结构表二、操作技能试卷的结构操作技能试卷的结构见表A-2维修电工操作技能考核内容层次结构表.表A-2 维修电工操作技能考核内容层次结构表国家题库操作技能试卷采用由“准备通知单”、“试卷正文”和“评分记录表”三部分组成的基本结构,分别供考场、考生和考评员使用.(1)准备通知单 包括材料准备,设备准备,工具,量具、刃具、卡具准备等考场准备(标准、名称、规格、数量)要求。
(2)试卷正文 包含需要说明的问题和要求、试题内容、总时间与各个试题的时间分配要求,考评人数,评分规则与评分方法等。
(3)评分记录表 包含具体的评分标准和评分记录表。
附录B 理论知识模拟试卷一、试卷说明(1)本试卷以《国家职业职业标准》(维修电工)为命题依据。
(2)本试卷考核内容无地域限制。
(3)本试卷只适用于本等级鉴定. (3)本试卷命题遵循学以致用的原则. 二、模拟试卷正文最新职业技能鉴定国家题库维修电工技师理论知识试卷(1)注 意 事 项1、考试时间:120min 。
2、请首先按要求在试卷的标封处填写您的姓名、准考证号和所在单位的名称。
3、请仔细阅读各种题目的回答要求,在规定的位置填写您的答案。
4一、填空题 (第1~20题。
请将正确答案填入题内空白处。
每题1分,共20分。
)1.劳动的双重含义决定了从业人员全新的劳动态度和___________。
2.职业道德的内容包括:___________、职业道德行为规范和职业守则等.3.___________是职业道德中的最高境界,同时也是做人的最高境界.4.采用YY/△接法的三相变极双速电动机变极调速时,调速前后电动机的________基本不变。
最新维修电工(技师和高级技师)职业技能鉴定理论知识和操作技能试卷的结构附录A一、理论知识试卷的结构国家题库理论知识试卷,按鉴定考核用卷是否为标准化试卷划分为标准化试卷和非标准化试卷。
维修电工(技师和高级技师)知识试卷采用标准化试卷;非标准化试卷有三种组成形式。
其具体的题型比例、题量和配分方案分别参见表A-1~表A—2。
维修电工理论知识试卷结构表二、操作技能试卷的结构操作技能试卷的结构见表A-2维修电工操作技能考核内容层次结构表。
表A—2 维修电工操作技能考核内容层次结构表成的基本结构,分别供考场、考生和考评员使用。
(1)准备通知单包括材料准备,设备准备,工具,量具、刃具、卡具准备等考场准备(标准、名称、规格、数量)要求。
(2)试卷正文包含需要说明的问题和要求、试题内容、总时间与各个试题的时间分配要求,考评人数,评分规则与评分方法等。
(3)评分记录表包含具体的评分标准和评分记录表.附录B 理论知识模拟试卷一、试卷说明(1)本试卷以《国家职业职业标准》(维修电工)为命题依据.(2)本试卷考核内容无地域限制。
(3)本试卷只适用于本等级鉴定。
(3)本试卷命题遵循学以致用的原则.二、模拟试卷正文最新职业技能鉴定国家题库维修电工技师理论知识试卷(1)注意事项1、考试时间:120min。
2、请首先按要求在试卷的标封处填写您的姓名、准考证号和所在单位的名称。
3、请仔细阅读各种题目的回答要求,在规定的位置填写您的答案.4、不要在试卷上乱写乱画,不要在标封区填写无关的内容。
一、填空题(第1~20题。
请将正确答案填入题内空白处。
每题1分,共20分。
)1.劳动的双重含义决定了从业人员全新的劳动态度和职业道德观。
2.职业道德的内容包括:_职业德意道识、职业道德行为规范和职业守则等。
3.奉献社会是职业道德中的最高境界,同时也是做人的最高境界.4.采用YY/△接法的三相变极双速电动机变极调速时,调速前后电动机的输电出功率池基本不变。
职业技能鉴定国家题库维修电工高级技师理论知识试卷(A)一、填空题(第1~20题。
请将正确答案填入题内空白处。
每题1分,共20分。
)1.COMPUTERIZED NUMERICALCONTROL 是一种计算机数控系统简称CNC。
2.SINUMERIk820S 系统是别步进电动机控制系统,专为经济型数据机床设计的3.配电网络三相电压不平衡会使变频器的输入电压和电流波形发生畸.为了提高抗干扰能力,交流电源地线与信号地线不能共用。
5.电场屏蔽解决分布电容问题,屏蔽地线接大地。
6.电子测量装置的静电屏蔽罩必须与被屏蔽电路的零信号基准电位相接。
7.控制系统大多数都具备自动控制、自动诊断、自动信息处理、自动修正、自动检测等功能。
8.变频器主电路电容器主要依据电容量下降比率来判定,若小于初始值的85% 考生题不准超即需更换。
9.机电一体化包含了机械技术、计算机与信息处理技术、系统技术、自动控制技术、传感与检测技术、伺服传动技术。
10.电气控制原理图设计按主电路——控制电路——联锁与保护——总体检查的顺序进行。
11.经济型数控机床的改造主要采用于中、小型车床和铣床的数控改造。
12.SIN840C可以实现3D 插补。
13.CSB 中央服务板是CENTER SERVICE BOARD 的缩写。
14.SIN840C控制系统由数控单元主体、主轴和进给伺服单元组成。
15.机床操作面板上主要有4种加工操作方式,即JOG手动、TEACHIN 示教、MDA 手动输入数据自动运行和AUTOMATIC自动。
16.在自动控制系统中,输出量能够以一定准确度跟随输入量的变化而变化的系统称为伺服系统。
17.反相比例放大器有两个输入端,一个是反相输入端,表示输入与输出是反相的,另一个是同相端,表示输入信号与输出信号是同相的。
18.精益生产具有在生产过程中将上道工程推动下道工程生产的模式变为下道工程要求拉动上道工程生产的模式的特点。
19.指导操作训练是培养和提高学员独立操作技能极为重要的方式和手段。
国家职业技能鉴定指导中心 维修电工技师理论知识试卷试卷 注 意 事 项 1、考试时间:120分钟。
2、请首先按要求在试卷的标封处填写您的姓名、准考证号和所在单位的名称。
3、请仔细阅读各种题目的回答要求,在规定的位置填写您的答案。
1、当RLC 串联电路发生谐振时,电路中的电流将达到最大值。
…( ) 2、带有电容滤波的单相桥式整流电路,其输出电压的平均值与所带负载的大小关。
……………………………………………………………………( ) 3、放大电路中的负反馈,对于在反馈环中产生的干扰,噪声和失真具有抑制作用,但对输入信号中含有的干扰信号结等没有抑制能力。
…………( ) 4、当晶体管的发射节正偏时,晶体管一定工作在放大区。
…………( ) 5、数字触发器在某一时刻的输出状态,不仅取决于当时输入信号的状态,还与电路的原始状态有关。
…………………………………………………( ) 6、对于门极关断晶闸管,当门极加上正触发脉冲时,可使晶闸管导通。
而当门极加上足够的负触发脉冲时,又可使导通着的晶闸管关闭。
………( ) 7、带平衡电抗器三相双反星型可控整流电路工作时,除自然换相点外的任一时刻都有两个晶闸管导通。
………………………………………………( ) 8、直流电机在额定负载下运行时,其火花等级不应超过2级。
…( ) 9、在要求调速范围较大的情况下,调压调速是性能最好、应用最广泛的直流电动机调速方法。
……………………………………………………………( ) 10、带有额定负载转矩的三相异步电动机,若使电源电压低于额定电压,则其电流就会低于额定电流。
…………………………………………………( )11、三相异步电动机的最大转矩与转子回路电阻值无关,但临界转差率与转子回路电阻成正比关系。
……………………………………………………()12、积分调节能够消除静差,而且调节速度快。
………………………()13、自动调速系统的静差率和机械特性两个概念没有区别,都是用系统转差降和理想空载转速的比值定义。
理论知识考核试卷(一)一、填空题(请将正确的菩案填在横线空白处}每空1分,共26分)1.集成运放中与输出端电压极性相反的输人端称为_______,与输出端电压极性相同的输入端称为——。
2备课时应首先确定“技能操作指导”的——,然后在掌握指导内容的前提下——。
3 Fuse的中文意思为——。
4.电阻器的英文是——。
5.三相异步电动机变频调速的控制方式有——、——和——控制方式三种。
6.数控加工程序编制方法有——和——两种。
7直流主轴传动系统中又分——一方式和——方式两种。
8.无环流逻辑控制器的任务是确保正组晶闸管和反组晶闸管不会——。
9.液压缸是液压系统的——元件,10.选择PLc包括PLC的——,一—,—、电源的选择。
11.PLc的输出接线方式一般有——式输出和——式输出两种。
12.传感器接输出信号分可分为——传感器和——传感器。
13数控机床坐标系各进给轴运动的正方向总是假定为假设——不动,——远离工件的方向为正。
14.SIMODRIVE 6RA27 6DV55调速系统中引入了————负反馈和——负反馈。
’二、判断题(下列判断正确的谙打“√”,错误的打“×”;每题2分,共18分)1选用光栅尺时,其测量长度要略低于工作台最大行程。
( )2逻辑无环流可逆系统,是当其中一组晶闸管工作时,用逻辑电路封锁另一组晶闸管的触发脉冲,使它完全处于阻断状态,确保两组晶闸管不同时工作^从而解决了环流产生的问题。
( )3.液压马达在液压系统中的作用是将液压能转换成机械能,属于执行元件。
( )4.I/0点数是根据被控对象的输人、输出信号的实际个数来确定的。
( )5光电传感器属于非接触式传感器,具有结构简单、可靠性高、糖度高和反应速度快等优点。
( ) 6.交交变频器把工频交流电整流为直流电,然后再由直流电逆变为所需频率的交流电。
7.运放的反相输人端标上“一”号表示只能输入负电压()。
8. 由集成运放组成的加法电路,输出为各个输人量之和()。
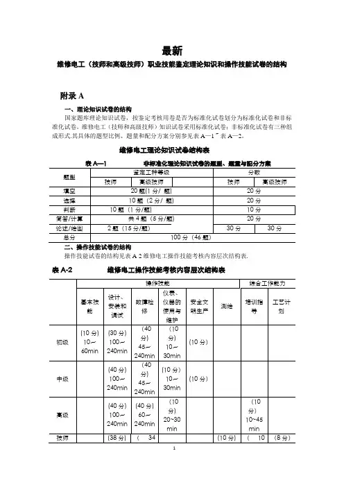
最新维修电工(技师和高级技师)职业技能鉴定理论知识和操作技能试卷的结构附录A一、理论知识试卷的结构国家题库理论知识试卷,按鉴定考核用卷是否为标准化试卷划分为标准化试卷和非标准化试卷。
维修电工(技师和高级技师)知识试卷采用标准化试卷;非标准化试卷有三种组成形式。
其具体的题型比例、题量和配分方案分别参见表A-1~表A-2。
维修电工理论知识试卷结构表操作技能试卷的结构见表A-2维修电工操作技能考核内容层次结构表。
国家题库操作技能试卷采用由“准备通知单”、“试卷正文”和“评分记录表”三部分组成的基本结构,分别供考场、考生和考评员使用。
(1)准备通知单包括材料准备,设备准备,工具,量具、刃具、卡具准备等考场准备(标准、名称、规格、数量)要求。
(2)试卷正文包含需要说明的问题和要求、试题内容、总时间与各个试题的时间分配要求,考评人数,评分规则与评分方法等。
(3)评分记录表包含具体的评分标准和评分记录表。
附录B 理论知识模拟试卷一、试卷说明(1)本试卷以《国家职业职业标准》(维修电工)为命题依据。
(2)本试卷考核内容无地域限制。
(3)本试卷只适用于本等级鉴定。
(3)本试卷命题遵循学以致用的原则。
二、模拟试卷正文最新职业技能鉴定国家题库维修电工技师理论知识试卷(1)注意事项1、考试时间:120min。
2、请首先按要求在试卷的标封处填写您的姓名、准考证号和所在单位的名称。
3、请仔细阅读各种题目的回答要求,在规定的位置填写您的答案。
4一、填空题(第1~20题。
请将正确答案填入题内空白处。
每题1分,共20分。
)1.劳动的双重含义决定了从业人员全新的劳动态度和职业道德观。
2.职业道德的内容包括:_职业德意道识、职业道德行为规范和职业守则等。
3.奉献社会是职业道德中的最高境界,同时也是做人的最高境界。
4.采用YY/△接法的三相变极双速电动机变极调速时,调速前后电动机的输电出功率池基本不变。
5.使用直流双臂电桥测量电阻时,动作要迅速,以免_电池耗电量过大6.熔断器的选用首先应确定熔体的额电流,再根据被保护电路的性质选择熔断器的类型。
维修电工国家职业资格二级
(技师)理论
一、单项选择题(第1~20题。
请选择一个正确答案,将相应字母填入括号内。
每题1分,共
20分。
)
1.关于创新的论述,正确的是()。
A、创新就是出新花样
B、创新就是独立自主
C、创新是企业进步的灵魂
D、创新不需要引进外国的新技术
2. 养成爱护企业设备的习惯,( )。
A、在企业经营困难时是很有必要的
B、对提高生产效率是有害的
C、对于效益好的企业是没有必要的
D、是体现职业道德和素质的一个重要方面
3. 下面不是利用电磁感应原理制成的设备是 ( )。
A、变压器
B、电动机
C、柴油机
D、发电机
4. 劳动安全卫生管理制度对未成年工给予了特殊的劳动保护,规定严禁一切企业招收未满
( )周岁的童工。
A、13
B、15
C、16
D、18
5. 数据选择器在( )信号的控制下,从多路数据中选择一路数据作为输出信号。
A、脉冲
B、地址
C、程序
D、时钟
6. 移位寄存器型计数器可分为环形计数器和( )计数器两种。
A、开环形
B、右环形
C、扭环形
D、左环形
7.三相桥式全控整流电路中1#晶闸管的触发脉冲与2#晶闸管的触发脉冲间隔( )。
A、30°
B、60°
C、90°
D、120°
8.在FX2N系列PLC中,循环指令(FOX、NEXT)最多可以嵌套( )层。
A、3
B、5
C、8
D、16
9.PLC中BCD码变换指令的功能是将( )变换成BCD码。
A、二进制数
B、八进制数
C、十进制数
D、十六进制数
10.FX2N系列PLC中带进位循环右移指令的助记符是( )。
A、RCR
B、ROR
C、WSFR
D、SFTR
11.FX2N-2DA模拟量输出模块的内部结构包含D/A转换器、缓冲寄存器、( )。
A、AC/DC电源
B、扩展电缆
C、光电耦合器
D、A /D转换器
12. PLC模拟量输出模块使用时不需要设置的参数是()。
A、输出模式选择
B、通道选择
C、转换速度
D、输出保持模式
13.直流可逆调速系统中对电动机容量大、快速性要求不高的场合宜选用( ) 电路。
A、磁场可逆
B、电枢可逆
C、变频可逆
D、单相可逆
14. 变频调速的基本控制方式有()、恒电压和恒电流等控制方式。
A、恒功率因数
B、恒转速
C、恒转差率
D、恒压频比
15. 直接转矩控制系统的主要特点是:信号处理特别简单、()、转矩作为被控量。
A、磁场定向采用定子磁链
B、磁场定向采用转子磁链
C、调速范围很大
D、输出转矩无脉动
16. 变频器的减速停车过程是先再生制动,后()。
A、回馈制动
B、单相制动
C、直流制动
D、反接制动
17.交流伺服系统的性能指标可以从()、定位精度、稳速精度、转矩波动、动态响应和运行稳定性等方面来衡量。
A、运行效率
B、转速误差
C、纹波系数
D、调速范围
18.交流伺服系统的常见故障有过载、超程、窜动、爬行、()等。
A、堵转
B、振动
C、失压
D、漏电
19.在技能培训进行示范操作时应注意:放慢操作速度、分解演示、()、重点演示、边演示边讲解、实物演示。
A、教具演示
B、动画演示
C、模型演示
D、重复演示
20.对使用中的电气设备,应定期测试其绝缘电阻和(),进行耐压试验。
A、工作电流
B、接地电阻
C、机械强度
D、电机转速
二、多项选择题(第21~30题。
请选择两个及以上正确答案,将相应字母填入括号内。
每题
错选或多选、少选均不得分,也不倒扣分。
每题2分,共20分。
)
21. 下面所描述的事情中属于工作认真负责的是( )。
A、领导说什么就做什么
B、下班前做好安全检查
C、上班前做好充分准备
D、工作中集中注意力
E、为了提高产量,减少加工工序
22. 三相异步电动机改变旋转磁场转向的方法是( )。
A、任意调换三根电源线
B、任意调换两根电源线
C、调换相线和零线
D、改变电源的相序
E、改变电流的方向
23. PLC功能指令的类型很多,常用的有程序流程指令、传送与比较指令、四则运算指令、
( )、高速处理指令、方便指令等等。
A、循环移位指令
B、顺控指令
C、计数指令
D、数据处理指令
E、步进指令
24. 在FX2N系列PLC中,传送指令MOV K1X0 K1Y0的功能是将输入端X0~X3 的状态送
到输出端( )中。
A、Y0
B、Y1
C、Y2
D、Y3
E、Y4
25. FX2N-4AD模拟量输入模块接线时采取( )措施,可以提高抗干扰能力。
A、在V+与VI-之间接一个小电容
B、连接V+与I+两端
C、连接V+与FG两端
D、连接FG与模块接地端
E、连接模块接地端与PLC主单元的接地端
26.电阻式触摸屏与电容式触摸屏相比具有( )优点。
A、价格低
B、多点触控
C、耐潮湿
D、抗电磁干扰
E、寿命长27.转速电流双闭环直流调速系统由信号给定、速度调节器、( )等组成。
A、电压调节器
B、电流调节器
C、晶闸管触发器
D、V—M系统
E、电压互感器
28.直流脉宽调速系统的优点是主电路简单、低速性能好、动态响应快、( )。
A、谐波分量小
B、功率因数高
C、占空比高
D、系统容量大
E、控制简单
29.伺服系统通常根据伺服驱动机的种类来分类,有( )和电气式。
A、液压式
B、永磁式
C、电子式
D、气动式
E、力矩式
30.技能培训指导的步骤一般由组织教学、( )、结束指导四个环节组成。
A、示范指导
B、入门指导
C、巡回指导
D、操作指导
E、个别指导
三、判断题(第31~40题。
请将判断结果填入括号中,正确的填“√”,错误的填“×”。
每
题1分,共10分。
)
()31. 在市场经济条件下,职业道德具有促进人们的行为规范化的社会功能。
()32. 游标卡尺测量前应清理干净,并将两量爪合并,检查游标卡尺的精度情况。
()33. 一个计数器只有当所有状态都能连接在一起时,才叫具有自启动能力。
()34. A/D转换的常用方法有串行A/D转换、双微分A/D转换、逐次接近A/D转换。
()35. FX2N系列PLC字逻辑运算异或指令的助记符是XOR。
()36.触摸屏一般由触摸屏控制器(卡)和触摸检测装置两个部分组成。
()37. SPWM的输出电压基波频率正比于载波信号的频率。
()38. 变频器容量选择的各种方法归根到底还是对变频器额定电流的选择。
()39. 伺服电机选用的基本原则是当量匹配、惯量匹配、力矩匹配和功率匹配。
()40. 电气设备管理的内容包括电气设备验收、存放、运行和日常检查维护等。
四、简答题(第41~44题。
每题5分,共20分。
)
41.简述变频器的接线方法。
42.写出变频器的六类常见故障。
43.简述交流伺服系统的调试过程。
44.技能培训考核时应注意哪些方面?
五、综合题(第45~46题。
每题15分,共30分。
)
45.三相半波可控整流电路电感性负载,整流变压器二次侧Y接法,相电压U2=220V,
R d=4 ,α=60°,画出主电路,计算输出电压U d和输出电流I d的数值,计算每个晶闸管中电流的平均值I dT和有效值I T,分析控制角α的移相范围。
46.阅读以下PLC程序,对每一条指令进行注释。
主程序: LD
CALL 0
子程序0:LD
MOVB 16#F8,SMB47
HDEF 1,11
MOVD 0,SMD48
MOVD 1000,SMD52
ATCH 0,13
ENI
HSC 1
中断0:LD
MOVD 0,SMD48
MOVB 16#C0,SMB47
HSC 1。