余热回收教程
- 格式:ppt
- 大小:324.50 KB
- 文档页数:12
余热锅炉及低温热回收操作规程余热回收工艺流程叙述1.1 烟气流程烟气侧设置的设备包括转化器(R0401)一段出口的高温过热器(E0601)、转化器二段出口的高温换热器(E0401)、转化器三段出口的低温换热器(E0402)、省煤器3B(E0602)、转化器四段出口的低温过热器(E0603)、省煤器4A/4C (E0604)以及焚硫炉出口的火管余热锅炉(F0601)。
温度约1062℃的烟气从焚硫炉出口进入火管式余热锅炉(F0601), 与锅炉锅壳里的水汽换热后降温至约420℃, 进入转化器(R0401)一段, 反应升温后, 进入高温过热器(E0601), 与高温过热器内的过热器蒸汽换热降温至约440℃, 再回到转化器二段, 继续反应升温, 烟气从二段出来后进入高温换热器(E0601), 与换热器内的冷烟气换热降温至约450℃后进入转化器三段, 烟气在转化器三段反应升温, 从三段出口出来后依次进入低温换热器(E0402)和省煤器3B(E0602), 烟气温度冷却至约180℃后, 送去一吸塔(T0502);从一吸塔回来的烟气依次通过低温换热器(E0402)和高温换热器(E0401)升温至约425℃进入转化器四段, 烟气反应升温后, 从四段出来, 依次进入低温过热器(E0603)和省煤器4A/4C(E0604), 温度降至约162℃, 然后送入二吸塔(T0503)。
2.1水汽流程经热力除氧后、由锅炉给水泵(P1005)加压后的除氧水, 依次进入省煤器4A/4C(E0604)、省煤器3B(E0602)与其内的热烟气换热后温度约为240℃, 然后送入火管余热锅炉(F0601)的汽包并通过下降管进入锅壳, 与炉管内的高温烟气换热, 水吸收热量后蒸发, 变为中压饱和蒸汽从锅炉汽包顶部出口送出;由锅炉汽包顶部送出的饱和蒸汽进入低温过热器(E0603)进行一次过热, 然后进入高温过热器(E0601)再进行一次过热, 期间设置有喷水减温器调节过热蒸汽的温度, 从高温过热器(E0601)出来的过热蒸汽温度约为450℃, 压力约3.82MPa, 此蒸汽通过蒸汽集箱后送给用户或汽轮发电系统。
余热回收的方法余热回收是指将工业生产、能源消耗等过程中产生的废热进行收集和利用的技术手段。
通过余热回收,可以实现能源的有效利用,减少能源浪费,降低环境污染,提高能源利用效率。
下面将介绍几种常见的余热回收的方法。
1. 烟气余热回收烟气余热回收是指将工业生产过程中产生的高温烟气中的余热进行回收利用的方法。
常见的烟气余热回收技术包括烟气换热器和烟气蒸发器。
烟气换热器通过烟气与工艺流体之间的换热,将烟气中的余热传递给工艺流体,实现能量的转移。
烟气蒸发器则通过将烟气中的水分蒸发,将烟气中的余热转化为水蒸气的热量,进而用于其他工艺过程。
2. 冷凝余热回收冷凝余热回收是指将工业生产过程中产生的冷凝热量进行回收利用的方法。
常见的冷凝余热回收技术包括冷凝器和热泵。
冷凝器通过将冷凝热量传递给其他工艺流体,实现能量的转移。
热泵则通过利用工艺流体中的低温热量,将其升温并用于其他工艺过程,实现能量的回收和再利用。
3. 液体余热回收液体余热回收是指将工业生产过程中产生的废液中的余热进行回收利用的方法。
常见的液体余热回收技术包括热交换器和蒸发器。
热交换器通过将废液中的余热传递给其他工艺流体,实现能量的转移。
蒸发器则通过将废液中的水分蒸发,将废液中的余热转化为水蒸气的热量,进而用于其他工艺过程。
4. 高温烟气余热回收高温烟气余热回收是指将工业生产过程中产生的高温烟气中的余热进行回收利用的方法。
常见的高温烟气余热回收技术包括烟气换热器和烟气蒸发器。
烟气换热器通过烟气与工艺流体之间的换热,将烟气中的余热传递给工艺流体,实现能量的转移。
烟气蒸发器则通过将烟气中的水分蒸发,将烟气中的余热转化为水蒸气的热量,进而用于其他工艺过程。
5. 低温烟气余热回收低温烟气余热回收是指将工业生产过程中产生的低温烟气中的余热进行回收利用的方法。
常见的低温烟气余热回收技术包括烟气换热器和烟气蒸发器。
烟气换热器通过烟气与工艺流体之间的换热,将烟气中的余热传递给工艺流体,实现能量的转移。
焦化厂炼焦车间余热回收流程详解下载温馨提示:该文档是我店铺精心编制而成,希望大家下载以后,能够帮助大家解决实际的问题。
文档下载后可定制随意修改,请根据实际需要进行相应的调整和使用,谢谢!并且,本店铺为大家提供各种各样类型的实用资料,如教育随笔、日记赏析、句子摘抄、古诗大全、经典美文、话题作文、工作总结、词语解析、文案摘录、其他资料等等,如想了解不同资料格式和写法,敬请关注!Download tips: This document is carefully compiled by theeditor.I hope that after you download them,they can help yousolve practical problems. The document can be customized andmodified after downloading,please adjust and use it according toactual needs, thank you!In addition, our shop provides you with various types ofpractical materials,such as educational essays, diaryappreciation,sentence excerpts,ancient poems,classic articles,topic composition,work summary,word parsing,copy excerpts,other materials and so on,want to know different data formats andwriting methods,please pay attention!详解焦化厂炼焦车间的余热回收流程在现代工业生产中,能源的有效利用和环保问题是重要的议题。
高炉炉渣余热回收利用
标签:高炉渣余热回收
高炉炉渣出炉温度约为1450℃左右,通常是断续出渣,所以其热能的回收利用存在很大的难度,常见的高炉水淬处理后的只能回收炉渣10%的热量,其余90%的热量只能白白浪费。
目前,在国内外对高炉渣进行干式粒化处理的研究已进入中试阶段,效果较好,其方式分为普通式和流化床式两类。
1、普通式余热回收。
该法是先将液态高炉渣倒入一倾斜的渣沟里,液渣在渣沟末端流出时与下部出来的高速空气流接触,渣温从1550℃降到1000℃并被粒化后进入热交换器,然后在热交换器内渣冷却到300℃,热量得到回收。
该法可以回收热量40% -45%。
但相对流化床式还是偏低,且处理后渣粒度不均匀。
2、流化床式热回收。
流化床是利用空气作为流化气体,在处理过程中,钢渣颗粒与流化气体接触充分,接触面积增大,所以热交换比较充分,渣热回收率大大提高。
流化床式回收法有常规干式粒化法和熔融高炉渣粒化法两类,其中后者较为成熟,回收率可达70%。
其核心设备是熔融高炉渣粒化设备,回收热过程是:1)液态高炉渣粒从罩杯中甩出,通过与下部流化床上来的空气和水冷壁间的换热,完成回收约14%热量;2)高炉渣进而打在容器内壁,与水冷壁进行热交换,完成回收约23%热量;3)内壁反弹回来的高炉渣粒进入到一级流化床内,并与通过流化床
的空气和位于床层内的换热管间热交换冷却,完成回收约43%热量;4)一级流化床受热快速膨胀,热渣进入到二级流化床,节能型热交换,完成回收约20%热量。
该法日处理渣约7700t,过程中完全无水参与,节约了水资源,且渣粒均匀(小于2mm),适宜制造水泥。
熔融高炉渣粒化法处理高炉渣,可以实现环保和热能的双赢,值得大力推广。
转炉烟气余热回收流程转炉是一种用于冶炼钢铁的设备,在生产过程中会产生大量的烟气。
这些烟气中含有大量的热能,如果不能有效地回收利用,不仅会造成能源的浪费,还会对环境造成污染。
因此,利用转炉烟气余热回收技术,将其中的热能回收利用,不仅可以降低能源消耗,还可以减少环境污染。
转炉烟气余热回收流程主要包括烟气净化、余热回收和余热利用三个步骤。
第一步,烟气净化。
转炉烟气中含有大量的粉尘、二氧化硫、氮氧化物等有害物质,需要进行净化处理。
烟气净化的方式主要包括干法和湿法两种方式。
干法烟气净化主要是利用静电除尘器、布袋除尘器等设备将烟气中的粉尘和微小颗粒物过滤掉。
湿法烟气净化则是将烟气通过喷淋等方式与水接触,使烟气中的有害气体转化为水溶液,进而进行分离和回收。
第二步,余热回收。
在烟气净化后,烟气中的热能仍然很高,需要通过余热回收设备进行回收利用。
常用的余热回收设备包括烟气余热锅炉、烟气换热器等。
烟气余热锅炉是利用烟气中剩余的热量产生蒸汽或热水的设备。
烟气换热器则是利用烟气与其他介质接触,将烟气中的热能传递给其他介质,进而产生蒸汽或热水。
这些蒸汽或热水可以用于工业生产或供热等领域。
第三步,余热利用。
回收到的余热可以直接供应给工业生产中的热源,也可以通过热电联产等方式将其转化为电能供应给电网。
热电联产技术是利用余热锅炉产生的高温高压蒸汽驱动汽轮机发电,并将过程中产生的低温余热通过换热器回收利用,从而实现能量的高效利用。
转炉烟气余热回收技术不仅可以降低能源消耗,还可以减少环境污染。
目前,该技术已经在钢铁、化工、建材等领域得到广泛应用,为企业节能减排、提高经济效益做出了贡献。
余热回收⽅案空压机余热回收⽅案:1、为什么要空压机余热回收?空⽓压缩机应⽤⼴泛,在其长期、连续的运⾏过程中,根据能量守恒原理把电能转换为机械能和热能,空压机在⼯作时产⽣⼤量热能,最后以风冷或⽔冷的形式将废热奢侈的浪费到环境中。
空⽓压缩机产⽣热能,不仅营运成本⾼,⽽且环境污染极为严重,如将该部分热能回收利⽤于企业⽣活采暖、⼯业⽤⽔、热⽔空调……从⽽为社会企业解决使⽤热⽔之可观经济负担。
2、如何空压机余热回收?艾迪克空压机热⽔器(⼤型螺杆空压机适⽤选⽤了耐⾼温、⾼导热复合新型材料,先进独特的设计和⼀流的技术,智能化控制是空压机节能减排的最佳组合,同时也为空压动⼒开辟全新的节能⽅案!1、空压机余热回收利⽤理论基础:螺杆式空压机在长期、连续的运⾏过程中,根据能量守恒原理把电能转换为机械能和热能,空压机在⼯作时产⽣⼤量的余热没有利⽤。
最后以风冷或⽔冷的形式作为废热⽩⽩地排放到环境中(浪费掉)。
热能反⽽造成运营成本⾼和环境污染……现艾迪克空压机热⽔系统将余热回收利⽤于加热⽔,成为企业员⼯⽣活热⽔、⼯业⽤⽔、热⽔空调……从⽽解决了企业为使⽤热⽔的长期经济负担。
2、空压机余热回收原理:螺杆式空压机在长期、连续的运⾏过程中,把电能转换为机械能,机械能转换为⾼压压缩空⽓。
在机械能转换为⾼压压缩空⽓过程中,空压机螺杆的调整旋转产⽣的⼤量热量,经润滑油带出机体外,最后以风冷或⽔冷的形式再把热量散发出去。
空压机⼯作时机油温度通常在80~100℃之间,热能转换系统充分利⽤⼯作时的余热,在机油管道未经散热器之前串联接⼊热能转换机油路; 热能转换机⽔系统连接循环保温⽔塔进⾏循环加热。
循环保温⽔塔内热⽔⽔温达到所设定温度(50~65℃可调)后,通过温控系统、输送系统到达员⼯宿舍楼顶的热⽔保温桶不断储存后供员⼯使⽤。
螺杆式空压机余热回收节能设备,采⽤冷热交换原理,将⾼温润滑油热量转换为55~70℃热⽔,从⽽解决了企业为解决员⼯⽣活热⽔、⽣产加热液体、空调系统恒温加热系统等长期承受的经济负担。
余热回收工艺流程
《余热回收工艺流程》
余热回收是指在工业生产过程中产生的废热被有效地回收和利用的技术。
这种方式不仅可以降低能源消耗,减少二氧化碳的排放,还能节约生产成本,提高能源利用率。
余热回收工艺流程是指在工业生产中将废热进行回收和再利用的具体步骤和方法。
首先,需要对生产过程中产生的废热进行有效的收集和监控。
通过安装余热回收设备和传感器来实时监测废热的产生情况,以及其温度、压力等参数。
同时,对工艺流程中的热点进行分析和识别,找出可能产生大量废热的环节。
接着,对收集到的废热进行处理和传输。
这一步包括对废热进行净化、降温等处理,以确保其符合再利用的标准。
同时,需要通过管道或其他输送设备将废热输送到回收设备中进行进一步处理。
然后,进行余热的再利用和转化。
在这一步,通过热交换器等设备将废热与新鲜的能源进行热交换,实现废热的再利用。
例如,可以利用废热加热新鲜的液体,或者产生蒸汽用于其他工艺环节。
同时,还可以将废热转化为电能,用于生产过程中的电力供应。
最后,对利用后的废热进行排放和监测。
通过对回收利用后的废热进行监测和排放,确保其符合环保要求,不对环境造成污
染。
总的来说,《余热回收工艺流程》是一个关键的节能减排技术,可以在工业生产中大幅降低能源的消耗,减少环境污染,提高资源的利用率。
随着对环保和可持续发展意识的提高,余热回收技术将在工业生产中得到更广泛的应用。
余热回收工艺流程余热回收是指将产生的废气、废水或废热能有效地利用起来,从而降低能源的消耗和环境污染。
余热回收工艺流程主要包括废气余热回收、废水余热回收和废热余热回收三个方面。
首先是废气余热回收。
在生产过程中,许多工艺会产生大量的废气,这些废气中包含着能源。
为了利用这些能源,可以通过烟气余热回收技术将废气中的能源进行回收利用。
流程主要包括废气净化、废气余热回收和余热利用三个步骤。
废气净化是对废气进行处理,去除其中的有害物质,保证环境的安全。
然后,通过余热回收装置将废气中的热量转化为热水或蒸汽,并将其输送到需要能源的地方进行利用,减少能源消耗。
最后,通过余热利用装置将热水或蒸汽进行再利用,如用于生产中的加热、蒸汽动力等,实现能源的高效利用。
其次是废水余热回收。
一些生产过程中产生的废水中包含大量的热能,为了节约能源,可以通过废水余热回收技术将废水中的热能进行回收利用。
废水余热回收主要包括废水预处理、余热回收和余热利用三个步骤。
首先,对废水进行预处理,去除其中的杂质、悬浮物等,确保余热回收装置的正常运行。
然后,通过余热回收装置将废水中的热量转化为热水或蒸汽,并将其输送到需要能源的地方进行利用。
最后,通过余热利用装置将热水或蒸汽进行再利用,如用于生产中的加热、蒸汽动力等,实现能源的高效利用。
最后是废热余热回收。
在一些生产过程中,会产生大量的废热,为了降低能源的消耗,可以通过废热余热回收技术将废热进行回收利用。
废热余热回收主要包括废热回收、余热利用和余热再利用三个步骤。
首先,通过废热回收装置将废热转化为热水、蒸汽或其他形式的能源,并将其输送到需要能源的地方进行利用。
然后,通过余热利用装置将热水、蒸汽或其他能源进行再加热、蒸发等处理,使其转化为高品质的能源,提高能源的利用效率。
最后,通过余热再利用装置将高品质的能源再利用,如用于生产中的加热、蒸汽动力等,实现能源的高效利用。
综上所述,余热回收工艺流程包括废气余热回收、废水余热回收和废热余热回收三个方面。
转炉烟气余热回收流程转炉烟气余热回收是一种利用转炉炉排烟中的余热进行能量回收和再利用的过程。
通过回收转炉烟气中的余热,不仅可以提高能源利用效率,降低能源消耗,还可以减少环境污染,实现可持续发展。
转炉烟气余热回收流程主要包括烟气收集、余热回收、能量利用三个环节。
一、烟气收集转炉烟气经过炉排后,含有大量的高温烟气。
在回收烟气余热之前,首先需要对烟气进行收集。
收集烟气的方式多种多样,常见的方法有烟气导流、烟气抽取等。
通过合理的烟气收集方式,可以确保烟气的充分利用和回收。
二、余热回收烟气中的余热主要来自于炉排燃烧产生的高温烟气。
在余热回收过程中,一种常见的方式是利用余热锅炉进行回收。
余热锅炉是一种专门用于回收高温烟气中余热的设备,其工作原理是通过余热烟气与锅炉壁面进行热交换,将烟气中的余热传递给锅炉水,使水被加热并转化为蒸汽。
这样既实现了余热的回收利用,又得到了可用的蒸汽能量。
三、能量利用在余热回收后,得到的蒸汽能量可以用于多种用途。
一种常见的利用方式是用蒸汽驱动汽轮发电机发电。
通过将蒸汽能量转化为电能,可以满足工厂的电力需求,同时减少对传统能源的依赖。
此外,余热蒸汽还可以用于加热供暖、工艺用蒸汽等方面,实现能量的多次利用。
转炉烟气余热回收流程的优势在于其能够有效回收和利用炉排烟气中的热能。
通过余热回收,不仅可以提高能源利用效率,减少能源消耗,还可以减少二氧化碳等温室气体的排放,降低环境污染,实现低碳环保的目标。
然而,在进行转炉烟气余热回收时也存在一些挑战和注意事项。
首先,需要进行合理的烟气收集,确保烟气的充分回收利用。
其次,在余热回收过程中,需要注意余热锅炉的设计和运行,确保其安全可靠,高效稳定。
最后,在能量利用过程中,需要合理规划能量的分配和利用方式,避免能量的浪费和损耗。
转炉烟气余热回收流程是一种有效利用转炉炉排烟气中余热的方法。
通过烟气收集、余热回收和能量利用三个环节,可以实现对转炉烟气中余热的回收和再利用,提高能源利用效率,降低环境污染。
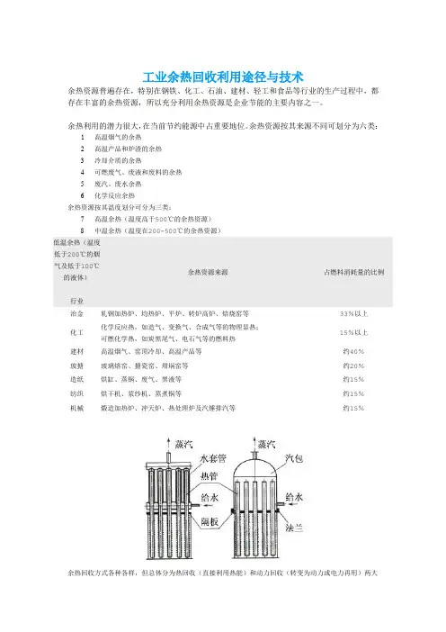
工业余热回收利用途径与技术余热资源普遍存在,特别在钢铁、化工、石油、建材、轻工和食品等行业的生产过程中,都存在丰富的余热资源,所以充分利用余热资源是企业节能的主要内容之一。
余热利用的潜力很大,在当前节约能源中占重要地位。
余热资源按其来源不同可划分为六类:1 高温烟气的余热2 高温产品和炉渣的余热3 冷却介质的余热4 可燃废气、废液和废料的余热5 废汽、废水余热6 化学反应余热余热资源按其温度划分可分为三类:7 高温余热(温度高于500℃的余热资源) 8中温余热(温度在200-500℃的余热资源)低温余热(温度低于200℃的烟气及低于100℃的液体)行业 余热资源来源占燃料消耗量的比例治金 轧钢加热炉、均热炉、平炉、转炉高炉、焙烧窑等 33%以上 化工 化学反应热,如造气、变换气、合成气等的物理显热; 可燃化学热,如炭黑尾气、电石气等的燃料热 15%以上 建材 高温烟气、窑顶冷却、高温产品等 约40% 玻搪 玻璃熔窑、搪瓷窑、坩埚窑等 约20% 造纸 烘缸、蒸锅、废气、黑液等 约15% 纺织 烘干机、浆纱机、蒸煮锅等约15% 机械 煅造加热炉、冲天炉、热处理炉及汽锤排汽等约15%余热回收方式各种各样,但总体分为热回收(直接利用热能)和动力回收(转变为动力或电力再用)两大类。
而在回收余热时,首先应考虑到所回收余热要有用处和在经济上必须合算,如为了回收余热所耗费的设备投资甚多,而回收后的收益又不大时,就得不偿失了。
进行余热回收原则是:1、对于排出高温烟气的各种热设备,其余热应优先由本设备或本系统加以利用。
如预热助燃空气、预热燃料等,以提高本设备热效率,降低燃料消耗。
2、在余热余能无法回收用于加热设备本身,或用后仍有部分可回收时,应利用来生产蒸汽或热水,以及生产动力等。
3、要根据余热的种类、排出情况、介质温度、数量及利用的可能性,进行企业综合热效率及经济可行性分析,决定设置余热回收利用设备的类型及规模。
余热回收基础工艺流程余热回收是指把工业生产或其他过程中产生的热能进行有效地利用,以达到节能减排的目的。
下面介绍一下余热回收的基础工艺流程。
首先,收集余热。
在工业生产过程中,存在许多产生的废热,如高温烟气、高温冷却水等。
这些废热需要通过各种方式进行收集。
比如,通过烟囱或管道系统将高温烟气集中排出,通过热交换器将高温冷却水集中回收。
接下来,预处理余热。
在回收的过程中,往往需要对余热进行一系列的预处理,以提高回收效率。
比如,在回收高温烟气时,可以通过除尘布袋、除酸洗等方式减少杂质对热交换器的影响。
然后,进行热能转换。
在回收的过程中,需要将收集到的废热进行热能转换,以便于进一步利用。
这一步往往采用热交换器进行,通过热力学原理,将高温废热与工作介质进行热传导和热交换,从而将废热转化为可用的能源,比如热水、蒸汽等。
最后,利用回收的热能。
经过转换后的热能可以用于多种用途,比如供暖、制冷、发电等。
对于供暖和制冷,可以通过管道系统将热能传输到需要加热或制冷的场所。
对于发电,可以将回收的热能用于驱动蒸汽轮机或发电机组,产生电能。
除了以上的基础工艺流程,还可以根据不同的回收需求进行一些技术改进,以提高回收效率和节能效果。
比如,在热能转换过程中,可以采用更高效的热交换器,增加热交换的面积,提高热能转换效率。
在热能利用过程中,可以采用先进的能源利用技术,如热泵、蒸汽发生器等,进一步提高热能的利用效率。
总之,余热回收是一种重要的节能减排方式,通过收集、预处理、转换和利用余热,可以有效地减少能源消耗,降低环境污染。
在未来的工业生产中,应当进一步推广余热回收技术,并不断进行技术创新和工艺改进,以实现更高效、更可持续的能源利用。
一种余热回收锅炉及余热回收的方法与流程导言随着环境保护和能源资源的日益紧张,余热回收成为降低能源浪费、提高能源利用效率的重要方法。
本文主要介绍了一种新型的余热回收锅炉以及其回收方法与流程,旨在提高工业生产过程中余热的回收利用率,减少能源消耗和环境污染。
一、余热回收锅炉的概述余热回收锅炉是一种能够通过回收工业生产过程中产生的废热,并将其转化为热能的设备。
该锅炉主要由燃烧室、换热管、回收系统和控制系统组成。
1.燃烧室:余热回收锅炉的燃烧室采用高效节能燃烧器,能够利用废气和废热进行充分燃烧,最大限度提高热能转化效率。
2.换热管:余热回收锅炉中的换热管采用高效换热材料,能够有效地传导热能。
换热管的数量和布局经过精确计算,以确保最大限度地回收废热。
3.回收系统:余热回收系统由废气回收器和废水回收装置组成。
废气回收器通过传热技术将废气中的热能回收,废水回收装置则能够将废水中的热能进行回收和利用。
4.控制系统:余热回收锅炉的控制系统能够智能地控制燃烧室的燃烧过程和换热管的传热效率,以提高回收利用率并确保安全运行。
二、余热回收的方法与流程余热回收的方法和流程是指在实际应用中如何将工业生产过程中产生的余热进行回收利用。
下面将详细介绍常见的余热回收方法与流程。
1.余热回收方法–烟气余热回收:通过安装余热回收装置,在炉膛烟气中回收热能,例如采用烟气余热锅炉技术,将烟气中的热能转化为水蒸汽或热水等形式。
–废水余热回收:通过废水回收装置将工业生产过程中产生的废水中的热能进行回收和利用,例如采用热泵技术,将废水中的热能转化为热水或蒸汽。
–水源余热回收:当工业生产过程中存在大量的水资源时,可通过回收水中的热能来进行余热利用,例如采用换热器将水中的热能传递给需要加热的介质。
2.余热回收流程–数据采集:通过安装传感器等设备,对工业生产过程中产生的余热进行数据采集,包括温度、流量等参数。
–余热定量分析:通过对采集的数据进行分析,计算出余热的产生量和热能含量,为后续的余热回收提供依据。
余热回收利用操作规程余热回收利用是指在工业生产过程中,利用产生的废热进行回收和再利用。
通过回收利用余热,不仅可以减少能源消耗,降低生产成本,还能保护环境,实现可持续发展。
为了确保余热回收利用操作的安全可靠,下面给出一份余热回收利用操作规程。
一、操作前准备1. 根据实际情况确定余热回收设备的位置和安装方法,确保设备安装牢固、稳定。
2. 检查余热回收设备的工作状态,包括管道、阀门、泵等设备是否完好,有无漏气、漏水等现象。
3. 确保余热回收设备处于安全状态,包括电气设备是否接地可靠,有无短路、漏电等现象。
二、操作步骤1. 打开余热回收设备的总开关,确保设备通电。
2. 检查余热回收设备的各个阀门是否处于正常工作状态,包括进水阀门、出水阀门、放空阀门等。
3. 打开进水阀门,将冷却介质引入余热回收设备,确保进水量适中。
4. 确保余热回收设备的泵运转正常,调节泵的流量,保证回收的余热能够充分利用。
5. 监测余热回收设备的运行状态,包括压力、温度等指标,确保设备运行稳定、安全。
6. 定期进行设备维护和清洁工作,保证设备的正常运行和使用寿命。
7. 对于设备故障或异常情况,及时停机排除故障,确保操作安全可靠。
三、操作安全措施1. 操作人员需要经过必要的培训,了解余热回收设备的工作原理和操作规程。
2. 操作时必须佩戴防护用品,包括防护眼镜、防护手套等,确保人身安全。
3. 在设备运行过程中,不得随意触摸设备,以免发生触电或烫伤等事故。
4. 不得将可燃物品或易燃易爆物品靠近余热回收设备,以免引发火灾或爆炸事故。
5. 设备维护和清洁时,必须先切断电源,确保操作的安全性。
6. 操作结束后,及时关闭余热回收设备的总开关,确保设备停止运行。
四、附加要求1. 操作人员需了解当地相关法律法规和环保政策,确保操作符合法规要求。
2. 对于涉及到化学品的余热回收设备,必须按照相关规定进行存放和使用,确保操作安全。
3. 对于涉及到高温或高压的余热回收设备,必须按照相关规定进行操作,确保操作人员安全。
蒸汽锅炉的余热回收及其方法蒸汽锅炉是一种重要的能源设备,因其具有高效、安全、节能等特点而广泛应用于各领域。
同时,蒸汽锅炉所产生的热能也是一种有价值的能源。
因此,对蒸汽锅炉所产生的余热进行回收利用已成为一种必要的措施。
一、蒸汽锅炉的余热蒸汽锅炉所产生的余热主要体现在烟气排放中。
在烟气排放前,燃烧所产生的烟气中含有大量热能,如果不加以利用就会浪费大量的能源。
因此,对蒸汽锅炉烟气中的余热进行回收利用就显得尤为重要。
二、蒸汽锅炉余热回收的方法1.废气余热利用蒸汽锅炉的燃烧产生的废气中所含的余热是一种难以避免的能源浪费。
对于废气余热的回收利用在降低能源消耗和减少环境污染方面都是十分重要的。
目前,常用的废气余热利用方式主要有两种:一种是利用余热加热水;另一种是利用余热发电。
利用余热加热水是指将废气中所含的热能通过传热的方式加热水,使其变成热水或蒸汽,从而达到节能的效果。
而利用余热发电则是指通过将废气中的热能转换成电能来实现能源的回收利用。
2.化学回收法在蒸汽锅炉中,含氧化物的废气可以通过化学反应的方式回收利用。
具体来说,可以通过加入催化剂或其他化学试剂来实现废气中有害气体的转化,从而达到净化空气的作用。
同时,这种方法也可以实现废气中热能的回收利用,从而达到节能的效果。
3.热泵技术热泵技术是一种将低温热能转换成高温热能的技术。
在蒸汽锅炉的余热回收中,可以采用热泵技术将废气中的低温热能变成高温热能,从而实现能源的回收利用。
这种方法具有节能、环保的优点,而且适用于大多数蒸汽锅炉。
4.余热回收系统余热回收系统是一种将废气中的热能通过传热的方式回收利用的系统。
具体来说,该系统将废气通过换热器和其他传热设备来回收热能,从而达到能源的回收利用。
这种方法适用于各种不同类型的蒸汽锅炉,具有高效、低成本、节能等优点。
三、蒸汽锅炉余热回收的意义1.节约能源蒸汽锅炉是一种能源密集型设备,其运行耗费的能源较大。
因此,对蒸汽锅炉所产生的余热进行回收利用可以减少能源的消耗,从而达到节约能源的效果。
工业余热回收利用途径与技术工业余热是指在工业生产过程中产生的废热能。
传统的做法是将废热通过冷却装置排放到大气中,造成了严重的能源浪费和环境污染。
因此,工业余热的回收利用具有重要的经济和环境意义。
本文将重点介绍工业余热回收利用的途径与技术。
1.直接利用工业余热直接利用是指将废热直接用于其他工业过程或提供空调、供热等服务。
常见的直接利用方法包括:1.1热传导法:通过热传导将废热直接传递给需要加热的物体,如暖气片、水暖设备等。
1.2蒸汽回收:将产生的低温废热用于蒸汽发生器,生成高温高压蒸汽,用于驱动发电机组或其他工业过程。
1.3空调回收:将废热用于空调系统中的冷凝器,提高冷凝效果,减少能源消耗。
1.4包装、纺织等行业的暖房:利用废热为产品提供加热设备,提高生产效率和产品质量。
2.热能转化为电能热能转化为电能是将废热通过发电机转化为电能,具体的技术包括:2.1ORC技术:有机朗肯循环技术是指将废热用于加热工质,工质在密闭系统中气化成蒸汽驱动发电机产生电能。
2.2燃气轮机技术:将废热用于燃气轮机,获得高温高压蒸汽,驱动燃气轮机产生电能。
3.废热回收再利用除了直接利用和热能转化为电能外,还可以通过废热回收再利用来提高能源利用效率。
常见的回收再利用方法包括:3.1热交换器:将废热通过热交换器与传质体进行热交换,将工业余热转移到其他介质中,为其他工业过程或生活提供热能。
3.2热泵技术:将低品质废热通过热泵的工作循环将其提高温度,转化为高品质的热能。
3.3储热技术:将废热用于热能储存系统中,储存并再利用。
4.废热联合发电废热联合发电是指将工业余热利用于燃气轮机或蒸汽轮机等发电设备,将废热转化为电能的同时,回收废气中的热能供应其他工业过程。
废热联合发电技术在大型化工、钢铁、石油、电力等行业得到广泛应用。
5.其他技术此外,还有一些新兴的工业余热回收利用技术:5.1热管技术:利用热管的传热性能和传热特性,将废热转移到需要加热的目标区域,实现能量利用。
上升管余热回收工艺流程1.废热收集:生产过程中产生的废热通过热交换器进行收集。
热交换器将废热传导给工作介质,使其升温,同时将冷却剂冷却下来。
2.废热传导:收集到的废热通过上升管进行传导。
上升管是一种管道系统,使用高温工作介质,在管道内部进行热传导。
3.余热回收:上升管内的废热被传导到顶部的回收设备中。
回收设备可以是蒸发器、加热器或发电机等,具体根据废热的性质来选择。
4.能量回收:通过回收设备,废热被转化为可利用的能源。
如果废热的温度高,可以直接用于供热,提高生产过程中的热能利用效率。
如果废热的温度不够高,可以用于发电,将热能转化为电能。
5.余热利用:通过回收的能源,可以供应给工业生产中需要热能的设备,如锅炉、热水系统等。
同时,利用余热发电可以满足厂区的电力需求,减少对传统电力的依赖。
6.系统控制:上升管余热回收系统需要进行自动化控制,以保证能量回收的效率和安全性。
通过传感器和控制器,对温度、压力等参数进行监测和控制,确保系统的稳定运行。
上升管余热回收工艺流程的优点在于能够最大程度地回收废热,提高能源利用效率,减少能源消耗和环境污染。
同时,该工艺流程可以根据废热的特性进行定制,选择适合的回收设备和能源利用方式,灵活性较高。
然而,上升管余热回收系统也存在一些挑战,如废热的传导损失、设备的维护成本等问题,需要在设计和运行过程中加以解决。
总之,上升管余热回收工艺流程是一种有效的能源回收技术。
通过科学的设计和运行管理,可以实现废热的最大化回收利用,提高能源利用效率,节约资源,减少环境污染,实现可持续发展。