家具公司SAP实施之仓库内商品移库流程模板
- 格式:doc
- 大小:439.50 KB
- 文档页数:25
SAP项⽬⽤户操作⼿册-MIGO货物移动SAP系统⽤户操作⼿册事务代码:MIGO事务名称:货物移动作者:创建⽇期:201202131 事务操作基本信息1.1 事务操作的⽬的此⼿册描述了执⾏货物移动的操作⽅法。
如仓库对采购订单收货、仓库对⾮⽣产⽤发料、物料退货换货、库存调拨等业务。
1.2 事务操作的前提仓库对采购订单收货:物资供应部创建采购订单,并向仓库提供采购订单号码仓库对⾮⽣产⽤发料:各部门开领料单,仓库根据领料单对各部门⾮⽣产⽤发料物料退货:物资供应部提供退货订单号物料换货:物资供应部提供新的采购订单号码华凌⼯⼚调拨:华凌⼯⼚提供调拨单,按照其调拨内容,接收调拨物料⼊库1.3 菜单路径后勤 -> 物料管理-> 库存管理 -> 货物移动 -> MIGO–货物移动(MIGO)。
1.4 事务代码MIGO2 操作步骤2.1 进⼊SAP 菜单,输⼊事务处理代码MIGO,也可以通过菜单路径进⼊。
查询⽅式有两种。
点击进⼊货物移动初始界⾯。
2.2 进⼊货物移动初始界⾯。
2.3 按照不同的业务类型,分别介绍操作⽅法。
2.3.1仓库对采购订单收货物资供应部提供采购订单号码,仓库根据采购订单号码对采购订单收货2.3.1.1 仓库对采购订单收货—原辅料、包装材料、化⼯化剂、中草药等例如:以原辅料为例物资供应部提供采购订单号码:4510000053进⼊货物移动初始界⾯,显⽰如下:确定所操作的业务类型。
例如:点击,选择A01 收货,R01采购订单(即,对采购订单收货)。
显⽰如下:输⼊采购订单号码4510000053。
显⽰如下:点击或者点击,带出要收货采购订单内容。
在“清单详细数据”中录⼊收货信息清单详细数据点击“物料”,显⽰如下:点击“数量”。
若部分收货可以更改“以输⼊单位的数量”(即,更改数量),输⼊实收数量。
下次到货可以继续对该采购订单收货。
点击“何处”。
输⼊库存地点:1002 新浦原辅料库,显⽰如下:点击“批次”。
SAP项目用户操作手册MIGO货物移动12020年4月19日SAP系统用户操作手册事务代码:MIGO事务名称:货物移动作者:创立日期: 02132 2020年4月19日1 事务操作基本信息1.1 事务操作的目的此手册描述了执行货物移动的操作方法。
如仓库对采购订单收货、仓库对非生产用发料、物料退货换货、库存调拨等业务。
1.2 事务操作的前提•仓库对采购订单收货:物资供应部创立采购订单,并向仓库提供采购订单号码•仓库对非生产用发料:各部门开领料单,仓库根据领料单对各部门非生产用发料•物料退货:物资供应部提供退货订单号•物料换货:物资供应部提供新的采购订单号码•华凌工厂调拨:华凌工厂提供调拨单,按照其调拨内容,接收调拨物料入库1.3 菜单路径后勤 -> 物料管理-> 库存管理 -> 货物移动 -> MIGO–货物移动(MIGO)。
32020年4月19日1.4 事务代码MIGO2 操作步骤2.1 进入SAP 菜单,输入事务处理代码MIGO,也能够经过菜单路径进入。
查询方式有两种。
点击进入货物移动初始界面。
42020年4月19日2.2 进入货物移动初始界面。
2.3 按照不同的业务类型,分别介绍操作方法。
2.3.1 仓库对采购订单收货物资供应部提供采购订单号码,仓库根据采购订单号码对采购订单收货2.3.1.1 仓库对采购订单收货—原辅料、包装材料、化工化剂、中草药等例如:以原辅料为例物资供应部提供采购订单号码:进入货物移动初始界面,显示如下:52020年4月19日确定所操作的业务类型。
例如:点击,选择A01 收货,R01采购订单(即,对采购订单收货)。
显示如下:输入采购订单号码。
显示如下:62020年4月19日点击或者点击,带出要收货采购订单内容。
在“清单详细数据”中录入收货信息72020年4月19日清单详细点击“物料”,显示如下:点击“数量”。
若部分收货能够更改“以输入单位的数量”(即,更改数量),输入实收数量。
SAP项目用户操作手册MIGO货物移动
1
SAP系统
用户操作手册
事务代码: MIGO
事务名称: 货物移动
作者:
创立日期: 0213
2
1 事务操作基本信息
1.1 事务操作的目的
此手册描述了执行货物移动的操作方法。
如仓库对采购订单收货、仓库对非生产用发料、物料退货换货、库存调拨等业务。
1.2 事务操作的前提
•仓库对采购订单收货: 物资供应部创立采购订单, 并向仓库提供采购订单号码
•仓库对非生产用发料: 各部门开领料单, 仓库根据领料单对各部门非生产用发料
•物料退货: 物资供应部提供退货订单号
•物料换货: 物资供应部提供新的采购订单号码
•华凌工厂调拨: 华凌工厂提供调拨单, 按照其调拨内容, 接收调拨物料入库
1.3 菜单路径
后勤 -> 物料管理-> 库存管理 -> 货物移动 -> MIGO–货物移动
( MIGO) 。
1.4 事务代码
MIGO
3
2 操作步骤
2.1 进入SAP 菜单, 输入事务处理代码MIGO, 也能够经过菜单路径进入。
查询方式有两种。
点击进入货物移动初始界面。
4
2.2 进入货物移动初始界面。
2.3 按照不同的业务类型, 分别介绍操作方法。
2.3.1 仓库对采购订单收货
物资供应部提供采购订单号码, 仓库根据采购订单号码对采购订单收货
2.3.1.1 仓库对采购订单收货—原辅料、包装材料、化工化剂、中草药等例如: 以原辅料为例
物资供应部提供采购订单号码:
进入货物移动初始界面, 显示如下:
5。
同一仓库内商品移库流程一、移库需求确认1.移库发起方(如销售部门、采购部门)确定移库需求,并提供相关信息,包括移库商品的名称、规格、数量、移库原因等。
二、移库申请和审批1.移库发起方填写移库申请单,包括移库商品的相关信息,并向仓库管理部门提交申请。
2.仓库管理部门对申请进行审核,确认移库申请无误后签字批准。
三、移库计划制定1.仓库管理部门根据移库需求制定移库计划,包括移库商品的提取、包装、转运、入库等环节的时间、人员和设备的安排等。
四、移库商品准备1.移库商品的提取:仓库管理部门指派员工根据移库计划前往原货位,使用合适的设备将移库商品从原货架上取下,并进行标识和记录。
2.移库商品的包装:根据商品的特性和运输需求,进行适当的包装,确保商品在转运过程中不受损。
3.移库商品的清点:对移库商品进行清点,确保与移库申请单中的数量一致,并进行记录。
五、移库商品转运1.移库商品的装车:将已包装的移库商品装车,根据移库计划交由专业物流公司或内部物流团队负责运输。
2.移库商品的运输:物流公司或内部物流团队按照移库计划,将商品按照合适的运输工具进行转运,保证商品的安全和及时到达目的地。
六、移库商品收货1.移库商品接收方(如生产部门、销售部门)对接收到的移库商品进行验收,确保商品的完整性和数量与移库申请单一致。
2.移库商品入库:接收方按照公司的入库流程将移库商品入库,记录商品的相关信息,如库位、数量等。
七、移库申请单处理1.移库申请单归档:移库申请单经过确认和审批后,归档存档,作为移库流程的记录和凭证。
八、变更更新1.仓库管理部门根据移库操作后的库位变化,更新系统中的库存信息和库位信息,确保库存的准确性和实时性。
以上即为同一仓库内商品移库的流程。
通过科学的流程设计和严格的操作,能够保证商品移库过程中的准确性、及时性和安全性,提高仓库和物流的效率。
同时,对移库流程中的每个环节进行监控和记录,有助于追溯和排查问题,提高企业的管理水平。
SAP项目用户操作手册MIGO货物移动模板SAP项目用户操作手册MIGO货物移动1SAP系统用户操作手册事务代码: MIGO事务名称: 货物移动作者:创立日期: 021321 事务操作基本信息1.1 事务操作的目的此手册描述了执行货物移动的操作方法。
如仓库对采购订单收货、仓库对非生产用发料、物料退货换货、库存调拨等业务。
1.2 事务操作的前提仓库对采购订单收货: 物资供应部创立采购订单, 并向仓库提供采购订单号码仓库对非生产用发料: 各部门开领料单, 仓库根据领料单对各部门非生产用发料物料退货: 物资供应部提供退货订单号物料换货: 物资供应部提供新的采购订单号码华凌工厂调拨: 华凌工厂提供调拨单, 按照其调拨内容, 接收调拨物料入库1.3 菜单路径后勤 -> 物料管理-> 库存管理 -> 货物移动 -> MIGO–货物移动( MIGO) 。
1.4 事务代码MIGO32 操作步骤2.1 进入SAP 菜单, 输入事务处理代码MIGO, 也能够经过菜单路径进入。
查询方式有两种。
点击进入货物移动初始界面。
42.2 进入货物移动初始界面。
2.3 按照不同的业务类型, 分别介绍操作方法。
2.3.1 仓库对采购订单收货物资供应部提供采购订单号码, 仓库根据采购订单号码对采购订单收货2.3.1.1 仓库对采购订单收货—原辅料、包装材料、化工化剂、中草药等例如: 以原辅料为例物资供应部提供采购订单号码:进入货物移动初始界面, 显示如下:5确定所操作的业务类型。
例如: 点击, 选择A01 收货, R01采购订单( 即, 对采购订单收货) 。
显示如下:输入采购订单号码。
显示如下:6点击或者点击, 带出要收货采购订单内容。
在”清单详细数据”中录入收货信息7清单详细点击”物料”, 显示如下:点击”数量”。
若部分收货能够更改”以输入单位的数量”( 即, 更改数量) , 输入实收数量。
下次到货能够继续对该采购订单收货。
业务流程名称:库存转移流程编号及版本号编号:BPP-MM12版本:V1.0业务流程定义文件签署表业务流程定义文件是描述未来在SAP R/3中处理业务的详细流程定义,其定义的业务流程及其中所涉及的SAP功能已得到以下项目组成员的接受并已签署。
1. 业务流程目的:库存转移主要包含了库存材料的调拨及转储记账。
2. 业务流程的相关原则:2.1 库存物料的转移包括以下几种情况:(1)库存调拨主要指库存物料系统中的存储地点发生变化,有如下几种主要类型:a.仓库之间的调拨:在不同存储地点之间发生的库存调拨业务;b.工厂之间的调拨:在不同工厂之间发生的调拨,比如保税工厂与非保税工厂之间的调拨;c.本公司库存与外协供应商库存之间的调拨:在外协加工生产中,发生的本公司与外协供应商之间的库存调拨。
(2)转储记账主要指库存物料系统中的属性发生了变化,有如下几种主要类型:a.库存类型变化:非限制状态与冻结状态之间的变化;b.物料转变:一种物料库存转为另一种物料的库存;2.2 库存转移的注意事项:(1)如果发生保税工厂的免税材料调拨到非保税工厂的转移,则必须先向海关申请,批准后才能做转移,以免发生法律问题;(2)如果发生保税工厂与非保税工厂之间的材料调拨,财务必须做税务处理,如补缴税或者申请退税;3. 业务流程所带来的相关规则和政策改变3.1相关的规则和政策改变⏹必须制定保税与非保税材料之间转移的申请制度;3.2 对组织结构调整的要求⏹无5.业务流程图例解释本段主要描述流程图的符号。
SAP系统外操作6. 业务流程图(在VISIO 中画流程图)物料管理模块库存转移流程BPP代码物控员责任人BPP_MM_M1GO物控员仓库管理员申请部门主管/物控主管申请人员物控员报关人员物控员7.业务流程的详细步骤:7.1 库存转移业务流程步骤:8. 业务流程中所用到的报表:。
文件名称:UM_MM28_IM_PhysicalInventory.doc Page 1 of 31第二十八章MM_28盘点流程1.流程说明本流程适用于仓储对库存进行盘点的过程。
操作注意事项:1、仓储依据相应的盘点需求在系统中创建相关的盘点凭证。
2、在创建盘点凭证的同时,仓储依需求对簿记帐或库存帐做冻结。
3、打印盘点凭证后,仓库实行实物盘点,并在盘点凭证上注明实际盘点的数量。
4、将实际盘点的数量输入SAP系统。
5、针对有异议的部分,仓库可在系统中创建重盘的盘点凭证。
6、仓储重盘完成后,将重盘数量输入SAP系统。
7、仓储及相关主管对盘点差异确认后,由财务进行差异的过帐。
8、财务对盘点凭证进行系统的过帐后,系统自动的将冻结的簿记帐或冻结的库存帐释放。
文件名称:UM_MM28_IM_PhysicalInventory.doc Page 2 of 312.流程图文件名称:UM_MM28_IM_PhysicalInventory.doc Page 3 of 313.系统操作3.1.操作范例1、创建某库位的盘点凭证2、对盘点凭证进行盘点3、对盘点凭证中的有异议项目进行重盘3.2.系统菜单及交易代码创建盘点凭证:后勤→物料管理→实际盘点→会话文件名称:UM_MM28_IM_PhysicalInventory.doc Page 4 of 31交易代码:MI31盘点表输入:后勤→物料管理→实际盘点→库存盘点交易代码:MI04盘点表输入:后勤→物料管理→实际盘点→库存盘点凭证→重新盘点交易代码:MI113.3.系统屏幕及栏位解释文件名称:UM_MM28_IM_PhysicalInventory.doc Page 5 of 31填入相关盘点凭证建立的选择条件文件名称:UM_MM28_IM_PhysicalInventory.doc Page 6 of 31填入盘点凭证建立的选择条件文件名称:UM_MM28_IM_PhysicalInventory.doc Page 7 of 31按键进入下一个画面。
上海震旦家具SAP实施专案物料管理不同仓库间移库流程一、背景介绍:作为一家大型家具制造商和零售商,上海震旦家具拥有多个仓库,用于储存和分发各种类型的家具产品。
为了优化仓库管理和增加运营效率,上海震旦家具实施了SAP系统,并利用其物料管理模块来管理和控制物料在不同仓库间的移库过程。
二、移库流程:1.移库需求的产生:-由于一些仓库的库存过剩,需要将部分物料移至其他仓库;-一些仓库的库存不足,需要从其他仓库调拨物料。
2.移库需求的提出和审批:-仓库管理员根据实际情况提出移库需求,并提交给物料控制部门审批;-物料控制部门审核移库需求的合理性和可行性,决定是否批准。
3.移库订单的创建:-物料控制部门在SAP系统中创建移库订单,包括移库物料的详细信息、移出仓库和移入仓库等;-移库订单中的移库物料信息可以手动输入或通过扫描条码自动获取。
4.移库订单的发布:-物料控制部门根据需求的紧急程度和优先级,在SAP系统中发布移库订单;-移库订单的发布将触发后续的仓库操作和相关系统的更新。
5.移出仓库的操作:-移出仓库的仓库管理员根据SAP系统中的移库订单,将需要移库的物料从库存中取出,并进行相应的标记和记录;-移出物料可以通过SAP系统生成的拣货任务单进行,也可以通过手动操作完成。
6.移入仓库的操作:-移入仓库的仓库管理员根据SAP系统中的移库订单,将需要移库的物料放入库存,并进行相应的标记和记录;-移入物料可以通过SAP系统生成的上架任务单进行,也可以通过手动操作完成。
7.移库订单的确认:-移出仓库和移入仓库的仓库管理员分别进行实际操作后,需要在SAP系统中确认移库订单的完成;-确认移库订单将触发SAP系统中移库操作的更新,包括库存的调整和相关的财务记账等。
8.移库订单的结算:-移库订单完成后,SAP系统将自动生成相应的结算文件,用于和供应商结算或内部核算。
9.移库订单的报表和分析:-物料控制部门可以根据SAP系统中的移库订单数据,生成相应的报表和分析,用于对移库流程的效率和成本进行评估和优化。
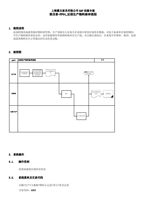
上海震旦家具有限公司SAP实施专案
第四章-PP04_定期生产物料移库流程
1.流程说明
此流程规范油漆类倒冲物料的管理:生产部相关人员每天在系统中检查在线库存数量,对低于标准库存量的物料,开生产物料移库单给仓库;仓库依据移库单将物料移库至生产线,双方确认签收后,在系统中作移库。
倒冲:是指油漆类物料在生订单确认时自动发货过账。
2.流程图
3.系统操作
3.1.操作范例
检查油漆的在线库存状况
3.2.系统菜单及交易代码
后勤-生产-主数据-物料主记录-其它-库存总览
交易代码:MMBE
3.3.系统屏幕及栏位解释
栏位名称栏位说明资料范例
物料须查看库存状况的物料号605107
还选择特殊库存在此选择是否显示特殊库存,特殊库存指:
客户库存或供应商寄售库存等
点选
还选择库存约
定
在此选择库存是否包括采购申请、采购订单、生产订单等点选选择显示层次选择库存总览显示的组织层次
按进入下一个画面。
栏位名称栏位说明资料范例
公司、工厂、库存地点、批次的库存数量
CC/工厂/地点
/批次
非限制使用非限制使用的库存数量
质量检查质检库存数量
预留已预留的数量
点击任一库存数量,可显示详细的库存占用情况。
第九章- SD09_订单处理流程1.流程说明1.1.总述:该流程描述了营业生成订单至产销下单安排出货的全过程。
因处理阶段不同,应切为营业处理段及产销处理段。
注意事项:因分公司与总部分别为两个销售组织,故在两个销售组织中分别由营业助理与产销人员创建订单,并保持其完全一致性。
1.2.流程重点:1、订单生成的系统操作2、订单进程中的状态查询1.3.操作要点:必须1、订单中合同编号必须输入,必须输入营业同仁信息,如是公绩,应输入责任中心虚拟的同仁编号。
2、经权责主管签核之订单传真至产销部。
3、责任中心助理在对订单保存后即在系统中生效,并将进入下一步骤。
故在SAVE前必须仔细检查订单准确性。
4、若销售商品为特销或促销商品则须在责任中心下单过程中,须在分公司对总公司的PO中将采购价格更改为特销或促销商品的转拨价。
5、下单前可进入系统查询库存状况,以方便确定出货时间。
原物料销售(例:布)对供应商销售:由产销创建订单对客户销售:由营业助理创建服务订单完成(SM模组)。
6、产销对营业的答交由系统生成之答交表完成。
营业对出货时间有疑义,则须在该表上相应栏位细写要求,并MAIL 至产销部门。
7、创建订单时,必须输入“订单原因”。
不得1、在订单SAVE后对订单进行直接修改而不列印“异动单”。
2、出货前临时取消出货必须检查该订单是否已过帐。
若已经过帐则需用“销退”方式建立新的订单。
1.4.单据流:营业(订单1)--营业(收预付款)--财务(入帐)--产销(订单1、2)--产销(答交)--营业(确认)--产销(出货)--成品(发货过帐、开票)--营业(收款)--财务(清帐)订单1为分公司-客户订单订单2为总公司-分公司订单、总公司对直接客户订单订单类型:订单1:一般订单、特销订单、销退单订单2:一般订单、特销订单、出口订单、销退单、出样展示、出样售出、出样退回、原物料销售互动表单:答交表(系统)销售合同档案维护—YSD01(系统)2.流程图3.系统操作3.1.操作范例创建标准订单(分公司-顾客、总公司-分公司)打印交易申请书(订单)打印异动单创建分公司采购订单更改分公司采购订单3.2.系统菜单及交易代码后勤→销售和分销→销售→订单→创建(修改)交易代码:VA01(VA02)后勤→物料管理→采购→采购订单→创建交易代码:ME21销售合同档案维护交易代码: YSD013.3.系统屏幕及栏位解释3.3.1.创建标准订单:分公司-顾客生成分公司订单有两种方法:直接创建订单;参照报价单创建订单。
某家具公司SAP实施之仓库内商品移库流程(doc 26页)文件名称:某家具公司SAP 实施之仓库Page 1 of 24第二十五章 MM_25同一仓库内商品移库流程1. 流程说明本流程适用于仓储移库员在同一实物仓库内进行货物储位、库存形态间移动的处理过程。
操作要点:1:库存物品在仓库库位间的任何移动均需进行移库作业。
2:移库需求单位填写移库单交由仓储主管核准后,方可执行移库动作。
3:仓储移库员根据仓储主管核准的移库单进行实物及系统的移库动作。
2. 流程图文件名称:某家具公司SAP 实施之仓库Page 1 of 242.1.文件名称:某家具公司SAP 实施之仓库Page 1 of 242.2. 系统菜单及交易代码后勤→物料管理→仓库管理→货物移动→转移记帐 交易代码:MB1B2.3. 系统屏幕及栏位解释 例1:文件名称:某家具公司SAP 实施之仓库Page 1 of 24选择下拉菜单‘移动类型’中库存至库存的相关移动类别。
文件名称:某家具公司SAP 实施之仓库Page 1 of 241、 进入画面后输入相关商品移出的库存地点。
2、 输入相关移动物料的信息。
3、 输入相关商品移入的库存地点。
文件名称:某家具公司SAP 实施之仓库Page 1 of 241、 按纽,由系统自动的对用户输入的信息做检查。
2、 如系统检查未发现错误,用户可按进行系统过帐。
文件名称:某家具公司SAP 实施之仓库Page 1 of 24在此画面记帐完成后,系统将给出一个系统连续编号的‘物料凭证’号码,表示系统以记录此笔的商品移动状况,从非限制使用的库存转移至冻结库存。
文件名称:某家具公司SAP 实施之仓库Page 1 of 24在‘移动类型’的下拉菜单中选择相应的移动类别文件名称:某家具公司SAP 实施之仓库Page 1 of 241、 输入相关的收、发货库存地点,以及相关物料信息。
2、 按纽,由系统自动的对用户输入的信息做检查。
SAP实施专案物料管理不同仓库间移库流程在SAP系统中,实施专案物料管理中的不同仓库间移库流程通常分为以下几个步骤:步骤一:创建移库订单首先,通过SAP系统的移库事务码(比如MB1B)创建一个移库订单。
在创建订单时,需要输入移出仓库、移入仓库以及需要移动的物料和数量等相关信息。
同时,还需要选择合适的移库类型,如从发货仓库到中转仓库、从中转仓库到收货仓库等。
步骤二:检查物料库存在移库订单创建后,系统会自动检查移出仓库的物料库存情况。
如果库存充足,则继续执行下一步骤。
如果库存不足,系统会提示用户进行补货或调拨等操作。
步骤三:执行移库订单一旦移库订单创建并检查通过后,可以执行移库操作。
执行移库订单时,系统会自动扣减移出仓库的物料库存,并将物料转移到移入仓库。
系统还会自动更新物料库存信息。
步骤四:确认移库在执行移库操作后,需要确认移库结果。
用户可以通过SAP系统的移库事务码(比如MB1B)查看移库订单的处理情况,并确认物料是否已经成功移动到了目标仓库。
步骤五:更新库存记录确认移库操作后,系统会自动更新物料的库存记录。
这包括更新移出仓库和移入仓库的库存数量以及库存地点等信息。
需要注意的是,在上述移库流程中,用户还可以进行一些额外的操作。
比如,可以指定批次号、特殊库存类型以及肩负移库订单的成本中心等。
此外,用户还可以在移库操作之前预览和修改移库订单,以确保操作准确无误。
总结起来,SAP系统中的不同仓库间移库流程大致包括创建移库订单、检查物料库存、执行移库订单、确认移库和更新库存记录等步骤。
通过这些步骤,可以实现物料的安全、高效移动和库存的实时更新。
SAP系统用户操作手册事务代码:MIGO事务名称:货物移动作者:创建日期:201202131 事务操作基本信息1.1 事务操作的目的此手册描述了执行货物移动的操作方法。
如仓库对采购订单收货、仓库对非生产用发料、物料退货换货、库存调拨等业务。
1.2 事务操作的前提∙仓库对采购订单收货:物资供应部创建采购订单,并向仓库提供采购订单号码∙仓库对非生产用发料:各部门开领料单,仓库根据领料单对各部门非生产用发料∙物料退货:物资供应部提供退货订单号∙物料换货:物资供应部提供新的采购订单号码∙华凌工厂调拨:华凌工厂提供调拨单,按照其调拨内容,接收调拨物料入库1.3 菜单路径后勤 -> 物料管理-> 库存管理 -> 货物移动 -> MIGO–货物移动(MIGO)。
1.4 事务代码MIGO2 操作步骤2.1 进入SAP 菜单,输入事务处理代码MIGO,也可以通过菜单路径进入。
查询方式有两种。
点击进入货物移动初始界面。
2.2 进入货物移动初始界面。
2.3 按照不同的业务类型,分别介绍操作方法。
2.3.1 仓库对采购订单收货物资供应部提供采购订单号码,仓库根据采购订单号码对采购订单收货2.3.1.1 仓库对采购订单收货—原辅料、包装材料、化工化剂、中草药等例如:以原辅料为例物资供应部提供采购订单号码:4510000053进入货物移动初始界面,显示如下:确定所操作的业务类型。
例如:点击,选择A01 收货,R01采购订单(即,对采购订单收货)。
显示如下:输入采购订单号码4510000053。
显示如下:点击或者点击,带出要收货采购订单内容。
在“清单详细数据”中录入收货信息清单详细数据点击“物料”,显示如下:点击“数量”。
若部分收货可以更改“以输入单位的数量”(即,更改数量),输入实收数量。
下次到货可以继续对该采购订单收货。
点击“何处”。
输入库存地点:1002 新浦原辅料库,显示如下:点击“批次”。
输入到货批次、生产日期。
SAP 系统 用户操作手册事务代码事务代码::MIGO 事务名称:事务名称:货物移动货物移动 作 者:创建日期创建日期::201202131 事务操作基本信息1.1 事务操作的目的此手册描述了执行货物移动的操作方法。
如仓库对采购订单收货、仓库对非生产用发料、物料退货换货、库存调拨等业务。
1.2 事务操作的前提•仓库对采购订单收货:物资供应部创建采购订单,并向仓库提供采购订单号码•仓库对非生产用发料:各部门开领料单,仓库根据领料单对各部门非生产用发料•物料退货:物资供应部提供退货订单号•物料换货:物资供应部提供新的采购订单号码•华凌工厂调拨:华凌工厂提供调拨单,按照其调拨内容,接收调拨物料入库1.3 菜单路径后勤 -> 物料管理-> 库存管理 -> 货物移动 -> MIGO–货物移动(MIGO)。
1.4 事务代码MIGO2 操作步骤2.1 进入SAP 菜单,输入事务处理代码MIGO,也可以通过菜单路径进入。
查询方式有两种。
点击进入货物移动初始界面。
2.2 进入货物移动初始界面。
2.3 按照不同的业务类型,分别介绍操作方法。
2.3.1 仓库对采购订单收货物资供应部提供采购订单号码,仓库根据采购订单号码对采购订单收货2.3.1.1 仓库对采购订单收货—原辅料、包装材料、化工化剂、中草药等例如:以原辅料为例物资供应部提供采购订单号码:4510000053进入货物移动初始界面,显示如下:确定所操作的业务类型。
例如:点击,选择A01 收货,R01采购订单(即,对采购订单收货)。
显示如下:输入采购订单号码4510000053。
显示如下:点击或者点击,带出要收货采购订单内容。
在“清单详细数据”中录入收货信息点击“物料”,显示如下:数量。
下次到货可以继续对该采购订单收货。
点击“何处”。
输入库存地点:1002 新浦原辅料库,显示如下:点击“批次”。
输入到货批次、生产日期。
例如:输入批次12345,生产日期“2010.07.21”,显示如下:点击,输入“到货件数”。
家具公司SAP实施之仓库内商品移库流程模板
1
第二十五章 MM_25同一仓库内商品移库流程
1.流程说明
本流程适用于仓储移库员在同一实物仓库内进行货物储位、库存形态间移动的处理过程。
操作要点:
1: 库存物品在仓库库位间的任何移动均需进行移库作业。
2: 移库需求单位填写移库单交由仓储主管核准后, 方可执行移库动作。
3: 仓储移库员根据仓储主管核准的移库单进行实物及系统的移库动作。
2.流程图
2.1.操作范例
例1: 库存中商品由于存放时间过久, 造成相关部位退色, 仓储将其从正常非限制使用库存中移至冻结库存中。
例2: 冻结库存中的商品经过仓储部门的简单维修, 品质恢复正常。
由冻结库存转入非限制使用库存。
例3: 非限制使用库存中的库存商品被某张销售订单挪用。
例4: 销售订单异动, 可是销售订单中以客户别管理的商品以入库, 产销通知仓储此部分商品以转为非限制使用的普通库存。
例5: 由于某张销售订单的商品未及时入库, 因此产销通知仓储挪用另一张销售订单的商品。
2.2.系统菜单及交易代码
后勤物料管理仓库管理货物移动转移记帐
交易代码: MB1B
2.3.系统屏幕及栏位解释例1:
选择下拉菜单‘移动类型’中库存至库存的相关移动类别。
1、进入画面后输入相关商品移出的库存地点。
2、输入相关移动物料的信息。
3、输入相关商品移入的库存地点。