科帕奇保险盒
- 格式:docx
- 大小:403.70 KB
- 文档页数:2
汽车保险丝盒中英对照表雨刮:WIPER天窗:SON ROOF汽油泵 :EUEL PUMP散热风扇:RAD FAN前雾灯:FF-ROG LAMP后雾灯:RR-ROG LAMP档位控制:N & P空调:AIR CON喇叭:HORN右前大灯:H/L LAMP RH左前大灯:H/L LAMP LH记忆座椅:MEMORY引擎控制:ENGINE CONT发电机:ALT S防抱死系统:ABS电动窗:POWER蓄电池:BATTERY点火开关:IGN SW电子控制模块: ECM冷却风扇:COOL’G FAN大灯:HEAD LAMP倒车灯:BACK UP LAMP鼓风机:BLOWER MOTOR后除霜:HEATFD GLASS尾灯:TAYILLAMPIP保险丝盒:IP PUSE BOX助力转向 : EPS电喷系统:F1照明电源:LAMP水箱风扇:RADIATOR FAN运行继电器:BLOWER RELAY主继电器:MAIN RELAY冷却风扇继电器(高):COOL’G FAN RELAY(HIGH)冷却风扇继电器(小):COOL’G FAN RELAY(LOW)空调继电器:AIR CON RELAY近光继电器:MPS RELAY远光继电器:MPS RELAY前雾灯继电器:FRONT FOG RELAY后雾灯继电器:TAIL FOG RELAY喇叭继电器:HORN RELAY安全气囊继电器:AIRBAG RELAY压缩机继电器:COM PAESSOR RELAY油泵继电器:FUEL PUMP RELAY水箱风扇继电器:RADIATOR FAN RELAYMIR DEFG:车外后视镜除雾器T/SIG:驻车/空挡位置及倒车灯开关,转向信号灯闪烁器EBTCM/TPS:电子制动及引力控制模块,节气门位置传感器接口模块ERAP WPR:元件中央(RAP雨刮)继电器RADIO:音响接收器I/PINDC:气囊诊断模块(带传感器),组合仪表ELCIGN1:自动水平控制传感器CHIME:警报,巡航控制释放开关,内后视镜,后窗除雾继电器,催化转化器,温度警报(只用于日本)CCMIGN1:中央控制模块AIR BAG:气囊模块(带传感器)GEN:发动机电气发电机,次级发电机冷却风扇继电器MEM SEAT:驾驶员座椅调节器存贮模块,加热驾驶员座椅控制模块,加热乘客座椅控制模块CCM IGN3:中央控制模块(遥控门锁接收器及防盗模块RAP PWR:辅助延时切断继电器A/C COMP:A/C压缩机继电器,主发动机冷却风扇继电器RAP BATT:元件中央(RAP雨刮)继电器HVAC MDL:鼓风机马达控制模块TRK REL:后室盖释放开关STARTER:防盗继电器,气囊诊断(带传感器)模块HVAC IGN:组合仪表,鼓风机马达控制模块ELC SENS:自动水平控制传感器,后室礼貌灯D/INT LTS:元件中央继电器FRT CIG:前香烟点火器RR CIG:后香烟点火器EBTCM:电子制动及牵引力控制模块PARK LTS:前灯线束继电器HORN:喇叭继电器HVAC BAT:警报,加热器-A/C控制,组合仪表,发动机油位指示器控制模块,大灯开关,音响接收器CCM BAT:中控模块PWR MIR:门锁开关,外后视镜,电动座椅靠后控制TRK PDWN:后室盖拉下装置HAZARD LTS:危险警告灯闪烁器PWR LUMB:电动座椅气动控制模块,音响电动天线继电器HTD SEAT:加热驾驶员座椅控制模块,加热乘客座椅控制模块CORNR LTS:组合仪表,音响控制,角灯,转向信号开关,前驻车灯I/P DIM LTS:大灯开关,车内灯,变光TAIL LTS:后尾灯,后侧示宽灯,牌照灯STOP LTS:刹车灯开关PWRLK:门锁继电器RAP RLY:辅助延时切断继电器PWR SEAT:驾驶员电动座椅开关,乘客电动座椅开关,驾驶员电动座椅存储模块RR DEFG:后除雾继电器HDLTS:大灯继电器,日行灯模块ABS/TC:60A至ABS/TC制动压力调节阀SCNDRY CLG FAN:40A至次级发动机冷却风扇马达控制继电器PRIMRY CLG FAN:40A至主发动机冷却风扇控制继电器LEVEL CONTROL:30A至自动水平控制空气压缩机ENGINE:30A至U/H电气中心,#13-PCM/燃油泵15A,#14-空气泵20AHEADLIGHTS/HORNS:50A至I/P保险丝盒断电器,#5-HDLTS 20A,保险丝#31-驻车LTS20A,#32-喇叭25APCM/FUEL PUMP:15A至燃油泵继电器,燃油泵/发动机机油压力指示开关,PCMAIR PUMP:20A至二次空气喷射泵继电器PCM/IGN:10A至PCM,自动变速箱点火线圈INJ 1:10A至燃油喷嘴气缸1-4-6-7EMISSIONS:10A至EGR,真空控制信号电磁阀,二次空气喷射泵继电器,空气流量传感器,列1(左)加热氧传感器,列2(右)加热氧传感器,蒸发排放碳罐净化电磁阀INJ 2:10A至燃油喷嘴气缸2-3-5-8A/C COMP RELAY:A/C压缩机继电器AIR PUMP RELAY:二次空气喷射泵继电器1、ANTI-LOCK 防抱死制动系统警告灯(该灯点亮说明ABS系统需检修);2、TRAC OFF 牵引力控制系统警告灯(该灯有个控制按钮在转向拄左边);3、LOW TRAC 全变速范围牵引力控制系统作用显示灯(该灯点亮说明TCS系统工作、正在控制驱动轮扭矩);4、LOW COOLANT 冷却液液位低警告灯(该灯点亮说明冷却系统有空气或者是冷却液低过最低位置);5、LOW TIRE 轮胎气压监控灯(该灯点亮说明汽车4个轮胎的气压不平衡、需检查4轮胎压)此灯复位按钮在仪表台右方保险丝盒处有个红色(rest)的按钮,按住该按钮(5s)钟即可复位;6、CHANGE OIL SOON 立即更换机油指示灯(该灯是监控发动机机油寿命的、该灯点亮说明您爱车需要换机油了);7、SECURITY 安全灯(该灯点亮说明该车的防盗系统处于锁止状态);8、SERVICE VEHICLE SOON 立即检修车辆灯(车辆PCM确定故障与排放无关就点亮此灯);9、LOW WASH 清洗液液位指示灯(该灯点亮说明您爱车的雨刮清洗液低过最低位置);10、DOOR/TRUNK 车门/行李箱未关闭紧警告指示灯(该灯点亮说明您爱车的门或行李箱门没关紧);宝马汽车保养维修宝马使用技巧 | 宝马保养维修 | 宝马新闻资讯 | 其他汽车相关。
解读汽车上的保险丝及日常保养保险丝只是它的俗称,真正官方的名字叫做熔断器(以下为容易理解统一称为保险丝),保险丝的最基本作用是当电路电流异常并且超过其额定电流时熔断起到电路保护的作用。
本文三原科技汽车故障诊断专家整理相关汽车保险丝及日常保养、更换小知识,希望对更多读者有所帮助。
保险丝有两个重要的工作参数,一个是额定电流;一个是额定电压,使用的时候要根据电路的电流和电压来选择相对应的保险丝。
在结构上,一般车用保险丝采用的插片式的设计,保险丝拥有工程塑料外壳,包裹着锌或铜制成的熔体结构,金属熔体和插脚连接。
汽车插片式保险丝的规格一般为2A至40A,其安培数值会在保险丝的顶端标注。
如果保险丝烧坏了让安培数值无法辨认的话,我们还可以通过它的颜色来判断,国际标准上:2A灰色、3A紫色、4A粉色、5A桔黄、7.5A咖啡色、10A红色、15A蓝色、20A黄色、25A无色透明、30A绿色、40A 深桔色。
汽车保险丝在汽车的哪里藏着?由于汽车上的零部件和电子设备很多,而且每个设备都会装有保险丝,因此为了便于日后的维修,每辆车在设计之初,设计师便把汽车保险丝都集中设计在一个地方,而这个地方被称为保险盒。
一般一辆车拥有两个保险盒,一个位于发动机舱内,负责汽车外部用电器的保险丝,如发动机控制单元、喇叭、玻璃清洗器、ABS、大灯等;另一个在驾驶员左侧附近,管理着车内的用电器,例如车窗升降器、安全气囊、电动座椅、点烟器等。
汽车保险丝的日常养护由于汽车保险丝是放在保险盒当中的,一般情况下不用特意养护,三原科技汽车故障诊断专家提醒:保护保险丝的保险盒盖丢失的话,一定不要让保险丝暴露在外,以免发生保险丝短路。
另外在覆盖保险丝时,也不能随意用其它材料替代,因为保险盒的材质是充分考虑了绝缘和耐高温的,随意用其它材料覆盖保险丝会有发生火灾的危险。
如何自己动手更换保险丝初步了解了保险丝之后,那么一旦汽车出现因保险丝导致的故障,又该如何找到损坏的保险丝呢?那么下面三原科技汽车故障诊断专家通过实际操作给大家演示一下。
上海通用科帕奇用户手册忠告《用户手册》和《保修及保养手册》明确了上海通用汽车有限公司与用户之间就有关产品的质量保证责任、售后服务方面权利与义务设立和终止的约定。
请务必在使用产品前认真阅读《用户手册》与《保修及保养手册》。
科帕奇用户手册感谢您选择了由通用汽车为您精心制造的汽车。
雪佛兰汽车采用了高新科技,性能良好。
选择雪佛兰 ,证明您对汽车的性能和款式都有极高的要求。
请通读本手册,因为其中的信息可让您了解如何正确操控汽车,并从中获得最大程度的驾驶享受。
上海通用汽车有限公司2007 年 9 月零件号:9048868本手册重要说明感谢您选择通用汽车公司产品,我们将一如既往地保证您驾车愉快,称心如意。
本手册应视作车辆的一个固有部分。
应在出售车辆时随车提供给下一位车主,让其掌握重要的操作、安全和保养信息。
在本车的开发与制造中采用了环保材料请注意,您购买的车辆不一定装备了本和再生材料。
而且,本车的制造方法也手册中介绍的所有配置。
是注重环保的。
除本“用户手册”外, “保修及保养手对生产中产生的废料进行了回收,部分册”提供了补充信息。
尽管我们感到这废料经再生后被重新利用。
减少了生产本“用户手册”十分全面,已经包括了用水,从而保护了自然资源。
比较重要的车辆操作说明,但最好是配合“保修及保养手册”一起使用。
本手册所载信息、图示和技术规格均基于印刷时能够获得的最新生产信息。
本公司保留修改产品的权利,恕不事先通知。
手册中采用的图示为典型图,并不真正代表本车任何零件。
特别申明在通用汽车公司生产的雪佛兰科帕奇汽车将由上海通用汽车有限公司独家总经销,并通过上海通用汽车有限公司的授权销售服务中心销售给最终用户 ,也将通过上海通用汽车有限公司的特约售后服务中心向最终用户提供专业服务和纯正配件。
科帕奇用户手册第一章座椅和乘客保护系统1-1第二章仪表和控制2-1第三章驾驶车辆3-1第四章温度控制和音响系统4-1第五章紧急情况5-1第六章维修和保养6-1第七章技术信息7-11 座椅和乘客保护系统始终系好您的安全带!1-3 孕妇和安全带. 1-9前排座椅乘客. 1-6 头部保护装置. 1-9后排座椅乘客. 1-6 电动座椅 (仅驾驶员侧)1-10第三排座椅乘客 (如装备) 1-6 座椅腰撑调节1-11三点式安全带. 1-6 前排乘客侧座椅1-11安全带预张紧器 1-7 后排座椅 1-13安全带高度调节 1-8 辅助保护系统 (安全气囊). 1-17 1 -11 -24. 安全带可防止乘员被弹起,从而伤安全带为何能起保护作用!始终系好您的安全带!害驾驶员和其它乘员。
科帕奇发动机内保险丝盒
启动机主继发动机发动机2 发动机1
模块 20A 15A 15A 继电器电器
启动机主保险空调压缩机发动机辅助风扇
20A 10A 10A 15A
继电器
四轮驱动油泵主风扇
15A 15A 30A
空调压缩机主风扇
继电器继电器
防抱死防抱死油泵
系统40A 系统20A
继电器
喇叭风扇控制SUB WOOFER 制动辅助风扇
20A 15A 30A
继电器继电器
RUN 手动雨刮喇叭手动雨刮速度
40A 25A 15A
继电器
手动雨刮防盗天窗附件/点火1
15A 20A 40A
继电器运行
继电器
主保险电动座椅前雾灯
60A 30A
继电器
驻车灯右前大灯近光左前大灯近光雾灯
15A 15A 30A 挡风玻璃除雾继电器
继电器
后雨刮前大灯远光前雾灯左驻车灯前大灯20A 15A 15A 10A
继电器
前大灯远光备用备用右驻车灯变速箱大灯洗涤器20A 25A 10A 15A 20A 继电器
电动窗
15A
备用备用前大灯洗涤
+B10A 15A
继电器。
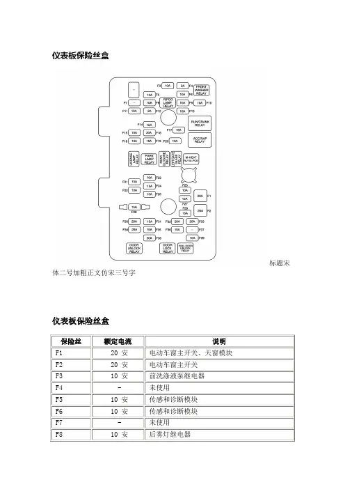
仪表板保险丝盒
标题宋体二号加粗正文仿宋三号字
仪表板保险丝盒
保险丝额定电流说明
F120 安电动车窗主开关、天窗模块
F220 安电动车窗主开关
F310 安前洗涤液泵继电器
F4-未使用
F510 安传感和诊断模块
F610 安传感和诊断模块
F7-未使用
F810 安后雾灯继电器
F2915 安变速器控制模块
F3020 安加热型座椅开关
F3115 安车身控制模块
F3220 安行李厢附件电源插座
F3320 安点烟器
F3420 安行李厢附件电源插座
F3515 安车身控制模块
F3615 安车门锁死继电器
F37-未使用
F3820 安车门锁止/解锁继电器
F3910 安后视镜控制开关、折叠后视镜单元
(注:文件素材和资料部分来自网络,供参考。
请预览后才下载,期待你的好评与关注。
)。
18年雪佛兰赛欧自动挡保险盒说明书雪佛兰赛欧是一款经典的小型家用轿车,其自动挡保险盒是该车的重要组成部分。
为了让车主更好地了解和使用该保险盒,我们将详细介绍其功能和使用方法。
首先,我们来了解一下赛欧自动挡保险盒的功能。
保险盒是车辆电气系统的重要保护装置,主要起到保护电气设备不受过电流或过载损坏的作用。
它可以自动切断电流,保护车辆免受电路故障带来的损害。
同时,保险盒还具备防护、隔离和分流等功能,确保整个电气系统的稳定运行。
赛欧自动挡保险盒由多个保险管组成,每根保险管都对应着不同的电气设备或电路。
在正常情况下,保险管处于闭合状态,电流可以正常通过。
但是,一旦电流超过了保险管的额定值,保险管将自动断开电路,起到保护作用。
这样可以防止暴露在超负荷条件下的电气设备受损,并避免因过流导致的电路故障。
赛欧自动挡保险盒的使用方法非常简单。
首先,打开车辆引擎盖,找到位于引擎舱前部的保险盒。
保险盒上通常标有“FUSE”字样,以及各个保险管的电流额定值。
查看说明书中的具体介绍,可以清晰地了解每个保险管对应的电气设备或电路。
当需要更换保险管时,首先要确保车辆处于熄火状态,然后将钥匙拔出。
使用指定工具打开保险盒的盖子,按照说明书上对应保险管的位置找到需更换的保险管。
小心地将保险管拔掉,并用同样额定值的新保险管代替。
最后,将保险盒盖子恢复原位,确保盖子牢固关闭。
需要特别注意的是,不要将额定电流超过保险管的负载接入,以免引起火灾或其他安全事故。
同时,如果保险管频繁断开,说明电气设备可能存在问题,建议立即联系专业技师进行检修。
总之,赛欧自动挡保险盒在保护车辆电气设备和电路方面发挥着重要作用。
通过了解其功能和使用方法,我们可以更好地保养和维护自己的爱车,确保行车安全和电气系统的正常运行。
希望本文对您使用赛欧自动挡保险盒有所指导和帮助。
汽车保险丝与继电器首先,让我们先来了解一下汽车保险丝。
汽车保险丝是一种用来保护电路免受过流或短路故障损坏的设备。
它通常由一根导电丝或者带状导线组成,安装在汽车电气系统的关键位置。
当电流超过保险丝所允许的额定电流时,导线内的电阻会升高,最终导致断路,从而保护电路中的其他元件不受损坏。
汽车保险丝有多种不同类型,其中最常见的是玻璃管保险丝和刀片保险丝。
玻璃管保险丝是一种将导线包裹在玻璃管内的保险丝,可以通过观察玻璃管内的熔化导线来检查保险丝是否断路。
而刀片保险丝是一种将导线连接在两个金属片之间的保险丝,当电流过载时,导线会熔化,刀片就会弹开,从而切断电路。
在汽车电气系统中,保险丝通常被用来保护重要电路,如发动机控制单元(ECU)、发动机启动电路、灯光电路等。
它们通常被安装在车辆的引擎室或者仪表板下方的保险丝盒内。
在更现代化的汽车中,保险丝往往与其他电气保护设备,如继电器,配合使用。
继电器是一种可以控制大电流电路的电气开关。
它由电磁铁部分和可控制分电路的开关部分组成。
当电磁铁部分受到电流激励时,它会产生磁场吸引可控制分电路的开关部分闭合或者打开。
因此,继电器可以通过一个小电流控制一个大电流电路的开关状态。
继电器通常被用来控制一些需要较大电流的装置,如汽车的大灯、继电器独立悬挂、电动窗等。
当这些设备需要工作时,继电器会接收到来自车辆电气系统的信号,然后通过开关部分将电流传递到设备中。
这样可以减少车辆电气系统中的导线长度和电流负荷,从而提高系统的安全性和可靠性。
保险丝和继电器在汽车电气系统中扮演着不可或缺的角色。
它们可以保护电路免受故障的影响,并且提高了汽车电气系统的灵活性和可靠性。
因此,对于汽车的维护和保养来说,保险丝和继电器的检查和更换是必不可少的一部分。
勇士车保险丝盒说明
一个在发动机舱右侧,一个在转向管柱下方。
发动机舱右侧的保险丝盒主要负责的是汽车内部的电路以及电器,例如行车电脑、车灯和喇叭等。
第二个保险丝盒主要负责,车窗升降、电动座椅和安全气囊等,一般保险丝盒上面都有中文和英文两种显示,大多数的国产车品牌和合资车品牌都有清晰的中文标识,各个保险丝所使用的规格也有标识,如果是进口汽车的话,需要找汽车使用手册来进一步查询。
汽车上常见的保险丝有两种类型,一种是片状的保险丝,一种是慢熔保险丝,片状的保险丝比较细,是插入式的,电流一般为5-25A,慢熔保险丝是方形的,电流一般为20-60A,常见的保险丝有5A橘黄色、7.5A咖啡色、10A红色、15A蓝色、20A黄色、25A透明色、30A 绿色和40A深桔色。
车子上有很多保险丝,保险丝在保险盒内。
保险盒的盖子上都有保险丝的编号和功能,这些功能会用图标表示出来。
如果车友们看不懂图标,可以看一下车辆使用手册。
使用手册上详细说明了每个图标代表的功能。
保险丝的作用是保护电路,当电路的电流过大或温度过高时,保险丝可以熔断,这样就能避免损坏电路了。
车子上一般不只有一个保险盒,一般汽车的发动机舱内有一个保险盒,驾驶舱内也有一个保险盒,有些车后备箱内也有保险盒。
平时在用车时,保险丝烧坏是比较正常的事情。
保险丝烧坏后,只需要更换就可以。
点烟器的保险丝是非常容易烧坏的。
如果点烟器保险丝烧坏了,只需要找到保险盒盖子上点烟器的图标,在这个图标上会有一个编号,然后找到保险盒内对应编号的保险丝,更换这个保险丝就可以。
需要注意的是,在更换保险丝时不要用手取下保险丝,在保险盒内都带有一个小夹子,需要用小夹子取下保险丝。
【维修案例】2009款科帕奇雨刷工作不正常故障现象:用户反映车辆在正常行驶过程中,如果开空调一段时间后,在没有开雨刷的情况下雨刷有时会自动工作。
故障诊断:此车在故障确认的过程中发现,在打空调的情况下,雨刷的确偶尔会工作,但是动作要比正常的慢些,且伴随的是冷却风扇高速运转。
但是还发现了一个重要的问题,就是在正常情况下打开雨刷开关的哪个挡位雨刷都不能工作。
1. 由于用户反映的车辆故障为偶发现象,故我们决定先从雨刷不能工作方面入手,首先查阅雨刷工作电路图,如图1 所示.图1 风扇相关电路2. 依照车辆关于雨刷方面的电路图,发现雨刷器的工作原理为:雨刷开关→ BCM →雨刷电机。
就是说,BCM 接收到雨刷开关的请求信号后,分别对雨刷继电器进行电源和搭铁的操作,以实现雨刷多样化工作的目的。
3. 此车故障现象为雨刷每个挡位不工作,依照由简入繁的原则首先检查发动机舱内21 号保险丝,发现未熔断。
从电路图上来看,如果雨刷低速继电器不工作的话,高速雨刷也是无法工作的。
故对雨刷低速继电器进行了测量,测量结果为正常,说明雨刷继电器没任何问题。
4. 后将继电器盒内低速雨刷继电器的87 和30 针脚进行短接,雨刷能够正常工作,说明雨刷部分没有问题,问题还是出在控制部分85 没电或是继电器的87A 搭铁不良上。
对继电器盒内低速雨刷继电器对应的针脚分别进行电压和接地阻值的测量,首先测量87A 针脚的对地电阻,测量结果为285Ω,结果明显偏大。
正确的阻值应小于5Ω。
5. 从电路图上来看,87A 针脚搭铁线路为经过一个JX101 的集线器后通过G101 搭铁。
后来在检查JX101集线器时发现,JX101 集线器安装于车辆左前大梁上由于长时间受雨水和泥土的侵蚀造成集线器内部氧化严重。
从而造成搭铁不良现象。
故障排除:由于集线器各个端子氧化非常严重无法进行修复,故更换该线束。
更换完毕后,雨刷能够正常工作。
且空调打开后雨刷工作的现象也同时消失。
科帕奇发动机内保险丝盒
启动机主继发动机发动机2 发动机1
模块 20A 15A 15A 继电器电器
启动机主保险空调压缩机发动机辅助风扇
20A 10A 10A 15A
继电器
四轮驱动油泵主风扇
15A 15A 30A
空调压缩机主风扇
继电器继电器
防抱死防抱死油泵
系统40A 系统20A
继电器
喇叭风扇控制SUB WOOFER 制动辅助风扇
20A 15A 30A
继电器继电器
RUN 手动雨刮喇叭手动雨刮速度
40A 25A 15A
继电器
手动雨刮防盗天窗附件/点火1
15A 20A 40A
继电器运行
继电器
主保险电动座椅前雾灯
60A 30A
继电器
驻车灯右前大灯近光左前大灯近光雾灯
15A 15A 30A 挡风玻璃除雾继电器
继电器
后雨刮前大灯远光前雾灯左驻车灯前大灯20A 15A 15A 10A
继电器
前大灯远光备用备用右驻车灯变速箱大灯洗涤器20A 25A 10A 15A 20A 继电器
电动窗
15A
备用备用前大灯洗涤
+B10A 15A
继电器。
福田萨普保险盒说明书
保险盒是一个黑色的盒子,长条盒子从侧面卡扣位置可以打开盖子,盖子的内部标注了内部保险丝和继电器的位置信息,找到这个保险丝盒的具体操作步骤如下:
一、打开庆铃柴油皮卡驾驶室这边的车门。
二、拉动庆铃柴油皮卡驾驶员腿部左侧位置处的引擎盖开关。
三、向上掀起庆铃柴油皮卡的发动机引擎盖
四、用支撑杆支撑起庆铃柴油皮卡的引擎盖,确保支撑牢固,避免发生危险。
五、庆铃柴油皮卡的保险丝盒位于图中位置。
hs5保险盒说明
摘要:
1.hs5 保险盒概述
2.hs5 保险盒的特点
3.hs5 保险盒的安装与使用
4.hs5 保险盒的注意事项
5.结论
正文:
hs5 保险盒是一种用于保护电路的装置,它可以在电路中断或电压过高时自动切断电源,防止设备因过载或短路而损坏。
这种保险盒广泛应用于各种电子设备和家用电器中,是保障电气安全的重要元件。
hs5 保险盒具有以下特点:
首先,它的体积小,重量轻,易于安装和使用。
其尺寸符合标准规格,可以方便地替换其他同类产品。
其次,hs5 保险盒的断电能力强大,可以在电路中断或电压过高时迅速切断电源,保护设备不受损坏。
最后,hs5 保险盒具有良好的耐热性和抗冲击性,可以在各种环境下稳定工作。
在安装和使用hs5 保险盒时,需要注意以下几点:
首先,需要选择合适的保险盒,根据电路的电压和电流选择合适的规格。
其次,在安装时,需要确保保险盒与电路板紧密接触,以保证电流的顺
畅。
最后,在使用过程中,需要注意观察保险盒的工作状态,如有异常应及时更换。
总的来说,hs5 保险盒是一种重要的电气保护装置,它具有体积小、断电能力强、耐热性好等优点,广泛应用于各种电子设备和家用电器中。