《汽车车身修复与诊断》问答题3
- 格式:doc
- 大小:196.29 KB
- 文档页数:27
情境一汽车车身结构的拆装与调整任务一问题与思考问题1 汽车车身的类型有哪些?答案:汽车车身的主要分类如下:(1)根据用途分为两大类:客车车身、货车车身。
(2)按壳体结构型式可分为三种:骨架式、半骨架式、壳体式。
(3)按车身的受力情况不同分为三类:非承载式、半承载式和承载式。
问题2 典型轿车的车身结构怎样?答案:常见的轿车车身由前舱、中舱和后舱三个主要功能构件组成。
前车身主要由前保险杠、前翼子板、发动机罩、前纵梁、前围板构成;中间车身主要由车门立柱、门槛板和地板、车门、顶蓬构成;后车身主要由后保险杠、后翼子板、行李舱盖板、后纵梁、后围板构成。
问题3 根据车门的开启方式,车门可以分为哪几类?答案:根据车门的开启方式,车门可以分为顺开式车门、逆开式车门、推拉式车门、折叠式车门和外摆式车门。
问题4 试分析安全气囊的工作过程。
答案:传感器感受汽车碰撞强度,并将感受到的信号传送到控制器,控制器接收传感器的信号并进行处理,当它判断有必要打开气囊时,立即发出点火信号以触发气体发生器,气体发生器接收到点火信号后,迅速点火井产生大量气体给气囊充气。
任务二问题与思考问题1 汽车车身的拆解调整步骤如何?答案:(1)摆放固定好轿车。
(2)拆解前部板件:前保险杠、左右翼子板、发动机盖和前大小车灯等。
(3)拆解中部板件:车门线束、左右车门总成和车门密封条等。
(4)拆解后部板件:后保险杠、左右翼子板、行李箱盖、装饰条和密封条等。
(5)拆解车身内饰件:座椅、仪表板、方向盘、音箱和安全带等。
问题2 以实际拆卸速腾乘用车的车门为例,叙述车门的拆装与调整过程。
答案:(1)取下车门立边密封条。
由于此密封条与塑料卡扣相连接,拆卸时用力要轻,防止损坏。
(2)拆卸车门外把手。
先拉住外把手,使其呈开启状态(这是非常关键的,这种拆卸方式秉承了大众乘用车车门外拉式门把手的传统拆卸方式),松动固定螺丝直至门把手小固定块松动,取下固定块后,分离门锁外拉线与外门把手的连接,取下外门把,拆下门把手内的固定架螺丝。
车身修复试题三一、判断题1.对低碳钢进行焊接时,他的强度不会受到影响()2.热轧钢板的表面精度比冷轧钢板高()3.低碳钢的修理可以使用氧乙炔焊接。
()4.感强度钢可以使用电阻电焊和电弧焊进行焊接。
()5.热轧钢板比冷轧钢板在整体车身结构上应用多。
()6.车身使用刚强度钢板后,在修理中可以加热到600°C。
()7.车门加强梁都不适宜矫正,应当更换。
()8.冷轧钢板是由热轧钢板经过酸洗后冷轧变薄,并经过退火处理得到的。
()9.冷轧钢板是在较高的温度下扎制的。
()10.。
车身的外覆盖件从维修的角度考虑,一般不会采用低碳钢来制造。
()11.车身结构性部件一般采用高强度钢制造。
()12.车身上用的两种钢材类型是低碳钢和高碳钢。
()13.高强度钢受到碰撞时不宜变形,一旦变形后,他比低碳钢更难修复到原来的形状。
()14.高强度,低合金钢又称回鳞钢,通过在低碳钢中加入锰来提高强度。
()15.高强度,低合金钢的强度主要取决于添加的化学元素。
()16.高抗拉强度钢又称si-Mn固溶体淬火钢,这种钢增加了硅锰和碳的含量使抗拉强度的得到提升。
()17.沉淀淬硬钢是一种高抗拉强度钢,它通过形成碳淡化铌沉淀物来提高钢材的强度。
()18.车门护板轻微损坏后,只要它不影响门的功能,可以继续使用。
( )19.对高亢啦强度钢进行常规的加热和焊接方法不会明显降低它的强度。
()20.沉淀淬硬钢具有优异的加工性能。
()21.对高亢啦强度钢焊接时应采用牌号为AWS-70S-6的焊丝。
()22.只要对钢铁中加入合金元素就可以得到高强度钢。
()23.马氏体钢是一种双相超高强度钢。
()24.超高强度钢不同寻常的高强度是有于在加工过程中产生特殊细化的晶粒形成的。
()25.对低碳钢进行加热时,随着钢板温度的增高,其强度和刚度也随着下降,停止加热,温度下降到原来温度后,他的强度又恢复到原来的程度。
()26.对低碳钢钢板进行长时间加热的方式的修理是允许的。
汽车车身修复技术题库(共300题。
判断题110, 单选110, 多选80题)一.判断题(共110题)1.车身修复工作区普通分为钣金加工检查工位、钣金加工校正工位、车身校正工位和材料存储工位等。
(对)2.轿车车身校正工位安全操作空间: 长度普通为8 m ~10 m, 宽度普通为5 m ~6.5 m。
(对)3.车身维修车间内, 从主气管路分流到各工位分管路连接办法可任意设立, 只要有足够气量即可。
(错)4.车身修复操作中, 气体保护焊用电量最大。
(错)5.在车身修复操作中不要穿着过于宽松衣服。
(对)6.硬顶轿车特性是只有一种中柱。
(错)7.常用车身构造重要分为车架式和整体式两种。
(对)8.车架有足够结实度, 在发生碰撞时能保持汽车其她部件正常位置。
(对)9.车架式主车身是用螺栓固定在车架上。
(对)10.整体式车身门槛板是车身上覆盖件。
(错)11.在车身前纵梁上有预应力区设计, 在碰撞时折曲并吸取冲击能量。
(对)12.前置后驱汽车前车身强度比前置前驱汽车前车身强度大。
(错)13.强度最高、承载能力最强车架是框式车架。
(错)14.X形车架中间窄, 刚性好, 能较好地承受弯曲变形。
(错)15.车架式车身在前车轮前面和后车轮背面区域设计成扭力箱构造。
(错)16.车架在发生碰撞时, 由中部车架变形吸取能量。
(错)17.整体式车身刚性较大, 有助于向整个车身传递和分散冲击能量, 使远离冲击点某些部位也会有变形。
(对)18.当碰撞限度相似时, 整体式车身损坏要比车架式车身损坏小。
(错)19.整体式车身前部构造比车架式车身复杂得多。
(对)20.整体式车身前部板件承受载荷更大, 规定前部车身强度要好。
(对)21.对高抗拉强度钢焊接时应采用牌号为AWS-E-70S-6焊丝。
(对)22.马氏体钢是一种双相超高强度钢。
(错)23.只要对钢铁中加入合金元素就可以得到高强度钢。
(错)24.超高强度钢不同寻常高强度是由于在加工过程中产生特殊细化晶粒形成。
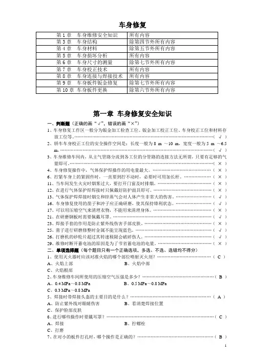
车身修复第一章车身修复安全知识一、判断题(正确的画“√”,错误的画“×”)1、车身修复工作区一般分为钣金加工检查工位、钣金加工校正工位、车身校正工位和材料存放工位等。
…………………………………………………………………………………(√)2、轿车车身校正工位的安全操作空间是:长度一般为8 m~10m,宽度一般为5 m~6.5m。
…………………………………………………………………………………………(√)3、车身维修车间内,从主气管路分流到各工位的分管路的连接方法无所谓,只要有足够的气量即可。
……………………………………………………………………………………(×)4、车身修复操作中,气体保护焊操作的用电量最大。
…………………………………(×)6、拧紧车身上的紧固件时,一直要到拧不动时,必要时可用加长杆。
………………(×)11、当车间发生火灾时烟雾过大,要打开门窗及时排烟。
………………………………(×)12、在进行气体保护焊焊接时只佩戴好防护面具即可。
…………………………………(×)13、气体保护焊焊接时烟尘和锌蒸气会对人体产生非常大的伤害。
……………………(√)16、车身修复使用的凿子和冲子应正确研磨,使其保持锋利状态。
……………………(√)17、可以用压缩空气来清理衣物,不能用来清理身体。
…………………………………(×)21、在研磨钢板时需要佩戴耳罩。
…………………………………………………………(√)23、焊接手套的作用是防止紫外线伤害手部皮肤。
………………………………………(×)25、凿子进行研磨修整时金属不能呈现蓝色。
……………………………………………(√)26、打磨机的砂轮片超过其转速极限会破碎伤人。
………………………………………(√)29、维修时断开蓄电池的原因是为了节省蓄电池的电量。
………………………………(×)二、单项选择题(每个题目只有一个正确选项,多选、不选、选错均不得分)1、使用灭火器时应该对准火焰的哪个部位喷射灭火剂?………………………………(C )A、火焰上部B、火焰中部C、火焰根部2、车身维修车间所使用的压缩空气压强是多少?…………………………………………(B )A、0.4 MP a~0.8 MP aB、0.5 MP a~0.8 MP aC、0.3 MP a~0.8 MP a5、焊接时带焊接头盔的主要目的是什么?………………………………………………(A )A、防止紫外线对眼睛伤害B、看清楚焊接位置C、保护脸部皮肤6、进行哪些操作时要戴耳罩?………………………………………………………………(C )A、焊接B、拧螺栓A、用手握紧后打孔B、用台钳夹紧后打孔C、用脚踩紧后打孔8、用压缩空气进行清洁时,空气压力有什么要求?……………………………………(C )A、0.8 MP a以下B、0.3 MP a以下C、0.5 MP a以下10、手动工具存在裂纹、碎片、毛刺、断齿等问题时应该怎样处理?…………………(B )A、可以继续使用B、修理或更换C、不能继续使用11、用举升机举升车辆时,哪个操作是对的?……………………………………………(C )A、直接举升B、在举升中要不断停下检查C、举升150 mm后停下检查后再举升20、砂轮上有2500 r/min的标记,有什么含义?…………………………………………(C )A、转速可以高于2500转/分钟B、转速必须在2500转/分钟C、转速必须低于2500转/分钟三、多项选择题(每个题目均有两个或两个以上的正确选项,多选、少选、不选、选错均不得分)2、当汽油燃烧时可使用哪种方式进行灭火?……………………………………………(BC )A、大量的水B、干粉灭火器C、防火沙D、扫帚4、用扳手拧紧或松开螺栓时可以采用哪种操作方式?…………………………………(AD)A、用拉的动作B、拧不动可以敲击C、握紧手指推D、伸开五指用掌推8、车辆在车间停放时,要采取哪些措施防止车辆移动?………………………………(ACD)A、拉紧手动制动器B、踩紧脚制动器C、变速杆打倒驻车档或空档D、车轮下塞木块第三章车身结构一、判断题(正确的画“√”,错误的画“×”)1、碰撞修理就是将汽车恢复到事故前的尺寸。
2.非承载式的车身用弹性元件与车架相连,车身不承受汽车载荷。
()3.车架式车身由车架不承受载荷。
()4.硬顶轿车的特征是只有一个中柱。
()5.车身结构主要分为车架式和整体式两种。
()6.车架有足够的坚固度,在发生碰撞时不能保持汽车其他部件的正常位置。
()7.纵梁是在车身前部底下延伸的箱形截面梁,通常是承载式车身上最坚固的部件。
()8.车架式的主车身是用螺栓固定在车架上的。
()9.整体式车身刚性较大,有助于向整个车身传递和分散冲击能量,使远离冲击点的一些部位也会有变形。
()10.现在的中小型汽车以前置前驱为主,发动机安装型式以横置为主。
()三、单项选择题(每题2分,共20分)1、以下那个部件不是车身的结构性部件。
()A.前立柱B.后纵梁C.后侧围板2、车架式车身在碰撞时主要由哪个部件吸收能量?()A.主车身B.车架C.横梁3、目前货车上使用的车架是哪种型式的?()A.梯形车架B.X形车架C.框式车架4、整体式车身的哪个部分刚性最大?()A.前车身B.中车身C.后车身5、在前置前驱车身上,由那个部件来支撑减震器?()A.前横梁B.前纵梁C.前挡泥板6、同样大小的汽车,车架式车身和整体式车身的内部空间比较。
()A.车架式车身内部空间大B.整体式车身的内部空间大C.同样大7、整体式车身与车架式车身相比,下面那项是整体式车身的特点?()A.汽车通过性提高B.安全性提高C.碰撞时把损坏局限在某些部件上8、整体式车身分为几部分?()A.二B.三C.四9、发动机纵向放置在前车身的哪个部件上?()A.中间梁B.横梁C.后纵梁10、下面哪个是整体式车身前车身的部件?( B )A.门槛板B.前纵梁C.中立柱四、问答题(每题8分,共40分)1. 汽车车身的类型有哪些?答:2. 典型轿车的车身结构怎样?答:3. 试分析安全气囊的工作过程。
答:答:5.简述汽车车身玻璃的更换过程。
答:。
《汽车车身修复》复习题一、选择题1. 以下哪个不属于钣料拉形的成形过程。
( D )A、弯曲B、拉形C、补拉D、加压2. 在手工成形中,“打薄”放边的主要缺点是:( A )A、厚度不够均匀B、粗糙C、变形不够D、易出现裂纹3. 以下矫正方法哪种是错误的。
( B )A、机械矫正B、液压矫正C、火焰矫正D、手工矫正4. 锉刀按齿纹的粗细不同又可分为粗挫、中挫、细挫和( D )等。
A、普通锉B、特种锉C、整形锉D、油光锉5. ( A )时用较宽的刮刀,施较大的压力,并做较长的行程刮去较多的金属层。
A、粗刮B、细刮C、精刮D、舌削平面6. 以下哪种材料不能焊接。
( C )A、铸铁B、铜合金C、铝合金D、低碳钢7. 强度是指金属材料在外力作用下抵抗( C )的能力。
A、变形B、冲击C、变形和破坏D、冲击和振荡8. 假想将机件的倾斜部分旋转到与某一选定的基本投影面平行后,再向该投影面投影所得到的视图称为( D )。
A、基本视图B、斜视图C、局部视图D、旋转视图9.( C )是指制定和贯彻技术标准的全过程。
A、技术标准B、基础标准C、标准化D、测量误差10. 一般金属材料的阻值( B )。
A、随温度的升高而下降B、随温度的升高而升高C、变化不定D、与温度无关二、填空题1.车身修复工作区一般分为钣金加工检查工位、钣金加工校正工位、车身校正工位和材料存放工位等。
2.轿车车身校正工位的安全操作空间是:长度一般为 8~10 m ,宽度一般为 5~6.5 m 。
3.车身修复的焊接工作用电量很大,特别是气体保护焊和电阻点焊焊接用电,气体保护焊焊接时的电流不能小于 15A ,而大功率的电阻点焊机焊接时的电流不小于 40A 。
4. 对受到纵向撞击的车辆无论是间接变形还是直接变形,一般不需进行拆卸解体(更换除外),修复时只需要对内部的结构件、加强件及支撑件进行牵拉,同时进行就位修复即可。
5. 表面热处理括退火、淬火、回火。
三、判断题1. 板牙是手工切削内螺纹的常用工具。
车身修复题库一、判断题;1.轿车车身校正工位的安全操作空间是:长度一般为8~10m,宽度一般为5~6.5m; √2.维修时断开蓄电池的原因是为了节省蓄电池的电量; ×3.钣金件的展开放样技术在轿车修理中的应用很普遍; ×4.车身结构主要分为车架式和整体式两种; √5.车门加强梁都不适宜校正,应当更换; √6.在修理中对钢板进行加热的目的是消除钢板内部的应力,而不是过度加热来软化钢板以方便修理; √7.在修理中发现一些未被检查到的损伤,可以不必重新进行损坏分析,继续修理;×8.对于车身上部的测量重点是板件之间的配合情况; √9.在校正中是通过塔柱来监控整个校正过程的; ×10.整个车身在修理时,要用“从外到里”的顺序完成修理过程; ×11.对于薄金属板,防止焊接熔穿的方法是控制焊接接头附近的热量; √12.对车身焊接时,要采用不会降低车身原有强度和耐久性的焊接方法;√13.许多拱起部位上的收缩区,都可以采用铁锤在垫铁上敲击的方法,使它恢复到原来的高度; ×14.用外形修复机焊接时,要把垫圈紧紧压到板件上才能焊住; ×15.车身上的防撞吸能区,在修复中尽量不要进行切割分离; √16.所有损坏的塑料件都可以维修后再继续使用; ×17.维修加强型塑料件时,为了增加强度,可以使用金属板填料; ×18.玻璃使用黏合剂固定时,原先的黏合剂要全部清除,不能继续使用; ×19.更换安全气囊时,要断开所有的电源、熔断丝及模块; √20.车身修复中常用的防腐方法是涂油漆; ×21.车身修复工作区一般分为钣金加工检查工位、钣金加工校正工位、车身校正工位和材料存放工位等; √22.车身修复操作中,惰性气体保护焊操作的用电量最大;×23.在车身修复操作中不要穿着过于宽松的衣服;√24.拧紧车身上的紧固件时,一直要到拧不动时为止,必要时可用加长杆;×25.车身修复操作时,地面要保持干净、无水;√26.车身修复操作时,所用电动工具和设备的电源线应该正确搭铁;√27.对燃油箱可以使用氧乙炔焊进行焊接操作;×28.在使用惰性气体保护焊进行焊接时,只佩戴好防护面具即可;×29.在焊接时最好穿绝缘鞋,防止触电事故的发生;√30.在调漆间附近可以使用割炬或焊接设备进行操作;×31.在研磨钢板时,需要佩戴耳罩;√32.安全鞋的主要作用是防止长时间站立脚部疲劳;×33.对车身板件进行焊接或用等离子弧切割时,要做好其他部件的防护工作,防止火灾的发生;√34.在调漆间附近可以使用割炬或焊接设备进行操作;×35.液压举升装置的主要作用是用来支撑车辆;×36.维修时断开蓄电池的原因是为了节省蓄电池的电量; ×37.一种区分汽车左侧和右侧的方法是站在汽车前面,右手就是汽车的右侧,左手就是汽车的左侧;×38.钣金件的展开放样技术在客车或货车修理中的应用很普遍;√39.弯管机的转盘与滚轮的圆弧槽,应与管子外径相符,以保证管子在弯曲时不致产生椭圆形截面;√40.如管材弯曲壁厚减薄过多,甚至破裂,则需将芯棒向前移动一定距离;×41.液压缸有多种类型,按结构特点分为活塞式、柱塞式和组合式三大类;√42.车架有足够的坚固度,在发生碰撞时能保持汽车其他部件的正常位置;√43.前置后驱汽车前车身的强度,比前置前驱汽车前车身的强度大;×44.整体式车身刚性较大,有助于向整个车身传递和分散冲击能量,使远离冲击点的一些部位也会有变形;√45.当碰撞程度相同时,整体式车身的损坏要比车架式车身的损坏简单;×46.四轮驱动汽车的前车身与前置前驱汽车的前车身类似,中、后车身与后轮驱动汽车的中、后车身类似;√47.当代大客车采用发动机后置、横置、后轮驱动方式;√48.基础承载式客车结构的车身侧围腰线以下部分和车顶都是主要承载件;√49.客车蒙皮与骨架焊接,一般采用二氧化碳气体保护焊、单面点焊、电阻点焊、钎焊等;√50.车身上用的钢材是低碳钢和高碳钢;×51.高强度钢受到碰撞时不容易变形,但是一旦变形后,它比低碳钢更难修复到原来的形状;√52.回火处理用来增加硬度,它是将淬火处理过的材料,再次加热到200℃,然后冷却的一种热处理过程;×53.钢化玻璃在受到冲击破碎时,会分裂成带钝边的小碎块,对乘客不易造成伤害;√54.汽车虽然只有一个方向的碰撞,但损伤却可能发生在两个方向上;√55.车架式车身上各类损伤发生的次序为:上下弯曲、左右弯曲、断裂变形、菱形变形和扭转变形;×56.整体式车身的汽车发生碰撞时,除了碰撞点的损伤外,远离碰撞点的部位也会有损伤;√57.轨道式量规和麦弗逊撑杆式中心量规可以作为一个整体使用,也可作为单独的诊断工具使用;√58.自由臂电子测量系统可以实时测量出测量点的数据;×59.超声波电子测量系统可以实时测量出测量点的数据;√60.如果车身中部发生碰撞,则要对中部进行整修,直到中部四个基准点有三个点的尺寸恢复了,才可以进行下一步的测量;√61.使用超声波电子测量系统测量时,可以任意选择测量头安装在测量孔上;×62.对于车身所有板件变形,都可以使用按输入力相反方向拉伸的方法;×63.变形复杂的构件,在拉伸恢复过程中,其强度和变形也随着改变,因此拉伸力的大小和方向就需要适时改变;√64.拉伸中不断重复停止拉伸、保持、放松、再拉伸的过程,是为了消除内部的应力; √65.使用惰性气体保护焊后要做好防腐工作,而电阻点焊焊接后不用;×66.不论哪种焊接方法,焊接之前的焊接部位清洁非常重要,否则会影响焊接强度;√二.选择题1.使用灭火器时应该对准火焰的 C ;A.上部 B.中部 C.根部2.防护效果最好的呼吸器是 B ;A.滤筒式呼吸器 B.供气式呼吸器C.防尘式呼吸器3.焊接时戴焊接头盔的主要目的是 A ;A.防止紫外线伤害眼睛 B.看清楚焊接位置C.保护脸部皮肤4.在对小的板件打孔时, B 是正确的;A.用手握紧后打孔 B.用台虎钳夹紧后打孔C.用脚踩紧后打孔5.在使用液压举升机时,操作者应该站在 B ;A.液压举升机的正面 B.液压举升机的侧面C.液压举升机的下面6.用举升机举升车辆时, C 是对的;A.直接举升 B.在举升中要不断停下检查C.举升150mm后停下检查后再举升7.移动式液压千斤顶降低高度时,要 B ;A.顺时针慢慢转动手柄 B.逆时针慢慢转动手柄C.可以快速逆时针转动手柄8.焊接时佩戴的防护镜片是 B 的;A.茶色 B.深色 C.咖啡色9. A 可对滤筒式呼吸器进行负压测试;A.手掌放到滤芯上并吸气 B.手掌放到滤芯上并呼气C.手掌罩住呼气器并呼气10.使用有2500r/min标记的砂轮时,砂轮转速 C r/min; A.可以高于2500 B.必须为2500 C.必须低于2500 11 C 不是车身的结构性部件;A.前立柱 B.后纵梁 C.后侧围板12.车架式车身在碰撞时主要由 B 吸收能量;A.主车身 B.车架 C.横梁13.目前货车上使用的车架是 A ;A.梯形车架 B.X形车架 C.框式车架14.整体式车身的 B 刚性最大;A.前车身 B.中车身 C.后车身15.在前置前驱汽车的车身上,由 C 来支撑减振器;A.前横梁 B.前纵梁 C.前挡泥板16发动机纵向放置在前车身的 B 上;A.中间梁 B.前悬架横梁 C.后纵梁17. B 是整体式车身前车身的部件;A.门槛板 B.前纵梁 C.中立柱18.在整体式车身发动机舱部位, B 没有吸能区设计;A.纵梁 B.横梁 C.挡泥板19.前置前驱汽车的发动机是 C ;A.纵向放置 B.横向放置C.既有纵向放置,也有横向放置20.车门内外板通常是用 B 方式连接的;A.焊接 B.折边 C.螺栓21.发动机罩的加强梁是通过 B 连接在内板上的;A.折边 B.点焊 C.螺栓22.前置前驱汽车的横置发动机有 B 点固定支撑;A.3 B.4 C.523.客车的蒙皮使用 B 连接在骨架上的;A.螺栓 B.焊接 C.折边24.前置前驱纵置发动机是由 A 支撑的;A.前悬架横梁 B.中间梁 C.散热器支架25.当代整体式车身上,应用超高强度钢的部件是 A ;A.中立柱 B.门槛板 C.翼子板26.热轧钢板的厚度一般是 C mm;A.1.2~8 B.1.4~8 C.1.6~827.冷轧钢板的厚度一般是 A mm;A.0.4~1.4 B.0.4~1.6 C.0.4~1.2 28.采用高强度钢制造车身前部构件后,其强度 C ;A.变大 B.变小 C.不会变化29.在车身上, C 损坏了不允许修理,只能更换;A.前立柱 B.前纵梁 C.保险杠加强梁30.高强度、低合金钢的加热温度不能超过 B ℃;A.360~480 B.370~480 C.370~490 31.高强度、低合金钢的加热时间不能超过 A min;A.3 B.4 C.532.双相钢一般用来制造车身的 B ;A.保险杠 B.前纵梁吸能部件 C.挡泥板33.当代车身上应用高强度钢的比例可以达到 C ;A.30% B.40% C.50%34.高强度钢内部晶粒变大熔合后,强度 C ;A.不变 B.变大 C.变小35.对高强度钢进行600℃加热后冷却,相当于对它进行了 B ;A.正火处理 B.退火处理 C.淬火处理36.车身上,应用双面镀锌的部件有 C ;A.车顶板 B.门槛板 C.发动机罩37.车身上,应用单面镀锌的部件有 C ;A.挡泥板 B.车门 C.车顶板38.夹层制振钢板用于车身 C ;A.地板 B.前围板 C.后舱隔板39.铝的密度大约是钢铁的 A ;A.1/3 B.1/4 C.1/5 40.塑料的比强度 A 钢铁的比强度;A.高于 B.低于 C.等于41.塑料的缺点是 B ;A.比强度小 B.耐热性低 C.吸振性差42.环氧树脂中加入的乙二胺是 C ;A.增韧剂 B.稀释剂 C.固化剂43 以下哪个不属于钣料拉形的成形过程; DA、弯曲B、拉形C、补拉D、加压44. 在手工成形中,“打薄”放边的主要缺点是: AA、厚度不够均匀B、粗糙C、变形不够D、易出现裂纹45以下矫正方法哪种是错误的; BA、机械矫正B、液压矫正C、火焰矫正D、手工矫正46 锉刀按齿纹的粗细不同又可分为粗挫、中挫、细挫和 D 等;A、普通锉B、特种锉C、整形锉D、油光锉47 A 时用较宽的刮刀,施较大的压力,并做较长的行程刮去较多的金属层;A、粗刮B、细刮C、精刮D、舌削平面48 以下哪种材料不能焊接; CA、铸铁B、铜合金C、铝合金D、低碳钢49 强度是指金属材料在外力作用下抵抗 C 的能力;A、变形B、冲击C、变形和破坏D、冲击和振荡50 假想将机件的倾斜部分旋转到与某一选定的基本投影面平行后,再向该投影面投影所得到的视图称为 D ;A、基本视图B、斜视图C、局部视图D、旋转视图51 C 是指制定和贯彻技术标准的全过程;A、技术标准B、基础标准C、标准化D、测量误差52一般金属材料的阻值 B ;A、随温度的升高而下降B、随温度的升高而升高C、变化不定D、与温度无关53 以下哪种不属于铆缝形式; DA、搭接B、单盖板对接C、双盖板对接D、交叉对接54 双柱托举式举升器属于 C 举升器;A、车下顶举式B、局部C、车侧托举式D、车上顶举式55 汽车后桥壳弯曲校正的方法一般采用 B 校正;A、敲击B、热压C、冷压D、火焰56.车身维修车间所使用的压缩空气的压强是 B MPa;A.0.4~0.8 B.0.5~0.8 C.0.3~0.857.游标卡尺主尺刻度间距是1mm,游标刻度间距是0.9mm,其误差是 A mm; A.0.1 B.0.2 C.0.0558.发动机纵向放置在前车身的 B 上;A.中间梁 B.前悬架横梁 C.后纵梁59整体式车身防止侧面撞击的主要部件有A ;A.门槛板和中立柱 B.中立柱和地板 C.中立柱和车门60热轧钢板的厚度一般是 C mm;A.1.2~8 B.1.4~8 C.1.6~861比较复杂的车身损坏,需要使用 B 来检查悬架和整个车身的损伤情况; A.轨道式量规、定心量规 B.三维测量系统C.钢卷尺62车身前部发生碰撞进行校正时,最先校正的是 C ;A.车身前部 B.车身后部 C.车身中部63在实际测量时,车辆的基准面和测量系统的基准面 C ;A.要求完全重合 B.只要求平行C.重合或平行都可以64拉伸时,操作人员要站在塔柱的 C ;A.前面 B.后面 C.侧面65.车身板件变形恢复后,内部还存在应力的原因是 A ;A.内部晶粒的变形没有恢复 B.使用了高强钢C.拉伸时测量不及时66对1mm钢板进行电阻点焊时,两个焊点之间的最小间距是 B mm;A.16 B.17 C.1867进行正常软钎焊时,钎焊部位是 A 色;A.银灰 B.浅蓝 C.淡黄68车门板中间和边缘的强度是 B ;A.中间高、边缘低 B.中间低、边缘高C.中间和边缘相同69.使用钣金锤敲打时应垂直敲击,两个落点的距离最好是 B mm;A.5 B.10 C.2070对前纵梁切割操作时, B 的做法是错误的;A.不能切割有波纹或凹痕加工的表面B.为了保证整个前纵梁的吸能效果,必须更换整个纵梁C.可以在规定区域进行切割71.关于塑料件维修的说法,正确的是 C ;A.热塑性塑料必须用焊接来修复B.热固定塑料也可以用焊接来修复C.热塑性和热固定的塑料都能用黏结修复72.关于玻璃升降器, C 的说法是错误的;A.玻璃升降器可以是手动的,也可以是电动的B.玻璃升降器可以使用一个或两个升降臂C.手动的和电动的玻璃升降器的升降原理不一样73.对行驶速度为 A km/h的车辆实施紧急制动,可验证安全带是否起作用; A.10~25 B.20~35 C.30~4574车身密封剂或密封胶可以用在车身 C 上;A.中立柱 B.门槛板 C.地板75.对车身上裸露的外表面进行防腐处理时, C 是错误的;A.使用刻蚀和转化涂料B.在喷涂前除去任何杂物和消声材料C.排气管、消声器等部件腐蚀严重,也要涂刷涂底层化合物76.玻璃用密封胶固定后,黏合剂需要固化 B h;A.3~4 B.6~8 C.8~1077.拆卸车门装饰板时, C 的做法是正确的;A.用螺丝刀撬开塑料卡夹 B.用叉状工具在两个卡夹之间撬动C.用叉状工具在卡夹头部撬动78.钻除焊接式车门铰链的焊点时,要用 C mm直径的钻头;A.8 B.10 C.1279.车门铰链在重新焊接到立柱上时,要采用 C ;A.电阻电焊 B.气体保护焊的塞焊C.气体保护焊的连续焊80.主动安全带和被动安全带各使用 B 个安全带卷收器;A.1和2 B.2和1 C.1和181安全气囊的碰撞传感器一般安装在汽车 B ;A.中部 B.前部 C.后部82碰撞传感器是通过 B 来感知碰撞的;A.变形 B.惯性力 C.位移83.修复车窗的升降机构时,升降机构的 A 是升降是否灵活的关键;A.定位 B.强度 C.刚度84. B 塑料在燃烧时会有熔滴产生;A.热固性 B.热塑性 C.热固性和热塑性85. A 塑料的弹性好;A.热塑性 B.热固性 C.热固性和热塑性86.对塑料焊接前,一般要在塑料件 C 位置进行进行焊接测试;A.表面 B.侧面 C.背面87.塑料件正式焊接前要进行临时点焊, A 的做法是错误的;A.使用圆形焊头 B.临时点焊时不使用焊条C.焊接前要先固定好位置88.加强型塑料件维修用的工具主要是 A ;A.黏合剂枪和搅拌配料器 B.电热工具C.超声波焊枪89.在车身上切割塑料件时,切割深度限制在 B mm范围内;A.3 B.6 C.1090.调和黏合剂时,不适合 C ;A.戴护目镜 B.穿长袖工作服C.戴防尘口罩91玻璃纤维加强型复合塑料件是用 A 固定在车身骨架上的;A.黏结方式 B.螺栓 C.铆钉92..根据 A 来更换损坏的塑料件;A.损坏的面积 B.定损人员的决定C.价格的高低93.塑料焊接的第一个步骤是 B ;A.塑料件定位 B.表面预处理 C.打磨94.熔流塑料焊接是无空气焊接方法中最常用的,它一般用在 C ;A.单面维修 B.双面维修 C.单面维修和双面维修95.修理车身上的SMC塑料板件时,可以 A ;A.用黏合剂黏结 B.用塑料焊接C.用黏结和焊接两种方式96.用等离子切割钢板的厚度在3mm以上时,切割枪要和工件呈 B 角;A.30 º B.45 ºº C.60 ºº97.清除焊点时, A 的操作方法是错误的;A.要清理掉所有的焊点油漆 B.不能破坏下层板C.可以用钻和磨削的方法切割98.用砂轮磨削分割板件上的连续焊缝,砂轮盘与工件的角度是 A ;A.45 º B.30 º C.60 º99.车身上电弧钎焊焊接的板件可以用 A 的方法分离;A.砂轮切除钎焊 B.钻头切割C.氧乙炔焊枪或丙烷焊枪熔化钎焊的金属100.门槛板内的插入件要用 C 的方法固定;A.点焊 B.定位焊 C.塞焊101.门槛板的 A ,在更换时可以采用搭接方式连接;A.外板 B.加强板 C.内板102.由三层板组成的门槛板,在更换时使用B 的方式连接;A.插入件对接 B.无插入件搭接 C.无插入件对接103.车身前立柱切割后,可用 C的方式连接;A.搭接 B.无插入件对接 C.有插入件对接104.车身封闭梁不能采用 B 的方式连接;A.插入件对接 B.搭接 C.偏置对接105.车身立柱下端是主要的锈蚀部位,一般锈蚀面积超过 C 时,应该采用局部截换的工艺方案;A.1/2 B.1/3 C.1/4106.最快速拆卸车门外板的方法是用 C ;A.等离子切割 B.焊点转除钻 C.砂轮磨削107.安装新车门面板前要使用密封剂,涂抹密封剂的厚度是 B mm;A.2 B.3 C.4108.对车身中立柱进行切割时,应该注意 C ;A.不能在中间位置进行切割B.不能在下部位置进行切割C.不能切割安全带固定位置109.车身的 C 损坏后不可以切割更换,要整体更换;A.门槛板 B.前纵梁 C.车门加强梁110.更换 C 的过程中,安装必须用测量的方式进行;A.车门槛外板 B.后侧围板 C.散热器支架º102.行李舱地板在更换时可以采用 A 的方式连接;A.搭接 B.对接 C.偏置对接103.对更换的板件清洁时, B 的做法是错误的;A.可以用氧乙炔清洁油漆 B.要打磨掉镀锌层以利于焊接C.对钢板加热、磨削时,钢板不能变色104. B 是封闭梁结构;A.后顶侧板 B.前纵梁 C.地板105.板件变形后,在弯曲部位强度会 A ;A.增强 B.不变 C.下降106.车门板中间和边缘的强度是 B ;A.中间高、边缘低 B.中间低、边缘高C.中间和边缘相同107..可用氧乙炔火焰的 C 对钢板进行收火处理;A.中性焰 B.氧化焰 C.碳化焰108.板件发生凹陷铰折后,直接把它弯曲回原先的形状,板件长度会 C ;A.变长 B.不变 C.变短109.修复凹陷铰折的办法是 C ;A.修复形状后再加热拉伸 B.通过两个方向拉伸C.边拉伸边加热110.车身板件的折损类型有 B 种;A.3 B.4 C.5111.单曲拱形的板件受到下压力作用产生变形,在纵向和横向上所受到的是 A ;A.拉伸力和压缩力 B.压缩力和拉伸力 C.拉伸力和拉伸力112.直接碰撞点应 C 修理;A.最先 B.在中间阶段 C.最后113..外形修复机是通过 B 把垫圈焊接在钢板上的;A.电弧加热 B.电阻热 C.火焰加热114.用钣金锤敲击时,发力部位是 B ;A.手指 B.手腕 C.手臂115.铁锤在垫铁上的敲击法可以修理 A 损伤;A.小的凹陷 B.大的凸起 C.板件上的拉伸区116.拱起的损伤,应该 A 进行修理;A.先从最低点 B.先从最高点 C.先从中间117.对板件进行热收缩时,要先从 C 开始;A.最高点 B.中间位置 C.最低点118.用氧乙炔火焰进行热收缩时,焰心到金属板的距离是 A mm;A.3 B.4 C.5119.橡胶锤可以修复 A 变形;A.大面积凹陷 B.大面积拱形 C.小面积凹陷120.在平板上会发生 A ;A.单纯铰折 B.凹陷铰折 C.单纯卷曲121.热收缩时使用垫铁的作用是 C ;A.使金属稍微回弹 B.整平金属 C.支撑金属122.表示的含义是 A ;A.粗糙度的最大值为3.2µm,去除材料的方法获得B.粗糙度的最大值为3.2µm,不去除材料的方法获得C.粗糙度的最小值为3.2µm,去除材料的方法获得123.形状公差有 C 种类型;A.2 B.3 C.4124.车身坐标线的间隔为 C mm;A.150 B.50 C.100 125.圆锥展开后是 A ;A.扇形 B.圆形 C.矩形126.用敲击法检验钣金时, B 说明还存在缺陷;A.声音清脆 B.响声沙哑 C.声音响亮127.剪床通过 B 的运动来剪切板件;A.下剪刀 B.上剪刀 C.工作台128.当板厚增加时,剪床的剪刃间隙应 C ;A.调小 B.比板厚小 C.调大129.剪床是通过 B把主轴旋转运动转变为刀板上下运动;A.滑块 B.曲柄销 C.连杆123.剪床是通过曲柄销把 A 的旋转运动转变为刀板的上下运动,这是剪床运动部分的关键;A.主轴 B.从动齿轮 C.主动齿轮131.液压传动是依靠液体 A 中的压力来实现运动和动力传递的;A.在密封容积变化 B.在容积压强变化C.在容积传动力的变化132. C 是执行元件;A.溢流阀 B.齿轮泵C.液压缸133.液压系统是通过 A 实现运动和动力传递;A.工作介质 B.力的传动C.机械元件134.液压千斤顶起重机械的原理是通过液压装置的作用使力发生 C ;A.缩小 B.传递 C.放大135.液压动力元件是把 B 提供给系统;A.压力油B.机械能 C.动力能136.单作用叶片泵在转子每转一转过程中,吸油压油各 A 次;A.一 B.二 C.三.柱塞泵常做成 C ;A.低压泵B.中压泵 C.高压泵.齿轮泵是一种常用的液压泵,它的主要缺点是 A ;A.噪声大B.体积小 C.自吸性能不好.溢流阀主要是用于溢去系统多余油液,并让压力 A ;A.基本恒定B.增加 C.减小140.直动型溢流阀一般只能用于 B ;A.高压大流量 B.低压小流量C.低压大流量141.车身修复测量的基本长度单位是 A ;A.毫米mm B.米m C.厘米cm142.游标卡尺是应用 B 制成的;A.螺旋微动原理 B.游标读数原理 C.旋转原理143.车门外板更换时可以使用哪种焊接方法BA、气体保护焊塞焊B、电阻点焊C、气体保护焊点焊144.门槛板在更换时如果要使用插入件,长度一般是多少BA、10 mm~20 mmB、15 mm~30 mmC、20 mm~30 mm 145使用米桥尺进行测量时,后基准点由于拉伸向左偏移了50mm,后面测量时应该怎样调整CA、宽度读数都加50mmB、宽度读数都减50mmC、重新找基准后再测量146.气体保护焊焊接铝板时,焊炬的焊接角度是多少CA、10°~20°B、10°~15°C、5°~15°147.气体保护焊焊缝产生气孔的原因可能有哪些AA、焊丝上有锈迹或水分B、电流过大C、焊接速度太快148.高强度、低合金钢的加热温度不能超过多少度CA、360 ℃~480 ℃B、370 ℃~490 ℃C、370 ℃~480 ℃149.逆时针转动扳手时,要怎样操作AA、张开五指手掌推动B、握紧扳手推动C、握紧扳手拉动150.在整体式车身上,减震器由那个部件来支撑BA、挡泥板加强件B、挡泥板C、纵梁151.前纵梁与哪个部件焊接连接在一起AA、挡泥板B、前围上盖板C、翼子板152.用惰性气体保护焊用0.6的焊丝焊接0.8 mm的板件时,焊接电流是多少BA、20 A~30 AB、30 A~40 AC、40 A~50 A 153.惰性气体保护焊焊接0.8 mm的钢板时,焊接速度是多少AA、1.1 m/minB、1.3 m/minC、1 m/min 154.哪种热处理后可使材料的内部组织稳定,以增加韧性CA、正火处理B、淬火处理C、回火处理155.当车辆碰撞后,车门下垂,中立柱上部车顶板有凹陷,碰撞力的传递情况是怎样的BA、碰撞力不会传递到车辆后部B、碰撞力会传递到车辆后部C、不确定156.在整体式车身发动机舱部位,那些部件没有吸能区设计CA、纵梁B、发动机罩C、前围板157.下面哪个说法是正确的AA、吸能区是在部件上设置了强度的局部变化B、汽车在前部、中部和后部都设计了吸能区C、承载式车身的菱形变形不容易校正;158.用同缘测量法测量两个孔的距离时,外边缘距离650 mm,内边缘距离630 mm,两个孔的距离是BA、630 mmB、640 mmC、650 mm 159.关于发动机舱数据图的说法哪个是正确的CA、用点对点的尺寸表示B、用三维数据的方式C、以上两种方法都可160.当使用碳棒对钢板进行热收缩操作时,什么时间进行冷却CA、当板件呈现鲜红色时B、当板件呈现暗红色时C、当红色消失后161.门槛板中撞后弯曲变形,该怎样进行校正BA、先横向拉伸再纵向拉伸B、先纵向拉伸再横向拉伸C、以上两种方法都可以162.车身板件的变形恢复后,但内部还存在应力,原因是什么BA、由于使用高强钢后变形应力大B、钢板内部晶粒的变形没有恢复C、钢板内本身就存在应力163.车门内的加强梁是通过什么方式固定在车门内板上的CA、气体保护焊连接B、螺栓连接C、电阻点焊连接164.在车身上那个部件损坏了不允许修理,只能更换; CA、前立柱内板B、挡泥板加强件C、B柱加强板165.对两个板件进行塞焊焊接时,两个板件厚度不一致,应该怎样连接AA、薄板在上B、厚板在上C、都可以166.用二保焊进行焊接时,随着电压的增大,焊缝有那些变化BA、焊缝变宽,熔深加大B、焊缝变宽,熔深减小C、焊缝变窄,熔深加大167.在车架右前部朝右侧拉伸校正车架的弯曲时,可怎样进行辅助定位BA、左后方部朝右侧拉紧定位B、右后方部朝右侧拉紧定位C、右后方部朝左侧拉紧定位。
9. 车架式车身的扭转变形的主要特征是车架的一角会比正常情况高,而相反的一角则会比正常情况低。
10. 汽车车身的测量基准常用的有控制点、基准面、中心线原则。
二、判断题(每题2分,共20分)1.在所有的修复程序进行之前,先要对碰撞损坏的车辆进行全面、细致的损伤评估。
(√)2.除用目测方式进行诊断外,还应该使用精确的工具及设备来测量、评估受损汽车。
(√)3.检查车身损伤时要沿着碰撞能量传递路线一处一出地检查部件的损伤,直到没有任何损伤痕迹的位置。
(√)4.汽车前部车身和后部车身要设计得在某种程度上容易损坏,以形成一个能吸收碰撞能量的结构。
(√)5.汽车碰撞时,产生的碰撞力及受损程度与事故发生时的状况关系不大。
(×)6.两辆相同的车,以相同的车速碰撞,当撞击对象不同时,撞伤结果差异就很大。
(√)7.汽车虽然只有一个方向的碰撞,但损伤却可能发生在两个方向上。
(√)8.碰撞车辆质量越大,被碰撞车辆的变形越大。
(√)9.碰撞时由于振动的大小和方向不同,车身可能遭受损伤而车架没有。
(×)10.车辆碰撞损伤中会有上下弯曲,但在车架上可能看不出皱折和扭曲。
(√)2分,共20分)1、有经验的车身维修人员会把大量精力和时间用在损伤评估上,总的修理时间会怎样变化?( A )A.缩短B.增加C.不变2、比较复杂的车身损坏,需要使用哪种测量工具来检查悬架和整个车身的损伤情况?( B )A.轨道式量规、定心量规B.三维测量系统C.钢卷尺3、当汽车以50 km/s的速度撞上障碍物时,发动机室的长度会被压缩多少?( B )A.20 %~30 %B.30 %~40 %C.40 %~50 %4、当汽车以50 km/s的速度撞上障碍物时,乘客室的长度会被压缩多少?( C )A.5 %~10 % B.2 %~5 %C.1 %~2 %5、汽车前部正面碰撞时,碰撞点位置靠下部,后部会向哪个方向变形?( A )A.向上B.向下C.向左或右6、汽车前部正面碰撞时,碰撞点位置靠上部,后部会向哪个方向变形?( B )A.向上B.向下C.向左或右7、被撞一侧钢梁的内侧及另一侧钢梁的外侧有皱曲,发生了什么变形?( B )A.上下弯曲B.左右弯曲C.压缩变形8、车身左侧翼子板与车门缝隙变宽,右侧缝隙消失,说明发生了什么变形?( B )A.前部车身向左弯曲B.前部车身向右弯曲C.前部车身向上弯曲9、车身翼子板与车门缝隙上部变宽,下部变窄,说明发生了什么变形?( C )A.前部车身向上弯曲B.前部车身向右弯曲C.前部车身向下弯曲10、当发生上下弯曲时,变形的部件在哪个方向上发生了变形?( C )A.长度B.宽度C.高度四、问答题(每题8分,共40分)造成汽车车身碰撞损坏的因素有哪些?答:(1)被碰撞汽车的尺寸、构造和碰撞位置。
10.L型校正装置只能在一个方向上拉伸。
(√)二、单项选择题(每题2分,共20分)1.拉伸时在什么时候停止拉伸放松应力?( B )A.当链条拉紧时B.当出现一定的变形量时C.当拉到标准尺寸时2.当钢板受到超过15000N的力时就会断裂,但是要用20000N的拉力才能恢复变形,使用2个工具夹住拉伸可以恢复变形吗?( A )A.可以恢复B.不能恢复C.不一定3.拉伸时,操作人员要站在塔柱的哪个位置?( C )A.前面B.后面C.侧面4.在使用链条和液压顶杆进行拉伸时,链条的角度不能小于多少度?( B )A.60ºB.90ºC.120º5.对车身进行校正时要遵循什么原则?( A )A.先里后外B.先外后里C.里外同时6.该怎么处理过度拉伸的板件?( B )A.用力顶回去B.更换新件C.用热收缩处理7.两个前纵梁都发生了变形,应该怎样校正?( C )A.不拆水箱框架,先校正严重损伤的纵梁B.不拆水箱框架,先校正轻微损伤的纵梁C.拆开水箱框架,分开校正8.纵梁向右弯曲时,校正时要在哪个部位夹紧拉伸?( A )A.夹紧纵梁右侧的板件B.夹紧纵梁左侧的板件C.以上两种夹紧方式都可以9.一辆前端严重碰撞的汽车时,要先校正哪个部分?( B )A.水箱框架部位B.车身中部C.前纵梁10.在车身拉伸校正过程中,其修复程度由什么决定?( B )A.板件变形量B.板件尺寸测量C.板件配合间隙2分,共20分)1.在车架右前部朝右侧拉伸校正车架的弯曲时,要在那里进行辅助定位?( A D)A.右后方部朝右侧拉紧定位B.左后方部朝右侧拉紧定位C.右后方部朝左侧拉紧定位D.左前方部朝左侧拉紧定位2.一般对客车车身校正时,使用哪些拉伸装置?( AD )A.撑拉器B.塔柱C.手拉葫芦D.液压顶杆3.切割更换后哪些部件可以采用搭接的方式进行? ( AC )A.行李箱地板B.前纵梁C.门槛板D.风窗立柱4.门槛板更换后可以采用哪些方式进行焊接?( BC )A.只能进行二保焊对接焊B.可以使用搭接焊C.门槛内部加强件用塞焊焊接D.可以使用塞焊或钎焊5.前立柱碰撞后长度减小,可以通过拉伸哪些部件恢复前立柱长度尺寸?( BC )A.拉伸水箱框架B.拉伸前围上盖板C.拉伸纵梁后部D.拉伸纵梁前部6.为了高质量的修复一辆事故车,使用的车身校正设备需要哪些功能才能够保证修复的质量和精度?( AC )A.配备全面的车型数据B.测量系统的精度要达到±3 mmC.要配备多种钣金拉伸工具D.配备一个拉伸塔柱7.实行拉伸、保持拉伸、再拉伸、再保持的方法的目的是什么?( ABD )A.确定拉伸的方向B.让损坏板件充分放松应力C.拉伸时有危险,修理人员要休息D.消除板件的弹性变形8.修理好的车辆在行驶一段时间后,在车身上的应力会让某些部位出现哪些变ABCD)A.焊点拉开B.油漆层剥落C.裂纹D.焊缝的保护层裂开9.哪种校正设备适合对整体式车身校正?( CD )A.地框式校正设备B.L型校正设备C.框架式校正设备D.平台式校正设备10.一个合格的车身校正设备要具备哪些条件?(ABCD )A.配备高精度、全功能的校正工具B.配备多功能的固定器和夹具C.配备多功能、全方位的拉伸装置D.配备精确的三维测量系统四、问答题(每题8分,共40分)举例说明五项项拉伸中的安全操作注意事项。
第 1 页 共 9 页xx 职业学院 2022~2023学年第二学期 汽车诊断与维修技术专业《汽车车身修复技术》期末试卷 B 卷 闭卷 120分钟 一、选择题(每小题2分,共20分) 1.常规的加热和焊接方法不会降低( )的强度。
A 高强度低合金钢(HSLA ) B 高抗拉强度钢(HSS ) C 超高强度钢(UHSS ) D 马氏体钢 2.由于铝合金板件的导热性好,它最适合采用( )。
A 惰性气体保护焊 B 铜焊 C 电阻焊 D 钎焊 3.( )是用于测量车身高度尺寸的平面。
A 基准面 B 中心面 C 零平面 4.当受到严重碰撞时,( )车身具有抵抗菱形和扭曲破坏的能力。
A 非承载式 B 承载式 C 非承载式和承载式 5.确定控制点位置时,首先在车辆的( )车身上找出一个水平面,确定四个未受破坏的控制点位置,这样可以确定一个未受破坏的长度、宽度和高度。
A 前部 B 中部 C 后部 D 侧部 6.汽车车身碰撞损伤的程度与( )有关。
A 碰撞接触面积B 汽车行驶速度C 冲击力与汽车质心相对应的方向D 以上全部7.()可在矫正过程中进行测量,做到边矫正、边测量。
A 机械式测量系统B 激光测量系统C 计算机辅助测量系统8.车身构件的位置偏差不能过大,一般不超过()。
A 1mmB 3mmC 5mmD 8mm9.在进行惰性气体保护焊作业时,如果出现“咬边”现象,其主要原因是()A 焊接速度太快B 电流太大C 焊缝表面不干净D 焊炬角度不正确10.在进行手工电弧焊作业时,如果出现“夹渣”现象,其主要原因是()A 坡口边缘有油污 B焊层和焊道间的熔渣未清除干净C 焊缝预留间隙太大D 焊条直径太粗且焊接电流过小二、填空(每空1分,共25分)1.塑料焊缝若出现棕黄色或皱褶,说明焊接温度。
2.涂料由四种基本成分组成:、、和。
3.按照焊接过程的物理特性不同,焊接方法可归纳为三大类,即、、。
4.常规的加热和焊接方法不会降低的强度。
试题 第1页(共3页)XXXXXXX 技术学院2017--2018学年度第1学期《汽车车身诊断与修复》期末试卷(B)(适用 15 级汽车类专业)一、填空题(每空 2 分,共 30 分)1、.按照焊接过程的物理特性不同,焊接方法可归纳为三大类,即 、 和 。
2、电阻点焊的三要素是 、 、和 。
3、用火焰法扩展与收缩时,加热温度一般应控制在 ℃以内,相当于钢板受热点变为色。
4、前部车身测量时,每个尺寸应用 参考点进行校验,其中至少一个参考点由 测量获得。
5. 对高强度钢进行600℃加热后冷却,相当于对它进行了6. 塑料的比强度 钢铁的比强度7. 在汽车的车身结构设计中一般采用两种钢板: 和 。
8. 根据车身的受力情况范围不同的三类:非承载式、 和承载式。
二、判断题(每小题 2 分,共 10 )1、顶铁在每次敲击后应重新定位使用 。
( )2、使用车身钣金锉刀作业时,要顺着锉刀直行前进。
( )3、热塑性塑料和热固性塑料都可以焊接。
( )4、表面处理钢板多在车身上易发生腐蚀的部位使用。
( )5、车身多以薄钢板冲压成型,对薄钢板的焊接有很容易产生焊接应力,造成穿孔、变形,使焊接难度增大。
( )三、选择填空题(每小题2分,共20分)1、点焊属于( )的一种,具有焊接时间短、变形小等优点。
A 熔化焊B 钎焊C 压力焊2、等离子弧切割在切割大厚度工件时,为提高切割速度和切口质量,一般采用( )作离子气。
A 氮气B 氢气C 氮加氢混合气3、( )是用于测量车身高度尺寸的平面。
A 基准面B 中心面C 零平面4、汽车车身碰撞损伤的程度与( )有关。
A 碰撞接触面积B 汽车行驶速度C 冲击力与汽车质心相对应的方向D 以上全部5、车身构件的位置偏差不能过大,一般不超过( )。
A 1mmB 3mmC 5mmD 8mm6、在进行惰性气体保护焊作业时,有时会出现“熔化不透”的缺陷,其主要原因是( )A 焊接电流太大B 焊炬进给速度太快C 焊接电压太低D 焊接部位不干净7、塑料的缺点是( )。
项目一一、选择题1~5:CACBC二、填空题1.结构件;覆盖件2.车架3.800℃4.热塑性塑料;热固性塑料5.钢化玻璃;夹层玻璃;特殊功能玻璃三、简答题1.承载式车身也称为无车架式车身,其没有独立的车架,是一个整体的刚性框架结构,目前主要应用在小轿车上。
承载式车身的特点是:所有结构件都参与承载,承载力分散在各个车身结构件上,保证了车身整体的刚度和强度。
当车身整体或局部承受适度荷载时,车身壳体不易发生永久性变形。
2.冷轧钢板是由热轧钢板经过酸洗后冷轧变薄,并经过退火处理后得到的,厚度一般在0.4~1.4 mm之间。
3.热固性塑料是指经过一次固化后,不再受热软化的塑料。
这类塑料适用于一次成形而不需要修复的零件,如大灯罩、倒车镜等。
项目二一、选择题1~5:CCBAA二、填空题1.左右弯曲;上下弯曲;压缩变形;菱形变形2.上下弯曲;菱形变形3.菱形变形;增宽变形4.控制点;基准面;零平面5.测距法;定中规法三、简答题1.车架发生压缩变形,可以从以下几个方面进行判断。
(1)车身上某个部件或者车架元件的尺寸比正常尺寸小。
(2)发动机罩前移或者车窗后移。
(3)车门可能吻合较好,但挡板、车壳或车架的拐角处会有皱折或其他严重变形。
(4)车架在车轮挡板圆顶处向上提升。
(5)保险杠会有一个非常微小的位移。
2.当汽车发生碰撞时,车身变形情况会因现场因素不同而有所差别。
因此,在诊断汽车碰撞变形时,应了解影响汽车碰撞变形的一些现场因素,这些因素主要包括驾驶员的预先反应不同对碰撞变形的影响、碰撞物不同对碰撞变形的影响、行驶方向不同对碰撞变形的影响和车辆类型不同对碰撞变形的影响等。
3.汽车车身变形测量是指对车身及构件的形状与位置偏差进行检测,它是车身修复中的一个非常重要的环节,对承载式车身来讲尤为重要。
因为承载式车身的发动机、转向装置、悬架等重要构件都直接装在车身上,如果修理不彻底、不精确,势必会影响汽车使用的安全性、稳定性等,而汽车车身变形测量是确保车身修复准确的关键,只有对车身进行精确测量,才能确切地定位出车身的损伤程度及范围,进而进行精准修复。
《汽车车身修复与诊断》问答题3情境三汽车车身钣金件的修复1.汽车车身用钢板的种类有哪些?各类钢板的特性和应用如何?答:(1)热轧软钢板:热轧软钢板是由含碳量少的钢锭,以热轧方式加工制成的。
按照变形程度,热轧软钢板有一般用、深冲用以及深度深冲用3种类型。
热轧软钢板主要应用在外观不需要特别美观的场合。
(2)冷轧软钢板:将热轧软钢板经过常温轧延以及调质处理后,就制成了冷轧软钢板(又称磨光钢板)。
与热轧软钢板相比较,冷轧软钢板的加工性能较优良,而且表面较美观,所以用途很广泛,主要应用在表面需要美观平滑的构件上,如汽车车身、电器及机械零件等。
(3)高强度钢板:高强度钢板的抗拉强度大于6 MPa,是普通软钢板(热轧软钢板、冷轧软钢板)的2倍~3倍。
高强度钢板的类型比较多,包括高强度低合金钢(HSLA)、高抗拉强度钢(HSS)、超高强度钢(AHSS)及复合组织钢板等。
(4)表面处理钢板:若钢板表面覆以锌、铝、铅、锡等金属镀层,或者喷涂锌粉漆并施以烘烤进行涂装处理,则会形成表面处理钢板。
(5)不锈钢板:在碳素钢中添加一定含量的铬或铬与镍等元素,经冷轧或热轧就能制成不锈钢板。
这种钣金材料为银白色,具有极好的耐蚀性,而且表面光滑,美观性好,可以制作车身上需要耐蚀、装饰和美观的部分。
2.简述汽车车身用铝合金的种类及应用。
答:按照功能要求,车身用铝合金有铸造铝合金、冲压铝合金、压铸铝合金等类型,车身板件大部分是由压铸铝合金制作的。
最初铝合金只在汽车发动机、车轮轮毂等部位得到了较好的应用。
但近些年来,铝合金也开始在一些新型的车身上使用。
3.汽车车身钣金作业中应注意哪些安全与卫生问题?答:(1)每次操作前均要穿戴好工作服,整理好头发等,使操作顺畅、安全。
(2)在进行敲打作业过程中,务必戴好耳塞等保护性用品。
(3)操作中要时常关注锤头是否有松动现象并及时处理。
(4)挥锤操作中要小心锤头不要砸到手上、脚上等。
(5)操作前后对工作区域进行彻底清理。
车身修复理论试题一、判断(正确的画“厂”,的画“X”)1、气体保接,佩戴接盔、接手套、接工作服、腿和安全鞋后,不再需要其他防用品。
............................. (X )2、的主气管路分流到各工位的分管路的接要通一个三通完成,三通分流出的气路要朝上布置,防止主管路冷凝的油、水流入分管路。
.............. (厂)3、气体保生的火花和阻点生的火花都会汽玻璃生。
••”••…(厂)4、身修复操作前要断开蓄池,目的是防止漏人。
.......... (X )5、使用火器火的原理是高速出的co 会伏速把温丿支降到燃原h,込到火旳日2的。
................................... (X )6、每个气工具的入气都有一定的要求,气大会害工具或造成人、物品害。
................................... (厂)7、接手套的作用是防止紫外害手部皮肤。
.............. (X )8、在接要穿安全鞋是防止工件掉落脚趾。
............. (厂)9、架有足的度和性,在生碰撞能保持汽其他部件的正常位置。
•••••••••(厂)10、身度最高的部位是身中部。
..................... (X )11、前置前汽前身的度比前置后汽前身的度大。
........ (丁)12、整体式身前部板件承受的荷最大,所以要求前部身的度要好。
••••••••••••(厂)13、中置后和前置后汽的前架几乎是相同的。
............. (厂)14、在旅行后身的后上盖板和后座的托架接在后板和后地板上,板可防止身扭曲° ................................ (X )15、在的中小型汽以前置前主,机安装型式以置主。
..... (X )16、架式身性大,有助于向整个身和分散冲能量,使离冲点的一些部位也会有形。
1.国家行业标准《汽车油漆涂层》(QC/T 484—1999)中规定油漆涂层分(B)个组和若干等级。
A.8 B.10 C.122.在成膜物质的分类中,丙烯酸树脂属(C)。
A.天然树脂 B.人造树脂 C.合成树脂 D.油脂3.涂膜的流平过程与膜厚有关,厚度减少一半,流平时间要增加(D)倍。
A.1 B.2 C.4 D.84.涂料中加入增塑剂,(C)性能有所下降。
A.耐冲击强度 B.附着能力C.耐热性 D.抗弯曲性5.打磨工具配有不同打磨垫,研磨带有弧形的工件选用(C)。
A.硬磨垫 B.软磨垫 C.超软磨垫 D.耐高温磨垫6.小面积的喷涂修补使用(B)最合适。
A.吸上式喷枪 B.重力式喷枪C.压送式喷枪 D.加压式喷枪7.下列三种不同形式的打磨工具,用于除锈、脱漆等粗磨工作的是(A)。
A.单向旋转式 B.轨道式单振动式 C.双轨道偏心振动8.下列三种不同形式的打磨工具,适用于平面打磨的是(B)。
A.单向旋转式 B.轨道式单振动式 C.双轨道偏心振动9.干磨吸尘方法中,适合大型维修站使用的吸尘方法是(A)。
A.中央式多工位吸尘系统 B.分离式单工位吸尘系统C.简易袋式吸尘系统10.喷枪的气帽上有多种气孔,其中与枪幅大小有关的是(C)。
A.主雾化孔 B.辅助雾化孔C.扇幅控制孔 D.出漆孔2分,共20分)1.汽车车身壳体按结构形式分为(BCD)等类型。
A.无骨架式 B.骨架式 C.半骨架式 D.壳体式2.汽车车身的构件一般经过防锈处理,典型的是(ACD)。
A.镀锌板 B.不锈钢板C.合金化镀锌板 D.铬酸锌板3.在空气中能造成汽车车身损坏的因素有(ABC)。
A.氧气与铁生成氧化亚铁 B.酸雨C.二氧化碳 D.灰尘4.大客车车身的分类方法有(ACD)。
A.按车身材料分类 B.按发动机布置形式分类C.按豪华程度分类 D.按座位排列分类5.用塑料代替金属可改善汽车的(ABCDE)性能。
A.耐磨 B.防腐 C.避振 D.降噪 E.轻量化6.承载式车身的特点是(ABCD)。
项目一:认识车身1.汽车车身是按什么方式进行分类的?答:轿车车身可以按照车身外形、车身承载受力、车门数量、车门开闭方式进行分类。
轿车按车身外形分为三厢式轿车和两厢式轿车;按车身承载受力分为非承载式车身和承载式车身;按照车门的数量分为两门轿跑车,三门掀背式轿车,四门轿车,五门掀背式轿车;轿车车门有旋转式车门、推拉式车门 (滑门)及飞翼式车门等。
2.简述承载式车身的优点及缺点。
答:优点:1.承载式车身的优点是质量小且适合现代化大批量生产.2车身易于形成紧密的结构,有助于在碰撞时保护车内成员.3车身紧挨地面,质心低,行驶稳定性较好.4碰撞时,有助于使碰撞力向整个车身传递和分散冲击能量,故远离冲击点的一些部位也会变形.5车身内部的空间更大,汽车可以小型化缺点:1.汽车运动荷载的冲击下,底盘部件与车身结合部极易发生疲劳损伤; 乘客室也更容易受到来自汽车底盘的振动与噪声的影响。
2碰撞程度相同时,承载式车身要比非承载式车身的损伤更为复杂,修复前要做彻底的损伤分析.3.承载式车身结构的类型有哪些?答承载式车身结构有4种基本类型:前置发动机后轮驱动 (简称前置后驱,可用 FR 表示);前置发动机前轮驱动 (简称前置前驱,可用 FF表示);中置发动机后轮驱动 (简称中置后驱,可用 MR 表示);后置发动机后轮驱动 (简称后置后驱,可用 RR表示)4. 简述前置后驱 (FR)汽车的特点。
答:1. 发动机、传动装置和差速器均匀分布在前后车身,减轻了操纵系统的操纵力。
2.发动机纵向放置在前车身的副车架或支撑横梁上3.发动机可以单独拆卸和安装,便于车身修复工作。
4.传动轴安装在地板下的通道内,减少了乘客室的内部空间。
5. 发动机的传动系及后轮由前到后布置,因而汽车的振动和噪声源也分布到车身的前面和后面。
项目二:车辆损伤评估1.事故车辆损伤分析的一般过程是什么?答:1. 了解汽车车身构造。
2.目测确定碰撞点。
3. 目测确定碰撞力的方向及大小,然后检查可能存在的损伤。
2、焊嘴倾斜角大,则火焰向四周散发,热量损失大,使焊件升温较慢。
(√)3、焊件接阴极,焊条接阳极的接法称为正接法。
(√)4、当选用大直径电焊条时,焊接电流也应相应增大,以满足焊条熔化时所需的热量。
(√)5、焊条末端连续作圆圈而前移的运条方法称为月牙形运条法。
(×)6、汽车钣金维修作业就是对车身覆盖件进行维修。
(×)7、散热器百叶窗开启时应能达到80o开度。
(√)8、车身修理应以整形为主,制作为辅相结合。
(√)9、焊修门玻璃导向铁槽,应先焊下端,后焊上端。
(√)10、焊修汽油箱渗漏处,应将汽油倒净即可采用气焊焊修。
(×)三、选择题(每题2分,共20分)1. 以下哪个不属于钣料拉形的成形过程。
( D )A.弯曲B.拉形C.补拉D.加压2. 在手工成形中,“打薄”放边的主要缺点是:( A )A.厚度不够均匀B.粗糙C.变形不够D.易出现裂纹3. 以下矫正方法哪种是错误的。
( B )A.机械矫正B.液压矫正C.火焰矫正D.手工矫正4. 锉刀按齿纹的粗细不同又可分为粗挫、中挫、细挫和( D )等。
A.普通锉B.特种锉C.整形锉D.油光锉5. ( A )时用较宽的刮刀,施较大的压力,并做较长的行程刮去较多的金属层。
粗刮 B.细刮 C.精刮 D.舌削平面以下哪种材料不能焊接。
( C )铸铁 B.铜合金 C.铝合金 D.低碳钢强度是指金属材料在外力作用下抵抗( C )的能力。
变形 B.冲击 C.变形和破坏 D.冲击和振荡假想将机件的倾斜部分旋转到与某一选定的基本投影面平行后,再向该投影面投D)。
A.基本视图B.斜视图C.局部视图D.旋转视图一般金属材料的阻值( B )。
随温度的升高而下降 B.随温度的升高而升高变化不定 D.与温度无关以下哪种不属于铆缝形式。
( D )A.搭接B.单盖板对接C.双盖板对接D.交叉对接四、简答题(每题8分,共40分)怎样使用氧乙炔焰加热收缩法修整车身板件的凸起?答:(1)氧乙炔焰的点燃、调整及熄灭。
情境三汽车车身钣金件的修复1.汽车车身用钢板的种类有哪些?各类钢板的特性和应用如何?答:(1)热轧软钢板:热轧软钢板是由含碳量少的钢锭,以热轧方式加工制成的。
按照变形程度,热轧软钢板有一般用、深冲用以及深度深冲用3种类型。
热轧软钢板主要应用在外观不需要特别美观的场合。
(2)冷轧软钢板:将热轧软钢板经过常温轧延以及调质处理后,就制成了冷轧软钢板(又称磨光钢板)。
与热轧软钢板相比较,冷轧软钢板的加工性能较优良,而且表面较美观,所以用途很广泛,主要应用在表面需要美观平滑的构件上,如汽车车身、电器及机械零件等。
(3)高强度钢板:高强度钢板的抗拉强度大于6 MPa,是普通软钢板(热轧软钢板、冷轧软钢板)的2倍~3倍。
高强度钢板的类型比较多,包括高强度低合金钢(HSLA)、高抗拉强度钢(HSS)、超高强度钢(AHSS)及复合组织钢板等。
(4)表面处理钢板:若钢板表面覆以锌、铝、铅、锡等金属镀层,或者喷涂锌粉漆并施以烘烤进行涂装处理,则会形成表面处理钢板。
(5)不锈钢板:在碳素钢中添加一定含量的铬或铬与镍等元素,经冷轧或热轧就能制成不锈钢板。
这种钣金材料为银白色,具有极好的耐蚀性,而且表面光滑,美观性好,可以制作车身上需要耐蚀、装饰和美观的部分。
2.简述汽车车身用铝合金的种类及应用。
答:按照功能要求,车身用铝合金有铸造铝合金、冲压铝合金、压铸铝合金等类型,车身板件大部分是由压铸铝合金制作的。
最初铝合金只在汽车发动机、车轮轮毂等部位得到了较好的应用。
但近些年来,铝合金也开始在一些新型的车身上使用。
3.汽车车身钣金作业中应注意哪些安全与卫生问题?答:(1)每次操作前均要穿戴好工作服,整理好头发等,使操作顺畅、安全。
(2)在进行敲打作业过程中,务必戴好耳塞等保护性用品。
(3)操作中要时常关注锤头是否有松动现象并及时处理。
(4)挥锤操作中要小心锤头不要砸到手上、脚上等。
(5)操作前后对工作区域进行彻底清理。
4.钣金划线中的注意事项有哪些?答:划线中的注意事项如下。
(1)应经常保持平板工作面的清洁。
(2)工具和工件在平板上应轻拿轻放,不能碰撞、损伤工作面。
(3)使用后擦拭干净各种工具,并涂上防锈油,按各自要求放置。
5.怎样对板件进行直线剪切、外圆剪切及内圆剪切?剪切厚板件时该如何操作?答:1)板件直线剪切(1)短料直线剪切时,被剪去的部分一般应位于剪刀的右侧。
(2)此时,右手握住剪刀末端,左手拿板料,沿着所划的直线进行剪切。
(3)剪切时,剪刀应张开大约2/3的切削刃长度。
(4)同时,上下切削刃间不应存在空隙;否则所剪下的板料边上将会有毛刺,从而影响剪切质量。
(5)长料或者板料的长直线剪切时,须将被剪去的部分放在剪刀的左侧,原因是此时被剪去的部分易向上弯曲,有利于进一步剪切。
2)板件外圆剪切(1)板件外圆剪切时,应从板件左侧开始下剪。
(2)按照顺时针方向进行剪切,被剪去的边料将随着剪刀的移动慢慢向上卷起,有利于进一步剪切。
(3)如果被剪去的边料比较宽,可以先用板料剪直线的方法剪去一部分边料,逐渐逼近圆形,再按照上述(1)、(2)的方法进行剪切。
3)板件内圆剪切(1)板件内圆剪切时,应从板件右侧开始下剪。
(2)按照逆时针方向进行剪切,被剪去的边料将随着剪刀的移动慢慢向上卷起,有利于进一步剪切。
4)厚板件剪切厚板件剪切的示意图如图3-21所示。
(1)较厚板件剪切时,可以先将剪刀夹紧在台钳上,接着在剪刀的上手柄处套上一根钢管。
(2)左手将厚板料拿稳,右手握住管子的末端进行剪切。
(3)亦可由两人进行操作,一人一手持剪刀、一手拿板料,将剪刀放在砧铁或其他垫铁上,另一人用锤敲击进行剪切(敲击时的力度应适当)。
6.怎样将板件弯曲成圆弧形件?应注意哪些问题?答:①首先用划线工具在板件上划出若干条与弯曲轴线平行的等分线,这些线将作为板件弯曲时的弯折线。
②然后用槽钢(或钢轨)作为胎具,将板料从外端按照上一步的划线依次逐渐用锤敲击向内弯折,也可在砧铁上弯折,如图3-27(b)所示。
③当板件边缘能相互接触时,将板件的接缝用焊机焊接上几点,以保持形状。
④将板件在圆钢上逐渐敲打成形。
⑤最后再将接缝按照焊接规范焊牢。
注意事项:锤击时应尽量使用木锤,以防止板件变形。
7.对板件进行放边操作应注意哪些问题?答:①在放边过程中,板件打薄的直角边底面必须和砧铁表面贴紧,否则会产生翘曲现象,如图3-29(b)所示。
②锤击时,锤击点应均匀,并沿放射线状分布;锤击面积以约占锤击直角边面积的3/4左右为好,且不允许敲击直角的弯角处。
③锤击时,如果材料产生冷作硬化现象,要及时对板件进行退火处理,使材料性能恢复后再进行锤击。
④在放边操作中,应随时用量具或样板检查板件的外形,防止板件的弯曲超过一定范围。
8.简述板件夹丝卷边的操作过程。
①首先,依据卷边板件的使用需要来确定夹丝卷边用丝的直径,通常情况下夹丝的直径为4~6倍的板件厚度。
②用划线工具在板件需卷边的部位画出卷边线两条。
③接着,将画好线的板件放置于工作平台合适的位置上,并使d/2的卷边部分伸出平台;此时左手使劲按压住板件,右手用木锤敲打卷边的伸出部分,使其向下弯曲,角度达到约85°。
④完成上步后,将板件慢慢向外伸出一点,并随时敲打伸出的部分(敲击时不能太猛);直至板件伸出平台的长度为L2。
⑤翻转板件,使卷边位于上方,对卷边均匀敲打使其逐渐向内卷曲成圆弧形。
⑥接着将夹丝放入卷边中,边放边用尖锤向里敲打、卷合、扣住。
⑦再次翻转板件,使卷边接口抵住平台边缘,用锤敲打上部使接口紧靠。
9.垫铁的使用方法有几种?怎样使用修平刀?答:垫铁有偏托法和正托法两种使用方法。
首先将修平刀直接放在板件隆起处,接着用锤子敲打修平刀上面。
敲击中修平刀上与板件表面接触的工作面将敲击力分布在较宽大的表面上,较快修平板件表面的凸起以及皱折。
另外,修平刀也可对操作空间有限的小凹痕部位进行快速修平。
在某些车身结构的内、外板之间,往往操作空间有限,此时一般不能用普通垫铁来进行钣金作业,这种情况下修平刀可以当作垫铁来使用。
10.撬镐与冲头各有几种?分别简述其作用?答:撬镐(1)小弧度撬镐。
小弧度撬镐的端部是一个有小弧度的镐头,尾部U形端是操作把手。
主要对车身后顶盖侧板、车门及其槛板等处的小凹坑等进行修整作业。
(2)大弧度撬镐。
与小弧度撬镐相比,大弧度撬镐的结构、形状与其相似。
但它的镐头要长,弧度更大,主要在需要长镐头才能到达的场合使用。
冲头(1)弯头精修冲头。
弯头精修冲头主要用在常用钣金工具比较难触及而且需要弯曲工具进行修整的场合,如顶盖横梁、车门板的外侧部位、车门槛板以及车门立柱等。
(2)钩头精修冲头。
钩头精修冲头主要用于需要在金属板件损坏部位附近打孔并使钩头精修冲头塞进的场合;另外,当需要将后备箱金属板件及车门窗框处金属板件的表面凹陷撬起时,也可使用钩头精修冲头进行修整。
11.简述汽车的主要用途?答:车身锉刀是专用的钣金工具,用来修整经垫铁、锤子、修平刀等钣金工具作业后遗留下的凸凹不平痕迹,即主要是对粗加工后的粗糙表面进行进一步的光洁处理。
在结构和使用上,车身锉刀与锉削金属的常用锉刀有明显的区别,使用中车身锉刀只和金属板件的凸起点相接触。
12.氧乙炔火焰有几种?各是怎样形成的?答:一般情况下,氧乙炔火焰可分为中性焰、碳化焰及氧化焰三种。
(1)中性焰中性焰又称为标准火焰。
此时,氧气及乙炔气按1:1的体积比例混合于焊炬内,在喷嘴出口燃烧形成火焰。
(2)碳化焰。
碳化焰又称还原焰。
碳化焰中氧气的量低于乙炔,其焰心比中性焰的要长许多,颜色呈蓝白色;内焰则呈现淡蓝色,它的长度取决于火焰中乙炔的含量;外焰略带有橘红色。
(3)氧化焰。
氧化焰中氧气的含量比乙炔多,因此,火焰有较强的氧化性。
13.汽车车身钣金件手工校正方案制定的原则有哪些?答:(1)汽车车身结构件的车漆未受损的修复。
在车漆未受损伤的情况下,大多数可以采用凹陷修复或者校正技术。
(2)汽车车身结构件变形的修复。
汽车车身结构件发生了变形,那么其上的覆盖件也会受到一定程度的损伤。
这种情况下,应先对结构件进行修复,再对覆盖件进行修复。
(3)汽车车身覆盖件损伤的修复。
车身覆盖件损伤一般以修复为主,但当发生以下几种状况时,应进行更换。
14.详细描述平板边缘翘曲的校正过程。
答:平板边缘翘曲矫正的具体操作与凸鼓面矫正一致,但捶打方向相反,是从里向外的。
(1)将板件放置在工作平台合适的位置上,一手将板件按住,另一手拿锤子敲打。
具体操作可参考板件凸鼓面的矫正。
(2)边缘翘曲矫正后,用合适的木锤对修复部位再做一次整理性敲打,使板件组织的延展均匀。
注意事项:敲击时,应从板料中间开始逐渐向四周边缘移动,而且敲击点密度由密变稀,敲击力度由重变轻。
15.怎样使用氧乙炔焰加热收缩法修整车身板件的凸起?答:(1)氧乙炔焰的点燃、调整及熄灭。
(2)确定板件延展变形区的中心或最高点(即确定加热中心)。
(3)依据板件的厚度选择合适的焊嘴(一般用1号或2号喷嘴即可),按照(1)中的操作点燃火焰并调为中性焰。
(4)慢慢将加热中心加热至开始发红,接着再沿着圆周方向逐渐向中心点外侧移动,如图3-54所示,直至整个需受热部位均变为鲜红色为止。
(5)迅速移开或熄灭火焰,使用选好的锤子准确、快速地对拱起区域进行敲击修整,使其凹下来,完成初步整形。
(6)板件粗步整形后,紧接着将修平刀或垫铁直接放到加热区域的下面,以轻微的力支撑板件,用锤子修平板件上面的加热区域以及周边的凸起及褶皱。
(7)当加热区域变黑时,马上用浸水海绵或抹布冷却,并观察变形处的收缩情况,以判断是否需要再一次的加热收缩。
(8)对于已做过收缩的部位周围还存在凸起的情况,应对每一个凸起重复进行收缩整形,直至所有凸起均修整至要求。
(9)在用氧乙炔焰加热收缩法对汽车车身板件进行收缩修复后,板件表面将会不光滑,此时可用精平法对修复部位进行精细修整。
另外,也应检查板件的尺寸及形位误差等,若不符合要求,应及时进行校正。
(10)可采用下面的一种或几种方法的组合来对板件的修复效果进行检查。
16.简述使用快速拉拔器修复板件局部凹陷的过程。
答:其修复过程如下。
①将前车门的玻璃、内饰等保护好。
②将受损部位的漆面涂层按照前门面板凹陷变形的受力方向用打磨机清除掉,露出金属板材料。
③将电焊机的搭铁线接到门板边缘,通过试焊将焊接参数设置好。
④对于变形较大的板件,应选取加长型拉拔器来进行修复。
⑤在车门板件上焊接好合适数目的垫圈,接着使用选择好的拉拔器进行拉拔操作。
⑥当车门面板拉拔点处的凹陷变形基本被拉平后,要保持拉力,同时用锤子敲打小突起进行修平,并消除板件内部的应力。
⑦修整完后,若还有一些小凹陷没被拉出,则再采用单点拉拔的方法修复,如图3-72所示。
⑧板件凹陷变形完全修复后,除去所有垫圈,并用打磨机将垫圈焊点磨平,最后检查修复效果。