专题五 科学探究试题
- 格式:doc
- 大小:432.00 KB
- 文档页数:25
第5课科学探究【学与练】一、生活中的探究在探究问题时,我们一般会先假设几种可能的原因,再对每一种原因可能产生的结果进一步探究,直到找到真正的原因,采取相应的措施。
二、科学家的探究爱因斯坦说:“发现问题有时比解决问题更重要。
”发现和提出问题是科学探究的第一步。
从日常生活或科学学习中发现有价值的问题,并能清楚地表述所发现的问题。
【名师讲解】对于一个生活现象随便提出一个问题是很容易的,但要提出一个有价值的科学问题,却非易事。
首先要有问题意识,对生活中的科学现象要问为什么,并且能够分析出生活现象中所隐含的科学概念和规律,最后还要用科学语言把问题表述出来。
建立猜想或假设是对探究结果出现的可能性的一种设想,即对背景材料的实验目的的肯定或否定的回答,要以陈述句的形式进行表述。
在老师指导下或通过小组讨论提出验证假设的活动方案。
制订计划是科学探究的中心环节,本环节计划得科学、周密与否,直接影响着探究活动的成败。
(1)关于实验材料的数量探究实验中实验材料的数量不能过少,原因是如果数量过少,结果会具有很大的偶然性,不足以说明问题。
当然,采用更多的实验材料更好,但会增加实验的难度。
因此,应根据具体实验选择合适数量的实验材料。
(2)实验变量与控制变量科学中对于多因素(多变量)的问题,常常采用控制因素(变量)的方法,把多因素的问题变成多个单因素的问题,而只改变其中的某一个因素,从而研究这个因素对事物的影响;分别对多个因素加以研究,最后再综合解决,这种方法叫控制变量法。
它是科学探究中重要的思想方法,广泛地运用在各种科学探索和科学实验研究之中。
实验变量是指实验中由实验者人为操作的因素或条件,即实验中被人为改变的条件;控制变量是指实验中除实验变量外影响实验现象和实验结果的其他所有的因素或条件。
(3)对照组与实验组在研究某一实验变量对研究对象的影响时,所进行的除了实验变量不同以外,其他条件或因素都相同的实验,叫作对照实验。
一个对照实验中分为实验组和对照组,实验组是指接受实验变量处理的那一组(与假设相一致的组),一般来讲人为改变条件的组作为实验组;未知实验结果的组作为实验组。
1、在探究植物光合作用的实验中,为了验证光是光合作用的必要条件,应如何设置对照组?A. 一组置于光照下,另一组置于完全黑暗的环境中B. 两组都置于光照下,但光照强度不同C. 一组置于光照下,另一组添加额外的二氧化碳D. 两组都置于黑暗环境中,但温度不同(答案:A)2、在进行金属活动性顺序的探究实验中,若将锌片放入硫酸铜溶液中,预期可观察到的现象是:A. 锌片表面无变化,溶液颜色不变B. 锌片溶解,溶液由蓝色逐渐变为无色C. 锌片上有红色物质析出,溶液颜色变浅D. 锌片与溶液均无明显变化(答案:C)3、在探究物体浮沉条件的实验中,当物体完全浸没在液体中时,下列哪种情况说明物体受到的浮力大于重力?A. 物体下沉至容器底部并保持静止B. 物体在液体中匀速上升C. 物体在液体中加速下沉D. 物体在液体中减速上升(答案:B)4、为了研究不同溶质对溶液凝固点的影响,应控制哪些变量相同?A. 溶质的质量和溶剂的种类B. 溶剂的质量和溶质的种类C. 溶质和溶剂的质量以及实验环境D. 溶剂的质量和溶液的体积(答案:D)5、在探究声音传播需要介质的实验中,逐渐抽出玻璃罩内的空气,听到的铃声会逐渐:A. 变强B. 变弱C. 保持不变D. 先变弱后变强(答案:B)6、在模拟酸雨对植物生长影响的实验中,作为对照组的溶液应选用:A. 蒸馏水B. 稀释后的醋C. 稀释后的硫酸溶液D. 自来水(答案:A)7、在探究电流与电压关系的实验中,应保持哪个因素不变?A. 电阻B. 电压C. 电流D. 电源类型(答案:A)8、在验证种子呼吸作用产生二氧化碳的实验中,应使用的检测试剂是:A. 酚酞溶液B. 澄清石灰水C. 碘液D. 紫色石蕊试液(答案:B)9、在探究摩擦力大小与哪些因素有关的实验中,当研究摩擦力与接触面粗糙程度的关系时,应:A. 保持压力不同,接触面粗糙程度相同B. 保持压力相同,接触面粗糙程度不同C. 同时改变压力和接触面粗糙程度D. 只改变接触面积大小(答案:B)10、在探究凸透镜成像规律的实验中,当物距小于焦距时,成像特点是:A. 倒立、缩小的实像B. 倒立、等大的实像C. 正立、放大的虚像D. 倒立、放大的实像(答案:C)。
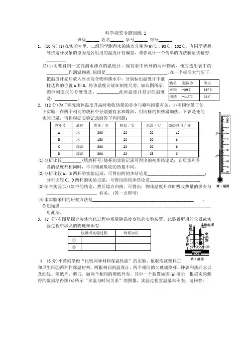
科学探究专题训练 2班级______ 姓名______ 学号______ 得分______1.(10分)(1)在实验室里,三组同学测得水的沸点分别为97℃、93℃、102℃。
有同学猜想导致这种现象的原因是各组用的温度计有偏差,请你设计一个简单的方法验证该猜想: _________ (2)小明要自制一支能测水沸点的温度计。
现有表中所列的两种物质,他应选用表中的__________作测温物质,原因是____________________________。
在一个标准大气压下,把温度计先后放入冰水混合物和沸水中,分别标出温度计中液柱达到的位置A 和B ,将该温度计放在刻度尺旁,如右图所示,图中刻度尺的分度值是:__________此时温度计显示的温度是:__________。
2.(12分)为了探究液体温度升高时吸收热量的多少与哪些因素有关,小明同学做了如 下实验:在四个相同的烧杯中分别盛有水和煤油,用同样的加热器加热。
下表是他的 实验记录,请你根据实验记录回答下列问题:烧杯号 液体 质量/克 初温/℃ 末温/℃ 加热时间/分 A 水 300 20 30 12 B 水 150 20 30 6 C 煤油 300 20 30 6 D煤油30020253(1)分析比较_________(填烧杯号)烧杯的实验记录可得出的初步结论是:在质量和升 高的温度都相同时,不同物质吸收的热量不同。
(2)分析比较A 、B 两杯的实验记录,可得出的初步结论是__________________________; 分析比较C 、D 两杯的实验记录,可得出的初步结论是_______________________ (3)结合实验(1)(2)中的结论,然后综合归纳,可得出:物体温度升高时吸收热量的多少与_______________________ 有关。
(答一点即可)(4)本实验采用的研究方法是______________________________________________ , 你还知道_____________________________________________________________________ 用此法。
科学探究专题1、为探究某些生态因素在生态系统中的作用,有人设计了如下实验:①在四个大小形状相同的锥型瓶中加入等量的清水,另外向C、D瓶中加入等量的河泥;②向B、C、D中放入等量的水藻;③向四个瓶中放入大小形状和生长状况相近的小鱼各两条;④把A、C、B瓶置于阳光下,D瓶放在黑暗的环境中。
实验装置如下图所示:(1)实验装置A、B、C所模拟的生态系统中,相同的非生物因素是__________;比较A、B、C的实验结果可知,小鱼存活的时间与_______________有关;(2)比较A、B的实验结果可知,水藻的作用是__________________;(3)D装置中,小鱼存活的时间比A装置中的存活时间短,最可能的原因是_____________________;(4)比较C、D的实验结果可说明,水藻在有___________的条件下,才能释放氧气;(5)若将以上四个锥型瓶全部置于阳光下,存活时间最短的金鱼应是_______ 中的金鱼,原因是__________________________________。
2、甲、乙两同学对光合作用所需的条件分别进行了如下探究:(1)甲同学将盆栽的天竺葵进行24小时暗处理(即放到黑暗处一昼夜);乙同学对盆栽的带银边的天竺葵不进行暗处理。
(2)甲、乙两同学将各自盆栽的天竺葵移到阳光下照射。
(3)几小时后,甲、乙两同学各自从自己盆栽的天竺葵上摘下叶片。
(4)甲、乙两同学把各自摘下的叶片放入盛有酒精的两个小烧杯里隔水加热10——15分钟(甲摘取的叶片放入A烧杯,乙摘取的叶片放入B烧杯)(5)二者都用清水漂洗叶片,然后再把各自摘取的叶片放到两个培养皿里(甲摘取的叶片放入A培养皿,乙摘取的叶片放入B培养皿),向叶片滴加碘液。
(6)稍停片刻,再用清水冲掉碘液。
实验现象:甲摘取的叶片除银边不变蓝外,其余部分都变蓝;乙摘取的叶片全部变成蓝色。
请回答:(1)甲、乙两同学分别对光合作用所需的____________等条件进行了探究。
实验探究题练习?为研究这一问题,小科展开了相关的探究:1. 幼苗的出土率是否与种子种植的深度有关在相同砂土中按不同组,将相似的120粒绿豆种子平均分成4天,发现只有三组有幼苗先后15深度种植,放置在相同且适宜萌发和生长的条件下。
连续观察15天对所有幼苗进一步观察,结果如下表所示。
出土,如图所示。
在第后,随着种植深度的增加,幼苗的出11cm(1) 分析实验结果可知,当绿豆种子种植深度超过,根本原因是土率将会。
(2)第15天,取甲、乙、丙、丁四组幼苗各10棵,分别测定各组有机物总含量,则组的有机物含量最高。
2.近来饮用水的卫生与安全成了公众关注的焦点。
某科学兴趣小组的同学对“饮水机放出的冷水和热水中的细菌数随时间变化的情况”进行了探究.【取样】他们将不同品牌的10桶饮用水编号为1至10,分别安装在经过消毒后的10台同型号饮水机上,每天用采样瓶在同一时间对饮水机的冷水和热水进行采样(每次采样前采样瓶均消毒)。
实验小组对采样的方案有两种不同的设计。
方案一:每天用采样瓶按编号顺序只对一台饮水机的冷、热水采样方案二:每天用采样瓶对十台饮水机的冷、热水采样以上两种方案,你认为方案____________ 的设计较合理。
【培养】按正确方案采样后,配制培养基对各水样进行细菌培养。
由于细菌的营养方式为 ____________ ,所以培养基中除了琼脂、水,无机盐外,还必须含多种有机物。
【结果】培养后统计各培养基中的菌落数,并计算出每毫升水中的细菌数。
如图是对某一品牌桶装水的部分探究结果,由此可以得出的结论是____________。
【应用】相关部门规定桶装饮用水的卫生标准为每毫升水中的细菌总数≤50个。
通过上述探究,请你对该品牌桶装饮用水的饮用要求提出一条合理的建议: ____________ 。
3.小叶同学在研究蚕豆叶片上、下表皮气孔密度(单位面积气孔数目)时,采用了以下三种方案进行实验。
方案一:用显微镜观察同一张蚕豆叶片的上、下表皮装片。
初中三年级课外练习题综合科学题科学研究与科学探究题20题及答案答案如下:综合科学题1:科学研究与科学探究是现代科学教育中非常重要的一部分。
通过实践与探索,学生可以加深对科学的理解,提升科学思维能力和创新能力。
以下是一些初中三年级综合科学题中的科学研究与科学探究题及其答案,供参考。
1. 小明在家里的小花盆中种了两株相同的植物,一株放在窗户旁边,另一株放在阴暗的角落。
经过一段时间后,小明发现窗户旁边的植物长得更健壮。
请问可能是什么原因?答案: 光照不同。
窗户旁边的植物得到了充足的阳光照射,而阴暗角落的植物光照较少,导致长势不如前者。
2. 小红在实验室进行了一次观察,她发现将冰块加热后会变成水,然后水继续加热会变成水蒸气,进而消失。
请问这个观察结果与什么物质状态有关?答案: 这个观察结果与物质的变态有关。
冰块加热会使其从固态变为液态,即融化;继续加热会使水从液态变为气态,即蒸发。
3. 小明在实验室中研究了一种化学反应,他观察到该反应放出大量的热能。
请问这属于什么类型的能量转化?答案: 这属于化学能转化为热能的过程。
4. 小刚想探究游泳对心肺功能的影响,他分别测量了在游泳前和游泳后的心率和呼吸频率。
小刚发现,游泳后他的心率和呼吸频率明显增加。
请问这是什么原因?答案: 游泳是一种有氧运动,能够促进心肺功能的提升。
游泳后人的心率和呼吸频率升高是为了满足身体更多氧气的需求。
5. 实验中,小明用一个带有秤盘的小车推动了一段距离,然后计算了推车的力和位移。
请问根据计算结果,小明做了多少功?答案: 小明所做的功等于推车的力与位移的乘积。
以上是初中三年级综合科学题中关于科学研究与科学探究的一些题目及其答案。
通过学习和解答这些题目,学生可以更好地理解科学研究的重要性,培养科学思维和观察实验的能力。
希望以上内容对您有所帮助!。
高中政治选修2专题五试题及答案政治是高中的重点科目,选修2的知识点你都会了吗?接下来店铺为你整理了高中政治选修2专题五试题及答案,一起来看看吧。
高中政治选修2专题五试题一、选择题Ⅰ(在每小题给出的四个选项中,只有一项最符合题意。
)1.建国以后,我国曾经实行高度集中的计划经济体制。
这一体制( )。
A.在建国初期发挥了非常重要的作用B.始终阻碍生产力的发展C.是市场经济的初级阶段D.是社会主义基本制度的重要组成部分2.高度集中的计划经济体制下,公有制经济“一统天下”,这一局面( )。
A.适应了我国生产力发展的状况B.有利于市场在国家宏观调控下对资源配置起基础性作用C.阻碍了生产力的发展,不利于方便人民生活D.充分体现了社会主义国家集中力量办大事的优越性3.计划经济体制下,个人作为消费者,其生活必需品是凭票证供应的,住房是由单位提供的。
这种做法( )。
A.保障了人民生活水平的不断提高B.使个人成为行政权力的附属物C.表明我国建立了完善的社会保障制度D.保证了社会的公平和效率的提高4.改革开放以来,我国对市场经济认识上的重大突破在于认识到( )。
A.市场经济是法治经济B.市场经济是以市场为基础性手段配置资源C.市场经济是有国家宏观调控的经济D.计划和市场不属于社会基本制度的范畴5.党的十一届三中全会后,我国的改革首先从农村开始,这是因为( )。
A.农村是旧的计划经济体制最薄弱的环节B.农民长期享受计划经济体制的社会福利等优越性C.农民是最主要的市场主体D.农村生产资料公有化的程度最高6.改革开放初期,经济体制改革在农村家庭承包制的推广、乡镇企业的兴起和经济特区的建立这三个方面取得了成绩。
中国经济发生的这些具有深远意义的变化( )。
A.冲击了社会主义公有制基础B.巩固了市场在资源配置中的基础性地位C.打破了计划经济一统天下的局面D.强化了国家在经济发展中的调控作用7.1992年10月党的十四大明确提出,我国经济体制改革的目标是建立社会主义市场经济体制。
必修一专题五1、自然地理环境的整体性一、选择题(每小题4分,共60分)我国西北地区生态环境十分脆弱。
据此完成1~2题。
1.从地理环境整体性分析,下列地理现象中与我国西北内陆景观不相符的是()A.气候干旱,降水稀少B.化学风化微弱,物理风化剧烈C.流水侵蚀显著,风力侵蚀微弱D.植物稀少,土壤瘠薄2.青海、内蒙古、甘肃等地大量挖掘“发菜”“甘草”,导致环境恶化反映了( )①地理环境具有整体性②地理环境具有差异性③陆地环境各要素之间相互联系、制约和影响④某一要素的改变必将导致其他要素甚至整个环境状态的改变A.①②③B.①②④ C.①③④D.②③④如右图所示中M是绿色植物。
据此回答3~5题。
3.图示内容与下列森林的哪种作用较为吻合()A.涵养水源,保持水土B.防风固沙,保护农田C.减弱噪声,美化环境D.过滤空气,净化大气4.图中内容造成了哪些结果()①将无机物合成有机物②将太阳能转化为化学能③改变了化学元素的存在形式和空间④把地理环境中的有机界和无机界联系起来A.①B.①②C.①②③D.①②③④5.图中内容体现了自然地理环境的()A.整体功能B.平衡功能C.调节功能D.生产功能右图为陆地环境主要构成要素的相互关联图,读图完成6~7题。
6.松花江和珠江水文特征不同,关键是图中哪个箭头所起的作用()A.①B.②C.③D.④7.能表示黄土高原地貌特征形成的箭头是()A.⑤B.⑥C.⑦D.⑧下面四幅图为咸海面积的变化图。
读图回答8~9题。
8.导致咸海面积减小的主要原因是()A.全球变暖,蒸发旺盛B.大量引入湖河水灌溉C.湖泊沿岸植被被破坏D.气候干旱,蒸发旺盛9.咸海面积减小对当地的影响最可能是()A.气温年较差变小,降水减少B.地下水水质恶化,地面沉降C.气温年较差变大,盐尘暴频发D.灌溉水源增加,农业增产读漫画,“把云留住”,完成10~11题。
10.与该漫画主题最贴切的环境问题是()A.土地盐碱化B.大气污染C.森林破坏 D.温室效应11.此图体现了区域地理环境的()A.整体性B.差异性C.开放性 D.同一性读图所示,完成12~13题。
仁爱版九年级化学上册复习专题五化学变化及其表示单元检测试卷学校:__________ 班级:__________ 姓名:__________ 考号:__________一、选择题(本题共计 15 小题,每题 2 分,共计30分,)1. 镁在空气中燃烧,发生化学变化的主要依据是()A.发出耀眼的白光B.生成白色的固体物质C.放出大量的热D.产生白烟2. 下列化学方程式书写正确的是()A.C+O2=CO2B.Zn+H2SO4=ZnSO4+H2C.2H2O======通电O2↑+2H2↑D.3CO+Fe2O3=2Fe+3CO23. 用CO还原铁的氧化物1.00g,得到铁粉0.75g,则下列说法中正确的是()A.该氧化物是Fe2O3B.该氧化物可能是由FeO、Fe2O3、Fe3O4组成的混合物C.该氧化物是FeOD.该氧化物中不含FeO4. 下列变化属于微粒本身发生变化的是()A.碘加热后变成紫色蒸气B.空气加压液化分离出氧气C.将氢气和氧气混合并点燃产生水D.酒精与水混合体积小于两者体积之和5. 利用化学方程式计算的基础是()A.化学方程式表示了一种化学反应的过程B.化学方程式表示反应物、生成物和反应条件C.化学方程式表示了反应前后反应物和生成物的质量关系D.化学方程式中,各反应物的质量比等于各生成物的质量比6. 已知反应X+3O2======点燃2CO2+2H2O,则X的化学式为()A.C2H6B.C2H4C.C2H2D.C2H6O7. 在化学反应2XY2+Y2=2Z中Z的化学式为()A.X2Y3B.XY3C.X2Y6D.X2Y48. 加热5g氯酸钾和0.3g二氧化锰的混合物,完全反应后得氯化钾3g,同时生成氧气的算式是()A.5g+0.3g−3gB.5g+3gC.5g−3gD.5g−0.3g−3g9. 下列化学方程式书写错误的是()A.Na2CO3+2HCl=2NaCl+H2O+CO2↑B.CO2+Ca(OH)2=CaCO3↓+H2OC.CuSO4+BaOH=CuOH↓+BaSO4D.3CO+Fe2O3高温2Fe+3CO210. 对于反应:C+O2======点燃CO2,该化学方程式的正确读法是()A.碳加氧气分子等于二氧化碳分子B.碳加氧气点燃等于二氧化碳C.碳与氧气在点燃条件下生成二氧化碳D.一个碳与一个氧,点燃后化合成一个二氧化碳11. 下列化学方程式中,书写正确的是()A.2KClO3======MnO22KCl+3O2B.Zn+HCl=ZnCl2+H2↑C.K2CO3+2HCl=KCl+H2O+CO2D.Ca(OH)2+2HCl=CaCl2+2H2O12. 10g只混有一种杂质的石灰石与足量盐酸反应,放出4.3g CO2,则杂质不可能是()A.K2CO3B.NaOHC.MgCO3D.Na2CO313. 在化学反应aC2H6+bO2=mCO2+nH2O中,各化学式系数之间的关系正确的是()A.a=3mB.m=2aC.3n=aD.2b=m+n14. 下列化学方程式书写正确的是()A.NaHCO3=Na2CO3+CO2+H2OB.CH4+O2点燃CO2↑+H2O↑C.Fe+CuSO4=FeSO4+CuD.Mg+O2点燃MgO215. 以下命题,没有违背化学变化规律的是()A.石墨制成金刚石B.2gH2完全燃烧生成36gH2OC.水变成汽油D.冰转化成干冰二、多选题(本题共计 5 小题,每题 3 分,共计15分,)16. 已知甲、乙两种物质的相对分子质量分别为M和N.若将甲、乙两种物质的溶液混合,当溶液中甲和乙的质量比为2M:N时,充分反应后溶液的pH=7,则甲和乙应是下列物质中的()A.盐酸和氢氧化钾B.碳酸钠和氢氧化钡C.盐酸和氢氧化钙D.氢氧化钠和硫酸17. 下列化学方程式书写正确的是()A.C+O2======点燃CO2B.4Al+3O2======点燃2Al2O3C.Fe2O3+6HCl======MnO22FeCl3+H2↑D.H2O2======电解H2O+O2↑18. 有H2、O2、N2的混合气体20克,在密闭的容器内点燃充分反应后,发现气体剩余2克,则下列各组数据正确的可能是(N2不参加反应)()A.H21g、O28g N211gB.H22g、O216g、N22gC.H23g、O215g、N22gD.H22g、O215g、N23g19. 下列观点中正确的是()A.通过化学变化一定能改变物质的性质B.在化学变化中,原子中的电子数不会发生改变C.改变物质的性质,一定要通过化学变化D.在化学变化中,元素的化合价不一定改变20. 下列分子的变化,一定发生化学变化的是()A.分子间隔改变B.分子个数增多C.分子本身发生改变D.一种分子运动到另一种分子之间去三、填空题(本题共计 3 小题,每题 3 分,共计9分,)21. 日本福岛3⋅12地震后,可用二氧化氯(ClO2)来作消毒剂.用氯酸钠(NaClO3)和盐酸反应可制得二氧化氯,反应的化学方程式:2NaClO3+4HCl=2ClO2↑+Cl2↑+2X+2NaCl,请推断出X的化学式为________,依据是________.22. 某学生写了下面6个化学方程式.A、Al+O2=AlO2;B、4P+2O======点燃2P2O5;2C、Cu2(OH)2CO3======△CuO↓+H2O+CO2↑;D、4Fe+3O======点燃2Fe2O3;2E、Zn+H2SO4=ZnSO4+H2;F、CuO+H2=Cu↓+H2O.其中(请填序号):(1)化学式写错的有________;(2)化学式正确但不符合质量守恒定律的有________;(3)反应条件应该注明而未注明的有________;(4)“↑”、“↓”使用不当或遗漏的有________.23. 配平方程式:________P4+________P2I4+________H2O=________H3PO4+________PH4I.四、解答题(本题共计 2 小题,每题 6 分,共计12分,)24. 从化学方程式C+O2======点燃CO2中能获得哪些信息?(至少写三点)25. 配平化学方程式并填空:①□Fe+□O2→点燃□Fe3O4②□Al+□MnO2→高温□Al2O3+□Mn.五、实验探究题(本题共计 4 小题,共计34分,)26.(7分) 汽车配件厂新购进了一批黄铜(铜锌合金).为了测定这批黄铜中铜的质量分数,化验人员将取来的样品先加工成粉末,然后利用该粉末与稀硫酸在烧杯内发生反应.在所进行的三次实验中,只有一次所取用的稀硫酸与黄铜样品是恰好完全反应的.有关实验数据记录如下:请分析实验数据,完成下列问题:(1)黄铜样品与稀硫酸恰好完全反应时两种物质的质量之比为________,该黄铜样品中铜的质量分数为________.(2)计算黄铜样品与稀硫酸恰好完全反应后所得的溶液中溶质的质量分数.(计算结果精确到0.1%)27.(9分) 空气、水和金属都是人类重要的资源。
实验探究题5——2024年浙江省中考科学特训练习1.(2022·舟山)在学习二氧化碳性质时,小舟进行如下探究:(1)[制取气体]用石灰石和稀盐酸作为原料制取二氧化碳气体,收集气体时要得到平稳的气流,应选择图甲中的(填字母)作为发生装置。
(2)[探究性质]用图乙装置完成二氧化碳性质的探究后,小舟还想用该装置来验证氧气的密度大于空气密度的性质。
若他将氧气倒入装有两支带火星的蜡烛的烧杯中(如图丙),预期观察到的现象是。
2.(2022·奉化模拟)碱式碳酸锌[Zn x(OH)y(CO3)z]是制备ZnO的原料,其化学反应表达式为:Zn x(OH)y(CO3)z熔烧ZnO+CO2↑+H2O (x、y、z为整数)。
小金设计了图甲所示装置对碱式碳酸锌的组成进行探究(装置气密性良好,药品足量,实验操作正确):(1)图甲中装置B的作用是。
(2)查阅资料发现,在不同温度条件下充分加热等质量的碱式碳酸锌样品,剩余固体的质量与加热温度的关系如图乙所示。
实验中加热时,热分解装置的温度至少要达到℃ (选填“200”“300”或“400"),才能彻底分解碱式碳酸锌。
(3)部分实验步骤为:“……加热前先通入N2排尽装置内的空气,关闭通入N2的活塞,……控制一定温度下加热……”。
实验过程中,可根据哪一装置中的什么现象来判断碱式碳酸锌样品已完全分解?答:。
3.(2022九上·杭州期中)有一包固体粉末可能含有NaNO3、CaCO3、NaOH、CuCl2、NaCl、Ca(NO3)2中的一种或几种,为确定其组成,某同学设计了如图实验方案:请回答下来问题:(1)沉淀1是(2)生成无色气体的化学方程式是。
(3)无色溶液A中一定存在的溶质的化学式是(4)这包粉末中可能存在的物质是4.氮肥、磷肥、钾肥是农业生产中最主要的化肥,用简便方法区别三种化肥,在农业生产中具有实用性。
(1)下列化肥中,属于磷肥的是____(填字母)。
2014年中考化学二轮专题检测:专题五实验的设计与评价一、选择题1.(2013•湛江)下列家庭小实验不能成功的是()A.用酒精浸泡捣烂的某些植物的花瓣制酸碱指示剂B.水变油C.用柠檬酸、果汁、白糖、水、小苏打等制汽水D.用碎鸡蛋壳和醋精(只要成分是醋酸)制二氧化碳2.(2013•漳州)小李设计的以下实验方案中,可行的是()A.用二氧化锰鉴别过氧化氢和蒸馏水B.用稀盐酸检验某黄金饰品中是否含有铜C.用闻气味的方法区别一氧化碳和二氧化碳气体D.用适量的氯化钡溶液除去硝酸钠溶液中的硫酸钠杂质3.(2013•济南)下列实验方法中,不能达到实验目的是()A.用过滤的方法除去黄河水中的泥沙B.用水鉴别硫酸铜固体和氢氧化钠固体C.用BaCl2溶液中除去NaCl溶液中的Na2CO3杂质D.用燃着的木条鉴别二氧化碳和氮气4.(2013•吉林)下列实验设计方案合理的是()A.用碳酸钾和氢氧化镁制备氢氧化钾B.用氯化钙溶液检验氢氧化钠是否部分变质C.用氢氧化钡溶液区分硫酸铵、硫酸镁和硫酸钠D.用氢氧化钠溶液和浓硫酸除去氢气中混有的氯化氢和水蒸气5.(2013•张掖)丽丽同学设计了以下四个实验,其中不合理的是()6.(2013•黄石)下列实验方案中,设计合理的是()A.用点燃的方法除去CO2中少量的COB.加入氧化镁除去硫酸镁溶液中含有的少量硫酸(氧化镁难溶于水)C.用活性炭将硬水软化D.用水除去生石灰中混有的碳酸钙7.(2013•兰州)根据实践检验,你认为下列课外实验不能成功的是()A.用润湿的pH试纸测定不同品牌洗发液的酸碱度B.用酒精浸泡捣烂的紫罗兰花瓣自制酸碱指示剂C.用柠檬、果汁、白糖、水、小苏打等自制汽水D.用干电池、灯泡、导线、6B铅笔芯等验证石墨可以导电8.(2013•黄石)下列实验方案中,设计合理的是()A.用点燃的方法除去CO2中少量的COB.加入氧化镁除去硫酸镁溶液中含有的少量硫酸(氧化镁难溶于水)C.用活性炭将硬水软化D.用水除去生石灰中混有的碳酸钙9.(2013广东)科学贵在创新,以下是对部分化学实验的改进,其中不能达到目的是()10.(2013•长沙)下列实验方案合理的是()11.(2013•潍坊)下列实验中利用提供的方案能达到目的是()12.(2013•南宁)下列实验设计,不能达到实验目的是()13.(2012年浙江嘉兴)下列实验设计或操作,能达到实验目的的是()A.①干燥氢气B.②检验氧气是否集满C.③检验X溶液中是否含有SO42-D.④验证Zn、Fe、Cu的活动性强弱。
专题五实验探究题类型一光学实验1.(2015·某某)如图所示是探究光的反射规律的实验装置,在平面镜上放置一块硬纸板,纸板由可以绕ON转折的E、F两部分组成。
实验次数入射角反射角1 20°70°2 30°60°3 50°40°(1)要使反射光和入射光的径迹同时在纸板上出现,你认为纸板与平面镜的位置关系是垂直(选填“垂直”或“不垂直”)。
实验时,从纸板前不同的方向都能看到光的径迹,这是因为光在纸板上发生了漫反射。
(2)小明让一束光沿AO贴着纸板E射向平面镜,在纸板F上可看到反射光OB的径迹,三次改变入射角的大小,实验所得数据如上表所示,他根据表中数据得出结论与其他同学得出的结论并不一致,请你分析小明测量实验数据过程中出现的问题可能是把反射光线与镜面的夹角当成了反射角。
(3)三次实验中,总能在纸板上观察到反射光和入射光的径迹,由此小明得到结论:“在反射现象中,反射光线、入射光线和法线都在同一平面内。
”请你评估小明的做法是否合理并说明理由:不合理,应将纸板F沿法线方向折转,再次观察纸板上是否还能看到反射光。
2.(2016·某某)小华用两个完全相同的棋子A和棋子B。
在水平桌面上探究平面镜成像的特点,实验装置如图所示。
(1)无论怎样在桌面上移动棋子B,都无法使它与棋子A的像完全重合。
出现这种情况的原因是玻璃板没有与桌面垂直放置。
排除问题后,移动棋子B,使它与棋子A的像完全重合,这样做的目的除了能确定棋子A经平面镜所成像的位置,同时还能比较像与物大小关系。
(2)用铅笔画出平面镜及棋子A和棋子B的位置,并画出棋子A和棋子B位置的连线,经测量发现:两棋子的连线与镜面垂直,两棋子到镜面的距离相等。
(3)移去棋子B,将一X白卡片竖直放在棋子B所在的位置,直接观察白卡片,发现白卡片上没有棋子A的像,说明棋子A经平面镜所成的是虚像。
(4)用木板紧贴玻璃板背面,挡住玻璃板后的光,人眼在玻璃板前能(选填“能”或“不能”)看见棋子A的像。
研究性学习高考辅导专题五:探究与实践---主题活动方案的设计(施永忠发表在《中小学生创新》杂志2011年第5期)主题活动是社会综合实践活动的重要组成部分。
它既包括以班级、团队为单位的小型主题班会、团会和队会,也包括以学校、社区、系统为单位的大型主题活动。
设计组织各种主题活动的基本能力是基本能力高考的内容之一。
活动方案设计题,是以模拟活动的形式考查学生对某项活动全过程的理解和运用的试题形式。
活动方案一般由活动的主题、理由、目的、准备、步骤或形式等五部分组成。
设计一个合理的活动方案,是搞好活动不可缺少的环节。
例题1:2002年深圳市考试题:“建设绿色深圳家园,必须从我做起”。
请你简要设计一个环保活动方案。
合理设计这个环保活动方案,必须做到以下五点:1.活动主题要鲜明,这是设计合理活动方案的核心。
结合该题,其活动方案的主题可确定为:保护环境从我做起,从小事做起;让我们齐心协力,为创造绿色的人居环境而努力;花香鸟语绿满园,美好家园大家建。
总之,要围绕“环保”和“必须从我做起”的要求,设计活动主题。
2.活动理由要充分,这是设计合理活动方案的关键。
根据上述确定的活动主题,该活动方案的理由可确定为:公众对可持续发展的参与意识有待提高。
要改变人们忽视环境保护的态度和习惯;建设绿色的人居环境,必须动员全社会的力量共同参与;创造花香鸟语绿满园的美好家园,必须营造人人参与的社会氛围。
3.活动目的要明确,这是设计合理活动方案的前提。
根据上述确定的活动主题,该活动方案的目的可确定为:培养公众在日常生活中积极参与环境保护的观念和自觉性;呼吁公众为创造绿色人居环境而躬行实践;营造一个为创造美好家园,人人都积极参与环境保护的社会氛围。
4.活动准备要充分,这是确保活动过程成功的基础。
5.活动形式要多样,这是设计合理活动方案的保证。
根据上述确定的活动主题,该活动方案的形式可设计如下:(1)新闻媒体要大力宣传保护环境的重要意义和深圳市民自觉保护环境的典型事例,以提高公众的环保意识;(2)向全市青少年发出开展“环保活动月”的倡议,用每个人的实际行动创造绿色的人居环境;(3)动员公众义务参加植树、种花、种草等活动,倡导为保护环境创造花香鸟语绿满园的美好家园,人人都贡献自己的一份力量。
一、学习初中物理科学方法及其基本含义1. 控制变量法:当某一物理量受到几个不同物理量的影响,为了确定各个不同物理量的影响,要控制某些量,使其固定不变,改变某一个量,看所研究的物理量与该物理量之间的关系。
如:研究液体的压强与液体密度和深度的关系。
2. 理想模型法:在用物理规律研究问题时,常需要对它们进行必要的简化,忽略次要因素,以突出主要矛盾。
用这种理想化的方法将实际中的事物进行简化,便可得到一系列的物理模型。
如:电路图是实物电路的模型;力的示意图或力的图示是实际物体和作用力的模型。
3. 转换法:物理学中对于一些看不见、摸不着的现象或不易直接测量的物理量,通常用一些非常直观的现象去认识,或用易测量的物理量间接测量,这种研究问题的方法叫转换法。
如:奥斯特实验可证明电流周围有磁场;扩散现象可证明分子做无规则运动。
4. 等效替代法:等效的方法是指面对一个较为复杂的问题,提出一个简单的方案或设想,而使它们的效果完全相同,将问题化难为易,求得解决。
例如:在曹冲称象中用石块等效替换大象,效果相同。
5. 类比法:根据两个(或两类)对象之间在某些方面的相同或相似而推出它们在其他方面也可能相同或相似的一种逻辑思维。
如: 用抽水机类比电源。
6. 比较法:通过观察,分析,找出研究对象的相同点和不同点,它是认识事物的一种基本方法。
如:比较发电机和电动机工作原理的异同。
7. 实验推理法:是在观察实验的基础上,忽略次要因素,进行合理的推想,得出结论,达到认识事物本质的目的。
如:研究物体运动状态与力的关系实验;研究声音的传播实验等。
8. 比值定义法:就是用两个基本的物理量的“比”来定义一个新的物理量的方法。
其特点是被定义的物理量往往是反映物质的最本质的属性,它不随定义所用的物理量的大小取舍而改变。
如:速度、密度、压强、功率、比热容、热值等概念公式采取的都是这样的方法。
9. 归纳法:从一般性较小的前提出发,推出一般性较大的结论的推理方法叫归纳法。
科学实验探索练习题科学实验是一种通过系统观察和实践来验证和解释自然现象的方法。
它不仅可以培养学生的观察力和实践能力,还可以激发他们对科学的兴趣。
在这篇文章中,我们将探讨一些有趣的科学实验探索练习题,帮助学生更好地理解和应用科学知识。
一、水的溶解性实验材料: 水、糖、盐、搅拌棒、杯子步骤:1. 取两个空杯子,将一个标记为“糖”,另一个标记为“盐”。
2. 先在“糖”的杯子里加入适量的水,搅拌至糖完全溶解。
3. 再在“盐”的杯子里加入相同的水量,同样搅拌至盐完全溶解。
4. 与糖水一起观察,记录两个杯子中溶解的物质是否有差异。
结果与讨论:根据实验结果,我们可以看到,在相同的条件下,糖溶解于水中,而盐也溶解于水中。
这说明糖和盐都是有溶解性的物质。
这个实验可以帮助学生理解溶解性的概念,并认识到不同物质在水中的行为差异。
二、稀释实验材料: 乳酸、水、量筒步骤:1. 取一定量的乳酸,并将其量取在量筒中。
2. 在量筒中加入适量的水,混合均匀。
3. 根据需要可继续进行稀释实验,重复上述步骤。
结果与讨论:实验中我们使用了乳酸和水进行了稀释实验。
通过逐步加入水,我们可以观察到乳酸溶液的浓度逐渐降低。
这说明稀释是一种改变溶液浓度的方法。
通过这个实验,学生可以深入了解溶液的稀释原理和方法。
三、火花实验材料: 打火机、石头、碳酸氢钠步骤:1. 在一个安全的地方,放置一块石头。
2. 将碳酸氢钠撒在石头上。
3. 使用打火机点燃碳酸氢钠。
结果与讨论:我们可以看到,当碳酸氢钠受到热源点燃时,会产生火花和发出爆炸声。
这是因为碳酸氢钠是一种易燃物质,受到热源刺激后会发生剧烈的化学反应。
这个实验可以帮助学生了解到一些物质在特定条件下可能发生危险的化学反应。
四、漂浮实验材料: 玻璃杯、水、食用油、食盐、葡萄步骤:1. 将玻璃杯装满水。
2. 将葡萄轻轻放入玻璃杯中观察。
3. 在另一个玻璃杯中倒入食用油。
4. 将相同大小的葡萄放入油中观察。
5. 在油中加入适量的食盐,观察葡萄的行为。
给我一个支点,可以撬起整个地球。
——阿基米德科学探究一、单选题1.某些无法直接感知的事实可以通过相关可感知的现象推测得到,是物理学研究问题的一种方法,下列用这种方法所做出的推测不符合事实的是()A.随着密封容器中的气体逐渐抽去内部铃声变小,推测真空不能传声B.鼓面上的纸屑跳动,推测鼓面在振动C.用超声波可击碎人体内的结石,推测声波能传递信息D.钓鱼时水中的鱼会被岸上人说话声吓跑,推测出声音可以在水中传播2.下列研究过程中运用“比较法”的是()A.将固体按熔化特点的不同分为晶体和非晶体B.找出蒸发和沸腾的异同点加以区别C.研究速度定义时,我们将速度定义式变换为定义的文字叙述D.由升华吸热联想到凝华放热3.物理研究中常常会用到“控制变量法”、“转换法”等研究方法。
下列实例中,采用“控制变量法”的是()A.探究平面镜成像实验中,用玻璃板代替平面镜B.保持接触面粗糙程度相同,研究滑动摩擦力与压力的关系C.用两个10Ω的电阻串联代替一个20Ω的电阻D.用微小压强计中U形管液面高度差来反映液体内部压强大小4.牛顿第一定律是在大量实验的基础上通过进一步推理后概括出来的,下列哪一个实验所用的方法与之相似()A.探究滑动摩擦力与哪些因素有关B.测量平均速度C.探究声音的传播条件D.探究光的反射规律5.市场上某一防晒霜宣称可以防晒。
暑假期间,几个学生邀约徒步旅行,准备利用此机会做一个关于防晒霜的实验,看它是否有效。
设计实验方案如表:你认为4人中谁的实验方案最为合理()A.甲B.乙C.丙D.丁6.天文学家们发现了“地球的孪生兄弟”,一颗围绕恒星开普勒452运行的行星。
该星球跟地球的形似指数为0.98,并且有可能拥有大气层和流动水,有可能有活火山,还有可能存在生命。
划线部分属于科学探究过程中的哪个步骤()A.建立假设B.合作与交流C.提出问题D.检验与评价7.研究力的作用时,两个小孩共同提起一桶水,与一个成年人提起同一桶水的效果相同。
专题五科学探究基本的实验技能(1)例1 (2005·陕西)小丽准备制氢气,实验室只有98%的浓硫酸,她用100mL的量筒量了5mL浓硫酸,就准备在量筒里加水稀释。
小梅看见忙说:“快停下,这样做很危险”!上述已完成的和未完成的实验操作中有哪些错误?请写出来:(1) ;(2) ;(3) 。
例2如图所示装置有多种用途。
回答下列问题:(1)洗气:除去CO2中的水蒸气,装置内应盛的物质是,除去CO中的C02,装置内应盛的物质是,气体应从端通入。
(2)检验:证明CO中含CO2,装置内应盛。
(3)贮气:若用排空气法收集H2时(装置放置方向不变),气体应从装置的端通入,若用排水法收集02时,瓶内先装满水,气体从端通入,若要用水将装置中的O2排出进行实验时,水应从端通入。
(4)测量气体体积:瓶内先装满水,气体从端通入,还需要用到的一种仪器是,该方法适用于测量的气体的体积。
(5)用做安全瓶:将它连接在气体发生装置之后,以防止液体倒吸流人气体发生装置而损坏仪器。
此时瓶中无液体,气体从端通入。
例3 (2001·南京)(1)在初中化学里,采用下图所示装置可以进行哪些实验?写出两个具体实验名称:①;②。
(2)保持下图装置试管口稍向下倾斜不变,稍做其他改动,还可以做哪些实验?写出改动方法和对应实验的名称(写出两个实验):①;②。
例4 下列各个实验操作都应注意先后顺序,请在每小题的横线上填人“先”和“后”。
(1)实验室制取O2时,向试管中加入KCl O3与MnO2的混合物,检查气密性。
(2)实验室制取02时,把导管口伸入盛满水的集气瓶内,给试管加热。
实验结束时,把导管从水槽中取出,熄灭酒精灯。
(3)做H2与CuO反应的实验时,实验开始时,加热,通入H2;实验结束时,停止加热,停止通人H2。
(4)实验室制取CO2时,加稀盐酸,加石灰石。
(5)稀释浓硫酸时,往烧杯里应加浓硫酸,加水;不慎将浓硫酸沾到皮肤上时,用大量水冲洗,用布拭去。
(6)用盐酸中和氢氧化钠溶液时,滴加几滴酚酞试液,滴加盐酸。
(7)除去氢气中混有的氯化氢气体和水蒸气,将气体通过浓硫酸,通过氢氧化钠溶液。
(8)测定燃挠产生的气体中的CO2、水的质量时,将气体通过足量的NaOH溶液,将气体通过浓硫酸。
(9)做铁丝在O2中燃烧酌实验时,将铁丝在盛02的集气瓶中燃烧,在盛O2的集气瓶内放入少量水。
例5 (2002·安徽)下图是某同学配制一定质量的0.9%生理盐水的全过程:(1)请找出上图中的错误:① ; ② ; ③ ,(2)如果配制的生理盐水中NaCl 的质量分数小于0.9%,则可能造成误差的原因有(至少举出三点):① ; ② ; ③ 。
1.生活中氯化钠的用途很多,它在自然界中分布也很广。
工业上主要通过晾晒海水的方法得到粗盐。
初三(1)班全体学生(小颖和小靓是初三(1)班的成员)为了定量测定粗盐提纯后得到精盐的产率,进行如下探究活动。
[活动目标]测定粗盐提纯后得到精盐的产率。
[得出结论][讨论交流]小颖产生误差的原因是 ⑦ (答出一条)。
小舰产生误差的原因是 ⑧ (答出两条)。
2、(2004·长沙)为了避免实验失败甚至造成严重后果,有些化学实验必须严格遵循操作的顺序,例如,制取O 2、H 2、CO 2等气体时必须先检查装置的气密性,再向容界中装入药品。
3.(2002·昆明)看图回答问题: (1)下列实验操作图中,正确的是 (填字母)(2)指出上图中两个不正确的实验操作及可能造成的后果。
①;②。
(3)请结合上面的错误示例,探究在平时实验中,因操作不正确可能造成的后果(任举两例,上图错误示例除外)。
①;②。
4、(2005·佛山)某化学课外活动小组进行了一系列的实验探究,请按要求作答:实验室可用Zn粒和稀硫酸制H2,甲同学按图(Ⅰ)所示配制实验所需的稀硫酸,你认为他的操作是否正确?(1)(若正确,请填“正确”,若不正确,请指出错误的地方)(2)按要求从以下A-E装置中选择(填装置的字母序号)。
乙同学要制取并收集H2应选择;丙同学要收集一瓶O2,应选择(3)小松同学探究B装置后,作了改进,改进的装置如图(Ⅱ)所示。
检查图(Ⅱ)装置气密性的方法是(4)小松同学使用图(Ⅱ)装置制取C02,现有①Na2C03固体、②块状大理石、③稀HCl和④稀H2SO4,应选用的试剂是(填序号);反应进行过程中,关闭该装置中的止水夹a后,可以观察到的现象是。
(5)小亮同学也改进了B装置,改进的装置如图(Ⅲ)所示,与B装置相比较,图(Ⅲ)装置以分液漏斗代替漏斗,其优点是;橡皮管的作用是。
5.(2004·长沙)化学实验时,往往由于实验操作不当而造成不良后果。
请填写(1)—(4)实验中造成不良后果的原因,并以此为例,填写(5)-(7),说明由于什么原因而造成哪些不良结果。
(1)在粗盐提纯中,蒸发滤液时,液滴飞溅,是由于。
(2)用H2还原CuO时,生成的红色铜又变黑,是由于。
(3)加热分解氯酸钾时,试管破裂,是由于。
(4)用排空气法收集一小试管氢气验纯,发现氢气不纯,立即再次收集,结果发生了爆炸,是由于。
(5) 。
(6) 。
(7) 。
6.(2004·长沙)以下八种典型装置是我们在设计和进行各种实验时常用的。
分别写出①②③装置的一种用途,并写出能用④⑤⑥⑦⑧装置分别进行的两个实验。
7.(2001·厦门)在“氧气的制取和性质”实验课中,某同学取一段纱窗网上的细铁丝,在自己收集到的氧气中做“铁丝在氧气中燃烧”的实验。
结果没有观察到“火星四射”的现象,请分析此实验失败的一种可能原因:。
8.(2004·长沙)试管是化学实验中最常用的仪器,试根据图示写出试管在初中化学实验中的功用,并各举一例。
9.(2004·南京)现有下图所示的实验装置:1)写出图中指定仪器的名称:①;②;③;④。
(2)A装置可用于(填一个具体实验名称,下同) 的实验。
B装置可用于的实验。
、CuO、Fe粉3种物质,请设计两种制取铜的实验方案。
填写下表:(4)用水、生石灰、碳酸钠制取固体NaOH,应选用装置(填字母代号) 。
10、(2004·新疆)下图是实验室制取氧气的实验装置图,按下列要求填写内容。
(1)写出标号仪器的名称:①;②;③。
(2)制气前检验装置气密性的方法是。
(3)写出在实验中除加热和正确使用酒精灯之外的两条导致实验失败或影响结果的注意事项:①;②。
(4)在用分解氯酸钾制氧气时,若氧气收集的速度很缓慢,其原因可能是(写两条):①;②。
(5)写出实验室制氧气的一个化学方程式:重要气体的性质、制取、鉴别、除杂、推断(2)例1 (2005·黄冈)室验室开放日,我与小娜、小佳、小华、小丽等同学来到实验室,看到实验桌上摆放着四瓶无标签的试剂,分别是两瓶固体和两瓶液体,我们决定对“固体与液体”之间的反应进行一系列探究。
(1)小娜同学从一瓶固体和一瓶液体中各取少量试剂于试管中进行混合,立即产生了一种无色气体,对气体是何物质,同学们进行了大胆的猜想,小佳同学的猜想可能是① ;② ….(3)小华想用下图给定的收集装置收集一瓶小佳同学猜想②中的气体,则气体由 (填“a ”或“b ”)端进入。
(4)小丽同学从另外两瓶试剂中各取少量试剂于试管中,发现混合后,固体发生了变化,但无气泡放出。
同学们对加入试管中的固体和液体从不同的反应类型、物质类别等方面进行了大胆的猜想:猜想一: ;猜想二: ;猜想三: ;例2 (2005.上海)某气体X 可能是由H 2、CO 、C02中的一种或两种组成,为了解其组成情况,某同学设计了如下装置进行实验。
请根据下表中对可能出现的实验现象的描述,推测气体x 的组成情况,并写出有关的化学方若b 口导出的气体中还含有部分CO 气体,应采取的措施是 。
例3 (2005·无锡)A 、B 、C 、D 、E 为初中化学中常见的物质,其中A 、C 、E 为单质。
它们之间在一定条件下的转化关系如下图所示。
小明、小红和小亮在推断A-E 为何种物质时提出了不同的意见:(1)小明认为A 可以是气体,则C 为①,Ⅱ的化学方程式为 ②;(2)小红认为A也可以是非金属固体,则E为③,I的化学方程式为④;(3)小亮认为A还可以是金屑固体,则I的化学方程式为⑤。
例4 (2004·常德)为保证长时间潜航,在潜水艇里要配备氧气发生装置,有以下几种制氧气的方法:①加热高锰酸钾;②电解水;③在常温下过氧化钠固体(Na202)与二氧化碳反应生成碳酸钠和氧气。
(1)写出方法③的化学方程式(2)你认为最适合在潜水艇里制氧气的方法是(填序号) ,与其他两种方法相比,这种方法的优点是。
例5 (2004·贵阳)据报道,从2005年1月1日起,贵州省各地环保部门将对实验室类污染实施严格的环境监管。
由于学校化学实验室要排放成分复杂的污染物,所以也被列为环境监管范围。
某校化学兴趣小组的同学在甲实验室中进行了氧气分别与碳、硫、铁反应的实验后,为了解该实验产生的气体对空气成分造成的影响,接着设计了如下实验装置进行实验(图中多孔球池的作用是:增大气体与溶液的接触面积,使反应充分进行)。
请回答下列问题:(1)实验在没有受污染的乙实验室中进行,取出适量的甲实验室中空气样品的方法是.(2)将取得的空气样品按上图所示的装置进行实验测定。
装置A的作用是,其中发生反应的化学方程式为、;装置B中的现象是;装置C的作用是。
(3)若通入空气样品100mL,实验结束后,量筒中液体的体积为99mL(导管内液体忽略不计),说明装置中吸收了1mL气体。
若这些气体大量排放到空气中,因产生,会对环境造成不利影响。
(4)请写出你在做化学实验时,减少实验对环境污染的一种做法。
例6 现有如下气体检验、吸收、转化、除杂、干燥装置:请将下列实验所需仪器的序号按气体通过的顺序依次填写在横线上,并在各序号后分别用括号填写该仪器所装药品的名称(仪器可反复使用,假设每步反应完全):(1)证明CO中含C02并防止CO污染空气,将C02转化成CO ,吸收除去CO中的CO2,除去C02中含有的少量CO 。
(2)除去空气中的CO2、H2O、O2。
(3)锌与盐酸反应生成的氢气中常混有少量氯化氢和水蒸气等杂质。
若要证明并除去杂质得到纯净干燥的H2,应将气体依次通过。
(4)用含HCl气体和水蒸气的氢气还原某种铜的氧化物,并进行有关称量,以测定这种铜的氧化物的组成和水的组成,为防止杂质干扰,应选。
(5)水煤气主要含CO和H2,还含C02和水蒸气。
证明水煤气中含CO和H2,应选。
1.(2005·徐州)为了研究C02的性质,需要制取并收集干燥的C02气体。