工艺管道管壁厚对照表
- 格式:doc
- 大小:60.01 KB
- 文档页数:2
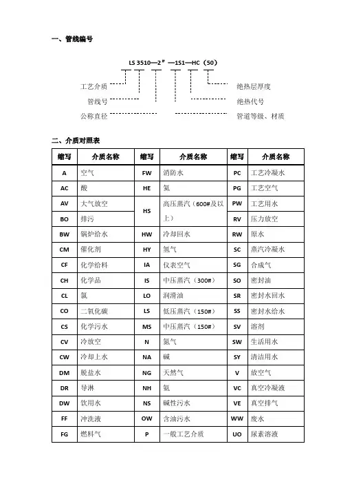
一、管线编号LS 3510—2″—1S1—HC (50)工艺介质绝热层厚度 管线号 绝热代号 公称直径 管道等级、材质二、介质对照表三、管道等级四、各等级管道适用范围五、绝热代号六、缩写词说明七、管道壁厚系列表(见表1)八、管道空视图常用缩略语九、管道材料色标十、焊材选用表十一、KBR垫片代号4 D F 1垫片结构类型,见表1 垫片填充材料,见表4垫片厚度,见表2 垫片基本材料或夹套材料,见表3查表1至表4,4DF1规定的垫片为:非石棉填充平环金属缠绕垫,基本材料为18Cr-8Ni不锈钢带,碳钢定位环,用于突台平面法兰,尺寸按ASME 。
表1 第一个代号垫片结构类型和垫片尺寸标准表2 第二个代号—垫片厚度表 3 第三个代号—垫片基本材料或夹套材料表4 第四个代号—垫片填充材料表 5 – KBR垫片代号实例说明十二、KBR螺栓代号B B8螺栓型式,见表1 KBR螺栓类型,见表2上例表示为单头螺栓,材料为非稳定的18Cr-Ni AISI 304SS。
螺栓型式前缀代码规定见表1。
KBR螺栓类型及其材料尺寸规范和适用于各种类型螺栓的螺母及其材料尺寸规范见表2。
表1 螺栓型式前缀代码表 2 材料规范十三、管道试压盲板试压用插入式盲板最小厚度(毫米)十四、支管连接规定十五、管道基本识别色十六、管道焊缝检验等级表注:Ⅲ类碳钢焊缝为氩弧打底、壁厚小于32mm或坡口钝边由机械加工时均按25%比例抽查,否则按100%检验。
25%检查时如发现不合格缺陷,则加照同规格焊缝3张。
如经KBR书面同意,可用超声波检测代替X射线检测。
当焊缝表面条件适合时,磁粉探伤可用渗透探伤代替。
支管焊缝包括主管与加强板的焊缝、支管与加强板的焊缝及主管与支管的焊接焊缝,但不包括对接焊缝和法兰焊缝。
螺纹联接的密封焊视为承插焊。
如果整条焊缝均已进行X射线检测,则不再进行磁粉或渗透探伤。
常用管件产品重量/体积表使用说明1本表的管件重量依据ASME B16.9/ASME B16.11等相关规范使用的外径和壁厚进行计算,计算中适当考虑了工艺选料和制造情况对产品重量的影响(如厚度补偿);故此表所列重量为单件产品的近似净重,供参考。
表格中管表号带S的为不锈钢管件重量,其余为碳钢重量;在查阅不锈钢管件重量时应注意同一管表号的壁厚值碳钢与不锈钢可能不同。
2 90°弯头重量计算公式:W=9.685*10-6R(D2-d2)式中:W — 90°弯头重量,kg;R —弯头的曲率半径(结构尺寸),mm;D —弯头外径,mm;d —弯头内径,mm。
弯头重量公式中采用碳钢比重,即7.85kg/dm3计算。
45°、180°弯头的重量分别按90°弯头重量的1/2和2倍计算。
3钢管重量计算公式:W=0.02466T(D-T)式中:W —钢管每米长度的重量,kg/m;T —钢管壁厚,mm;D —钢管外径,mm。
钢管重量公式中采用碳钢比重,即7.85kg/dm3计算;奥氏体不锈钢管的重量为上式重量的1.015倍。
4对焊管件的重量表中列出的为常用规格的重量,对于未列入表中的同一公称通径、不同壁厚的产品重量,可用估算公式进行重量的大致估算:Q=Wt/T式中:Q —估算的对焊管件重量,kg;W —表中同一公称通径已列出壁厚的产品重量,kg;t —估算的对焊管件的产品壁厚值,mm;T —表中同一公称通径已列出壁厚的产品壁厚值,mm。
5本表所列体积为单件产品外部轮廓体积并考虑了装箱时所占的空间,即表中所示的近似体积为单件产品所占包装物的近似体积,供参考;使用时应注意套装时体积的计算以及小件产品体积是否需要考虑等因素。
附录A钢管的壁厚和每米重量A1 碳钢,合金钢管的壁厚 (ASME B36.10M)公称通径外径公称壁厚 TDN NPS D Sch10 Sch20 Sch30 STD Sch40 Sch60 XS Sch80Sch100 Sch120Sch140Sch160XXS6 1/8 10.3 1.24 - 1.45 1.73 1.73 - 2.41 2.41 - - - - - 8 1/4 13.7 1.65 - 1.85 2.24 2.24 - 3.02 3.02 - - - - - 10 3/8 17.1 1.65 - 1.85 2.31 2.31 - 3.20 3.20 - - - - - 15 1/2 21.3 2.11 - 2.41 2.77 2.77 - 3.73 3.73 - - - 4.78 7.47 20 3/4 26.7 2.11 - 2.41 2.87 2.87 - 3.91 3.91 - - - 5.56 7.82 25 1 33.4 2.77 - 2.90 3.38 3.38 - 4.55 4.55 - - - 6.35 9.09 32 11/4 42.2 2.77 - 2.97 3.56 3.56 - 4.85 4.85 - - - 6.35 9.70 40 11/2 48.3 2.77 - 3.18 3.68 3.68 - 5.08 5.08 - - - 7.14 10.15 50 2 60.3 2.77 - 3.18 3.91 3.91 - 5.54 5.54 - - - 8.74 11.07 65 21/2 73.0 3.05 - 4.78 5.16 5.16 - 7.01 7.01 - - - 9.53 14.02 80 3 88.9 3.05 - 4.78 5.49 5.49 - 7.62 7.62 - - - 11.13 15.24 90 31/2 101.6 3.05 - 4.78 5.74 5.74 - 8.08 8.08 - - - - - 100 4 114.3 3.05 - 4.78 6.02 6.02 - 8.56 8.56 - 11.13 - 13.49 17.12 125 5 141.3 3.40 - - 6.55 6.55 - 9.53 9.53 - 12.70 - 15.88 19.05 150 6 168.3 3.40 - - 7.11 7.11 - 10.97 10.97 - 14.27 - 18.26 21.95 200 8 219.1 3.76 6.35 7.04 8.18 8.18 10.31 12.70 12.7 15.09 18.26 20.62 23.01 22.23 250 10 273.0 4.19 6.35 7.80 9.27 9.27 12.70 12.70 15.09 18.26 21.44 25.40 28.58 25.40 300 12 323.9 4.57 6.35 8.38 9.53 10.31 14.27 12.70 17.48 21.44 25.40 28.58 33.32 25.40 350 14 355.6 6.35 7.92 9.53 9.53 11.13 15.09 12.70 19.05 23.83 27.79 31.75 35.71 - 400 16 406.4 6.35 7.92 9.53 9.53 12.70 16.66 12.70 21.44 26.19 30.96 36.53 40.49 - 450 18 457.0 6.35 7.92 11.13 9.53 14.27 19.05 12.70 23.83 29.36 34.93 39.67 45.24 - 500 20 508 6.35 9.53 12.70 9.53 15.09 20.62 12.70 26.19 32.54 38.10 44.45 50.01 - 550 22 559 6.35 9.53 12.70 9.53 - 22.23 12.70 28.56 34.93 41.28 47.63 53.98 - 600 24 610 6.35 9.53 14.27 9.53 17.48 24.61 12.70 30.96 38.89 46.02 52.37 59.54 - 650 26 660 7.92 12.70 - 9.53 - - 12.70 - - - - - - 700 28 711 7.92 12.70 15.88 9.53 - - 12.70 - - - - - - 750 30 762 7.92 12.70 15.88 9.53 - - 12.70 - - - - - - 800 32 813 7.92 12.70 15.88 9.53 17.48 - 12.70 - - - - - - 850 34 864 7.92 12.70 15.88 9.53 17.48 - 12.70 - - - - - - 900 36 914 7.92 12.70 15.88 9.53 19.05 - 12.70 - - - - - - 950 38 965 - - - 9.53 - - 12.70 - - - - - - 1000 40 1016 - - - 9.53 - - 12.70 - - - - - - 1050 42 1067 - - - 9.53 - - 12.70 - - - - - - 1100 44 1118 - - - 9.53 - - 12.70 - - - - - - 1150 46 1168 - - - 9.53 - - 12.70 - - - - - - 1200 48 1219 - - - 9.53 - - 12.70 - - - - - -公称通径外径每米重量 kg/mDN NPS D Sch10 Sch20 Sch30 STD Sch40 Sch60 XS Sch80Sch100 Sch120Sch140Sch160XXS6 1/8 10.3 0.28 - 0.32 0.37 0.37 - 0.47 0.47 - - - - -8 1/4 13.7 0.49 - 0.54 0.63 0.63 - 0.80 0.80 - - - - -10 3/8 17.1 0.63 - 0.70 0.84 0.84 - 1.10 1.10 - - - - -15 1/2 21.3 1.00 - 1.12 1.27 1.27 - 1.62 1.62 - - - 1.95 2.5520 3/4 26.7 1.28 - 1.44 1.69 1.69 - 2.20 2.20 - - - 1.90 3.6425 1 33.4 2.09 - 2.18 2.50 2.50 - 3.24 3.24 - - - 4.24 5.4532 11/4 42.2 2.70 - 2.87 3.39 3.39 - 4.47 4.47 - - - 5.16 7.7740 11/2 48.3 3.11 - 3.53 4.05 4.05 - 5.41 5.41 - - - 7.25 9.5650 2 60.3 3.93 - 4.48 5.44 5.44 - 7.48 7.48 - - - 11.11 13.4465 21/2 73.0 5.26 - 8.04 8.63 8.63 - 11.41 11.41 - - - 14.92 20.3980 3 88.9 6.45 - 9.92 11.29 11.29 - 15.72 15.72 - - - 21.35 27.6890 31/2 101.6 7.40 - 11.41 13.57 13.57 - 18.63 18.63 - - - - -100 4 114.3 8.36 - 12.91 16.07 16.07 - 22.32 22.32 - 28.32 - 33.54 41.03 125 5 141.3 11.57 - - 21.77 21.77 - 30.97 30.97 - 40.28 - 49.11 57.43 150 6 168.3 13.48 - - 28.26 28.26 - 42.56 42.56 - 54.20 - 67.56 79.22 200 8 219.1 19.96 33.31 36.81 42.55 42.55 53.08 64.64 64.64 75.92 90.44 100.9 111.3 107.9 250 10 273.0 27.78 41.77 51.03 60.31 60.31 81.55 81.55 96.01 114.8 133.1 155.2 172.3 155.2 300 12 323.9 36.00 49.73 65.20 73.88 79.73 109.0 97.46 132.1 159.9 187.0 208.1 238.8 187.0 350 14 355.6 54.69 67.90 81.33 81.33 94.55 126.7 107.4 158.1 195.0 224.7 253.6 281.7 - 400 16 406.4 62.64 77.83 93.27 93.27 123.3 160.1 123.3 203.5 245.6 286.7 333.2 365.4 - 450 18 457.0 70.57 87.71 122.4 105.2 155.8 205.7 139.2 254.6 309.6 363.6 408.3 459.4 - 500 20 508 78.55 117.2 155.1 117.2 183.4 247.8 155.1 311.2 381.5 441.5 508.1 564.8 - 550 22 559 86.54 129.1 171.1 129.1 - 294.3 171.1 373.8 451.4 527.0 611.6 672.3 - 600 24 610 94.53 141.1 209.6 141.1 255.4 355.3 187.1 442.1 547.7 640.0 720.2 808.2 - 650 26 660 127.4 202.7 - 152.9 - - 202.7 - - - - - - 700 28 711 137.3 218.7 271.2 164.9 - - 218.7 - - - - - - 750 30 762 147.3 234.7 292.2 176.8 - - 234.7 - - - - - - 800 32 813 157.2 250.6 312.2 188.8 342.9 - 250.6 - - - - - - 850 34 864 167.2 266.6 332.1 200.3 364.9 - 266.6 - - - - - - 900 36 914 177.0 282.3 351.7 212.6 420.4 - 282.3 - - - - - - 950 38 965 - - - 224.5 - - 298.2 - - - - - - 1000 40 1016 - - - 236.5 - - 314.2 - - - - - - 1050 42 1067 - - - 248.5 - - 330.2 - - - - - - 1100 44 1118 - - - 261.5 - - 346.2 - - - - - - 1150 46 1168 - - - 272.3 - - 351.8 - - - - - - 1200 48 1219 - - - 284.2 - - 377.8 - - - - - -A3 不锈钢管的壁厚和每米重量(ASME B36.19M)公称通径外径Sch5s Sch10s Sch40s Sch80sDN NPS D T kg/m T kg/m T kg/m T kg/m 6 1/8 10.3 - - 1.24 0.28 1.73 0.37 2.41 0.47 8 1/4 13.7 - - 1.65 0.49 2.24 0.63 3.02 0.80 10 3/8 17.1 - - 1.65 0.63 2.31 0.84 3.20 1.10 15 1/2 21.3 1.65 0.80 2.11 1.00 2.77 1.27 3.73 1.62 20 3/4 26.7 1.65 1.03 2.11 1.28 2.87 1.69 3.91 2.20 25 1 33.4 1.65 1.30 2.77 2.09 3.38 2.50 4.55 3.24 32 11/442.2 1.65 1.65 2.77 2.70 3.56 3.39 4.85 4.47 40 11/248.3 1.65 1.91 2.77 3.11 3.68 4.05 5.08 5.41 50 2 60.3 1.65 2.40 2.77 3.93 3.91 5.44 5.54 7.48 65 21/273.0 2.11 3.69 3.05 5.26 5.16 8.63 7.01 11.41 80 3 88.9 2.11 4.51 3.05 6.45 5.49 11.29 7.62 15.27 90 31/2101.6 2.11 5.18 3.05 7.40 5.74 13.57 8.08 18.63 100 4 114.3 2.11 5.84 3.05 8.36 6.02 16.07 8.56 22.32 125 5 141.3 2.77 9.47 3.40 11.57 6.55 21.77 9.53 30.97 150 6 168.3 2.77 11.32 3.40 13.48 7.11 28.26 10.97 42.56 200 8 219.1 2.77 14.79 3.76 19.96 8.18 42.55 12.70 64.64 250 10 273.0 3.40 22.63 4.19 27.78 9.27 60.31 12.70 96.01 300 12 323.9 3.96 31.25 4.57 36.00 9.53 73.88 12.70 132.08 350 14 355.6 3.96 34.36 4.78 41.30 - - - - 400 16 406.4 4.19 41.56 4.78 47.29 - - - - 450 18 457.0 4.19 46.81 4.78 53.26 - - - - 500 20 508 4.78 59.25 5.54 68.61 - - - - 550 22 559 4.78 65.24 5.54 75.53 - - - - 600 24 610 5.54 82.47 6.35 94.45 - - - - 750 30 762 6.35 118.31 7.92 147.36 - - - -。
油气工程设计中钢管外径和壁厚的选用地面工艺设计所薛道才一、油气工程设计执行规范目前,国内的油气工程设计按其内容不同分别执行下列规范:1、《输气管道工程设计规范》GB502512、《输油管道工程设计规范》GB50253;3、《油气集输设计规范》GB50350;4、《城镇燃气设计规范》GB50028;5、《石油库设计规范》GB50074;6、《石油储备库设计规范》GB50737;7、《汽车加油加气站设计与施工规范》GB50156。
二、钢管规格和材料性能执行规范对于不同的油气工程设计,其工艺管道凡选用国产钢管的,其规格与材料性能应分别符合下述现行国家标准(详见附表1):1、《石油天然气工业管线输送系统用钢管》GB/T9711;2、《输送流体用无缝钢管》GB/T8163;3、《高压锅炉用无缝钢管》GB5310;4、《化肥设备用高压无缝钢管》GB6479;5、《低压流体输送用焊接钢管》GB/T3091。
三、钢管尺寸、外形、重量及允许偏差执行规范每一个钢管标准中分别规定了选择钢管尺寸、外形、重量的不同标准,共计有下列标准(详见附表1):1、《平端钢管(焊接、无缝)尺寸和单位长度重量表》ISO 42002、《焊接和无缝轧制钢管》ASME B36.10M3、《无缝钢管尺寸、外形、重量及允许偏差》GB/T173954、《焊接钢管尺寸及单位长度重量》GB/T21835四、碳钢钢管外径和壁厚的标准化数值汇总现将上述4个钢管尺寸、外形标准的外径和壁厚标准化数值汇总在一起(详见表2),供设计人员参考选用。
五、《石油天然气工业管线输送系统用钢管》GB/T9711中给定钢管外径和壁厚标准选用的讨论《石油天然气工业管线输送系统用钢管》GB/T9711-2011于2012年6月1日开始执行,但标准规范中取消了钢管外径、壁厚和重量的数据,钢管规定外径和规定壁厚的选用要求执行ISO 4200和ASME B36.10M标准,根据附表2中数据可以看出:1、《平端钢管(焊接、无缝)尺寸和单位长度重量表》ISO 4200的钢管外径系列和壁厚系列基本类同于《无缝钢管尺寸、外形、重量及允许偏差》GB/T17395和《焊接钢管尺寸及单位长度重量》GB/T21835。
根据GB50316-2000《工业金属管道设计规范》中金属管道组成件耐磨强度计算方法,计算我公司工艺气管线管壁厚度过程如下:
公式:T s=PD0/2([δ]t*Ej+PY)
T sd=Ts+C
C=C1+C2
公式中;T s——直管计算厚度(mm)
P——设计压力(MPa)
D0——管子外径(mm)
[δ]t——在设计温度下材料的许用应力(MPa)
Ej——焊接头系数
C——厚度附加量之和
C1——厚度减薄附加量,包括加工开槽和螺纹深度及材料厚度负偏差(mm)
C2——腐蚀或磨蚀附加量(mm)(忽略)
Y——系数
按表6.2.1查得Y系数为0.4
我们管道设计压力为27MPa,则P=27.5MPa
我们管子外径分别为φ6 、φ8 、φ22 、φ27
查GB150-1998 中表4-3(续)得0Cr18Ni9在150℃以下的许用应力为103MPa 则[δ]t=103
根据GB150-1998查得,我们φ6 与φ8管子无焊接工艺则焊接头系数Ej=100% ,我们φ22 和φ27管子有焊接工艺焊接后做局部
无损检测,则Ej=85%
带入值计算得;
φ6管道壁厚计算得T s=0.72368 mm
φ8管道壁厚计算得T s=0.96491 mm
φ22管道壁厚计算得T s=3.06950 mm
φ27管道壁厚计算得T s=3.76712 mm
根据刘工对不锈钢钢管检验得我们φ6的管道壁厚在0.8以上,故满足设计要求!验收应当按照GB/T 14976-2002《流体输送用不锈钢无缝钢管》标准验收,但是我们公司是按GB/T 8612-1999《结构用无缝钢管》标准采购钢管!据查,此标准里没有我们0Cr18Ni9牌号钢材标准!。
JDG管壁厚规格表参考
jdg管道的成本费高过一般管路,大多数用以基本建设当场综合布线系统系统软件、安全消防线等。
JDG管是替代PVC管和SC管等各种传统式电缆线导管的替代品,是建筑电气行业选用新型材料、新技术应用的一项开创性创新。
JDG管详细介绍:
JDG管别称紧定式镀锌铁导管。
该管采用优质冷轧带钢,通过高频焊机自动焊接成形,双面热镀锌维护;壁厚均匀,辊焊同心度高,具有三向接头公差,焊接小而圆,支管边缘光滑;截面变形小时采用辅助设施弯头。
JDG管依据管经,规格型号有16毫米,20毫米,25mm,32mm,40mm,
50毫米依据壁厚,规格型号壁厚1.6毫米左右差正负极0.15mm,防水套管管材壁厚1.6毫米,沒有容许偏差。
JDG连接方法:
(1)管与管的联接:先把导管与直三通接头插下去精准定位后,用紧定螺钉扳子不断扭紧那固定螺钉,直到拧断“脖子”。
(2)管与盒的联接:旋下外螺纹连接头的爪形螺帽并放置接线端子内腔面,用紧定螺钉扳子使爪形螺帽与六角螺母内外夹持接线端子。
再将导管与外螺纹连接头的另一端联接,其加工工艺作法同导管与直三通接头的联接。
标题:国标HDPE双壁波纹管外径及壁厚表一、概述HDPE双壁波纹管作为一种常见的排水管道,在市政工程及建筑工程中得到了广泛应用。
该类管道具有轻质、高强度、耐腐蚀、抗老化等特点,因此备受青睐。
而对于HDPE双壁波纹管的外径及壁厚规格了解对于相关工程设计和施工具有重要意义。
本文将主要介绍国家标准下HDPE双壁波纹管的外径及壁厚表。
二、HDPE双壁波纹管规格1. 外径表根据国家标准,HDPE双壁波纹管的外径分为SN4、SN8、SN10三类。
其中,SN4类管道的公称外径范围为200mm-1000mm;SN8类管道的公称外径范围为200mm-800mm;SN10类管道的公称外径范围为200mm-600mm。
2. 壁厚表HDPE双壁波纹管的壁厚则根据外径分类,在国家标准中也有详细的规定。
如以SN8类管道为例,其壁厚范围从4mm-6.5mm不等。
三、HDPE双壁波纹管应用HDPE双壁波纹管的应用范围非常广泛,包括市政排水工程、道路排水工程、城市公共设施等方面。
在这些领域,HDPE双壁波纹管以其耐腐蚀、耐磨损、抗老化等特点,为工程建设提供了可靠支撑。
四、HDPE双壁波纹管特点1. 轻质HDPE双壁波纹管由于采用高密度聚乙烯材料制成,因此具有较轻的重量。
这一特点在施工过程中大大减轻了劳动强度,提高了施工效率。
2. 高强度HDPE双壁波纹管在设计方面充分考虑到了管道的承载能力,具有较高的抗压性能,能够承受地下车辆荷载和地表车辆荷载,能够满足工程的要求。
3. 耐腐蚀该类管道材质的选择使其具有很好的耐腐蚀性能,能够抵御土壤中的化学腐蚀、微生物侵蚀等,延长了管道的使用寿命。
4. 抗老化HDPE双壁波纹管还具有良好的抗老化性能,能够在恶劣的环境中长期使用而不出现老化开裂的情况。
五、结语HDPE双壁波纹管的外径及壁厚表对于工程设计、选材及施工等方面起着至关重要的作用。
能够准确了解并遵循国家标准下的规格对于保障工程质量和安全具有重要意义。
附表工艺管道管子材质色标表————————————————————————————————作者:————————————————————————————————日期:附表1工艺管道管子材质色标表管子管件法兰色标1、碳素钢SA106-B(CS) SA105SA234-WPBSA105 绿色+红色20#(GB8163)20#(GB8163)20#无色20#(GB6479)(GB6479)黄色20#(GB8163)-高温油漆20#(GB8163)红色+黄色Q235(有缝钢管)黑色16Mn 16Mn 16MnD 红色2、不锈钢A312-TP304 A182-F304A403-WP304SA403-WP304-WXA182-F304无色(不做色标)A312-TP304L A182-F304LA403-WP304LSA403-WP304L-WXA182-F304L 红色A312-TP316 A182-F316A403-WP316SA403-WP316-WXA182-F316 黑色A312-TP316L A182-F316LA403-WP316LXA182-F316L 黄色0Cr18Ni9 0Cr18Ni9 0Cr18Ni9 白色00Cr19Ni10 00Cr19Ni10 00Cr19Ni10 中灰+红色0Cr17Ni14Mo2 0Cr17Ni14Mo2 中灰+黑色00Cr17Ni14Mo2 00Cr17Ni14Mo2 00Cr17Ni14Mo2 中灰+黄色3、其它0Cr25Ni20 0Cr25Ni20 0Cr25Ni20 兰色TA2 TA2 绿色附表2 工艺管道管材管件壁厚色标表序号壁厚色标1 SCH10和10S 无色2 SCH20和SCH20S 绿色3 SCH30 兰色4 SCH40和40S 无色5 SCH60 黑色6 SCH80和80S 黄色7 SCH100 红色8 SCH120 无色9 SCH140 紫色10 SCH160 棕色11 XS 白色12 XXS 无色备注:(1)如果壁厚不是采用管子表号(SCH)来表示,则应根据管子表号与壁厚的对照表,首先确定其管子表号。
管道的压力等级|标准管件的公称压力等级|壁厚等级管道压力等级前面已经提及,压力管道的组成件一般都是标准件,因此压力管道组成件的设计主要是其标准件的选用,管道压力等级的确定也就是其标准件等级的确定。
管道的压力等级包括两部分: 以公称压力表示的标准管件的公称压力等级;以壁厚等级表示的的标准管件的壁厚等级。
管道的压力等级:通常把管道中由标准管件的公称压力等级和壁厚等级共同确定的能反映管道承压特性的参数叫做管道的压力等级。
而习惯上为简化描述,常把管道中管件的公称压力等级叫做管道的压力等级。
压力等级的确定是压力管道设计的基础,也是设计的核心。
它是压力管道布置、压力管道应力校核的设计前提条件,也是影响压力管道基建投资和管道可靠性的重要因素。
5.1 设计条件工程上,工艺操作参数不宜直接作为压力管道的设计条件,要考虑工艺操作的波动、相连设备的影响、环境的影响等因素,而在工艺操作参数的基础上给出一定的安全裕量作为设计条件。
这里所说的设计条件主要是指设计压力和设计温度。
管道的设计压力:应不低于正常操作时,由内压(或外压)与温度构成的最苛刻条件下的压力。
最苛刻条件:是指导致管子及管道组成件最大壁厚或最高公称压力等级的条件。
设计压力确定:考虑介质的静液柱压力等因素的影响,设计压力一般应略高于由(或)外压与温度构成的最苛刻条件下的最高工作压力。
a. 一般情况下管道元件的设计压力确定一般情况下,为了操作上的方便,在此不妨采用压力容器的做法,即在相应工作压力的基础上增加一个裕度系数。
表5-1 一般情况下管道元件的设计压力确定b. 管道中有安全泄压装置时,管道中有安全泄压装置时预示着该管道在运行过程中有出现超出其正常操作压力的可能。
设置安全泄压装置(如安全阀、爆破片等)的目的,就是在系统中出现超出其正常操作压力的情况时,能将压力自动释放而使设备、管道等系统的硬件得到保护。
此时管道的设计压力应不低于安全泄压装置的设定压力。
c. 管道中有高扬程的泵对于高扬程的泵,尤其是往复泵,在开始启动的短时间内,往往会在第一道切断阀之前的管道和泵内产生一个较高的封闭压力,有时这个封闭压力会达到一个很大的值。
热力管道壁厚对照表及其应用一、引言随着现代工业的飞速发展,热力管道系统在各行各业中得到了广泛应用。
热力管道主要用于输送蒸汽、热水等介质,其安全性和稳定性对于保障工业生产和人民生活具有重要意义。
而管道的壁厚是影响其安全性能的关键因素之一。
本文将详细介绍热力管道壁厚对照表及其应用,以期提高热力管道系统的设计和使用水平。
二、热力管道壁厚的重要性热力管道的壁厚是影响其安全性能的主要因素。
如果管壁过薄,管道在承受内压、外压和温度等载荷时容易发生变形、破裂等安全事故。
因此,在设计热力管道时,必须根据管道的使用条件、介质性质、材料性能等因素,合理选择管道的壁厚。
三、热力管道壁厚对照表的制定为了便于工程设计和施工人员选择合适的管道壁厚,各国都制定了相应的热力管道壁厚对照表。
这些对照表通常根据管道的公称直径、工作压力、介质温度等因素,给出不同材料管道的推荐壁厚。
在制定热力管道壁厚对照表时,需要考虑以下因素:1. 材料的力学性能:不同材料的力学性能差异较大,因此在制定对照表时需要根据材料的强度、韧性等指标进行计算。
2. 管道的使用条件:管道的使用条件包括工作压力、介质温度、腐蚀性等因素,这些因素都会影响管道的安全性能。
3. 管道的连接方式:不同的连接方式(如焊接、法兰连接等)对管道的壁厚要求也不同,因此在制定对照表时需要考虑连接方式的影响。
4. 国家标准和行业规范:各国都制定了相应的标准和规范,对热力管道的壁厚提出了明确要求。
在制定对照表时需要遵循这些标准和规范。
四、热力管道壁厚对照表的应用在实际工程中,设计和施工人员可以根据热力管道壁厚对照表选择合适的管道壁厚。
具体应用步骤如下:1. 确定管道的使用条件:包括工作压力、介质温度、腐蚀性等因素。
2. 选择合适的材料:根据使用条件和材料性能选择合适的材料。
3. 查询热力管道壁厚对照表:根据所选材料的公称直径、工作压力等因素,查询对应的推荐壁厚。
4. 进行校核计算:根据所选材料和推荐壁厚,进行校核计算,确保管道的安全性能符合要求。