计量器具统计表
- 格式:doc
- 大小:106.50 KB
- 文档页数:8
计量器具登记表内容
计量器具登记表是企业或机构对于使用的各种计量器具进行管
理的一种记录表格,其内容应包括以下要素:
1. 计量器具名称:记录每个计量器具的名称、型号和规格。
2. 购置日期:记录每个计量器具的购买日期,以便掌握其使用年限。
3. 出厂编号和检定合格证书编号:记录每个计量器具的出厂编号和检定合格证书编号,以便在检定和维护时查找。
4. 用途:记录每个计量器具的具体用途。
5. 使用部门:记录每个计量器具所归属的使用部门。
6. 使用地点:记录每个计量器具所放置的具体位置。
7. 检定周期:记录每个计量器具的检定周期。
8. 检定日期:记录每次计量器具检定的日期和结果。
9. 维修保养情况:记录每个计量器具的维修保养情况,包括保养时间和维修情况等。
10. 报废日期:记录每个计量器具的报废日期,以便及时更换。
通过对计量器具登记表的管理,可以有效地控制计量器具的使用和维护,保障生产和质量的稳定性和可靠性。
附件
二
(准格尔旗)强检计量器具备案统计表
填表说明:1.行政区域:鄂尔多斯市准格尔旗 2.单位名称 、仪器名称 、安装部位/装置 、仪器型号、 仪器编号、 生产厂家、 准确度等级根据强检计量器具具体信息准确填报,填错不予备案。
3.强检类型 共有四类强检类型:贸易结算、 安全防护、 医疗卫生、 环境监测 ,根据具体情况填写
4.备案日期哪天备案填哪天
5.上次检定日期,根据上次检定证书检定日期填写,如果新的计量器具首次备案检定标注“新计量器具”
6.检定单位:根据上次检定证书检定单位填写,如果新的计量器具首次备案检定空下不填
7. 检定周期、联系人、电话根据具体情况填报。
3.强检类型 共有四类强检类型:贸易结算、 安全防护、 医疗卫生、 环境监测 ,根据具体情况填写
4.备案日期哪天备案填哪天
5.上次检定日期,根据上次检定证书检定日期填写,如果新的计量器具首次备案检定标注“新计量器具”
6.检定单位:根据上次检定证书检定单位填写,如果新的计量器具首次备案检定空下不填
7. 检定周期、联系人、电话根据具体情况填报。
计量器具登记表内容
计量器具登记表通常包括以下内容:
1. 登记单位:指使用和管理计量器具的单位名称。
2. 计量器具名称:指所使用的计量器具的名称。
3. 型号规格:指计量器具的型号、规格等详细信息。
4. 出厂编号:指计量器具在出厂时被赋予的唯一编号。
5. 检定日期:指计量器具上次检定的日期。
6. 检定有效期:指该计量器具检定合格的有效时间,到期后需要重新进行检定。
7. 使用地点:指该计量器具所使用的具体场所。
8. 使用部门/人员:指该计量器具的使用部门或人员名称。
9. 购置日期:指该计量器具购买使用的具体日期。
10. 购置价值:指该计量器具的购置金额。
11. 管理责任人:指该计量器具的管理责任人员名称。
12. 备注:通常用于记录计量器具的使用情况、维修记录、更新换代等相关信息。
以上是计量器具登记表中常见的内容,不同单位可能会根据自身实际情况添加或删除其中的一些内容。
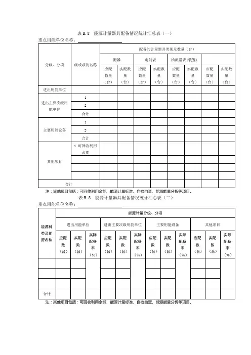
表B.8 能源计量器具配备情况统计汇总表(一)
注:其他项目包括:可回收利用余能、能源计量标准、自检自查、能源能量分析等项目。
表B.8 能源计量器具配备情况统计汇总表(二)
注:其他项目包括:可回收利用余能、能源计量标准、自检自查、能源能量分析等项目。
【说明】
该汇总表是重点用能单位对能源计量器具的配备率进行统计和汇总的表格。
表(一)中列出了级或项的名称,并按计量器具的种类统计和汇总各类计量器具的应配数量(台)、实配数量(台)等。
表(二)中列出了级或项的名称,并依据表(一)中各类计量器具的统计汇总结果,按能源的种类统计和汇总各种能源的计量器具应配数量(台)、实配数量(台)和实际配备率(%)。
表(一)中“级或项的名称”栏目中的“级”为分级计量的级,表中列出了进出用能单位、进出主要次级用能单位和主要用能设备三个层次,编制时填写各级的实际名称。
属于用能单位层次的则填写用能单位的名称或以“本单位”简称;属于主要次级用能单位层次的则填写主要次级用能单位的名称或简称,如某车间等;属于主要用能设备层次的则填写主要用能设备或用能单元的名称或简称,如炼钢电炉、某生产线、压缩空气站房等。
“级或项的名称”栏目中的“项”为分项计量的项,编制时填写各项的实际名称。
当分项计量无配备率要求时,可不计算配备率。
表中的“应配数”是指能源计量器具配备率公式中的理论需要量。
“实配数”是指能源计量器具配备率公式中的实际的安装配备数量。
填写该栏目时的数量要与能源计量器具一览表或相应的一览表分表一致。
5 能源计量器具准确度等级统计表的编制
能源计量器具准确度等级统计汇总表(可参见审查规范附录B中,表B.9)。