循环水加药预膜方案
- 格式:doc
- 大小:49.50 KB
- 文档页数:6
循环水系统的清洗预膜处理1、预膜目的新的冷却设备由于没有经过运行,设备内部一般比较干净,本清洗方案主要是除去设备在加工、储存或安装期间积集在设备金属表面的少量氧化物如铁锈和油脂;2、预膜剂组份主要由聚磷酸盐及锌盐组成,聚磷酸盐主要作为缓蚀剂使用,当加入适当的锌盐后并加大使用量,即可以阻止磷酸盐的水解又可以加快成膜的速度;膜的成分为:r-Fe2O3、磷酸铁络合物、磷酸锌和氢氧化锌;3、预膜原理聚磷酸盐是一种阴极缓蚀剂,聚磷酸盐分子吸附或与钙离子生成胶体的微粒,这些带电荷的微粒移动至阴极生成薄膜;当聚磷酸盐与Ca2+、Zn2+等金属离子共存时与水中的金属离子生成不溶性的金属盐,沉积物附着在金属表面上形成一层难溶的沉淀物或表面络合物,阻止金属腐蚀,起缓蚀膜的作用;此膜称为阴极沉淀膜;4、参数循环水量:5035m3/h总容水量:2800m3风吹损失:90m3/h补水量:205m3/h排污量:59.4m3/h5、具体操作步骤如下:1循环水系统水冲洗化学清洗工作开始前,应先打扫和清理管道、冷却水池以及冷却设备,然后向水池和循环水系统中充水,开泵进行循环冲洗、排放;假如冷却塔还加有回水旁路管,可以使回水不经塔进行清洗,以免污染物中大块儿颗粒堵塞冷却塔填料;另外,初期水冲洗循环水管道时,也应避免大的颗粒进入换热设备;有条件的话,安装旁路或就地排放一段时间;水冲洗至系统浊度不在上升为止,一次性放水或置换排放至系统浊度接近补充水浊度,即停止补排水操作,开始实施化学清洗工作;6、全系统化学清洗a调节系统保有水量适中,水的浊度<10mg/L循环量最大,关闭补、排水阀门;为保持化学清洗药剂浓度,化学清洗期间,尽量不实施补排水操作,除非水质浊度上升太高可考虑酌量置换水质;b整个化学清洗药剂用量均以系统水量约2800m3为计算依据;c清洗时为了节省药剂降低成本,可将循环水的水位降至最低,一次性投加AX-201清洗剂2000-2500kg,循环运行2-4小时,控制循环水PH在4左右;如果偏高,可适当投加硫酸调节;d清洗时间为6-8小时,也可根据现场实际情况而定;e运行过程中,定期测定浊度、总铁的变化,当循环水浊度逐渐下降,水中总铁含量不再继续升高时,表明系统的化学清洗处理可以结束;f清洗期间,尽可能提高循环水的流速,以便使清洗药剂与金属表面充分接触;g化学清洗处理后的循环水,必须在预膜之前全部排放掉;有条件的话,可以直接排放,重新充水;条件不许可,也可以进行大排大补,快速置换排放,排放时注意不要经过冷却塔的填料,以免洗涤下来的油污、粘泥以及各种混杂的碎片重新污染塔体;排放完毕,再用新鲜水冲洗冷却水系统,经过数次置换排放,使系统中残留的药剂浓度降至最低限度,并使循环水浊度<15mg/L,总铁<1.5mg/L,即可停止换水,关闭补排水阀门,调节系统保有水量适中,可以考虑对系统实施全系统预膜处理;7、全系统预膜处理循环冷却水系统的预膜,必须是在系统经过彻底化学清洗之后进行,这样更能使防护膜均匀致密,附着牢固,发挥较好的缓蚀效果;循环水系统预膜对水质及设备有严格的要求,经过清洗后的循环水系统,应当尽快进行预膜处理;如果清洗处理后的设备暴露在空气中较长时间,金属表面会产生新的浮锈,对预膜不利;全系统预膜处理程序一般包括以下几个步骤,分述如下:1为了确保预膜效果要求水的浊度<15mg/L,总铁<1.5mg/L;控制循环水的流速,流速过大会对设备产生冲刷腐蚀,流速过小,又会影响预膜剂的扩散速度,不利于成膜,也影响成膜的均匀性,故一般控制循环水流速在0.5-3.0m/s之内;2循环水的PH保持在6.0-7.0,钙离子浓度保持在>40mg/L;3预膜水合格后,调节循环水系统的保有水量,可适当降低水位,以便节省药剂,关闭系统的补、排水阀门,启动循环泵,巡检设备无异常后,即可投加预膜剂开始预膜;4向循环水投加AX-316预膜剂A约1000kg,循环2小时后加入预膜剂B500kg,然后加硫酸调PH在5.5-6.5,4-8小时后将剩余的预膜剂A及B全部加入,开始要严格控制PH,6小时以后可维持自然PH;5预膜运行中,随时监测预膜液的总磷值,当总磷分析值低于15mg/L时,应追加预膜剂;6预膜时间一般控制在36-48小时,预膜结束后,大排大补,置换排放;7正常运行后,系统正常投加AX-322缓蚀阻垢剂;8、系统用药量。
冷却循环水预处理(预膜)方案一、预处理的目的良好的预处理和冷却水系统的开工对处理方案的成功非常重要。
所有的冷却水系统应在开工前清洗并预膜,一个良好的预处理方案可以带来以下好处: •延长设备寿命,附着在金属表面的钝化膜使闪蚀降低至最低程度并使缓蚀剂均匀分布在系统内表面。
•通过使油污和其它一些污染物清除来使生产能力得到最大程度的发挥。
在清洗和预膜阶段需要分析清洗预膜控制指标,包括铁离子、磷酸盐、pH 值和钙离子等。
并通过监测挂片效果和水质等方法来判断预膜的工作进程。
二、预处理程序系统清洗预膜过程步骤如下:1,系统冲洗 第一步:人工清扫在确认循环水系统各管线已经连通后,对冷却水塔进行彻底清理。
如有可能,进入地下管道进行清理,尽可能将一些杂质物用机械的方法清理干净。
如果地下管道进行封水保护,则不必要冲洗。
第二步:系统水冲洗清洗清洗主要是去除系统内的泥沙、杂质及金属表面的污垢及大部分浮锈,为后续的化学清洗和预膜及后续运行提高良好的条件。
首次冲洗1. 在人工清理后,开始系统注水,至90%~100%水池高液位。
2.对于精密的仪表可以考虑暂时不安装。
3.安装临时旁通或隔开换热器,开启循环泵,达到正常运行时所需循环量,开始运行。
4.循环水回水禁止返塔,以防止大量的泥沙在填料中沉积。
5.在系统循环期间,检查是否有泄漏点,并做好标识在系统排水后进行消漏。
6.四小时检测一次回水的浊度,当浊度不再明显上升时,排空系统内所有的水。
再次冲洗1.首次冲洗时发现的漏点捕捉完毕。
2.清除冷却水水塔塔盘内所有杂物并确保冷却塔上方分布水孔的畅通。
必要时可使用高压水枪清洗冷却塔塔盘。
3.将水塔的水加至90%~100%水池高液位。
4.开启循环泵,达到正常运行时所需循环量5.系统开始再次冲洗。
开始循环时将通过旁通,水不过换热器,如果水质条件较好,则开始将水通过换热器,对换热器进行冲洗。
6. 运行4小时后,4小时/次检测回水的浊度,当浊度不再明显上升时,开启最大排污量,开始置换。
循环水清洗预膜及正常加药方案一、循环水清洗循环水清洗是指将水通过循环系统中的管道、设备和容器进行清洗,以去除其中的杂质和污染物。
清洗循环水的目的是保持系统的良好工作状态,提高设备的效率和寿命,并确保生产过程中的产品质量。
以下是循环水清洗的步骤和注意事项:1.准备工作在清洗循环水之前,首先要准备好所需的工具和材料,包括清洗剂、水源、清洗设备等。
2.关闭系统在清洗之前,需要先关闭循环系统的阀门、泵等设备,确保系统处于停止运行状态。
3.排空水将循环系统中的残余水排空,可以通过打开系统的排污阀门来完成。
4.清洗循环水将清洗剂加入循环系统中,并通过泵将清洗剂推送到所有的管道、设备和容器中。
根据不同的清洗需求,可以采用机械清洗、化学清洗或者热水清洗的方法。
5.冲洗在清洗循环水之后,需要进行冲洗的操作。
冲洗的目的是将清洗剂和残留的污染物彻底冲洗掉,使系统完全恢复清洁。
6.恢复运行在循环水清洗完成后,可以重新开启系统,并检查系统的运行状态,确保一切正常。
二、预膜预膜是指在循环水系统中形成一个保护层,以防止管道、设备和容器表面出现腐蚀、结垢等问题。
以下是预膜的步骤和注意事项:1.选择预膜剂根据循环水系统的材质和水质特点,选择适合的预膜剂。
常用的预膜剂有磷酸盐类、硅酸盐类、聚合物类等。
2.加入预膜剂将选好的预膜剂加入循环水系统中,并通过泵进行充分搅拌,确保预膜剂均匀分散在整个系统中。
3.循环运行预膜剂在循环水系统中的作用需要一定的时间才能发挥出来,因此需要将系统进行长时间的循环运行,通常为24小时以上。
4.检查效果预膜剂发挥作用后,可以通过检查系统表面的膜层厚度、管道的清洁程度等来评估预膜效果。
5.维护预膜为了保持预膜的效果,需要定期检查和维护循环水系统,及时清除污垢、调整水质等。
正常加药是指根据循环水系统的需求,对水进行添加药剂的操作,以保证系统正常运行和产品质量。
以下是正常加药的方案和注意事项:1.水质分析加药前需要对水质进行分析,了解水中的PH值、硬度、浊度、含氧量等参数,以确定所需的药剂种类和用量。
循环水清洗、预膜及正常加药方案一、系统概况系统循环水量:Q=4500m3/h冷却水池、管网及系统容积:V=2200m3冷却水温差△t=6~10℃系统材质:碳钢、不锈钢、铜等蒸发水量:E=(4500×10℃)/570=47.3m3/h风吹损失:D=4500×0.5%=22.5m3/h补充水量:M=47.3+22.5=69.8m3/h补充水质:PH:6.8 浊度:2.22ppm 电导率:6.1us/mm 硬度:10.56ppm,总碱度:0.16mmol/l总铁:0.01ppm氯离子:2.82ppm 浓缩倍数:K>3二、系统清洗1、水冲洗水冲洗主要是针对新建或改建的循环水系统,故新建的1500m3/h的循环水装置必须进行水冲洗,考虑到原装置很长时间也进行清洗,故本方案建议将车间内所有循环水装置一并进行水冲洗。
水冲洗的方法是在循环水全循环之前,组织人员将循环水池以及凉水塔中可以清理的地方进行清理,清理完成后开补充水将循环水水池灌满,开足循环水泵进行水循环,同时测定水中的浊度,当水中的浊度几个小时保持基本不变时即可停泵排水或进行水置换,在清洗过程中应注意如下问题:1)水流速度大于1.0m/s。
2)整个水冲洗过程中应将所有管道阀门打开到最大位置。
3)若清洗过程中发现水池中以及系统中较脏,可以一边排放,一边补水进行置换处理,也可以采取停机排放再补水冲洗的方法。
2、化学清洗:1)化学清洗的目的:由于设备在运行过程中会存在一些污垢油污、浮锈、粘泥等杂质,所有这些在今后正常运行中都会影响传热效果。
新上的系统中还含有未被冲洗掉的泥沙和浮锈。
清洗的目的,就是采用某一种或多种方法,去除系统中的这些杂质,使金属表面达到净化,以确保水处理预膜的效果和药剂的正常使用。
2)方法:由于原循环水装置已投运多年,所以在化学清洗前半天应先投加200kg次氯酸钠先进行杀菌处理,第二天在循环水运转正常时,在水池(水池液位根据实际情况控制在2m以下)中投加清洗剂和缓蚀剂,控制好各项指标即可。
塔化循环水清洗预膜方案一、系统现状由于前期循环水频繁出现介质泄漏,引起细菌繁殖、水中存在大量油泥,从而加剧了系统的腐蚀和结垢,所以,为了装置的平稳运行,决定对循环水系统进行一次彻底的清洗、预膜。
二、操作条件①清洗前对循环水系统进行漏点检查及处理,确保系统不漏;②清洗过程中系统不得排污,不得有溢流和串水现象发生(形成封闭系统);③清洗过程中风机停用。
三、实施步骤①剥离:由于系统存在大量粘泥,所以首先进行分批次冲击式剥离。
具体操作如下:首次投加0.5吨SS-533-YX粘泥剥离剂,加药一小时后观察水中浊度和水面油沫情况,若水面泡沫很多而且不脏,同时浊度不出现明显上升,则运行12小时后进行水质置换即直接转入第二步清洗;若水面出现大量黄褐色或灰黑色油沫,说明系统仍存在大量油泥,则需要再次投加0.5吨SS-533-YX粘泥剥离剂进行剥离,观察水中浊度和水面油沫情况,若有必要可第三次投加0.5吨SS-533-YX粘泥剥离剂进行剥离。
运行约12小时后进行置换、污水排放,当循环水浊度≤20mg/l时,停止换水,转入下一步操作。
②清洗:清洗主要是洗去设备表面的水垢、锈垢和油垢。
首次加入QX-212-YX固体清洗剂1.5吨,观察水面及各项分析数据,若PH 大于5.0则继续投加QX-212-YX固体清洗剂(每次0.5吨),控制PH 在4.0~5.0之间至少四小时以上后进行置换,污水排放,当循环水浊度≤20mg/l时,停止换水加入QX-212-YX液体清洗剂1.5吨,若泡沫较多可视情况酌量加入消泡剂。
观察各项分析指标,若浊度持续上升同时水面较脏,则再次投加QX-212-YX液体清洗剂0.5吨.系统运行约12小时后,大量置换水质、排污。
③预膜:当换水至系统浊度低于15.0mg/l并持续4小时以上不再明显上升时,开始预膜。
一次性投加YM-511-YX预膜剂1.5吨。
当总磷降到4.0mg/l时,转入日常水处理。
四、分析监测清洗预膜过程中的监测项目及频次如下:五、药剂准备清洗预膜前应与库房对接查看是否准备有足够的药剂,不足部分尽快采购:(1) SS-533-YX粘泥剥离剂2吨(2)QX-212-YX固体清洗剂4吨(3)QX-212-YX液体清洗剂2吨(4)YM-511-YX预膜剂2吨。
循环冷却水系统清洗、预膜、加药操作规程根据循环冷却水系统水量、平衡参数、水质,自然条件,确一、清洗新老系统运行前,由于设备表面及过水管道内存在着大量的油污杂质,粘泥等,为了清洁设备表面,给预膜造就一个良好而光洁的金属表面,必须对设备进行清洗处理。
1、选用药剂,选用仙桃水质稳定剂厂生产的WT—301清洗剂2、使用浓度:根据水质实验报告确定使用浓度1000PPm。
3、投加方法:一次性加入4、运行时间:8—10小时5、清洗过程为不停车清洗6、各系统清洗药剂耗量(1)系统1(V1+M1X10)*1000PPmX1=1000(200+16*100)*1000PPmX1=1000=360Kg式中:X1—WT—301清洗剂耗量,Kg V1 —系统贮水量 m3M1 —系统补水量 m3/h (2) 系统2(V2+M2X10)*1000PPmX2=1000(200+15.2*100)*1000PPmX2=1000=352Kg式中:X2—WT—301清洗剂耗量,Kg V2 —系统贮水量 m3M2 —系统补水量 m3/h (3). 系统3(V3+M3X10)*1000PPmX3=1000(200+17.5*100)*1000PPm X3=1000=375Kg式中:X3—WT—301清洗剂耗量,Kg V3 —系统贮水量 m3M3 —系统补水量 m3/h (4). 系统4(V4+M4X10)*1000PPmX4=1000(200+16*100)*1000PPmX3=1000=360Kg式中:X4—WT—301清洗剂耗量,KgV4 —系统贮水量 m3M4 —系统补水量 m3/h7.操作方法及终点判定控制PH值在4.5—5.5之间,将清洗液一次性加入系统中,系统正常运行后,每隔一小时监测一次PH值及浊度,根据浊度变化曲线,浊度不再上升时表明清洗结束,更换清洗液,准备预膜。
三、预膜预膜是投加一种化学药剂,使之与水中的某种离子螯合,并吸附在金属表面,使水与金属隔开,保护金属设备不受水的侵蚀,提高设备的缓蚀能力。
循环水预膜方案引言:循环水预膜是一种用于水处理系统的技术,主要目的是减少水中悬浮物和颗粒物的含量,从而提高水质和保护设备。
本文将详细介绍循环水预膜方案的原理、应用领域和优势,并提供一种基于膜过滤的循环水预膜方案。
一、循环水预膜方案的原理循环水预膜是通过在水处理系统中使用膜过滤技术来实现的。
膜过滤可以根据不同的孔径大小选择不同的膜滤材料,如微滤膜、超滤膜等。
循环水预膜方案的原理主要包括以下几个步骤:1. 水处理系统中的循环水首先通过预处理设备,如沉淀池、格栅等,去除较大的悬浮物和颗粒物。
2. 经过预处理后的循环水进入膜过滤装置,膜过滤装置中的膜滤材料具有特定的孔径大小,能够过滤掉水中的微小颗粒物和悬浮物。
3. 过滤后的水通过膜过滤装置的出水口,进入循环水系统中,循环使用。
二、循环水预膜方案的应用领域循环水预膜方案广泛应用于各个行业的水处理系统中,特别是适用于循环水系统中悬浮物和颗粒物含量较高的场合,如以下几个领域:1. 工业生产:循环水预膜方案可应用于电力、石化、制药、纺织等行业的循环水系统中,可以有效去除水中的污染物,保护设备的正常运行。
2. 建筑工程:循环水预膜方案可应用于冷却塔、泵站等循环水系统,减少水中颗粒物的含量,提高水质。
3. 农业灌溉:循环水预膜方案可应用于农田灌溉系统中,去除水中的杂质,保证灌溉水的质量,提高作物产量。
三、循环水预膜方案的优势循环水预膜方案相比传统水处理方法具有以下几个优势:1. 高效性能:循环水预膜方案可以高效去除水中的微小颗粒物和悬浮物,提高水质。
膜过滤装置的孔径大小可根据实际需要进行选择,可达到更高的过滤效果。
2. 节能环保:循环水预膜方案可实现循环使用水资源,减少了对水资源的消耗。
同时,预膜方案可以减少水处理过程中的化学物质的使用量,降低了对环境的负荷。
3. 经济可行性:虽然循环水预膜方案的初期投资较高,但长期运行成本较低。
通过循环使用水资源和减少化学物质的使用量,可以节省水费和化学物品的采购成本。
[分享]循环水预膜方案循环水预膜方案在敞开式循环冷却水系统里,循环冷却水长时间地反复使用,并在冷却塔与空气充分接触,进行物质和热量的传递。
使空气中的氧能较好地溶在水中,直到水中的氧接近平恒溶解度。
循环水经过换热设备,由于吸收热量,温度升高,降低了氧的溶解度。
使水中的溶解氧在局部地区达到饱和,造成溶解氧的去极化作用而使设备腐蚀。
经过凉水塔的循环水与含二氧化碳较低的空气接触,水中的CO2被空气抽提而逸入空气中,使水中的重碳酸盐类几乎全部转变为碳酸盐类,使生成碳酸盐垢的趋势增强。
随着浓缩倍数的提高,水中溶解固体及杂质将不断浓缩积聚,改变了水的PH、浊度、硬度、碱度等,使循环水的腐蚀性与结垢性并存,且日趋严重。
循环水中含盐类和杂质较高,空气中的灰沙土里,还有大量的微生物和它的孢子,而且循环水的温度(32,420C),冷却塔内的光照,充足的氧和养份均有利于菌藻滋生,使微生物及粘泥增加,由于循环水排污比率很小,所以使粘泥和悬浮物大量浓缩,容易在换热器上形成沉积,造成危害。
污垢附着在设备上,既增加结垢,又加剧腐蚀,危害很大。
河南龙宇煤化工有限公司50万吨甲醇系统停车检修,由于系统检修时可能存在诸如焊条渣等杂物,设备表面存在大量的粘泥、杂质等,正常运行之前,必须将其除去,这样才能给预膜造就一个良好而光洁的金属表面。
一、循环冷却水系统水量平衡参数:该循环水系统的进水温度为320C,回水温度为420C,进出口温差为?T=100C。
根据热力学及物料平衡原理,系统水量平衡参数如下:参数数据循环水量(Q) m3/h 42000排污水量(B) m3/h 500蒸发水量(E) m3/h 600风吹及泄漏损失水量(L)m3/h 100补充水量(M) m3/h 1200系统贮水量(V) m3 16000浓缩倍数(N) 1.5--2.5循环率(A) % 96.9二、系统补充水水质全分析见下表:序号分析项目单位结果序号分析项目单位结果1 PH值 7.69 10 Mg2+ mg/L 98.452 浊度 NTU 4.2 11 Cl, mg/L 235.383 电导率 us/cm 5640 12 Si02 mg/L 4.354 酚酞碱度 mmol/L 0 13 总溶固mg/L 25565 总碱度 mmol/L 3.61 14 总铁 mg/L 0.836 总硬度 mmol/L 10.84 15 总磷 mg/L 0.047 Ca2+ mg/L 284.62 16 SO42+ mg/L 1864.3 8 Na+ mg/L 0.96 17 HN4+•Nmg/L 12.379 K+ mg/L 0.45 18 A13+ mg/L 0.29 三、组织分工1、给排水车间:(1)按照清洗方案要求,对循环水系统加药装置、加酸装置、排污阀门、补充水阀门、在线PH仪表、流量计等逐一确认应能满足清洗时加药、加酸、排污和补水需要,若不能满足应采取临时措施,增加补充、排污管线,加药、加酸设备等;(2)与清洗预膜厂家技术人员一起协调,解决清洗、预膜过程中出现的各种问题;(3)配合清洗、预膜过程中所需要的循环水量、保有水量进行调节,补水、排水工作以及操作循环水系统的加药、加酸装置等;(4)做好安全监督和检查工作。
循环水预膜方案在敞开式循环冷却水系统里,循环冷却水长时间地反复使用,并在冷却塔与空气充分接触,进行物质和热量的传递。
使空气中的氧能较好地溶在水中,直到水中的氧接近平恒溶解度。
循环水经过换热设备,由于吸收热量,温度升高,降低了氧的溶解度。
使水中的溶解氧在局部地区达到饱和,造成溶解氧的去极化作用而使设备腐蚀。
经过凉水塔的循环水与含二氧化碳较低的空气接触,水中的CO2被空气抽提而逸入空气中,使水中的重碳酸盐类几乎全部转变为碳酸盐类,使生成碳酸盐垢的趋势增强。
随着浓缩倍数的提高,水中溶解固体及杂质将不断浓缩积聚,改变了水的PH、浊度、硬度、碱度等,使循环水的腐蚀性与结垢性并存,且日趋严重。
循环水中含盐类和杂质较高,空气中的灰沙土里,还有大量的微生物和它的孢子,而且循环水的温度(32~420C),冷却塔内的光照,充足的氧和养份均有利于菌藻滋生,使微生物及粘泥增加,由于循环水排污比率很小,所以使粘泥和悬浮物大量浓缩,容易在换热器上形成沉积,造成危害。
污垢附着在设备上,既增加结垢,又加剧腐蚀,危害很大。
河南龙宇煤化工有限公司50万吨甲醇系统停车检修,由于系统检修时可能存在诸如焊条渣等杂物,设备表面存在大量的粘泥、杂质等,正常运行之前,必须将其除去,这样才能给预膜造就一个良好而光洁的金属表面。
一、循环冷却水系统水量平衡参数:该循环水系统的进水温度为320C,回水温度为420C,进出口温差为△T=100C。
根据热力学及物料平衡原理,系统水量平衡参数如下:参数数据循环水量(Q) m3/h 42000排污水量(B) m3/h 500蒸发水量(E) m3/h 600风吹及泄漏损失水量(L)m3/h 100补充水量(M) m3/h 1200系统贮水量(V) m3 16000浓缩倍数(N) 1.5--2.5循环率(A) % 96.9二、系统补充水水质全分析见下表:序号分析项目单位结果序号分析项目单位结果1 PH值 7.69 10 Mg2+ mg/L 98.452 浊度 NTU 4.2 11 Cl- mg/L 235.383 电导率 us/cm 5640 12 Si02 mg/L 4.354 酚酞碱度 mmol/L 0 13 总溶固 mg/L 25565 总碱度 mmol/L 3.61 14 总铁 mg/L 0.836 总硬度 mmol/L 10.84 15 总磷 mg/L 0.047 Ca2+ mg/L 284.62 16 SO42+ mg/L 1864.38 Na+ mg/L 0.96 17 HN4+•N mg/L 12.379 K+ mg/L 0.45 18 A13+ mg/L 0.29三、组织分工1、给排水车间:(1)按照清洗方案要求,对循环水系统加药装置、加酸装置、排污阀门、补充水阀门、在线PH仪表、流量计等逐一确认应能满足清洗时加药、加酸、排污和补水需要,若不能满足应采取临时措施,增加补充、排污管线,加药、加酸设备等;(2)与清洗预膜厂家技术人员一起协调,解决清洗、预膜过程中出现的各种问题;(3)配合清洗、预膜过程中所需要的循环水量、保有水量进行调节,补水、排水工作以及操作循环水系统的加药、加酸装置等;(4)做好安全监督和检查工作。
循环水系统投加无磷复合水处理药剂技术方案一、项目概况:贵公司循环冷却水系统保有水量大约为400—600m3,循环量大约为1200—1600m3,循环水主要用于制冷机和生产车间设备的冷却,目前循环水系统主要投加的药剂为磷系缓释阻垢剂,为了控制循环水系统菌藻和微生物的滋生,还需不定期投加氧化性和非氧化性杀菌剂,尤其是夏季菌藻繁殖迅猛,需要每周投加杀菌剂。
二、水处理药剂的发展趋势:循环水系统主要有腐蚀、结垢、微生物滋生三大问题,解决腐蚀和结垢问题主要是通过在循环水中添加阻垢缓蚀剂,目前市场上以磷酸盐、聚磷酸盐、有机多元膦酸为主要配方,这类药剂水解产物是微生物的营养源,可以说循环水系统就是微生物的温床,微生物不但腐蚀管材,还可以形成大量的黏泥附着在管道表面,为了控制微生物滋生,需要投加杀菌灭藻剂,循环水中一旦投加杀菌剂后,大量黏泥脱落造成循环水系统浊度迅速升高,而且杀菌剂本身对金属材料又具有一定的腐蚀性,可见药剂之间有很多互相矛盾的问题,为了解决这些问题,未来循环水药剂必定向以下三方面发展:1、向低毒、无毒、无公害方向发展;2、向易生物降解方向发展;3、单一药剂向复合多功能药剂方向发展,过去功能单一,分别投加,今后利用药剂之间协同效应开发复合配方,提高综合效果,从分子结构和官能团设计出同时具有缓蚀、阻垢、杀菌灭藻等性能的新型多功能药剂,这样可以大大提高水处理药剂和技术的水平。
三、无磷复合水处理药剂优势分析:我公司生产的无磷复合水处理药剂为环保型四效合一药剂,同时具备阻垢、除垢、杀菌灭藻、防腐预膜功效,打破了原来循环水系统需要分别投加阻垢缓蚀剂、杀菌剂(氧化性和非氧化性)、预膜剂、黏泥剥离剂、硫酸等多种药剂,才能保证系统在高浓缩倍率下运行。
1、无磷复合水处理药剂是我公司生产的新型水处理药剂,该产品无磷、无毒、无污染环境,属于绿色环保药剂,循环水的排污水可以用来浇花、浇草。
2、投加无磷复合水处理药剂可提高循环水浓缩倍率至8倍以上,最大限度的减少了循环水的排污量,而且排污水不含磷,大大减轻环保压力。
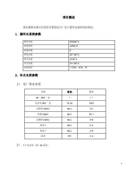
项目概述我们根据内蒙古亿利化学集团动力厂化工循环水场的实际情况,1. 循环水系统参数2.补水水质参数1)电厂来水水质2)生产水水质(40~50 m3/h)综合方案系统在运行一段时间后,须对循环水系统进行正确的清洗预膜。
根据业主提供的循环水系统目前的情况和对清洗预膜水要求达标排放的总体要求,我司推荐如下化学清洗预膜方案。
1.粘泥剥离方案此方案客户可根据客户在实际运行中药剂投加情况来确定粘泥剥离方案的使用顺序。
1.1如在日常运行中没有定期投加NX1100和BD1501,则需要在停机前一到两周内进行粘泥剥离;1. 2若日常运行中有进行定期的投加NX1100和BD1501,可将这次粘泥与清洗预膜同时进行(放在化学清洗时MS6201前即可)。
1.3药剂投加量2.清洗方案2.1化学清洗原理化学清洗是在系统中添加化学药剂,从而除去系统中残留的油污、浮锈、泥沙等等物质,为预膜创造良好的金属表面。
化学清洗主要是利用络合剂、分散剂及杀菌剂来去除新系统在安装过程中产生的铁锈和油脂,清洗后提供干净的金属表面,使预膜時能迅速建立保护膜。
2.2清洗药剂根据贵司提供的业主循环水系统目前的情况和对清洗预膜的总体要求,我司推荐如下化学清洗药剂量见下表。
清洗加药量主自行采购。
3.预膜方案3.1预膜原理预膜是指在金属表面快速的形成保护膜以阻止腐蚀的发生,慢速成膜或不完全成膜会导致连续的腐蚀。
因此,预膜在化学清洗排空后应立即进行。
一旦膜形成, 即可根据系统热负荷及水质等情况逐渐过渡到正常运行状态。
3.2预膜药剂预膜主要采用大剂量的缓蚀剂在清洗后干净的表面上形成致密的保护膜,以达到较好的保护效果。
预膜主要采用阻垢分散剂PY5200和碳钢缓蚀剂MS6209及MS6201,铜缓蚀剂AZ8104。
预膜剂用量见下表。
表8预膜加药量估算表注:由于表中浓硫酸为常规化学品,在市场上可以方便买到,所以请业主自行采购。
4.药剂采购总清单5.清洗预膜实施步骤5.1化学清洗前的准备•对于系统内杂物等,需要事先通过人工机械方法清理干净。
循环水化学清洗预膜方案一、前言为了实现原始开车一次成功,确保生产装置“达产达标、长周期稳定运行”,对系统进行化学清洗预膜,是循环水系统原始开车必须做的工作,也是保证生产装置换热效果形之有效的方法。
其过程:水冲洗→粘泥剥离处理→除油除锈处理→水置换→预膜处理→水置换→冷态运行→正常运行。
二、冷却塔参数循环水量: 36000m3∕h保有水量: XXXXXm3补充水量: XXXX m3∕h进出口温差: 10ºC三、系统水洗1、按照《循环水冲洗方案》系统已冲洗结束,用户换热器符合投运要求的,临时短管已拆除复位。
2、向塔池补水,保持液位至100%。
3、开启一台循环冷却水泵,向管网冲水排气。
4、排气完毕,将冷却水泵逐台开启,并将循环水量提至最大;5、在水洗过程中,每小时分析一次浊度,并绘制变化曲线;粘泥:8h/次;总铁:4h/次,以上项目的化验由质检部负责;6、水循环冲洗48小时,当循环水的浊度升高不再上升时。
停止水冲洗,开始置换排放,待浊度降至小于5mg/L、总铁含量与补充水总铁含量相等时,由供水车间、生产部、质监部共同确认,停止置换;7、按照循环水的停车步骤,将系统停运,并将水池的水排干,对塔池进行人工清扫检查,无异常,进入下一步化学清洗。
四、系统化学清洗全系统化学清洗的目的是将系统中所有换热器中的油污、腐蚀产物、污垢等清洗干净,并使其表面得到活化,为预膜打好基础。
1、向塔池充水时至正常液位,按照循环水的开车操作规程,启动循环冷却水泵,建立水循环。
2、将所有冷却水用户的换热设备阀门开启至最大,以保证清洗效果。
3、系统浊度小于5mg/L时,联系仪表车间,将在线给/回PH分析检测仪表投运。
4、投运检测试验架,按要求将不锈钢挂片、碳钢挂片、铜挂片逐个安放于试验架中,并在塔池中挂入一处挂片。
5、根据系统贮水量向系统投加200~300mg/L的清洗剂;这时根据系统水中的气泡情况,加入消泡剂100mg/L。
循环水预膜方案引言循环水预膜是一种常用于水处理过程中的预处理技术,通过在水处理系统中加入适当的预膜层,可以有效地改善水质,减少水处理过程中的污染物带入和膜污染现象,提高膜的工作效率和寿命。
本文将介绍循环水预膜方案的原理、操作步骤和常见的应用场景。
原理循环水预膜是一种通过在水处理系统中循环引入适量的溶液,在膜表面形成一层可逆的、半透膜状态的膜层。
这层膜层能够有效地阻挡水中的较大颗粒、悬浮物和有机污染物,从而减少后续膜组件的摩擦和污染。
循环水预膜方案通常由以下几个步骤组成:1.溶液调配:根据水处理系统的具体情况,合理选择适当比例的溶液,并按照正确的方法进行调配。
通常常见的预膜溶液包括聚合物溶液、胶体溶液等。
2.预膜过程:将调配好的预膜溶液通过泵送系统引入水处理系统中,保持一定的流速和循环时间,使溶液与膜表面接触,形成一膜层。
在此过程中,通常需要控制好溶液的pH值、温度和浓度,以及循环和停留的时间等参数。
3.膜表面清洗:为了保持预膜层的良好状态,需要定期进行膜表面的清洗和维护。
清洗剂的选择与清洗条件的确定需要根据具体的膜材料和水质情况来进行调整。
4.监测和调整:在预膜过程中,需要对水质和膜的性能进行监测和调整。
常见的监测参数包括溶液的浊度、膜的通量、污染指数等,通过对监测结果的分析,及时调整预膜方案,保持系统的稳定运行。
操作步骤1. 溶液调配根据水处理系统的具体情况,选择合适的预膜溶液。
常见的预膜材料有聚合物、有机胶体等。
调配过程中需要控制好溶液的浓度、pH值和温度等参数,通常可以参考相关的文献和经验。
2. 预膜过程将调配好的预膜溶液通过泵送系统引入水处理系统中。
根据系统的流速和循环时间,确定合适的预膜过程条件。
在此过程中,需要注意控制溶液的流速和循环时间,以及设置合适的循环管路和喷淋装置,确保溶液能够均匀地接触到膜表面。
3. 膜表面清洗为了保持预膜层的良好状态,需要定期进行膜表面的清洗和维护。
根据膜材料和水质情况的不同,选择合适的清洗剂和清洗方式。
循环水不停车清洗、预膜方案一、目的:1、全系统化学清洗的目的是将系统中所有换热器中的油污、腐蚀产物、污垢等清洗干净,提高系统换热效率,并使其表面得到活化,为预膜打好基础。
2、预膜处理是为了保护金属表面免遭腐蚀,而利用化学药剂中的某些成份与冷却水中的两价金属离子(如Ca2+、Zn2+、Fe2+等)形成络合物,在金属表面上形成一层非常薄的、致密的防护膜,牢固地粘附在金属表面上,从而抑制冷却水对金属的腐蚀,也包括防止微生物的腐蚀。
二、循环水清洗、预膜前应具备的条件1、循环水主管及各装置内循环水管线均已冲洗完毕,管线连接完好并形成回路。
2、循环水砂质过滤器及加药系统均已调试完毕,具备投入运行条件。
3、循环水化学清洗和预膜所需药剂、清洗用工器具准备齐全。
4、清洗前所需劳动防护用品、器材已准备齐全。
5、清洗和预膜的车间及岗位操作人员已明确,并熟悉了解药剂性质及清洗、预膜流程。
6、联系装置、化验室人员,做好准备配合清洗、预膜。
三、系统参数循环水量:1200m³/h循环水保有量: m³供水压力:0.4—0.5MPa浓缩倍数:3PH:7.5~9.0;碱度(以CaCO3计):<500 ppm;Ca2+:<200 ppm;Mg2+:<200 ppm;Cl-:<500 ppm;浊度:≤10 ppm;电导率(25℃):<3000μs/cm;有机磷PO43-:4.5~5.5ppm;总无机磷PO43-:<1ppm;四、化学清洗1 对循环水系统加药装置(人工加药除外)、排污阀门、补充水阀门、PH仪表、补、排水流量计等逐一确认,使其能满足清洗时加药、排污和补水需要。
2 将化学清洗及预膜所需药品运到现场,调试好加药装置(人工加药除外),按要求作好各项分析准备3 检查集水池液位,调整循环水池液位到安全水位,并使循环冷却水流量到最大。
4 联系化验室取水样分析循环水中PH、浊度、碱度、总铁及硬度(具体分析项目咨询药剂厂家)。
循环水系统的清洗预膜处理1、预膜目的新的冷却设备由于没有经过运行,设备内部一般比较干净,本清洗方案主要是除去设备在加工、储存或安装期间积集在设备金属表面的少量氧化物(如铁锈)和油脂。
2、预膜剂组份主要由聚磷酸盐及锌盐组成,聚磷酸盐主要作为缓蚀剂使用,当加入适当的锌盐后并加大使用量,即可以阻止磷酸盐的水解又可以加快成膜的速度。
膜的成分为:r-Fe2O3、磷酸铁络合物、磷酸锌和氢氧化锌。
3、预膜原理聚磷酸盐是一种阴极缓蚀剂,聚磷酸盐分子吸附或与钙离子生成胶体的微粒,这些带电荷的微粒移动至阴极生成薄膜。
当聚磷酸盐与Ca2+、Zn2+等金属离子共存时与水中的金属离子生成不溶性的金属盐,沉积物附着在金属表面上形成一层难溶的沉淀物或表面络合物,阻止金属腐蚀,起缓蚀膜的作用。
此膜称为阴极沉淀膜。
4、参数循环水量:5035m3/h 总容水量:2800 m3风吹损失:90m3/h 补水量:205 m3/h排污量:59.4m3/h5、具体操作步骤如下:1循环水系统水冲洗化学清洗工作开始前,应先打扫和清理管道、冷却水池以及冷却设备,然后向水池和循环水系统中充水,开泵进行循环冲洗、排放。
假如冷却塔还加有回水旁路管,可以使回水不经塔进行清洗,以免污染物中大块儿颗粒堵塞冷却塔填料;另外,初期水冲洗循环水管道时,也应避免大的颗粒进入换热设备。
有条件的话,安装旁路或就地排放一段时间。
水冲洗至系统浊度不在上升为止,一次性放水或置换排放至系统浊度接近补充水浊度,即停止补排水操作,开始实施化学清洗工作。
6、全系统化学清洗a) 调节系统保有水量适中,水的浊度<10mg/L循环量最大,关闭补、排水阀门。
为保持化学清洗药剂浓度,化学清洗期间,尽量不实施补排水操作,除非水质浊度上升太高可考虑酌量置换水质;b) 整个化学清洗药剂用量均以系统水量约2800m3为计算依据;c) 清洗时为了节省药剂降低成本,可将循环水的水位降至最低,一次性投加AX-201清洗剂 2000-2500kg,循环运行2-4小时,控制循环水PH在4左右;如果偏高,可适当投加硫酸调节。
富海石化南区循环水系统预膜方案
一、系统工况:
系统量:1500 m3
系统材质:不锈钢、碳钢
补充水源:黄河水
二、预膜步骤
1、系统清洗:
1)水冲洗:系统初始运行,水质很差,置换至浊度低于15NTU时进行下一步。
2)投加LD-90粘泥剥离剂(油)450kg,运行48h后,置换,投加LD-90粘泥剥离剂150kg、LD-97杀菌灭藻剂300kg(两种一起加),运行24小时后置换至浊度在10NTU以下为止进行预膜。
2、系统预膜
1)投加预膜剂,LD-101预膜剂100kg,LD-102预膜剂50kg,LD-07阻垢缓蚀剂100kg,始终保持水中总磷在25~30之间进行预膜。
期间排污、补水时都要补药,保持总磷浓度。
2)7天后预膜结束,排污置换,至总磷在10ppm以下,正常加药运行。
3、预膜结束后,转入正常加药运行。
德州百泉水业科技有限公司
2012-7-20。
循环水预膜剂的使用方法循环水预膜剂就像是给循环水系统穿上一层保护膜的神奇小助手。
那怎么用呢?在使用之前呢,得先把循环水系统给好好清理一下。
就好比你要给脸敷面膜,得先把脸洗干净是一个道理。
把系统里的那些杂质啊、污垢啊、铁锈啥的都尽可能地清除掉。
这可以通过物理清洗或者化学清洗的方式来搞定。
要是系统里脏脏的,预膜剂可就不能很好地发挥作用啦。
接着呢,就可以开始加预膜剂了。
这个量可得把握好哦。
加少了,那保护膜可能就不完整,就像给衣服打补丁,补丁太小盖不住破洞。
要是加多了呢,一方面浪费,另一方面说不定还会对系统有不好的影响。
一般来说,按照产品说明书上的比例来加准没错。
说明书就像是预膜剂的小秘籍,可一定要仔细看。
把预膜剂加到循环水里之后呢,要让水在系统里循环起来。
就像让血液在身体里循环一样重要。
这样预膜剂才能均匀地分布在系统的各个角落,在设备的表面形成一层完整的保护膜。
这个循环的时间也是有讲究的,太短了膜可能没形成好,太长了可能也没必要还浪费资源。
在预膜的过程中呢,要时不时地检测一下水质。
看看预膜的效果咋样,就像你在做菜的时候尝尝咸淡一样。
如果水质检测结果不太理想,那可能就得调整一下预膜的条件啦,比如再加点预膜剂或者延长循环时间。
预膜完成之后呢,也不能就完全不管了。
要定期地检查保护膜的状态,就像你要时不时看看自己的新衣服有没有破洞一样。
如果发现保护膜有损坏的地方,要及时采取措施修复,这样才能让循环水系统一直健健康康的。
宝子们,循环水预膜剂的使用其实也不难,只要按照这些小步骤来,就能让你的循环水系统得到很好的保护啦。
山西诚宏福得一化工有限公司
冷却循环水系统投加DC系列清洗预膜剂
运行方案
根据山西诚宏福得一化工有限公司的补充水水质和实际循环水
系统的运行情况,我们本着既先进又科学的原则,筛选适合系统需要的绿色环保型清洗剂和预膜剂。
经过反复试验对比,筛选出适合该循环水运行的一整套清洗,预膜方案。
一、清洗目的
一个循环水系统在使用前,必须进行清洗,因为设备和管道在安装过程中难免有一些微生物及生物粘泥、空气尘埃物、输水管线及部分腐蚀产物等。
这些杂质如不清扫,冲洗干净,将会影响设备运行,加速悬浮物的沉积。
因此,一个好的清洗方案,对新系统来说可以提高预膜效果,减少腐蚀的产生,可以保证长期安全运行,较低的操作费用,减少维修时间,节约能量,延长设备使用寿命等,因此,在水质处理过程中,必须给以足够的重视。
目前,国内外关于清洗的方法有很多种,一般可分化学清洗和物理清洗两大类。
化学清洗就是利用酸、碱或有机螯合剂、分散剂等化学药剂,通过化学作用将附着的污泥、沉积物溶解,清洗干净的方法。
在系统化学清洗处理之前,应先对循环水系统进行系统清理。
尽量将循环水量开到最大,进行系统水冲洗,当浊度不再升高时,对循环水进行置换,使系统浊度小于20mg/L(此步由用户自己进行)。
二、清洗机理
我们则采用最先进的大分子螯合物Y—强表面振动化学清洗技术,已经“中央经济半小时”报道,并获得科技成果奖。
1、在线运行水系统维持正常系统使用水位,然后向系统投DC—Y508清洗剂400mg/L,同时停止排污,使大分子螯合物及高效活化剂进入循环水系统,利用循环水系统的动力进行循环,在高效活化剂的作用下,使螯合物与油污、污物层发生分子强振动,产生的Y 能量,以破坏污物晶格能,生成可溶性物质排出。
清洗剂采用大分子螯合物和高效活化剂。
主要清洗:焊渣、油污、内壁腐蚀产物及微生物残留体等。
表一
总铁量ppm计螯合物清洗液浓度:%
总(ppm)清(ppm)
铁洗
量液
浓
度
时间时间终点(7—10H)终点(7—10H)
A.活化,激发:将系统金属表面处于活性位状态(包括杀菌),并使活性位处于激发态。
B.强振动清洗机理:
R1R2
R R
(DC—Y508)V V V V
γ能引发螯合物键断裂
R 1 R 2 Mc(DC —Y 高效活化剂)
Me’+γ(能量)
R R’
引发γ能,产生强振动 VV· · ·VV
高能态螯合物
R 1 R 2 R’
VV
R
VV·
高能态螯合物强振动破坏晶格能
R 1
R’
R
’ R VV · + · VV 螯合物包裹污垢晶格
R’ H 2O R’ Fe 3+
Fe 2O 3
H 2O
H 2O
RVV ·
RVV H 2O
螯合物与污垢晶格及水高度分散 Fe(OH)3 被清洗物
H 2O H 2O
2、清洗药剂
我们采用的DC —Y 化学清洗剂产品,是循环水系统配管线及设备的专用清洗剂及良好的防腐剂,适合多种材质,对碳钢、不锈钢、铜及铜合金、铝及铝合金、各种垫片垫圈均不会发生化学腐蚀。
由于
各种化学垢层被溶解,不会造成末端阻塞,同时系统上已安装的各种传感器、探头、自控仪表均不会受到化学清洗剂的影响,全部可在线进行清洗。
3、化学清洗中要求水流速1.5m/s以上,支管流速1.0m/s以上,化学清洗10-24小时,测得混浊度不增加或稳定在一个数值为止,转入置换系统循环水,浊度小于20mg/L进入预膜处理。
三、预膜处理
1、化学清洗结束后,测得系统循环水混浊度小于20mg/L时停止排污,开始投加DC—Y518预膜剂1500mg/L,进行循环30分钟至1小时后,投加DC—Y528预膜催化剂(起预膜均匀作用) 200mg/L,2-3小时后,调整PH值5.5-6.5循环运行50-72小时,即预膜作业完成。
2、由于高分子预膜剂及预膜催化剂,利用系统动力进行循环,使高分子预膜剂均匀分布于激发态原子位而发生化学反应,当溶液中预膜剂浓度稳定不变后,确认反应已到终点。
现场测试项目:预膜计:PPM计
预(PPM)
膜
剂
浓
度
终点(36—54H)反应时间
B、预膜机理
M(DC—Y528催化剂)Cat. *M
催化剂活性形成
R1 R2
*M(Cat.)
R C Mc: R C Me:(激发态预膜剂)
催化剂降低预膜活化能
R1
(DC—Y518预膜剂) R1
N:(已处于活性状态的被预膜金属材料)R2
δ
δ+:N(被预膜金属材料活性位)
R C Me:
(Cat.)*M
R1
R2
R C Me: :N
R1
预膜剂与金属处于临界状态
R2
ηγ
R C Me: :N
ρ-π
R1
预膜剂与金属处于ηγ和ρ-π键合状态,为一稳定膜层。
N:Cu Fe Zn Al Cr Ni Ti etc.
四、预膜剂应用条件和控制
向系统一次投加DC—Y518预膜剂1500mg/L,DC—Y528预膜催化剂200mg/L,同时调整PH值为5.5—6.5,(可以采取用浓H2SO4调整)循环运行50—72小时,即预膜作业完成。
1、测试系统循环水总磷含量大于35ppm为止,每4个小时测试一次。
2、PH值每4个小时测试一次,确保系统PH值达到预膜要求。
3、调整正常预膜后,同时挂片应找系统流速和设备相同的位置挂片。
4、循环水预膜顺利的话,运行24—72小时,即预膜作业完成。
预膜效果:公司积极配合我方人员工作,严格按照控制方案加以控制,经旁路挂片,可见其表面出现一层均匀、致密而且牢固的r-Fe2O3蓝彩色膜,其厚度≥50Å。
膜层均匀,颜色一致无锈蚀即表示预膜良好成功。
河北省大城县精细化工厂
2008年11月27日。