铸造机械安全检查表
- 格式:doc
- 大小:86.00 KB
- 文档页数:4
锻造操作机安全检查表范文1.电源和开关:- 是否正确接地和接线?- 电源开关是否正常工作并可以容易关闭?- 是否有任何电源开关故障或异响?2.紧固件和连接:- 机器上的紧固件和连接是否牢固?- 是否有任何松动或缺失的螺栓、螺母或螺旋连接?3.冷却系统:- 机器的冷却系统是否正常工作?- 冷却器和冷却液是否有任何泄漏?- 是否有任何冷却系统的管道堵塞或损坏?4.安全设备:- 机器上的安全设备是否齐全?包括紧急停机按钮、安全护栏、安全开关等。
- 这些安全设备是否正常工作并在需要时响应迅速?5.操作面板:- 操作面板上的开关、按钮和指示器是否正常工作?- 是否有任何损坏、故障或无法正常使用的部件?6.保护罩和防护装置:- 机器上的保护罩和防护装置是否完好且适当安装?- 是否有任何损坏、松动或无法正常工作的防护装置?7.润滑系统:- 机器的润滑系统是否正常工作?- 润滑油是否充足且清洁?- 是否有任何油渍、泄漏或润滑系统损坏的迹象?8.气压系统(如适用):- 机器上的气压系统是否正常工作?- 气压调节器、过滤器和油器是否处于良好状态?- 是否有任何气泄漏或气压不稳定的情况?9.传动系统:- 机器的传动系统是否正常工作?- 是否有任何传动带、轴承或齿轮的松动、磨损或故障?10.电气系统:- 机器的电气系统是否正常工作?- 是否有任何电线损坏、破裂或暴露?- 控制盒和电气元件是否正常工作?11.操作员保护:- 是否提供了必要的个人防护装备,如耳塞、护目镜、手套等?- 操作员是否明确了使用和穿戴个人防护装备的要求?12.紧急情况和应急预案:- 操作员是否知道紧急停机按钮的位置和使用方法?- 是否建立了适当的应急预案,并定期进行培训?13.安全培训:- 操作员是否接受了相关的安全培训?- 是否记录了培训的日期、内容和参与人员?14.设备维护和保养:- 是否按照制造商的要求进行设备的定期维护和保养?- 是否有任何维护记录和维护人员的签名?15.工作环境:- 工作区域是否干净整洁?- 是否清除了任何可能引起事故的障碍物?16.其他问题:- 是否存在其他任何安全隐患或不安全行为?- 是否要求操作员报告任何安全问题或建议改进的意见?注意:此检查表仅为范文,具体检查内容应根据实际情况进行调整和完善。
铸造设备安全检查表-抛丸清理室安全检查表为了确保铸造设备的安全运行,保护员工的人身安全和设备的正常运行,以下为铸造设备安全检查表的内容。
1. 检查设备的固定和支撑部分是否松动或有异响。
2. 检查设备的操作按钮和控制面板是否完好,并确保标识清晰可见。
3. 检查设备的电气线路是否有磨损、裸露或搭接现象。
4. 检查设备的推力皮带和链条是否松动或磨损,是否需要调整或更换。
5. 检查设备的输送钩、吊钩和滑轮是否有磨损或松脱现象,是否需要维修或更换。
6. 检查设备的冷却系统是否正常运行,是否需要清理或更换滤网。
7. 检查设备的喷涂系统是否正常运行,是否需要清理或更换喷嘴。
8. 检查设备的抛丸室内是否有杂物堆积、起尘现象,是否需要清理或更换过滤器。
9. 检查设备的工作空间是否有充足的照明设施,是否需要增加照明灯具或调整照明角度。
10. 检查设备的安全防护装置是否完好,如抛丸室门的关闭、防护网的安装等。
11. 检查设备的紧急停止按钮是否设置在易于操作的位置,并确保操作人员熟悉紧急停止的操作流程。
12. 检查设备的抛丸清理室通风系统是否正常运行,是否需要清洗或更换过滤器。
13. 检查设备的抛丸清理室门禁控制是否正常运行,是否需要修复或更换。
14. 检查设备的压缩空气系统是否正常运行,是否需要清理或更换过滤器。
15. 检查设备的水冷系统是否正常运行,是否需要清洗或更换冷却器。
16. 检查设备的噪音和震动是否超过标准范围,是否需要采取措施减少噪音和震动。
17. 检查设备的一线员工是否熟悉设备的操作规程和安全操作流程,并定期进行培训和考核。
18. 检查设备的操作记录和维修记录是否完整和准确,是否需要补充和修正。
19. 检查设备的周围环境是否清洁整齐,是否有杂物堆积或危险物品暴露。
20. 检查设备的周边区域是否有防护栏杆或安全警示标志,是否需要修复或补充。
以上内容为抛丸清理室安全检查表的主要内容,根据具体情况还可以添加其他检查项。
铸造机械考评检查表序号考评内容考评说明应得分实得分备注1设备结构有足够的强度、刚度及稳定性,基础坚实一处不合格扣该项目应得分值,得分12以下判不合格。
实得分=0.54×10022所有管路密封良好,无泄漏13安全装置和防护装置齐全,安全可靠24控制系统清晰灵敏,作业点均有急停开关25防尘、防毒设备设施完好无损,且运行正常46PE正确可靠27压铸机:压铸型区应有防护装置,且与压射程序连锁5制芯机:芯盒加热棒长短适中,线头连接整洁,安全可靠混砂机:防护罩有足够的强度,检修门电气连锁,取样门大小合理抛(喷)丸设备:设备密封良好,门(孔)电气连锁合计18序号考评内容考评说明应得分实得分备注1炉体完整,附属设施安全一处不合格扣该项目应得分值,得分10以下判不合格。
实得分=0.54×10022升降及起吊装置必须符合起重机械条款13浇包及其装置完好24炉坑应有护栏或盖板25外露传动部位必须有防护装置26控制系统齐全有效17除尘装置完好2合计12序号考评内容考评说明应得分实得分备注1槽体坚固,不得渗漏任意一条不合格者,则判该台为不合格。
实得分=0.20×10052镀槽与电解槽上导电装置与槽体应有绝缘措施3导电部位应保持干净,导电良好,“正”、“负”极不得短路4地下槽体必须在地面上设置防护围栏5电加热应有可靠的保护接地,石英玻璃加热管应有保护措施合计5工业梯台(直梯)考评检查表序号考评内容考评说明应得分实得分备注1梯宽、梯级间隔尺寸符合标准一处不合格扣该项目应得分值,得分1.6以下判不合格。
实得分=0.048×1000.62梯段高度超过3米时应设护笼,护笼、护笼条尺寸符合标准规定0.43直梯与平台相连的扶手高应大于1050毫米0.44结构件不得有松脱、裂纹、扭曲、腐蚀、凹陷或凸出等严重变形,更不得有裂纹0.6合计2序号考评内容考评说明应得分实得分备注1梯宽、扶手立柱高度、间距尺寸均符合标准规定一处不合格扣该项目应得分值,得分 1.6以下判不合格。
铸造设备安全检查铸工浇注包安全检查表范本1. 设备检查1.1 检查设备是否完好,无裂纹、断裂或其他损坏情况。
1.2 检查设备是否稳定,无晃动、松动或倾斜的情况。
1.3 检查设备是否正确安装,无错位或错位过大的情况。
1.4 检查设备的电气线路是否正常,无暴露、损坏或接地不良的情况。
1.5 检查设备的液压系统是否正常,无泄漏、异常噪音或压力过高的情况。
2. 熔铁操作2.1 检查熔铁炉是否符合操作规程,无渗漏、断裂或其他损坏情况。
2.2 检查熔铁操作区域是否清洁整齐,无杂物、堆积物或滑倒物的情况。
2.3 检查熔铁操作区域是否通风良好,无异味、烟雾或有害气体的情况。
2.4 检查熔铁操作人员是否佩戴足够的防护装备,包括熔铁手套、防火服和护目镜等。
2.5 检查熔铁操作人员是否熟悉操作程序,遵循正确的熔铁操作步骤。
3. 浇注包操作3.1 检查浇注包是否符合规格要求,无破损或扭曲变形的情况。
3.2 检查浇注包是否正确固定,无松动、偏移或滑动的情况。
3.3 检查浇注包操作区域是否清洁整齐,无杂物、堆积物或滑倒物的情况。
3.4 检查浇注包操作区域是否通风良好,无异味、烟雾或有害气体的情况。
3.5 检查浇注包操作人员是否佩戴足够的防护装备,包括防火服、护目镜和防护手套等。
3.6 检查浇注包操作人员是否熟悉操作程序,遵循正确的浇注包操作步骤。
4. 浇注工艺4.1 检查浇注工艺是否符合规程要求,包括浇注温度、浇注时间和浇注速度等参数。
4.2 检查浇注过程中是否有异常情况发生,如冒泡、爆炸或溅溢等。
4.3 检查浇注过程是否有足够的人员进行监控和操作,确保安全措施得以有效执行。
4.4 检查浇注过程中是否有适当的防护措施,如设置防护罩、围栏或警示标识等。
4.5 检查浇注后是否及时清理浇注区域,防止杂物积聚或滑倒事故的发生。
5. 废料处理5.1 检查废料处理区域是否符合环保要求,无废料堆积、溢出或泄漏的情况。
5.2 检查废料处理设备是否正常运转,无故障、故意破坏或安全隐患的情况。
铸造设备安全检查表-造型机安全检查表检查时间:年月日检查人员:一、设备外观及周围环境检查1. 检查设备外表是否有明显的损坏或磨损,是否有裂纹或变形情况。
2. 检查设备周围是否有明火、易燃物或其他危险物品,是否有积水或明显的漏水现象。
3. 检查设备周围是否有足够的通风设施,是否有排气口及通风孔。
4. 检查设备周围是否有明确的紧急停机按钮和紧急逃生通道。
5. 检查设备周围是否有明确的操作规程和安全警示标识。
二、电气系统检查1. 检查设备的电源开关和主电源线是否正常。
2. 检查设备的控制装置和插头插座是否完好无损。
3. 检查设备是否有漏电现象,使用合适的电流表进行测量。
4. 检查设备的电缆是否有松动、磨损或裂纹等问题。
5. 检查设备接地是否良好,是否有明确的接地装置。
三、液压系统检查1. 检查液压系统的油箱、油管、油泵和油缸是否有泄漏现象。
2. 检查液压系统的压力表和压力控制装置是否正常工作。
3. 检查液压系统的油温是否正常,是否有过高的温度。
4. 检查液压系统的过滤器是否干净,是否需要更换。
5. 检查液压系统的液位标志是否准确,是否需要添加液压油。
四、机械部分检查1. 检查设备的转动部件是否灵活,是否有松动或卡阻的情况。
2. 检查设备的传动装置和连杆是否完好无损。
3. 检查设备运行时是否有异常声音或振动。
4. 检查设备的刀具、模具和夹具是否安装正确、牢固。
5. 检查设备的防护装置是否齐全、正常工作。
五、操作人员培训及岗位安全意识1. 检查操作人员是否具备相关的培训证书或操作资质。
2. 检查操作人员是否熟悉设备的操作规程和安全操作程序。
3. 检查操作人员是否佩戴安全防护设备,如安全帽、手套等。
4. 检查操作人员是否具备应急处理能力,知道紧急停机和逃生的方法。
5. 检查操作人员是否具备岗位安全意识,能够及时报告设备故障或安全隐患。
六、其他1. 根据实际情况,补充需要检查的项目。
2. 根据实际情况,提出针对性的安全改进措施。
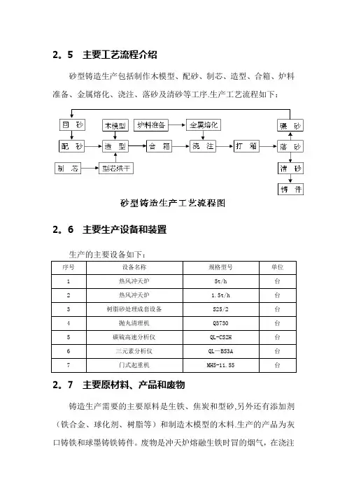
2。
5 主要工艺流程介绍
砂型铸造生产包括制作木模型、配砂、制芯、造型、合箱、炉料准备、金属熔化、浇注、落砂及清砂等工序.生产工艺流程如下:
2。
6 主要生产设备和装置
生产的主要设备如下:
序号设备名称规格型号单位
1 热风冲天炉5t/h 台
2 热风冲天炉 1.5t/h 台
3 树脂砂处理成套设备S25/2 台
4 抛丸清理机Q3730 台
5 碳硫高速分析仪QL-CS2H 台
6 三元素分析仪QL—BS3A 台
7 门式起重机MH5-11.55 台2。
7 主要原材料、产品和废物
铸造生产需要的主要原料是生铁、焦炭和型砂,另外还有添加剂(铁合金、球化剂、树脂等)和制造木模型的木料.生产的产品为灰口铸铁和球墨铸铁铸件。
废物是冲天炉熔融生铁时冒的烟气,在浇注
铸型时,型芯和涂料中的各有机物质释放出大量的有害气体.
5.7 周边环境及总平安全检查表法评价
6.5 工艺安全检查表法评价
7。
5 公用工程和特种设备安全检查表法评价
8.6 安全控制措施安全检查表法评价
9。
8 综合安全管理安全检查表法评价。
铸造设备安全检查表-落砂机安全检查表:(一)环境安全1. 检查落砂机周围是否有明火或易燃物品。
2. 检查落砂机附近是否有杂物,防止堵塞或引起意外。
3. 检查落砂机周围是否有易潮湿的地方,以免导致电路短路或电器元件损坏。
4. 检查落砂机周围是否有储存危险品的地方,如有必要应调整存放位置。
5. 检查落砂机是否处于较为平稳的地方,以免因颠簸导致设备倾斜或设备用电故障。
(二)设备安全1. 检查落砂机电源是否正常,无松动或损坏的情况。
2. 检查落砂机的线缆是否完好,无损坏或磨损的情况。
3. 检查落砂机运转部分是否存在异常声音或松动的情况。
4. 检查落砂机的重要部件如皮带、链条、减速器等是否正常,无磨损或损坏。
5. 检查落砂机的传动系统是否正常,无跳动或空转的情况。
6. 检查落砂机的冷却系统是否正常,如风扇、散热器等是否有积尘或堵塞情况。
7. 检查落砂机的电控系统是否正常,如开关、按钮、指示灯等是否有故障。
8. 检查落砂机的安全防护设施是否完好,如防护罩、安全门、急停按钮等是否有效。
(三)操作人员安全1. 检查操作人员是否穿戴齐全,如帽子、工作服、工作鞋等。
2. 检查操作人员是否佩戴个人防护装备,如安全带、护目镜、防尘口罩等。
3. 检查操作人员是否熟悉落砂机的操作规程和安全注意事项。
4. 检查操作人员是否存在疲劳、酒后等不适合操作落砂机的情况。
5. 检查操作人员是否进行了必要的安全培训和技术培训。
6. 检查操作人员是否存在过度劳累或缺乏集中注意力的情况。
(四)应急处理1. 检查落砂机周围是否设有灭火器和应急疏散路标。
2. 检查操作人员是否熟悉落砂机的应急停机程序和灭火器的使用方法。
3. 检查操作人员是否知道如何正确报警和紧急联系相关人员。
4. 检查操作人员是否掌握逃生自救的基本知识和技能。
5. 检查操作人员是否熟悉落砂机周围的应急疏散路线和安全出口。
综上所述,以上是落砂机安全检查表的内容,通过定期进行安全检查,可以有效预防和避免事故的发生,保障铸造设备的安全运行。
铸造设备安全检查铸工浇注包安全检查表范本
1. 设备名称:铸造设备
2. 设备编号:_______________
3. 检查日期:_______________
4. 检查人员:_______________
一、设备外观检查:
1. 设备是否存在破损、变形等情况?
2. 设备表面是否存在腐蚀或锈蚀痕迹?
3. 设备是否存在松动或脱落的部件?
二、电气系统检查:
1. 是否存在电线外露或损坏的情况?
2. 控制盘是否正常工作,按钮、开关是否灵活可靠?
3. 是否存在漏电现象,地线是否连接良好?
三、液压系统检查:
1. 液压油是否存在泄漏情况?
2. 液压装置是否正常工作,压力是否稳定?
3. 液压管路是否存在破损或松动的情况?
四、设备安全保护装置检查:
1. 急停按钮是否正常工作?
2. 安全防护罩是否完好无损?
3. 是否设置过载保护装置?
五、操作者个人防护装备检查:
1. 是否佩戴安全帽、安全鞋和防护手套?
2. 是否佩戴耳塞或耳罩?
3. 是否穿戴适合的工作服和防护眼镜?
六、铸工浇注包安全检查:
1. 浇注包是否完整无损?
2. 是否存在浇注包燃烧的迹象?
3. 是否存在浇注包渗漏的情况?
4. 是否存在未堆放妥善的浇注包?
七、其他安全检查:
1. 是否存在明火或易燃物品?
2. 是否存在其他安全隐患?
以上只是铸造设备安全检查铸工浇注包安全检查表的范本,实际检查中应根据实际情况进行具体的检查内容的编写,并结合相关法规和标准进行综合评估和检查。
同时,为了确保安全,请专业人员进行设备的安全检查和维护。
铸造机械安全检查表被查单位:
序号检查项目检查内容 / 检查方法
检查
结果
备注
是否
1 设备结构有
足够的强
度、刚度及
稳定性,基
础坚实
设备的结构及各零、部件,是否有足够的强度、刚度及稳定性。
设备要求基础是否坚实无裂纹
地脚螺栓是否紧固无松动,牢固可靠。
凡需要在离地面2m以上高度进行操作、调整、检查和维修的设备,是否提
供固定的、可拆卸的或可折叠的登高梯台和平台
登高梯台和平台结构符合要求
2 所有管路密
封良好,无
泄漏
整台(套)设备管路是否有良好的密封性能,没有明显的漏油、漏气现象
所有连接软管是否耐油
所有连接软管是否没有老化发硬现象
软管的安装处是否不靠近热源和承受机械摩擦和机械负荷
压力油管是否能防止出现故障时油与热金属接触。
气动系统中的废气排出时,是否能避免将灰尘、砂粒等吹向操作者和工作
台面
3 安全装置和
防护装置齐
全,安全可
靠
设备外露的旋转部分是否有防止挥发性原料扩散的防护罩
设备外露的旋转部分是否有防止型砂和物件跌落的围裙型金属挡板等安全
保护装置
需要经常拆下的安全防护装置,是否拆装方便、重量轻。
打开安全防护装置有可能造成伤害时,是否将安全防护装置与工艺设备联
锁,
否则是否装有指明开盖有危险的标牌或必须使传动装置切断后才允许将其打开的说明牌
安全防护装置的布局是否保证防止人体触及危险区的安全距离。
避免人体各部位受挤压的最小间距值见下表
身体部位最小间距a 身体部位最小间距a
身体500 头部300
腿250 脚120
脚趾50 臂120
手腕拳100 手指25
4 控制系统清
晰灵敏,作
业点均有急
停开关
控制系统安装位置是否合理,便于操作和维修
系统内各种仪表、指示灯、操作按钮设置是否合理、显示明确、清晰可见、
灵敏有效。
控制工作方式和操作方法的转换开关是否安放在闭锁柜(箱)中。
生产线的控制系统是否能保证全线或各机构发生紧急情况时,在各操作位
置上能够立即控制停车。
紧急停车控制机构在完成紧急停车动作之后,是否没有自行恢复功能,必
须采用手动才能恢复启动。
对使用单手操作可能发生危险的设备(如启动芯盒向射芯机射砂头压紧
时),或有两个或两个以上操作者协同操作的设备,是否对每个操作者提供
双手操作按钮
两个按钮之间的距离是否在300mm~600mm之间
双手按压时间是否持续到手不能再进人工作危险区时为止。
夹紧装置是否装有能保证被夹工装(芯盒、金属铸型等)容腔(包括与其相连的压力腔)内的压力未完全降低时,或未达到工艺时限时不得打开的联锁装置或控制装置
5 防尘、防毒
设备设施完
好无损,且
运行正常
每台设备是否装有防尘、防毒设备设施
防尘、防毒设备设施是否完好、有效
防尘、防毒设备设施是否与主机联锁
工艺设备启动前,防尘、防毒设备设施是否先行投入运行,
工艺设备停止后,防尘、防毒设备设施是否再停止运行
6 PE正确可
靠
PE是否可靠。
金属软套管、内部敷设电线的钢管等是否均不用作接地导线。
起连接作用的螺栓、螺钉或螺母,是否不用来连接地线。
7 压
铸
机
压铸型
区应有
防护装
置,且
与压射
程序连
锁
合型锁型程序是否与压射程序联锁
压铸机的锁型机构是否在合型后保证压铸型可靠锁紧
压铸型区是否设置防护装置(防护门、防护罩或挡板)
防护装置是否同控制系统保持联锁,
在防护装置未进入正确位置时,压铸机是否不能启动合型动作
制
芯
机
芯盒加
热棒长
短适
中,线
芯盒加热棒是否长短适中
线头连接是否整洁,安全可靠。
夹紧或合模闭锁装置是否设有能保证被夹工装完全关闭密合后才能执行下
一操作的联锁装置或控制装置
头连接
整洁,
安全可
靠
联锁装置或控制装置是否不会在工作过程中张开。
混砂机防护罩
有足够
的强
度,检
修门电
气连
锁,取
样门大
小合理
检修门电气是否联锁
取样门大小是否合理
混砂机防护罩是否有足够的强度
检修门是否与主机电气联锁,且安全有效
确保检修时,设备是否完全停止运行
封闭状态下生产的工序,是否在设备的适当的位置留有专用取样小门
取样门是否大小合理,以保证手不能伸人机内。
抛喷丸设备设备密
封良
好,门
(孔)
电气连
锁
对设备工作时可能发生砂子、弹丸等喷、溅造成危险的工作区,是否采取
相应的安全保护措施(如设置安全防护屏)及联锁装置。
高速旋转的零、部件是否进行必要的静平衡或动平衡检验,合格后方能安
装使用。
设备内壁是否装有能抵挡住弹丸冲击和磨损的护板。
护板是否安装牢固,更换方便。
喷丸控制开关是否牢固地安装在喷丸设备的喷丸软管或喷枪上,并便于操
作者使用。
控制开关的控制电压是否为安全电压。