实验六 RS触发器和D触发器
- 格式:doc
- 大小:412.41 KB
- 文档页数:9
触发器实验报告引言:触发器是数字电路中常见的基本组件之一,它能够存储和转换电信号,广泛应用于各种电子设备和系统中。
本实验旨在通过实际操作,深入理解触发器的工作原理和应用。
实验原理:触发器是一种双稳态电路,能够固定保存输入信号的状态。
常见的触发器包括RS触发器、D触发器、JK触发器等。
本实验将以D触发器为例进行演示。
实验步骤:1. 准备实验器材:D触发器芯片、电源、示波器以及适配器等。
2. 连接电路:将D触发器芯片插入适配器,并按照实验电路图连接相关引脚。
3. 提供输入信号:通过开关或信号源向D触发器提供输入信号。
4. 观察输出信号:使用示波器监测D触发器的输出信号,并记录相关数据。
5. 测量实验数据:改变输入信号的频率和幅值,测量触发器的输出变化,并记录数据。
6. 分析实验结果:根据观察到的数据,分析D触发器的工作原理和特性。
实验结果与分析:通过实验观察和实际数据记录,我们可以得出以下结论:1. D触发器具有边沿触发和电平触发两种模式。
在边沿触发模式下,触发器仅在输入信号上升沿(或下降沿)时才进行状态转换;而在电平触发模式下,输入信号处于高电平(或低电平)时触发器状态保持不变。
2. D触发器的输出状态受到输入信号和时钟信号的控制。
输入信号为逻辑高电平时,若时钟信号为上升沿触发,则输出信号将与上一时钟周期的输入信号一致;若时钟信号为下降沿触发,则输出信号将与上一时钟周期的输入信号相反。
3. 改变输入信号的频率和幅值,我们发现触发器的输出信号频率和幅值也发生了相应的变化。
当输入信号频率较低时,触发器能够稳定存储和输出输入信号;而当输入信号频率较高时,触发器可能无法及时反应输入信号的状态变化,导致输出信号不准确。
实验应用:触发器作为数字电路中的重要组件,在现代电子技术中有着广泛的应用:1. 存储器芯片中广泛使用的触发器技术,使得计算机能够对数据进行有效地存储和读取。
2. 触发器在时序电路中的应用,能够实现时钟同步、状态变化检测等功能。
一、实验目的1. 理解触发器的概念、原理和功能。
2. 掌握触发器的分类、结构和逻辑功能。
3. 通过实验,验证触发器的逻辑功能,加深对触发器原理的理解。
二、实验原理触发器是一种具有记忆功能的电路,可以存储1个二进制位的信息。
它有两个稳定的状态:SET(置位)和RESET(复位)。
触发器的基本结构是RS触发器,由两个与非门组成,其逻辑功能可用真值表表示。
触发器按触发方式可分为同步触发器和异步触发器;按逻辑功能可分为RS触发器、D触发器、JK触发器和T触发器等。
三、实验仪器与材料1. 74LS74双D触发器芯片2. 74LS02四2输入与非门芯片3. 74LS00四2输入或非门芯片4. 74LS20四2输入或门芯片5. 74LS32四2输入与门芯片6. 74LS86四2输入异或门芯片7. 74LS125八缓冲器芯片8. 74LS126八缓冲器芯片9. 电源10. 示波器11. 信号发生器12. 逻辑笔四、实验内容1. RS触发器实验(1)搭建RS触发器电路:将74LS74芯片的Q1端与Q2端连接,Q1端接与非门74LS02的输入端,Q2端接与非门74LS02的输入端。
将74LS02的输出端分别连接到74LS20的输入端和74LS32的输入端。
(2)观察RS触发器逻辑功能:通过逻辑笔观察Q1端和Q2端的输出状态,记录下不同输入端S和R的值。
(3)分析RS触发器逻辑功能:根据真值表分析RS触发器的逻辑功能,得出结论。
2. D触发器实验(1)搭建D触发器电路:将74LS74芯片的Q1端接与非门74LS02的输入端,Q2端接与非门74LS02的输入端。
将74LS02的输出端分别连接到74LS20的输入端和74LS32的输入端。
(2)观察D触发器逻辑功能:通过逻辑笔观察Q1端和Q2端的输出状态,记录下不同输入端D的值。
(3)分析D触发器逻辑功能:根据真值表分析D触发器的逻辑功能,得出结论。
3. JK触发器实验(1)搭建JK触发器电路:将74LS74芯片的Q1端接与非门74LS02的输入端,Q2端接与非门74LS02的输入端。
rs触发器实验报告《RS触发器实验报告》摘要:本实验旨在通过搭建RS触发器电路,探究其工作原理和性能特点。
通过实验数据的收集和分析,我们得出了RS触发器的真值表和时序图,并对其稳定性和可靠性进行了评估。
实验结果表明,RS触发器在特定条件下能够实现稳定的状态转换,具有一定的应用潜力。
引言:RS触发器是数字电路中常用的一种触发器类型,它能够实现存储和传输数据的功能,广泛应用于各种数字系统中。
本实验旨在通过实际搭建电路和观察实验现象,深入理解RS触发器的工作原理和性能特点,为进一步应用和研究提供基础。
实验目的:1. 了解RS触发器的基本结构和工作原理;2. 掌握RS触发器的真值表和时序图的绘制方法;3. 评估RS触发器的稳定性和可靠性。
实验原理:RS触发器由两个交叉连接的门电路组成,其中一个门电路的输出端连接到另一个门电路的输入端,形成一个反馈环路。
当输入端的信号发生变化时,通过反馈环路的作用,触发器的输出端状态也会相应发生变化。
RS触发器有两个输入端(R和S)和两个输出端(Q和Q'),通过不同的输入信号组合可以实现不同的状态转换。
实验步骤:1. 按照实验指导书上的电路图搭建RS触发器电路;2. 分别给R和S输入端施加不同的信号组合,记录输出端的状态变化;3. 根据实验数据绘制RS触发器的真值表和时序图;4. 对实验结果进行分析和总结。
实验结果与分析:通过实验数据的收集和分析,我们得出了RS触发器的真值表和时序图。
在不同的输入信号组合下,触发器的输出状态发生了相应的变化,符合触发器的工作原理。
同时,我们还评估了触发器的稳定性和可靠性,发现在一定条件下,触发器能够实现稳定的状态转换,具有一定的应用潜力。
结论:本实验通过搭建RS触发器电路,深入探究了其工作原理和性能特点。
实验结果表明,RS触发器能够实现稳定的状态转换,具有一定的应用潜力。
通过本实验的学习,我们对数字电路中的触发器类型有了更深入的理解,为进一步的学习和研究打下了基础。
触发器实验报告一、实验目的本次实验的主要目的是深入了解触发器的工作原理和功能,通过实际操作和观察,掌握触发器在数字电路中的应用,以及如何利用触发器实现特定的逻辑功能。
二、实验原理触发器是一种具有存储功能的基本逻辑单元,能够在时钟信号的控制下,根据输入信号的变化改变其输出状态,并保持该状态直到下一个时钟脉冲的到来。
常见的触发器类型包括 D 触发器、JK 触发器、SR 触发器等。
D 触发器是在时钟脉冲上升沿或下降沿时,将输入数据(D 端)传输到输出端(Q 端)。
JK 触发器则根据输入的 J、K 信号和时钟脉冲来决定输出状态的翻转。
SR 触发器则由置位(S)和复位(R)信号控制输出状态。
三、实验设备与材料1、数字电路实验箱2、 74LS74(D 触发器)芯片、74LS112(JK 触发器)芯片、74LS279(SR 触发器)芯片3、示波器4、逻辑笔5、杜邦线若干四、实验内容与步骤1、 D 触发器实验按照实验箱的引脚说明,将 74LS74 芯片正确插入插座。
连接时钟信号源,将其频率设置为适当的值。
将 D 输入端分别接高电平和低电平,用逻辑笔观察 Q 和 Q'输出端的状态变化,并记录在表格中。
使用示波器观察时钟信号和 Q 输出端的波形,分析其关系。
2、 JK 触发器实验插入 74LS112 芯片,按照引脚连接电路。
设置不同的 J、K 输入组合,观察并记录 Q 输出端的状态变化。
同样使用示波器观察相关波形。
3、 SR 触发器实验安装 74LS279 芯片,连接电路。
改变 S、R 输入端的电平,观察 Q 输出端的状态。
五、实验数据记录与分析1、 D 触发器实验数据| D 输入| Q 输出(上升沿)| Q 输出(下降沿)|||||| 0 | 0 | 0 || 1 | 1 | 1 |从数据可以看出,在时钟上升沿或下降沿时,D 触发器能够准确地将 D 输入端的电平传输到 Q 输出端。
2、 JK 触发器实验数据| J | K | Q 输出(上升沿)| Q 输出(下降沿)||||||| 0 | 0 |保持|保持|| 0 | 1 | 0 | 0 || 1 | 0 | 1 | 1 || 1 | 1 |翻转|翻转|分析可知,JK 触发器的输出状态根据 J、K 输入和时钟脉冲的组合进行相应的变化。
实验六触发器一、实验目的1. 学习触发器逻辑功能的测试方法。
2. 熟悉基本RS触发器的组成、工作原理和性能。
3. 熟悉集成JK触发器和D触发器的逻辑功能及触发方式。
二、实验原理触发器具有两个稳定状态,用以表示逻辑状态“1”和逻辑状态“0”,在一定的外界信号作用下,可以从一个稳定状态翻转到另一个稳定状态,它是一个具有记忆功能的二进制信息存储器件,是构成各种时序电路的最基本的逻辑单元。
1.基本RS触发器基本RS触发器是一种无时钟控制的低电平直接触发的触发器。
它具有置“0”、置“1”和“保持”三种功能。
通常S端为置“1”端,因为S=0时触发器被置“1”;R为置“0”端,因为R=0时触发器被置“0”;当S=R=1时,状态保持。
基本RS触发器可以用两个“与非门”(如图6-1)或两个“或非门”组成。
2.JK触发器在输入信号为双端输入的情况下,JK触发器是功能完善、使用灵活和通用性较强的一Q+K Q n,J和K是数据输入端,是触发器状态更新的种触发器。
其状态方程为:Q n+1=J n依据,若J、K有两个或两个以上输入端时,组成“与”的关系。
Q与Q为两个互补输出端,通常把Q=0、Q=1的状态规定为触发器的“0”状态;而把Q=1、Q=0规定为“1”状态。
JK触发器输出状态的更新发生在CP脉冲的下降沿。
JK触发器通常被用作缓冲存储器、移位寄存器和计数器等。
3.D触发器在输入信号为单端输入的情况下,D触发器用起来比较方便。
它的状态方程为:Q n+1=D n,其输出状态的更新发生在CP脉冲的上升沿,所以又称为上升沿触发的边沿触发器。
触发器的状态只取决于时钟到来前D端的状态,D触发器可用作数字信号的寄存、移位寄存、分频和波形发生等。
4.触发器间的转换在集成触发器中,每一种触发器都有自己固定的逻辑功能。
我们可以利用转换的方法获得具有其它功能的触发器。
例如将JK触发器转换成T和Tˊ触发器,也可将JK触发器转换成D触发器。
三、实验仪器及器件1. DS1052E型示波器2. EL-ELL-Ⅳ型数字电路实验系统3. 器件:集成电路芯片74LS00 74LS112 74LS74四、实验内容及步骤1.基本RS 触发器的逻辑功能测试在实验仪上选用74LS00,按图6-1连接实验电路,即为基本RS 触发器。
触发器实验报告一、实验目的本次触发器实验的主要目的是深入理解触发器的工作原理和功能,通过实际操作和观察,掌握触发器在数字电路中的应用,以及其对信号的存储和转换作用。
二、实验原理1、触发器的定义与分类触发器是一种具有记忆功能的基本逻辑单元,能够存储一位二进制信息。
常见的触发器类型包括基本 RS 触发器、JK 触发器、D 触发器等。
2、基本 RS 触发器由两个与非门交叉连接而成,具有置 0 和置 1 功能,但存在输入约束条件。
3、 JK 触发器在时钟脉冲的作用下,根据输入的 J、K 信号进行状态翻转。
4、 D 触发器在时钟脉冲上升沿或下降沿时,将输入的 D 信号存储到触发器中。
三、实验设备与器材1、数字电路实验箱2、集成电路芯片:74LS00(四 2 输入与非门)、74LS74(双 D 触发器)、74LS112(双 JK 触发器)3、示波器4、导线若干四、实验内容及步骤1、基本 RS 触发器实验(1)按照电路图在实验箱上连接好 74LS00 芯片,组成基本 RS 触发器。
(2)通过改变输入 R、S 的电平,观察输出 Q 和 Q'的状态变化,并记录在表格中。
2、 JK 触发器实验(1)将 74LS112 芯片插入实验箱,按照电路图连接好 JK 触发器。
(2)设置不同的 J、K 输入组合和时钟脉冲,观察并记录 Q 和 Q'的输出状态。
3、 D 触发器实验(1)使用 74LS74 芯片搭建 D 触发器电路。
(2)改变 D 输入和时钟信号,记录 Q 和 Q'的输出。
五、实验数据记录与分析1、基本 RS 触发器数据记录| R | S | Q | Q' ||||||| 0 | 0 |保持|保持|| 0 | 1 | 1 | 0 || 1 | 0 | 0 | 1 || 1 | 1 |不定|不定|分析:当 R=0、S=1 时,触发器被置 1;当 R=1、S=0 时,触发器被置 0;当 R=S=0 时,触发器保持原状态;当 R=S=1 时,输出状态不定,不符合正常工作条件。
触发器实验报告一、实验目的本次实验的主要目的是深入了解和掌握触发器的工作原理、功能特性以及其在数字电路中的应用。
通过实际操作和观察,验证触发器的逻辑功能,提高对数字电路的理解和设计能力。
二、实验原理(一)触发器的定义和分类触发器是一种具有记忆功能的基本逻辑单元,能够存储一位二进制信息。
根据其逻辑功能的不同,可分为 RS 触发器、JK 触发器、D 触发器和 T 触发器等。
(二)RS 触发器RS 触发器是最简单的触发器类型,由两个与非门交叉连接而成。
它具有两个输入端:R(复位端)和 S(置位端)。
当 R 为 0 且 S 为 1 时,触发器被置位;当 R 为 1 且 S 为 0 时,触发器被复位;当 R 和 S都为 1 时,触发器状态保持不变;当 R 和 S 都为 0 时,触发器状态不定,这是不允许的输入情况。
(三)JK 触发器JK 触发器在 RS 触发器的基础上增加了两个输入端 J 和 K。
当 J 为1 且 K 为 0 时,触发器被置位;当 J 为 0 且 K 为 1 时,触发器被复位;当 J 和 K 都为 1 时,触发器状态翻转;当 J 和 K 都为 0 时,触发器状态保持不变。
(四)D 触发器D 触发器的输入端只有一个 D。
在时钟脉冲的上升沿,D 触发器将输入 D 的值存储到输出端 Q。
(五)T 触发器T 触发器只有一个输入端 T。
当 T 为 1 时,在时钟脉冲的作用下,触发器状态翻转;当 T 为 0 时,触发器状态保持不变。
三、实验设备与器材1、数字电路实验箱2、 74LS00(四 2 输入与非门)芯片3、 74LS74(双 D 触发器)芯片4、 74LS112(双 JK 触发器)芯片5、示波器6、直流电源7、逻辑电平测试笔8、连接导线若干四、实验内容及步骤(一)RS 触发器实验1、按照图 1 所示,在实验箱上使用 74LS00 芯片搭建 RS 触发器电路。
2、分别将 R 和 S 端接入逻辑电平测试笔,设置不同的输入组合(00、01、10、11),观察并记录输出端 Q 和 Q'的电平状态。
实验报告触发器实验报告:触发器引言:触发器是数字电路中常见的重要元件,它可以存储和控制信号的传输。
本实验旨在通过实际搭建触发器电路,了解其工作原理和应用。
一、实验目的本实验的目的是通过实际搭建触发器电路,掌握触发器的工作原理、特性和应用。
二、实验器材和原理2.1 实验器材:- 电路实验板- 电源- 电压表- 电流表- 逻辑门芯片- 连接线2.2 实验原理:触发器是一种存储器件,可以存储和控制信号的传输。
它由多个逻辑门组成,根据输入信号的不同,可以分为RS触发器、D触发器、JK触发器和T触发器等多种类型。
三、实验步骤3.1 搭建RS触发器电路首先,将两个逻辑门芯片连接在电路实验板上,一个作为RS触发器的输入端,另一个作为输出端。
然后,将电源和适当的电阻连接到逻辑门芯片上,以提供所需的电压和电流。
最后,根据电路图连接连线,搭建完整的RS触发器电路。
3.2 检验和调试电路在搭建好电路后,使用电压表和电流表检验电路的电压和电流是否正常。
如果有异常,需要及时排除故障。
然后,通过改变输入信号,观察输出信号的变化。
根据实验结果,对电路进行调试,确保触发器的正常工作。
3.3 测试触发器的特性在调试完电路后,可以进行一些实验来测试触发器的特性。
例如,可以通过改变输入信号的频率和占空比,观察输出信号的变化。
还可以通过改变逻辑门芯片的类型,比较不同类型触发器的性能差异。
四、实验结果和分析通过实验,我们可以得到触发器的工作特性和性能数据。
根据实验结果,我们可以分析触发器的优缺点,以及在数字电路设计中的应用。
五、实验总结触发器作为数字电路中的重要元件,在现代电子技术中得到了广泛应用。
通过本实验,我们深入了解了触发器的工作原理、特性和应用。
同时,我们也学会了搭建触发器电路、调试电路和分析实验结果的方法。
六、实验心得通过本次实验,我深刻认识到了触发器在数字电路中的重要性。
触发器可以存储和控制信号的传输,是数字电路中的核心部件之一。
触发器功能测试实验报告触发器功能测试实验报告一、引言触发器是数字电路中常见的重要元件之一,其具有存储和放大信号的功能。
触发器的功能测试是电子工程师在设计和制造数字电路时必不可少的一项工作。
本实验旨在通过对不同类型的触发器进行功能测试,验证其在不同工作模式下的正确性和稳定性。
二、实验目的1. 了解触发器的基本原理和工作模式;2. 掌握触发器的功能测试方法;3. 验证不同类型触发器的工作特性。
三、实验器材和材料1. 实验板;2. 电源供应器;3. 逻辑分析仪;4. 电压表;5. 连接线。
四、实验步骤1. 准备工作:将实验板连接好电源供应器和逻辑分析仪,并确保连接正确;2. 功能测试:依次测试RS触发器、D触发器、JK触发器和T触发器的工作特性。
五、实验结果与分析1. RS触发器测试:a. 将RS触发器的S端和R端分别接入逻辑分析仪的输入端,CLK端接入逻辑分析仪的时钟信号输出端;b. 通过逻辑分析仪观察输入信号和输出信号的波形,并记录下来;c. 分析波形,验证RS触发器在不同输入情况下的工作特性。
2. D触发器测试:a. 将D触发器的D端接入逻辑分析仪的输入端,CLK端接入逻辑分析仪的时钟信号输出端;b. 通过逻辑分析仪观察输入信号和输出信号的波形,并记录下来;c. 分析波形,验证D触发器在不同输入情况下的工作特性。
3. JK触发器测试:a. 将JK触发器的J端和K端分别接入逻辑分析仪的输入端,CLK端接入逻辑分析仪的时钟信号输出端;b. 通过逻辑分析仪观察输入信号和输出信号的波形,并记录下来;c. 分析波形,验证JK触发器在不同输入情况下的工作特性。
4. T触发器测试:a. 将T触发器的T端接入逻辑分析仪的输入端,CLK端接入逻辑分析仪的时钟信号输出端;b. 通过逻辑分析仪观察输入信号和输出信号的波形,并记录下来;c. 分析波形,验证T触发器在不同输入情况下的工作特性。
六、实验结论通过对RS触发器、D触发器、JK触发器和T触发器的功能测试,我们可以得出以下结论:1. RS触发器具有存储和放大信号的功能,可以用于实现简单的存储器和时序电路;2. D触发器可以将输入信号在时钟脉冲到来时存储,并在下一个时钟脉冲到来时输出;3. JK触发器是一种带有异步清零和置位功能的触发器,可以用于实现频率分割和计数器等电路;4. T触发器是一种特殊的JK触发器,其输入端和输出端相连,可以实现频率分割和频率加倍等功能。
实验六触发器逻辑功能测试及应用
一、实验目的:
1、掌握基本RS、JK、D、T和T′触发器的逻辑功能;
2、学会验证集成触发器的逻辑功能及使用方法;
3、熟悉触发器之间相互转换的方法。
二、实验原理:
触发器:根据触发器的逻辑功能的不同,又可分为:SR锁存器、脉冲触发的触发器、边沿触发的触发器、电平触发的触发器。
三、实验仪器与器件:
实验仪器设备:D2H+型数字电路实验箱。
集成块:74LS11274LS7474LS0474LS0874LS0274LS86
四、实验内容与步骤:
1、基本RS触发器逻辑功能的测试:
Qn+1=S+RQ,SR=0(为约束项)
电路图为:
示波器如图:
电路图为:
示波器如图:
3、D触发器逻辑功能测试:
示波器如图:
(1)异步输入端功能测试:
示波器如图:
(2)D触发器逻辑功能测试:
示波器如图:
4、不同类型时钟触发器间的转换:
JK转换为D触发器:
示波器如图:
D转换为JK触发器:
示波器如图:
JK转换为T触发器:
示波器如图:
T转换为JK触发器:
示波器如图:
JK转换为RS触发器:
示波器如图:
RS转换为JK触发器:
示波器:
五、实验体会与要求:
1、根据实验结果,写出各个触发器的真值表。
2、试比较各个触发器有何不同?
3、写出不同类型时钟触发器间的转换过程。
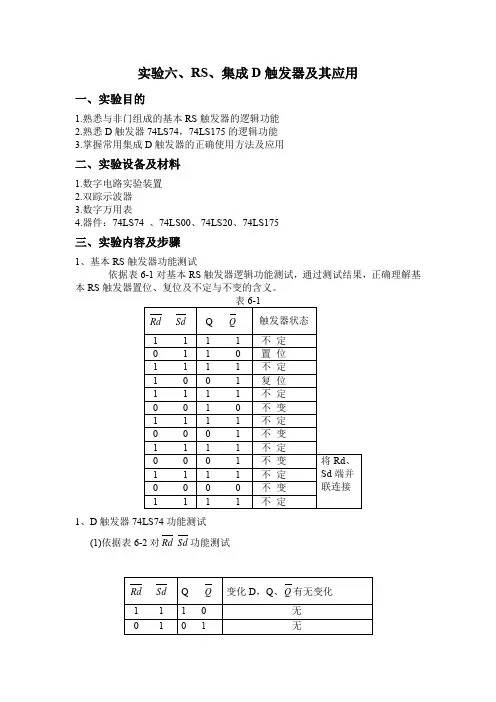
实验六、RS、集成D触发器及其应用
一、实验目的
1.熟悉与非门组成的基本RS触发器的逻辑功能
2.熟悉D触发器74LS74,74LS175的逻辑功能
3.掌握常用集成D触发器的正确使用方法及应用
二、实验设备及材料
1.数字电路实验装置
2.双踪示波器
3.数字万用表
4.器件:74LS74 、74LS00、74LS20、74LS175
三、实验内容及步骤
1、基本RS触发器功能测试
依据表6-1对基本RS触发器逻辑功能测试,通过测试结果,正确理解基本RS触发器置位、复位及不定与不变的含义。
1、D触发器74LS74功能测试
(1)依据表6-2对Rd Sd功能测试
表6-2
2)依据表6-3对D触发器功能测试(Rd Sd悬空)注意:1.先置好D,再置CP
2.观察在CP=0,CP=1期间,D的变化对Q Q的影响
3、D
(1)集成D触发器74LS74:D—Q连接,加入CP时钟信号(1KHz),用双踪示波器观察并记录CP、Q、Q波形。
指出:○1电路功能○2CP触发作用沿○3Q和Q的异同。
1:D触发器是一种
(2)用集成D触发器74LS74组成分频移相电路图6-1,输入1KHz方波信号测试输出并画出波形。
V01 V02
D F0 Q D F2 Q
Q Q
CP
输出波形如下图示:
四、回答问题:
为什么在触发器功能测试中首先置好控制端D,再置CP?。
一、实验目的1. 理解触发器的原理和功能。
2. 掌握触发器的电路组成和基本工作原理。
3. 学习触发器在数字电路中的应用。
4. 提高实验操作能力和分析问题的能力。
二、实验原理触发器是一种具有记忆功能的数字电路,它能够保存一个二进制状态。
触发器的基本类型有RS触发器、JK触发器、D触发器等。
本实验以RS触发器为例,介绍触发器的原理和功能。
RS触发器由两个与非门组成,其中S为置位端,R为复位端,Q为输出端,Q'为输出端的反相端。
当S=0,R=1时,触发器被置位,Q=1,Q'=0;当S=1,R=0时,触发器被复位,Q=0,Q'=1;当S=0,R=0时,触发器保持原状态;当S=1,R=1时,触发器处于不定状态。
三、实验仪器与设备1. 数字电路实验箱2. 74LS00集成电路(与非门)3. 逻辑电平开关4. 逻辑电平显示器5. 连接线四、实验步骤1. 连接电路根据实验原理图,将两个与非门连接起来,构成RS触发器。
具体连接方式如下:(1)将与非门的输入端A1、A2分别连接到逻辑电平开关;(2)将与非门的输出端Y1、Y2分别连接到逻辑电平显示器;(3)将与非门的输出端Y1连接到与非门的输入端B1,将与非门的输出端Y2连接到与非门的输入端B2。
2. 观察触发器状态(1)打开电源,将S端置为0,R端置为1,观察Q和Q'端的状态,记录下来;(2)将S端置为1,R端置为0,观察Q和Q'端的状态,记录下来;(3)将S端置为0,R端置为0,观察Q和Q'端的状态,记录下来;(4)将S端置为1,R端置为1,观察Q和Q'端的状态,记录下来。
3. 分析实验结果根据实验步骤观察到的触发器状态,分析触发器在不同输入下的工作原理,验证触发器的功能。
五、实验结果与分析1. 观察到当S=0,R=1时,触发器被置位,Q=1,Q'=0;2. 观察到当S=1,R=0时,触发器被复位,Q=0,Q'=1;3. 观察到当S=0,R=0时,触发器保持原状态;4. 观察到当S=1,R=1时,触发器处于不定状态。
实验六触发器一、实验目的1. 学习触发器逻辑功能的测试方法。
2. 熟悉基本RS触发器的组成、工作原理和性能。
3. 熟悉集成JK触发器和D触发器的逻辑功能及触发方式。
二、实验原理触发器具有两个稳定状态,用以表示逻辑状态“1”和逻辑状态“0”,在一定的外界信号作用下,可以从一个稳定状态翻转到另一个稳定状态,它是一个具有记忆功能的二进制信息存储器件,是构成各种时序电路的最基本的逻辑单元。
1.基本RS触发器基本RS触发器是一种无时钟控制的低电平直接触发的触发器。
它具有置“0”、置“1”和“保持”三种功能。
通常S端为置“1”端,因为S00时触发器被置“1”;R为置“0”端,因为R00时触发器被置“0”;当S0R01时,状态保持。
基本RS触发器可以用两个“与非门”(如图6-1)或两个“或非门”组成。
2.JK触发器在输入信号为双端输入的情况下,JK触发器是功能完善、使用灵活和通用性较强的一Q+K Q n,J和K是数据输入端,是触发器状态更新种触发器。
其状态方程为:Q n+10J n的依据,若J、K有两个或两个以上输入端时,组成“与”的关系。
Q与Q为两个互补输出端,通常把Q00、Q01的状态规定为触发器的“0”状态;而把Q01、Q00规定为“1”状态。
JK触发器输出状态的更新发生在CP脉冲的下降沿。
JK触发器通常被用作缓冲存储器、移位寄存器和计数器等。
3.D触发器在输入信号为单端输入的情况下,D触发器用起来比较方便。
它的状态方程为:Q n+1=D n,其输出状态的更新发生在CP脉冲的上升沿,所以又称为上升沿触发的边沿触发器。
触发器的状态只取决于时钟到来前D端的状态,D触发器可用作数字信号的寄存、移位寄存、分频和波形发生等。
4.触发器间的转换在集成触发器中,每一种触发器都有自己固定的逻辑功能。
我们可以利用转换的方法获得具有其它功能的触发器。
例如将JK触发器转换成T和Tˊ触发器,也可将JK触发器转换成D触发器。
三、实验仪器及器件1. DS1052E型示波器2. EL-ELL-VI型数字电路实验系统3. 器件:集成电路芯片74LS00 74LS112 74LS74四、实验内容及步骤1.基本RS 触发器的逻辑功能测试在实验仪上选用74LS00,按图6-1连接实验电路,即为基本RS 触发器。
d触发器实验报告D触发器实验报告引言:D触发器是数字电路中常用的一种时序电路元件,它可以存储和传递一个位的信息。
本实验旨在通过搭建一个D触发器电路并进行相应测试,探究其工作原理和性能特点。
实验目的:1. 了解D触发器的基本原理和逻辑功能;2. 掌握D触发器的搭建方法和测试技巧;3. 分析D触发器的工作性能和应用场景。
实验原理:D触发器是一种基于双稳态器件的时序电路元件。
它由两个互补的双稳态器件构成,其中一个用于存储输入信号,另一个用于传递输出信号。
D触发器的输入端称为数据输入端(D),输出端称为输出端(Q)。
当时钟信号(Clk)上升沿到来时,D触发器将数据输入端(D)的电平状态存储到输出端(Q)上,形成一个稳定的输出。
当时钟信号下降沿到来时,D触发器保持上一个时钟周期的输出状态不变。
实验材料:1. D触发器芯片;2. 电路连接线;3. 示波器;4. 信号发生器。
实验步骤:1. 将D触发器芯片插入实验板中,并按照芯片引脚图连接相应的电路线;2. 将信号发生器的输出连接到D触发器的数据输入端(D);3. 将示波器的探头分别连接到D触发器的时钟输入端(Clk)和输出端(Q);4. 设置信号发生器的频率和幅值,并观察示波器上的波形变化;5. 调节信号发生器的频率和幅值,观察D触发器的输出变化情况。
实验结果与分析:通过实验,我们观察到了D触发器的工作原理和性能特点。
当信号发生器输出一个高电平信号时,D触发器在时钟上升沿到来时将该信号存储到输出端(Q)上,并保持不变。
当信号发生器输出一个低电平信号时,D触发器在时钟上升沿到来时将输出端(Q)置为低电平。
这种存储和传递输入信号的特性使得D触发器在数字电路中应用广泛,例如在时序电路、计数器和存储器等方面。
实验中我们还观察到了D触发器的响应速度和稳定性。
随着信号发生器频率的增加,我们发现D触发器的输出波形变得更加稳定,并且响应速度更快。
这说明D触发器在高频率信号处理方面具有良好的性能。
第六次试验报告
实验内容:
1、验证RS 触发器的逻辑功能
2、动态方法测试D 触发器
3、用D 触发器做出四分频电路
实验器材和元器件:74LS00、74LS74、自制硬件基础电路实验箱、导线若干、示波器 实验预习: 1、D 锁存器: Q * = D
当CLK = 1时输出端状态随输入端的状态而改变。
当CLK = 0时输出状态保持不变。
2、RS 触发器
G 1和G 2门构成基本RS 触发器。
用G 3和G 4两门引入时钟信号CLK 。
1
G 3
G 4
G S
C L K
R
2
G Q
Q '
电路结构
Q
Q '
C L K
1S
1R
1
C 图形符号
Q D CLK
Q'
1D C1
D
1
G 3G 4
G C L K
2
G Q
Q '
工作原理:
CLK=0时:G 3、G 4门均输出1,基本RSFF 处在保持原来状态; CLK=1时:此时电路就是一个基本RSFF ,只需把输入信号S 、R 分别看作:S=S ''、R=R ''
上图中,框内的C1表示CP 是编号为1的一个控制信号。
1S 和1R 表示受C1控制的两个输入信号,只有在C1为有效电平时,1S 和1R 信号才能起作用。
框外的输入端处没有小圆圈表示CP 以高电平为有效电平。
如果在CLK 输入端画有小圆圈,则表示以低电平为有效电平。
特性表、特性方程、波形图:
动作特点:
只有当CLK 变为有效电平时,触发器
才能接受输入信号,并按照输入信号将触发器的输出置成相应的状态。
在CLK=1的全部时间里
S 和R
的变化都将引起触发器输出端状态的变化。
如果CLK=1期间内输入信号多次发生变化,
则触发器的状态也会发生多次翻转,
CL K S R Q Q*
0 × × 0 0 0 × × 1 1 1 0 0 0 0 1 0 0 1 1 1 0 1 0 0 1 0 1 1 0 1 1 0 0 1 1 1 0 1 1 1
1 1 0 1* 1 1
1
1
1*
*
='+=SR Q R S Q 置0 置1 不允许
保持
这降低了电路的抗干扰能力。
3、分频电路:
分频电路作用如下:1、合理地分割各单元的工作频段;2、合理地进行各单元功率分配;3、使各单元之间具有恰当的相位关系以减少各单元在工作中出现的声干涉失真;4、利用分频电路的特性以弥补单元在某频段里的声缺陷;5、将各频段圆滑平顺地对接起来。
显然,分频电路的这些作用已被人们所认识和接受。
分频点脉冲分频电路分频点指分频器高通、带通和低通滤波器之间的分界点,常用频率来表示,单位为赫兹。
实验电路:
1、RS触发器
2、D锁存器
实验过程:
1、RS触发器
(1)用74LS00构成一个RS触发器。
/R、/S端接电平开关输出,Q、/Q端接电平指示灯。
(2)改变/R、/S的电平,观察并记录Q、/Q的值。
2、动态方法测D触发器74LS74的逻辑功能
(1)将CD(复位)、SD(置位)引脚接实验台电平开关输出,Q、/Q引脚接电平指示灯,改变CD、SD的电平,观察并记录Q、/Q的值。
(2)置CD、SD引脚为高电平,D(数据)引脚接电平开关输出,CLK(时钟)引脚接单脉冲。
在D为高电平和低电平的情况,分别按单脉冲按钮,观察Q、/Q的值,记录下来。
(3)再将D引脚接1MHz脉冲源,CLK引脚接10MHz脉冲源。
用双踪示波器同时观察Q端和CLK端,记录波形;再观察D端和CK 端,记录波形;最后观察D端和Q端,记录波形。
3、二分频和四分频电路
连接电路,观察并记录图像。
实验结果和数据: 1、RS 触发器:
2、D 触发器逻辑功能:
(1)CD=0,SD=1,测得/Q=1,Q=0。
(2)CD=1,SD=1,
测得/Q=1,Q=0。
(3)CD=1,SD=1,测得/Q=0,Q=1。
(4)CD=1,SD=1,测得/Q=0,Q=1。
(5)CD=0,SD=0,测得/Q=1,Q=1。
(6)CD=1,SD=1,D=1,CLK 接单脉冲,按单脉冲按钮,测得/Q=0,Q=1。
(7)CD=1,SD=1,D=0,CLK 接单脉冲,按单脉冲按钮,测得/Q=1,Q=0。
(8)CD=1,SD=1,D 接100kHz 脉冲,CLK 接500kHz ,测得波形如下: CK-Q 图像:
输入 输出
/R /S /Q Q 0 0 1 1 0 1 1 0 1 0 0
1
1
1
Qo Qo
最大值:Vmax1=4v,Vmax2=2v 最小值:Vmin1=0v,Vmin2=-2v 峰峰值:4v
占控比:A:50% B:60% CK-D图像:
最大值:Vmax1=4v,Vmax2=2v 最小值:Vmin1=0v,Vmin2=-2v 峰峰值:4v
占控比:A:50% B:60%
D-Q
图形
最大值:Vmax1=4v,Vmax2=2v
最小值:Vmin1=0v,Vmin2=-2v
峰峰值:4v
占控比:A:60% B:60%
D触发器的功能表如下:
输入输出
S D C
D
CL
K
D Q /Q
L H X X H L H L X X L H L L X X H H H H ↑H H L H H ↑L L H H H ↑X Qo /Qo
二分频图像:
最大值:Vmax1=4v,Vmax2=2v 最小值:Vmin1=0v,Vmin2=-2v 峰峰值:4v
占控比:A:60% B:50%
四分频图像:
最大值:Vmax1=4v,Vmax2=2v 最小值:Vmin1=0v,Vmin2=-2v
峰峰值:4v
占控比:A:60% B:50%
实验总结:
熟悉了RS触发器和D触发器的逻辑功能,学会了如何连接分频电路。