测控电路设计
- 格式:doc
- 大小:1.45 MB
- 文档页数:19
实验报告课程名称测控电子技术实验名称测控电子技术课程实验实验日期2012.12.27—2012.12.30学生专业测控技术与仪器学生学号学生姓名实验室名称测控技术实验室教师姓名周严成绩南京理工大学机械工程学院实验一有源二阶低通滤波器的设计1、实验目的实验旨在锻练学生自行设计、调试有源二阶低通滤波器的能力,更深入地掌握巴特沃思型二阶有源低通滤波器的设计方法,直观了解巴特沃思型低通滤波器的频率特性,加深对巴特沃思逼近方式的理解。
2、实验内容设计一二阶无限增益多路反馈巴特沃思型有源低通滤波器,要求截止频率f c=100Hz,增益A=1。
搭建并调试所设计的二阶有源低通滤波器,使电路的性能指标达到设计要求。
3、实验仪器设备1)双路直流稳压电源;2)双踪示波器;3)信号发生器;4)41/2位数字万用表;5)面包板。
4、实验电路设计及工作原理说明1)实验电路设计2)电路的工作原理说明5、实验步骤、现象、结果记录以及实验信息处理与分析1)实验步骤说明2)实验现象、结果记录表1.1 低通滤波器测试结果记录表3) 实验信息处理与分析(1)所设计滤波器的幅频特性、相频特性(3)评价所设计的滤波器性能6、思考题解答1)在设计元件参数时,为什么首先确定电容值?是否可以首先确定电阻值?2)在计算时为什么要求中间结果保留小数后6位?3)设计中采用的归一化系数B和C是怎样得到的?4)如果要设计指标相同的高通滤波器,电路形式应作何改动?5)设计指标相同的四阶无限增益多路反馈巴特沃思型有源低通滤波器,给出电路图并设计参数。
实验二多谐振荡器功能及指标的测试1、实验目的实验旨在使学生进一步了解基于电容充放电原理及比较器的多谐振荡器的工作原理及一般构成原则。
通过分析实验电路及实验操作,掌握积分器、比较器的工作原理,在此基础上掌握积分器及比较器在多谐振荡器中的应用,从中学习信号发生器的设计思想及工作原理。
2、实验内容分析所提供实验电路的工作原理及设计思路,搭建并调试实验电路,测试电路中规定测试点的波形,验证理论输出波形是否与实际相符;根据电路参数计算输出信号的频率值,测量输出信号的频率,验证理论值与实测值是否相符。
测控电路课程设计一、教学目标本节课的教学目标是让学生掌握测控电路的基本原理和应用,培养学生对测控电路的兴趣和好奇心,提高学生的实际操作能力和创新能力。
具体分为以下三个方面:1.知识目标:使学生了解测控电路的基本概念、组成原理和功能,理解测控电路在实际工程中的应用,掌握测控电路的基本分析和设计方法。
2.技能目标:培养学生运用测控电路解决实际问题的能力,能独立进行测控电路的安装、调试和维护,具备一定的实验操作技能。
3.情感态度价值观目标:激发学生对测控电路的热爱和兴趣,培养学生勇于探究、创新的精神,使学生认识到测控电路在现代社会中的重要地位和作用。
二、教学内容本节课的教学内容主要包括测控电路的基本原理、组成要素、功能及其在实际工程中的应用。
具体安排如下:1.教材章节:根据人教版《电子技术》第五章第三节“测控电路”进行教学。
2.教学内容:(1)测控电路的基本概念:介绍测控电路的定义、分类及其在工程中的应用。
(2)测控电路的组成原理:讲解测控电路的组成要素,包括传感器、信号处理电路、执行器等,以及它们之间的关系。
(3)测控电路的功能:介绍测控电路在自动控制、信号处理等方面的功能和作用。
(4)测控电路的分析与设计方法:讲解测控电路的分析与设计方法,包括系统建模、系统分析、控制器设计等。
(5)测控电路的实际应用案例:介绍测控电路在工业生产、科学研究等领域的实际应用案例。
三、教学方法为了提高教学效果,本节课将采用多种教学方法相结合的方式进行教学,具体如下:1.讲授法:教师对测控电路的基本概念、组成原理、功能及应用进行系统的讲解,使学生掌握测控电路的基本知识。
2.案例分析法:通过分析实际应用案例,使学生了解测控电路在工程中的应用和价值。
3.实验法:安排课堂实验,让学生亲自动手进行测控电路的安装、调试和维护,提高学生的实际操作能力。
4.讨论法:学生进行分组讨论,分享学习心得和经验,培养学生团队合作精神和沟通能力。
《测控电路》课程设计指导书一、课程设计的目的和意义《测控电路课程设计》是测控技术及仪器专业的一项专业实践环节,是《测控电路》理论课的有益补充。
《测控电路》是一门实践性很强的课程,在理论学习同时,要求学生掌握合理选择和使用常用电子仪器、测绘电路、调试电路、分析电路、测试电路性能和排除简单故障的能力,并通过设计加深对理论内容的理解。
本课程设计主要通过完成设计任务熟悉工业生产和科学研究中常用的测量和控制电路的设计流程和设计方法,使学生学会如何运用所学的单元电路,实现电路的总体思想,围绕具体测控任务设计、调试电路。
还要了解各种电子器件和集成电路的工作原理、构成,最终实现设计要求,并完成相应的电路。
使学生能把理论知识有效地应用于解决实际问题,培养学生的实际动手能力。
二、课程设计的基本要求通过本课程设计使学生熟悉怎样运用电子技术来解决测量与控制中的任务。
主要通过完成设计任务熟悉测控电路的设计流程和设计方法,熟练使用常用电子仪器,熟悉常用电子元器件的选择,掌握电路的实际制作工艺,掌握电路的调试方法,掌握排除简单电路故障的能力。
具体要求:1.课程设计前,指导教师布置课程设计内容及要求;2.题目为设计类型,只给出电路框图及要求,学生自己设计具体电路;3.指导教师安排答疑时间;4.实验每组2人,学生独立完成;5.根据设计的电路,安装、调试电路;6.电路调试成功后,指导教师检查记录;7.记录所用设备和测试数据,分析结果;8.学生在两周内完成设计和调试,写出设计说明书和电路板。
课程设计最后一天由指导教师组织答辩。
三、课程设计的内容及安排1.设计项目名称:有源滤波器电路设计2.课程设计主要内容:1)根据设计要求,设计电路,通过计算和查表,选择合适的运算放大器、电阻、电容等元器件。
2)按照设计的电路,安装电路。
3)对电路进行调试。
4)学习绘制电路原理图软件,画出电路原理图和印刷电路板图。
5)总结、讨论。
6)写出设计说明书3.进度安排第一周完成设计计算和安装电路,第二周完成电路调试,数据记录、印刷电路板图绘制、设计说明书和答辩。
测控电路课程设计
一、设计目的
通过测控电路的课程设计,学生将全面掌握测控电路的基本原理、设计方法及实现技术。
具体目标如下:
1. 深入理解测控电路的原理与技术;
2. 掌握常用传感器和执行器的使用方法;
3. 学会设计简单的测控电路;
4. 提高实践操作和解决问题的能力;
5. 培养团队协作和创新精神。
二、设计任务
设计一个温度控制系统,具体要求如下:
1. 使用热电阻作为温度传感器,实现温度的测量;
2. 设计一个控制电路,能够根据温度传感器测量的温度值,自动调节加热元件的功率,以实现温度的恒定控制;
3. 设计一个显示电路,实时显示当前温度值;
4. 设计一个按键电路,用于设定温度设定值;
5. 系统应具备过流保护功能,确保电路安全。
三、设计方案
1. 硬件电路设计:
a. 电源模块:为整个系统提供稳定的电源;
b. 传感器模块:采用热电阻测量温度,通过信号调理电路将温度信号转换为电信号;
c. 控制模块:根据温度信号调节加热元件的功率,实现温度的恒定控制;
d. 显示模块:使用LED显示屏实时显示当前温度值;
e. 按键模块:用于设定温度设定值;
f. 过流保护模块:检测电路中的电流异常,及时切断电源。
2. 软件程序设计:
a. 主程序:初始化硬件、启动定时器、开始循环检测温度和控制加热元件的功率;
b. 温度检测子程序:读取热电阻的电压信号,计算温度值;
c. 温度控制子程序:根据温度值和设定值比较,调节加热元件的功率;
d. 显示子程序:实时显示当前温度值;
e. 按键子程序:处理按键输入,设定温度设定值。
测控电路课程设计一、课程目标知识目标:1. 让学生掌握测控电路的基本原理,理解常见传感器的工作机制;2. 使学生了解测控电路在工程领域的应用,熟悉各类测控系统的组成;3. 帮助学生掌握模拟、数字信号处理的基本方法,提高数据采集、处理和分析的能力。
技能目标:1. 培养学生运用所学知识设计简单的测控电路,具备实际操作和调试的能力;2. 提高学生利用测控设备进行数据采集、处理和分析的技能,具备解决实际问题的能力;3. 培养学生团队协作、沟通交流的能力,提高项目执行和项目管理水平。
情感态度价值观目标:1. 激发学生对测控技术领域的兴趣,培养其探索精神和创新意识;2. 引导学生关注测控技术在现实生活中的应用,提高社会责任感和使命感;3. 培养学生严谨、务实的科学态度,树立正确的价值观。
本课程针对高年级学生,结合课程性质、学生特点和教学要求,将目标分解为具体的学习成果。
通过本课程的学习,使学生不仅掌握测控电路的基本知识和技能,还能在实际应用中发挥所学,为我国测控技术的发展贡献自己的力量。
同时,注重培养学生的团队协作能力和创新精神,提升其综合素质。
二、教学内容1. 测控电路基本原理:介绍传感器的工作机制、信号转换方法,分析常见传感器的特点及应用场景。
教材章节:第一章 测控电路基础2. 常见测控电路设计:讲解模拟电路、数字电路的设计方法,分析典型测控电路的原理和功能。
教材章节:第二章 常见测控电路设计3. 数据采集与处理:介绍数据采集系统组成、工作原理,讲解模拟信号、数字信号处理方法。
教材章节:第三章 数据采集与处理4. 测控系统应用案例分析:分析实际工程中的测控系统案例,讲解其设计思路、实施步骤及优化方法。
教材章节:第四章 测控系统应用案例5. 测控电路实践:组织学生进行实际操作,设计简单的测控电路,进行数据采集、处理和分析。
教材章节:第五章 测控电路实践6. 项目管理与团队协作:培养学生项目管理意识,提高团队协作能力,完成课程设计任务。
测控电路课程设计论文一、教学目标本课程的教学目标是让学生掌握测控电路的基本原理、基本知识和基本技能,能够运用测控电路解决实际问题。
具体来说,知识目标包括:掌握测控电路的基本概念、基本原理和基本方法;了解测控电路在工程中的应用和前景。
技能目标包括:能够使用常见的测控电路仪器和设备,具备分析和解决测控电路问题的能力。
情感态度价值观目标包括:培养学生对测控电路的兴趣和热情,提高学生的问题解决能力和创新意识。
二、教学内容根据课程目标,本课程的教学内容主要包括测控电路的基本原理、基本知识和基本技能。
具体来说,教学大纲如下:第一章:测控电路概述1.1 测控电路的定义和发展1.2 测控电路的基本原理1.3 测控电路的应用和前景第二章:测控电路的基本元件2.1 电阻元件2.2 电容元件2.3 电感元件2.4 运算放大器第三章:测控电路的基本电路3.1 测量电路3.2 控制电路3.3 信号处理电路第四章:测控电路的实验与调试4.1 测控电路的实验方法4.2 测控电路的调试技巧4.3 测控电路的实验案例三、教学方法为了实现课程目标,本课程将采用多种教学方法,如讲授法、讨论法、案例分析法和实验法等。
讲授法用于传授基本原理和基本知识,讨论法用于探讨和解决实际问题,案例分析法用于分析和理解测控电路的应用,实验法用于锻炼学生的实践能力。
通过多样化的教学方法,激发学生的学习兴趣和主动性,提高学生的学习效果。
四、教学资源为了支持教学内容和教学方法的实施,丰富学生的学习体验,我们将选择和准备适当的教学资源。
教学资源包括教材、参考书、多媒体资料和实验设备等。
教材将作为学生学习的基础,参考书提供更多的学习材料,多媒体资料用于辅助理解和记忆,实验设备用于实践和验证。
通过合理利用教学资源,提高学生的学习效果和问题解决能力。
五、教学评估本课程的教学评估将采用多元化的评估方式,以全面、客观、公正地评价学生的学习成果。
评估方式包括平时表现、作业、考试等。
测控电路课程设计题目一、教学目标本课程旨在让学生掌握测控电路的基本原理、方法和应用,具备分析和设计简单测控电路的能力。
具体目标如下:1.知识目标:(1)理解测控电路的基本概念、组成和分类。
(2)掌握测控电路的设计原则和方法。
(3)熟悉常用测控仪表的使用和维护。
(4)了解测控电路在实际工程中的应用。
2.技能目标:(1)能够运用所学知识分析和解决测控电路问题。
(2)具备测控电路设计和调试的能力。
(3)能够熟练使用测控仪表进行实际操作。
3.情感态度价值观目标:(1)培养学生对测控技术的兴趣,提高其学习积极性。
(2)培养学生严谨的科学态度和良好的团队合作精神。
(3)使学生认识到测控技术在现代社会中的重要性,培养其责任感。
二、教学内容本课程的教学内容主要包括测控电路的基本原理、设计方法、常用仪表及实际应用。
具体安排如下:1.测控电路的基本概念、组成和分类。
2.测控电路的设计原则和方法。
3.常用测控仪表的使用和维护。
4.测控电路在实际工程中的应用案例分析。
三、教学方法为了提高教学效果,本课程将采用多种教学方法,包括:1.讲授法:用于传授基本概念、原理和方法。
2.讨论法:引导学生针对实际案例进行讨论,提高其分析问题和解决问题的能力。
3.案例分析法:通过分析实际案例,使学生更好地理解测控电路的应用。
4.实验法:培养学生动手能力和实际操作技能,加深对测控电路的理解。
四、教学资源为实现教学目标,我们将充分利用以下教学资源:1.教材:选用权威、实用的教材,为学生提供系统、全面的学习资料。
2.参考书:提供相关领域的参考书籍,丰富学生的知识体系。
3.多媒体资料:制作精美的课件、视频等,提高学生的学习兴趣。
4.实验设备:提供充足的实验设备,保证学生能够进行实际操作。
五、教学评估为了全面、客观地评估学生的学习成果,本课程将采用以下评估方式:1.平时表现:通过课堂参与、提问、讨论等环节,评估学生的学习态度和积极性。
2.作业:布置适量的作业,评估学生的理解和应用能力。
测控电路课程设计报告引言:测控电路是电子技术中的重要分支之一,它涉及到信号的采集、处理和控制等方面。
本文将针对测控电路的课程设计进行报告,详细介绍设计的背景、设计思路、实验步骤和实验结果等内容,旨在通过本次课程设计实践,加深对测控电路的理解和应用。
一、设计背景本次课程设计的主题是温度测控电路设计。
随着现代工业的发展,温度测控在工业生产和实验研究中起着非常重要的作用。
因此,设计一种能够准确测量温度并实现温度控制的电路是本次课程设计的目标。
二、设计思路1. 温度测量部分:我们选择了热敏电阻作为温度传感器,通过测量热敏电阻的电阻值来间接测量温度。
为了减小测量误差,我们采用了差动放大电路对信号进行放大和滤波处理。
2. 温度控制部分:我们采用了PID控制算法,结合微处理器控制技术,通过对输出信号进行调整,实现对温度的控制。
三、实验步骤1. 硬件设计:根据设计思路,我们选择合适的元器件进行电路设计,包括热敏电阻、运放、微处理器等。
在电路设计中,需要考虑元器件的参数选择、电路板的布局和连接方式等因素,确保电路的稳定性和可靠性。
2. 软件编程:根据PID控制算法和微处理器控制技术,编写相应的程序代码。
在编程过程中,需要考虑控制算法的实现、传感器数据的处理和输出信号的控制等方面。
3. 实验调试:完成硬件设计和软件编程后,进行实验调试。
首先,通过对热敏电阻电路的测量,验证温度测量的准确性和稳定性;然后,通过对PID控制算法的调试,验证温度控制的效果和稳定性。
四、实验结果经过实验调试,我们成功设计出了一种能够准确测量温度并实现温度控制的测控电路。
在测量部分,我们通过差动放大电路对热敏电阻的信号进行放大和滤波处理,得到了稳定的温度测量值;在控制部分,我们采用了PID控制算法和微处理器控制技术,成功实现了对温度的控制,并保持了较好的控制精度和稳定性。
总结:通过本次测控电路课程设计,我们深入了解了测控电路的基本原理和设计方法,掌握了热敏电阻的测量原理和PID控制算法的应用技巧。
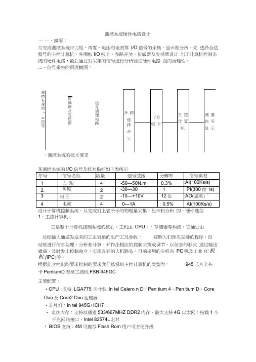
测控系统硬件电路设计一 —、摘要:为完成测控系统中力矩、角度、电压和电流等 I/O 信号的采集、显示和分析,先 选择合适型号的主控计算机,外围板I/O 板卡,多路开关,传感器及变送器设计 出了计算机控制系统的硬件电路,最后通过对采集的信号进行分析验证硬件电路 图的合理性。
二、信号采集的原理框图:、测控系统的技术要求设计计算机控制系统,以完成对上表所示的物理量采集、显示和分析 四、硬件选型1、主控计算机:它是整个计算机控制系统的核心。
主机由 CPU 。
、存储器等构成。
它通过由 过程输入通道发送来的工业对象的生产工况参数,按照人们预先安排的程序,自动地进行信息处理、分析和计算,并作出相应的控制决策或调节,以信息的形式 通过输出通道,及时发出控制命令,实现良好的人机联系。
目前采用的主机有 PC 机及工业PC 机机 (IPC )等。
根据此次控制的要求控制的要求我们选择的主控计算机的类型为: 945芯片全长卡PentiumD 双核工控机FSB-945GC 主要配置:• CPU :支持 LGA775 圭寸装 In tel Celero n D 、Pen tium 4、Pen tium D 、Core Duo 及Core2 Duo 处理器•芯片组:In tel 945G+ICH7• 系统内存:支持双通道533/667MHZ DDR2内存,最大支持4G 以太网:板载1个千兆网络接口,Intel 82574L 芯片・BIOS 支持:4M 可擦写Flash Rom 用户可方便升级•硬盘接口:4个SATA U接口、1 个IDE UltraDMA-100/66/33 接口« CompactFlash : Type n CF 卡接口•扩展接口:可扩充4个32位标准PCI插槽和8个ISA插槽*看门狗功能:1~255秒,可编程•电源:ATX / AT•主板尺寸:338.2mm X121.9mm (长/宽)输入/输出通用串行总线:6个USB 2.0•串口:2个串口•并口:1个并口,支持SPP/EPP/ECP 模式2、传感器与变送器:传感器的作用是把非电物理量(如温度、压力、速度等)转换成电压或电流信号。
测控系统电路课程设计一、课程目标知识目标:1. 让学生掌握测控系统电路的基本原理,理解各类传感器的工作机制及其在测控系统中的应用。
2. 使学生了解信号调理电路的组成、功能及设计方法,能够运用相关知识对简单测控系统进行电路设计。
3. 引导学生掌握数据采集、处理与传输的基本方法,了解测控系统在工程实践中的应用。
技能目标:1. 培养学生运用所学知识,设计并搭建简单的测控系统电路,具备实际操作能力。
2. 培养学生运用仿真软件对测控系统电路进行仿真分析,提高解决问题的能力。
3. 培养学生具备团队协作能力,能够与他人共同完成复杂的测控系统电路设计与调试。
情感态度价值观目标:1. 培养学生热爱科学,对测控技术产生浓厚兴趣,激发其创新意识。
2. 培养学生严谨、务实的学术态度,养成勤奋好学的学习习惯。
3. 引导学生关注测控技术在现实生活中的应用,认识到科学技术对社会发展的推动作用。
课程性质分析:本课程为实践性较强的学科,旨在通过理论教学与实际操作相结合,使学生掌握测控系统电路的设计与应用。
学生特点分析:学生具备一定的电子技术基础,对测控技术有一定了解,但缺乏实际操作经验,需要通过本课程的学习提高实践能力。
教学要求:1. 注重理论与实践相结合,强化学生的实际操作能力。
2. 结合生活实际,激发学生学习兴趣,提高教学效果。
3. 引导学生通过团队协作,培养沟通与协作能力。
二、教学内容1. 测控系统概述:介绍测控系统的基本概念、发展历程、应用领域,使学生了解测控系统的重要性。
教材章节:第一章 测控系统概述2. 传感器及其应用:讲解各类传感器的原理、特性及其在测控系统中的应用。
教材章节:第二章 传感器及其应用3. 信号调理电路设计:阐述信号调理电路的组成、功能及设计方法,包括放大、滤波、线性化等。
教材章节:第三章 信号调理电路4. 数据采集与处理:介绍数据采集的基本原理、硬件设备、软件编程及数据处理方法。
教材章节:第四章 数据采集与处理5. 数据传输技术:讲解测控系统中常用的数据传输技术,如串行通信、网络通信等。
实验一 有源二阶低通滤波器的设计1、实验目的实验旨在锻练学生自行设计、调试有源二阶低通滤波器的能力,更深入地掌握巴特沃思型二阶 有源低通滤波器的设计方法,直观了解巴特沃思型低通滤波器的频率特性,加深对巴特沃思逼近方 式的理解。
2、实验内容设计一二阶无限增益多路反馈巴特沃思型有源低通滤波器,要求截止频率 f c =100Hz ,增益 A =1。
搭建并调试所设计的二阶有源低通滤波器,使电路的性能指标达到设计要求。
3、实验原理及方法二阶无限增益多路反馈巴特沃思型有源低通滤波器的电路形式见图 1.1。
主要工作是设计确定元件参数,并通过调试修正参数值直至滤波器指标达到设计要求。
设计方法如下:图 1.1 二阶无限增益多路反馈巴特沃思型有源低通滤波器的电路形式1)确定电容2C :依据经验公式()210cC F f μ=确定电容2C 。
2)确定电容1C :依据2214(1)C B C C A ≤+(B = 1.414214, C = 1.00000) 确定电容 C 1。
3)确定电阻2R :2222122124(1)2cBC B C CC C A R CC C ω+-+=4)确定电阻R1:A R R 21=5)确定电阻R3:321221(2)R CC C f R π=在计算电阻时,应保留小数后 6 位,以确保计算的精确性,计算完成后,取最接近计算值的电 阻标称值。
4、实验仪器设备1)双路直流稳压电源;2)双踪示波器;3)信号发生器;4)41/2 位数字万用表;5)面包板。
5、实验步骤1)按设计确定的参数选择好元件,要求严格挑选元件使之尽量接近设计值。
2)按图搭建好线路。
3)调节直流稳压电源的两路输出至±15V,然后用电压表确认电压输出值为±15V;4)按下列步骤测试:(1)用信号发生器作信号源,以正弦波为输入信号,用示波器一路输入测量信号源的幅度,调节信号发生器的电压输出至1V;(2)确认线路连接无误后,接通电源;(3)用示波器另一路输入测量滤波器的输出,将结果记入表1.1;(4)根据时间差计算相位差;(5)根据所测实验结果绘出幅频特性曲线及相频特性曲线,评价所设计滤波器的性能。
测控电路课程设计报告一、设计要求设计一个温度测量电路,测量范围0.0—50.0℃,精确至小数第一位,采用AD590为传感元件,3个LED数码管显示测得值。
二、电路基本原理传感器输出信号通过温度传感处理电路,得到与温度成正比的电压信号,输入电压比较电路,将比较电路输出电压输入A/D转换电路,驱动数码管显示温度值。
三、设计步骤1、设计传感器输出信号分压比较电路2、根据原理框图各部分的功能,查阅资料,完成单元电路设计,参数计算和器件选择3、列出所有元器件清单,报实验室备件4、按照设计电路原理图在面包板上安装、调试电路5、绘制总体电路原理图6、完成设计报告四、设计内容1、A/D转换及显示电路使用三位半LED显示A/D转换器ICL7107,电源电压+5V。
根据ICL7107芯片手册选取积分电阻470KΩ,积分电容0.22μF,自动校零电容0.047μF,参考电容0.1μF,振荡电容100pF。
再由ICL7101直接驱动3个共阳极数码管,分别显示十位、个位和十分位。
根据“显示值=1000×(VIN/VREF)”,温度每上升1℃,数码管示值增加100(1为十位,00分别为个位和十分位),故选择VREF为4V,则有温度每上升1℃,VIN (=Vo)增大0.04V,即Vo=T/25。
2、温度传感处理电路AD590温度传感器规格如下:其输出电流是以绝对温度零度(-273℃)为基准,温度每增加1℃,传感器增加1μA的输出电流;可测量范围-55℃—150℃;供电电压范围+4V—+30V。
将传感器接入12V电源,并与5.1K电阻串联接地,电阻分压后接电压跟随器以获得稳定的电压输出,电压跟随器以及比较电路中的差动放大器均采用LM358双运放芯片。
AD590的输出电流I=(273+T) μA(T为摄氏温度),V1=(273+T)×5αmV (α为由于电阻精度引起的误差校正系数)。
3、电压比较电路为滤除电源杂波,使用齐纳二极管作为稳压元件,和1.2K 电阻串联后接入12V 电源。
测控电路课程设计温控一、课程目标知识目标:1. 理解测控电路的基本原理,掌握温度控制电路的设计方法;2. 学会使用温度传感器进行温度采集,并能运用模拟电路和数字电路知识对信号进行处理;3. 掌握PID控制算法在温度控制中的应用,了解不同参数对控制效果的影响。
技能目标:1. 能够运用所学知识设计简单的温控系统,具备实际操作能力;2. 培养学生动手实践、分析问题、解决问题的能力;3. 提高学生团队协作和沟通表达能力,能够在项目中进行有效的分工与协作。
情感态度价值观目标:1. 培养学生对测控技术的兴趣,激发创新意识和探索精神;2. 培养学生严谨的科学态度,注重实验数据的真实性,养成良好的实验习惯;3. 增强学生的环保意识,认识到温度控制在节能环保方面的重要性。
课程性质:本课程为实践性较强的课程,以项目为导向,注重培养学生的动手能力和实际操作技能。
学生特点:学生具备一定的电子技术基础,具有较强的求知欲和动手能力,但实践经验不足。
教学要求:结合学生特点,注重理论与实践相结合,强化实践环节,提高学生的实际操作能力。
通过项目实施,使学生能够掌握温控电路的设计、调试与优化方法,达到学以致用的目的。
在教学过程中,关注学生的个体差异,进行差异化教学,确保每个学生都能在课程中取得实际的学习成果。
二、教学内容1. 测控电路基本原理:包括温度传感器工作原理、信号处理电路、PID控制算法等;教材章节:第一章 测控电路基础内容:温度传感器(热敏电阻、热电偶等)的原理与选型,模拟滤波电路和放大电路设计,数字信号处理基础,PID控制原理。
2. 温度控制电路设计:涉及温度采集、信号处理、控制策略及执行机构等;教材章节:第二章 温度控制电路设计内容:温度采集电路设计,模拟信号处理电路设计,数字信号处理电路设计,PID参数整定,执行机构的选型与控制。
3. 实践操作与项目实施:分组进行温控电路设计与制作,进行系统调试与优化;教材章节:第三章 实践操作内容:实践操作流程,项目分组与分工,温控电路设计与制作,系统调试与优化方法。
实验一 有源二阶低通滤波器的设计1、实验目的实验旨在锻练学生自行设计、调试有源二阶低通滤波器的能力,更深入地掌握巴特沃思型二阶 有源低通滤波器的设计方法,直观了解巴特沃思型低通滤波器的频率特性,加深对巴特沃思逼近方 式的理解。
2、实验内容设计一二阶无限增益多路反馈巴特沃思型有源低通滤波器,要求截止频率 f c =100Hz ,增益 A =1。
搭建并调试所设计的二阶有源低通滤波器,使电路的性能指标达到设计要求。
3、实验原理及方法二阶无限增益多路反馈巴特沃思型有源低通滤波器的电路形式见图 1.1。
主要工作是设计确定元件参数,并通过调试修正参数值直至滤波器指标达到设计要求。
设计方法如下:图 1.1 二阶无限增益多路反馈巴特沃思型有源低通滤波器的电路形式1)确定电容2C :依据经验公式()210cC F f μ=确定电容2C 。
2)确定电容1C :依据2214(1)C B C C A ≤+(B = 1.414214, C = 1.00000) 确定电容 C 1。
3)确定电阻2R :2222122124(1)cBC B C CC C A R +-+=4)确定电阻R1:A R R 21=5)确定电阻R3:321221(2)R CC C f R π=在计算电阻时,应保留小数后 6 位,以确保计算的精确性,计算完成后,取最接近计算值的电 阻标称值。
4、实验仪器设备1)双路直流稳压电源;2)双踪示波器;3)信号发生器;4)41/2 位数字万用表;5)面包板。
5、实验步骤1)按设计确定的参数选择好元件,要求严格挑选元件使之尽量接近设计值。
2)按图搭建好线路。
3)调节直流稳压电源的两路输出至±15V,然后用电压表确认电压输出值为±15V;4)按下列步骤测试:(1)用信号发生器作信号源,以正弦波为输入信号,用示波器一路输入测量信号源的幅度,调节信号发生器的电压输出至1V;(2)确认线路连接无误后,接通电源;(3)用示波器另一路输入测量滤波器的输出,将结果记入表1.1;(4)根据时间差计算相位差;(5)根据所测实验结果绘出幅频特性曲线及相频特性曲线,评价所设计滤波器的性能。
6、实验结果记录表1.1 低通滤波器测试结果记录表7、实验信息处理与分析:1)根据实验记录绘出滤波器的幅频特性;2)根据滤波器输入输出波形的时间差计算出对应的相位差填入表1.1 中,根据相位差绘出滤波器的相频特性;3)根据幅频特性和相频特性评价所设计的滤波器性能。
将实验所得的幅频特性曲线和相频特性曲线与理论曲线相比较,可以发现幅频特性曲线与理论相接近,而相频特性曲线与理论相差较大。
造成这种现象的主要原因可以归结为以下几点:1、实际运放达不到理想运放的特性指标2、实际元件参数与理想元件存在差距3、连接电路时,插入引脚不到位,布线不合理,使元件之间工作时产生干扰4、信号发生器低频时难以稳定到需要的频率5、稳压电源不稳定8、思考题:1) 在设计元件参数时,为什么首先确定电容值?是否可以首先确定电阻值?因为可选的电容值有限,而不同阻值的电阻比较容易实现。
若算出的电阻值不易实现,可将所有的电阻值成衣一个常数。
电容除以相同的常数即可。
不可首先确定电阻值,如果先确定的电阻值,很难实现根据电阻值推算出来的电容值,而若选择比较接近的可选电容值,将引起较大的误差。
2)在计算时为什么要求中间结果保留小数后 6 位?中间结果还需要参与之后的数据计算,如果中间结果就已经为不精确的值,将会引起最后结果的较大误差。
为了获得较为精确的计算结果,中间结果必须保留多为来确保最后结果的精确性。
3)设计中采用的归一化系数 B 和 C 是怎样得到的?2阶巴特沃斯LFP 的传递函数的形式可以写为222cs )(cC C B s AC s H ωωω++=,式中,B和C 是归一化系数(1c =ω),对照1)(2++=Bs s As H 有414214.14sin 2221-12sin 2≈=⨯⨯=ππ)(B ,C=1。
4)如果要设计指标相同的高通滤波器,电路形式应作何改动?R2改为电容,C1改为电阻,R1,R3改为电容,C2改为电阻5)设计指标相同的四阶无限增益多路反馈巴特沃思型有源低通滤波器,给出电路图并设计参数。
4阶滤波器由2个2阶滤波器串联而成,4阶巴特沃斯LFP 的传递函数的形式可以写为•++=21122c11s )(cC C B s C A s H ωωω22222c22s cC C B s C A ωωω++,式中,1A ,2A ,1B ,2B ,1C 和2C 是归一化系数,有1A =2A =1,1B =2sin013708.08≈π,2B =2sin041120.083≈π,C =1C =2C =1。
根据经验公式选定电容2C =4C =c f 10F F μμ1.0=,由1C pF A C C B 348866.2)1(41221=+≤,)1(424223A C C B C +≤选定pF C pF C 20,231==,根据上述2阶滤波器的参数公式可得:,MΩ=556248.72R 取MΩ==5.721R R MΩ=MΩ=5.1676116.133R R , ,MΩ=015369.26R 取MΩ==265R R MΩ=633257.07R ,取Ω=k R 6307取MΩ==184R R实验二 多谐振荡器功能及指标的测试1、实验目的实验旨在使学生进一步了解基于电容充放电原理及比较器的多谐振荡器的工作原理及一般构成原则。
通过分析实验电路及实验操作,掌握积分器、比较器的工作原理,在此基础上掌握积分器及比较器在多谐振荡器中的应用,从中学习信号发生器的设计思想及工作原理。
2、实验内容分析所提供实验电路的工作原理及设计思路,搭建并调试实验电路,测试电路中规定测试点的波形,验证理论输出波形是否与实际相符;根据电路参数计算输出信号的频率值,测量输出信号的频率,验证理论值与实测值是否相符。
3、实验原理及方法实验电路如图2.1 所示,电路的工作原理为:设初始状态V o=“1”,此时通过R3 向电容C1 充电,当C1 充电至使V-的电位与V+相等时,比较器LM111 翻转,V o=“0”=V OL,比较电平随之下降。
而后电容C1 开始放电,V-的电位逐步下降,当V-下降至比较电平时,LM111 翻转,V o=“1”=V OH,这一过程周而复始,V o 即为方波。
方波的频率与时间常数R3C1,比较器的输出电平及R1,R2 和R4 的阻值有关。
定量分析要求学生自行完成。
图2.1 多谐振荡器实验电路4、实验仪器设备(1)三路直流稳压电源(2)双踪示波器(3)41/2 位数字万用表(4)面包板。
5、实验步骤1)根据提供的元件参数选择好采用的元器件。
2)按提供的实验电路图搭建好线路;3)采用三路直流稳压电源中的5V 电源为供电电源,用电压表确认电压输出值为5V;4)确认线路连接无误后,接通电源;5)按下列步骤测试:(1)测试比较器反相端和输出端的波形;(2)测试两个波形V—和V o 的幅度;(3)测试两个波形的频率,将测试值与理论计算值比对,验证数值的精确性。
6)将电阻R3 换成100k的电位器,调节电位器观察输出波形的频率变化情况,记录下频率的变化范围。
7)用 6个不同阻值的电阻 R 3(1Ω、10Ω、100Ω、1k Ω、10k Ω、100k Ω)分别接入电路中,测试输出频率。
6、实验结果记录(1)当电路参数如图 3.1 所示,记录比较器反相端和输出端的波形及输出信号频率。
(2)将电阻 R 3 换成 100k 的电位器,调节电位器观察输出波形的频率变化情况,记录下频率的变化范围。
调节量程为100k 的电位器,输出的波形频率变化范围为831.6kHz-1.435MH z(3)用 6个不同阻值的电阻 R 3 分别接入电路中,测试输出频率,并将结果填入表 2.1 中。
表 2.1 不同 R阻值下的输出频率7、实验信息处理与分析根据输出频率公式,求出在对应 R 3 情况下的输出频率值,将实验记录结果与理论值进行比较, 分析存在误差的原因。
随着电阻值的增大,输出频率减少。
8、思考题1)若要调节输出波形的频率应怎样改动电路?改变时间常数RC ,即改变电阻R3与电容C1的值2)若要调节输出波形的幅度应怎样改动电路?改变比较电平即可,其中影响比较电平的有R1,R2,R4,可将其中一个或几个改为电位器。
3)定量推导出输出频率的表达式。
由13C R =τ,充电时间OH OL V V InT --=551τ,放电时间OLOHV V In T --=002τ,综上得)0055(1321OLOHOHOL V V In V V InC R T T T --+--=+=,得输出频率为)0055(1113OLOH OH OL V V In V V In C R T f --+--==实验三 仪用放大器的设计1、实验目的通过实验牢固掌握三运放仪用放大器的构成和工作原理,学习根据设计要求设计并调试三运放 结构仪用放大器,成功设计制作符合设计要求的三运放结构仪用放大器。
通过设计制作加深对相关 基础理论知识的理解,为今后实际设计、应用打下坚实的基础。
2、实验内容设计制作一三运放结构的仪用放大器,要求放大器的差模增益为 100 倍以内可调节,共模抑制 比大于 70dB 。
3、实验原理及方法要求设计的三运放结构仪用放大器的参考电路如图 3.1 所示。
实验的主要工作是选择集成运放 的型号,设计确定元件参数,搭建电路,测试差模增益和共模抑制比。
集成运放的选型依据各级电 路对运放的要求进行,主要原则是一方面使电路的共模抑制比为最佳值,另一方面使电路的失调、 漂移误差最小。
图 3.1 三运放结构仪用放大器参考电路电路的第一级差模增益为21012121o o F in in w wV V R A V V a R -==+-()3.1电路的第二级增益为 2F F fR A R =()3.2电路的总差模增益为 0122(1)FF F F w w fR R A A A a R R ==+()3.3差模增益的测试方法是直接在电路的输入施加差模信号,测量电路的输出电压,两者的比值即是差模增益。
电路的共模抑制比的计算公式为13121312F F A CMRR CMRR CMRR A CMRR CMRR ⨯⨯=⨯+()3.4测试方法是直接在电路的输入施加共模信号,测量电路的输出电压,两者的比值即是共模增益 A FC ,电路的共模抑制比为20lgFFCA CMRR A =()3.54、实验仪器设备1)双路直流稳压电源2)双踪示波器 3)信号发生器 4)41/2 位数字万用表 5)面包板5、实验步骤1)根据参考电路及电路设计原则选择确定集成运算放大器 A 1、A 2、A 3 的型号。