HTD同步带参数
- 格式:docx
- 大小:29.54 KB
- 文档页数:3
htd同步带拉力参数HTD同步带是一种常用的传动元件,广泛应用于机械设备中。
它通过齿与齿之间的咬合,将动力传递到不同的部件上,实现机械的运转。
在选用HTD同步带时,拉力参数是一个重要的考虑因素。
拉力参数是指在同步带运转过程中所受到的拉力大小。
它直接影响着同步带的使用寿命和传动效果。
合理的拉力参数可以保证同步带的稳定性和可靠性,提高机械设备的工作效率。
我们来看一下HTD同步带的拉力参数。
HTD同步带具有一定的弯曲刚度和张紧力要求。
在使用过程中,拉力参数需要满足以下几个方面的要求:1. 预张力:预张力是指在安装过程中给同步带施加的初始拉力。
预张力的大小直接影响着同步带与齿轮之间的咬合程度,过大或过小都会导致传动效果不理想。
一般来说,预张力应控制在同步带额定拉力的20%~40%之间。
2. 工作拉力:工作拉力是指同步带在运转过程中所受到的拉力大小。
它与传动功率、传动比、工作转速等因素有关。
工作拉力过大会导致同步带过早磨损或断裂,而工作拉力过小则会导致传动效果不理想。
因此,在选择HTD同步带时,需要根据具体的工作条件和要求确定合适的工作拉力范围。
3. 张紧力:张紧力是指同步带与张紧轮之间的拉力大小。
张紧力的作用是保证同步带与齿轮之间的咬合,防止滑动和跳齿现象的发生。
过大的张紧力会导致同步带过度磨损,而过小的张紧力则会导致传动不稳定。
因此,在安装HTD同步带时,需要合理调节张紧轮的位置和张紧力的大小,确保同步带的正常工作。
除了以上几个方面的拉力参数外,还有一些其他的因素也会对HTD 同步带的拉力产生影响,如传动方式、环境温度等。
在实际应用中,需要综合考虑这些因素,并结合设备的具体情况来确定合适的拉力参数。
HTD同步带的拉力参数是影响其传动效果和使用寿命的关键因素。
合理的拉力参数可以保证同步带的稳定性和可靠性,提高机械设备的工作效率。
因此,在选用和安装HTD同步带时,需要认真考虑拉力参数,并根据具体情况进行调整和控制,以确保同步带的正常运转。
htd同步带轮参数HTD同步带轮是一种广泛应用于机械传动系统中的关键零部件。
它具有结构简单、传动效率高、使用寿命长等优点,被广泛应用于各个行业的设备中。
本文将从材料、结构、工作原理等方面介绍HTD 同步带轮的参数。
一、材料参数HTD同步带轮的材料通常采用铸铁、铝合金、钢材等。
铸铁材料具有强度高、耐磨性好的特点,常用于传动承受较大负载的场合。
铝合金材料具有重量轻、散热性好的特点,常用于传动负载较小、要求重量轻的场合。
钢材具有强度高、耐磨性好的特点,常用于高速传动和高负载的场合。
二、结构参数HTD同步带轮的结构参数包括齿型、模数、齿数等。
齿型是指同步带轮的齿形,常见的齿型有HTD、STD、GT等。
不同的齿型适用于不同的传动要求。
模数是指同步带轮齿距的参数,通常用来表示同步带轮的大小。
齿数是指同步带轮上的齿的数量,齿数越多,传动精度越高。
三、工作原理参数HTD同步带轮的工作原理是通过同步带和同步带轮之间的啮合来实现传动。
同步带轮上的齿与同步带上的齿相互啮合,通过齿的间隙来传递动力。
同步带轮的工作原理参数包括啮合角、啮合方式等。
啮合角是指同步带轮和同步带之间的啮合角度,通常为正角度。
啮合方式有正啮合和反啮合两种,正啮合是指同步带轮和同步带之间的齿嵌套在一起,反啮合是指同步带轮和同步带之间的齿相互啮合。
四、使用参数HTD同步带轮的使用参数包括传动比、传动效率等。
传动比是指同步带轮的齿数比,通常用来表示传动的速度比。
传动比越大,传动速度越快。
传动效率是指传动过程中能量的损失情况,通常用百分比表示。
传动效率越高,能量损失越小。
HTD同步带轮的参数包括材料、结构、工作原理和使用等方面。
了解这些参数可以帮助我们选择合适的同步带轮,提高传动效率,延长使用寿命。
在实际应用中,我们需要根据具体的传动要求和工作环境选择合适的HTD同步带轮,以确保传动系统的稳定运行。
同时,定期检查和维护同步带轮也非常重要,可以延长其使用寿命,提高传动效果。
圆弧齿HTD同步带
圆弧齿HTD同步带
14M
PowerGrip®HTD-3M5M8M
结构:
●圆弧齿形比梯形方齿传动更大功率
●玻璃纤维张力线提高抗拉强度
●用高强度尼龙面保护齿节表面
材质:
氯丁橡胶材质,玻璃纤维线绳芯线,尼龙帆布齿面。
特点:
皮带相比普通齿形同步带具有更大的皮带结构,性能得到提升:
1.圆弧齿型传动功率比梯形方齿提高30%;
2.玻璃纤维线绳提供皮带高强度,优秀柔韧性和高抗拉伸性;
3.氯丁橡胶有效保护其不受污垢、油脂、以及潮湿环境的影响;
4.抗磨损的尼龙齿面,更好的保护齿节,延长服务寿命;
5.免润滑且无需再次张紧,降低维护成本。
应用:
Power HTD高扭矩皮带有极为广泛的用途,从家庭用品至重型工程设备都适用,优点是耐用,免维护。
包括:数据存储设备、电动工具、邮政设备、食品加工、园林机械、办公设备、离心机、点钞机、医疗诊断设备、缝纫机、送风机、水泵、纺机、自动售票机,机器人,自动售货机和吸尘器等。
HTD2M齿形参数1. 任务背景HTD2M齿形参数是指高强度同步带(High Torque Drive,简称HTD)2M型齿形的参数。
HTD同步带广泛应用于各种传动系统中,如机械设备、汽车发动机、风力发电机等。
了解和掌握HTD2M齿形参数对于正确选择和使用HTD同步带至关重要。
2. HTD2M齿形参数的定义HTD2M齿形参数主要包括齿距(pitch)、齿高(tooth height)、齿宽(tooth width)和齿顶径(tooth tip diameter)等。
这些参数决定了HTD同步带的传动性能和适用范围。
•齿距(pitch):齿距是指同步带上相邻两个齿之间的距离,通常用毫米(mm)表示。
在HTD2M型同步带中,齿距为2mm。
•齿高(tooth height):齿高是指同步带齿形的高度,即齿顶到齿谷之间的垂直距离,通常用毫米(mm)表示。
HTD2M型同步带的齿高为1.36mm。
•齿宽(tooth width):齿宽是指同步带齿形的宽度,即齿顶到齿谷之间的水平距离,通常用毫米(mm)表示。
HTD2M型同步带的齿宽为3mm。
•齿顶径(tooth tip diameter):齿顶径是指同步带齿形的顶部直径,通常用毫米(mm)表示。
HTD2M型同步带的齿顶径为4mm。
3. HTD2M齿形参数的重要性HTD2M齿形参数的正确选择和使用对于传动系统的性能和寿命具有重要影响。
首先,齿距决定了同步带的传动比。
在设计和选择传动系统时,需要根据所需的传动比来选择合适的齿距。
较大的齿距可以实现较大的传动比,而较小的齿距则适用于需要较小传动比的场合。
其次,齿高和齿宽决定了同步带的载荷承载能力。
较高的齿高和齿宽可以承受更大的载荷,提高传动系统的可靠性和耐久性。
因此,在设计和选择传动系统时,需要根据所需的载荷来选择合适的齿高和齿宽。
最后,齿顶径决定了同步带的齿形精度和匹配性能。
较大的齿顶径可以提高同步带的齿形精度,减小齿跳和噪音。
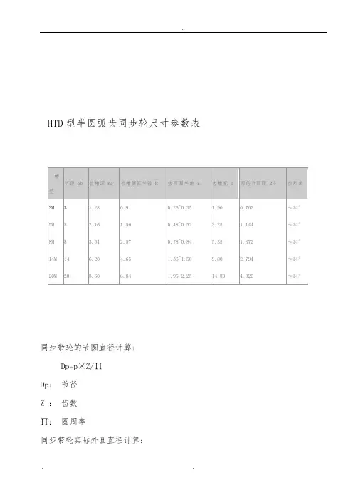
HTD型半圆弧齿同步轮尺寸参数表槽型节距pb 齿槽深hg 齿槽圆弧半径R 齿顶圆半角r1 齿槽宽s 两倍节顶距2δ齿形角3M 3 1.28 0.91 0.26~0.35 1.90 0.762 ≈14°5M 5 2.16 1.56 0.48~0.52 3.25 1.144 ≈14°8M 8 3.54 2.57 0.78~0.84 5.35 1.372 ≈14°14M 14 6.20 4.65 1.36~1.50 9.80 2.794 ≈14°20M 20 8.60 6.84 1.95~2.25 14.80 4.320 ≈14°同步带轮的节圆直径计算:Dp=p×Z/∏Dp:节径Z :齿数∏:圆周率同步带轮实际外圆直径计算:De= Dp-2δDp:节径δ:节顶距同步轮主要部位尺寸允差值同步轮节距公差Picth tolerance (mm)同步轮外径公差Tolerance of outisd dimeter of pullet (mm)同步轮端面允许跳动量Allowable bounce of pulley end (mm)>254.00 0.25+[(带轮外径-254.00)×0.005]同步轮径向允许跳动量Allowable bounce of pulley warp direction (mm)带轮外径Outside diameter pitch 允跳值Bounce of tolerance≤203.20 0.13>203.20 0.13+(带轮外径-203.20)×0.005STD半圆弧齿槽平底型同步轮尺寸参数表型号节距pb齿高侧圆半径齿槽宽齿底角齿顶角S2M 2 0.76 1.325 1.30 0.1 0.19S3M 3 1.11 1.975 1.95 0.15 0.28S4.5M 4.5 1.59 2.98 2.93 0.22 0.48S5M 5 1.77 3.275 3.25 0.25 0.55S8M 8 2.83 5.30 5.20 0.4 0.9S14M 14 4.95 9.28 9.10 0.7 1.6T型同步轮尺寸参数表型号节距pb形状形状ygradrbrt2a SE br N br SE hg N hg偏差偏差偏差mix±15°max偏差T2.5 2.5 1.75 +0.051.83+0.050.75+0.051 25 0.2 0.3+0.050.6T5 5.0 2.96 +0.053.32+0.051.25+0.051.95 25 0.4 0.6+0.051T10 10.0 6.02 +0.16.57+0.12.6+0.13.4 25 0.6 0.8+0.12T20 20.0 11.65+0.1512.6+0.155.2+0.136 25 0.8 1.2+0.13梯形直边齿同步轮尺寸参数表。
htd同步带轮的基本参数(实用版)目录一、HTD 同步带轮简介二、HTD 同步带轮的基本参数1.材质分类2.表面处理方式3.齿型分类及配合间隙三、HTD 同步带轮的选型方法1.根据传动需求选择材质和表面处理方式2.根据传动精度要求选择齿型和配合间隙3.考虑安装和维护的便捷性四、HTD 同步带轮与 STD 齿型同步带轮的区别五、结语正文一、HTD 同步带轮简介HTD 同步带轮是一种应用于机械传动中的同步带轮,以其高精度、高承载能力和良好的耐磨性等特点在工业领域中得到了广泛的应用。
HTD 同步带轮可以通过同步带来实现传动,使得机械设备的运转更为平稳、准确。
二、HTD 同步带轮的基本参数1.材质分类HTD 同步带轮的材质主要分为铝合金和钢两种。
铝合金同步带轮具有质量轻、抗腐蚀性好、散热性能强等优点;钢同步带轮则具有承载能力高、抗冲击性好等特点。
根据不同的工作环境和传动需求,可以选择适合的材质。
2.表面处理方式HTD 同步带轮的表面处理方式主要有发黑、镀镍、镀锌等。
发黑处理可以提高钢同步带轮的抗腐蚀性能;镀镍处理可以提高其外观质量;镀锌处理则可以增强钢同步带轮的抗冲击性和耐磨性。
3.齿型分类及配合间隙HTD 同步带轮的齿型主要分为标准齿、圆弧齿和减少型齿等。
其中,标准齿是最常见的一种齿型,具有良好的传动性能;圆弧齿则具有较高的承载能力和抗冲击性;减少型齿则可以降低传动噪音和减少磨损。
在选择HTD 同步带轮时,需要根据传动需求和设备性能选择合适的齿型和配合间隙。
三、HTD 同步带轮的选型方法1.根据传动需求选择材质和表面处理方式在选型时,首先要根据传动设备的工作环境和承载能力要求,选择适合的材质和表面处理方式。
例如,在腐蚀性环境中,应选择铝合金同步带轮或经过发黑处理的钢同步带轮;在承载能力要求较高的场合,可以选择钢同步带轮。
2.根据传动精度要求选择齿型和配合间隙在确保传动稳定的前提下,要根据传动精度要求选择合适的齿型和配合间隙。
同步带各型号部位尺寸及参数
在工程设计和制造中,同步带是一种常用的传动技术。
不同型号的同步带具有不同的尺寸和参数,下面我们来详细介绍几种常见的同步带型号及其部位尺寸和参数。
1.HTD同步带
HTD(High Torque Drive)同步带是一种广泛应用于高扭矩传动的同步带。
它的部位尺寸和参数如下:
- 气隙宽度:5mm、8mm、14mm等
- 齿距:3mm、5mm、8mm等
-齿形:圆弧形或正侧形
-材料:聚氨酯或橡胶
2.T系列同步带
T系列同步带是一种高精度、高扭矩传动的同步带。
它的部位尺寸和参数如下:
- 气隙宽度:10mm、16mm、25mm等
- 齿距:2.5mm、5mm、10mm等
-齿形:三角形
-材料:聚氨酯或橡胶
3.XL系列同步带
XL系列同步带是一种常用于低功率传动的同步带。
它的部位尺寸和参数如下:
- 气隙宽度:3.05mm、4.57mm、6.35mm等
- 齿距:2.54mm
-齿形:三角形
-材料:聚氨酯或橡胶
4.L系列同步带
L系列同步带是一种常用于低速大扭矩传动的同步带。
它的部位尺寸和参数如下:
- 气隙宽度:9.53mm、12.7mm、15.88mm等
- 齿距:9.525mm
-齿形:三角形
-材料:聚氨酯或橡胶
以上是几种常见的同步带型号及其部位尺寸和参数。
需要根据具体的传动需求选择合适的同步带型号,以确保传动的可靠性和高效性。
htd同步带轮的基本参数一、htd同步带轮的简介HTD(Higher Torque Drive)同步带轮,又称高速同步带轮,是一种采用高扭矩驱动技术的同步带轮。
它具有高传递效率、高承载能力、低噪音、稳定运行等特点,广泛应用于各类机械设备的动力传输系统。
二、htd同步带轮的基本参数1.齿型:HTD同步带轮采用特殊的齿型设计,具有良好的啮合性能,降低了磨损和噪音。
2.齿数:齿数是根据同步带轮的尺寸和模数来确定的,一般来说,齿数越多,传递扭矩越大。
3.模数:模数是同步带轮的一个重要参数,它决定了同步带轮的尺寸和传递扭矩能力。
HTD同步带轮的模数通常为1.5、2、3、4、5等。
4.节距:节距是同步带轮上一个齿的中心到下一个齿的中心之间的距离。
HTD同步带轮的节距分为P、PH、PX、PY等系列,满足不同场合的需求。
5.齿高:齿高是指同步带轮齿部的高度,它影响了同步带轮的承载能力和传动稳定性。
6.齿宽:齿宽是指同步带轮齿部的宽度,齿宽越大,传递扭矩越大,但齿宽增大会降低同步带轮的刚性。
7.材质:HTD同步带轮采用优质的钢材、塑料等材料制成,具有良好的耐磨性、抗拉强度和高弹性。
8.硬度:同步带轮的硬度是指其表面硬度,硬度越高,耐磨性越好。
HTD同步带轮的硬度一般在HRC50-60之间。
9.应用领域:HTD同步带轮广泛应用于各类机械设备,如自动化生产线、输送设备、包装机械、印刷机械等,具有较高的实用价值。
通过了解HTD同步带轮的基本参数,可以帮助我们更好地选择和使用这种高性能的同步带轮,提高设备运行效率和稳定性。
在实际应用中,需根据设备的传动要求,合理选择同步带轮的尺寸、模数、齿型等参数,以确保传动系统的正常运行。