九年级物理上册 第十二章 机械能和内能易错题(Word版 含答案)
- 格式:doc
- 大小:405.50 KB
- 文档页数:18
物理九年级上册第十二章机械能和内能单元综合测试(Word版含答案)一、初三物理第十二章机械能和内能易错压轴题提优(难)1.李华同学发现建筑工人在铺设水泥路时,有时要在水泥里面掺入少量纤维材料.他想通过实验来探究在水泥中掺入纤维材料是否会影响水泥路面的牢固程度.关于水泥路面的牢固程度与哪些因素有关,和同学们讨论后,他们提出了以下猜想:猜想1:与是否掺入纤维有关;猜想2:与纤维掺入量有关;猜想3:与纤维材料的种类有关。
经过思考后,他们利用图中装置,将铁锤通过电磁铁从某一高度处由静止释放,对水泥样品进行连续撞击,直至水泥样品断裂,收集的数据记录在下表中。
(1)铁锤撞击水泥样品时的动能是由________转化来的。
实验时通过__________________来比较水泥样品的牢固程度。
(2)比较实验序号1、2的两组数据,可得出的结论是:水泥路面的牢固程度与是否掺入纤维________(选填“有关”或“无关”)。
(3)比较序号2、3、4三组数据,可得出的结论是:在水泥中掺入适量纤维时,掺入纤维材料越多,水泥路面越________(选填“牢固”或“不牢固”)。
(4)比较序号2、5、6的三组数据,________(选填能或不能)比较得出:在水泥中掺入等量不同纤维材料,掺入C纤维材料水泥路面最牢固,你判断的理由是______(5)为缩短上述样品的实验时间,需减少碰撞次数,可采用的方法是_____【答案】重力势能水泥样品断裂时所承受的撞击次数有关牢固能在水泥中掺入C 纤维材料,水泥样品断裂时所承受的撞击次数最多,说明该水泥路面最牢固增加铁锤下落时的高度或增加铁锤质量【解析】【分析】【详解】(1)[1]铁锤下落过程中,重力势能转化为动能,所以铁锤撞击水泥样品时的动能由重力势能转化而来。
[2]实验通过水泥样品断裂时所承受的撞击次数反映水泥样品的牢固程度。
断裂时承受的撞击次数越多水泥样品越牢固。
(2)[3]比较实验序号1、2的两组数据,水泥样品厚度、水泥样品面积、铁锤高度相同,但第一次实验不参入纤维,第二次实验参入纤维,第二次承受的撞击次数多,可知水泥路面的牢固程度与是否掺入纤维有关。
苏科版版物理九年级上册第十二章机械能和内能单元综合测试(Word版含答案)一、初三物理第十二章机械能和内能易错压轴题提优(难)1.(提出问题)水和空气哪种物质的导热性能好?(猜想与假设)小明进行了如下猜想:猜想一:水的导热性能好;猜想二:空气的导热性能好(设计与进行实验)小明用两个相同的牛奶瓶,都装入热牛奶,一个放在温度与室温相同的水中,另一个放在空气中,为了尽量减少其他因素的影响,他把两个瓶都用木块垫起来,放在同一个桌面上,如上图所示,实验时他每隔一定的时间记录一次甲、乙两温度计的示数,得到的数据如下表:(实验结论)(1)分析表中数据,可得出结论:_____(评估与交流)(2)对甲、乙两个瓶中的牛奶,除了要控制它们的初温相同外,还要控制它们的_____相同(3)热牛奶放在水中温度下降是通过_____方式来_____(选填“增加”或“减少”)内能(4)进一步分析表中甲的示数,小明又发现,在冷却过程中,牛奶冷却的快慢前后并不一致,是越来越___的(实验拓展)(5)如果有一天,你要喝一杯奶茶,下列两种冷却方法中,效果较好的是_____A.将滚烫的热茶冷却5分钟,然后加适量冷牛奶B.先将适量的冷牛奶加进滚烫的热茶中,然后冷却5min(6)物理学中我们用速度来表示物体运动的快慢,若小明用“冷却速度”来表示物体冷却快慢,则“冷却速度”可定义为:质量为1千克的物体,_____叫做冷却速度【答案】在水中冷却比在空气中冷却效果要好质量热传递减少慢A单位时间内降低的温度【解析】【详解】(1)分析可知,在相同时间内水中冷却速度更快,所以在水中比空气中冷却效果更好;(2)在研究空气和水的导热性时,应该保证其它条件相同,除了水的初温外还要保证水的质量相等;(3)由于水与牛奶瓶有温度差,所以要发生热传递,即牛奶温度下降是由于热量传递减少其内能;(4)这是由于随着牛奶温度下降,周围水的温度在升高,使牛奶冷却的速度变慢,因此牛奶冷却的快慢还会受到温度的影响.所以当实验时间较长时,相同时间内牛奶降温的速度逐渐变慢,就是指冷却速率变慢.(5)根据(4)中的结论,物体冷却随时间推移是先快后慢,本质原因是温差逐渐缩小,奶茶热的时候温度下降得快,开始快后来越来越慢,开始先让它保持较高的温度,可以在五分钟内放出更多的热量,然后加入冷牛奶,利用热传递使其再次降温。
九年级上册物理第十二章机械能和内能同步单元检测(Word版含答案)一、初三物理第十二章机械能和内能易错压轴题提优(难)1.某实验小组用图所示的装置粗略测量蜡的热值q,图中A桶内装有水,B为下部开了许多通气孔的罩子(1)要完成本实验,还需要的测量工具是天平、砝码和______;(2)罩子B的主要作用是______;(3)实验收集的数据为:A桶中水的质量为m水,水的初温为t1,末温为t2,蜡烛燃烧前的质量为m1,燃烧后的质量为m2。
则蜡的热值q=______(水的比热容为c水);(4)实验测出的热值会比真实值偏小,造成这一偏差的原因可能是______(至少有一个选项正确,将正确选项的字母填在横线上)。
A.蜡烛没有完全燃烧B.桶A中水的质量太多C.桶A吸收了部分热量D.蜡烛燃烧放出的热量一部分散失到空气中【答案】温度计防止热散失2112()c m t tm m--水水 ACD【解析】【分析】【详解】(1)[1]测量蜡的热值时,根据Qqm=放的原理进行实验,而蜡的质量用天平进行测量,燃烧焟放出的热量Q放在忽略热散失的情况下,等于A桶中内水吸收的热量,而Q吸=c水m(t-t0),所以还需要温度计来测量温度。
(2)[2]罩子B的作用是防止蜡燃烧放出的热量散失到空气中。
(3)[3]由题意知,水吸收的热量Q吸=c水m水(t2-t1)而Q吸=Q放,那么蜡的热值211212()c m t tQqm m m m-==--水水放(4)[4]据Qqm=放,实验中造成测量的热值比实际值偏小的原因有:蜡烛没有完全燃烧,造成放出的热量偏少,则热值偏小;桶A中吸收了部分热量造成水吸收的热量比实际放出的热量少,则热值偏小;蜡烛燃烧放出的热量一部分散失到空气中,造成测量的热量偏少,则热值偏小。
故ACD选项都有可能。
2.为了比较水和沙子吸热的规律,某小组做了如图所示的实验:在两个相同的烧杯中,分别装有质量、初温都相同的水和沙子,用两个相同的酒精灯对其加热,实验数据记录如下表:质量/g升温10°C所需时间/s升温20°C所需时间/s升温30°C所需时间/s沙子306492124水3092163220(1)在此实验中用_____________表示水和沙子吸热的多少;(2)分析表中的实验数据可知:当物体温度变化量和____________相同时,水吸收的热量____________(选填“大于”或“小于”或“等于”)沙子吸收的热量;(3)请你写出比较水和沙子吸热能力的另外一种方法:__________。
九年级上册物理第十二章机械能和内能易错题(Word版含答案)一、初三物理第十二章机械能和内能易错压轴题提优(难)1.小明家买了一台太阳能热水器,他发现真空管是太阳能热水器的核心部件,那热水器内水吸收热量的多少与什么因素有关呢?他把问题告诉物理小组的成员,大家一起做出了如下猜想:猜想一:热水器内水吸收的热量多少与环境温度有关;猜想二:热水器内水吸收的热量多少与光照强度有关;猜想三:热水器内水吸收的热量多少与真空管的材料有关。
(1)经查阅资料发现,真空管在内玻璃管的表面上涂有吸收涂层,用来吸收太阳辐射,其中太阳能属于________(选填“可再生”或“不可再生”)能源。
经阳光照射,太阳能转化成内能,水从涂层吸收热量,水温升高,质量________,密度________(后两空均选填“变大”“变小”或“不变”),热水向上运动。
(2)实验小组在两根完全相同的真空管内装入初温、质量________的水,分别面对太阳光放入光照强度相同但温度不同的环境中,经过相同时间后测量水温,发现水温几乎相等。
由此得出猜想一是______(选填正确或错误)的。
(3)小组成员联系实际,想到夏天如果没有阳光,热水器的水温就较低,而冬天如果有太阳,热水器内水温就很热,于是他们得出结论:热水器内水吸收热量的多少与光照强度________(选填“无关”或“有关”)。
(4)在探究猜想三的实验中,该小组找到了三根外形相同但材料不同的真空管,给管内灌满水,面对阳光,每隔相同的时间检测罐内水的温度,得到的实验数据如下表所示,为了更好地利用太阳能,你建议他家应选择________制成的热水器。
【答案】可再生不变变小相同错误有关紫金管【解析】【分析】【详解】(1)[1]再生能源是不需人为参与,可以循环再生的能源,如太阳能、水能、风能、潮汐能、地热能等。
[2][3]水从涂层吸收热量,水温升高,水的多少没有变化,所以睡得质量不变,但由于水吸收热量,水的体积会增大,所以水的密度会变小。
第十二章机械能和内能(培优篇)(Word版含解析)一、初三物理第十二章机械能和内能易错压轴题提优(难)1.某兴趣小组将一张硬卡片对折,在开口的一边剪两个小豁口A和B,然后套上橡皮筋,做成了一个会跳的卡片(如图所示)。
为了探究卡片跳起的高度与哪些因素有关,该兴趣小组提出了以下猜想:A.与卡片的质量有关B.与橡皮筋的形变量有关C.与橡皮筋的条数有关为了验证猜想,小组选用几根相同的橡皮筋和几张相同的卡片进行实验。
(1)小明将图中的卡片反过来,把它放在桌面上用手向下压,使橡皮筋伸长,迅速松开手,观察到的现象是________,这个现象说明:发生弹性形变的橡皮筋能对卡片________,因此它具有________能。
(2)为了探究卡片跳起高度与质量是否有关,应选择质量不同的卡片,控制其他实验条件相同,操作中将卡片反过来,每次把它在桌面上用手压平的目的是____________________________,实验中若观察到不同质量的卡片跳起的高度不同,则说明跳起高度与质量________(选填有关或无关)。
(3)探究卡片跳起高度与橡皮筋形变量是否有关,请你为该小组提供使橡皮筋的形变量不同的两种方法:①____________;②____________。
【答案】卡片跳起做功弹性势使每次橡皮筋的形变量相同有关分别压两个卡片时将一个卡片压平,另一个不压平使小豁口A、B的间距不相同【解析】【分析】【详解】(1)[1]橡皮筋伸长说明橡皮筋发生了弹性形变,发生弹性形变的物体想要恢复原状,就会对使它发生形变的物体施加力的作用,所以橡皮筋对硬卡片施加力,使它弹起。
[2]橡皮筋对卡片施加力,卡片弹起即在力的方向上运动了,所以橡皮筋对卡片做功。
[3]做功会引起能量的转化,橡皮筋的弹性势能转化为卡片的动能,因此橡皮筋具有弹性势能。
(2)[4]探究跳起的高度与质量是否有关,应选择质量不同的卡片,控制其它的实验条件相同,操作中将卡片反过来,根据控制变量法,每次把它在桌面上用手压平的目的是控制橡皮筋的形变量相同。
物理九年级上册第十二章机械能和内能同步单元检测(Word版含答案)一、初三物理第十二章机械能和内能易错压轴题提优(难)1.某实验小组用图所示的装置粗略测量蜡的热值q,图中A桶内装有水,B为下部开了许多通气孔的罩子(1)要完成本实验,还需要的测量工具是天平、砝码和______;(2)罩子B的主要作用是______;(3)实验收集的数据为:A桶中水的质量为m水,水的初温为t1,末温为t2,蜡烛燃烧前的质量为m1,燃烧后的质量为m2。
则蜡的热值q=______(水的比热容为c水);(4)实验测出的热值会比真实值偏小,造成这一偏差的原因可能是______(至少有一个选项正确,将正确选项的字母填在横线上)。
A.蜡烛没有完全燃烧B.桶A中水的质量太多C.桶A吸收了部分热量D.蜡烛燃烧放出的热量一部分散失到空气中【答案】温度计防止热散失2112()c m t tm m--水水 ACD【解析】【分析】【详解】(1)[1]测量蜡的热值时,根据Qqm=放的原理进行实验,而蜡的质量用天平进行测量,燃烧焟放出的热量Q放在忽略热散失的情况下,等于A桶中内水吸收的热量,而Q吸=c水m(t-t0),所以还需要温度计来测量温度。
(2)[2]罩子B的作用是防止蜡燃烧放出的热量散失到空气中。
(3)[3]由题意知,水吸收的热量Q吸=c水m水(t2-t1)而Q吸=Q放,那么蜡的热值211212()c m t tQqm m m m-==--水水放(4)[4]据Qqm=放,实验中造成测量的热值比实际值偏小的原因有:蜡烛没有完全燃烧,造成放出的热量偏少,则热值偏小;桶A中吸收了部分热量造成水吸收的热量比实际放出的热量少,则热值偏小;蜡烛燃烧放出的热量一部分散失到空气中,造成测量的热量偏少,则热值偏小。
故ACD选项都有可能。
2.探究不同物质的吸热能力(1)如图所示,在探究“不同物质的吸热能力”实验中,小雨同学在两只烧杯中装入______相同的食用油和水,用相同的酒精灯给它们加热,目的是使食用油和水在相同时间内______,从而通过______来反映吸收热量的多少;(2)小雨同学进行实验时,每隔一分钟记录食用油和水的温度,记录的实验数据如下表:升高的温度∆t/°C510152025食用油的加热时间t/min12345水的加热时间t/min246810根据实验数据可以发现______相同的不同物质,升高相同的温度,吸收的热量是______的。
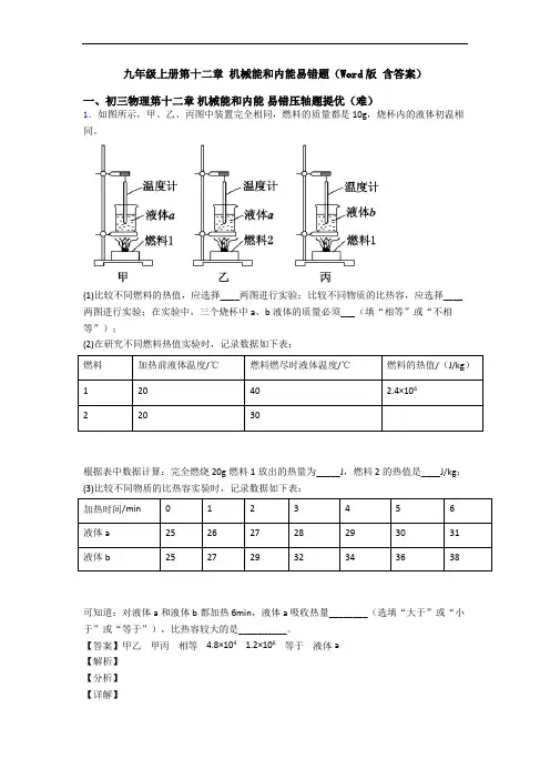
九年级上册物理第十二章机械能和内能单元测试卷(word版,含解析)一、初三物理第十二章机械能和内能易错压轴题提优(难)1.如图所示,甲、乙、丙图中装置完全相同,燃料的质量都是10g,烧杯内的液体初温相同。
(1)比较不同燃料的热值,应选择____两图进行实验;比较不同物质的比热容,应选择____两图进行实验;在实验中,三个烧杯中a、b液体的质量必须___(填“相等”或“不相等”);(2)在研究不同燃料热值实验时,记录数据如下表:燃料加热前液体温度/℃燃料燃尽时液体温度/℃燃料的热值/(J/kg)12040 2.4×10622030根据表中数据计算:完全燃烧20g燃料1放出的热量为_____J,燃料2的热值是____J/kg;(3)比较不同物质的比热容实验时,记录数据如下表:加热时间/min0123456液体a25262728293031液体b25272932343638可知道:对液体a和液体b都加热6min,液体a吸收热量________(选填“大于”或“小于”或“等于”),比热容较大的是__________。
【答案】甲乙甲丙相等 4.8×104 1.2×106等于液体a【解析】【分析】【详解】(1)[1]比较不同燃料的热值,应用不同的燃料给相同的液体加热,所以应选择甲乙两图进行实验。
[2]比较不同物质的比热容,应用相同的燃料给不同的液体加热,所以应选择甲丙两图进行实验。
[3]在实验中用上控制变量法进行探究,所以要探究不同燃料的热值,除了燃料种类不同,其它物理量要控制相同,即液体的种类及其质量、初温要相同;同理要探究不同物质的比热容时,除了液体种类不同,其它物理量要相同,即热源、燃料的质量要相同。
(2)[4]由表格数据知,完全燃烧20g燃料1放出的热量Q放=m1q1=0.02kg×2.4×106J/kg=4.8×104J[5]完全燃烧10g燃料1放出的热量4414.8101J2J122.410Q Q===⨯⨯⨯放放而甲图中,液体a吸收的热量等于燃料燃烧放出的热量,设液体的质量为m,据Q吸=cm(t-t0)得,液体a的比热容()34110J22.4 1.210J()(0)40QQcm t t m t t m m⨯====--⋅⨯-吸放℃℃乙图中,燃料燃烧放出的热量Q放2 =Q吸2=cm(t'-t0')=341.210J(3020) 1.210Jmm⋅-=⨯⨯⋅℃℃则燃料2的热值4621.210J1.210J/kg0.01kgQqm⨯===⨯放2燃料(3)[6][7]在甲和丙中,用相同的热源给液体加热,在相同的时间内放出的热量相同,则a、b液体吸收的热量相同。
上海省吾中学物理第十二章机械能和内能易错题(Word版含答案)一、初三物理第十二章机械能和内能易错压轴题提优(难)1.(提出问题)水和空气哪种物质的导热性能好?(猜想与假设)小明进行了如下猜想:猜想一:水的导热性能好;猜想二:空气的导热性能好(设计与进行实验)小明用两个相同的牛奶瓶,都装入热牛奶,一个放在温度与室温相同的水中,另一个放在空气中,为了尽量减少其他因素的影响,他把两个瓶都用木块垫起来,放在同一个桌面上,如上图所示,实验时他每隔一定的时间记录一次甲、乙两温度计的示数,得到的数据如下表:(实验结论)(1)分析表中数据,可得出结论:_____(评估与交流)(2)对甲、乙两个瓶中的牛奶,除了要控制它们的初温相同外,还要控制它们的_____相同(3)热牛奶放在水中温度下降是通过_____方式来_____(选填“增加”或“减少”)内能(4)进一步分析表中甲的示数,小明又发现,在冷却过程中,牛奶冷却的快慢前后并不一致,是越来越___的(实验拓展)(5)如果有一天,你要喝一杯奶茶,下列两种冷却方法中,效果较好的是_____A.将滚烫的热茶冷却5分钟,然后加适量冷牛奶B.先将适量的冷牛奶加进滚烫的热茶中,然后冷却5min(6)物理学中我们用速度来表示物体运动的快慢,若小明用“冷却速度”来表示物体冷却快慢,则“冷却速度”可定义为:质量为1千克的物体,_____叫做冷却速度【答案】在水中冷却比在空气中冷却效果要好质量热传递减少慢A单位时间内降低的温度【解析】【详解】(1)分析可知,在相同时间内水中冷却速度更快,所以在水中比空气中冷却效果更好;(2)在研究空气和水的导热性时,应该保证其它条件相同,除了水的初温外还要保证水的质量相等;(3)由于水与牛奶瓶有温度差,所以要发生热传递,即牛奶温度下降是由于热量传递减少其内能;(4)这是由于随着牛奶温度下降,周围水的温度在升高,使牛奶冷却的速度变慢,因此牛奶冷却的快慢还会受到温度的影响.所以当实验时间较长时,相同时间内牛奶降温的速度逐渐变慢,就是指冷却速率变慢.(5)根据(4)中的结论,物体冷却随时间推移是先快后慢,本质原因是温差逐渐缩小,奶茶热的时候温度下降得快,开始快后来越来越慢,开始先让它保持较高的温度,可以在五分钟内放出更多的热量,然后加入冷牛奶,利用热传递使其再次降温。
物理九年级上册第十二章机械能和内能单元复习练习(Word版含答案)一、初三物理第十二章机械能和内能易错压轴题提优(难)1.小华骑自行车下坡时,想到一个问题:“从斜面下滑物体的快慢与哪些因素有关呢?”回家后她找来了小车、停表、刻度尺和充当斜面的木板进行探究,如图所示。
首先对影响小车下滑快慢的因素做出以下猜想,猜想一:与小车的质量有关;猜想二:与斜面的高度有关;猜想三:与斜面的长度有关。
(1)根据所学知识,物体下滑时的动能是由重力势能转化而来的,而同一物体质量不变,高度越大势能越大,下滑速度________(选填越大或越小),断定猜想二是正确的。
(2)为了验证猜想一,小华设计的方案是在小车内放置不同数量的钩码,分别从高度相同的同一斜面的顶端由静止释放,用停表测出小车由顶端下滑到底端的时间.小华测量的结果如下表,她怀疑第三次测量错误,这时她想起释放时推了一下小车,对此她进行了反思:释放时推了一下小车,小车的动能________,下滑时间缩短.于是修正了这一错误并进行了重新测量,发现时间仍为2.5秒。
表中四个数据的下滑路程和时间都相同,即速度相同,说明从斜面下滑物体的快慢跟质量________(选填有关或无关),猜想一是________(选填正确或错误)的。
实验次数1234小车内放置钩码的质量m/g050100150时间t/s 2.5 2.5 2.0 2.5(3)为了验证猜想三,小华设计的方案是将同一小车分别从高度相同、长度不同的不同斜面的顶端由静止释放,用停表测出下滑到底端的时间。
她通过测量发现下滑的时间不同,于是得出速度不同、猜想三是正确的结论。
请对小华这一探究作出评价,指出她“速度不同”判断错误的原因是路程________(选填“相同”或“不同”),不能只比较时间。
正确的方法是计算出每次下滑的速度,才能下结论。
(4)小华又作出:“小车下滑的快慢还与斜面倾角有关”的猜想,你认为在斜面长度相同的条件下,她________(选填“需”或“不需”)要对这一猜想进行探究,原因是倾角是指斜面与水平面之间的夹角,夹角大小代表斜面陡与平的程度,倾角越大高度____________。
九年级上册第十二章机械能和内能易错题(Word版含答案)一、初三物理第十二章机械能和内能易错压轴题提优(难)1.如图所示,甲、乙、丙图中装置完全相同,燃料的质量都是10g,烧杯内的液体初温相同。
(1)比较不同燃料的热值,应选择____两图进行实验;比较不同物质的比热容,应选择____两图进行实验;在实验中,三个烧杯中a、b液体的质量必须___(填“相等”或“不相等”);(2)在研究不同燃料热值实验时,记录数据如下表:燃料加热前液体温度/℃燃料燃尽时液体温度/℃燃料的热值/(J/kg)12040 2.4×10622030根据表中数据计算:完全燃烧20g燃料1放出的热量为_____J,燃料2的热值是____J/kg;(3)比较不同物质的比热容实验时,记录数据如下表:加热时间/min0123456液体a25262728293031液体b25272932343638可知道:对液体a和液体b都加热6min,液体a吸收热量________(选填“大于”或“小于”或“等于”),比热容较大的是__________。
【答案】甲乙甲丙相等 4.8×104 1.2×106等于液体a【解析】【分析】【详解】(1)[1]比较不同燃料的热值,应用不同的燃料给相同的液体加热,所以应选择甲乙两图进行实验。
[2]比较不同物质的比热容,应用相同的燃料给不同的液体加热,所以应选择甲丙两图进行实验。
[3]在实验中用上控制变量法进行探究,所以要探究不同燃料的热值,除了燃料种类不同,其它物理量要控制相同,即液体的种类及其质量、初温要相同;同理要探究不同物质的比热容时,除了液体种类不同,其它物理量要相同,即热源、燃料的质量要相同。
(2)[4]由表格数据知,完全燃烧20g燃料1放出的热量Q放=m1q1=0.02kg×2.4×106J/kg=4.8×104J[5]完全燃烧10g燃料1放出的热量4414.8101J2J122.410Q Q===⨯⨯⨯放放而甲图中,液体a吸收的热量等于燃料燃烧放出的热量,设液体的质量为m,据Q吸=cm(t-t0)得,液体a的比热容()34110J22.4 1.210J()(0)40QQcm t t m t t m m⨯====--⋅⨯-吸放℃℃乙图中,燃料燃烧放出的热量Q放2 =Q吸2=cm(t'-t0')=341.210J(3020) 1.210Jmm⋅-=⨯⨯⋅℃℃则燃料2的热值4621.210J1.210J/kg0.01kgQqm⨯===⨯放2燃料(3)[6][7]在甲和丙中,用相同的热源给液体加热,在相同的时间内放出的热量相同,则a、b液体吸收的热量相同。
物理九年级上册第十二章机械能和内能同步单元检测(Word版含答案)一、初三物理第十二章机械能和内能易错压轴题提优(难)1.某实验小组用图所示的装置粗略测量蜡的热值q,图中A桶内装有水,B为下部开了许多通气孔的罩子(1)要完成本实验,还需要的测量工具是天平、砝码和______;(2)罩子B的主要作用是______;(3)实验收集的数据为:A桶中水的质量为m水,水的初温为t1,末温为t2,蜡烛燃烧前的质量为m1,燃烧后的质量为m2。
则蜡的热值q=______(水的比热容为c水);(4)实验测出的热值会比真实值偏小,造成这一偏差的原因可能是______(至少有一个选项正确,将正确选项的字母填在横线上)。
A.蜡烛没有完全燃烧B.桶A中水的质量太多C.桶A吸收了部分热量D.蜡烛燃烧放出的热量一部分散失到空气中【答案】温度计防止热散失2112()c m t tm m--水水 ACD【解析】【分析】【详解】(1)[1]测量蜡的热值时,根据Qqm=放的原理进行实验,而蜡的质量用天平进行测量,燃烧焟放出的热量Q放在忽略热散失的情况下,等于A桶中内水吸收的热量,而Q吸=c水m(t-t0),所以还需要温度计来测量温度。
(2)[2]罩子B的作用是防止蜡燃烧放出的热量散失到空气中。
(3)[3]由题意知,水吸收的热量Q吸=c水m水(t2-t1)而Q吸=Q放,那么蜡的热值211212()c m t tQqm m m m-==--水水放(4)[4]据Qqm=放,实验中造成测量的热值比实际值偏小的原因有:蜡烛没有完全燃烧,造成放出的热量偏少,则热值偏小;桶A中吸收了部分热量造成水吸收的热量比实际放出的热量少,则热值偏小;蜡烛燃烧放出的热量一部分散失到空气中,造成测量的热量偏少,则热值偏小。
故ACD选项都有可能。
2.探究不同物质的吸热能力(1)如图所示,在探究“不同物质的吸热能力”实验中,小雨同学在两只烧杯中装入______相同的食用油和水,用相同的酒精灯给它们加热,目的是使食用油和水在相同时间内______,从而通过______来反映吸收热量的多少;(2)小雨同学进行实验时,每隔一分钟记录食用油和水的温度,记录的实验数据如下表:升高的温度∆t/°C510152025食用油的加热时间t/min12345水的加热时间t/min246810根据实验数据可以发现______相同的不同物质,升高相同的温度,吸收的热量是______的。
九年级物理第十二章 机械能和内能易错题(Word 版 含答案)一、初三物理第十二章 机械能和内能 易错压轴题提优(难)1.小明利用如图装置研究做功与能量的转化关系。
重物通过细绳与木块相连,细绳不可伸长,AQ 为水平面,AP 段长为L ,表面光滑;PQ 段粗糙,实验开始时,木块的细绳拉直,质量为M 的木块位于P 点,质量为m 的重物恰好置于地面,将木块从P 向右拉至A ,放手后木块向左运动,最终停在B 点,PB 长为x 。
不计空气阻力、滑轮摩擦。
(1)木块在AB 段运动过程中,重物的重力做功为(用字母表示)___________;木块经过PB 段内能______________(选填“不变”、“增大”或“减小”);(2)观察实验并联系生活实际,小明提出猜想:重物和木块获得的总动能与重物重力做功多少有关。
他提出猜想的生活依据是:________________ ;(3)为了验证猜想,小明做了以下实验,重物100g m =,木块900g M =,改变木块从P 点右移的距离L ,测得一组数据,记录如下:(g 取10N/kg ) 序号 1 2 3 4 5 6 PA 的长/m L0.1 0.15 0.2 0.35 0.45 0.5 木块在P 点的速度平方()221/m s v -⋅ 0.2 0.3 0.4 0.7 0.9 1.0①已知物体动能的表达式为212mv ,分析重物和木块获得的总动能与重物的重力做功的多少,可知猜想是____________(选填“正确”或“错误”)的,得出的结论是__________。
在AP 段滑行的过程中,该系统(重物和木块)的机械能____________(选填“守恒”或“不守恒”);②利用实验信息分析,当0.7m L =时,木块M 在P 点获得的动能是___________________J ;(4)如果上述结论具有普遍性,则一个物体从高为h 的光滑斜面顶端,由静止开始滑下,不计空气阻力,物体滑到斜面底端时的速度v =_____________(用字母表示)。
九年级上册物理第十二章机械能和内能单元综合测试(Word版含答案)一、初三物理第十二章机械能和内能易错压轴题提优(难)1.某兴趣小组将一张硬卡片对折,在开口的一边剪两个小豁口A和B,然后套上橡皮筋,做成了一个会跳的卡片(如图所示)。
为了探究卡片跳起的高度与哪些因素有关,该兴趣小组提出了以下猜想:A.与卡片的质量有关B.与橡皮筋的形变量有关C.与橡皮筋的条数有关为了验证猜想,小组选用几根相同的橡皮筋和几张相同的卡片进行实验。
(1)小明将图中的卡片反过来,把它放在桌面上用手向下压,使橡皮筋伸长,迅速松开手,观察到的现象是________,这个现象说明:发生弹性形变的橡皮筋能对卡片________,因此它具有________能。
(2)为了探究卡片跳起高度与质量是否有关,应选择质量不同的卡片,控制其他实验条件相同,操作中将卡片反过来,每次把它在桌面上用手压平的目的是____________________________,实验中若观察到不同质量的卡片跳起的高度不同,则说明跳起高度与质量________(选填有关或无关)。
(3)探究卡片跳起高度与橡皮筋形变量是否有关,请你为该小组提供使橡皮筋的形变量不同的两种方法:①____________;②____________。
【答案】卡片跳起做功弹性势使每次橡皮筋的形变量相同有关分别压两个卡片时将一个卡片压平,另一个不压平使小豁口A、B的间距不相同【解析】【分析】【详解】(1)[1]橡皮筋伸长说明橡皮筋发生了弹性形变,发生弹性形变的物体想要恢复原状,就会对使它发生形变的物体施加力的作用,所以橡皮筋对硬卡片施加力,使它弹起。
[2]橡皮筋对卡片施加力,卡片弹起即在力的方向上运动了,所以橡皮筋对卡片做功。
[3]做功会引起能量的转化,橡皮筋的弹性势能转化为卡片的动能,因此橡皮筋具有弹性势能。
(2)[4]探究跳起的高度与质量是否有关,应选择质量不同的卡片,控制其它的实验条件相同,操作中将卡片反过来,根据控制变量法,每次把它在桌面上用手压平的目的是控制橡皮筋的形变量相同。
九年级物理第十二章机械能和内能易错题(Word版含答案)一、初三物理第十二章机械能和内能易错压轴题提优(难)1.小明用三根材料和厚度相同但长宽不同的橡皮条、一个弹珠,探究“影响橡皮条弹性势能的因素”。
他依次将橡皮条固定在弹弓上,如图所示,在弹性限度范围内,拉伸相同的伸长量,将弹珠在同一位置沿水平方向弹射出去,测得弹射的水平距离,数据如下表:次数橡皮条橡皮条宽(cm)橡皮条长(cm)弹射的水平距离/m1a0.52010.12b0.5308.23c 1.02014.0请回答以下问题:(1)实验中是通过比较________________来间接反映橡皮条的弹性势能大小,下列实验中采取的方法与这一方法不同的是________(填字母)。
A.在研究影响电热大小的因素时,我们可以将电热的多少转换成液柱上升的高度B.判断电路中是否有电流时,我们可通过电路中的灯泡是否发光去确定C.研究电流时,将它比作水流(2)比较第1、2次实验可知,拉伸相同的伸长量,橡皮条的弹性势能与橡皮条的________有关;比较第1、3次实验可知,拉伸相同的伸长量,橡皮条的弹性势能还与橡皮条的________有关;你猜想影响橡皮条弹性势能的因素可能还有______________。
(3)用同种材料同厚度的橡皮条,拉伸相同的伸长量,弹性势能最大的橡皮条是________。
A.窄而长的 B.宽而长的 C.窄而短的 D.宽而短的(4)请你对小明的实验做出评价_________(写出一条即可)。
【答案】弹珠被弹射的水平距离C长度宽度橡皮条的厚度D多做几次实验,使实验结果具有普遍性【解析】【分析】【详解】(1)[1]实验通过弹珠被弹射的水平距离反映橡皮条的弹性势能大小,弹珠弹射的越远,说明皮条的弹性势能转化为弹珠的动能越多,说明皮条具有的弹性势能越多。
[2]AB.电热的多少转化为液柱上升的高度,是否有电流转化为灯泡是否发光,应用的转化法与实验中的方法相同,故AB不符合题意;C .研究电流时,将它比作水流,是类比法,与实验中的方法不同,故C 符合题意。
九年级上册物理第十二章机械能和内能单元测试卷附答案一、初三物理第十二章机械能和内能易错压轴题提优(难)1.某兴趣小组将一张硬卡片对折,在开口的一边剪两个小豁口A和B,然后套上橡皮筋,做成了一个会跳的卡片(如图所示)。
为了探究卡片跳起的高度与哪些因素有关,该兴趣小组提出了以下猜想:A.与卡片的质量有关B.与橡皮筋的形变量有关C.与橡皮筋的条数有关为了验证猜想,小组选用几根相同的橡皮筋和几张相同的卡片进行实验。
(1)小明将图中的卡片反过来,把它放在桌面上用手向下压,使橡皮筋伸长,迅速松开手,观察到的现象是________,这个现象说明:发生弹性形变的橡皮筋能对卡片________,因此它具有________能。
(2)为了探究卡片跳起高度与质量是否有关,应选择质量不同的卡片,控制其他实验条件相同,操作中将卡片反过来,每次把它在桌面上用手压平的目的是____________________________,实验中若观察到不同质量的卡片跳起的高度不同,则说明跳起高度与质量________(选填有关或无关)。
(3)探究卡片跳起高度与橡皮筋形变量是否有关,请你为该小组提供使橡皮筋的形变量不同的两种方法:①____________;②____________。
【答案】卡片跳起做功弹性势使每次橡皮筋的形变量相同有关分别压两个卡片时将一个卡片压平,另一个不压平使小豁口A、B的间距不相同【解析】【分析】【详解】(1)[1]橡皮筋伸长说明橡皮筋发生了弹性形变,发生弹性形变的物体想要恢复原状,就会对使它发生形变的物体施加力的作用,所以橡皮筋对硬卡片施加力,使它弹起。
[2]橡皮筋对卡片施加力,卡片弹起即在力的方向上运动了,所以橡皮筋对卡片做功。
[3]做功会引起能量的转化,橡皮筋的弹性势能转化为卡片的动能,因此橡皮筋具有弹性势能。
(2)[4]探究跳起的高度与质量是否有关,应选择质量不同的卡片,控制其它的实验条件相同,操作中将卡片反过来,根据控制变量法,每次把它在桌面上用手压平的目的是控制橡皮筋的形变量相同。
九年级第十二章机械能和内能易错题(Word版含答案)一、初三物理第十二章机械能和内能易错压轴题提优(难)1.(提出问题)水和空气哪种物质的导热性能好?(猜想与假设)小明进行了如下猜想:猜想一:水的导热性能好;猜想二:空气的导热性能好(设计与进行实验)小明用两个相同的牛奶瓶,都装入热牛奶,一个放在温度与室温相同的水中,另一个放在空气中,为了尽量减少其他因素的影响,他把两个瓶都用木块垫起来,放在同一个桌面上,如上图所示,实验时他每隔一定的时间记录一次甲、乙两温度计的示数,得到的数据如下表:(实验结论)(1)分析表中数据,可得出结论:_____(评估与交流)(2)对甲、乙两个瓶中的牛奶,除了要控制它们的初温相同外,还要控制它们的_____相同(3)热牛奶放在水中温度下降是通过_____方式来_____(选填“增加”或“减少”)内能(4)进一步分析表中甲的示数,小明又发现,在冷却过程中,牛奶冷却的快慢前后并不一致,是越来越___的(实验拓展)(5)如果有一天,你要喝一杯奶茶,下列两种冷却方法中,效果较好的是_____A.将滚烫的热茶冷却5分钟,然后加适量冷牛奶B.先将适量的冷牛奶加进滚烫的热茶中,然后冷却5min(6)物理学中我们用速度来表示物体运动的快慢,若小明用“冷却速度”来表示物体冷却快慢,则“冷却速度”可定义为:质量为1千克的物体,_____叫做冷却速度【答案】在水中冷却比在空气中冷却效果要好质量热传递减少慢A单位时间内降低的温度【解析】【详解】(1)分析可知,在相同时间内水中冷却速度更快,所以在水中比空气中冷却效果更好;(2)在研究空气和水的导热性时,应该保证其它条件相同,除了水的初温外还要保证水的质量相等;(3)由于水与牛奶瓶有温度差,所以要发生热传递,即牛奶温度下降是由于热量传递减少其内能;(4)这是由于随着牛奶温度下降,周围水的温度在升高,使牛奶冷却的速度变慢,因此牛奶冷却的快慢还会受到温度的影响.所以当实验时间较长时,相同时间内牛奶降温的速度逐渐变慢,就是指冷却速率变慢.(5)根据(4)中的结论,物体冷却随时间推移是先快后慢,本质原因是温差逐渐缩小,奶茶热的时候温度下降得快,开始快后来越来越慢,开始先让它保持较高的温度,可以在五分钟内放出更多的热量,然后加入冷牛奶,利用热传递使其再次降温。
苏科版版九年级物理上册第十二章机械能和内能章末训练(Word版含解析)一、初三物理第十二章机械能和内能易错压轴题提优(难)1.某实验小组用图所示的装置粗略测量蜡的热值q,图中A桶内装有水,B为下部开了许多通气孔的罩子(1)要完成本实验,还需要的测量工具是天平、砝码和______;(2)罩子B的主要作用是______;(3)实验收集的数据为:A桶中水的质量为m水,水的初温为t1,末温为t2,蜡烛燃烧前的质量为m1,燃烧后的质量为m2。
则蜡的热值q=______(水的比热容为c水);(4)实验测出的热值会比真实值偏小,造成这一偏差的原因可能是______(至少有一个选项正确,将正确选项的字母填在横线上)。
A.蜡烛没有完全燃烧B.桶A中水的质量太多C.桶A吸收了部分热量D.蜡烛燃烧放出的热量一部分散失到空气中【答案】温度计防止热散失2112()c m t tm m--水水 ACD【解析】【分析】【详解】(1)[1]测量蜡的热值时,根据Qqm=放的原理进行实验,而蜡的质量用天平进行测量,燃烧焟放出的热量Q放在忽略热散失的情况下,等于A桶中内水吸收的热量,而Q吸=c水m(t-t0),所以还需要温度计来测量温度。
(2)[2]罩子B的作用是防止蜡燃烧放出的热量散失到空气中。
(3)[3]由题意知,水吸收的热量Q吸=c水m水(t2-t1)而Q吸=Q放,那么蜡的热值211212()c m t tQqm m m m-==--水水放(4)[4]据Qqm放,实验中造成测量的热值比实际值偏小的原因有:蜡烛没有完全燃烧,造成放出的热量偏少,则热值偏小;桶A中吸收了部分热量造成水吸收的热量比实际放出的热量少,则热值偏小;蜡烛燃烧放出的热量一部分散失到空气中,造成测量的热量偏少,则热值偏小。
故ACD选项都有可能。
2.小明家买了一台太阳能热水器,他发现真空管是太阳能热水器的核心部件,那热水器内水吸收热量的多少与什么因素有关呢?他把问题告诉物理小组的成员,大家一起做出了如下猜想:猜想一:热水器内水吸收的热量多少与环境温度有关;猜想二:热水器内水吸收的热量多少与光照强度有关;猜想三:热水器内水吸收的热量多少与真空管的材料有关。
九年级物理上册第十二章机械能和内能易错题(Word版含答案)一、初三物理第十二章机械能和内能易错压轴题提优(难)1.如图所示,甲、乙、丙图中装置完全相同,燃料的质量都是10g,烧杯内的液体初温相同。
(1)比较不同燃料的热值,应选择____两图进行实验;比较不同物质的比热容,应选择____两图进行实验;在实验中,三个烧杯中a、b液体的质量必须___(填“相等”或“不相等”);(2)在研究不同燃料热值实验时,记录数据如下表:燃料加热前液体温度/℃燃料燃尽时液体温度/℃燃料的热值/(J/kg)12040 2.4×10622030根据表中数据计算:完全燃烧20g燃料1放出的热量为_____J,燃料2的热值是____J/kg;(3)比较不同物质的比热容实验时,记录数据如下表:加热时间/min0123456液体a25262728293031液体b25272932343638可知道:对液体a和液体b都加热6min,液体a吸收热量________(选填“大于”或“小于”或“等于”),比热容较大的是__________。
【答案】甲乙甲丙相等 4.8×104 1.2×106等于液体a【解析】【分析】【详解】(1)[1]比较不同燃料的热值,应用不同的燃料给相同的液体加热,所以应选择甲乙两图进行实验。
[2]比较不同物质的比热容,应用相同的燃料给不同的液体加热,所以应选择甲丙两图进行实验。
[3]在实验中用上控制变量法进行探究,所以要探究不同燃料的热值,除了燃料种类不同,其它物理量要控制相同,即液体的种类及其质量、初温要相同;同理要探究不同物质的比热容时,除了液体种类不同,其它物理量要相同,即热源、燃料的质量要相同。
(2)[4]由表格数据知,完全燃烧20g燃料1放出的热量Q放=m1q1=0.02kg×2.4×106J/kg=4.8×104J[5]完全燃烧10g燃料1放出的热量4414.8101J2J122.410Q Q===⨯⨯⨯放放而甲图中,液体a吸收的热量等于燃料燃烧放出的热量,设液体的质量为m,据Q吸=cm(t-t0)得,液体a的比热容()34110J22.4 1.210J()(0)40QQcm t t m t t m m⨯====--⋅⨯-吸放℃℃乙图中,燃料燃烧放出的热量Q放2 =Q吸2=cm(t'-t0')=341.210J(3020) 1.210Jmm⋅-=⨯⨯⋅℃℃则燃料2的热值4621.210J1.210J/kg0.01kgQqm⨯===⨯放2燃料(3)[6][7]在甲和丙中,用相同的热源给液体加热,在相同的时间内放出的热量相同,则a、b液体吸收的热量相同。
分析表格数据知,吸收相同的热量,液体a升温慢,其比热容较大。
2.小明利用如图装置研究做功与能量的转化关系。
重物通过细绳与木块相连,细绳不可伸长,AQ为水平面,AP段长为L,表面光滑;PQ段粗糙,实验开始时,木块的细绳拉直,质量为M的木块位于P点,质量为m的重物恰好置于地面,将木块从P向右拉至A,放手后木块向左运动,最终停在B点,PB长为x。
不计空气阻力、滑轮摩擦。
(1)木块在AB段运动过程中,重物的重力做功为(用字母表示)___________;木块经过PB 段内能______________(选填“不变”、“增大”或“减小”);(2)观察实验并联系生活实际,小明提出猜想:重物和木块获得的总动能与重物重力做功多少有关。
他提出猜想的生活依据是:________________ ;(3)为了验证猜想,小明做了以下实验,重物100g m =,木块900g M =,改变木块从P 点右移的距离L ,测得一组数据,记录如下:(g 取10N/kg )①已知物体动能的表达式为212mv ,分析重物和木块获得的总动能与重物的重力做功的多少,可知猜想是____________(选填“正确”或“错误”)的,得出的结论是__________。
在AP 段滑行的过程中,该系统(重物和木块)的机械能____________(选填“守恒”或“不守恒”);②利用实验信息分析,当0.7m L =时,木块M 在P 点获得的动能是___________________J ;(4)如果上述结论具有普遍性,则一个物体从高为h 的光滑斜面顶端,由静止开始滑下,不计空气阻力,物体滑到斜面底端时的速度v =_____________(用字母表示)。
【答案】mgL 增大 物体下落过程中速度越来越快 正确 重物和木块获得的总动能与重物重力做功的多少相等 守恒 【解析】 【分析】 【详解】(1)[1]由题意可知,重物的重力是G mg =,木块在AB 段运动过程中,重物下降的高度是L ,那么重物的重力做功大小是W mgL =重[2]木块经过PB 段由于受到摩擦力的作用,内能会增大。
(2)[3]重物和木块获得的总动能与重物重力做功多少有关,随着重物重力做功越来越大,速度也越来越大,所以这个依据是物体下落过程中速度越来越快。
(3)[4]由表中数据可看到,PA 的数值越大,木块在P 点的速度越大,动能越大,所以猜想是正确的。
[5]由表中数据可知,第1次实验中重物和木块获得的总动能是()()2-1110.1kg 0.9kg 0.2m s 0.1J 2W =⨯+⨯⋅=总动能重物的重力做功是110.1kg 10N/kg 0.1m 0.1J W mgL ==⨯⨯=重力第2次实验中重物和木块获得的总动能是()()2-1210.1kg 0.9kg 0.3m s 0.15J 2W =⨯+⨯⋅=总动能 重物的重力做功是220.1kg 10N/kg 0.15m 0.15J W mgL ==⨯⨯=重力同理,第3、4、5、6次实验也可以得到这样的数据,所以可得出结论:重物和木块获得的总动能与重物重力做功的多少相等。
[6]AP 段是光滑的,所以势能完全转化为动能,系统机械能守恒。
[7]比较表中数据可知,2v 与L 成正比,当0.1m L =时,()22-10.2m s v =⋅,那么()2-10.2m s 0.1m k ⋅=⨯解得22m/s k =,可得到222m/s v L =⨯,当0.7m L =时22222m/s 0.7m 1.4m /s v =⨯=所以可知木块M 在P 点获得的动能是222110.9kg 1.4m /s 0.63J 22W Mv ==⨯⨯= (4)[8]一个物体从高为h 的光滑斜面顶端,由静止开始滑下,不计空气阻力,则机械能是守恒的,物体重力所做的功转化为动能,可以得到关系式212mgh mv =解得2v gh =。
3.小华骑自行车下坡时,想到一个问题:“从斜面下滑物体的快慢与哪些因素有关呢?”回家后她找来了小车、停表、刻度尺和充当斜面的木板进行探究,如图所示。
首先对影响小车下滑快慢的因素做出以下猜想,猜想一:与小车的质量有关;猜想二:与斜面的高度有关;猜想三:与斜面的长度有关。
(1)根据所学知识,物体下滑时的动能是由重力势能转化而来的,而同一物体质量不变,高度越大势能越大,下滑速度________(选填越大或越小),断定猜想二是正确的。
(2)为了验证猜想一,小华设计的方案是在小车内放置不同数量的钩码,分别从高度相同的同一斜面的顶端由静止释放,用停表测出小车由顶端下滑到底端的时间.小华测量的结果如下表,她怀疑第三次测量错误,这时她想起释放时推了一下小车,对此她进行了反思:释放时推了一下小车,小车的动能________,下滑时间缩短.于是修正了这一错误并进行了重新测量,发现时间仍为2.5秒。
表中四个数据的下滑路程和时间都相同,即速度相同,说明从斜面下滑物体的快慢跟质量________(选填有关或无关),猜想一是________(选填正确或错误)的。
(3)为了验证猜想三,小华设计的方案是将同一小车分别从高度相同、长度不同的不同斜面的顶端由静止释放,用停表测出下滑到底端的时间。
她通过测量发现下滑的时间不同,于是得出速度不同、猜想三是正确的结论。
请对小华这一探究作出评价,指出她“速度不同”判断错误的原因是路程________(选填“相同”或“不同”),不能只比较时间。
正确的方法是计算出每次下滑的速度,才能下结论。
(4)小华又作出:“小车下滑的快慢还与斜面倾角有关”的猜想,你认为在斜面长度相同的条件下,她________(选填“需”或“不需”)要对这一猜想进行探究,原因是倾角是指斜面与水平面之间的夹角,夹角大小代表斜面陡与平的程度,倾角越大高度____________。
【答案】越大增大无关错误不同不需越大【解析】【分析】【详解】(1)[1]同一物体质量不变,高度越大势能越大,下滑时转化的动能越大,速度越大。
(2)[2]释放时推了一下小车,使小车的初速度增大,增大了物体的动能。
[3][4]由表中数据可知,当质量不同时,小车滑到低端的时间相同,速度相同,说明从斜面下滑物体的快慢跟质量无关,所以猜想一是错误的。
(3)[5]小华设计的方案中,小车运动的路程不同,不能通过相同路程比时间的方法来比较运动的快慢。
(3)[6][7]倾角是斜面与水平面之间的夹角,夹角大小代表斜面倾斜程度,倾角越大高度越大,所以不需要探究小车下滑的快慢还与斜面倾角的关系。
4.李华同学发现建筑工人在铺设水泥路时,有时要在水泥里面掺入少量纤维材料.他想通过实验来探究在水泥中掺入纤维材料是否会影响水泥路面的牢固程度.关于水泥路面的牢固程度与哪些因素有关,和同学们讨论后,他们提出了以下猜想:猜想1:与是否掺入纤维有关;猜想2:与纤维掺入量有关;猜想3:与纤维材料的种类有关。
经过思考后,他们利用图中装置,将铁锤通过电磁铁从某一高度处由静止释放,对水泥样品进行连续撞击,直至水泥样品断裂,收集的数据记录在下表中。
(1)铁锤撞击水泥样品时的动能是由________转化来的。
实验时通过__________________来比较水泥样品的牢固程度。
(2)比较实验序号1、2的两组数据,可得出的结论是:水泥路面的牢固程度与是否掺入纤维________(选填“有关”或“无关”)。
(3)比较序号2、3、4三组数据,可得出的结论是:在水泥中掺入适量纤维时,掺入纤维材料越多,水泥路面越________(选填“牢固”或“不牢固”)。
(4)比较序号2、5、6的三组数据,________(选填能或不能)比较得出:在水泥中掺入等量不同纤维材料,掺入C纤维材料水泥路面最牢固,你判断的理由是______(5)为缩短上述样品的实验时间,需减少碰撞次数,可采用的方法是_____【答案】重力势能水泥样品断裂时所承受的撞击次数有关牢固能在水泥中掺入C 纤维材料,水泥样品断裂时所承受的撞击次数最多,说明该水泥路面最牢固增加铁锤下落时的高度或增加铁锤质量【解析】【分析】【详解】(1)[1]铁锤下落过程中,重力势能转化为动能,所以铁锤撞击水泥样品时的动能由重力势能转化而来。